刨工技能考评细则
- 格式:doc
- 大小:243.00 KB
- 文档页数:12
挖掘机驾驶员职业技能岗位鉴定规范第一章说明一、鉴定要求1.鉴定试题符合本职业岗位鉴定规范内容。
2.职业技能鉴定分为理论考试和实际操作考核两部分.3.理论部分试题分为:是非题、选择题、计算题和简答题.4.考试时间:原则上理论考试时间2两小时,实际操作考核为4~6小时,两项考试均实行百分制.5.理论考试和实际操作考核成绩均到达60分以上为技能鉴定合格。
技能鉴定与道德鉴定、业绩鉴定均合格为岗位鉴定合格.二、条件1. 初级水平鉴定的人员须有初中毕业证书,经过相应的培训或从事该岗位工作两年以上。
2.中级水平鉴定的人员须有初级技术等级证书和高中毕业证书,并在初级岗位上工作三年以上.3。
高级水平鉴定的人员须有中级技术等级证书和高中毕业证书,并在中级岗位上工作五年以上。
三、考评员要求1.2.考评员具有中级工以上或技术员以上;3.掌握本工种职业技能鉴定规范。
三、工具、设备要求1.常用工具:钢丝钳、鲤鱼钳、尖嘴钳、开口扳手、梅花扳手、套筒扳手、一字螺丝刀、十字螺丝刀、内六角扳手等.2.专用工具:各种机械随机专用工具,挡圈钳、扭力扳手等。
3.测量工具:钢尺、钢卷尺、卡钳、游标卡尺、千分尺、内径百分表、塞尺、万用表、水准仪、经纬仪、坡度尺、2m靠尺等。
4.起重机具:钢丝绳、吊绳、缷扣、绳卡、千斤顶、滑车、滑车组等。
5.设备:挖土机及各工作装置、起重机械。
第二章岗位鉴定规范第一节道德鉴定规范一、本标准适用于从事机械施工的所有初级工、中级工、高级工的道德鉴定。
二、道德鉴定在用人单位广泛开展道德教育的基础上,采取笔试或用人单位按实际表现鉴定的形式进行。
一、道德鉴定的内容主要包括,遵守各项技术安全操作规程及本单位的规章制度,树立良好的职业道德和敬业精神以及刻苦钻研技术的精神。
四、道德鉴定由用人单位负责,职业技能岗位鉴定站审核.考核结果分为优、良、合格、不合格。
对笔试考核的,60分以下的为不合格,60~79分为合格,80~89分为良,90分以上为优。
工人技能等级评定方案一、评定目的1.了解工人的技能水平,为企业选拔优秀人才提供依据。
2.激发工人学习技能的积极性,提高整体技能水平。
3.促进企业内部人才流动,优化人力资源配置。
二、评定对象1.全体在职工人,包括操作工、技术工、维修工等。
2.新入职工人,需在试用期结束后进行评定。
三、评定标准1.技能等级分为初级、中级、高级、技师、高级技师五个等级。
2.评定标准根据工种、岗位特点制定,包括理论知识、实际操作、创新能力等方面。
3.各等级评定标准如下:初级:掌握基本操作技能,能够独立完成工作任务。
中级:熟练掌握操作技能,具备一定的创新能力。
高级:具备丰富的操作经验,能够独立解决复杂问题。
技师:具备丰富的操作经验,能够指导他人解决复杂问题。
高级技师:具备丰富的操作经验,能够进行技术攻关,培养徒弟。
四、评定流程1.自我评定:工人根据自身技能水平,对照评定标准进行自我评定。
2.部门评定:各部门负责人根据工人实际表现,结合自我评定结果,进行部门内评定。
3.企业评定:企业成立技能评定委员会,对各部门评定结果进行审核,确定最终评定等级。
4.公示:将评定结果进行公示,接受全体员工监督。
5.颁证:对评定合格的工人颁发技能等级证书。
五、激励措施1.薪资待遇:根据技能等级,提高工人薪资待遇。
2.培训机会:为高技能等级工人提供更多培训机会,提升技能水平。
3.职业晋升:优先选拔高技能等级工人担任重要岗位。
4.表扬奖励:对技能等级评定优秀的工人给予表彰和奖励。
六、持续改进1.定期对评定方案进行评估,根据实际运行情况调整评定标准。
2.收集员工反馈意见,不断完善评定方案。
3.加强与行业内外企业的交流合作,借鉴先进经验,提升评定方案的科学性。
一份完善的工人技能等级评定方案,既能帮助企业选拔优秀人才,又能激发员工学习技能的积极性。
在实际操作过程中,我们要不断调整和完善方案,确保其发挥最大作用。
让我们一起努力,为企业的发展注入新的活力!注意事项:1.评定标准要公正透明,避免出现主观臆断的情况。
机械坡口机技能实践考核评分标准(二级)
1、劳保用品的佩带(5分)
①按照开坡口劳保用品佩带标准
A、少佩带一种该项为0分
2.根据图纸判定切板件(15分)
①根据图纸标准准确的判定切板件的良与不良,公差以图纸公差带为标
准,图纸无公差带的以自由公差为标准(5分)
②检查工件不符合图纸要求的自行修复(10分)
A、修理后不合格扣8分
B、不能修复的为0分
3.根据图纸计算坡口尺寸(30分)
①根据图纸上标注的尺寸准确的计算坡口角度(30分)
A、计算不对为0分
B、不会计算为0分
4.刀片的选用(5分)
①准确判定刀片的好坏以及刀片的更换(5分)
A、刀片夹紧块拧太紧扣3分
B、使用磨损严重的刀片扣2分
5.程序的编制与调试(35分)
①根据不同的板厚以及加工角度选定不同的切割速度(5分)
A、切削速度过快导致设备有震动或有异常响声扣分
B、切削速度过快导致刀片损伤、破裂的扣分
②上坡口,下坡口,上下坡口以及铣端面程序的编制与调试 (30分)
A、上坡口或者下坡口不合格扣10分
B、上下坡口不合格扣10分
C、铣端面不合格扣10分
6.首件符合图纸要求(5分)
①根据图纸要求能独立的检查工件,并符合要求(5分)
A、判定错误的为0分
B、有一处不合格的扣2分,两处以上为0分
7.是否规范操作(5分)
①不按照操作规程或者作业标准书操作
A、违反一次扣2分,直至扣完。
工厂技能考核标准工厂技能考核标准工厂技能考核是对工厂员工技能水平的评估,用于确定员工的工作能力和适应能力,以及提供有针对性的培训和发展机会。
下面是一套基本的工厂技能考核标准,用于评估员工在工厂日常操作中的技能水平。
一、机床操作技能1. 能够熟练操作常见的机床设备,包括车床、铣床、钻床等。
2. 能够正确选择和更换刀具,进行切削加工。
3. 能够根据工艺要求,合理调整机床参数,保证加工质量。
4. 能够独立完成工件的加工和检验。
二、焊接技能1. 能够熟练操作常见的焊接设备,包括电弧焊、氩弧焊等。
2. 能够正确选择焊接材料和焊接方法,保证焊接质量。
3. 能够根据焊接工艺要求,合理调整焊接参数。
4. 能够正确进行焊缝的组织结构和外观质量评定。
三、装配技能1. 能够熟练掌握常见零部件的装配方法和工序。
2. 能够正确使用并熟练掌握装配所需的工具和设备。
3. 能够准确理解和执行装配图纸和工艺指导书的要求。
4. 能够保证装配工艺的准确性和装配质量的稳定性。
四、设备维护技能1. 能够熟练掌握设备的基本结构和工作原理。
2. 能够熟练操作设备的维护工具和设备。
3. 能够准确判断设备故障,并采取相应的维修措施。
4. 能够按照维修计划和规范进行设备维护和保养。
五、安全操作技能1. 能够熟练掌握工厂的安全操作规程和操作流程。
2. 能够正确使用和佩戴个人防护用具。
3. 能够根据安全规定进行操作,有效防范事故的发生。
4. 能够及时处理和报告安全隐患,保证工作环境的安全与整洁。
以上是一个基本的工厂技能考核标准,根据不同工厂的特点和要求,可能还会有一些其他的技能要求。
工厂可以根据实际情况进行调整和补充,以确保考核标准的准确性和实用性。
通过将技能考核与培训与发展相结合,可以提高员工的工作能力和适应能力,促进工厂的稳定和可持续发展。
爆破工考核标准第一篇:爆破工考核标准爆破工考核标准1、爆破作业考核标准1.1 跟班队长每班对一名爆破工进行督察,当班无炮或有重点任务需要待在一个地点时可以不进行督察。
下班前将督察情况填写在跟班交接班记录中,到地面后根据本条1.2款开罚款单,在次日班前会上通报。
1.2 携带填写不标准火药票入井罚款50元。
携带不合格发爆器入井罚款50元,影响生产的罚款承担80%。
爆破工具少带一种罚款10元,不带便携仪罚款50元。
进入火药库罚款50元,领雷管数量和火药票不符罚款100元,领取无号雷管罚款50元,雷管箱不加锁、锁鼻损坏不更换罚款50元,在井下向队部要锁罚款10元/次。
让他人代背大线罚款20元/次,让他人代背雷管箱或发爆器罚款50元/次。
与背药工距离低于8m或大于13m罚款20元。
不按规定做起爆药卷、装药、连线、起爆、验炮和处理瞎炮均按一般三违处理,罚款200元。
不按规定退库罚款50元。
升井不交发爆器或一炮三检本罚款50元。
1.3 跟班队长无特殊原因而没有对爆破工进行督察,罚款50元/次,有问题不开罚款单罚款50元/次,在班前会上不通报罚款50元/次。
2、一炮三检本考核标准2.1 分管爆破副队长每次值班对所有一炮三检本检查一次,出检查通报在班前会上通报。
爆破班长上班期间每天对本班所有一炮三检本审核一次,并签字,在班前会上通报审核结果,每月11号、21号、次月1号把上旬审核出来的问题汇总后以纸质形式向队长上报。
2.2 爆破班长审核问题处罚标准:两次爆破只填写一次瓦检员姓名,罚款10元/次;没有填写退库时间的,罚款10元/次;没有直接队班组长签字者,罚款10元/次;一炮三检本不交者,罚款20元/次;雷管炸药不填用、退量者,罚款50元/次;填写错误者,用、退不相符者,罚款50元/每次。
2.3 分管副队长审核问题处罚标准:爆破班长不审一炮三检本者,罚款20元/次。
副队长发现而爆破班长没有发现的问题按上2.2的标准对责任人处罚,减半标准对爆破班长处罚。
表1-5 《爆破工》安全技能操作考核项目、标准、评分序号项目内容评分标准分值得分一爆破作业操作1.炸材领、运临时存放10⑴领药①穿抗静电衣服,绝缘套矿灯,携带专用箱;②带上“爆破资格证”、符合安全等级和当班需要量的班组长签章的领料单;③领取经过检验的符合标准的雷管、炸药;3⑵运送①电雷管必须由爆破工亲自运送,炸药应由爆破工或在爆破工监护下由其他人员运送;避开交接班、上下班时间,直接运送到爆破地点;②同时运送炸药、雷管不超过10kg/人·次;③折箱运送炸药不超过20kg/人·次;④背运原包装炸药不起过1箱/人·次;⑤挑运原包装炸药不超过2箱/人·次3⑶存放①必须将炸材箱加锁放在离作业地点50米以外的安全地点;②临时存放地点必须顶板、支护完好;③严禁与电气设备和杂物放在一起;④炸药雷管必须分开存放,并不得与放炮器和爆破用线混放42、引药制作15装配操作①选择顶板完好、支架完整、远离电气设备的地点;②只准爆破工一人操作,严禁坐在炸材箱上装配;③将电雷脚线理顺,一手握住管体前端脚线,另一手拇食指捏住管体前方10cm处脚线轻轻抽出,脚线绕成圈,末端扭结成短路。
④将药卷顶部折开、揉松,用一根略大于雷管直径的炮针扎孔,管体全部插入孔中封好端头,用脚线套一个扣,固定好电雷管,将剩余的脚线全部缠绕在药卷上;⑤起爆药卷装入专用的容器内,点清数量后加锁;⑥起炸药卷数量以当时当地需要量为限,不得多做153、安全爆破程序40⑴清孔验孔①用掏勺或压缩空气吹眼器清除炮眼内的煤、岩粉和积水;②使用吹眼器时,人应侧站,避免炮眼内飞出的岩粉、块等杂物伤人;③用炮棍检查炮眼的深度、角度、方向和炮眼内部情况;④不合格的炮眼重钻。
4⑵装药①正向装药:起爆药卷位于炮眼口,雷管炸药聚能穴一致朝向眼底;②反向装药:起爆药卷位于炮眼底,雷管炸药聚能穴一致朝向眼口,必须执行总工程师批准的安全技术措施;③爆破工将警戒牌交给班组长安排撤人、保护设备,安放警戒,洒水降尘;④班组长将放炮命令牌交给瓦检员,检查瓦斯浓度必须在1%以下;⑤放炮员发出预警信号;⑥按爆破作业说明书规定的药量、起爆顺序、雷管段号装药;⑦依次将药卷放在炮眼口,一手抓住雷管脚线理向炮眼一侧,另一手用木质或竹质炮棍将药卷轻轻地推入眼底;⑧对于仰角较大的炮眼,可在药卷后边顶上一段炮泥,一起送到眼底,用炮泥卡住药卷;⑨把电雷管脚线扭结短路并悬空。
工人技能等级评定考核方案一、背景和目的在现代工业化生产中,绩效考核是一种有效的管理手段。
为了评价和提升工人的技能水平,企业需要制定一套科学合理的工人技能等级评定考核方案。
本文旨在为企业提供一种可行的工人技能等级评定考核方案,以便能够准确评估工人的技能水平,鼓励员工成长和提升技能。
二、评定标准在工人技能等级评定考核方案中,应综合考虑以下方面的指标:1.工人的基础知识技能:包括对相关行业的专业知识和技术知识的掌握程度,是否了解和遵守相关的技术规范和操作规程等。
2.工人的工作能力和技术操作技能:包括工人在工作中所需的技能和操作能力,是否能够熟练操作相关设备和工具,是否能够高效地进行工作等。
3.工人的解决问题的能力:包括工人在面临工作中遇到的问题时,是否能够独立思考,快速解决问题的能力。
4.工人的工作态度和团队合作能力:包括工人对工作的积极态度和主动性,是否能够与他人合作,是否具备团队合作的意识和能力等。
以上评定标准应根据不同岗位的要求进行具体细化,以便能够更准确地评估工人的技能水平。
三、评定程序1.制定评定标准和考核内容:根据不同岗位的要求,制定工人技能等级评定的标准和评定的内容。
2.组织考核培训:为参加评定的工人组织相关的技能培训和考核辅导,提高工人的技能水平。
3.进行技能评定考核:根据评定标准和内容,对参加评定的工人进行技能评定考核。
评定者可以是企业内部的专业人员或者是专业评定机构的人员。
4.评定结果公示和反馈:将评定结果公示给参加评定的工人,同时向他们提供评定结果的反馈,指出优势和不足之处,并提供技能提升的建议。
5.技能等级认定:根据评定结果,将工人的技能水平进行等级认定,并为符合条件的工人颁发相应的技能等级证书。
四、奖惩制度为了鼓励工人提升技能水平,可以建立奖惩制度。
具体措施可包括:1.技能等级提升奖励:对通过技能评定考核,提升技能等级的工人进行奖励,可以是薪酬待遇的提升、职称的晋升等。
2.技能培训奖励:对参加相关技能培训并成功通过考核的工人进行奖励,可以是提供培训补贴或者额外奖金。
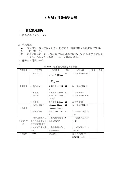
初级刨工技能考评大纲一、刨削燕尾滑块1.考件图样(见图1-6)2.考核要求(1)考核内容尺寸精度、角度、形位精度、表面粗糙度应达到图样要求。
(2)工时定额 4h。
(3)安全文明生产 1)正确执行安全技术操作规程;2)按企业有关文明生产规定,做到工作地整洁,工件、工具摆放整齐。
3.评分表(见表1—1)4.二、刨削单面平板1. 考件图样(见图1-7)2. 考核要求(1) 考核内容 工件装夹正确、夹紧合理,机床调整(刨刀起始位置、滑枕行程速度和进给量)要合理,平面度0.12mm 、表面粗糙度Ra12.5µm 要达到要求。
(2) 工时定额 2h 。
(3) 安全文明生产 1)正确执行安全技术操作规程;2)按企业有关文明生产的规定,做到工作地整洁,工件、工具摆放整齐。
三、刨削平行平板1. 考件图样(见图1-8)2. 考核要求(1) 考核内容 两平面之间距离039.045 mm 、平行度0.20mm 、两平面的平面度0.12mm 、两平面的表面粗糙度R a6.3µm 应达到要求。
(2) 工时定额 2h.(3) 安全文明生产 1)正确执行安全技术操作规程;2)按企业有关文明生产的规定,做到工作地整洁,工件、工具摆放整齐。
四、刨削平垫铁1. 考件图样(见图1-9)2. 考核要求(1) 考核内容 上、下两平面距离039.050-mm ,平行度0.12mm ;左、右两平面距离054.0100-mm ,平行度0.12mm ;两相邻面垂直度0.12mm ;四个平面的平面度0.08mm 和表面粗糙度Ra12.5µm 应达到要求。
(2) 工时定额 3h.(3) 安全文明生产 1)正确执行安全技术操作规程;2)按企业有关文明生产的规定,做到工作地整洁,工件、工具摆放整齐。
五、刨、插削90°角铁1. 考件图样(见图1-10)2. 考核要求(1) 考核内容 外形尺寸(300±0.26)mm (两处)、(300±0.16)mm 和40mm(两处);相邻两面的垂直度0.12mm (3处);两主要平面的平面度0.08mm 和表面粗糙度Ra3.2µm;其他加工面的表面粗糙度Ra6.3µm;各处倒角1×45°应达到要求。
刨肉师绩效考核1.每天按时上下班,不迟到、不早退、节假日无条件加班。
上班穿戴整齐干净,工作服要勤洗,必须带工作帽,头发要勤洗,勤理。
2.每天要勤洗刨肉机,擦干净,洗干净抹布,工作台要干净无垃圾,无油渍,肉渣。
3.切肉按子必须每天洗擦干净,刀具摆放整齐,每天要准备刨肉所需的盘子。
4.不得缺斤少两,误差不能超过25克,肉片不得切太薄太厚。
5.肉的颜色不正,气味不对,不上桌,验货要仔细认真,采购的羊肉,牛肉必须当面过称,质量不好的肉不签字不收货。
6.刨肉时根据肉的名称种类,要摆出不同的造型,准备好生菜垫盘,必要时拼萝卜花摆出造型。
7.因出品太慢,造成顾客打退单,要负相关责任。
8.冰柜一星期清理一次,先进的肉先出品,后进的肉后出品,不得积压渣子肉。
9.因出品造型不好,摆盘难看,有杂物,要负相关责任。
10.必须服从厨师长安排,不得已各种理由推脱,请假必须写请假条由厨师长签字,休息有事必须向厨师长申请。
11.不得上班时间串岗聊天,三两成群,打打闹闹,聚众聊天,搬弄是非,串到包厢,接打电话。
接打电话不能超过五分钟,上午11点半下午五点半以后不能在包厢里搬弄餐具桌椅。
弄乱弄脏包厢。
12.不得吵架打架,偷拿店里的任何东西。
值班不得离开自己的工作岗位,因值班离岗造成顾客打退单,损失由个人全部赔偿。
13上班时间不得玩手机,看报纸,玩手机游戏,工作累了,坐在原地休息不得超过十分钟。
14根据顾客订餐情况,准备所需的牛羊肉,物品没有要提前申请采购,因准备不好造成打退单,要负相关责任。
15每天早上必须协助倒垃圾,上午必须帮助荷台改虾片鱼。
16值班作员工餐,必须提前做好采购计划,准备员工餐菜和面,吃剩的菜和面必须保管好不能扔掉。
17 量化标准。
原材料上菜的误差不能超过5%也不能少于5%。
以上规章制度汤锅工作人员必须严格遵守。
违反一条扣发10元。
请节复杂的,视情况酌情增加。
屡次触犯的,严肃处理。
《车、铣、磨、镗、刨工》(三级/高级)职业资格鉴定
程序化考试实施方案
(试行)
上海市职业技能鉴定中心
2005
操作技能标准化考试实施方案验收表
附件:
①操作技能标准化考试流程表(图)
②鉴定项目一览表
③试题一览表
④试题、考位、考评员、工作人员配置表
⑤分组轮转表(若不采用分组轮转方式,则另用图表、文字作说明)
⑥考生现场通知单(样式)
⑦电脑计分统计要求
⑧其它(视职业属性选择)
《车、铣、磨、镗、刨工》(三级/高级)操作技能鉴定流程
△鉴定中心
车、铣、磨、镗、刨工(三级/高级)操作技能鉴定
附件3
车、铣、磨、镗、刨工(三级/高级)操作技能鉴定
附件4
车、铣、磨、镗、刨工(三级/高级)操作技能鉴定
附件5
车、铣、磨、镗、刨工(三级/高级)操作技能鉴定
考务安排表
第二天考:4、操作技能
附件6
车、铣、磨、镗、刨工(三级/高级)操作技能鉴定
考生现场通知单
附件7
车、铣、磨、镗、刨工(三级/高级)操作技能鉴定
电脑计分统计要求
1、评分表配分一览
(注:可编辑下载,若有不当之处,请指正,谢谢!)。
工人技能等级评定方案一、评定原则1.公正性原则:评定过程必须公正、客观,不能受到任何个人或团体的干扰。
2.实用性原则:评定结果必须具有一定的实用性,便于企业根据评定结果进行有效的人才管理和职业发展规划。
3.可操作性原则:评定方案必须具备可操作性,便于评定人员进行评定,并能够得出准确的评定结果。
二、评定内容1.专业知识与技能:评定人员将根据工人的岗位要求和工作内容,对其专业知识和技能进行评定,包括理论知识、操作技能等方面的能力。
2.职业素质:评定人员将对工人的职业素质进行评定,包括工作态度、团队合作能力、沟通能力、学习能力等方面的能力。
三、评定方法1.笔试:通过书面考试,评估工人的专业知识水平。
考试内容包括工作常识、技术规范、操作方法等方面的知识。
2.实操:通过对工人的实际操作,评估其操作技能的熟练程度。
评定人员将对工人进行实际操作任务,并要求其按要求完成。
评分标准根据操作过程的准确度、速度、熟练程度等来确定。
3.面试:通过面对面的交流,评估工人的职业素质和沟通能力。
评定人员将对工人提问,考察其工作经验、工作态度、团队合作经验等方面。
4.综合评价:根据上述评定方法得出的评分,计算出工人的综合得分,继而确定其技能等级。
评定结果将以等级的形式进行反馈。
四、评定等级根据综合得分计算方法,将工人的技能等级划分为以下几个等级:1.优秀:综合得分90分以上。
2.良好:综合得分80-89分。
3.合格:综合得分70-79分。
4.待提高:综合得分60-69分。
5.不合格:综合得分60分以下。
五、评定结果的运用1.评定结果可作为企业录用人才的参考依据,帮助企业根据工人的技能等级进行人员的筛选与招聘。
2.评定结果可作为工人的职业发展规划的参考依据,帮助工人了解自己目前的技能水平,并确定下一阶段的发展目标。
3.评定结果可作为工人的绩效考核的一部分,便于企业对工人的表现进行评价。
4.评定结果可作为工人的薪酬激励的依据之一,根据工人的技能等级确定相应的薪酬水平。
【下载本文档,可以自由复制内容或自由编辑修改内容,更多精彩文章,期待你的好评和关注,我将一如既往为您服务】
初级木工实践部分考核
一、考核范围
1、工前准备
2、施工制作
3、工后处理
二、考核内容
(一)工前准备
1、能基本看懂一般建筑与装饰工程图纸
2、能正确选用和使用木工手用工具,包括画线、砍削、锯割、刨削、钻孔等各种工具
3、会使用常用的一般木工机械,包括锯刨和刨削机械、木工钻床、手持电动木械机具等,清楚安全操作事项
4、能按施工用量准确配备一般材料
(二)施工制作
1、使用水平尺找平、线锤吊线和墨斗弹线
2、基本动作规范:选料,画线,锯料,刨料,打眼,开榫,推槽,裁口
3、熟练一般形式的木门窗制作与安装
4、木模板施工:包括基础、墙体、门窗过梁、圈梁、柱、梁板,能基本会支设和拆除上述一般结构的木模板,能较好加固,并有基本安全意识
(三)工后处理
1、整理木工施工现场,满足文明施工要求
2、质量检查,能够找出存在的一般质量问题,并有常用的处理方法
3、能对一般质量缺陷进行修复与处理
. 初级木工实践考核表
.。
技能工考核标准技能工考核标准是为了评价技能工的工作能力和水平,从而选择合适的技能工人。
下面是一份基本的技能工考核标准,包含了技能工的常见工作任务和要求。
一、工作任务1. 按照施工图纸和工程要求进行施工,包括挖掘、浇灌、砌筑、焊接等工作。
2. 安装、维修和调试设备和系统,如电力设备、机械设备、自动控制系统等。
3. 进行设备和系统的维护保养、故障排除和修理。
4. 配合工程管理人员进行进度控制和质量检查。
二、技能要求1. 具备良好的职业道德和安全意识,严格遵守相关的安全操作规程和操作规范。
2. 熟悉相关行业的工作流程和操作规范,具备较强的学习和适应能力。
3. 熟悉使用和维护各种常用工具和设备,如手持工具、电动工具、焊接设备等。
4. 具备一定的团队协作能力,能够与同事和其他工种的人员进行良好的沟通和合作。
5. 具备较强的问题解决能力和应急处理能力,能够快速准确地发现和解决工作中的问题。
6. 具备一定的计划和组织能力,能够按照工程要求进行工作安排和任务分配。
三、考核内容1. 作业规范和工作流程:检查技能工是否按照规定的工作流程和作业规范进行工作。
2. 安全操作:检查技能工是否按照规范的安全操作程序进行工作,是否佩戴必要的个人防护装备。
3. 设备使用和维护:检查技能工是否能够正确使用和维护各种工具和设备。
4. 工作质量和效率:检查技能工的施工质量是否符合要求,是否能够按照工程要求合理安排工作进度。
5. 团队协作能力:检查技能工与同事和其他工种人员的沟通和合作情况。
6. 解决问题能力:通过模拟实际工作情景,测试技能工的问题解决和应急处理能力。
7. 计划和组织能力:通过实际工作任务的安排和分配,测试技能工的计划和组织能力。
四、考核标准1. 考核结果根据不同的考核内容进行评分,满分为100分,考核总分按照各项内容的重要程度进行权重调整。
2. 考核结果根据总分进行排名,评定考核等级,如优秀、合格、不合格。
3. 考核结果应当与技能工的工作能力和水平相匹配,符合实际工作需求。
京山轻机2009年技能考评技术文件刨工技能考评细则技能考评委员会二OO九年九月一、考评管理(一)考评标准与命题1、考评标准参照并修改刨工《国家职业标准》设置考评项目和命题。
2、命题管理由人力资源部组织外部专家命题;考评试卷一律由人力资源部统一印制并负责试题保密工作。
(二)考评程序1、本次集体考评,即全员参加;由员工申请考评等级,但仍逐级考评。
2、进一步细分等级,如确定为中级工者,根据考评成绩划为中级A或中级B;3、本次考评规划逐级考评、逐级晋升二、岗位考评标准刨工岗位考评标准初级中级加工高级二、工件加工普通刨床(一)理论知识考评理论知识考评以闭卷笔试方式进行,试卷为客观题100题,(其中单项选择题60题、判断题40题),满分100分,考试时间40分钟。
理论知识考评成绩占考评总分30%。
(二)操作技能考评培训与考评实例:三、考评规则(一)知识考评规则1、参评员工必须持本人工卡参加考评。
2、参评员工必须按考评时间,提前15分钟检录进场。
并按指定座位号参加考评。
迟到15分钟者不得参加考评。
考评开始30分钟后方可离开赛场。
3、参评员工应严格遵守赛场纪律,除携带考评必备的用具(如铅笔、橡皮擦、尺、钢笔或圆珠笔)外,不准带入技术资料和任何工具书。
所有通讯工具一律不得带入考评现场。
4、选手在考评过程中不得擅自离开赛场,如有特殊情况,需经监考官同意后作特殊处理。
5、参评员工在考评过程中,如遇问题需举手向监考官提问,选手之间互相询问按作弊行为处理。
6、在考评规定时间结束时应立即停止答题,不得以任何理由拖延考评时间。
7、理论知识考评以闭卷笔试方式进行,考评时间为40分钟。
(二)操作技能考评规则1、参评员工应自带劳动保护用品。
2、参评员工的出场顺序由抽签决定,同一场次采用相同考评试题,各场次的考评试题由抽签决定,比赛现场开始时,当场开卷。
3、每场比赛前15分钟,该场参评员工凭工卡进入赛场。
由考评办负责选手签到,核对选手工卡,组织选手抽取本场次工位号,由参评员工对抽签结果签字确认。
刨床工作标准1、工作范围本标准规定了普通刨床操作人员的作业标准。
本标准适用于公司普通刨床操作人员作业岗位。
2、工作职责2.1严格执行国家的各项法律、法规、贯彻公司、分厂制订的各项规章制度。
2.2负责所操作设备的日常保养、维护,保证设备正常运转。
2.3严格执行公司、分厂、工段下达的各项生产指令。
2.4保证工作现场、工具箱等整洁,各种器具使用状态良好,物品定置摆放。
2.5保证所加工零部件过程受控及符合图样要求。
2.6保证设备消耗费用及各项质量成本,在定额范围内。
2.7按时认真填写设备点检卡、交接记录及其他有关记录。
2.8完成公司、分厂、工段交办的其他工作。
3、工作内容3.1工作程序3.1.1每天按时到岗,统一着装;定置摆放物品,清扫个人责任区,按时参加班前会。
3.1.2按设备保养要求给设备注油、低速启动设备。
3.1.3按岗位安全操作标准配戴劳动保护用品,做到生产必须安全,不安全不能生产。
3.1.4根据工段安排的生产任务,必须坚持首检制,并养成中间巡检的习惯。
并严格执行“三按”生产制度,认真工作。
3.1.5工作中出现问题要及时向工段负责人及相关部门反馈,问题解决后方可继续生产。
3.1.6班后关闭所有设备电源,并把工作现场清理干净。
3.2工作要求3.2.1 及时学习、了解公司、分厂的质量体系三层文件及各项管理制度,按规定的要求工作。
3.2.2熟练掌握本岗位设备操作知识,保证按时完成本岗位定额加工任务。
3.2.3熟练掌握本岗位各类辅助工具的使用、保养方法。
3.2.4熟练掌握本岗位安全操作标准。
严禁违章操作。
3.2.5刀具不得伸出过长,刨削过程中,头、手不要伸到刨刀前检查。
4、岗位资格和岗位级别4.1岗位资格4.1.1本岗位人员,必须持证上岗。
4.1.2具有控制本岗位质量的能力。
4.1.3具有识图能力及符合本岗位需要的职业道德。
4.1.4掌握机械制图、金属切削原理和刀具、加工工艺、夹具等相关基础知识。
4.1.5具有高中以上学历,从事本工种一年以上或具有初中学历,从事本工种五年以上者。
京山轻机2009年技能考评技术文件刨工技能考评细则
技能考评委员会
二OO九年九月
一、考评管理
(一)考评标准与命题
1、考评标准
参照并修改刨工《国家职业标准》设置考评项目和命题。
2、命题管理
由人力资源部组织外部专家命题;考评试卷一律由人力资源部统一印制并负责试题保密工作。
(二)考评程序
1、本次集体考评,即全员参加;由员工申请考评等级,但仍逐级考评。
2、进一步细分等级,如确定为中级工者,根据考评成绩划为中级A或中级B;
3、本次考评规划逐级考评、逐级晋升
二、岗位考评标准
刨工岗位考评标准
初级
中级
加工
高级
二、工件
加工普通刨床
(一)理论知识考评
理论知识考评以闭卷笔试方式进行,试卷为客观题100题,(其中单项选择题60题、判断题40题),满分100分,考试时间40分钟。
理论知识考评成绩占考评总分30%。
(二)操作技能考评
培训与考评实例:
三、考评规则
(一)知识考评规则
1、参评员工必须持本人工卡参加考评。
2、参评员工必须按考评时间,提前15分钟检录进场。
并按指定座位号参加考评。
迟到15分钟者不得参加考评。
考评开始30分钟后方可离开赛场。
3、参评员工应严格遵守赛场纪律,除携带考评必备的用具(如铅笔、橡皮擦、尺、钢笔或圆珠笔)外,不准带入技术资料和任何工具书。
所有通讯工具一律不得带入考评现场。
4、选手在考评过程中不得擅自离开赛场,如有特殊情况,需经监考官同意后作特殊处理。
5、参评员工在考评过程中,如遇问题需举手向监考官提问,选手之间互相询问按作弊行为处理。
6、在考评规定时间结束时应立即停止答题,不得以任何理由拖延考评时间。
7、理论知识考评以闭卷笔试方式进行,考评时间为40分钟。
(二)操作技能考评规则
1、参评员工应自带劳动保护用品。
2、参评员工的出场顺序由抽签决定,同一场次采用相同考评试题,各场次的考评试题由抽签决定,比赛现场开始时,当场开卷。
3、每场比赛前15分钟,该场参评员工凭工卡进入赛场。
由考评办负责选手签到,核对选手工卡,组织选手抽取本场次工位号,由参评员工对抽签结果签字确认。
选手按规定佩戴好胸牌,进入工位进行考评前的各项准备工作。
考评裁判组对各参评员工的场次进行登记,并分发加工坯件、辅材等,各参评员工对材料进行检查并签字确认,如发现问题由裁判确认后可以更换。
4、参评员工不准带入技术资料和任何工具书,使用的工量具等不得超出准备清单范围。
不得使用专用夹具,不能更换坯件,相互借用工量具。
参评员工之间不可走动、交谈。
5、考评过程中出现设备问题,选手可举手向监考官示意,监考官应到工位处确认原因。
如果确实是因为设备故障原因导致选手中断或终止考评,由监考组长视具体情况作出决定。
6、考评过程中,选手若需休息、饮水或去洗手间须经裁判同意,一律计算在操作时间内。
7、如果选手提前结束考评,应举手向监考官示意提前结束加工。
考评终止时间由监考官记录在案,选手提前结束比赛后不得再进行任何加工。
8、提交试件:选手提交试件时应进行必要的清理,并提请考评监考官到工位处收取工件,由考评监考官在“赛场记录表”上作记录(交件时间等),同时参评员工在监考官记录的“考评记录表”上签字确认,监考官用密封纸对以上实物和文件进行密封,装入专用密封袋。
10、考评结束前10分钟,吹响考评结束提示哨音,各参评员工应准备停止加工。
随后,由参评员工进行机床的相关清理工作。
考评时间到后,经监考官检查许可后,参评员工离开考评车间。
11、参评员工必须严格执行设备安全操作规程和赛场规则,现场裁判发现选手违规操作应及时劝阻。
对违反赛场规则和操作规程,不服从监考官劝阻者,经总裁判长裁决取消比赛资格,因违反安全操作规程造成设备或人身安全事故者,考评成绩无效并按规定追究相关责任。
(三)赛场规则
1、赛场工作人员必须统一佩戴相应证件,着装整齐。
2、除现场监考官、赛场配备的工作人员以外,其他人员未经考评办许可不得进入赛场。