监理大纲正文质量控制流程图
- 格式:doc
- 大小:189.00 KB
- 文档页数:24
工程质量控制流程图一、引言工程质量控制是确保工程项目按照规定标准和要求进行的关键环节。
本文将详细介绍工程质量控制的流程图,包括质量控制的各个阶段和相关步骤。
二、质量控制流程图以下是工程质量控制的流程图,包括质量控制的各个阶段和相关步骤:1. 规划阶段:a. 制定项目质量管理计划:确定项目的质量目标、质量标准和质量控制要求。
b. 制定质量控制流程图:绘制质量控制的流程图,明确质量控制的各个环节和责任人。
2. 设计阶段:a. 进行设计评审:对设计方案进行评审,确保设计满足质量要求。
b. 制定设计变更控制流程:确定设计变更的审核和批准流程,避免质量问题。
3. 采购阶段:a. 选择合格供应商:根据质量要求和供应商的能力,选择合格的供应商。
b. 制定采购验收标准:明确采购物资的验收标准,确保采购物资符合质量要求。
4. 施工阶段:a. 进行工程检查:定期对施工现场进行检查,发现并纠正质量问题。
b. 进行工程测试:对关键工程部位进行测试,确保符合质量标准。
c. 进行质量培训:对施工人员进行质量培训,提高他们的质量意识。
5. 竣工阶段:a. 进行工程验收:对工程项目进行验收,确保符合质量要求。
b. 进行质量评估:评估工程项目的质量,总结经验教训。
6. 后期维护阶段:a. 进行定期维护:定期对工程项目进行维护,确保质量持续稳定。
三、质量控制流程说明1. 规划阶段:在规划阶段,项目团队需要制定项目质量管理计划,明确质量目标、质量标准和质量控制要求。
同时,制定质量控制流程图,明确质量控制的各个环节和责任人。
2. 设计阶段:在设计阶段,项目团队需要进行设计评审,确保设计方案满足质量要求。
同时,制定设计变更控制流程,明确设计变更的审核和批准流程,避免质量问题。
3. 采购阶段:在采购阶段,项目团队需要选择合格的供应商,根据质量要求和供应商的能力进行选择。
同时,制定采购验收标准,明确采购物资的验收标准,确保采购物资符合质量要求。
质量控制流程图
质量控制流程图是一种用于描述产品或服务质量控制过程的图形化工具。
它通过可视化的方式展示质量控制的各个环节和步骤,帮助人们更好地理解和管理质量控制流程。
下面是一个标准格式的质量控制流程图的示例:
1. 开始
- 启动质量控制流程
2. 确定质量标准
- 分析产品或服务的质量要求
- 制定质量标准和指标
- 确定质量目标
3. 设计质量控制计划
- 制定质量控制计划
- 确定质量控制的方法和技术
- 制定质量控制的时间表和资源需求
4. 实施质量控制
- 进行质量检查和测试
- 收集并分析质量数据
- 评估产品或服务的质量
- 确定是否符合质量标准
5. 识别问题和改进
- 发现质量问题和缺陷
- 分析问题的根本原因
- 制定改进措施和行动计划
- 实施改进措施并监控效果
6. 完成质量控制
- 完成质量控制流程
- 汇总和分析整个质量控制过程的数据
- 评估质量控制的效果和成果
7. 结束
- 结束质量控制流程
以上是一个简化的质量控制流程图,实际情况中可能会根据具体的产品或服务的特点进行调整和补充。
质量控制流程图的目的是帮助组织和团队清晰地了解质量控制的步骤和要求,确保产品或服务的质量符合预期,并持续改进质量水平。
一般房屋建筑工程监理大纲编制人:批准人:山西协诚建设工程项目管理有限公司年月日目录一、工程项目概况二、监理工作范围和内容三、监理工作目标四、监理工作依据五、项目监理机构的组织形式及人员配备计划表六、项目监理机构的人员岗位职责七、监理工作程序八、监理工作方法及措施九、监理工作制度十、监理资料一、工程项目概况1、建设单位:2、项目名称:3、建设地点:4、工程造价:5、计划工期:6、质量目标:7、结构形式:8、建筑特征:二、监理工作范围和内容:(一)监理工作范围根据建设单位的需要在监理委托合同中明确(二)监理工作的基本服务内容1、合同管理方面:1)协助建设单位与承包单位、材料设备供应单位签订各类合同,避免合同缺陷的发生;2)对建设单位签订的各项合同进行履约分析,预测各份合同履行过程中的可能出现的问题或纠纷;3)提醒或协助建设单位履行合同,如对材料设备进行验收、清点,进行隐蔽工程验收,组织试车等;4)针对履约过程中出现的各种情况,公正地解释合同条款含义;5)根据建设单位的授权,发布开工令、停工令和复工令;6)根据建设单位的授权,处理工程变更或合同外增加工程量的有关事宜;7)公正地处理工程施工承包合同的当事人提出的索赔;8)组织工地例会,解决需要协调的有关事项,公正地调解合同争议;9)进行工程质量的控制和验收(详见质量控制部分);10)进行工程进度的控制和检查(详见进度控制部分);11)进行工程计量审定、支付的审核(详见造价控制部分);12)接受有关行政管理部门的检查,做好相关的准备工作;13)提交有关阶段的、专项的或总体的工程监理报告;14)做好监理记录,管理工程监理档案。
2、质量控制方面:1)审查工程项目的施工组织设计、技术方案;2)检查工程所用的材料、半成品、构件和设备的质量;3)审查承包单位现场项目管理机构的质量管理体系、技术管理体系和质量保证体系4)审查分包单位的有关资质资料;5)检查各种配合比(不仅仅是砼)的保证措施和准确程度;6)审查各种测量放线方案,并对现场放线进行检查和复核;7)对所有隐蔽工程进行验收;对非隐蔽工程进行主动检查和复核;8)对工程质量进行过程控制;在关键工序或关键部位的施工过程中,实施旁站监督;3、进度控制方面:1)审查并确认各种进度计划;2)定期检查工程的进度,并对比进度计划分析原因;3)根据实际情况提出进度控制的措施。
监理作业程序1.监理作业程序1.1.施工监理的前期准备作业经与业主协商一致后签署监理委托协议,接受监理任务。
设立项目监理机构,委派总监理工程师.总监代表.各专业监理工程师,并明确岗位责任。
配备监理设施及检测设备,熟悉施工图纸,编制项目监理规划及实施细则。
业主有需求时,可协助业主组织施工协议的招标.评标.优选中标单位。
1.2.施工准备阶段的监理作业参与由业主组织的设计交底;审定施工组织设计.施工方案;审查施工测量结果;对施工现场周围环境的调查;检查承包单位技术管理及质量保障体系的落实;检查施工现场的安全防护.消防卫生设备.文明施工措施,提出意见并监督执行;召开第一次工地会议,进行施工监理交底;检查开工条件,批准开工。
1.3.施工过程中的三控.二管.一协调的作业程序1.质量控制作业程序(1)分包单位资质审查选择分包单位→总承包填写“分包单位资质报审单”→总监理工程师审查(总监同意)→总承包方与分包单位签署施工分包协议→分包单位进场施工。
(2)工程材料.构配件和设备进场检验程序承包单位填写“工程物资进场报验表”,监理工程师进行审核,合格后同意进场;不合格另选。
(3)隐蔽验收。
所有隐蔽工程必须经施工方自检合格并报监理验收合格后方能进行下道工序。
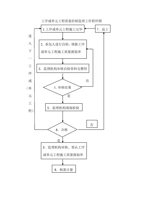
(4)分项.分部工程监理作业程序承包单位达到分项工程报验条件进行自检合格后填写“分项/分部工程施工报验表”报监理工程师审核,若不合格,承包单位进行纠正后重新报验;若合格监理工程师签认分项工程报验单,施工单位可进入下道工序施工。
达到分部工程验收条件时,施工单位先自检,然后填写“分部工程施工报验表”报监理工程师审核,若不合格,承包单位进行纠正后重新报验;若合格,监理工程师签认分部工程报验表2.进度控制作业程序(1)承包单位编制施工总进度计划,经总监理工程师批准后执行。
(2)承包单位应按年.季.月编制进度计划报总监审批后执行;监理工程师对实施情况进行检查.分析,若严重偏离计划目标则应指示承包单位采取措施及时纠偏。
(四)质量控制的基本程序图。
施工阶段监理工作主程序框图
钻孔桩工程工序质量检验控制流程图
承台工程工序质量检验控制流程图
钢板桩围堰工程工序质量检验控制流程图
墩柱、墩身工程工序质量检验控制流程图
支架法现浇箱梁工程工序质量检验控制流程图
长港桥0#块浇筑施工流程图
长港桥两侧平衡对称块(逐段)浇筑施工流程图
桥面铺装工程工序质量检验控制流程图
施工前准备阶段质量控制流程图
技术交底与图纸会审监理工作程序框图
施工组织设计(方案)审查监理工作程序框图
施工阶段质量控制监理工作程序框图
隐蔽工程验收监理工作程序框图
单位(单项)工程竣工验收监理工作程序框图
土方工程质量监理工作程序框图
护底、护坡、挡墙质量监理工作程序框图
施工测量放样监理工作程序框图。
质量控制流程图质量控制是确保产品或者服务符合规定标准和客户需求的关键过程。
通过建立质量控制流程图,可以明确质量控制的步骤和相关责任人,确保质量控制工作的有效执行。
下面是一个标准格式的质量控制流程图,详细描述了质量控制的各个环节。
1. 质量控制流程图概述质量控制流程图是一个可视化的工具,用于展示质量控制的整体流程。
它由一系列步骤和相关的决策点组成,以确保产品或者服务的质量符合预期标准。
质量控制流程图可以匡助团队成员理解质量控制的要求和流程,并提供一个参考,以确保每一个步骤都得到正确执行。
2. 质量控制流程图的步骤2.1 质量控制计划在开始质量控制流程之前,制定一个质量控制计划是必要的。
质量控制计划应包括质量目标、质量标准、质量控制方法和相关的质量控制工具。
质量控制计划的编制应由质量控制经理负责,并经过相关部门的审批。
2.2 质量控制检查质量控制检查是质量控制流程的核心步骤。
在质量控制检查中,质量控制人员将根据质量控制计划中的要求,对产品或者服务进行检查和测试。
这些检查和测试可以包括外观检查、性能测试、功能验证等。
质量控制人员应按照标准操作程序进行检查,并记录检查结果。
2.3 质量控制记录质量控制记录是质量控制流程中的重要环节,用于记录质量控制检查的结果和相关信息。
质量控制记录应包括检查日期、检查人员、检查结果等。
质量控制记录应保存并归档,以备将来的参考和审查。
2.4 质量控制纠正措施如果在质量控制检查中发现任何质量问题或者不符合标准的情况,应即将采取纠正措施。
纠正措施可以包括修复、更换、重新测试等。
质量控制经理应负责协调和监督纠正措施的执行,并确保问题得到及时解决。
2.5 质量控制反馈质量控制反馈是质量控制流程中的最后一步。
在质量控制检查完成后,质量控制人员应向相关部门提供质量控制的反馈。
这些反馈可以包括质量控制检查结果、问题和纠正措施等。
相关部门应根据质量控制反馈,及时调整和改进产品或者服务的质量。
3.1 普通质量控制程序质量控制程序1、施工阶段质量控制工作流程框图(见框图 1)2、材料控制工作流程框图(见框图 2)3、测量控制监理工作流程框图(见框图 3)4、试验控制监理工作流程框图(见框图 4)5、分项工程开工审批程序框图(见框图 5)6、审查施工组织设计(方案)的监理工作程序框图(见框图6)7、分包单位资格审查程序框图(见框图 7)8、隐蔽工程检查验收程序框图(见框图 8)9、工序验收程序框图(见框图 9)10、分项工程验收流程框图(见框图 10)11、分部工程质量验收程序框图(见框图 11)12、单位工程竣工预验收程序框图(见框图 12)13、工程质量缺陷、质量隐患处理程序框图(见框图 13)14、质量事故工作流程框图(见框图 14)1、施工阶段质量控制工作流程框图(框图 1)分项完工质量验收工序质量验收审 批 施 工 方 案核 查 机 械 设 备检 查 质 保 体 系复 核 测 量 放 线审 批 工 程 材 料审批分项工程开工申请进行监理工作交底分项工程开工准备监理过程控制2、材料控制工作流程框图(框图 2)提交总体进度计划审批总体进度计划编制材料进场计划和材料报验计划审批材料进场计划和材料报验计划材料进场报验材料进场查验材料试验材料抽查材料使用申请审批材料使用申请材料使用过程材料使用过程检查若使用违规指令或者撤销审批承包单位监理工程师接设计桩 参预设计交桩基准点复查 基准点复核申请使用基准点 审批基准点使用引设工程控制桩 复核工程控制桩申请使用工程控制桩 审批工程控制桩分项工程放样计算 放样计算复核施工放样 放样抽测分项完工测量 分项工程验收测量监理工程师承包单位随机抽样试样填写委托单进行试样加工试验与记录计算与评定合格否是签发试验报告否签发不合格试验项目通知单追踪记录处理结果5、分项工程开工审批程序框图(框图 5)质 量 保 证 体 系机 械 准 备材 料 准 备进 行 测 量 放 线编 制 施 工 方 案图 纸 审 核 及 交 底提交分项开工申请监理审查与核查监理批准开开工准备准备完成合格证是否6、审查施工组织设计(方案)的监理工作程序框图(框图 6)注: 施工组织方案有重大调整时, 施工单位应重新编制施工组织设计 (方案)并按程序报审。
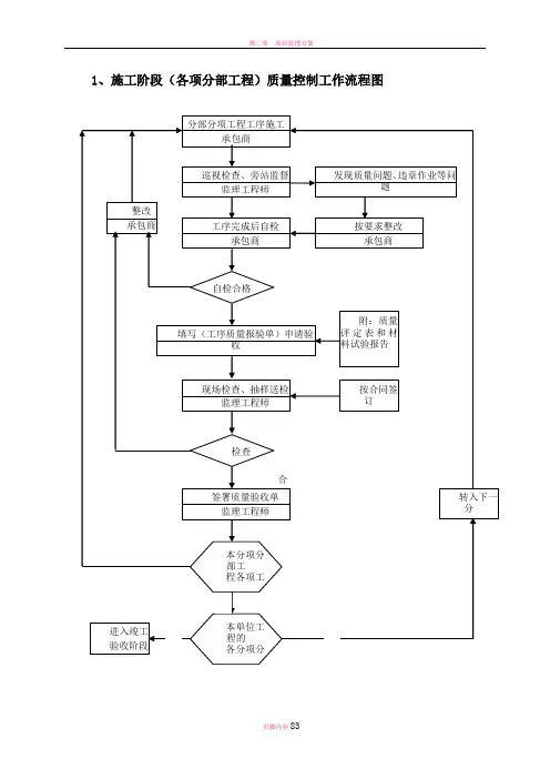
1、施工阶段(各项分部工程)质量控制工作流程图
2、材料(购配件)、设备进场质量控制程序
重
选
料
源
3、隐蔽工程质量控制程序
8、主体工程质量控制工作流程
不同意
未完成完成
不合格
11、钢结构现场焊接按操作工艺流程
12、装饰工程质量控制工作流程
13、建筑设备安装工程质量控制流程(1)安装隐蔽工程
(2)部件和设备的安装
14、建筑电气安装工程质量监理的工作流程
15、建筑施工测量质量监理控制流程
83
一般房屋建筑直接进行定位放线
83
验线结果 合格办理签证
合格
合格
16、单位工程竣工验收程序
83。