工装设备点检表
- 格式:xls
- 大小:21.00 KB
- 文档页数:10
设备点检表模板(范文4篇)以下是网友分享的关于设备点检表模板的资料4篇,希望对您有所帮助,就爱阅读感谢您的支持。
设备点检表模板(1)设备日常点检记录表(—设备日常点检记录表(1—15 日)日常点检记录表年设备名称序号1 2 3 4 5 6 7 8 9 10 11 12 13 14 15 检查设备外观检查各处安全装置检查所有操作开关是否有效检查工作台温度表、压力表、电流表显示数值是否正确开机前检查各操作手柄、控制装置所处位置是否正确检查稳压器电源输出电压是否正常检查油冷机油温表数值是否在要求范围内检查电气柜空调滤网、风冷机滤网、油冷机滤网及通风窗检查滑枕垂直移动润滑面检查工作台静压系统压力表视值(操作台面压力表)检查主轴电机运行状态月简易数控双柱立式车床型号规格CKJQ52100 Φ10000×4000×150t设备编号015031设备类别重、稀、关日期8 9使用单位点检项目衡量标准清洁无油污、无黄袍齐全、灵活、可靠控制灵活、准确在规定数值范围内处于停机位置380V±10%12~35℃无集尘表面有油膜4MPa 左右无振动及异常声音1234567101112131415点检人签字点检人签字点检异常记录年月日异常情况描述点检人年月日异常排除记录维修内容维修人说明:1、每日点检项目,点检者应在上班前30 分钟内完成;2、点检者对点检合格的打“√” ,不合格的打“×” ,并在点检异常记录栏内描述。
设备日常点检记录表(—设备日常点检记录表(16—31 日)日常点检记录表年月设备名称序号1 2 3 4 5 6 7 8 9 10 11 12 13 14 15 检查设备外观检查各处安全装置检查所有操作开关是否有效检查工作台温度表、压力表、电流表显示数值是否正确开机前检查各操作手柄、控制装置所处位置是否正确检查稳压器电源输出电压是否正常检查油冷机油温表数值是否在要求范围内检查电气柜空调过滤网、风冷机滤网、油冷机滤网及通风窗检查滑枕垂直移动润滑面检查工作台静压系统压力表视值(操作台面压力表)检查主轴电机运行状态简易数控双柱立式车床型号规格CKJQ52100 Φ10000×4000×150t设备编号015031设备类别19 20 21重、稀、关日期24 25使用单位点检项目衡量标准清洁无油污、无黄袍齐全、灵活、可靠控制灵活、准确在规定数值范围内处于停机位置380V±10%12~35℃无集尘表面有油膜4MPa 左右无振动及异常声音1617182223262728293031点检人签字点检人签字点检异常记录年月日异常情况描述点检人年月日异常排除记录维修内容维修人说明:1、每日点检项目,点检者应在上班前30 分钟内完成;2、点检者对点检合格的打“√” ,不合格的打“×” ,并在点检异常记录栏内描述。
TPM设备点检表要点
TPM设备点检表编制要点
1、《TPM检查表》是用于员工对设备进行检查内容的确定和实施检查后状态记录,其内容包括:设备名称、设备编号、检查点、检查内容、检查方法、检查的状态(在什么时候、什么情况下进行检查)、检查的频次及员工检查状态的记录等,
2、《TPM检查图解表》是用于对《TPM检查表》进行更加详细的说明,令员工对所检查的内容有更直观的理解;其内容包括:检查步骤、检查内容(对应《TPM检查表》中的检查内容)、检查点及检查标准等。
3、编制原则
点检的顺序(步骤):按逆时针(或顺时针)绕设备一周、设备状态为先停机后开机的顺序进行。
点检的内容:根据设备的日常维护项目以及容易出现故障的部位等编制,主要有设备润滑状态、油箱油量、油缸无漏油、导轨完好度、电气接线完好等。
4、注意事项
检查内容的描述,应该是清晰明确的,不允许包含“是否”、“有无”、“大概”、“大多”等模糊不清的词语,检查内容的描述还应该是可操作性的。
对于一些涉及产品质量,如:工装尺寸、设备气体压力、油压表等关键点应该以数字化方式予以量化,对于检查点多且同名称的设备零部件等,如:螺钉的防松标志、压力表的压力使用范围,则采用目视化管理的方法,先编制、后标注。
总计小时
总计小时注1
2
3
4
5
6
7
8
91011121314151617181920212223
24252627
28
29
30
31
12345678总计小时总计小时注开始运行时停修时时操作工
本表第8条由班长考核:优秀※良好√合格△
检点标志:优秀良好合格
车间
班
年
月
班长设备/工装编号设备型号
设备/工装名称
锯床
检查数控切割调节是否正常开始运行时停修时时操作工
检查日期
检查气动装置是否正常
检查齿轮锯片传送链条是否松动检查齿轮锯片传送链条润滑部件效果检查电动切割电机系统是否正常检查切割锯片是否磨损本表第8条由班长考核:优秀※良好√合格△
检点标志:优秀良好合格
序
检查内容
检查切割面是否平平整
检查切割精度是否需要调效。
新设备、工装和试验设备检查清单1. 概述本文档旨在提供一个新设备、工装和试验设备的检查清单,以确保这些设备在运用之前经过充分的检查和测试。
这个清单用于确保设备的安全性、使用性和性能的可靠性。
2. 新设备检查清单以下是新设备的检查清单,确保在使用之前对其进行必要的检查:2.1 外观检查•确保设备外壳完整无缺,并检查是否有脱落、破损或变形的部件。
•检查设备表面是否有明显的划痕或污渍,并进行适当清洁。
2.2 电气系统检查•确保设备的电气线路连接正确并牢固。
•使用合适的测试工具检查电气系统的接地和绝缘情况。
•确保设备的电气元件和电路板没有明显的烧焦、漏电或损坏。
2.3 功能测试•对设备进行基本的功能测试,确保其正常运作。
•检查设备是否具备所需的功能,并确保各个功能正常工作。
•对设备的控制面板、按钮和开关进行测试,确保其响应灵敏、可靠。
2.4 安全性检查•确保设备上的所有安全设备(如停止按钮、安全门、安全锁等)完好并能正常工作。
•检查设备是否有明显的危险部件或锐利边缘,需要进行相应的安全防护处理。
3. 工装检查清单以下是工装的检查清单,用于确保工装在使用之前经过必要的检查:3.1 结构检查•确保工装的结构牢固,没有明显的松动或变形。
•检查工装的组件和连接件是否完整和稳固。
3.2 安全性检查•确保工装上的安全设备完好并能正常工作。
•检查工装是否具备防护装置,以避免操作人员受伤或设备受损。
3.3 使用性检查•对工装的使用过程进行适当的模拟测试,以确保其能够顺利完成预定的任务。
•检查工装的操作界面和控制元件是否易于操作,并进行相应的调整和改进。
4. 试验设备检查清单以下是试验设备的检查清单,用于确保试验设备在使用之前经过必要的检查:4.1 校准检查•确保试验设备已经进行了校准,并且校准结果满足相应的要求和标准。
4.2 测试流程检查•检查试验设备的测试流程是否完整,并与相应的规范进行比对。
•确保试验设备的参数和配置与预定的测试任务相匹配。
金属拉伸试验机序号频率12345678910111213141516171819202122232425262728293031
1天
2天
3天
4天
5天
6天7
8√ 正 常
× 异 常
△ 汇报修理〇 修理完毕点
检方式
问题描述
备注 1.本记录每月一张。
2.点检工作在每天8:30~9:00进行。
3.点检异常应立即向主管领导汇报。
4.每月结束后,由主管领导签字确认。
移动横梁的限位是否正常点检者签字确认
设备名称
品质部设备型号日期15年月吉冈设备日常点检表
制作审核确认操作者所属部门横梁上下移动是否正常
专用工装夹具是否正常(变形、松动等)点检内容被测件配件是否正常(变形、碎裂等)设备开机是否正常软件、数据传输是否正常。
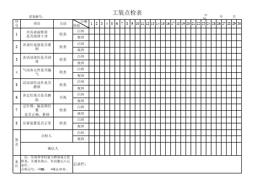
设备、工装点检管理制度(ISO9001-2015)1.0目的本制度规定了设备、工装点检的管理规范。
适用于生产、试验等对使用可靠性要求较高的设备及生产线在线工装,以及公用动力设备的预防维修管理,不适用于生活设备和公共设施。
2.0术语和定义下列术语和定义适用于本文件:2.1专业点检以维修工为主开展的设备点检活动,这些点检包含设备、工装比较深层的,需要一定的专业技能和专业工具才能开展的点检。
2.2自主点检以操作工为主开展的设备点检活动,这些点检包含设备、工装表层的状态、作业安全性、质量重点关联项目等,不需要维修专业技能和专业工具就能开展的点检。
2.35W2H编制基础作业标准的基本要素。
5W指出作业内容(What)、部位(Where)、周期(When)、责任人(Who)、为什么(即作业内容选择)(Why)、量化标准(How much)、方法(How)。
3.0点检的分类3.1自主点检3.1.1自主点检以操作工人为主体。
3.1.2自主点检内容主要是设备外表层面和环境状态(设备外观、安全、质量等相关)的缺陷和不良的检查、排除,不应解体设备和从事带电作业。
3.1.3自主点检内容应由维修人员指导和确认。
3.1.4根据操作工对自主点检掌握情况,可以逐步加深自主点检作业层次,但不涉及需要特殊资质才能进行的作业。
3.2专业点检3.2.1专业点检以维修人员为主体。
3.2.2专业点检针对设备外部、内部状态缺陷和不良进行全面且深入的检查和恢复。
3.2.3维修人员点检的内容和技术方法由设备技术员指导和确认。
4.0点检文件编制4.1设备点检文件分类a)点检基准卡:定义设备、工装点检作业部位、内容、周期、判断标准、方法等。
b)点检记录表:记录点检作业的实际内容和检查结果。
c)作业要领书:指导点检人员完成复杂的点检作业。
4.2作业内容4.2.1作业内容来源a)设备说明书上推荐的项目;b)设备保养过程中发现的,易造成设备劣化的设备自身或环境缺陷、不良;c)设备故障暴露的应重点关注的薄弱点;d)按维修经验积累判断应予关注的项目;e)按法规应重点进行日常检查的项目。
新设备、工装和试验设备检查清单- 确认设备型号和规格是否与购买订单一致- 检查设备外观是否完整,无损坏或缺失- 检查设备配件是否齐全,无遗漏- 开机测试,确认设备是否能正常启动和运行- 检查设备各部件是否运转正常,无异常声音或震动- 确认设备附带的文件资料齐全,无遗漏2. 工装检查清单- 检查工装外观是否完整,无损坏或变形- 确认工装的尺寸和重量是否符合要求- 检查工装的材质和质量是否达到标准要求- 确认工装的使用方式和限制条件是否清晰明确- 进行实际使用测试,确认工装是否能正常使用及安全可靠3. 试验设备检查清单- 确认试验设备的测量范围和精度是否符合要求- 检查试验设备的外观和屏幕是否完好无损- 确保试验设备的电源和供电系统正常工作- 进行零点校准和线性校准测试,确认试验设备的准确性- 确认试验设备所需的附件和辅助设备是否配备齐全以上检查清单可以帮助质量管理人员和设备操作人员确保新设备、工装和试验设备的质量和性能符合要求,提高生产效率和产品质量。
新设备、工装和试验设备在生产和实验中起着至关重要的作用。
它们的质量和性能直接关系到生产效率和产品质量。
为了保证设备的正常使用和可靠性,需要对新设备、工装和试验设备进行严格的检查和测试。
以下将继续介绍相关内容。
4. 新设备检查清单详解- 确认设备型号和规格是否与购买订单一致。
确保购买的设备符合实际需要,避免因型号或规格不符而引发的后续问题。
- 检查设备外观是否完整,无损坏或缺失。
外观的完整性直接关系到设备的安全和美观度。
- 检查设备配件是否齐全,无遗漏。
遗漏的配件可能会影响设备的功能和性能。
- 开机测试,确认设备是否能正常启动和运行。
通过开机测试可以初步确认设备的功能是否正常。
- 检查设备各部件是否运转正常,无异常声音或震动。
异常声音或震动可能意味着设备存在问题,需要及时排查。
- 确认设备附带的文件资料齐全,无遗漏。
包括设备说明书、保修卡等,对设备的使用和维护具有重要意义。