公路工程项目方案重大危险源清单
- 格式:doc
- 大小:133.02 KB
- 文档页数:10
公路工程重大危险源管理方案为进一步加强公路工程的安全生产管理,规范安全生产管理行为,突出安全生产管理工作中的重点,按照《公路水运工程安全生产监督管理办法》的有关规定制定本制度。
第一条重大危险源类别重大危险源分为桥梁工程(基础施工、墩柱施工、桥梁架设);隧道工程;高边坡;爆破工程(爆破作业、炸药仓库);其它等五类。
第二条重大危险源的风险划分㈠重大危险源风险级别划分原则风险共分为三级一级:可能造成10人以上死亡或5000万元以上直接经济损失事故的危险源或发生事故的可能性较大的危险源;二级:可能造成3-9人死亡或1000-5000万元直接经济损失事故的危险源或发生事故的可能性一般的危险源;三级:可能造成1-2人死亡或100-1000万元直接经济损失事故的危险源或发生事故的可能性较小的危险源。
㈡重大危险源风险的具体划分1、桥梁工程指大桥、特大桥、特殊结构(形式)桥梁、跨线桥或现浇梁板的桥梁。
①基础施工:主要是人工挖孔桩、水上桩基础和扩大基础的深基坑施工。
桩基施工风险级别定为三级危险源;如人工挖孔施工处于陡坡或悬崖上则可定为二级危险源;基坑开挖深度超过5m,定为二级危险源,2-5m定为三级危险源。
②墩柱施工:主要指高空作业。
按墩高划分风险级别,10-30m为三级,30-100m为二级,100m以上为一级。
③桥梁架设:主要指梁体吊装、刚构或连续箱梁的挂篮施工、整体承重脚手架现浇梁体的施工等。
其中,风险划分梁体吊装为三级,现浇梁板施工为二级,挂篮施工、斜拉桥和悬索桥架设为一级。
2、隧道工程:包括隧道的掘进以及竖井、斜井的施工。
隧道按长度划分风险等级,1km 以下为三级,1-3km为二级,3km以上为一级;如隧道地址条件复杂可适当调整风险等级。
3、高边坡:主要指切方和填方8m以上的边坡、半填半切边坡和弃土场边坡。
按周围环境的复杂程度和危险程度划分风险等级,8-25m为三级,25m以上为二级,如边坡下有建筑物等情况可适当调整风险等级。
高速公路工程运行重大危险源清单1. 引言本文档旨在记录和归纳高速公路工程中可能存在的重大危险源,以便运营和管理人员能够及时采取措施进行风险防控。
清单中列举的危险源是基于经验总结和理论分析,但提醒您注意,在实际操作中,仍需根据具体情况进行补充和调整。
2. 重大危险源清单以下是高速公路工程可能存在的重大危险源清单:2.1 施工阶段- 施工机械设备异常操作风险- 施工吊篮或高空作业风险- 异常天气条件下的施工风险- 施工现场设备损坏或失效风险- 施工材料储存和管理风险- 施工人员个体防护不到位风险2.2 道路运营阶段- 高速公路交通流量过大风险- 高速公路排水系统故障风险- 高速公路路面不平整风险- 高速公路收费站拥堵风险- 高速公路桥梁结构失修风险- 过疲劳驾驶风险2.3 管理与运营阶段- 高速公路管理人员失职风险- 高速公路运营监控系统故障风险- 高速公路应急救援不及时风险- 高速公路医疗救援不足风险- 高速公路事故处理不当风险- 高速公路巡查不及时风险3. 风险防控措施为降低高速公路工程运行中可能存在的重大危险源带来的风险,在每一阶段都需要采取相应的防控措施。
以下是一些常见的风险防控措施:- 提供专业培训与考核,确保施工人员操作准确无误- 设立安全警示标语和标志,提醒施工人员注意安全- 定期检查和维护道路排水系统,及时清理堵塞物- 加强对高速公路交通流量和桥梁结构的监测和检测- 配备应急救援设备和人员,确保及时响应紧急情况- 建立完善的事故处理和巡查制度,确保工作的连续性和安全性4. 结论本文档提供了一个高速公路工程运行重大危险源清单,供运营和管理人员参考。
在实际操作中,还需根据具体情况进行风险评估和防控措施的制定,以确保高速公路的安全运营。
公路工程重大危险源管理工作方案2023-12-01•引言•重大危险源辨识与评估•重大危险源管理措施•重大危险源监控与预警•重大危险源管理培训与宣传•监督与考核•工作方案实施计划与时间安排目录CONTENTS01引言背景介绍公路工程重大危险源管理工作的背景和重要性国内外公路工程重大危险源管理现状和发展趋势目的和意义明确公路工程重大危险源管理工作的目的和意义阐述公路工程重大危险源管理工作对于保障公共安全和社会稳定的重要性工作方案概述简要介绍公路工程重大危险源管理工作方案的主要内容和实施步骤强调工作方案的重要性和必要性02重大危险源辨识与评估重大危险源是指在一个公路工程项目中,能够导致人员伤亡、财产损失或环境破坏等重大后果的危险源。
重大危险源定义危险源辨识应采用科学、系统的方法,对公路工程建设过程中可能存在的危险因素进行全面识别和评估。
危险源辨识方法重大危险源定义及辨识方法1危险源初步筛选根据工程实际情况,对可能存在的危险源进行初步筛选。
危险源调查对筛选出的危险源进行详细调查,了解其产生原因、危害程度及影响范围。
风险评估对调查结果进行分析,评估危险源可能导致的风险程度。
制定应对措施根据风险评估结果,制定相应的应对措施,包括应急预案、安全防护措施等。
重大危险源评估流程重大危险源评估应遵循科学、公正、客观的原则,以国家相关法规、标准和技术规范为依据。
评估要求评估过程中应注重数据的准确性和可靠性,对危险源进行全面、深入的分析,确保评估结果的准确性和有效性。
评估标准重大危险源评估标准与要求VS03重大危险源管理措施1 2 3公路工程重大危险源的管理应明确各相关部门的责任和分工,确保各项管理措施的落实。
明确重大危险源管理责任对重大危险源进行登记建档,记录危险源的基本信息和风险评估、监控、应急等情况,实现动态管理。
建立危险源登记和档案管理制度定期对重大危险源进行检查和检测,确保其处于可控状态。
制定检查和检测计划建立健全重大危险源管理制度开展应急演练和培训定期组织应急演练和培训,提高应急响应能力。
高速公路建设项目危险源及重大风险源清单高速公路建设项目是一个复杂而庞大的工程,涉及到众多危险和风险源。
为了确保项目的安全和顺利进行,下面是对该项目可能存在的危险和重大风险源的清单:1. 工地安全风险源:- 高处作业:施工期间可能涉及到高处作业,如搭设脚手架、吊装等,存在坠落、物体滑落等风险。
- 施工设备:施工过程中使用的各类机械设备,如起重机、挖掘机等,存在操作不慎、机械故障等风险。
- 建筑材料储存:施工现场储存的建筑材料,如钢筋、水泥等,如果摆放不当可能会引发物体倾斜、滑动等情况。
- 施工现场交通:施工现场内部和周边的交通管理,如车辆行驶、行人通行等,存在碰撞、事故等风险。
2. 土地与环境风险源:- 土壤污染:可能存在旧厂房、废弃物等导致土壤污染的风险,需要进行污染源调查和治理。
- 建筑垃圾处理:施工过程中产生的建筑垃圾处理不当,会对周边环境造成污染和影响。
3. 地质与地下工程风险源:- 岩洞和地下水:在地质勘探过程中,可能会发现岩洞和地下水,需要采取相应措施避免影响工程建设和使用安全。
4. 设备与材料风险源:- 设备故障:使用的设备如起重机、运输车辆等可能存在故障,需定期检查和维护。
- 质量问题:建筑材料的质量问题可能导致工程质量不达标,需要严格把关供应链和材料质检。
5. 自然灾害风险源:- 地震和风灾:高速公路建设项目可能受到地震和强风的影响,需要在规划和设计阶段考虑抗震、防风等措施。
请注意,以上只是对高速公路建设项目可能存在的危险和重大风险源的简要清单,具体的风险评估和管理应根据项目实际情况进行全面的调查和分析。
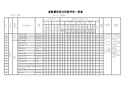
危险源辨识、风险评价和风险控制策划一览表
危险源辨识、风险评价和风险控制策划一览表
区域:编制人/日期:审批人/日期: ZJKR/JL-5.2-03-01
危险源辨识、风险评价和风险控制策划一览表
区域:编制人/日期:审批人/日期: ZJKR/JL-5.2-03-01
注:1、L——可能性;E——发生频率;C——危害程度;
2、风险等级:如果风险值D>=160则为重大风险,对应危险源为重大危险源;D<160为一般风险,对应危险源为一般危险源;
3、风险控制计划:A——制定目标指标、管理方案;B:——制定控制程序;C——教育和培训;D——制定应急预案;E——加强现场监督检查。
重大危险源辨识、风险评价和风险控制策划一览表
区域:编制人/日期:审批人/日期:BHHD/CX-2-32-01-01
注:1、L——可能性;E——发生频率;C——危害程度;
2、风险等级:如果风险值D>=160则为重大风险,对应危险源为重大危险源;D<160为一般风险,对应危险源为一般危险源;
3、风险控制计划:A——制定目标指标、管理方案;B:——制定控制程序;C——教育和培训;D——制定应急预案;E——加强现场监督检查。
安全管理方案及评审、验证、修订记录
管理方案及评审、验证、修订记录
BHHD/CX-2-32-01-02
管理方案及评审、验证、修订记录
BHHD/CX-2-32-01-02
管理方案及评审、验证、修订记录
BHHD/CX-2-32-01-02。
(完整版)交通工程重大危险源和控制措施
清单
交通工程重大危险源和控制措施清单
本清单旨在列出交通工程项目中的重大危险源,并提供相应的控制措施,以确保项目的安全性。
以下是一些常见的交通工程重大危险源和相应的控制措施:
1. 高速公路施工:
- 危险源:交通流量高、车辆速度快、施工区域狭窄。
控制措施:设置临时交通标志、限速标志和警示标志,划定施工区域,保持施工区域的通畅。
2. 铁路建设:
- 危险源:列车行驶速度快、铁轨施工区域密集。
控制措施:设置警示标志和警示灯,确定安全区域,确保施工人员的安全。
3. 隧道施工:
- 危险源:工作空间狭小、通风不良、地质条件不稳定。
控制措施:加强通风系统,提供逃生通道,进行地质勘察和稳定处理。
4. 桥梁建设:
- 危险源:高空作业、悬挑作业、重物吊运。
控制措施:使用安全绳具和安全网,设置警示标志,确保作业人员的安全。
请注意,以上仅为一些示例,具体的危险源和控制措施会根据不同的交通工程项目而有所不同。
在实际项目中,应根据具体情况进行详细的危险源识别和控制措施制定。
我们在编制此清单时尽到了审慎的义务,但不保证清单中所列内容的准确性和完整性。
建议在使用前进行核实并根据具体项目需求进行必要的修改和调整。
感谢您的使用!。
重大事故隐患清单管理制度范文为强化工程施工安全生产管理工作,加强重大事故隐患管理,遏制重、特大生产安全事故发生,根据《安全生产法》、《建设工程安全生产管理条例》、交通运输部《公路水运工程安全生产监督管理办法》、《公路水运工程建设重大事故隐患清单管理制度(征求意见稿)》等,制订本制度。
第一条公路水运工程建设重大事故隐患是指在公路工程施工过程中,存在因违法违规行为可能导致重大心上生产安全事故或造成重大经济损失和恶劣社会影响的人的不安全行为和物的不安全状态。
第二条凡列入国家和地方基本建设计划的公路水运基础设施、新建、改建、扩建以及拆除、加固等施工中重大事故隐患理及交通运输主管部门实施督办工作,适合本制度。
第三条重大事故隐患清单是依据法律法规、标准规范管理部门开展公路水运工程重大事故隐患排查治理的督办工作。
施工企业是公路水运工程建设生产安全事故隐患排查治理的责任主体。
负责制订本企业生产安全重大工,编制本企业承担工程建设项目重特大事故隐患清单,开展重特大事故隐患排查治理工作。
重大事故隐患清单管理制度范文(2)第一章总则第一条为加强对重大事故隐患的管理,预防和减少重大事故的发生,保障人民生命财产安全,制定本制度。
第二条本制度适用于本单位内所有存在重大事故隐患的环节和部门。
第三条本制度的目的是加强对重大事故隐患的排查、整改和管理,确保事故隐患的及时发现和消除,减少事故风险,确保人员安全。
第四条重大事故隐患清单是对本单位内所有存在的重大事故隐患进行全面排查、整改和管理的工作清单。
第五条本单位应设立专门的重大事故隐患清单管理小组,负责重大事故隐患的排查、整改和管理工作。
第六条重大事故隐患清单应根据本单位实际情况进行定期更新和维护,确保其准确性和有效性。
第七条本制度的具体实施细则由重大事故隐患清单管理小组制定,并报经本单位主要负责人批准后执行。
第二章重大事故隐患清单的制定第八条重大事故隐患清单的制定应根据本单位的特点和实际情况,全面细致地进行事故隐患排查。
重大危险源安全管理方案为进一步加强公路工程的安全生产管理,规范安全生产管理行为,突出安全生产管理工作中的重点,根据有关法律及规定,结合我合同段实际情况,加强对重大危险源进行管理,特制定本方案。
一、现阶段重大危险源类别重大危险源分为桥梁工程(基础施工、墩柱施工);隧道工程;高边坡;爆破工程(爆破作业);1、基础施工:主要是人工挖孔桩的深基坑施工。
2、墩柱施工:主要指高空作业。
2、隧道工程:包括隧道的掘进以及竖井、斜井的施工。
3、高边坡:主要指挖方和填方8m以上的边坡、半填半切边坡和弃土场边坡。
4、爆破工程:主要指路基石方爆破。
二、各种重大危险源施工期安全管理措施规定人工挖孔桩:1、人工挖孔,对孔壁的稳定及吊具设备等,应经常检查。
孔顶出土机具应有专人管理,并设置高出地面的围栏;孔口不得堆集土渣及沉重机具;作业人员的出入,应设常备的梯子;夜间作业应悬挂示警红灯;挖孔暂停时,孔口应设置罩盖及标志。
2、孔内挖土人员的头顶部位应设置护盖。
取土吊斗升降时,挖土人员应在护盖下面工作。
相邻两孔中,一孔进行浇注混凝土时,另一孔的挖孔人员应停止作业,并撤出井孔。
3、挖孔人员下孔作业前,应先用鼓风机将孔内空气排出更换。
4、开挖中,当坑沿顶面裂缝、坑壁松塌或遇有涌水、涌砂影响基坑边坡稳定时,应立即加固防护。
5、基坑需机械抽排水开挖时,须配备足够的抽排水设备,抽水机及管路等要安放牢靠。
6、基坑开挖需要爆破,应按国家现行的《爆破安全规程》(GB6722—86)办理。
墩柱施工:1、高处作业必须设有可靠的安全防护措施。
2、从事高处作业人员要定期或随时体检,发现有不宜登高的病症,不得从事高处作业。
严禁酒后登高作业。
3、高处作业人员不得穿拖鞋或硬底鞋。
所需的材料要事先准备齐全,工具应放在工具袋内。
4、高处作业所用的梯子不得缺档和垫高,同一架梯子不得二人同时上下,在通道处(或平台)使用梯子应设置围栏。
5、高处作业与地面联系,应有专人负责,或配有通讯设备。
公路工程重大危险源清单重大危险源清单(公路工程)编制部门:安全管理部编制人:评审人员:审核:审批:XXX二○XX年XX月修订序号场所或活动重大的潜在危险因素状态时态类型拟采取的风险控制方法执行标准或文件备注1 道路测量(复测)金属测量塔尺碰触裸线或高压电线正常现在车辆伤害等预防措施《工程测量规范》、59《建筑施工安全检查标准》、《工程测量方案》及公司有关管理制度等2 高处作业人员有恐高症或心脏病或其他不宜高处作业的疾病;无专人指挥,协调配合不好、作业区无警戒隔离措施、拆除作业现场未按规定设置防护脚手架;先拆基础或由下往上拆除、先拆除主要受力拆除建筑物、结构构件、同一立面上下同时进行作业、从高处构筑物抛掷拆除的构件或材料;高处拆除作业人员,未戴安全带或安全帽;拆除物附近高压线路安全距离不够且未保护或隔离、未截断拆除建筑物内照明或动力用电;煤气管道未截断供气,拆除时未予以确认,且动火或切割作业伐树未设警戒或树干倒伏范围内有人未撤除正常现在高处坠落、坍塌、物体打击、触电、煤气爆炸等预防和隔离措施 147-2004《建筑拆除安全技术规范》、《拆除方案》及技术交底等3 施工现场物体打击正常现在物体打击预防和警示措施JTJ076《公路工程施工安全技术规程》、技术交底等4 改移管道未截断煤气擅自改移煤气管道正常现在爆炸、中毒预防和隔离措施 59《建筑施工安全检查标准》、JTJ076《公路工程施工安全技术规程》及技术交底等5 挖坑沟边 1m以内堆土,或临时荷载太大正常现在将来坍塌预防、减弱和隔离措施 59《建筑施工安全检查标准》、JTJ076《公路工程施工安全技术规程》、《土方开挖施工方案》及技术交底等制表:日期年月日注:风险控制方法中:消—消除事故措施;预—预防措施;减—减弱措施;隔—隔离措施;锁—设置连锁措施;警—设置警示标志或提出警告。
编制部门:安全管理部序号编号场所或活动重大的潜在危险因素风险控制方法执行标准或文件备注1 Zwy-06 挖沟、槽深沟槽沟槽边无防护措施;深沟槽开挖未降水,出现流沙层;临近建筑物开挖深沟槽,缺少对建筑物的保护措施。
交通工程重大危险源和控制措施清单交通工程是城市建设中重要的组成部分,但同时也存在一些潜在的危险源。
为了确保交通工程的安全性,必须采取一系列的控制措施来避免事故和伤害的发生。
下面是一份交通工程重大危险源和控制措施的清单。
1.高速公路施工-危险源:施工工地和设备,道路封闭和交通分流,作业车辆。
-控制措施:施工安全帽和安全警示服的佩戴,设立警示标志和指示牌,实施交通管制措施,设立临时护栏和路障。
2.隧道工程-危险源:煤尘、有毒气体、火灾和爆炸风险,不合格的电气设备,通风不良。
-控制措施:安装通风设备,使用防爆设备和防火材料,加固隧道结构,定期检查电气设备的安全性。
3.交叉口-危险源:交通流量大,视线受阻,行人和车辆冲突。
-控制措施:设立红绿灯和行人过街灯,改善道路标线和交通标志的可见性,设置人行横道和道路隔离带。
4.铁路交叉口-危险源:列车和道路交通的冲突,视线受阻。
-控制措施:设立铁路信号灯和道路标志,设置铁路道口保护设施,提高铁路警示标志的可见性,实施联锁系统。
5.高架桥和立交桥-危险源:结构不稳定,风险高,交通流量大。
-控制措施:定期检查桥梁结构的安全性,加强桥梁的支撑和加固,设立防护栏和护栏。
6.岩土工程-危险源:土体坍塌,地质灾害,土方挖掘和填方施工。
-控制措施:进行岩土勘察和分析,采取合适的支护措施,制定安全施工方案,实施现场监测和预警,提供员工培训与安全意识教育。
7.道路养护工程-危险源:道路表面破损,交通流量大。
-控制措施:设立警示标志和提前警告标志,设置交通锥,采取交通分流和临时施工路线,作业人员必须穿着安全装备。
8.桥梁施工-危险源:桥梁坍塌,水下作业,高处作业。
-控制措施:进行桥梁结构的静负荷和动荷载分析,设立安全标志和警示牌,采取合适的安全防护设备,提供相应的安全培训。
9.障碍物和道路边沟-危险源:道路边沟深度不够,堆放障碍物。
-控制措施:对道路边沟进行规范化和定期的清理与疏通,设立告示牌,禁止在道路边沟存放垃圾和障碍物。
重大危险源清单
(公路工程)
编制部门:安全管理部
编制人:
评审人员:
审核:
审批:
XXXXXXXXX有限公司
二○XXXX年XXXXX月修订
重大危险源清单(公路工程)
编制部门:安全管理部第1 页共7页
制表:日期年月日
注:风险控制方法中:消—消除事故措施;预—预防措施;减—减弱措施;隔—隔离措施;锁—设置连锁措施;警—设置警示标志或提出警告
重大危险源清单(公路工程)
编制部门:安全管理部第2 页共7页
制表:日期年月日
注:风险控制方法中:消—消除事故措施;预—预防措施;减—减弱措施;隔—隔离措施;锁—设置连锁措施;警—设置警示标志或提出警告
重大危险源清单(公路工程)
编制部门:安全管理部第3页共7页
制表:日期年月日
注:风险控制方法中:消—消除事故措施;预—预防措施;减—减弱措施;隔—隔离措施;锁—设置连锁措施;警—设置警示标志或提出警告
重大危险源清单(公路工程)
编制部门:安全管理部第4页共7页
制表:
日期 年 月 日 注:风险控制方法中:消—消除事故措施;预—预防措施;减—减弱措施;隔—隔离措施;锁—设置连锁措施;警—设置警示标志或提出警告
重大危险源清单(公路工程)
编制部门:安全管理部 第 5 页 共7页
制表:日期年月日
注:风险控制方法中:消—消除事故措施;预—预防措施;减—减弱措施;隔—隔离措施;锁—设置连锁措施;警—设置警示标志或提出警告
重大危险源清单(公路工程)
编制部门:安全管理部第6 页共7页
制表:日期年月日注:风险控制方法中:消—消除事故措施;预—预防措施;减—减弱措施;隔—隔离措施;锁—设置连锁措施;警—设置警示标志或提出警告
重大危险源清单(公路工程)
编制部门:安全管理部第7 页共7页
制表:日期年月日注:风险控制方法中:消—消除事故措施;预—预防措施;减—减弱措施;隔—隔离措施;锁—设置连锁措施;警—设置警示标志或提出警告。