10K热敏电阻分度表
- 格式:doc
- 大小:145.00 KB
- 文档页数:2
NTC热敏电阻参数及其对照表10K NTC热敏电阻参数及其对照表常温下R25℃ = 10K B(25-85)=343510K NTC热敏电阻负温度系数(NTC电阻随着温度的升高而降低)温度传感器探头是基于一个10K的±1% @ 25ºC传感器-即电阻值在25ºC是10K,一般用途的温度测量,NTC温度传感器可以在很宽的温度范围内工作(-40 + 125°C)他们是稳定的,年/阻值漂移小于1PPM。
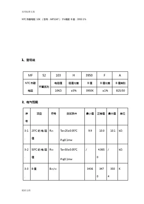
10K NTC热敏电阻产品尺寸图:10K 3435NTC热敏电阻特点:1:MF52系列产品为径向绝缘引线,使用时无需引脚绝缘处理2:产品稳定性好,可靠性高,年漂移率小于1PPM3:热敏电阻阻值范围宽:1KΩ~1000KΩ4:阻值及B值精度高,一致性好6:体积小热感应时间快灵敏度高,便于自动化安装7:使用温度范围-40℃~+125℃R25=10K B=3435NTC热敏电阻应用范围:•充电器、温湿度计、美容仪器、电源、电子玩具•气体分析计手机电池、NB电池、电动车电池、医疗仪器•太阳能热水器、冷藏库、汽车、複印机、传真机•电子体温计、电子炉台、电子锅、电热水瓶•即热式热水器、瓦斯热水器、电毯、空调•3C家电产品、石油暖炉、打印机103F3435NTC热敏电阻机械性能标准:MF52产品型号说明MF 52 103 F 3435①MF ——负温度系数(NTC)热敏电阻编号。
②52——树脂封装小黑头热敏电阻(包括漆包线、小皮线)③103 ——热敏电阻的标称阻值(10K欧),表示该电阻标称阻值为:10×103(Ω)。
④F——电阻值的误差(精度)为:S=±0.5% F=±1%,G=±2%,H=±3%,J=±5%⑤3435——电阻的热敏指数(材料系数)B值为:343×10(K)R25=10K B=3435NTC热敏电阻阻温特性R/T表:。
热敏电阻是开发早、种类多、发展较成熟的敏感元器件.热敏电阻由半导体陶瓷材料组成,热敏电阻是用半导体材料,大多为负温度系数,即阻值随温度增加而降低。
温度变化会造成大的阻值改变,因此它是最灵敏的温度传感器。
但热敏电阻的线性度极差,并且与生产工艺有很大关系。
制造商给不出标准化的热敏电阻曲线。
热敏电阻体积非常小,对温度变化的响应也快。
但热敏电阻需要使用电流源,小尺寸也使它对自热误差极为敏感。
热敏电阻的电阻-温度特性可近似地用下式表示:R=R0exp{B(1/T-1/T0)}:R:
温度T(K)时的电阻值、Ro:温度T0、(K)时的电阻值、B:B值、*T(K)=t(º;C)+273.15。
实际上,热敏电阻的B值并非是恒定的,其变化大小因材料构成而异,最大甚至可达5K/°C。
因此在较大的温度范围内应用式1时,将与实测值之间存在一定误差。
此处,若将式1中的B 值用式2所示的作为温度的函数计算时,则可降低与实测值之间的误差,可认为近似相等。
BT=CT2+DT+E,上式中,C、D、E为常数。
另外,因生产条件不同造成的B值的波动会引起常数E发生变化,但常数C、D不变。
因此,在探讨B值的波动量时,只需考虑常数E即可。
常数C、D、E的计算,常数C、D、E可由4点的(温度、电阻值)数据(T0,R0).(T1,R1).(T2,R2)and(T3,R3),通过式3~6计算。
首先由式样3根据T0和T1,T2,T3的电阻值求出B1,B2,B3,然后代入以下各式样。
电阻值计算例:试根据电阻-温度特性表,求25°C时的电阻值为5(kΩ),B值偏差为50(K)的热敏电阻在10°C~30°C的电阻值。
步骤(1)根据电阻-温度特性表,求常数C、D、E。
T o=25+273.15T1=10+273.15T2=20+273.15T3=30+273.15(2)代入BT=CT2+DT+E+50,求BT。
(3)将数值代入R=5exp {(BT1/T-1/298.15)},求R。
*T:10+273.15~30+273.15。