压浆记录表
- 格式:xls
- 大小:117.00 KB
- 文档页数:5
桩径:
桩长:
工程名称: 注:
1、注浆总量和注浆压力均达到设计要求(对于1.2m的桩,桩侧注浆水泥用量为1.2t/道,注浆压力为2-2.5Mpa,桩底注浆水泥用量为3t,注浆压力为2-4Mpa;对于1.5m的桩,桩侧注浆水泥用量为1.5t/道,注浆压力为2-2.5Mpa,桩底注浆水泥用量为3.5t,注浆压力为2-4Mpa);
2、对每一道注浆来说,注浆量达到设计值,但注浆压力未达到设计值,此时改为间歇注浆,再注设计30%即可;
3、对每一道注浆来说,注浆压力达到设计值并在持荷5min后,注浆量少于设计值,此时保证注浆量不低于设计值的80%即可;
4、浆液水灰比取0.6,搅拌时间不少于3分钟;
5、桩端后注浆利用声测管作底注浆管,声测管为φ57钢管,顶端高出地面500mm,布置为3根;
6、桩侧后压浆离桩底12m~18m、桩顶8m~15m布置注浆阀,每隔12m设置一道侧注浆阀,桩长45m及以上的设置3道侧注浆阀。
桩长45m以下设置2道。
旁站副经理: 质检员: 监理单位: 郑州中原铁道建设工程监理有限公司 旁站监理人员:郑州市107辅道快速化工程与郑徐客专及
其疏解线交叉工程钻孔灌注桩后压浆施工记录表
1.256P.O4
2.5水灰比:0.6∶1。
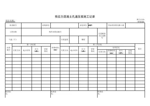
预应力管道压浆记录表
〔后张法预应力混凝土简支箱梁制造〕
预应力孔道压浆记录表
编号 : 质统 -22-5工程名称合同段位置顺序示意图单位工程名称分部工程名称
压浆日期年月日气温℃水温℃压浆温度℃
配合比水胶比泌水率
水泥品种及标号水泥用量kg水泥浆流动度S
名称灌浆料高效减水剂阻锈剂
掺加剂
掺量
灰浆泵型号Y160M-4
孔道编号长度〔 m〕冲洗及邻孔情况真空度压浆起止时间
进浆压力持压压力持压时间压浆方向
MPa(kgf/ ㎝2)(h)
MPa(kgf/ ㎝2 )
压浆情况
施工单位
记录人质检工程师监理工程师。
天津市滨海新区西外环高速公路(津汉高速-海景大道)工程试表-35水泥压浆强度试验记录施工单位:中铁十五局集团有限公司 合 同 号:第十一标段 监理单位:山东省德州市交通工程监理公司 试验编号:20150531-01 设计强度M50孔道编号水泥品种P ·O 42.5配合比水泥 :水 :压浆剂 90 :28 :10 编号 制件日期 龄期(d )试件尺寸 (cm )抗压破坏荷载 (kN )抗压强度(MPa )结论单 值 平 均01-01-01 2015.05.28740*40*16001-01-02 01-02-01 01-02-02 01-03-0101-03-0201-01 抗折破坏荷载(N )抗折强度(MPa )平 均单 值01-02 01-03试 验 复核 监 理 2015年 05 月 31 日M50 压浆配合比编号2015G00517天津市滨海新区西外环高速公路(津汉高速-海景大道)工程试表-35水泥压浆强度试验记录施工单位:中铁十五局集团有限公司 合 同 号:第十一标段 监理单位:山东省德州市交通工程监理公司 试验编号:20150531-01 设计强度M60孔道编号水泥品种P ·O 42.5配合比水泥 :水 :压浆剂 89 :28 :11 编号 制件日期 龄期(d )试件尺寸 (cm )抗压破坏荷载 (kN )抗压强度(MPa )结论单 值 平 均01-01-01 2015.05.28740*40*16001-01-02 01-02-01 01-02-0201-03-01 01-03-02抗折破坏荷载(N )抗折强度(MPa )单 值平 均01-0101-0201-03试验复核监理2015年05 月31 日M50 压浆配合比编号2015G00518天津市滨海新区西外环高速公路(津汉高速-海景大道)工程试表-35水泥压浆强度试验记录施工单位:中铁十五局集团有限公司合同号:第十一标段监理单位:山东省德州市交通工程监理公司试验编号:设计强度M50 孔道编号水泥品种P·O 42.5 配合比水泥:水:压浆剂90 :28 :10编号制件日期龄期(d)试件尺寸(cm)抗压破坏荷载(kN)抗压强度(MPa)结论单值平均40*40*160抗折破坏荷载(N)抗折强度(MPa)平均单值试验复核监理2015 年月日M50 压浆配合比编号2015G00517天津市滨海新区西外环高速公路(津汉高速-海景大道)工程试表-35水泥压浆强度试验记录施工单位:中铁十五局集团有限公司合同号:第十一标段监理单位:山东省德州市交通工程监理公司试验编号:设计强度M60 孔道编号水泥品种P·O 42.5 配合比水泥:水:压浆剂89 :28 :11编号制件日期龄期(d)试件尺寸(cm)抗压破坏荷载(kN)抗压强度(MPa)结论单值平均40*40*160抗折破坏荷载(N)抗折强度(MPa)单值平均试验复核监理2015年月日M50 压浆配合比编号2015G00518天津市滨海新区西外环高速公路(津汉高速-海景大道)工程试表-35水泥压浆强度试验记录施工单位:中铁十五局集团有限公司合同号:第十一标段监理单位:山东省德州市交通工程监理公司试验编号:20150531-01设计强度M50 孔道编号水泥品种P·O 42.5 配合比水泥:水:压浆剂90 :28 :10编号制件日期龄期(d)试件尺寸(cm)抗压破坏荷载(kN)抗压强度(MPa)结论单 值平 均01-01-01 2015.05.28740*40*16001-01-02 01-02-01 01-02-02 01-03-01 01-03-0201-01 抗折破坏荷载(N )抗折强度(MPa )平 均单 值01-02 01-03 试 验复核监 理2015年 05 月 31 日M50 压浆配合比编号2015G00517天津市滨海新区西外环高速公路(津汉高速-海景大道)工程试表-35水泥压浆强度试验记录施工单位:中铁十五局集团有限公司 合 同 号:第十一标段 监理单位:山东省德州市交通工程监理公司 试验编号:20150531-01设计强度 M60 孔道编号水泥品种 P ·O 42.5 配合比水泥 :水 :压浆剂 89 :28 :11 编号 制件日期 龄期(d )试件尺寸 (cm )抗压破坏荷载 (kN )抗压强度(MPa ) 结论单 值 平 均01-01-01 2015.05.28 7 40*40*16001-01-02 01-02-01 01-02-02 01-03-01 01-03-0201-01 抗折破坏荷载(N )抗折强度(MPa ) 单 值平 均01-02 01-03试 验复核监 理2015年 05 月 31 日M50 压浆配合比编号2015G00518。