五种常见生态边坡支护形式
- 格式:docx
- 大小:17.41 KB
- 文档页数:5
边坡支护工程专项方案背景介绍边坡是指在自然地形或人工工程中,两侧相对高差较大的地形。
由于自然力学、气候变化、采石、挖土等因素的影响,边坡容易发生滑坡、崩塌等灾害,破坏周围环境和道路交通,甚至会危及到人的生命财产安全。
为此,要对边坡进行支护工程。
方案设计边坡支护工程属于土木工程的一种,主要目的是为了保证边坡稳定,防止灾害的发生。
通过综合考虑地质、水文、地形、气候、土壤力学等因素,确定合适的支护方式。
以下是一些常用的边坡支护方式:基础加固法基础加固法是在坡面底部进行处理,通过加大基础承载面积,使得整个边坡的重心下移,从而增加边坡的稳定性。
基础加固法常用于较高的边坡上,其加固的方法主要有以下三种:1.地下连续墙支护方式地下连续墙是在坡面底部沿着边坡底部一定深度进行暗挖,将连续挖出的地基土挖掉,再在挖出的土坑中浇筑混凝土墙。
梁柱等相关构件通过地下墙到顶板的连接来进行加固,提高边坡的稳定性。
2.集中式加固方式集中式加固方式是通过在边坡底部设置锚孔,让锚杆安装在坑的深处,然后通过加固锚杆来支撑边坡,并增强整个边坡的承载能力。
3.浅层拉梁加固法浅层拉梁加固法通常适用于较浅的边坡,在边坡上钻孔或打孔,钻进的孔洞则安装钢筋或拉杆等拉梁材料,通过锚固具连接地面锚固点支撑边坡,以保证其稳定性。
快速生态修复法利用植物生态原理和平衡原则,在边坡上通过植被的方式来修复边坡的支护。
快速生态修复法主要分为自然植被恢复、土、育苗和人工植被四大阶段,如下所示:1.自然植被恢复阶段在施工前期,应通过清除杂草、修改地形等措施,为如实进行自然生态恢复的工作做好准备。
2.土整治阶段在整治完成后,应覆盖种植适合自然条件和地质条件的草木,创造天然植被环境,保持自然平衡。
3.育苗阶段应在育苗基地放置有自然的且移动方便的苗圃,通过选用优质种苗,定期浇水等方式种植苗圃,以便再次在适合的地方进行种植。
4.人工植被阶段完成育苗阶段后,应在适量拓展草木的植被分布的同时,充分发挥人工转换表现的作用所作的投入,为各项生态修复措施提供动力。
边坡挡墙⽀护的5种形式那⼭那⽔ ID:BJshuibao政务 | 专题 | 交流 | 分享边坡⽀护是为保证边坡及其环境的安全,对边坡采取的⽀挡、加固与防护措施。
常⽤的⽀护结构形式有:重⼒式挡墙、扶壁式挡墙、悬臂式⽀护、板肋式或格构式锚杆挡墙⽀护、排桩式锚杆挡墙⽀护、锚喷⽀护、坡率法。
重点说明以下⼏个常⽤⽀护的结构形式:⼀、重⼒式挡墙重⼒式挡⼟墙是以挡⼟墙⾃⾝重⼒来维持挡⼟墙在⼟压⼒作⽤下的稳定。
它是我国⽬前常⽤的⼀种挡⼟墙。
重⼒式挡⼟墙可⽤⽯砌或混凝⼟建成,⼀般都做成简单的梯形。
重⼒式挡⼟墙,指的是依靠墙⾝⾃重抵抗⼟体侧压⼒的挡⼟墙。
重⼒式挡⼟墙可⽤块⽯、⽚⽯、混凝⼟预制块作为砌体,或采⽤⽚⽯混凝⼟、混凝⼟进⾏整体浇筑。
半重⼒式挡⼟墙可采⽤混凝⼟或少筋混凝⼟浇筑。
重⼒式挡⼟墙可⽤⽯砌或混凝⼟建成,⼀般都做成简单的梯形。
它的优点是就地取材,施⼯⽅便,经济效果好。
所以,重⼒式挡⼟墙在我国铁路、公路、⽔利、港湾、矿⼭等⼯程中得到⼴泛的应⽤。
⼆、扶壁式挡墙扶壁式挡⼟墙指的是沿悬臂式挡⼟墙的⽴臂,每隔⼀定距离加⼀道扶壁,将⽴壁与踵板连接起来的挡⼟墙。
⼀般为钢筋混凝⼟结构。
扶壁式挡⼟墙是⼀种钢筋混凝⼟薄壁式挡⼟墙,其主要特点是构造简单、施⼯⽅便,墙⾝断⾯较⼩,⾃⾝质量轻,可以较好的发挥材料的强度性能,能适应承载⼒较低的地基。
适⽤于缺乏⽯料及地震地区。
⼀般在较⾼的填⽅路段采⽤来稳定路堤,以减少⼟⽯⽅⼯程量和占地⾯积。
扶壁式挡⼟墙,断⾯尺⼨较⼩,踵板上的⼟体重⼒可有效地抵抗倾覆和滑移,竖板和扶壁共同承受⼟压⼒产⽣的弯矩和剪⼒,相对悬臂式挡⼟墙受⼒好。
适⽤6~12m⾼的填⽅边坡,可有效地防⽌填⽅边坡的滑动。
扶壁式挡⼟墙是路肩挡⼟墙的⼀种,是将预制的挡墙板焊接在预埋于基础混凝⼟中的钢板上,然后在其内倒填⼟的⼀种挡墙形式与其它⼏种形式的挡墙⽐较,扶壁式挡⼟墙具有节省占地空间、缩短施⼯⼯期、美化城市环境、较易施⼯等优点,是城市公路⼯程⽴交桥引道中常⽤的⼀种挡墙形式。
(1)锚杆一般为拉力型,适用于岩质边坡﹑土质边坡等。
采用锚固技术使用边坡岩土形成一个复和整体,增加边坡的稳定性,并改善和提高滑动面的抗滑性能;即使不在不利的自然条件下,也能有效地保证施工和使用安全,较之其他防护工程技术,使用锚固技术比喷浆具有更高的稳定性和耐久性,在易于出现严重病害的岩土边坡整治中具有较高的应用价值。
锚固技术的使用能降低工程造价,缩短工期,并能在工程完工后,不需要花费大量人力﹑物力来养护维修,在耐久性和稳定性方面一次到位,给工程建设带来巨大的经济效益。
(2)抗滑桩抗滑桩是深入土层的柱形构件,边坡治理工程中的抗滑桩是通过桩身将上部承受的坡体推力传给桩下部的侧向土体,依靠桩下部的侧向阻力来承担边坡的下推力,而使边坡保持稳定或平衡。
抗滑桩作为加固滑坡体的一种有效措施,在土质边坡防治过程中广泛运用。
在土质边坡中,抗滑桩一方面可以防止坡体的滑移,另一方面又向其周围土体施加主动土压力。
从受力角度来看,抗滑桩由于被动地承受来自移动岩土体的压力,因而属于被动桩,并和岩土体共同构成复杂的受力体系。
一般情况下,在滑体适当位置设置一排抗滑桩就可以加固滑体;若滑体规模比较大,则设置一排抗滑桩须很大断面,成本偏高,可考虑设置两排或者是三排抗滑桩。
(3)重力挡土墙重力式挡土墙是以墙身自重来维持挡土墙在土压力作用下的稳定,它是我国目前最常用的一种挡土墙形式。
重力式挡土墙多用浆砌片(块)石砌筑,缺乏石料地区有时可用混凝土预制块作为砌体,也可直接用混凝土浇筑,一般不配钢筋或只在局部范围配置少量钢筋。
这种挡土墙形式简单、施工方便,可就地取材、适应性强,因而应用广泛。
由于重力式挡土墙依靠自身重力来维持平衡稳定,因此墙身断面大,圬工数量也大,在软弱地基上修建往往受到承载力的限制。
如果墙过高,材料耗费多,因而亦不经济。
当地基较好,墙高不大,且当地又有石料时,一般优先选用重力式挡土墙。
(4)锚杆挡土墙锚杆挡土墙的特点是:(1)结构质量轻,使挡土墙的结构轻型化,与重力式挡土墙相比,可以节约大量的圬工XX省工程投资;(2)利于挡土墙的机械化、装配化施工,可以减轻笨重的体力劳动,提高劳动生产率;(3)不需要开挖大量基坑,能克服不良地基挖基的困难,并利于施工安全。
边坡防护措施及其应用方案一、边坡防护措施的分类(一)植物防护植物防护是一种生态环保且经济有效的边坡防护方式。
通过在边坡上种植植被,可以有效地减少雨水对坡面的冲刷,增强土壤的稳定性。
常见的植物有草本植物、灌木和乔木。
例如,狗牙根、高羊茅等草本植物生长迅速,能快速覆盖坡面;紫穗槐、胡枝子等灌木根系发达,固土能力强;而杨树、柳树等乔木则可以提供更长期的防护效果。
(二)工程防护1、砌石防护包括干砌石和浆砌石两种形式。
干砌石施工简单,但稳定性相对较差;浆砌石则通过水泥砂浆将石块粘结在一起,稳定性较好,但成本相对较高。
常用于坡度较陡、易受水流冲刷的边坡。
2、混凝土防护可以采用现浇混凝土或预制混凝土板进行防护。
混凝土防护具有强度高、耐久性好的优点,但外观较为单调。
3、土钉墙防护通过在边坡中打入土钉,并在坡面铺设钢筋网喷射混凝土,形成一个复合的支护结构。
适用于土质边坡或破碎岩石边坡。
4、锚杆防护利用锚杆将不稳定的岩土体锚固在稳定的地层中,从而提高边坡的稳定性。
锚杆可以单独使用,也可以与其他防护措施结合使用。
(三)综合防护综合防护是将植物防护与工程防护相结合的方法,充分发挥两者的优势。
例如,在工程防护的基础上种植植被,既能增强防护效果,又能美化环境。
二、边坡防护措施的选择在选择边坡防护措施时,需要综合考虑多个因素,包括边坡的地质条件、坡度、高度、周围环境、工程造价以及防护要求等。
(一)地质条件不同的地质条件对防护措施的适应性不同。
例如,对于土质边坡,植物防护和土钉墙防护可能较为适用;而对于岩石边坡,锚杆防护和砌石防护可能效果更好。
(二)坡度和高度坡度较缓、高度较低的边坡,可以选择植物防护或简单的工程防护措施;坡度较陡、高度较高的边坡,则需要采用更加强有力的防护措施,如锚杆防护、混凝土防护等。
(三)周围环境如果边坡位于风景区或生态保护区,应优先考虑采用生态环保的植物防护措施,以减少对环境的破坏;如果边坡周围有建筑物或重要设施,防护措施的稳定性和可靠性要求则更高。
边坡支护的五种方法边坡支护的五种方法边坡是指地面与斜坡相接的部分,由于地形、自然力和人为因素等原因,边坡往往会出现滑坡、崩塌等问题,严重危害着人们的生命财产安全。
为了保障人们的安全和减少经济损失,需要对边坡进行有效的支护。
下面将介绍五种常见的边坡支护方法。
一、喷射混凝土法喷射混凝土法是一种常见的边坡支护方法。
通过高压泵将水泥、砂子、碎石等材料混合后喷射到需要支护的斜坡上,形成一层厚度达到10-20cm左右的混凝土层。
这种方法适用于斜度比较大、土质松软或有水流冲刷等情况下进行支护。
二、挖孔灌注桩法挖孔灌注桩法是一种比较常用的钢筋混凝土桩式支护方法。
通过在斜坡上开挖孔洞,然后在孔洞内注入钢筋混凝土,在地下形成一个强有力的支撑体系。
这种方法适用于斜坡较高、土质较软、地下水位较高等情况下进行支护。
三、钢筋网格加固法钢筋网格加固法是一种比较简单的边坡支护方法,它通过在斜坡表面铺设钢筋网格,并用锚杆将其固定在斜坡上,形成一个强有力的支撑体系。
这种方法适用于斜度不大、土质不太松软的情况下进行支护。
四、悬索锚索挂网法悬索锚索挂网法是一种比较复杂的边坡支护方法,它通过在斜坡上设置悬索和锚索,并在其上方悬挂防护网,形成一个强有力的支撑体系。
这种方法适用于斜度比较大、土质松软或有水流冲刷等情况下进行支护。
五、绿化生态修复法绿化生态修复法是一种比较新颖的边坡支护方法,它通过在斜坡上进行植被覆盖和生态修复,使得原本裸露的岩石或土壤表面变得绿意盎然,从而达到边坡支护的目的。
这种方法适用于斜度不大、土质不太松软的情况下进行支护。
总结以上就是五种常见的边坡支护方法,每种方法都有其适用范围和特点,需要根据实际情况进行选择。
在进行边坡支护时,还需要考虑到施工难度、成本等因素,并采取相应的措施来保障工程质量和安全。
生态护坡的定义生态护坡,是综合工程力学、土壤学、生态学和植物学等学科的基本知识对斜坡或边坡进行支护,形成由植物或工程和植物组成的综合护坡系统的护坡技术。
开挖边坡形成以后,通过种植植物,利用植物与岩、土体的相互作用(根系锚固作用)对边坡表层进行防护、加固,使之既能满足对边坡表层稳定的要求,又能恢复被破坏的自然生态环境的护坡方式,是一种有效的护坡、固坡手段。
生态护坡的功能(1)、护坡功能:植被有深根锚固、浅根加筋的作用;(2)、防止水土流失:能降低坡体孔隙水压力、截留降雨、削弱溅蚀、控制土粒流失;(3)、改善环境功能:植被能恢复被破坏的生态环境,促进有机污染物的降解,净化空气,调节小气候。
生态护坡的形式常用的生态护坡形式有植物型护坡、土工材料复合种植基护坡、生态石笼护坡、植被型生态混凝土护坡、生态袋护坡、多孔结构护坡、自嵌式挡土墙护坡等。
(1)、植物型护坡:通过在岸坡种植植被,利用植物发达根系的力学效应(深根锚固和浅根加筋) 和水文效应(降低孔压、削弱溅蚀和控制径流)进行护坡固土、防止水土流失,在满足生态环境的需要的同时进行景观造景。
优点:主要应用于水流条件平缓的中小河流和湖泊港湾处。
固土植物一般应选择耐酸碱性、耐高温干旱,同时应具有根系发达、生长快、绿期长、成活率高、价格经济、管理粗放、抗病虫害的特点。
缺点:抗冲刷能力较弱。
(2)、土工材料复合种植基护坡:此类护坡分为3种。
a.土工网垫固土种植基护坡:主要由网垫、种植土和草籽3部分组成。
优点:1.固土效果好;2.抗冲刷能力强;3.经济环保。
缺点:1.抗暴雨冲刷能力仍然较弱,取决于植物的生长情况;2.在水位线附近及以下不适用该技术。
b.土工单元固土种植基护坡:土工单元种植基,是利用聚丙烯等片状材料经热熔粘连成蜂窝状的网片,在蜂窝状单元中填土植草,起到固土护坡作用。
优点:1.材料轻、耐磨损、抗老化、韧性好、抗冲击力强、运输方便。
2.施工方法方便,并可多次利用。
(1)锚杆一般为拉力型,适用于岩质边坡﹑土质边坡等。
采用锚固技术使用边坡岩土形成一个复和整体,增加边坡的稳定性,并改善和提高滑动面的抗滑性能;即使不在不利的自然条件下,也能有效地保证施工和使用安全,较之其他防护工程技术,使用锚固技术比喷浆具有更高的稳定性和耐久性,在易于出现严重病害的岩土边坡整治中具有较高的应用价值。
锚固技术的使用能降低工程造价,缩短工期,并能在工程完工后,不需要花费大量人力﹑物力来养护维修,在耐久性和稳定性方面一次到位,给工程建设带来巨大的经济效益。
(2)抗滑桩抗滑桩是深入土层的柱形构件,边坡治理工程中的抗滑桩是通过桩身将上部承受的坡体推力传给桩下部的侧向土体,依靠桩下部的侧向阻力来承担边坡的下推力,而使边坡保持稳定或平衡。
抗滑桩作为加固滑坡体的一种有效措施,在土质边坡防治过程中广泛运用。
在土质边坡中,抗滑桩一方面可以防止坡体的滑移,另一方面又向其周围土体施加主动土压力。
从受力角度来看,抗滑桩由于被动地承受来自移动岩土体的压力,因而属于被动桩,并和岩土体共同构成复杂的受力体系。
一般情况下,在滑体适当位置设置一排抗滑桩就可以加固滑体;若滑体规模比较大,则设置一排抗滑桩须很大断面,成本偏高,可考虑设置两排或者是三排抗滑桩。
(3)重力挡土墙重力式挡土墙是以墙身自重来维持挡土墙在土压力作用下的稳定,它是我国目前最常用的一种挡土墙形式。
重力式挡土墙多用浆砌片(块)石砌筑,缺乏石料地区有时可用混凝土预制块作为砌体,也可直接用混凝土浇筑,一般不配钢筋或只在局部范围配置少量钢筋。
这种挡土墙形式简单、施工方便,可就地取材、适应性强,因而应用广泛。
由于重力式挡土墙依靠自身重力来维持平衡稳定,因此墙身断面大,圬工数量也大,在软弱地基上修建往往受到承载力的限制。
如果墙过高,材料耗费多,因而亦不经济。
当地基较好,墙高不大,且当地又有石料时,一般优先选用重力式挡土墙。
(4)锚杆挡土墙锚杆挡土墙的特点是:(1)结构质量轻,使挡土墙的结构轻型化,与重力式挡土墙相比,可以节约大量的圬工和节省工程投资;(2)利于挡土墙的机械化、装配化施工,可以减轻笨重的体力劳动,提高劳动生产率;(3)不需要开挖大量基坑,能克服不良地基挖基的困难,并利于施工安全。
生态护坡的定义生态护坡,是综合工程力学、土壤学、生态学和植物学等学科的基本知识对斜坡或边坡进行支护,形成由植物或工程和植物组成的综合护坡系统的护坡技术。
开挖边坡形成以后,通过种植植物,利用植物与岩、土体的相互作用(根系锚固作用)对边坡表层进行防护、加固,使之既能满足对边坡表层稳定的要求,又能恢复被破坏的自然生态环境的护坡方式,是一种有效的护坡、固坡手段。
生态护坡的功能(1)、护坡功能:植被有深根锚固、浅根加筋的作用;(2)、防止水土流失:能降低坡体孔隙水压力、截留降雨、削弱溅蚀、控制土粒流失;(3)、改善环境功能:植被能恢复被破坏的生态环境,促进有机污染物的降解,净化空气,调节小气候。
生态护坡的形式常用的生态护坡形式有植物型护坡、土工材料复合种植基护坡、生态石笼护坡、植被型生态混凝土护坡、生态袋护坡、多孔结构护坡、自嵌式挡土墙护坡等。
(1)、植物型护坡:通过在岸坡种植植被,利用植物发达根系的力学效应(深根锚固和浅根加筋) 和水文效应(降低孔压、削弱溅蚀和控制径流)进行护坡固土、防止水土流失,在满足生态环境的需要的同时进行景观造景。
优点:主要应用于水流条件平缓的中小河流和湖泊港湾处。
固土植物一般应选择耐酸碱性、耐高温干旱,同时应具有根系发达、生长快、绿期长、成活率高、价格经济、管理粗放、抗病虫害的特点。
缺点:抗冲刷能力较弱。
(2)、土工材料复合种植基护坡:此类护坡分为3种。
a.土工网垫固土种植基护坡:主要由网垫、种植土和草籽3部分组成。
优点:1.固土效果好;2.抗冲刷能力强;3.经济环保。
缺点:1.抗暴雨冲刷能力仍然较弱,取决于植物的生长情况;2.在水位线附近及以下不适用该技术。
b.土工单元固土种植基护坡:土工单元种植基,是利用聚丙烯等片状材料经热熔粘连成蜂窝状的网片,在蜂窝状单元中填土植草,起到固土护坡作用。
优点:1.材料轻、耐磨损、抗老化、韧性好、抗冲击力强、运输方便。
2.施工方法方便,并可多次利用。
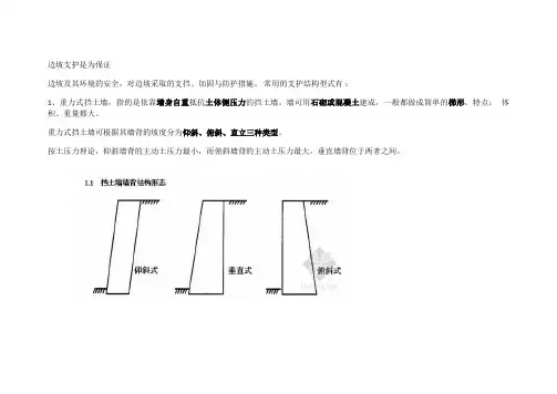
边坡支护是为保证边坡及其环境的安全,对边坡采取的支挡、加固与防护措施。
常用的支护结构型式有:1、重力式挡土墙,指的是依靠墙身自重抵抗土体侧压力的挡土墙。
墙可用石砌或混凝土建成,一般都做成简单的梯形。
特点:体积、重量都大。
重力式挡土墙可根据其墙背的坡度分为仰斜、俯斜、直立三种类型。
按土压力理论,仰斜墙背的主动土压力最小,而俯斜墙背的主动土压力最大,垂直墙背位于两者之间。
1、扶壁式挡墙;扶壁式挡土墙:指的是沿悬臂式挡土墙的立臂,每隔一定距离加一道扶壁,将立壁与踵板连接起来的挡土墙。
一般为钢筋混凝土结构。
1、悬臂式挡土墙;悬臂式挡土墙由底板和固定在底板上的直墙构成,主要靠底板上的填土重量来维持稳定的挡土墙,主要由立壁、趾板及踵板三个钢筋混凝土构件组成。
悬臂式挡土墙构造简单,施工方便,能适应较松软的地基,墙高一般在6m-9m之间。
当墙高较大时,立壁下部的弯矩较大,钢筋与混凝土的用量剧增,影响这种结构形式的经济效果,此时采用扶壁式挡土墙。
4.锚杆挡土墙是由钢筋混凝土肋柱、墙面板和水平(或倾斜)的锚杆联合组成的轻型支档结构物。
依靠锚固在岩层内的锚杆的水平拉力以承受土体侧压力。
锚杆支护是指,在边坡、岩土深基坑等地表工程及隧道、采场等地下硐室施工中采用的一种加固支护方式。
用金属件、木件、聚合物件或其他材料制成杆柱,打入地表岩体或硐室周围岩体预先钻好的孔中,利用其头部、杆体的特殊构造和尾部托板(亦可不用),或依赖于黏结作用将围岩与稳定岩体结合在一起而产生悬吊效果、组合梁效果、补强效果,以达到支护的目的。
具有成本低、支护效果好、操作简便、使用灵活、占用施工净空少等优点。
锚杆支护力学作用悬吊作用、组合梁作用作用组合拱作用、减跨作用用途加固作用。
锚杆支护是通过围岩内部的锚杆改变围岩本身的力学状态,在巷道周围形成一个整体而又稳定的岩石带,利用锚杆与围岩共同作用,达到维护巷道稳定的目的。
它是一种积极防御的支护方法,是矿山支护的重大变革。
生态护坡的定义生态护坡,是综合工程力学、土壤学、生态学和植物学等学科的基本知识对斜坡或边坡进行支护,形成由植物或工程和植物组成的综合护坡系统的护坡技术。
开挖边坡形成以后,通过种植植物,利用植物与岩、土体的相互作用(根系锚固作用)对边坡表层进行防护、加固,使之既能满足对边坡表层稳定的要求,又能恢复被破坏的自然生态环境的护坡方式,是一种有效的护坡、固坡手段。
生态护坡的功能(1)、护坡功能:植被有深根锚固、浅根加筋的作用;(2)、防止水土流失:能降低坡体孔隙水压力、截留降雨、削弱溅蚀、控制土粒流失;(3)、改善环境功能:植被能恢复被破坏的生态环境,促进有机污染物的降解,净化空气,调节小气候。
生态护坡的形式常用的生态护坡形式有植物型护坡、土工材料复合种植基护坡、生态石笼护坡、植被型生态混凝土护坡、生态袋护坡、多孔结构护坡、自嵌式挡土墙护坡等。
(1)、植物型护坡:通过在岸坡种植植被,利用植物发达根系的力学效应(深根锚固和浅根加筋) 和水文效应(降低孔压、削弱溅蚀和控制径流)进行护坡固土、防止水土流失,在满足生态环境的需要的同时进行景观造景。
优点:主要应用于水流条件平缓的中小河流和湖泊港湾处。
固土植物一般应选择耐酸碱性、耐高温干旱,同时应具有根系发达、生长快、绿期长、成活率高、价格经济、管理粗放、抗病虫害的特点。
缺点:抗冲刷能力较弱。
(2)、土工材料复合种植基护坡:此类护坡分为3种。
a.土工网垫固土种植基护坡:主要由网垫、种植土和草籽3部分组成。
优点:1.固土效果好;2.抗冲刷能力强;3.经济环保。
缺点:1.抗暴雨冲刷能力仍然较弱,取决于植物的生长情况;2.在水位线附近及以下不适用该技术。
b.土工单元固土种植基护坡:土工单元种植基,是利用聚丙烯等片状材料经热熔粘连成蜂窝状的网片,在蜂窝状单元中填土植草,起到固土护坡作用。
优点:1.材料轻、耐磨损、抗老化、韧性好、抗冲击力强、运输方便。
2.施工方法方便,并可多次利用。
边坡支护的五种实用方法边坡支护是一种重要的土木工程技术,用于保护边坡免受滑坡、崩塌等自然灾害的影响。
在不同地质条件下,存在不同的边坡支护方法。
本文将介绍五种实用的边坡支护方法,包括植被覆盖、土工合成材料、挡墙、排水措施以及加固措施。
1. 植被覆盖植被覆盖是边坡支护的一种简单且经济有效的方法。
适当选择适应当地气候和土壤条件的植物,可以增强边坡的稳定性。
植物根系具有很强的绑定力,可以有效地抵抗土壤侵蚀和水力冲击。
植被还能增加土壤的抗剪强度,减少坡面的坡度,为边坡提供保护。
2. 土工合成材料土工合成材料是一种通过模拟和改良土壤力学性质以增强边坡稳定性的方法。
它可以用于构建土壤护坡和土工格栅等结构,在提供土壤侧向约束力的保持土壤颗粒之间的排水通道。
土工合成材料具有高强度和高延伸性,能够承受边坡的荷载,并抵抗土壤侵蚀和滑坡。
3. 挡墙挡墙是一种常见的边坡支护结构,通常由混凝土或石块等材料构成。
挡墙可以有效地抵抗边坡的水力压力,并提供约束作用,防止土体的滑动和坍塌。
挡墙的设计要考虑到边坡的高度、坡度和土壤属性,以确保其在不同荷载情况下的稳定性。
4. 排水措施排水措施是边坡支护中必不可少的一部分。
通过设置排水系统,可以有效地减小边坡土壤的孔隙水压力,提高边坡稳定性。
常用的排水措施包括排水管道和排水带。
排水管道可以收集和引导边坡内部的地下水,而排水带则可以在边坡的不同部位提供排水通道,有效地控制水分运动。
5. 加固措施对于特殊情况下的边坡支护,加固措施是必需的。
加固措施可以采用加固索、锚杆以及钢筋混凝土加固板等方式进行。
这些加固结构能够进一步提高边坡的稳定性,减少滑坡和崩塌的风险。
总结回顾:边坡支护是保护土地和人们安全的重要措施。
有五种实用的边坡支护方法:植被覆盖、土工合成材料、挡墙、排水措施和加固措施。
植被覆盖利用植物的根系和抗剪强度来增强边坡稳定性;土工合成材料通过模拟和改良土壤力学性质来加固边坡;挡墙能有效防止边坡的滑动和坍塌;排水措施能降低边坡土壤的水压力;加固措施用于特殊情况下的边坡支护。
五种常见生态边坡支护形式,一篇就够了前面的话近年来,随着大规模的工程建设和矿山开采,形成了大量无法恢复植被的岩土边坡。
传统的边坡工程加固措施,大多采用砌石及喷混泥土等灰色工程,破坏了生态环境的和谐。
随着人们环境意识及经济实力的增强,生态护坡技术逐渐应用到工程建设中。
小编为你整理五种常见的生态边坡支护形式。
生态防护的功能1、护坡功能植被的深根有锚固作用、浅根有加筋作用能降低坡体空隙水压力、截留降雨、削弱溅蚀、控制土粒流失2、改善环境功能植被能恢复被破坏的生态环境,降低噪音,减少光污染,保障行车安全,促进有机污染物的降解,净化空气,调节小气候。
生态护坡的种类及原则生态护坡根据边坡土质条件可分为土质生态边坡防护和岩质边坡生态防护。
岩质边坡生态防护的关键是建立创造植被生长的有利条件。
生态护坡必须考虑边坡的稳定性和安全性,植被的选择要与周围大环境相协调一致,并考虑植物的生态性、形态性、地域性。
原则上是适合当地气候条件、土壤条件的植被,且抗逆性强、生长迅速、自繁能力强、适应粗放管理,日后管理简单。
下面介绍五种常见的生态边坡支护形式1人工种草护坡人工种草护坡,是通过人工在边坡坡面简单播撒草种的一种传统边坡植物防护措施。
多用于边坡高度不高、坡度较缓且适宜草类生长的土质路堑和路堤边坡防护工程。
特点:施工简单、造价低兼等。
缺点:由于草籽播撒不均匀,草籽易被雨水冲走,种草成活率低等原因,往往达不到满意的边坡防护效果,而造成坡面冲沟,表土流失等边坡病害,导致大量的边坡病害整治、修复工程,使得该技术近年应用较少。
小记:该方法局限性很大,缺点也很明显,可以考虑椰网(或椰毯)铺设法替代,即生态,施工也方便。
2液压喷播植草护坡液压喷播植草护坡,是国外近十多年新开发的一项边坡植物防护措施,是交草籽、肥料、粘着剂、纸浆、土壤改良剂上、色素等按一定比例在混合箱内配水搅匀,通过机械加压喷射到边坡坡面而完成植草施工的。
特点:①施工简单、速度快;②施工质量高,草籽喷播均匀发芽快、整齐一致;③防护效果好,正常情况下,喷播一个月后坡面植物覆盖率可达70%以上,二个月后形成防护、绿化功能;④适用性广。
(1)锚杆一般为拉力型,适用于岩质边坡﹑土质边坡等。
采用锚固技术使用边坡岩土形成一个复和整体,增加边坡的稳定性,并改善和提高滑动面的抗滑性能;即使不在不利的自然条件下,也能有效地保证施工和使用安全,较之其他防护工程技术,使用锚固技术比喷浆具有更高的稳定性和耐久性,在易于出现严重病害的岩土边坡整治中具有较高的应用价值。
锚固技术的使用能降低工程造价,缩短工期,并能在工程完工后,不需要花费大量人力﹑物力来养护维修,在耐久性和稳定性方面一次到位,给工程建设带来巨大的经济效益。
(2)抗滑桩抗滑桩是深入土层的柱形构件,边坡治理工程中的抗滑桩是通过桩身将上部承受的坡体推力传给桩下部的侧向土体,依靠桩下部的侧向阻力来承担边坡的下推力,而使边坡保持稳定或平衡。
抗滑桩作为加固滑坡体的一种有效措施,在土质边坡防治过程中广泛运用。
在土质边坡中,抗滑桩一方面可以防止坡体的滑移,另一方面又向其周围土体施加主动土压力。
从受力角度来看,抗滑桩由于被动地承受来自移动岩土体的压力,因而属于被动桩,并和岩土体共同构成复杂的受力体系。
一般情况下,在滑体适当位置设置一排抗滑桩就可以加固滑体;若滑体规模比较大,则设置一排抗滑桩须很大断面,成本偏高,可考虑设置两排或者是三排抗滑桩。
(3)重力挡土墙重力式挡土墙是以墙身自重来维持挡土墙在土压力作用下的稳定,它是我国目前最常用的一种挡土墙形式。
重力式挡土墙多用浆砌片(块)石砌筑,缺乏石料地区有时可用混凝土预制块作为砌体,也可直接用混凝土浇筑,一般不配钢筋或只在局部范围配置少量钢筋。
这种挡土墙形式简单、施工方便,可就地取材、适应性强,因而应用广泛。
由于重力式挡土墙依靠自身重力来维持平衡稳定,因此墙身断面大,圬工数量也大,在软弱地基上修建往往受到承载力的限制。
如果墙过高,材料耗费多,因而亦不经济。
当地基较好,墙高不大,且当地又有石料时,一般优先选用重力式挡土墙。
(4)锚杆挡土墙锚杆挡土墙的特点是:(1)结构质量轻,使挡土墙的结构轻型化,与重力式挡土墙相比,可以节约大量的圬工和节省工程投资;(2)利于挡土墙的机械化、装配化施工,可以减轻笨重的体力劳动,提高劳动生产率;(3)不需要开挖大量基坑,能克服不良地基挖基的困难,并利于施工安全。
生态护坡的定义生态护坡,是综合工程力学、土壤学、生态学和植物学等学科的基本知识对斜坡或边坡进行支护,形成由植物或工程和植物组成的综合护坡系统的护坡技术。
开挖边坡形成以后,通过种植植物,利用植物与岩、土体的相互作用(根系锚固作用)对边坡表层进行防护、加固,使之既能满足对边坡表层稳定的要求,又能恢复被破坏的自然生态环境的护坡方式,是一种有效的护坡、固坡手段。
生态护坡的功能(1)、护坡功能:植被有深根锚固、浅根加筋的作用;(2)、防止水土流失:能降低坡体孔隙水压力、截留降雨、削弱溅蚀、控制土粒流失;(3)、改善环境功能:植被能恢复被破坏的生态环境,促进有机污染物的降解,净化空气,调节小气候。
生态护坡的形式常用的生态护坡形式有植物型护坡、土工材料复合种植基护坡、生态石笼护坡、植被型生态混凝土护坡、生态袋护坡、多孔结构护坡、自嵌式挡土墙护坡等。
(1)、植物型护坡:通过在岸坡种植植被,利用植物发达根系的力学效应(深根锚固和浅根加筋) 和水文效应(降低孔压、削弱溅蚀和控制径流)进行护坡固土、防止水土流失,在满足生态环境的需要的同时进行景观造景。
优点:主要应用于水流条件平缓的中小河流和湖泊港湾处。
固土植物一般应选择耐酸碱性、耐高温干旱,同时应具有根系发达、生长快、绿期长、成活率高、价格经济、管理粗放、抗病虫害的特点。
缺点:抗冲刷能力较弱。
(2)、土工材料复合种植基护坡:此类护坡分为3种。
a.土工网垫固土种植基护坡:主要由网垫、种植土和草籽3部分组成。
优点:1.固土效果好;2.抗冲刷能力强;3.经济环保。
缺点:1.抗暴雨冲刷能力仍然较弱,取决于植物的生长情况;2.在水位线附近及以下不适用该技术。
b.土工单元固土种植基护坡:土工单元种植基,是利用聚丙烯等片状材料经热熔粘连成蜂窝状的网片,在蜂窝状单元中填土植草,起到固土护坡作用。
优点:1.材料轻、耐磨损、抗老化、韧性好、抗冲击力强、运输方便。
2.施工方法方便,并可多次利用。
护坡支护方案一、背景介绍随着城市化的不断推进,越来越多的城市道路和建筑工程需要进行护坡支护。
护坡支护是通过采取一系列措施来防止坡地的坍塌、滑坡等现象,保证土地的稳定和人员财产的安全。
本文将探讨护坡支护方案的选择与实施。
二、选用的护坡支护方案1. 植被覆盖植被覆盖是最常见的护坡方式之一。
通过在坡地上种植草坪、灌木和树木等,可以增加土壤的抗冲击性和抗侵蚀能力。
同时,植被还能够吸收雨水,减少土壤负荷,有效减少坡体滑坡的风险。
2. 加固坡体在一些特殊地质条件下,植被覆盖可能无法提供足够的支护作用。
此时,需要采取加固坡体的措施。
加固坡体的方法有很多种,如土工格栅、土工布、混凝土板等。
这些材料可以有效地增加坡体的强度和稳定性,提供有效的支撑。
3. 排水系统建设地下水位过高是导致坡体破坏的重要原因之一。
在施工过程中,应合理设置排水系统,将地下水引导至安全范围内。
这样可以有效减少由于水分积聚带来的自然力对坡体的冲击,防止坡体滑坡产生。
4. 监测和维护护坡支护方案的实施并不是一劳永逸的过程。
随着时间的推移,坡体的稳定性会受到各种因素的影响,如气候变化、地质条件变化等。
因此,定期进行监测和维护工作非常重要。
通过对坡体进行巡视、检测和维护,可以及时发现问题并采取相应的措施加以修复。
三、护坡支护方案的实施1. 技术评估在选择适合的护坡支护方案之前,需要进行技术评估。
评估应包括地质环境、降雨情况、土壤类型等因素的分析,以及周边建筑物和人员的安全要求。
通过综合分析,确定最为适合的护坡支护方案。
2. 设计规划在进行护坡支护方案的设计规划时,需要结合具体的工程要求和地质条件。
制定详细的方案,包括选用的材料、加固的方式、排水系统的设置等。
同时,还需要考虑施工的可行性和经济性,确保方案能够在现有条件下实施。
3. 施工与监测护坡支护方案的施工应由专业人员进行,并采取科学的方法和合理的施工流程。
在施工过程中,需要严格按照设计要求进行,并进行监测,确保实施质量和施工效果。
五种常见生态边坡支护形式
生态防护的功能
1、护坡功能
植被的深根有锚固作用、浅根有加筋作用
2
1
措施。
多用于边坡高度不高、坡度较缓且适宜草类生长的土质路堑和路堤边坡防护工程。
特点:施工简单、造价低兼等。
缺点:由于草籽播撒不均匀,草籽易被雨水冲走,种草成活率低等原因,往往达不到满意的边坡防护效果,而造成坡面冲沟,表土流失等边坡病害,导致大量的
边坡病害整治、修复工程,使得该技术近年应用较少。
小记:该方法局限性很大,缺点也很明显,可以考虑椰网(或椰毯)铺设法替代,即生态,施工也方便。
2液压喷播植草护坡
液压喷播植草护坡,是国外近十多年新开发的一项边坡植物防护措施,是交草
3客土植生植物护坡
客土植生植物护坡,是将保水剂、粘合剂、抗蒸腾剂、团粒剂、植物纤维、泥炭土、腐殖土、缓释复合肥等一类材料制成客土,经过专用机械搅拌后吹附到坡面上,形成一定厚度的客土层,然后将选好的种子同木纤维、粘合剂、保水剂、复合肥、缓释营养液经过喷薄机搅拌后喷附到坡面客土层中。
优点:
可以根据地质和气候条件进行基质和种子配方,从而具有广泛的适应性
客土与坡面的结合牢固
土层的透气性和肥力好
抗旱性较好
4
缺点:由于前期养护管理困难,新铺草皮易受各种自然灾害,往往达不到满意的边坡防护效果,而造成坡面冲沟、表土流失、坍滑等边坡灾害。
导致大量的边坡病害整治、修复工程。
近年来,由于草皮来源紧张,使得平铺草皮护坡的作用逐渐受到了限制。
施工要点:
①种草坡面防护:草籽撒布均匀。
在土质边坡上种草,土表面事先耙松。
在不利于植物生长的土壤上,首先在坡上铺一层厚度为5~10cm的种植土,当坡面较陡时,将边坡挖成台阶,再铺新土,种植植物。
②铺草皮坡面防护:草皮尺寸不小于20cm×20cm。
满铺草皮时,从坡脚向上逐排错缝铺设,用木桩或竹桩钉固定于边坡上。
5
纸要求嵌入坡面,并能发挥分格截水作用。
③按图纸要求进行选用草皮和尺寸,草籽在格中从下向上逐排错缝铺设压实,并用木桩或竹桩固定于边坡上。
④草坡在运输过程中用湿麻袋覆盖,以防太阳、大风和恶劣天气的损害;对新植的草皮洒水养护。