大众车系电脑脚定义
- 格式:doc
- 大小:221.50 KB
- 文档页数:15
德国大众(VW)/奥迪(AUDI)车系大众/奥迪汽车发动机电脑端子名称及检测数据
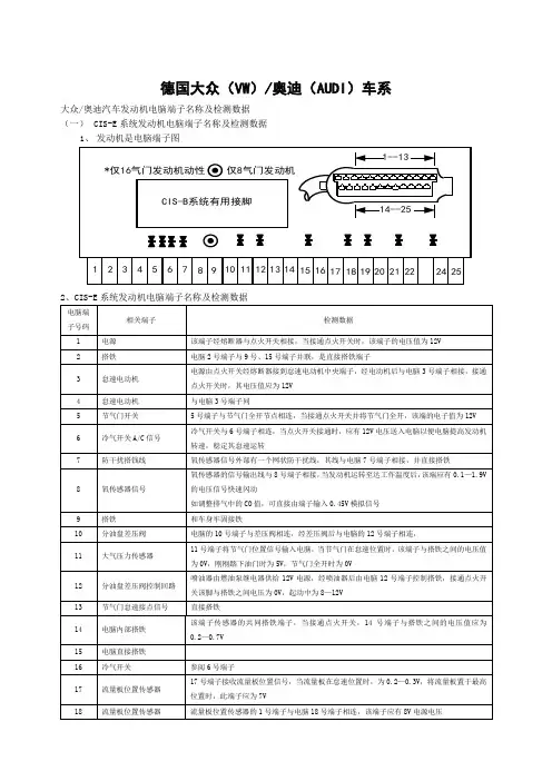
(一) CIS-E系统发动机电脑端子名称及检测数据
1、发动机是电脑端子图
2、CIS-E系统发动机电脑端子名称及检测数据
(二) CIS-MOTONIC系统发动机电脑端子名称及检测数据1、发动机电脑端子图
2、CIS-MOTONIC系统发动机电脑端子说明及检测数据
(三) DIGIFANT系统发动机电脑端子名称及检测数据
1、发动机电脑端子图
2、DIGIFANT系统发动机电脑端子说明及检测数据
(四)MONO系统发动机电脑端子名称及检测数据1、MONO系统发动机电脑端子图
2、MONO系统发动机电脑说明及检测数据。
途观(Tiguan)_J389_右后门控制单元针脚定义【底 盘 号】:LSVUD65N792720083 【编 码】:144 【地址】:72【地 址 词】:J389 - 右后门电子系统 【零件代号】:5KD959704【软件零件号】:5KD959704 【硬件零件号】:5KD959704【软件版本号】:2103 【车辆信息】:2.0TSI途观 带折叠后视镜【测 量 者】:李云 汪德成 王金辉【说 明】:以下内容仅供学习参考讨论之用,不作为上海大众官方数据电路图编号 信号对象 针脚号 颜色 针脚定义 针脚性质 信号范围 典型值 备注 2/15 KL30 SC47 30A J389常电源 T18C/10 白 30a 电源线 12V2/15 KL30 SC21 15A J389常电源 T18C/11 白 30a 电源线 12V2/15 J389与J387之间数据传输 T18C/12 白 LIN 数据线 占空比信号 波形-1 2/15 J389 接地 T18C/9 棕 31 接地 0V2/15 右后玻璃车窗升降开关 E54 T18C/18 蓝/白 开关信号 开关信号 开关信号2/15 E45照明灯 T18C/16 灰 58d 照明 0-12V2/15 接地连接线 T18C/2 棕/白 31 31 0V2/16 F223右后门闭锁单元开关 T18C/6 白/紫 开关信号 开关信号 占空比信号 波形-2 2/16 右后右车门接触开关 F11 T18C/7 黑/灰 开关信号 开关信号 占空比信号 波形-3 2/16 F223和F11 开关接地 T18C/1 棕 31 开关接地 0V2/16 V215右后门中央闭锁马达 T18C/5 紫/白 马达控制 闭锁马达控制 0-12V2/16 V164右后门中央闭锁马达 T18C/15 紫 马达控制 闭锁马达控制 0-12V2/16 V215和V164 闭锁马达控制信号 T18C/3 棕/白 马达控制线 0-12V。
常见汽车电器针脚定义在现代汽车中,电器系统扮演着至关重要的角色。
它们可使车辆的各个部分之间进行通信和协调。
汽车电器系统包括电缆、插头和接口等元素。
其中,针脚(Pin)是许多汽车电器系统中最基础的部分。
下面简单介绍几种常见的汽车电器针脚定义。
1. 汽车灯泡的针脚定义汽车的灯泡是一件常见的汽车电器装置,并且包括许多不同类型的灯泡针脚。
例如,H11产生的头灯就具有3磨齿的针脚;而H13产生的头灯则具有4磨齿的针脚。
另一方面,尾灯和方向灯的常见针脚为P21/5W,其包含5个脚分别对应不同的灯光功能。
2. 变速器插头的针脚定义变速器是汽车电器系统中的另一个重要组成部分。
变速器插头是连接变速器和汽车电脑之间的通讯手段。
其针脚是根据插头型号来分类的。
例如,Mopar OBD II变速器插头的针脚定义如下:- Pin 1 - 数据信号接收线- Pin 2 - 数据信号传输线- Pin 3 - 电源接地线- Pin 4 - 信号接地线3. 喇叭插头的针脚定义喇叭是汽车音响系统的一个关键部分。
喇叭插头的针脚定义基于它是连接前置放大器和车辆喇叭之间的电气接口。
例如,标准的喇叭插头针脚定义包括下列几点:- Pin 1 - 左前声道- Pin 2 - 右前声道- Pin 3 - 左后声道- Pin4 - 右后声道4. 空调压力传感器插头针脚定义空调压力传感器用于监测车辆空调系统内的压力,帮助确保空调系统能够正常工作。
空调压力传感器插头包括许多不同的针脚。
例如,下列是一个标准的四针插头针脚定义:- Pin 1 - 电源正极线- Pin 2 - 电源负极线- Pin 3 - 信号传输线- Pin 4 - 信号接地线总结上述是常见的几种汽车电器针脚定义,但并不是所有类型的汽车电器系统都符合上述定义。
不同品牌、不同型号的汽车可能具有独特的针脚定义。
因此,如果您想确保正确的汽车电气接线和维修,请务必查找这些特定的定义和规范。
我国进口及合资生产的大众系列轿车占有相当大的比重。
大多数大众/奥迪轿车的车载电脑(又称控制单元、控制模块)都采用CAN-BUS数据总线传输信息,并且具有可编程的特点。
车载电脑编程的操作处理被视为汽车维修中的尖端技术,要求维修人员具有较高的技术水平。
1.车载电脑编码的实质在分析车载电脑编码之前,需要明确“代码”的含义。
车载电脑的代码大多数是五位数字,代码表示车载电脑的“身份”,它实质上是一套程序,一个编码代表了电脑中的一种程序。
如奥迪A6轿车发动机控制单元的编码是“04002”,其中前两位数字表示国家/排放法规,“04”代表欧盟成员国(“06”代表美规,“08”代表俄罗斯);第三位数字表示驱动装置的类型,“0”代表不带牵引力控制系统的前轮驱动(“6”代表带牵引力控制系统的四轮驱动);第四位数字表示变速器的类型,“0”代表5档手动变速器(“5”代表自动变速器);第五位数字表示车型,“2”代表奥迪A6轿车。
所谓编码(或设码),就是编制控制单元的代码,即利用电子通信传输技术,将软件程序中的有关控制数据输入车载电脑的可编程只读存储器(EPROM )中。
对于维修环节来说,编码实质上就是向电控单元输入以代码为表征的某一程序,以改变控制单元的工作模式。
2.车载电脑编码的目的1)使汽车的配置达到多样化众所周知,汽车电脑具有较强的兼容能力。
汽车采用可编程的控制单元,新电脑在出厂时已经将几套程序安装在ROM 中。
电脑装备到汽车上以后,再根据汽车的配置由维修站指定使用其中的一套适用的程序。
只要输入不同的代码,选择不同的软件(即编码),就可以适应不同车型的需要。
因此,在改变汽车的某项控制功能时,无须更换车载电脑的硬件。
有的品牌汽车配置有几十种发动机,但是利用软件下载和编程,只需要三种发动机控制单元就可以满足所有的车型,使其适应不同的发动机、变速器、车身和传动装置,适应不同的气候条件和燃油质量,适应进口国家的交通法规等等。
途观(Tiguan)_J500_电动转向控制单元针脚定义
【底 盘 号】:LSVUD65N892720092 【编 码】:258 【地址】:44
【零件代号】:5N1 909 144K 【硬件零件号】:5N1 909 148G
【测 量 者】:姜李靖 刘兆天 冯永安
【说 明】:以下内容仅供学习参考讨论之用,不作为上海大众官方数据
电路图编号 针脚号 颜色 针脚定义 针脚性质 信号电压范围 典型值 备注 安装位置 21/3 T2bx/1 棕 接地 0V 电机搭铁
21/3 T2bx/2 红 供电 30号火 13.5-14.5V 13.8V 电瓶经SA2(80A)保险电机供火
21/3 T3am/1 黑 供电 15a 13.5-14.5V 13.8V 15供电继电器J329经SC14保险
21/3 T3am/2 橙/黑 CAN线 高线
波形-1 21/3 T3am/3 橙/棕 CAN线 低线
21/3 T6ak/1 黑 G269转向力矩传感器线束 转向机上 21/3 T6ak/2 棕 负极 G269转向力矩传感器线束 转向机上 21/3 T6ak/3 灰 2.5V G269转向力矩传感器线束 转向机上 21/3 T6ak/4 红 2.5V G269转向力矩传感器线束 转向机上 21/3 T6ak/5 粉/红 2.5V G269转向力矩传感器线束 转向机上 13/7 T6ak/6 黄 2.5V G269转向力矩传感器线束 转向机上。
第一节大众车系一、Passa? t 车型发动 ? 机电脑针脚 ? 电压 1.94款2]- 断开点火开 ? 关,用跨接线跨 ? 接测试箱的 ? 9 号和 55? 号端子。
3]- 未知。
4]- 这些是数据 ? 传输接头的 ? 接线端子。
5]-3 针接头位 ? 于发动机支 ? 座后边。
6]-3 针黑色接 ? 头位于起动 ? 机旁边。
7]-3 针白色接 ? 头位于起动 ? 机旁边。
二、Golf 车 ? 型发动机电 ? 脑针脚电压 ? 1.94款[1]测试条件:将发动机控 ? 制组件与线 ? 束接头断开 ? ,把测试箱(VAG 1598/18)接到发动机 ? 控制组件线 ? 束接头上(不接发动机 ? 控制组件)。
[2]断开点火开 ? 关,用跨接线跨 ? 接测试箱的 ? 9 号和 55?号端子。
[3]未知。
[4]这些是数据 ? 传送接头的 ? 接线端子。
[5]断开点火开 ? 关,测试箱的跨 ? 接线 30 号? 和 55 号端? 子。
[1]- 测试条件:将发动机控 ? 制组件与线 ? 束接头断开 ? ,把测试箱 (VAG1598/18) 接到发 动机 ? 控制组件线 ? 束接头上 (不接发动机 ? 控制组件 ) 。
2] - 断开点火开 ? 关,用跨接线跨 ? 接测试箱的 ? 9 号和 55? 号端子。
3] - 未知。
4] - 这些是数据 ? 传送接头的 ? 接线端子。
排气再循环 ? 温度传感器 ? (15和 33? ) 断开传感器 ? 接头 无穷大跨接线 1号? 、2 号端子 最大 1.5 Ω五、Eurov ? an 车型发 ? 动机电脑针 ? 脚电压 1.94款。
ECU针脚连接部位
1 点火线圈(2号脚)
2 功率地
3 油泵继电器线圈
4 步进电机B脚或者EWD3的1号脚
5 碳罐控制阀
6 功能保留
7 进气压力传感器
8 加浓调整
9 车速信号
10 O2传感器
11 爆震传感器
12 5V,霍尔或者相位传感器,以及进气压力传感器,
13 节气门位置传感器
13 功能保留
14 喷油器驱动地线
15 功能保留
16 2号喷油器
17 1号喷油器
18 +B
19 电子地(屏蔽)
20 功能保留或者直接点火控制
21 步进电机
22 空调
23 故障灯,如未装备故障灯则空置
24 选择驱动,比如空调和油泵
25 功能保留
26 步进电机
27 点火开关
28 O2传感器
29 步进电机
30 传感器地线
31 风扇, 如未装备则空置
32 功能保留
33 功能保留
34 4号喷油器
35 3号喷油器
36 功能保留
37 主继电器输出
38 功能保留
39 空调蒸发器温度传感器
40 空调压缩机控制或者与41脚短接,因车型而异
41 空调开关
42 功能保留
43 功能保留
44 进气温度传感器
45 冷却液温度传感器
46 主继电器
47 功能保留
48 霍尔传感器或者转速传感器
49 霍尔传感器或者转速传感器
50 功能保留
51 有分电器场合,基本点火正时校正
52 加浓调整
53 节气门位置传感器
54 发动机转速输出
55 K线。