结构力学复习公式
- 格式:doc
- 大小:66.00 KB
- 文档页数:6
结构力学公式大全之南宫帮珍创作1、经常使用截面几何与力学特征表注:1.I称为截面对主轴(形心轴)的截面惯性矩(mm4)。
基本计算公式如下:2.W称为截面抵抗矩(mm3),它暗示截面抵抗弯曲变形能力的大小,基本计算公式如下:3.i称截面回转半径(mm),其基本计算公式如下:4.上列各式中,A为截面面积(mm2),y为截面边沿到主轴(形心轴)的距离(mm),I为对主轴(形心轴)的惯性矩。
5.上列各项几何及力学特征,主要用于验算构件截面的承载力和刚度。
2、单跨梁的内力及变形表2.1 简支梁的反力、剪力、弯矩、挠度2.2 悬臂梁的反力、剪力、弯矩和挠度2.3 一端简支另一端固定梁的反力、剪力、弯矩和挠度2.4 两端固定梁的反力、剪力、弯矩和挠度2.5 外伸梁的反力、剪力、弯矩和挠度3.等截面连续梁的内力及变形表3.1 二跨等跨梁的内力和挠度系数注:1.在均布荷载作用下:M=表中系数×ql2;V=表中系数×ql;。
2.在集中荷载作用下:M=表中系数×Fl;V=表中系数×F;。
[例1] 已知二跨等跨梁l=5m,均布荷载q=11.76kN/m,每跨各有一集中荷载F=29.4kN,求中间支座的最大弯矩和剪力。
[解] MB支=(-0.125×11.76×52)+(-0.188×29.4×5)=(-36.75)+(-27.64)=-64.39kN·mVB左=(-0.625×11.76×5)+(-0.688×29.4)=(-36.75)+(-20.23)=-56.98kN[例2] 已知三跨等跨梁l=6m,均布荷载q=11.76kN/m,求边跨最大跨中弯矩。
[解] M1=0.080×11.76×62=33.87kN·m。
3.2 三跨等跨梁的内力和挠度系数注:1.在均布荷载作用下:M=表中系数×ql2;V=表中系数×ql;。
结构力学公式年夜全令狐采学1、经常使用截面几何与力学特征表注:1.I称为截面对主轴(形心轴)的截面惯性矩(mm4)。
基本计算公式如下:2.W称为截面抵当矩(mm3),它暗示截面抵当弯曲变形能力的年夜小,基本计算公式如下:3.i称截面回转半径(mm),其基本计算公式如下:4.上列各式中,A为截面面积(mm2),y为截面边沿到主轴(形心轴)的距离(mm),I为对主轴(形心轴)的惯性矩。
5.上列各项几何及力学特征,主要用于验算构件截面的承载力和刚度。
2、单跨梁的内力及变形表2.1 简支梁的反力、剪力、弯矩、挠度2.2 悬臂梁的反力、剪力、弯矩和挠度2.3 一端简支另一端固定梁的反力、剪力、弯矩和挠度2.4 两端固定梁的反力、剪力、弯矩和挠度2.5 外伸梁的反力、剪力、弯矩和挠度3.等截面连续梁的内力及变形表3.1 二跨等跨梁的内力和挠度系数注:1.在均布荷载作用下:M=表中系数×ql2;V=表中系数×ql;。
2.在集中荷载作用下:M=表中系数×Fl;V=表中系数×F;。
[例1] 已知二跨等跨梁l=5m,均布荷载q=11.76kN/m,每跨各有一集中荷载F=29.4kN,求中间支座的最年夜弯矩和剪力。
[解] MB支=(-0.125×11.76×52)+(-0.188×29.4×5)=(-36.75)+(27.64)=-64.39kN·mVB左=(-0.625×11.76×5)+(-0.688×29.4)=(-36.75)+(-20.23)=-56.98kN[例2] 已知三跨等跨梁l=6m,均布荷载q=11.76kN/m,求边跨最年夜跨中弯矩。
[解] M1=0.080×11.76×62=33.87kN·m。
3.2 三跨等跨梁的内力和挠度系数注:1.在均布荷载作用下:M=表中系数×ql2;V=表中系数×ql;。
结构力学公式大全之蔡仲巾千创作1、经常使用截面几何与力学特征表注:1.I称为截面对主轴(形心轴)的截面惯性矩(mm4)。
基本计算公式如下:2.W称为截面抵抗矩(mm3),它暗示截面抵抗弯曲变形能力的大小,基本计算公式如下:3.i称截面回转半径(mm),其基本计算公式如下:4.上列各式中,A为截面面积(mm2),y为截面边沿到主轴(形心轴)的距离(mm),I为对主轴(形心轴)的惯性矩。
5.上列各项几何及力学特征,主要用于验算构件截面的承载力和刚度。
2、单跨梁的内力及变形表2.1 简支梁的反力、剪力、弯矩、挠度2.2 悬臂梁的反力、剪力、弯矩和挠度2.3 一端简支另一端固定梁的反力、剪力、弯矩和挠度2.4 两端固定梁的反力、剪力、弯矩和挠度2.5 外伸梁的反力、剪力、弯矩和挠度3.等截面连续梁的内力及变形表3.1 二跨等跨梁的内力和挠度系数注:1.在均布荷载作用下:M=表中系数×ql2;V=表中系数×ql;。
2.在集中荷载作用下:M=表中系数×Fl;V=表中系数×F;。
[例1] 已知二跨等跨梁l=5m,均布荷载q=11.76kN/m,每跨各有一集中荷载F=29.4kN,求中间支座的最大弯矩和剪力。
[解] MB支=(-0.125×11.76×52)+(-0.188×29.4×5)=(-36.75)+(-27.64)=-64.39kN·mVB左=(-0.625×11.76×5)+(-0.688×29.4)=(-36.75)+(-20.23)=-56.98kN[例2] 已知三跨等跨梁l=6m,均布荷载q=11.76kN/m,求边跨最大跨中弯矩。
[解] M1=0.080×11.76×62=33.87kN·m。
3.2 三跨等跨梁的内力和挠度系数注:1.在均布荷载作用下:M=表中系数×ql2;V=表中系数×ql;。
结构力学公式大全之高陈檩檀创作1、经常使用截面几何与力学特征表注:1.I称为截面对主轴(形心轴)的截面惯性矩(mm4)。
基本计算公式如下:2.W称为截面抵抗矩(mm3),它暗示截面抵抗弯曲变形能力的大小,基本计算公式如下:3.i称截面回转半径(mm),其基本计算公式如下:4.上列各式中,A为截面面积(mm2),y为截面边沿到主轴(形心轴)的距离(mm),I为对主轴(形心轴)的惯性矩。
5.上列各项几何及力学特征,主要用于验算构件截面的承载力和刚度。
2、单跨梁的内力及变形表2.1 简支梁的反力、剪力、弯矩、挠度2.2 悬臂梁的反力、剪力、弯矩和挠度2.3 一端简支另一端固定梁的反力、剪力、弯矩和挠度2.4 两端固定梁的反力、剪力、弯矩和挠度2.5 外伸梁的反力、剪力、弯矩和挠度3.等截面连续梁的内力及变形表3.1 二跨等跨梁的内力和挠度系数注:1.在均布荷载作用下:M=表中系数×ql2;V=表中系数×ql;。
2.在集中荷载作用下:M=表中系数×Fl;V=表中系数×F;。
[例1] 已知二跨等跨梁l=5m,均布荷载q=11.76kN/m,每跨各有一集中荷载F=29.4kN,求中间支座的最大弯矩和剪力。
[解] MB支=(-0.125×11.76×52)+(-0.188×29.4×5)=(-36.75)+(-27.64)=-64.39kN·mVB左=(-0.625×11.76×5)+(-0.688×29.4)[例2] 已知三跨等跨梁l=6m,均布荷载q=11.76kN/m,求边跨最大跨中弯矩。
[解] M1=0.080×11.76×62=33.87kN·m。
3.2 三跨等跨梁的内力和挠度系数注:1.在均布荷载作用下:M=表中系数×ql2;V=表中系数×ql;。
结构力学公式大全1、常用截面几何与力学特征表注:1.I称为截面对主轴(形心轴)的截面惯性矩(mm4)。
基本计算公式如下:2.W称为截面抵抗矩(mm3),它表示截面抵抗弯曲变形能力的大小,基本计算公式如下:3.i称截面回转半径(mm),其基本计算公式如下:4.上列各式中,A为截面面积(mm2),y为截面边缘到主轴(形心轴)的距离(mm),I为对主轴(形心轴)的惯性矩。
5.上列各项几何及力学特征,主要用于验算构件截面的承载力和刚度。
2、单跨梁的内力及变形表简支梁的反力、剪力、弯矩、挠度悬臂梁的反力、剪力、弯矩和挠度一端简支另一端固定梁的反力、剪力、弯矩和挠度两端固定梁的反力、剪力、弯矩和挠度外伸梁的反力、剪力、弯矩和挠度3.等截面连续梁的内力及变形表二跨等跨梁的内力和挠度系数注:1.在均布荷载作用下:M=表中系数×ql2;V=表中系数×ql;。
2.在集中荷载作用下:M=表中系数×Fl;V=表中系数×F;。
[例1] 已知二跨等跨梁l=5m,均布荷载q=m,每跨各有一集中荷载F=,求中间支座的最大弯矩和剪力。
[解] MB支=(-××52)+(-××5)=(-)+()=-·mVB左=(-××5)+(-×)=(-)+(-)=-[例2] 已知三跨等跨梁l=6m,均布荷载q=m,求边跨最大跨中弯矩。
[解] M1=××62=·m。
三跨等跨梁的内力和挠度系数注:1.在均布荷载作用下:M=表中系数×ql2;V=表中系数×ql;。
2.在集中荷载作用下:M=表中系数×Fl;V=表中系数×F;。
四跨等跨连续梁内力和挠度系数注:同三跨等跨连续梁。
五跨等跨连续梁内力和挠度系数注:同三跨等跨连续梁。
二不等跨梁的内力系数注:1.M=表中系数×ql21;V=表中系数×ql1;2.(Mmax)、(Vmax)表示它为相应跨内的最大内力。
【最新整理,下载后即可编辑】结构力学公式大全1、常用截面几何与力学特征表注:1.I称为截面对主轴(形心轴)的截面惯性矩(mm4)。
基本计算公式如下:2.W称为截面抵抗矩(mm3),它表示截面抵抗弯曲变形能力的大小,基本计算公式如下:3.i称截面回转半径(mm),其基本计算公式如下:4.上列各式中,A为截面面积(mm2),y为截面边缘到主轴(形心轴)的距离(mm),I为对主轴(形心轴)的惯性矩。
5.上列各项几何及力学特征,主要用于验算构件截面的承载力和刚度。
2、单跨梁的内力及变形表2.1 简支梁的反力、剪力、弯矩、挠度2.2 悬臂梁的反力、剪力、弯矩和挠度2.3 一端简支另一端固定梁的反力、剪力、弯矩和挠度2.4 两端固定梁的反力、剪力、弯矩和挠度2.5 外伸梁的反力、剪力、弯矩和挠度3.等截面连续梁的内力及变形表3.1 二跨等跨梁的内力和挠度系数注:1.在均布荷载作用下:M=表中系数×ql2;V=表中系数×ql;。
2.在集中荷载作用下:M=表中系数×Fl;V=表中系数×F;。
[例1] 已知二跨等跨梁l=5m,均布荷载q=11.76kN/m,每跨各有一集中荷载F=29.4kN,求中间支座的最大弯矩和剪力。
[解] MB支=(-0.125×11.76×52)+(-0.188×29.4×5)=(-36.75)+(-27.64)=-64.39kN·mVB左=(-0.625×11.76×5)+(-0.688×29.4)=(-36.75)+(-20.23)=-56.98kN[例2] 已知三跨等跨梁l=6m,均布荷载q=11.76kN/m,求边跨最大跨中弯矩。
[解] M1=0.080×11.76×62=33.87kN·m。
3.2 三跨等跨梁的内力和挠度系数注:1.在均布荷载作用下:M=表中系数×ql2;V=表中系数×ql;。
史上最全的58张结构力学常用公式,你一定用的到!1、常用截面几何与力学特征表注:1.I称为截面对主轴(形心轴)的截面惯性矩(mm4)。
基本计算公式如下:2.W称为截面抵抗矩(mm3),它表示截面抵抗弯曲变形能力的大小,基本计算公式如下:3.i称截面回转半径(mm),其基本计算公式如下:4.上列各式中,A为截面面积(mm2),y为截面边缘到主轴(形心轴)的距离(mm),I为对主轴(形心轴)的惯性矩。
5.上列各项几何及力学特征,主要用于验算构件截面的承载力和刚度。
2、单跨梁的内力及变形表2.1 简支梁的反力、剪力、弯矩、挠度2.2 悬臂梁的反力、剪力、弯矩和挠度2.3 一端简支另一端固定梁的反力、剪力、弯矩和挠度2.4 两端固定梁的反力、剪力、弯矩和挠度2.5 外伸梁的反力、剪力、弯矩和挠度3.等截面连续梁的内力及变形表3.1 二跨等跨梁的内力和挠度系数注:1.在均布荷载作用下:M=表中系数×ql2;V=表中系数×ql;。
2.在集中荷载作用下:M=表中系数×Fl;V=表中系数×F;。
[例1] 已知二跨等跨梁l=5m,均布荷载q=11.76kN/m,每跨各有一集中荷载F=29.4kN,求中间支座的最大弯矩和剪力。
[解] MB支=(-0.125×11.76×52)+(-0.188×29.4×5)=(-36.75)+(-27.64)=-64.39kN·mVB左=(-0.625×11.76×5)+(-0.688×29.4)=(-36.75)+(-20.23)=-56.98kN[例2] 已知三跨等跨梁l=6m,均布荷载q=11.76kN/m,求边跨最大跨中弯矩。
[解] M1=0.080×11.76×62=33.87kN·m。
3.2 三跨等跨梁的内力和挠度系数注:1.在均布荷载作用下:M=表中系数×ql2;V=表中系数×ql;。
结构力学公式大全1、常用截面几何与力学特征表注:1.I称为截面对主轴(形心轴)的截面惯性矩(mm4)。
基本计算公式如下:2.W称为截面抵抗矩(mm3),它表示截面抵抗弯曲变形能力的大小,基本计算公式如下:3.i称截面回转半径(mm),其基本计算公式如下:4.上列各式中,A为截面面积(mm2),y为截面边缘到主轴(形心轴)的距离(mm),I为对主轴(形心轴)的惯性矩。
5.上列各项几何及力学特征,主要用于验算构件截面的承载力和刚度。
2、单跨梁的内力及变形表2.1 简支梁的反力、剪力、弯矩、挠度2.2 悬臂梁的反力、剪力、弯矩和挠度2.3 一端简支另一端固定梁的反力、剪力、弯矩和挠度2.4 两端固定梁的反力、剪力、弯矩和挠度2.5 外伸梁的反力、剪力、弯矩和挠度3.等截面连续梁的内力及变形表3.1 二跨等跨梁的内力和挠度系数注:1.在均布荷载作用下:M=表中系数×ql2;V=表中系数×ql;。
2.在集中荷载作用下:M=表中系数×Fl;V=表中系数×F;。
[例1] 已知二跨等跨梁l=5m,均布荷载q=11.76kN/m,每跨各有一集中荷载F=29.4kN,求中间支座的最大弯矩和剪力。
[解] MB支=(-0.125×11.76×52)+(-0.188×29.4×5)=(-36.75)+(-27.64)=-64.39kN·mVB左=(-0.625×11.76×5)+(-0.688×29.4)=(-36.75)+(-20.23)=-56.98kN[例2] 已知三跨等跨梁l=6m,均布荷载q=11.76kN/m,求边跨最大跨中弯矩。
[解] M1=0.080×11.76×62=33.87kN·m。
3.2 三跨等跨梁的内力和挠度系数注:1.在均布荷载作用下:M=表中系数×ql2;V=表中系数×ql;。
结构力学公式大全1、常用截面几何与力学特征表注:1.I称为截面对主轴(形心轴)的截面惯性矩(mm4)。
基本计算公式如下:2.W称为截面抵抗矩(mm3),它表示截面抵抗弯曲变形能力的大小,基本计算公式如下:3.i称截面回转半径(mm),其基本计算公式如下:4.上列各式中,A为截面面积(mm2),y为截面边缘到主轴(形心轴)的距离(mm),I为对主轴(形心轴)的惯性矩。
5.上列各项几何及力学特征,主要用于验算构件截面的承载力和刚度。
2、单跨梁的内力及变形表2.1 简支梁的反力、剪力、弯矩、挠度2.2 悬臂梁的反力、剪力、弯矩和挠度2.3 一端简支另一端固定梁的反力、剪力、弯矩和挠度2.4 两端固定梁的反力、剪力、弯矩和挠度2.5 外伸梁的反力、剪力、弯矩和挠度3.等截面连续梁的内力及变形表3.1 二跨等跨梁的内力和挠度系数注:1.在均布荷载作用下:M=表中系数×ql2;V=表中系数×ql;。
2.在集中荷载作用下:M=表中系数×Fl;V=表中系数×F;。
[例1] 已知二跨等跨梁l=5m,均布荷载q=11.76kN/m,每跨各有一集中荷载F=29.4kN,求中间支座的最大弯矩和剪力。
[解] MB支=(-0.125×11.76×52)+(-0.188×29.4×5)=(-36.75)+(-27.64)=-64.39kN·mVB左=(-0.625×11.76×5)+(-0.688×29.4)=(-36.75)+(-20.23)=-56.98kN[例2] 已知三跨等跨梁l=6m,均布荷载q=11.76kN/m,求边跨最大跨中弯矩。
[解] M1=0.080×11.76×62=33.87kN·m。
3.2 三跨等跨梁的内力和挠度系数注:1.在均布荷载作用下:M=表中系数×ql2;V=表中系数×ql;。
结构力学公式大全1、常用截面几何与力学特征表注:1.I称为截面对主轴(形心轴)的截面惯性矩(mm4)。
基本计算公式如下:2.W称为截面抵抗矩(mm3),它表示截面抵抗弯曲变形能力的大小,基本计算公式如下:3.i称截面回转半径(mm),其基本计算公式如下:4.上列各式中,A为截面面积(mm2),y为截面边缘到主轴(形心轴)的距离(mm),I为对主轴(形心轴)的惯性矩。
5.上列各项几何及力学特征,主要用于验算构件截面的承载力和刚度。
2、单跨梁的内力及变形表2.1 简支梁的反力、剪力、弯矩、挠度2.2 悬臂梁的反力、剪力、弯矩和挠度2.3 一端简支另一端固定梁的反力、剪力、弯矩和挠度2.4 两端固定梁的反力、剪力、弯矩和挠度2.5 外伸梁的反力、剪力、弯矩和挠度3.等截面连续梁的内力及变形表3.1 二跨等跨梁的内力和挠度系数注:1.在均布荷载作用下:M=表中系数×ql2;V=表中系数×ql;。
2.在集中荷载作用下:M=表中系数×Fl;V=表中系数×F;。
[例1] 已知二跨等跨梁l=5m,均布荷载q=11.76kN/m,每跨各有一集中荷载F=29.4kN,求中间支座的最大弯矩和剪力。
[解] MB支=(-0.125×11.76×52)+(-0.188×29.4×5)=(-36.75)+(-27.64)=-64.39kN·mVB左=(-0.625×11.76×5)+(-0.688×29.4)=(-36.75)+(-20.23)=-56.98kN[例2] 已知三跨等跨梁l=6m,均布荷载q=11.76kN/m,求边跨最大跨中弯矩。
[解] M1=0.080×11.76×62=33.87kN·m。
3.2 三跨等跨梁的内力和挠度系数注:1.在均布荷载作用下:M=表中系数×ql2;V=表中系数×ql;。
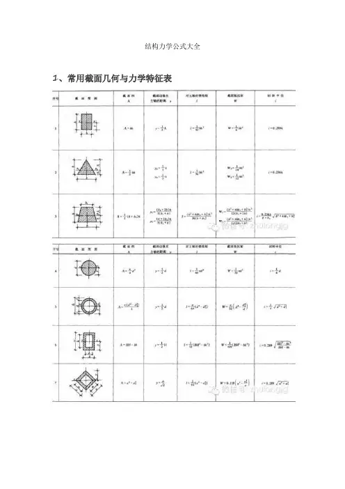
结构力学公式大全1、常用截面几何与力学特征表
注:1.I称为截面对主轴(形心轴)的截面惯性矩(mm4)。
基本计算公式如下:2.W称为截面抵抗矩(mm3),它表示截面抵抗弯曲变形能力的大小,基本计算公式如下:
3.i称截面回转半径(mm),其基本计算公式如下:
4.上列各式中,A为截面面积(mm2),y为截面边缘到主轴(形心轴)的距离(mm),I为对主轴(形心轴)的惯性矩。
5.上列各项几何及力学特征,主要用于验算构件截面的承载力和刚度。
2、单跨梁的内力及变形表
2.1 简支梁的反力、剪力、弯矩、挠度
2.2 悬臂梁的反力、剪力、弯矩和挠度。
结构力学公式年夜全之迟辟智美创作1、经常使用截面几何与力学特征表注:1.I称为截面对主轴(形心轴)的截面惯性矩(mm4).基本计算公式如下:2.W称为截面抵当矩(mm3),它暗示截面抵当弯曲变形能力的年夜小,基本计算公式如下:3.i称截面回转半径(mm),其基本计算公式如下:4.上列各式中,A为截面面积(mm2),y为截面边缘到主轴(形心轴)的距离(mm),I为对主轴(形心轴)的惯性矩.5.上列各项几何及力学特征,主要用于验算构件截面的承载力和刚度.2、单跨梁的内力及变形表2.1 简支梁的反力、剪力、弯矩、挠度2.2 悬臂梁的反力、剪力、弯矩和挠度2.3 一端简支另一端固定梁的反力、剪力、弯矩和挠度2.4 两端固定梁的反力、剪力、弯矩和挠度2.5 外伸梁的反力、剪力、弯矩和挠度3.等截面连续梁的内力及变形表3.1 二跨等跨梁的内力和挠度系数注:1.在均布荷载作用下:M=表中系数×ql2;V=表中系数×ql;.2.在集中荷载作用下:M=表中系数×Fl;V=表中系数×F;.[例1] 已知二跨等跨梁l=5m,均布荷载q=11.76kN/m,每跨各有一集中荷载F=29.4kN,求中间支座的最年夜弯矩和剪力.[解] MB支=(-0.125×11.76×52)+(-0.188×29.4×5)=(-36.75)+(-27.64)=-64.39kN·mVB左=(-0.625×11.76×5)+(-0.688×29.4)[例2] 已知三跨等跨梁l=6m,均布荷载q=11.76kN/m,求边跨最年夜跨中弯矩.[解] M1=0.080×11.76×62=33.87kN·m.3.2 三跨等跨梁的内力和挠度系数注:1.在均布荷载作用下:M=表中系数×ql2;V=表中系数×ql;.2.在集中荷载作用下:M=表中系数×Fl;V=表中系数×F;.3.3 四跨等跨连续梁内力和挠度系数注:同三跨等跨连续梁.3.4 五跨等跨连续梁内力和挠度系数注:同三跨等跨连续梁.3.5 二不等跨梁的内力系数注:1.M=表中系数×ql21;V=表中系数×ql1;2.(Mmax)、(Vmax)暗示它为相应跨内的最年夜内力.3.6 三不等跨梁内力系数注:1.M=表中系数×ql21;V=表中系数×ql1;2.(Mmax)、(Vmax)为荷载在最晦气安插时的最年夜内力.4.双向板在均布荷载作用下的内力及变形系数表符号说明如下:刚度式中 E——弹性模量;h——板厚;ν——泊松比;ω、ωmax——分别为板中心点的挠度和最年夜挠度;Mx——为平行于lx方向板中心点的弯矩;My——为平行于ly方向板中心点的弯矩;Mx0——固定边中点沿lx方向的弯矩;My0——固定边中点沿ly方向的弯矩.正负号的规定:弯矩——使板的受荷面受压者为正;挠度——变位方向与荷载方向相同者为正.4.1 四边简支4.2 三边简支,一边固定4.3 两边简支,两边固定4.4 一边简支,三边固定4.4 四边固定4.5 两边简支,两边固定5.拱的内力计算表注:表中的K为轴向力变形影响的修正系数.(1)无拉杆双铰拱1)在竖向荷载作用下的轴向力变形修正系数式中 Ic——拱顶截面惯性矩;Ac——拱顶截面面积;A——拱上任意点截面面积.当为矩形等宽度实腹式变截面拱时,公式I=Ic/cosθ所代表的截面惯性矩变动规律相当于下列的截面面积变动公式:此时,上式中的n可表告竣如下形式:下表中列出了矩形等宽度实腹式变截面拱的n值.2)在水平荷载作用下的轴向力变形修正系数,近似取K=1(2)带拉杆双铰拱1)在竖向荷载作用下的轴向力变形修正系数式中 E——拱圈资料的弹性模量;E1——拉杆资料的弹性模量;A1——拉杆的截面积.2)在水平荷载作用下的轴向力变形修正系数(略去拱圈轴向力变形影响)式中 f——为矢高;l——为拱的跨度.6.刚架内力计算表内力的正负号规定如下:V——向上者为正;H——向内者为正;M——刚架中虚线的一面受拉为正.6.1 “┌┐”形刚架内力计算表(一)6.2“┌┐”形刚架内力计算表(二)6.3“”形刚架的内力计算表。
结构力学公式大全1、常用截面几何与力学特征表注:1.I称为截面对主轴(形心轴)的截面惯性矩(mm4)。
基本计算公式如下:2.W称为截面抵抗矩(mm3),它表示截面抵抗弯曲变形能力的大小,基本计算公式如下:3.i称截面回转半径(mm),其基本计算公式如下:4.上列各式中,A为截面面积(mm2),y为截面边缘到主轴(形心轴)的距离(mm),I为对主轴(形心轴)的惯性矩。
5.上列各项几何及力学特征,主要用于验算构件截面的承载力和刚度。
2、单跨梁的内力及变形表2.1 简支梁的反力、剪力、弯矩、挠度2.2 悬臂梁的反力、剪力、弯矩和挠度2.3 一端简支另一端固定梁的反力、剪力、弯矩和挠度2.4 两端固定梁的反力、剪力、弯矩和挠度2.5 外伸梁的反力、剪力、弯矩和挠度3.等截面连续梁的内力及变形表3.1 二跨等跨梁的内力和挠度系数注:1.在均布荷载作用下:M=表中系数×ql2;V=表中系数×ql;。
2.在集中荷载作用下:M=表中系数×Fl;V=表中系数×F;。
[例1] 已知二跨等跨梁l=5m,均布荷载q=11.76kN/m,每跨各有一集中荷载F=29.4kN,求中间支座的最大弯矩和剪力。
[解] MB支=(-0.125×11.76×52)+(-0.188×29.4×5)=(-36.75)+(-27.64)=-64.39kN·mVB左=(-0.625×11.76×5)+(-0.688×29.4)=(-36.75)+(-20.23)=-56.98kN[例2] 已知三跨等跨梁l=6m,均布荷载q=11.76kN/m,求边跨最大跨中弯矩。
[解] M1=0.080×11.76×62=33.87kN·m。
3.2 三跨等跨梁的内力和挠度系数注:1.在均布荷载作用下:M=表中系数×ql2;V=表中系数×ql;。
结构力学公式大全1、常用截面几何与力学特征表注:1.I称为截面对主轴(形心轴)的截面惯性矩(mm4)。
基本计算公式如下:2.W称为截面抵抗矩(mm3),它表示截面抵抗弯曲变形能力的大小,基本计算公式如下:3.i称截面回转半径(mm),其基本计算公式如下:4.上列各式中,A为截面面积(mm2),y为截面边缘到主轴(形心轴)的距离(mm),I为对主轴(形心轴)的惯性矩。
5.上列各项几何及力学特征,主要用于验算构件截面的承载力和刚度。
2、单跨梁的内力及变形表简支梁的反力、剪力、弯矩、挠度悬臂梁的反力、剪力、弯矩和挠度一端简支另一端固定梁的反力、剪力、弯矩和挠度两端固定梁的反力、剪力、弯矩和挠度外伸梁的反力、剪力、弯矩和挠度3.等截面连续梁的内力及变形表二跨等跨梁的内力和挠度系数注:1.在均布荷载作用下:M=表中系数×ql2;V=表中系数×ql;。
2.在集中荷载作用下:M=表中系数×Fl;V=表中系数×F;。
[例1] 已知二跨等跨梁l=5m,均布荷载q=m,每跨各有一集中荷载F=,求中间支座的最大弯矩和剪力。
[解] MB支=(-××52)+(-××5)=(-)+()=-·mVB左=(-××5)+(-×)=(-)+(-)=-[例2] 已知三跨等跨梁l=6m,均布荷载q=m,求边跨最大跨中弯矩。
[解] M1=××62=·m。
三跨等跨梁的内力和挠度系数注:1.在均布荷载作用下:M=表中系数×ql2;V=表中系数×ql;。
2.在集中荷载作用下:M=表中系数×Fl;V=表中系数×F;。
四跨等跨连续梁内力和挠度系数注:同三跨等跨连续梁。
五跨等跨连续梁内力和挠度系数注:同三跨等跨连续梁。
二不等跨梁的内力系数注:1.M=表中系数×ql21;V=表中系数×ql1;2.(Mmax)、(Vmax)表示它为相应跨内的最大内力。
结构力学公式大全之杨若古兰创作1、经常使用截面几何与力学特征表注:1.I称为截面对主轴(形心轴)的截面惯性矩(mm4).基本计算公式如下:2.W称为截面抵抗矩(mm3),它暗示截面抵抗曲折变形能力的大小,基本计算公式如下:3.i称截面回转半径(mm),其基本计算公式如下:4.上列各式中,A为截面面积(mm2),y为截面边沿到主轴(形心轴)的距离(mm),I为对主轴(形心轴)的惯性矩.5.上列各项几何及力学特征,次要用于验算构件截面的承载力和刚度.2、单跨梁的内力及变形表2.1 简支梁的反力、剪力、弯矩、挠度2.2 悬臂梁的反力、剪力、弯矩和挠度2.3 一端简支另一端固定梁的反力、剪力、弯矩和挠度2.4 两端固定梁的反力、剪力、弯矩和挠度2.5 外伸梁的反力、剪力、弯矩和挠度3.等截面连续梁的内力及变形表3.1 二跨等跨梁的内力和挠度系数注:1.在均布荷载感化下:M=表中系数×ql2;V=表中系数×ql;.2.在集中荷载感化下:M=表中系数×Fl;V=表中系数×F;.[例1] 已知二跨等跨梁l=5m,均布荷载q=11.76kN/m,每跨各有一集中荷载F=29.4kN,求两头支座的最大弯矩和剪力. [解] MB支=(-0.125×11.76×52)+(-0.188×29.4×5)=(-36.75)+(-27.64)=-64.39kN·mVB左=(-0.625×11.76×5)+(-0.688×29.4)[例2] 已知三跨等跨梁l=6m,均布荷载q=11.76kN/m,求边跨最大跨中弯矩.[解] M1=0.080×11.76×62=33.87kN·m.3.2 三跨等跨梁的内力和挠度系数注:1.在均布荷载感化下:M=表中系数×q l2;V=表中系数×ql;. 2.在集中荷载感化下:M=表中系数×Fl;V=表中系数×F;.3.3 四跨等跨连续梁内力和挠度系数注:同三跨等跨连续梁.3.4 五跨等跨连续梁内力和挠度系数注:同三跨等跨连续梁.3.5 二不等跨梁的内力系数注:1.M=表中系数×ql21;V=表中系数×ql1;2.(Mmax)、(Vmax)暗示它为响应跨内的最大内力.3.6 三不等跨梁内力系数注:1.M=表中系数×ql21;V=表中系数×ql1;2.(Mmax)、(Vmax)为荷载在最晦气安插时的最大内力. 4.双向板在均布荷载感化下的内力及变形系数表符号说明如下:刚度式中 E——弹性模量;h——板厚;ν——泊松比;ω、ωmax——分别为板中间点的挠度和最大挠度;Mx——为平行于lx方向板中间点的弯矩;My——为平行于ly方向板中间点的弯矩;Mx0——固定边中点沿lx方向的弯矩;My0——固定边中点沿ly方向的弯矩.正负号的规定:弯矩——使板的受荷面受压者为正;挠度——变位方向与荷载方向不异者为正.4.1 四边简支4.2 三边简支,一边固定4.3 两边简支,两边固定4.4 一边简支,三边固定4.4 四边固定4.5 两边简支,两边固定5.拱的内力计算表注:表中的K为轴向力变形影响的批改系数.(1)无拉杆双铰拱1)在竖向荷载感化下的轴向力变形批改系数式中 Ic——拱顶截面惯性矩;Ac——拱顶截面面积;A——拱上任意点截面面积.当为矩形等宽度实腹式变截面拱时,公式I=Ic/cosθ所代表的截面惯性矩变更规律相当于以下的截面面积变更公式:此时,上式中的n可表达成如下方式:下表中列出了矩形等宽度实腹式变截面拱的n值.2)在水平荷载感化下的轴向力变形批改系数,近似取K=1(2)带拉杆双铰拱1)在竖向荷载感化下的轴向力变形批改系数式中 E——拱圈材料的弹性模量;E1——拉杆材料的弹性模量;A1——拉杆的截面积.2)在水平荷载感化下的轴向力变形批改系数(略去拱圈轴向力变形影响)式中 f——为矢高;l——为拱的跨度.6.刚架内力计算表内力的正负号规定如下:V——向上者为正;H——向内者为正;M——刚架中虚线的一面受拉为正. 6.1 “┌┐”形刚架内力计算表(一)6.2“┌┐”形刚架内力计算表(二)6.3“”形刚架的内力计算表。
平面体系的计算自由度W 的求法
(1)刚片法:体系看作由刚片组成,铰结、刚结、链杆为约束。
刚片数 m ;
约束数:单铰数 h ,简单刚结数 g ,单链杆数 b 。
W = 3m - 2h - 3g -b (2)节点法:体系由结点组成,链杆为约束。
结点数 j ;
约束数:链杆(含支杆)数 b 。
W = 2j – b
(3)组合算法
约束对象:刚片数 m ,结点数 j
约束条件:单铰数 h ,简单刚结数 g ,单链杆(含支杆)数 b
W = (3m + 2j)-(3+2h+ b)比较可得:三铰拱与简支梁的竖向支反力完全相同。
注意到水平支反力式中的分子就是简支
梁上截面C的弯矩,则水平支反力可写作:
综上所述,三铰拱在竖向荷载作用下,任一截面上的弯矩、剪力荷轴力的计算公式如下:4.4.1 各种结构位移计算公式
:虚设单位荷载P=1作用下的结构的内力;
:实际荷载作用下的结构的内力
图乘法
位移公式:
4.5.2 常见图形的面积和形心
常见图形的形心和面积(图4.10)。
图4.10
以上图形的抛物线均为标准抛物线:抛物线的顶点处的切线都是与基线平行4.5.3 应用图乘法时的几个具体问题
(2) 如果有一个图形为折线,则应分段考虑(图4.12)
图4.12
(3) 如果图形比较复杂,应根据弯矩图的叠加原理将图形分解为几个简单图形,分项计算后再进行叠加图4.13
图4.13
(图4.13b中A1与y1的乘积为负值;图4.13c中抛物线为非标准曲线)。
例5:试求出图4.16刚架结点B 的水平位移和转角,EI 为常数
图4.16
解: (1)虚设单位荷载,作实际状态和虚设单位荷载的弯矩图(图4.17a、b、c)
图4.17
(2)代入公式,图乘。
B 点竖向位移:
B 点转角位移:
力法的基本概念
力法典型
方程:
δ11X1 +
Δ1P =0
a)做基
本结
构在
荷载
作用
下的
荷载
弯矩
M P和
单位
未知力X1 =1的作用下的单位弯矩图M1应用叠加公式得到结构的弯矩图M。
力法的基本方程:二次超静定结构
位移互等定理:δij=δji
δij表示单位力X j =1在基本结构沿X i 方向产生的位移,称柔度系数。
ΔiP表示在基本结构实际荷载沿X i方向产生的位移。
力法解超静定结构
:绘图5.10a超静定刚架的弯矩图。
图5.10
解:(1)基本体系(图5.10b)
(2)力法方程
基本体系应满足B 点无水平位移的变形条件。
力法方程为
(3)计算系数和自由项
分别画出实际荷载及单位未知力X1 =1的作用的弯矩图(图5.10c、d),利用图乘法计算系数。
(4)求多余的未知力
(5)作弯矩图(图5.10e)。