常用几何截面结构力学公式表
- 格式:docx
- 大小:1.61 MB
- 文档页数:29
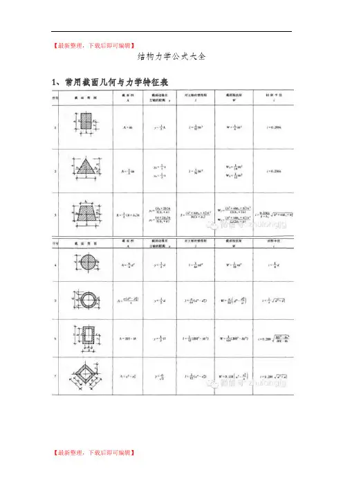
结构力学公式大全1、常用截面几何与力学特征表注:1.I称为截面对主轴〔形心轴〕的截面惯性矩〔mm4〕。
根本计算公式如下:2.W称为截面抵抗矩〔mm3〕,它表示截面抵抗弯曲变形能力的大小,根本计算公式如下:3.i称截面回转半径〔mm〕,其根本计算公式如下:4.上列各式中,A为截面面积〔mm2〕,y为截面边缘到主轴〔形心轴〕的距离〔mm〕,I为对主轴〔形心轴〕的惯性矩。
5.上列各项几何及力学特征,主要用于验算构件截面的承载力和刚度。
2、单跨梁的内力及变形表2.1 简支梁的反力、剪力、弯矩、挠度2.2 悬臂梁的反力、剪力、弯矩和挠度2.3 一端简支另一端固定梁的反力、剪力、弯矩和挠度2.4 两端固定梁的反力、剪力、弯矩和挠度2.5 外伸梁的反力、剪力、弯矩和挠度3.等截面连续梁的内力及变形表3.1 二跨等跨梁的内力和挠度系数注:1.在均布荷载作用下:M=表中系数×ql2;V=表中系数×ql;。
2.在集中荷载作用下:M=表中系数×Fl;V=表中系数×F;。
[例1] 二跨等跨梁l=5m,均布荷载q=11.76kN/m,每跨各有一集中荷载F=29.4kN,求中间支座的最大弯矩和剪力。
[解] MB支=〔-0.125×11.76×52〕+〔-0.188×29.4×5〕=〔-36.75〕+〔-27.64〕=-64.39kN·mVB左=〔-0.625×11.76×5〕+〔-0.688×29.4〕[例2] 三跨等跨梁l=6m,均布荷载q=11.76kN/m,求边跨最大跨中弯矩。
[解] M1=0.080×11.76×62=33.87kN·m。
3.2 三跨等跨梁的内力和挠度系数注:1.在均布荷载作用下:M=表中系数×ql2;V=表中系数×ql;。
2.在集中荷载作用下:M=表中系数×Fl;V=表中系数×F;。
常用截面几何性质计算公式JX1.矩形截面:矩形截面是一种常见的结构截面形式。
假设矩形截面宽度为b,高度为h,则其面积可以通过以下公式计算:A=b*h质心位置可以通过以下公式计算:x=b/2y=h/2惯性矩可以通过以下公式计算:Ix=(b*h^3)/12Iy=(h*b^3)/12截面模数可以通过以下公式计算:Wx=(b*h^2)/6Wy=(h*b^2)/62.圆形截面:圆形截面是另一种常见的结构截面形式。
假设圆形截面的半径为r,则其面积可以通过以下公式计算:A=π*r^2质心位置在圆心上,即x=0,y=0。
惯性矩可以通过以下公式计算:Ix=(π*r^4)/4Iy=(π*r^4)/4截面模数可以通过以下公式计算:Wx=(π*r^3)/4Wy=(π*r^3)/43.等边三角形截面:等边三角形截面是一个等边三角形形状的结构截面。
假设等边三角形截面的边长为a,则其面积可以通过以下公式计算:A = (sqrt(3) * a^2) / 4质心位置可以通过以下公式计算:x=a/2y = (sqrt(3) * a) / 6惯性矩可以通过以下公式计算:Ix = (a^4 * sqrt(3)) / 48Iy=(a^4)/48截面模数可以通过以下公式计算:Wx = (a^3 * sqrt(3)) / 12Wy=(a^3)/12以上是常见的几种截面几何性质的计算公式,通过这些公式可以方便地计算结构截面的重要性质,为结构设计和分析提供参考。
在实际应用中,还需要根据具体的截面形状和尺寸选择相应的公式进行计算。
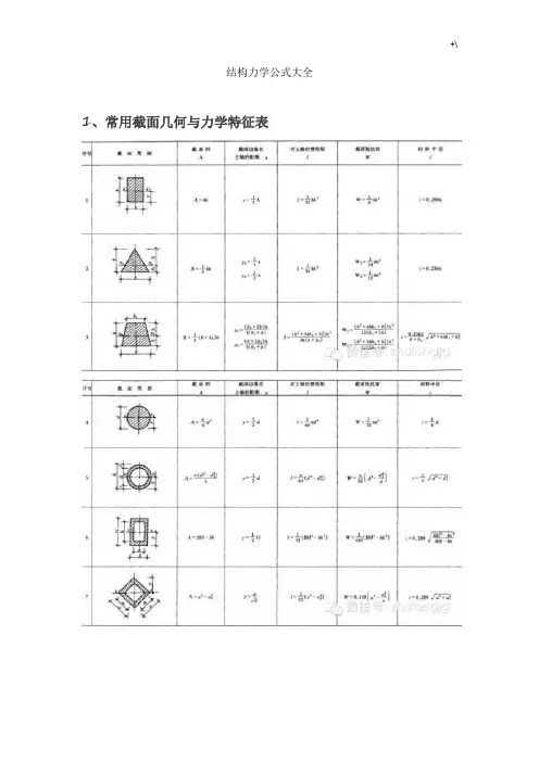
结构力学公式大全结构力学公式大全1、常用截面几何与力学特征表注:1.I称为截面对主轴(形心轴)的截面惯性矩(mm4)。
基本计算公式如下:2.W称为截面抵抗矩(mm3),它表示截面抵抗弯曲变形能力的大小,基本计算公式如下:3.i称截面回转半径(mm),其基本计算公式如下:4.上列各式中,A为截面面积(mm2),y为截面边缘到主轴(形心轴)的距离(mm),I为对主轴(形心轴)的惯性矩。
5.上列各项几何及力学特征,主要用于验算构件截面的承载力和刚度。
2、单跨梁的内力及变形表2.1 简支梁的反力、剪力、弯矩、挠度2.2 悬臂梁的反力、剪力、弯矩和挠度2.3 一端简支另一端固定梁的反力、剪力、弯矩和挠度2.4 两端固定梁的反力、剪力、弯矩和挠度2.5 外伸梁的反力、剪力、弯矩和挠度3.等截面连续梁的内力及变形表3.1 二跨等跨梁的内力和挠度系数注:1.在均布荷载作用下:M=表中系数×ql2;V=表中系数×ql;。
2.在集中荷载作用下:M=表中系数×Fl;V=表中系数×F;。
[例1] 已知二跨等跨梁l=5m,均布荷载q=11.76kN/m,每跨各有一集中荷载F=29.4kN,求中间支座的最大弯矩和剪力。
[解] MB支=(-0.125×11.76×52)+(-0.188×29.4×5)=(-36.75)+(-27.64)=-64.39kN·mVB左=(-0.625×11.76×5)+(-0.688×29.4)=(-36.75)+(-20.23)=-56.98kN[例2] 已知三跨等跨梁l=6m,均布荷载q=11.76kN/m,求边跨最大跨中弯矩。
[解] M1=0.080×11.76×62=33.87kN·m。
3.2 三跨等跨梁的内力和挠度系数注:1.在均布荷载作用下:M=表中系数×ql2;V=表中系数×ql;。
【最新整理,下载后即可编辑】结构力学公式大全1、常用截面几何与力学特征表注:1.I称为截面对主轴(形心轴)的截面惯性矩(mm4)。
基本计算公式如下:2.W称为截面抵抗矩(mm3),它表示截面抵抗弯曲变形能力的大小,基本计算公式如下:3.i称截面回转半径(mm),其基本计算公式如下:4.上列各式中,A为截面面积(mm2),y为截面边缘到主轴(形心轴)的距离(mm),I为对主轴(形心轴)的惯性矩。
5.上列各项几何及力学特征,主要用于验算构件截面的承载力和刚度。
2、单跨梁的内力及变形表2.1 简支梁的反力、剪力、弯矩、挠度2.2 悬臂梁的反力、剪力、弯矩和挠度2.3 一端简支另一端固定梁的反力、剪力、弯矩和挠度2.4 两端固定梁的反力、剪力、弯矩和挠度2.5 外伸梁的反力、剪力、弯矩和挠度3.等截面连续梁的内力及变形表3.1 二跨等跨梁的内力和挠度系数注:1.在均布荷载作用下:M=表中系数×ql2;V=表中系数×ql;。
2.在集中荷载作用下:M=表中系数×Fl;V=表中系数×F;。
[例1] 已知二跨等跨梁l=5m,均布荷载q=11.76kN/m,每跨各有一集中荷载F=29.4kN,求中间支座的最大弯矩和剪力。
[解] MB支=(-0.125×11.76×52)+(-0.188×29.4×5)=(-36.75)+(-27.64)=-64.39kN·mVB左=(-0.625×11.76×5)+(-0.688×29.4)=(-36.75)+(-20.23)=-56.98kN[例2] 已知三跨等跨梁l=6m,均布荷载q=11.76kN/m,求边跨最大跨中弯矩。
[解] M1=0.080×11.76×62=33.87kN·m。
3.2 三跨等跨梁的内力和挠度系数注:1.在均布荷载作用下:M=表中系数×ql2;V=表中系数×ql;。
常用截面几何特性计算公式截面几何特性是指用于描述一个截面的形状和大小的参数,常用的包括面积、惯性矩、截面模量、截面半径等。
这些参数在工程中非常重要,因为它们能够直接影响截面的受力性能。
下面将介绍一些常用的截面几何特性计算公式。
1.截面面积计算公式:截面面积是指截面内部所有点的面积总和。
对于一些常见的截面形状,可以使用以下公式进行计算:-矩形截面面积:A=b*h,其中b为矩形的宽度,h为矩形的高度。
-圆形截面面积:A=π*r^2,其中r为圆的半径。
-等边三角形截面面积:A=(s^2*√3)/4,其中s为三角形的边长。
-梯形截面面积:A=(a+b)*h/2,其中a和b为梯形的上底和下底长度,h为梯形的高度。
2.截面惯性矩计算公式:惯性矩是描述截面抵御扭转和弯曲的能力的参数。
对于一些常见的截面形状,可以使用以下公式进行计算:-矩形截面惯性矩:I=(b*h^3)/12,其中b为矩形的宽度,h为矩形的高度。
-圆形截面惯性矩:I=π*r^4/4,其中r为圆的半径。
-等边三角形截面惯性矩:I=(s^4*√3)/64,其中s为三角形的边长。
-梯形截面惯性矩:I=[(b1*h1^3)+(b2*h2^3)]/12,其中b1和b2为梯形的上底和下底长度,h1和h2为梯形的高度。
3.截面模量计算公式:截面模量是描述截面抵御弯曲的能力的参数。
对于一些常见的截面形状,可以使用以下公式进行计算:-矩形截面模量:S=(b*h^2)/6,其中b为矩形的宽度,h为矩形的高度。
-圆形截面模量:S=π*r^3/3,其中r为圆的半径。
-等边三角形截面模量:S=(s^3*√3)/36,其中s为三角形的边长。
-梯形截面模量:S=[(b1*h1^2)+(b2*h2^2)]/6,其中b1和b2为梯形的上底和下底长度,h1和h2为梯形的高度。
4.截面半径计算公式:截面半径是描述截面的曲率半径的参数,通常用于弯曲性能的评估。
-矩形截面半径:r=h/2,其中h为矩形的高度。
常用截面几何特性计算公式截面几何特性是指用来描述截面形状和大小的一些参数,可以用来进行结构设计和分析。
常用的截面几何特性包括面积、周长、惯性矩、截面模量等。
下面将详细介绍常用的截面几何特性计算公式。
1.面积(A):截面的面积是指该截面所围成的平面区域的大小,用来描述截面的大小。
常见的截面面积计算公式有:-矩形截面:A=b*h,其中b为矩形的宽度,h为矩形的高度。
-圆形截面:A=π*r^2,其中π约等于3.14,r为圆的半径。
-梯形截面:A=(a+b)*h/2,其中a和b为梯形的上底和下底长度,h为梯形的高度。
2.周长(P):截面的周长是指该截面围成的边界线的总长度,用来描述截面的形状。
常见的截面周长计算公式有:-矩形截面:P=2*(b+h),其中b为矩形的宽度,h为矩形的高度。
-圆形截面:P=2*π*r,其中π约等于3.14,r为圆的半径。
-梯形截面:P=a+b+2*L,其中a和b为梯形的上底和下底长度,L为梯形的斜边长度。
3.惯性矩(I):惯性矩是描述截面抵抗弯曲或扭转作用的能力,常用于计算截面的弯矩和扭矩。
惯性矩有I_x和I_y两个方向,分别表示关于x轴和y轴的惯性矩。
常见的截面惯性矩计算公式有:-矩形截面:I_x=(b*h^3)/12,I_y=(h*b^3)/12,其中b为矩形的宽度,h为矩形的高度。
-圆形截面:I_x=I_y=(π*r^4)/4,其中π约等于3.14,r为圆的半径。
-梯形截面:I_x=(b*h^3)/36*(3*a+b),I_y=(h*b^3)/36*(a+3*b),其中a和b为梯形的上底和下底长度,h为梯形的高度。
4.截面模量(W):截面模量是一种描述截面承受弯曲时变形能力的特性,常用于计算截面的弯曲应力和挠度。
截面模量有W_x和W_y两个方向,分别表示关于x轴和y轴的截面模量。
-矩形截面:W_x=(b*h^2)/6,W_y=(h*b^2)/6,其中b为矩形的宽度,h为矩形的高度。
常用截面几何特性计算公式常用截面几何特性计算公式是指用于计算截面面积、惯性矩、抗弯截面模量等几何特性的数学公式。
这些公式在工程设计中非常重要,可以帮助工程师确定结构的强度和刚度,并进行形状优化。
下面将介绍一些常用截面几何特性计算公式。
1.截面面积(A):截面面积是指截面内部曲线与基准线之间的面积。
常见的截面面积计算公式如下:-矩形截面:A=b*h,其中b为矩形的宽度,h为矩形的高度。
-圆形截面:A=π*r^2,其中r为圆的半径。
-等腰三角形截面:A=(b*h)/2,其中b为底边的长度,h为中线的长度。
2.惯性矩(I):惯性矩是用于描述截面形状对转动惯量的影响。
常见的惯性矩计算公式如下:-矩形截面的惯性矩:I=(b*h^3)/12,其中b为矩形的宽度,h为矩形的高度。
-圆形截面的惯性矩:I=(π*r^4)/4,其中r为圆的半径。
-等腰三角形截面的惯性矩:I=(b*h^3)/36,其中b为底边的长度,h为中线的长度。
3.抗弯截面模量(W):抗弯截面模量是用于计算梁或梁柱截面抗弯刚度的参数。
常见的抗弯截面模量计算公式如下:-矩形截面的抗弯截面模量:W=(b*h^2)/6,其中b为矩形的宽度,h 为矩形的高度。
-圆形截面的抗弯截面模量:W=(π*r^3)/4,其中r为圆的半径。
-等腰三角形截面的抗弯截面模量:W=(b*h^2)/12,其中b为底边的长度,h为中线的长度。
4.极性惯性矩(J):极性惯性矩是用于计算闭合形截面扭转刚度的参数。
常见的极性惯性矩计算公式如下:-圆形截面的极性惯性矩:J=(π*r^4)/2,其中r为圆的半径。
这些公式只是截面几何特性计算中的一部分,根据具体的截面形状和属性,还有许多其他公式可供选择。
工程师在设计中需要根据具体情况选择合适的公式,并进行计算和分析,以确保结构的安全可靠性和性能要求的满足。
史上最全的58张结构力学常用公式,你一定用的到!1、常用截面几何与力学特征表注:1.I称为截面对主轴(形心轴)的截面惯性矩(mm4)。
基本计算公式如下:2.W称为截面抵抗矩(mm3),它表示截面抵抗弯曲变形能力的大小,基本计算公式如下:3.i称截面回转半径(mm),其基本计算公式如下:4.上列各式中,A为截面面积(mm2),y为截面边缘到主轴(形心轴)的距离(mm),I为对主轴(形心轴)的惯性矩。
5.上列各项几何及力学特征,主要用于验算构件截面的承载力和刚度。
2、单跨梁的内力及变形表2.1 简支梁的反力、剪力、弯矩、挠度2.2 悬臂梁的反力、剪力、弯矩和挠度2.3 一端简支另一端固定梁的反力、剪力、弯矩和挠度2.4 两端固定梁的反力、剪力、弯矩和挠度2.5 外伸梁的反力、剪力、弯矩和挠度3.等截面连续梁的内力及变形表3.1 二跨等跨梁的内力和挠度系数注:1.在均布荷载作用下:M=表中系数×ql2;V=表中系数×ql;。
2.在集中荷载作用下:M=表中系数×Fl;V=表中系数×F;。
[例1] 已知二跨等跨梁l=5m,均布荷载q=11.76kN/m,每跨各有一集中荷载F=29.4kN,求中间支座的最大弯矩和剪力。
[解] MB支=(-0.125×11.76×52)+(-0.188×29.4×5)=(-36.75)+(-27.64)=-64.39kN·mVB左=(-0.625×11.76×5)+(-0.688×29.4)=(-36.75)+(-20.23)=-56.98kN[例2] 已知三跨等跨梁l=6m,均布荷载q=11.76kN/m,求边跨最大跨中弯矩。
[解] M1=0.080×11.76×62=33.87kN·m。
3.2 三跨等跨梁的内力和挠度系数注:1.在均布荷载作用下:M=表中系数×ql2;V=表中系数×ql;。
结构力学公式大全1、常用截面几何与力学特征表注:1.I称为截面对主轴(形心轴)的截面惯性矩(mm4)。
基本计算公式如下:2.W称为截面抵抗矩(mm3),它表示截面抵抗弯曲变形能力的大小,基本计算公式如下:3.i称截面回转半径(mm),其基本计算公式如下:4.上列各式中,A为截面面积(mm2),y为截面边缘到主轴(形心轴)的距离(mm),I为对主轴(形心轴)的惯性矩。
5.上列各项几何及力学特征,主要用于验算构件截面的承载力和刚度。
2、单跨梁的内力及变形表2.1 简支梁的反力、剪力、弯矩、挠度2.2 悬臂梁的反力、剪力、弯矩和挠度2.3 一端简支另一端固定梁的反力、剪力、弯矩和挠度2.4 两端固定梁的反力、剪力、弯矩和挠度2.5 外伸梁的反力、剪力、弯矩和挠度3.等截面连续梁的内力及变形表3.1 二跨等跨梁的内力和挠度系数注:1.在均布荷载作用下:M=表中系数×ql2;V=表中系数×ql;。
2.在集中荷载作用下:M=表中系数×Fl;V=表中系数×F;。
[例1] 已知二跨等跨梁l=5m,均布荷载q=11.76kN/m,每跨各有一集中荷载F=29.4kN,求中间支座的最大弯矩和剪力。
[解] MB支=(-0.125×11.76×52)+(-0.188×29.4×5)=(-36.75)+(-27.64)=-64.39kN·mVB左=(-0.625×11.76×5)+(-0.688×29.4)=(-36.75)+(-20.23)=-56.98kN[例2] 已知三跨等跨梁l=6m,均布荷载q=11.76kN/m,求边跨最大跨中弯矩。
[解] M1=0.080×11.76×62=33.87kN·m。
3.2 三跨等跨梁的内力和挠度系数注:1.在均布荷载作用下:M=表中系数×ql2;V=表中系数×ql;。
结构力学公式大全1、常用截面几何与力学特征表注:1.I称为截面对主轴(形心轴)的截面惯性矩(mm4)。
基本计算公式如下:2.W称为截面抵抗矩(mm3),它表示截面抵抗弯曲变形能力的大小,基本计算公式如下:3.i称截面回转半径(mm),其基本计算公式如下:4.上列各式中,A为截面面积(mm2),y为截面边缘到主轴(形心轴)的距离(mm),I为对主轴(形心轴)的惯性矩。
5.上列各项几何及力学特征,主要用于验算构件截面的承载力和刚度。
2、单跨梁的内力及变形表2.1 简支梁的反力、剪力、弯矩、挠度2.2 悬臂梁的反力、剪力、弯矩和挠度2.3 一端简支另一端固定梁的反力、剪力、弯矩和挠度2.4 两端固定梁的反力、剪力、弯矩和挠度2.5 外伸梁的反力、剪力、弯矩和挠度3.等截面连续梁的内力及变形表3.1 二跨等跨梁的内力和挠度系数注:1.在均布荷载作用下:M=表中系数×ql2;V=表中系数×ql;。
2.在集中荷载作用下:M=表中系数×Fl;V=表中系数×F;。
[例1] 已知二跨等跨梁l=5m,均布荷载q=11.76kN/m,每跨各有一集中荷载F=29.4kN,求中间支座的最大弯矩和剪力。
[解] MB支=(-0.125×11.76×52)+(-0.188×29.4×5)=(-36.75)+(-27.64)=-64.39kN·mVB左=(-0.625×11.76×5)+(-0.688×29.4)=(-36.75)+(-20.23)=-56.98kN[例2] 已知三跨等跨梁l=6m,均布荷载q=11.76kN/m,求边跨最大跨中弯矩。
[解] M1=0.080×11.76×62=33.87kN·m。
3.2 三跨等跨梁的内力和挠度系数注:1.在均布荷载作用下:M=表中系数×ql2;V=表中系数×ql;。
结构力学公式大全1、常用截面几何与力学特征表注:1.I称为截面对主轴(形心轴)的截面惯性矩(mm4)。
基本计算公式如下:2.W称为截面抵抗矩(mm3),它表示截面抵抗弯曲变形能力的大小,基本计算公式如下:3.i称截面回转半径(mm),其基本计算公式如下:4.上列各式中,A为截面面积(mm2),y为截面边缘到主轴(形心轴)的距离(mm),I为对主轴(形心轴)的惯性矩。
5.上列各项几何及力学特征,主要用于验算构件截面的承载力和刚度。
2、单跨梁的内力及变形表2.1 简支梁的反力、剪力、弯矩、挠度2.2 悬臂梁的反力、剪力、弯矩和挠度2.3 一端简支另一端固定梁的反力、剪力、弯矩和挠度2.4 两端固定梁的反力、剪力、弯矩和挠度2.5 外伸梁的反力、剪力、弯矩和挠度3.等截面连续梁的内力及变形表3.1 二跨等跨梁的内力和挠度系数注:1.在均布荷载作用下:M=表中系数×ql2;V=表中系数×ql;。
2.在集中荷载作用下:M=表中系数×Fl;V=表中系数×F;。
[例1] 已知二跨等跨梁l=5m,均布荷载q=11.76kN/m,每跨各有一集中荷载F=29.4kN,求中间支座的最大弯矩和剪力。
[解] MB支=(-0.125×11.76×52)+(-0.188×29.4×5)=(-36.75)+(-27.64)=-64.39kN·mVB左=(-0.625×11.76×5)+(-0.688×29.4)=(-36.75)+(-20.23)=-56.98kN[例2] 已知三跨等跨梁l=6m,均布荷载q=11.76kN/m,求边跨最大跨中弯矩。
[解] M1=0.080×11.76×62=33.87kN·m。
3.2 三跨等跨梁的内力和挠度系数注:1.在均布荷载作用下:M=表中系数×ql2;V=表中系数×ql;。
史上最全的常用截面几何特性计算公式构件截面的几何性质,如静力矩、形心、轴向惯性矩、极惯性矩、惯性积和主惯性轴位置等,对构件的承载能力有影响,常用于分析构件的弯曲、扭转和剪切。
1.静态力矩:也称为面积力矩或静态表面力矩。
截面对轴线的静力矩等于每个微区的积分乘以整个截面上微区到轴线的距离。
静力矩可以是正的,也可以是负的。
它的维数是长度的三次方。
静力矩的力学意义是:如果有均布载荷作用在截面上,其值表示为单位面积的量,则该载荷在某一轴上的合成力矩等于分布载荷乘以该轴的静力矩。
2、形心:又称面积中心或面积重心,是截面上具有如下性质的点:截面对通过此点任一个轴的静矩等于零。
如果将截面看成一均质等厚板,则截面的形心就是板面的重心。
形心坐标xo、yo的计算公式为:3、惯性矩:反映截面抗弯特性的一个量,简称惯性矩。
截面对某个轴的轴惯性矩等于截面上各微面积乘微面积到轴的距离的平方在整个截面上的积分。
下图所示的面积为A的截面对x、y轴的轴惯性矩分别为:转动惯量总是正的,量纲是长度的四次方。
构件的抗弯能力与轴的惯性矩成正比。
一些典型截面的轴惯性矩可在专业手册中找到。
例如,平行四边形对中心线的惯性矩为4、极惯性矩:反映截面抗扭特性的一个量。
截面对某个点的极惯性矩等于截面上各微面积乘微面积到该点距离的平方在整个截面上的积分。
下图所示面积为A的截面对某点O的极惯性矩为:极惯性矩永远是正的,量纲是长度的四次方。
构件的抗扭能力与惯性矩成正比。
圆形截面相对于其中心的惯性矩为5、惯性积:截面对于两个正交坐标轴的惯性积等于截面上各个微面积乘微面积到两个坐标轴的距离在整个截面上的积分。
面积为A的截面对两个正交坐标轴x、y的惯性积为:惯性积的量纲是长度的四次方。
截面位于坐标系的一、三象限,Ixy为正,位于二、四象限则为负。
6.主惯性轴:使截面惯性积为零的一对正交坐标轴称为截面主惯性轴,简称主轴。
截面对主惯性轴的惯性矩称为主惯性矩。
若两条主惯性轴的交点为质心,则这两条轴称为质心主惯性轴(或称主质心惯性轴)。
结构力学公式年夜全之马矢奏春创作1、经常使用截面几何与力学特征表注:1.I称为截面对主轴(形心轴)的截面惯性矩(mm4).基本计算公式如下:2.W称为截面抵当矩(mm3),它暗示截面抵当弯曲变形能力的年夜小,基本计算公式如下:3.i称截面回转半径(mm),其基本计算公式如下:4.上列各式中,A为截面面积(mm2),y为截面边缘到主轴(形心轴)的距离(mm),I为对主轴(形心轴)的惯性矩.5.上列各项几何及力学特征,主要用于验算构件截面的承载力和刚度.2、单跨梁的内力及变形表2.1 简支梁的反力、剪力、弯矩、挠度2.2 悬臂梁的反力、剪力、弯矩和挠度2.3 一端简支另一端固定梁的反力、剪力、弯矩和挠度2.4 两端固定梁的反力、剪力、弯矩和挠度2.5 外伸梁的反力、剪力、弯矩和挠度3.等截面连续梁的内力及变形表3.1 二跨等跨梁的内力和挠度系数注:1.在均布荷载作用下:M=表中系数×ql2;V=表中系数×ql;.2.在集中荷载作用下:M=表中系数×Fl;V=表中系数×F;.[例1] 已知二跨等跨梁l=5m,均布荷载q=11.76kN/m,每跨各有一集中荷载F=29.4kN,求中间支座的最年夜弯矩和剪力. [解] MB支=(-0.125×11.76×52)+(-0.188×29.4×5)=(-36.75)+(-27.64)=-64.39kN·mVB左=(-0.625×11.76×5)+(-0.688×29.4)=(-36.75)+(-20.23)=-56.98kN[例2] 已知三跨等跨梁l=6m,均布荷载q=11.76kN/m,求边跨最年夜跨中弯矩.[解] M1=0.080×11.76×62=33.87kN·m.3.2 三跨等跨梁的内力和挠度系数注:1.在均布荷载作用下:M=表中系数×ql2;V=表中系数×ql;. 2.在集中荷载作用下:M=表中系数×Fl;V=表中系数×F;. 3.3 四跨等跨连续梁内力和挠度系数注:同三跨等跨连续梁.3.4 五跨等跨连续梁内力和挠度系数注:同三跨等跨连续梁.3.5 二不等跨梁的内力系数注:1.M=表中系数×ql21;V=表中系数×ql1;2.(Mmax)、(Vmax)暗示它为相应跨内的最年夜内力.3.6 三不等跨梁内力系数注:1.M=表中系数×ql21;V=表中系数×ql1;2.(Mmax)、(Vmax)为荷载在最晦气安插时的最年夜内力. 4.双向板在均布荷载作用下的内力及变形系数表符号说明如下:刚度式中E——弹性模量;h——板厚;ν——泊松比;ω、ωmax——分别为板中心点的挠度和最年夜挠度;Mx——为平行于lx方向板中心点的弯矩;My——为平行于ly方向板中心点的弯矩;Mx0——固定边中点沿lx方向的弯矩;My0——固定边中点沿ly方向的弯矩.正负号的规定:弯矩——使板的受荷面受压者为正;挠度——变位方向与荷载方向相同者为正.4.1 四边简支4.2 三边简支,一边固定4.3 两边简支,两边固定4.4 一边简支,三边固定4.4 四边固定4.5 两边简支,两边固定5.拱的内力计算表5.1各种荷载作用下双铰抛物线拱计算公式注:表中的K为轴向力变形影响的修正系数.(1)无拉杆双铰拱1)在竖向荷载作用下的轴向力变形修正系数式中Ic——拱顶截面惯性矩;Ac——拱顶截面面积;A——拱上任意点截面面积.当为矩形等宽度实腹式变截面拱时,公式I=Ic/cosθ所代表的截面惯性矩变动规律相当于下列的截面面积变动公式:此时,上式中的n可表告竣如下形式:下表中列出了矩形等宽度实腹式变截面拱的n值.2)在水平荷载作用下的轴向力变形修正系数,近似取K=1(2)带拉杆双铰拱1)在竖向荷载作用下的轴向力变形修正系数式中E——拱圈资料的弹性模量;E1——拉杆资料的弹性模量;A1——拉杆的截面积.2)在水平荷载作用下的轴向力变形修正系数(略去拱圈轴向力变形影响)式中f——为矢高;l——为拱的跨度.6.刚架内力计算表内力的正负号规定如下:V——向上者为正;H——向内者为正;M——刚架中虚线的一面受拉为正.6.1 “┌┐”形刚架内力计算表(一)6.2“┌┐”形刚架内力计算表(二)6.3“”形刚架的内力计算表。
常用截面几何性质计算公式JX截面几何性质是指用于描述截面形状和尺寸的参数。
在工程学和材料科学中,了解截面几何性质对于设计和分析结构是非常重要的。
下面介绍一些常用的截面几何性质计算公式。
1. 惯性矩(Moment of Inertia):惯性矩是描述截面抗弯刚度的参数,通常用I表示。
常见的几何形状的惯性矩公式如下:矩形截面:I=(b*h^3)/12,其中b为截面宽度,h为截面高度。
圆形截面:I=π*d^4/64,其中d为截面直径。
方形截面:I=d^4/12,其中d为截面边长。
等边三角形截面:I=(b^4*√3)/36,其中b为截面边长。
2. 面积(Area):面积是描述截面尺寸大小的参数,通常用A表示。
常见的几何形状的面积公式如下:矩形截面:A=b*h,其中b为截面宽度,h为截面高度。
圆形截面:A=π*(d/2)^2,其中d为截面直径。
方形截面:A=d^2,其中d为截面边长。
等边三角形截面:A=(b^2*√3)/4,其中b为截面边长。
3. 弯曲半径(Radius of Gyration):弯曲半径是描述截面形状分布关于中性轴的离散程度的参数,通常用r表示。
它是惯性矩与截面面积的比值的平方根。
常见的几何形状的弯曲半径公式如下:矩形截面:r=√(I/A)圆形截面:r=d/2,其中d为截面直径。
方形截面:r=d/√12,其中d为截面边长。
等边三角形截面:r=b/√12,其中b为截面边长。
4. 抗剪面积(Shear Area):抗剪面积是描述截面在剪切载荷下的性能的参数,通常用As表示。
常见的几何形状的抗剪面积公式如下:矩形截面:As=b*h,其中b为截面宽度,h为截面高度。
圆形截面:As=π*(d/2)^2,其中d为截面直径。
方形截面:As=d^2,其中d为截面边长。
等边三角形截面:As=(b^2*√3)/4,其中b为截面边长。
以上是一些常用的截面几何性质计算公式,这些公式在结构设计和分析中有广泛的应用,帮助工程师计算结构的受力性能和刚度。
常用几何截面与结构力学常用公式表| 2| 3注:1.I称为截面对主轴(形心轴)的截面惯性矩(mm4)。
基本计算公式如下:2.W称为截面抵抗矩(mm3),它表示截面抵抗弯曲变形能力的大小,基本计算公式如下:3.i称截面回转半径(mm),其基本计算公式如下:4.上列各式中,A为截面面积(mm2),y为截面边缘到主轴(形心轴)的距离(mm),I为对主轴(形心轴)的惯性矩。
5.上列各项几何及力学特征,主要用于验算构件截面的承载力和刚度。
单跨梁的内力及变形表(1)简支梁的反力、剪力、弯矩、挠度(2)悬臂梁的反力、剪力、弯矩和挠度(3)一端简支另一端固定梁的反力、剪力、弯矩和挠度(4)两端固定梁的反力、剪力、弯矩和挠度(5)外伸梁的反力、剪力、弯矩和挠度等截面连续梁的内力及变形表二跨等跨梁的内力和挠度系数注:1.在均布荷载作用下:M=表中系数×ql2;V=表中系数×ql;w =表中系数×ql4/(100EI)。
2.在集中荷载作用下:M=表中系数×Fl;V=表中系数×F;w =表中系数×Fl3/(100EI)。
[例1] 已知二跨等跨梁l=5m,均布荷载q=11.76kN/m,每跨各有一集中荷载F=29.4kN,求中间支座的最大弯矩和剪力。
[解] M B支=(-0.125×11.76×52)+(-0.188×29.4×5)=(-36.75)+(-27.64)=-64.39kN·mV B左=(-0.625×11.76×5)+(-0.688×29.4)=(-36.75)+(-20.23)=-56.98kN[例2] 已知三跨等跨梁l=6m,均布荷载q=11.76kN/m,求边跨最大跨中弯矩。
[解] M1=0.080×11.76×62=33.87kN·m。
结构力学公式年夜全1、经常使用截面几何与力学特征表注•丨称为截面对主轴(形心轴)的截面惯性矩(mm4)o 基本计算公式如下:2.W称为截面抵当矩(mm3),它暗示截面抵当弯曲变形能力的年夜小,基本计算公式如下:3. i称截面回转半径(mm),其基本计算公式如下:4•上列各式中,A为截面面积(mm2) , y为截面边沿到主轴(形心轴)的距离(mm) , I为对主轴(形心轴)的惯性矩。
5•上列各项几何及力学特征,主要用于验算构件截面的承载力和刚度。
2、单跨梁的内力及变形表2.1简支梁的反力、剪力、弯矩、挠度2.2悬臂梁的反力、剪力、弯矩和挠度2.3 —端简支另一端固定梁的反力、剪力、弯矩和挠度2.4两端固定梁的反力、剪力、弯矩和挠度2.5外伸梁的反力、剪力、弯矩和挠度3•等截面连续梁的内力及变形表3.1二跨等跨梁的内力和挠度系数注:1 •在均布荷载作用下:M二表中系数xql2 ; V二表中系数xql ; o2 .在集中荷载作用下:M二表中系数xFI ;V二表中系数xF;。
[例]]已知二跨等跨梁l = 5m,均布荷载q = 11.76kN/m, 每跨各有一集中荷载F = 29.4kN,求中间支座的最年夜弯矩和剪力。
[解]MB 支二(-0.125x11.76x52) + (-0.188x29.4x5) 二(-36.75) + (27.64)二-64.39kN mVB 左二(-0.625x11.76x5) + (-0.688x29.4)二(-36.75) + (-20.23)二-56.98kN[例2]已知三跨等跨梁l = 6m,均布荷载q = 11.76kN/m, 求边跨最年夜跨中弯矩。
[解]Ml 二0.080x11.76x62 二33.87kN m o3.2三跨等跨梁的内力和挠度系数注:1 •在均布荷载作用下:M二表中系数xql2 ; V二表中系数xql ; o2 •在集中荷载作用下:M二表中系数xFI ;V二表中系数xF ;o 3.3四跨等跨连续梁内力和挠度系数注:同三跨等跨连续梁。
常用截面几何与结构力学表
| 1
| 2
| 3
| 4
| 5
| 6
| 7
注:1.I称为截面对主轴(形心轴)的截面惯性矩(mm4)。
基本计算公式如下:
2.W称为截面抵抗矩(mm3),它表示截面抵抗弯曲变形能力的大小,基本计算公式如下:
3.i称截面回转半径(mm),其基本计算公式如下:
4.上列各式中,A为截面面积(mm2),y为截面边缘到主轴(形心轴)的距离(mm),I为对主轴(形心轴)的惯性矩。
5.上列各项几何及力学特征,主要用于验算构件截面的承载力和刚度。
单跨梁的内力及变形表(1)简支梁的反力、剪力、弯矩、挠度
| 8
| 9
| 10 (2)悬臂梁的反力、剪力、弯矩和挠度
| 11
| 12 (3)一端简支另一端固定梁的反力、剪力、弯矩和挠度
| 13
| 14 (4)两端固定梁的反力、剪力、弯矩和挠度
| 15
| 16 (5)外伸梁的反力、剪力、弯矩和挠度
| 17
| 18
| 19
等截面连续梁的内力及变形表二跨等跨梁的内力和挠度系数
| 20 注:1.在均布荷载作用下:M=表中系数×ql2;V=表中系数×ql;w =表中系数×ql4/(100EI)。
2.在集中荷载作用下:M=表中系数×Fl;V=表中系数×F;w =表中系数×Fl3/(100EI)。
[例1] 已知二跨等跨梁l=5m,均布荷载q=11.76kN/m,每跨各有一集中荷载F=29.4kN,求中间支座的最
大弯矩和剪力。
[解] M B支=(-0.125×11.76×52)+(-0.188×29.4×5)
=(-36.75)+(-27.64)=-64.39kN·m
V B左=(-0.625×11.76×5)+(-0.688×29.4)
=(-36.75)+(-20.23)=-56.98kN
[例2] 已知三跨等跨梁l=6m,均布荷载q=11.76kN/m,求边跨最大跨中弯矩。
[解] M1=0.080×11.76×62=33.87kN·m。
不等跨连续梁的内力系数1)二不等跨梁的内力系数
| 21 注:1.M=表中系数×ql21;V=表中系数×ql1;
2.(M max)、(V max)表示它为相应跨内的最大内力。
2)三不等跨梁内力系数
| 22 注:1.M=表中系数×ql21;V=表中系数×ql1;
2.(M max)、(V max)为荷载在最不利布置时的最大内力。
“┌┐”形刚架内力计算表(一)
| 23
| 24
“┌┐”形刚架内力计算表(二)
| 25
| 26
“”形刚架的内力计算表
| 27
| 28
| 29。