最新结构力学复习公式
- 格式:doc
- 大小:57.50 KB
- 文档页数:8
结构力学常用公式
1.应力公式:σ=F/A,其中 F 为作用力,A 为作用面积,σ为应力。
2. 应变公式:ε = ΔL/L0,其中ΔL 为变形量,L0 为原始长度,ε为应变。
3. 弹性模量公式:E = σ/ε,其中 E 为弹性模量。
4. 餘弦定理:c = a + b - 2abcosC,其中 a,b 为两边的长度,
C 为两边之间的夹角,c 为斜边的长度。
5. 正弦定理:a/sinA = b/sinB = c/sinC,其中 a,b,c 为三角形三条边的长度,A,B,C 为三角形对应的内角。
6. 面积公式:A = 1/2bh,其中 b 为底边的长度,h 为高度。
7. 矩形截面抵消矩阵算式:I = bh/12,其中 I 为矩形截面的抵消矩阵,b 为宽度,h 为高度。
8. 圆形截面抵消矩阵算式:I = πr/4,其中 I 为圆形截面的抵消矩阵,r 为半径。
9. 计算杆件最大承受力公式:Fmax = σmaxA,其中 Fmax 为杆件最大承受力,σmax 为材料的最大允许应力,A 为杆件横截面积。
10. 悬索线的张力公式:T = (Wl)/(8d),其中 T 为悬索线的张力,W 为悬挂物的重量,l 为悬挂物的长度,d 为悬索线的跨度。
- 1 -。
《结构力学2》公式小汇第9章矩阵位移法
1、单元转换矩阵
2、局部坐标系下单元刚度方程
3、整体坐标下单元刚度方程公式
4、等效节点荷载公式
5、单元杆端力计算公式
第16章结构的极限荷载
1、屈服弯矩、极限弯矩
2、上限定理(极小定理)、下限定理(极大定理)
第10章结构的动力计算
单自由度体系
1、无阻尼简谐荷载作用下过渡阶段位移
2、无阻尼强迫振动杜哈梅积分位移
3、短时突加荷载(F P(t)=F P0 (0≤t≤u))作用下位移、动力系数t≤u时,
t>u时,
4、有阻尼自由振动位移及阻尼比计算公式
ξ<1,
ξ=1,
5、有阻尼强迫振动杜哈梅积分位移
6、有阻尼简谐荷载作用下平稳阶段位移
多自由度体系
7、双层刚架刚度矩阵[K]
8、刚度法运动方程、频率方程
9、刚度法的第一、二频率解
10、刚度法第一、二主振型
11、柔度法的第一、二频率解
12、柔度法第一、二主振型
13、柔度法运动方程、频率方程
14、主振型第一、二正交关系
15、正则坐标运动方程
其中,16、强迫振动的主振型叠加法正则坐标计算公式
17、能量法求第一频率(瑞利法)公式。
二级建造师建筑工程考试重要公式复习在二级建造师的考试中,掌握和熟练运用各种重要公式是非常重要的。
这些公式在建设工程中起着关键的作用,能够帮助工程师解决实际问题,确保建筑工程的质量和安全。
本文将介绍一些在二级建造师建筑工程考试中常见的重要公式,帮助考生进行复习。
一、土木工程测量公式1. 斜距公式:斜距 = 平距/余弦α其中,平距指两点之间的水平距离,α为斜线与水平线之间的夹角。
2. 高差公式:高差 = 斜距 ×正弦α其中,α为斜线与水平线之间的夹角。
3. 边角求边长公式:b² = a² + c² - 2ac × cosB其中,a、b、c为三角形的边长,B为两边所夹角的角度。
二、结构力学公式1. 弯矩公式:M = F × d其中,M为弯矩,F为作用力,d为力臂的长度。
2. 重力公式:F = mg其中,F为重力,m为物体的质量,g为重力加速度。
3. 悬臂梁最大弯矩公式:Mmax = W × L² / 8其中,Mmax为悬臂梁的最大弯矩,W为均布荷载,L为悬臂梁的长度。
三、钢筋混凝土结构设计公式1. 刚度折减系数公式:ε = (d - x) / ε₀其中,ε为刚度折减系数,d为钢筋混凝土截面的有效深度,x为受压区高度离截面底边的距离,ε₀为钢筋混凝土的弹性模量。
2. 钢筋混凝土截面抗弯承载力公式:M = As × fyd × (d - x) + A' × fcd × a × (d - x')²其中,M为截面抗弯矩,As为受拉钢筋的面积,fyd为受拉钢筋的抗拉强度,d为截面的有效深度,x为受压区高度离截面底边的距离,A'为受压区域的面积,fcd为混凝土的抗压强度,a为受压区域内应力分布的高度系数,x'为受压纵筋合力点至截面底边的距离。
四、建筑经济学公式1. 单位面积造价公式:C = T / A其中,C为单位面积造价,T为总造价,A为建筑面积。
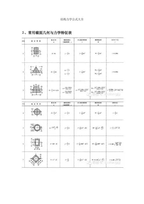
结构力学公式大全之蔡仲巾千创作1、经常使用截面几何与力学特征表注:1.I称为截面对主轴(形心轴)的截面惯性矩(mm4)。
基本计算公式如下:2.W称为截面抵抗矩(mm3),它暗示截面抵抗弯曲变形能力的大小,基本计算公式如下:3.i称截面回转半径(mm),其基本计算公式如下:4.上列各式中,A为截面面积(mm2),y为截面边沿到主轴(形心轴)的距离(mm),I为对主轴(形心轴)的惯性矩。
5.上列各项几何及力学特征,主要用于验算构件截面的承载力和刚度。
2、单跨梁的内力及变形表2.1 简支梁的反力、剪力、弯矩、挠度2.2 悬臂梁的反力、剪力、弯矩和挠度2.3 一端简支另一端固定梁的反力、剪力、弯矩和挠度2.4 两端固定梁的反力、剪力、弯矩和挠度2.5 外伸梁的反力、剪力、弯矩和挠度3.等截面连续梁的内力及变形表3.1 二跨等跨梁的内力和挠度系数注:1.在均布荷载作用下:M=表中系数×ql2;V=表中系数×ql;。
2.在集中荷载作用下:M=表中系数×Fl;V=表中系数×F;。
[例1] 已知二跨等跨梁l=5m,均布荷载q=11.76kN/m,每跨各有一集中荷载F=29.4kN,求中间支座的最大弯矩和剪力。
[解] MB支=(-0.125×11.76×52)+(-0.188×29.4×5)=(-36.75)+(-27.64)=-64.39kN·mVB左=(-0.625×11.76×5)+(-0.688×29.4)=(-36.75)+(-20.23)=-56.98kN[例2] 已知三跨等跨梁l=6m,均布荷载q=11.76kN/m,求边跨最大跨中弯矩。
[解] M1=0.080×11.76×62=33.87kN·m。
3.2 三跨等跨梁的内力和挠度系数注:1.在均布荷载作用下:M=表中系数×ql2;V=表中系数×ql;。
【最新整理,下载后即可编辑】结构力学公式大全1、常用截面几何与力学特征表注:1.I称为截面对主轴(形心轴)的截面惯性矩(mm4)。
基本计算公式如下:2.W称为截面抵抗矩(mm3),它表示截面抵抗弯曲变形能力的大小,基本计算公式如下:3.i称截面回转半径(mm),其基本计算公式如下:4.上列各式中,A为截面面积(mm2),y为截面边缘到主轴(形心轴)的距离(mm),I为对主轴(形心轴)的惯性矩。
5.上列各项几何及力学特征,主要用于验算构件截面的承载力和刚度。
2、单跨梁的内力及变形表2.1 简支梁的反力、剪力、弯矩、挠度2.2 悬臂梁的反力、剪力、弯矩和挠度2.3 一端简支另一端固定梁的反力、剪力、弯矩和挠度2.4 两端固定梁的反力、剪力、弯矩和挠度2.5 外伸梁的反力、剪力、弯矩和挠度3.等截面连续梁的内力及变形表3.1 二跨等跨梁的内力和挠度系数注:1.在均布荷载作用下:M=表中系数×ql2;V=表中系数×ql;。
2.在集中荷载作用下:M=表中系数×Fl;V=表中系数×F;。
[例1] 已知二跨等跨梁l=5m,均布荷载q=11.76kN/m,每跨各有一集中荷载F=29.4kN,求中间支座的最大弯矩和剪力。
[解] MB支=(-0.125×11.76×52)+(-0.188×29.4×5)=(-36.75)+(-27.64)=-64.39kN·mVB左=(-0.625×11.76×5)+(-0.688×29.4)=(-36.75)+(-20.23)=-56.98kN[例2] 已知三跨等跨梁l=6m,均布荷载q=11.76kN/m,求边跨最大跨中弯矩。
[解] M1=0.080×11.76×62=33.87kN·m。
3.2 三跨等跨梁的内力和挠度系数注:1.在均布荷载作用下:M=表中系数×ql2;V=表中系数×ql;。
结构力学公式大全1、常用截面几何与力学特征表注:1.I称为截面对主轴(形心轴)的截面惯性矩(mm4)。
基本计算公式如下:2.W称为截面抵抗矩(mm3),它表示截面抵抗弯曲变形能力的大小,基本计算公式如下:3.i称截面回转半径(mm),其基本计算公式如下:4.上列各式中,A为截面面积(mm2),y为截面边缘到主轴(形心轴)的距离(mm),I为对主轴(形心轴)的惯性矩。
5.上列各项几何及力学特征,主要用于验算构件截面的承载力和刚度。
2、单跨梁的内力及变形表2.1 简支梁的反力、剪力、弯矩、挠度2.2 悬臂梁的反力、剪力、弯矩和挠度2.3 一端简支另一端固定梁的反力、剪力、弯矩和挠度2.4 两端固定梁的反力、剪力、弯矩和挠度2.5 外伸梁的反力、剪力、弯矩和挠度3.等截面连续梁的内力及变形表3.1 二跨等跨梁的内力和挠度系数注:1.在均布荷载作用下:M=表中系数×ql2;V=表中系数×ql;。
2.在集中荷载作用下:M=表中系数×Fl;V=表中系数×F;。
[例1] 已知二跨等跨梁l=5m,均布荷载q=11.76kN/m,每跨各有一集中荷载F=29.4kN,求中间支座的最大弯矩和剪力。
[解] MB支=(-0.125×11.76×52)+(-0.188×29.4×5)=(-36.75)+(-27.64)=-64.39kN·mVB左=(-0.625×11.76×5)+(-0.688×29.4)=(-36.75)+(-20.23)=-56.98kN[例2] 已知三跨等跨梁l=6m,均布荷载q=11.76kN/m,求边跨最大跨中弯矩。
[解] M1=0.080×11.76×62=33.87kN·m。
3.2 三跨等跨梁的内力和挠度系数注:1.在均布荷载作用下:M=表中系数×ql2;V=表中系数×ql;。
精品文档结构力学公式大全1、常用截面几何与力学特征表.精品文档.精品文档.精品文档)。
基本计算公式如mm4.I称为截面对主轴(形心轴)的截面惯性矩(1注:下:),它表示截面抵抗弯曲变形能力的大小,基本mm3W称为截面抵抗矩(2.计算公式如下:mm),其基本计算公式如下:3.i称截面回转半径(为截面边缘到主轴(形心轴)的距y为截面面积(mm2),.上列各式中,4A I为对主轴(形心轴)的惯性矩。
mm离(),.上列各项几何及力学特征,主要用于验算构件截面的承载力和刚度。
52、单跨梁的内力及变形表简支梁的反力、剪力、弯矩、挠度2.1 .精品文档.精品文档.精品文档2.2 悬臂梁的反力、剪力、弯矩和挠度.精品文档.精品文档2.3 一端简支另一端固定梁的反力、剪力、弯矩和挠度.精品文档.精品文档2.4 两端固定梁的反力、剪力、弯矩和挠度.精品文档.精品文档2.5 外伸梁的反力、剪力、弯矩和挠度.精品文档.精品文档.精品文档.等截面连续梁的内力及变形表3 3.1 二跨等跨梁的内力和挠度系数.精品文档;。
qlql2;V=表中系数×注:1.在均布荷载作用下:M=表中系数×;。
;V =表中系数×F 2.在集中荷载作用下:M=表中系数×Fl,每跨各有一集11.76kN/m,均布荷载q=例1] 已知二跨等跨梁l=5m [ =29.4kN,求中间支座的最大弯矩和剪力。
中荷载F 5))+(-0.188×29.4××解[] MB 支=(-0.125×11.7652m64.39kN·36.75)+(-27.64)=-=(-29.40.688×)0.625 VB左=(-×11.76×5)+(-56.98kN)+(-20.23)=-=(-36.75,求边跨最大跨中11.76kN/m6m,均布荷载q==2] [例已知三跨等跨梁l 弯矩。
十六种结构力学公式十六种结构力学公式是在工程结构领域中广泛应用的力学公式。
结构力学公式是结构工程的基础,是工程师在进行结构工程设计和分析时必须了解和掌握的基本技能。
结构工程是建筑工程中的一个分支,主要关注建筑物或其他结构的设计、分析和建造。
结构工程需要对建筑物或其他结构的结构、力学和物理性质有深入的了解,才能确保建筑物或其他结构的结构安全和稳定。
以下是十六种结构力学公式的详细介绍。
1. 颜氏公式颜氏公式是一种用于计算杆件在受力下的位移的公式,也称为斯特鲁夫定理。
该公式使用杆件的模量、长度、截面积和载荷来计算底部的杆件位移。
2. 韦尔斯公式韦尔斯公式是一种用于计算梁在受力下的最大弯曲应力的公式。
该公式使用梁的长度、截面积、载荷和弹性模量来计算梁上的最大弯曲应力。
3. 安普洛公式安普洛公式是一种用于计算板在受力下的最大弯曲应力的公式,也称为克莱温公式。
该公式使用板的长度、宽度、厚度、载荷和弹性模量来计算板上的最大弯曲应力。
4. 克利通公式克利通公式是一种用于计算光杆在受力下的临界载荷的公式。
该公式使用光杆的长度、截面积和弹性模量来计算光杆的临界载荷。
5. 邓肯公式邓肯公式是一种用于计算杆件在受力下的临界载荷的公式。
该公式使用杆件的长度、截面积、弹性模量和有效长度系数来计算杆件的临界载荷。
6. eul公式欧拉公式是一种用于计算杆件在不同长度、截面积、模量和载荷条件下的临界载荷的公式。
该公式使用杆件的长度、截面积、弹性模量和材料的泊松比来计算杆件的临界载荷。
7. 比客定律比客定律是一种用于计算异性截面梁的转角和剪力的公式,也称为截面定理。
该定律使用梁的截面积和重心位置来计算梁的剪力和转角。
8. 最小势能定理最小势能定理是一种用于计算结构势能最小的方法,也称为虚功原理。
该定理使用结构从起始到结束所消耗的能量,即适用于弹性结构中弹性应力根据微小位移所产生的功。
9. 莫尔定理莫尔定理是一种用于计算板的振动特性的定理。
史上最全的58张结构力学常用公式,你一定用的到!1、常用截面几何与力学特征表注:1.I称为截面对主轴(形心轴)的截面惯性矩(mm4)。
基本计算公式如下:2.W称为截面抵抗矩(mm3),它表示截面抵抗弯曲变形能力的大小,基本计算公式如下:3.i称截面回转半径(mm),其基本计算公式如下:4.上列各式中,A为截面面积(mm2),y为截面边缘到主轴(形心轴)的距离(mm),I为对主轴(形心轴)的惯性矩。
5.上列各项几何及力学特征,主要用于验算构件截面的承载力和刚度。
2、单跨梁的内力及变形表2.1 简支梁的反力、剪力、弯矩、挠度2.2 悬臂梁的反力、剪力、弯矩和挠度2.3 一端简支另一端固定梁的反力、剪力、弯矩和挠度2.4 两端固定梁的反力、剪力、弯矩和挠度2.5 外伸梁的反力、剪力、弯矩和挠度3.等截面连续梁的内力及变形表3.1 二跨等跨梁的内力和挠度系数注:1.在均布荷载作用下:M=表中系数×ql2;V=表中系数×ql;。
2.在集中荷载作用下:M=表中系数×Fl;V=表中系数×F;。
[例1] 已知二跨等跨梁l=5m,均布荷载q=11.76kN/m,每跨各有一集中荷载F=29.4kN,求中间支座的最大弯矩和剪力。
[解] MB支=(-0.125×11.76×52)+(-0.188×29.4×5)=(-36.75)+(-27.64)=-64.39kN·mVB左=(-0.625×11.76×5)+(-0.688×29.4)=(-36.75)+(-20.23)=-56.98kN[例2] 已知三跨等跨梁l=6m,均布荷载q=11.76kN/m,求边跨最大跨中弯矩。
[解] M1=0.080×11.76×62=33.87kN·m。
3.2 三跨等跨梁的内力和挠度系数注:1.在均布荷载作用下:M=表中系数×ql2;V=表中系数×ql;。
力计算目 录1、常用截面几何与力学特征表 (1)2、单跨梁的内力及变形表 (8)2.1 简支梁的反力、剪力、弯矩、挠度 (8)2.2 悬臂梁的反力、剪力、弯矩和挠度 (10)2.3 一端简支另一端固定梁的反力、剪力、弯矩和挠度 (12)2.4 两端固定梁的反力、剪力、弯矩和挠度 (14)2.5 外伸梁的反力、剪力、弯矩和挠度 (16)3.等截面连续梁的内力及变形表 (19)3.1 二跨等跨梁的内力和挠度系数 (19)3.2 三跨等跨梁的内力和挠度系数 (20)3.3 四跨等跨连续梁内力和挠度系数 (23)3.4 五跨等跨连续梁内力和挠度系数 (23)3.5 二不等跨梁的内力系数 (24)3.6 三不等跨梁内力系数 (25)4.双向板在均布荷载作用下的内力及变形系数表 (26)4.1 四边简支 (26)4.2 三边简支,一边固定 (27)4.3 两边简支,两边固定 (27)4.4 一边简支,三边固定 (28)4.4 四边固定 (29)4.5 两边简支,两边固定 (29)5.拱的内力计算表 (30)5.1各种荷载作用下双铰抛物线拱计算公式 (30)6.刚架内力计算表 (35)6.1 “┌┐”形刚架内力计算表(一) (35)6.2“┌┐”形刚架内力计算表(二) (37)6.3“”形刚架的内力计算表 (39)211、常用截面几何与力学特征表回转半径序号756d 截面边缘至主轴的距离42BH3 - 址3 BH-bh 2截面边缘至主轴的距离y序号9108切并+(日2一石)洛北一2Bi ,i + bh+ B2M (Bi — 占)(2H- £i )ziB i i i + M + Bzti3截面边缘至主轴的距离回转半径0.289BH ,- (B -石)小况3十(B —bh + (B - b )tBH3- (B — 占)/?4A 截面边缘至主轴的距离y 回转半径序号 截面简图截面积对主轴的惯性矩截面抵抗矩WA = 6H+(B —6)£yi = H-y 2_ A)2 _ 2阳2+(B-3*2bH+(B~b)t1X 6)•Vl ;x = 0.289J H 2+ Hh + h 2®=0.28965截面边缘至主轴的距离回转半径序号1819173w —y 963 + d )x (3兀』4 + 32醐3 +12 愚 2/+16沥 3)1-0.59*____bh 1-0.785 g bh「0.59 探....... bh1 -0.785 马bn 24(湖-am )如 3 _ b [Q 「 24( ab - “1如)67注:1.I 称为截面对主轴(形心轴)的截面惯性矩(mm 4)。
1. 位移法:⎩⎨⎧=+∆+∆=+∆+∆0021221211212111P P F k k F k k 2. 力矩分配法:分配系数∑=AAjAi S S μ(S 为转动刚度),∑=1μ3. 矩阵位移法(后处理法):(1)桁架:[]⎥⎥⎥⎥⎥⎦⎤⎢⎢⎢⎢⎢⎣⎡--------=αααααααααααααααααααααααα22222222)(sin cos sin sin cos sin cos sin cos cos sin cos sin cos sin sin cos sin cos sin cos cos sin cos l EA k e[]{}{}F k =∆, 其中{}()T 4321,,,∆∆∆∆=∆(2)连续梁:[]⎥⎥⎥⎥⎥⎥⎥⎥⎦⎤⎢⎢⎢⎢⎢⎢⎢⎢⎣⎡+++=--n nn nn n i i i i i i i i i i i i i i i i K 420244200000000244200002442000024113322221111(n 为跨数),[]⎥⎥⎥⎥⎦⎤⎢⎢⎢⎢⎣⎡=⎥⎥⎥⎥⎦⎤⎢⎢⎢⎢⎣⎡++121121n n M M M K θθθ 4. 自振:(1)自振周期:gg W m k m T st ∆====πδπδππ2222 ,stgW gm m k ∆====δδω1(其中,T 为自振周期;ω为自振频率;δ为柔度系数;k 为刚度系数;W 为自重;st ∆=δW)注:k =产生单位位移所需施加的力;δ=单位力作用下产生的位移(2)柔度法:()()()⎥⎦⎤⎢⎣⎡--+±+=2121122211222211122211121421m m m m m m δδδδδδδδλ,111λω=,221λω=(21ωω≤),(3)刚度法:()⎥⎥⎦⎤⎢⎢⎣⎡--⎪⎪⎭⎫ ⎝⎛+±⎪⎪⎭⎫ ⎝⎛+=212112*********112221112421m m k k k k m k m k m k m k ω, (3)主振型:12122222111212211m m m m Y Y δωδωδδ-=--=(4)最大位移:()[]22max 11ωθ-=sty t yδF y st =(简谐荷载()t F tP θsin =)载常数:(1)两端固定,中间加集中荷载P ,2,2,8,8P Q P Q Pl M Pl M B A B A-=+=+=-= (2)两端固定,中间加均布荷载q ,2,2,12112122ql Q ql Q ql M ql M B A B A -=+=+=-=, (3)A 端(左端)固定,右端铰支,中间加集中荷载P ,P Q P Q M Pl M B A B A 165,1611,0,163-=+==-= (4)A 端(左端)固定,右端铰支,加均布荷载q ,ql Q ql Q M ql M B A B A 83,85,0,812-=+==-=。
结构力学公式大全之杨若古兰创作1、经常使用截面几何与力学特征表注:1.I称为截面对主轴(形心轴)的截面惯性矩(mm4).基本计算公式如下:2.W称为截面抵抗矩(mm3),它暗示截面抵抗曲折变形能力的大小,基本计算公式如下:3.i称截面回转半径(mm),其基本计算公式如下:4.上列各式中,A为截面面积(mm2),y为截面边沿到主轴(形心轴)的距离(mm),I为对主轴(形心轴)的惯性矩.5.上列各项几何及力学特征,次要用于验算构件截面的承载力和刚度.2、单跨梁的内力及变形表2.1 简支梁的反力、剪力、弯矩、挠度2.2 悬臂梁的反力、剪力、弯矩和挠度2.3 一端简支另一端固定梁的反力、剪力、弯矩和挠度2.4 两端固定梁的反力、剪力、弯矩和挠度2.5 外伸梁的反力、剪力、弯矩和挠度3.等截面连续梁的内力及变形表3.1 二跨等跨梁的内力和挠度系数注:1.在均布荷载感化下:M=表中系数×ql2;V=表中系数×ql;.2.在集中荷载感化下:M=表中系数×Fl;V=表中系数×F;.[例1] 已知二跨等跨梁l=5m,均布荷载q=11.76kN/m,每跨各有一集中荷载F=29.4kN,求两头支座的最大弯矩和剪力. [解] MB支=(-0.125×11.76×52)+(-0.188×29.4×5)=(-36.75)+(-27.64)=-64.39kN·mVB左=(-0.625×11.76×5)+(-0.688×29.4)[例2] 已知三跨等跨梁l=6m,均布荷载q=11.76kN/m,求边跨最大跨中弯矩.[解] M1=0.080×11.76×62=33.87kN·m.3.2 三跨等跨梁的内力和挠度系数注:1.在均布荷载感化下:M=表中系数×q l2;V=表中系数×ql;. 2.在集中荷载感化下:M=表中系数×Fl;V=表中系数×F;.3.3 四跨等跨连续梁内力和挠度系数注:同三跨等跨连续梁.3.4 五跨等跨连续梁内力和挠度系数注:同三跨等跨连续梁.3.5 二不等跨梁的内力系数注:1.M=表中系数×ql21;V=表中系数×ql1;2.(Mmax)、(Vmax)暗示它为响应跨内的最大内力.3.6 三不等跨梁内力系数注:1.M=表中系数×ql21;V=表中系数×ql1;2.(Mmax)、(Vmax)为荷载在最晦气安插时的最大内力. 4.双向板在均布荷载感化下的内力及变形系数表符号说明如下:刚度式中 E——弹性模量;h——板厚;ν——泊松比;ω、ωmax——分别为板中间点的挠度和最大挠度;Mx——为平行于lx方向板中间点的弯矩;My——为平行于ly方向板中间点的弯矩;Mx0——固定边中点沿lx方向的弯矩;My0——固定边中点沿ly方向的弯矩.正负号的规定:弯矩——使板的受荷面受压者为正;挠度——变位方向与荷载方向不异者为正.4.1 四边简支4.2 三边简支,一边固定4.3 两边简支,两边固定4.4 一边简支,三边固定4.4 四边固定4.5 两边简支,两边固定5.拱的内力计算表注:表中的K为轴向力变形影响的批改系数.(1)无拉杆双铰拱1)在竖向荷载感化下的轴向力变形批改系数式中 Ic——拱顶截面惯性矩;Ac——拱顶截面面积;A——拱上任意点截面面积.当为矩形等宽度实腹式变截面拱时,公式I=Ic/cosθ所代表的截面惯性矩变更规律相当于以下的截面面积变更公式:此时,上式中的n可表达成如下方式:下表中列出了矩形等宽度实腹式变截面拱的n值.2)在水平荷载感化下的轴向力变形批改系数,近似取K=1(2)带拉杆双铰拱1)在竖向荷载感化下的轴向力变形批改系数式中 E——拱圈材料的弹性模量;E1——拉杆材料的弹性模量;A1——拉杆的截面积.2)在水平荷载感化下的轴向力变形批改系数(略去拱圈轴向力变形影响)式中 f——为矢高;l——为拱的跨度.6.刚架内力计算表内力的正负号规定如下:V——向上者为正;H——向内者为正;M——刚架中虚线的一面受拉为正. 6.1 “┌┐”形刚架内力计算表(一)6.2“┌┐”形刚架内力计算表(二)6.3“”形刚架的内力计算表。
结构力学公式年夜全之马矢奏春创作1、经常使用截面几何与力学特征表注:1.I称为截面对主轴(形心轴)的截面惯性矩(mm4).基本计算公式如下:2.W称为截面抵当矩(mm3),它暗示截面抵当弯曲变形能力的年夜小,基本计算公式如下:3.i称截面回转半径(mm),其基本计算公式如下:4.上列各式中,A为截面面积(mm2),y为截面边缘到主轴(形心轴)的距离(mm),I为对主轴(形心轴)的惯性矩.5.上列各项几何及力学特征,主要用于验算构件截面的承载力和刚度.2、单跨梁的内力及变形表2.1 简支梁的反力、剪力、弯矩、挠度2.2 悬臂梁的反力、剪力、弯矩和挠度2.3 一端简支另一端固定梁的反力、剪力、弯矩和挠度2.4 两端固定梁的反力、剪力、弯矩和挠度2.5 外伸梁的反力、剪力、弯矩和挠度3.等截面连续梁的内力及变形表3.1 二跨等跨梁的内力和挠度系数注:1.在均布荷载作用下:M=表中系数×ql2;V=表中系数×ql;.2.在集中荷载作用下:M=表中系数×Fl;V=表中系数×F;.[例1] 已知二跨等跨梁l=5m,均布荷载q=11.76kN/m,每跨各有一集中荷载F=29.4kN,求中间支座的最年夜弯矩和剪力. [解] MB支=(-0.125×11.76×52)+(-0.188×29.4×5)=(-36.75)+(-27.64)=-64.39kN·mVB左=(-0.625×11.76×5)+(-0.688×29.4)=(-36.75)+(-20.23)=-56.98kN[例2] 已知三跨等跨梁l=6m,均布荷载q=11.76kN/m,求边跨最年夜跨中弯矩.[解] M1=0.080×11.76×62=33.87kN·m.3.2 三跨等跨梁的内力和挠度系数注:1.在均布荷载作用下:M=表中系数×ql2;V=表中系数×ql;. 2.在集中荷载作用下:M=表中系数×Fl;V=表中系数×F;. 3.3 四跨等跨连续梁内力和挠度系数注:同三跨等跨连续梁.3.4 五跨等跨连续梁内力和挠度系数注:同三跨等跨连续梁.3.5 二不等跨梁的内力系数注:1.M=表中系数×ql21;V=表中系数×ql1;2.(Mmax)、(Vmax)暗示它为相应跨内的最年夜内力.3.6 三不等跨梁内力系数注:1.M=表中系数×ql21;V=表中系数×ql1;2.(Mmax)、(Vmax)为荷载在最晦气安插时的最年夜内力. 4.双向板在均布荷载作用下的内力及变形系数表符号说明如下:刚度式中E——弹性模量;h——板厚;ν——泊松比;ω、ωmax——分别为板中心点的挠度和最年夜挠度;Mx——为平行于lx方向板中心点的弯矩;My——为平行于ly方向板中心点的弯矩;Mx0——固定边中点沿lx方向的弯矩;My0——固定边中点沿ly方向的弯矩.正负号的规定:弯矩——使板的受荷面受压者为正;挠度——变位方向与荷载方向相同者为正.4.1 四边简支4.2 三边简支,一边固定4.3 两边简支,两边固定4.4 一边简支,三边固定4.4 四边固定4.5 两边简支,两边固定5.拱的内力计算表5.1各种荷载作用下双铰抛物线拱计算公式注:表中的K为轴向力变形影响的修正系数.(1)无拉杆双铰拱1)在竖向荷载作用下的轴向力变形修正系数式中Ic——拱顶截面惯性矩;Ac——拱顶截面面积;A——拱上任意点截面面积.当为矩形等宽度实腹式变截面拱时,公式I=Ic/cosθ所代表的截面惯性矩变动规律相当于下列的截面面积变动公式:此时,上式中的n可表告竣如下形式:下表中列出了矩形等宽度实腹式变截面拱的n值.2)在水平荷载作用下的轴向力变形修正系数,近似取K=1(2)带拉杆双铰拱1)在竖向荷载作用下的轴向力变形修正系数式中E——拱圈资料的弹性模量;E1——拉杆资料的弹性模量;A1——拉杆的截面积.2)在水平荷载作用下的轴向力变形修正系数(略去拱圈轴向力变形影响)式中f——为矢高;l——为拱的跨度.6.刚架内力计算表内力的正负号规定如下:V——向上者为正;H——向内者为正;M——刚架中虚线的一面受拉为正.6.1 “┌┐”形刚架内力计算表(一)6.2“┌┐”形刚架内力计算表(二)6.3“”形刚架的内力计算表。
结构力学公式年夜全1、经常使用截面几何与力学特征表注:1.I称为截面对主轴(形心轴)的截面惯性矩(mm4)。
基本计算公式如下:2.W称为截面抵当矩(mm3),它暗示截面抵当弯曲变形能力的年夜小,基本计算公式如下:3.i称截面回转半径(mm),其基本计算公式如下:4.上列各式中,A为截面面积(mm2),y为截面边沿到主轴(形心轴)的距离(mm),I为对主轴(形心轴)的惯性矩。
5.上列各项几何及力学特征,主要用于验算构件截面的承载力和刚度。
2、单跨梁的内力及变形表2.1 简支梁的反力、剪力、弯矩、挠度2.2 悬臂梁的反力、剪力、弯矩和挠度2.3 一端简支另一端固定梁的反力、剪力、弯矩和挠度2.4 两端固定梁的反力、剪力、弯矩和挠度2.5 外伸梁的反力、剪力、弯矩和挠度3.等截面连续梁的内力及变形表3.1 二跨等跨梁的内力和挠度系数注:1.在均布荷载作用下:M=表中系数×ql2;V=表中系数×ql;。
2.在集中荷载作用下:M=表中系数×Fl;V=表中系数×F;。
[例1] 已知二跨等跨梁l=5m,均布荷载q=11.76kN/m,每跨各有一集中荷载F=29.4kN,求中间支座的最年夜弯矩和剪力。
[解] MB支=(-0.125×11.76×52)+(-0.188×29.4×5)=(-36.75)+(27.64)=-64.39kN·mVB左=(-0.625×11.76×5)+(-0.688×29.4)=(-36.75)+(-20.23)=-56.98kN[例2] 已知三跨等跨梁l=6m,均布荷载q=11.76kN/m,求边跨最年夜跨中弯矩。
[解] M1=0.080×11.76×62=33.87kN·m。
3.2 三跨等跨梁的内力和挠度系数注:1.在均布荷载作用下:M=表中系数×ql2;V=表中系数×ql;。
1
平面体系的计算自由度 W 的求法
2
(1)刚片法:体系看作由刚片组成,铰结、刚结、链杆为约束。
3
刚片数 m ;
4
约束数:单铰数 h ,简单刚结数 g ,单链杆数 b 。
5
W = 6
3m - 2h - 3g -b
7
(2)节点法:体系由结点组成,链杆为约束。
8
结点数 j ;
9
约束数:链杆(含支杆)数 b 。
10
W = 2j 11
– b
12
(3)组合算法
13
约束对象:刚片数 m ,结点数 j
14
约束条件:单铰数 h ,简单刚结数 g ,单链杆(含支杆)数 b
15
W = (3m + 2j)16
-(3+2h+ b)
17
比较可得:三铰拱与简支梁的竖向支反力完全相同。
注意到水平支反力式中18
的分子就是简支梁上截面C的弯矩,则水平支反力可写作:
19
20
综上所述,三铰拱在竖向荷载作用下,任一截面上的弯矩、剪力荷轴力的计21
算公式如下:
22
23
4.4.1 各种结构位移计算公式
24
25
:虚设单位荷载P=1作用下的结构的内力;
26
:实际荷载作用下的结构的内力
27
28
29
30
图乘法
31
位移公式:
32
4.5.2 常见图形的面积和形心
33
常见图形的形心和面积(图4.10)。
34
35
36
图4.10
37
以上图形的抛物线均为标准抛物线:抛物线的顶点处的切线都是与基线平行38
4.5.3 应用图乘法时的几个具体问题
39
(2) 如果有一个图形为折线,则应分段考虑(图4.12)
40
41
图4.12
42
43
(3) 如果图形比较复杂,应根据弯矩图的叠加原理将图形分解为几个简单图44
形,分项计算后再进行叠加图4.13
45
46
图4.13
47
(图4.13b中A1与y1的乘积为负值;图4.13c中抛物线为非48
标准曲线)。
49
例5:试求出图4.16刚架结点B 的水平位移和转角,EI 为常数
50
51
图4.16
52
解: (1)虚设单位荷载,作实际状态和虚设单位荷载的弯矩图(图4.17a、b、53
c)
54
55
图4.17
56
(2)代入公式,图乘。
57
B 点竖向位移:
58
59
B 点转角位移:
60
61
力法的基本概念
62
Δ11=δ11X1 力法典型方程:δ11X1+ Δ1P =0
63
a)做基本结构在荷载作用下的荷载弯矩M P和单位未知力X1=1的作用64
下的单位弯矩图M1应用叠加公式得到结构的弯矩图M。
65
b)
66
力法的基本方程:二次超静定结构
67
68
69
位移互等定理:δij=δji
70
δij表示单位力X j =1在基本结构沿X i 方向产生的位移,称柔度系数。
71
ΔiP表示在基本结构实际荷载沿X i方向产生的位移。
72
力法解超静定结构
73
:绘图
74
5.10a超
75
静定刚
76
架的弯
77
矩图。
78
图5.10
79
解:
80
(1)基
81
本体系
82
(图
83
5.10b)
84
(2)力法方程
85
基本体系应满足B 点无水平位移的变形条件。
力法方程为
86
δ11X1+ Δ1P =0
87
(3)计算系数和自由项
88
分别画出实际荷载及单位未知力X1 =1的作用的弯矩图(图5.10c、d),利89
用图乘法计算系数。
90
91
92
(4)求多余的未知力
93
94
(5)作弯矩图(图5.10e)
95
96
97。