高三化学定量实验专题复习
- 格式:doc
- 大小:484.50 KB
- 文档页数:9
16实验专题三定量实验(溶液配制与中和滴定)与综合实验探究【教学目标】1. 酸碱中和滴定、物质的量浓度溶液配制所用仪器名称及使用、误差分析等事项。
2. 通过工业流程或综合性探究实验考查基本操作、安全事故处理等。
【重难点】工艺流程题的解题思路。
【课前预习区】1 .对下列实验现象预测正确的是()A.实验Ⅰ:液体分层,下层呈无色B.实验Ⅱ:烧杯中先出现白色沉淀,后溶解C.实验Ⅲ:试管中产生红褐色沉淀D.实验Ⅳ:放置一段时间后,饱和CuSO4溶液中出现蓝色晶体2.下列有关化学实验的叙述正确的是 ( )A.为了增强高锰酸钾溶液的氧化能力,用稀盐酸将高锰酸钾溶液进行酸化B.欲制备Fe(OH)3胶体,向盛有沸水的烧杯中滴加FeCl3饱和溶液并长时间煮沸C.用稀盐酸洗涤盛放过石灰水的试剂瓶D.欲配制质量分数为10%的ZnSO4溶液,将10 g ZnSO4·7H2O 溶解在90 g水中3.下列实验操作或对实验事实的描述不正确...的是 (填序号)。
A.不宜用瓷坩埚灼烧氢氧化钠或碳酸钠B.使用容量瓶配制溶液时,俯视刻度线定容后所得溶液浓度偏大C.分液操作时,由于分液漏斗下端已沾满下层液体,故上层液体要从上口倒出D.用托盘天平称量11.74g氯化钠晶体E.用结晶法分离硝酸钾和氯化钠的混合物4、实验室需要0.1 mol·L-1 NaOH溶液450 mL和0.5 mol·L-1硫酸溶液500 mL。
根据这两种溶液的配制情况回答下列问题:(1)如图所示的仪器中配制溶液肯定不需要的是________(填序号);配制上述溶液还需用到的玻璃仪器是____________ ____(填仪器名称)。
(2)下列操作中,容量瓶所不具备的功能有________(填序号)。
A.配制一定体积准确浓度的标准溶液 B.贮存溶液 C.测量容量瓶规格以下的任意体积的液体 D.准确稀释某一浓度的溶液 E.用来加热溶解固体溶质(3)计算需用托盘天平称取固体NaOH的质量为______g。
定量实验数据的获得与分析——高考二轮定量实验专题复习1.教学内容分析定量实验在日常生活中有着重要的应用价值,如测量空气中甲醛含量,测酒驾司机酒精的含量等等。
定量实验也是近几年中各地高考实验考察中的热点内容之一。
《考试说明》对这部分内容的要求是:了解对物质进行定量分析的基本方法,能通过化学实验收集有关数据和事实,并科学地进行分析和处理等。
2.学情分析学生在前面几年的高中学习中已经进行过一部分的定量实验操作如一定物质的量浓度溶液的配制、镀锌铁片镀层的厚度测定、酸碱中和滴定等,同时也做过一部分笔试型的定量实验试题。
在学生头脑中已经积累了一定的定量实验知识和技能基础,但是学生却缺乏对隐藏在这些知识背后的思想方法整理。
往往当题目的背景改变后,学生不能整体把握,导致在分析和解决问题时感到力不从心。
因此实验题是学生最怕也是得分率最低的考察点。
3.设计思想分析建构主义认为要使学习者对学习的内容形成深刻的理解,首先要使学习者获得的知识结构化。
而知识的意义建构与学习者在特定情境下的活动和经验有关,只有通过学习者基于自己的经验背景进行主动建构才能体现出应有的价值。
因此本案例在设计时注重结合学生已有的知识经验,将近几年高考试题整合,以测变质的亚硫酸钠含量为背景知识,通过问题形式帮助学生进行积极主动地思考,形成层次清晰,组织严密的知识结构。
同时让学生掌握高考定量测定试题的特点,形成对定量测定实验试题的解题思路。
4.教学目标知识与技能:以测变质的亚硫酸钠含量为例,了解对物质进行定量分析的几种基本方法,学会用数学表达式建立起要“测的量”与“要求的量”之间的关系式;掌握准确测量“量”时的注意点;掌握数据处理能力。
过程与方法:通过对亚硫酸钠中硫酸钠含量的测定学习,形成定量实验的解题思路。
通过对准确测量“量”的方案选择,形成分析问题、解决问题的能力。
情感态度与价值观:通过定量实验在生活中的应用使学生感受到可以用化学方法解决生活问题,激发学生学习的兴趣。
高三第一轮复习——第九章化学实验(定量实验)知识点1:配制一定物质的量浓度的溶液(l)配制溶质质量分数一定的溶液计算:算出所需溶质和水的质量。
把水的质量换算成体积。
如溶质是液体时,要算出液体的体积。
称量:用天平称取固体溶质的质量;用量简量取所需液体、水的体积。
溶解:固体或液体溶质倒入烧杯里,加入所需的水,玻璃棒搅拌使溶质完全溶解.(2)配制一定物质的量浓度的溶液计算:算出固体溶质的质量或液体溶质的体积。
称量:用电子天平称取固体溶质质量/用量简量取所需液体溶质的体积。
溶解:将固体或液体溶质倒入烧杯中,加入适量的蒸馏水,用玻璃棒搅拌使之溶解,冷却到室温后,将溶液引流注入容量瓶里。
转移(洗涤):用适量蒸馏水将烧杯及玻璃棒洗涤2-3次,将洗涤液注入容量瓶。
振荡,使溶液混合均匀。
定容:继续往容量瓶中小心地加水,直到液面接近刻度2-3m处,改用胶头滴管加水,使溶液凹面恰好与刻度相切。
把容量瓶盖紧,再振荡摇匀。
知识点2:“气体摩尔体积的测定”实验一.实验步骤:略二.计算原理:1 mol 氢气的体积有多少升?根据Mg+H2SO4→MgSO4+H2↑知道,n(H2)=n(镁)=m(Mg)/M(Mg)V m=V(H2)/n(H2)=V(H2)/ n(Mg)间接地计算出氢气的体积。
我们可以测量氢气排出的________的体积V(H2)= V(液)-V(酸) +V(抽)知识点3:“硫酸铜晶体结晶水含量的测定”实验1.实验原理(硫酸铜晶体和瓷坩埚的质量—无水硫酸铜和瓷坩埚的质量=结晶水的质量)。
2. 操作步骤(1)研磨:在研钵中将硫酸铜晶体研碎。
(2)称量:准确称量一干燥洁净的瓷坩锅质量(Wg)。
(3)再称:称量瓷坩埚+硫酸铜晶体的质量(W1g)。
(4)加热:加热至蓝色晶体全部变为白色粉末,并放入干燥器中冷却。
(5)再称:在干燥器内冷却后,称量瓷坩埚+硫酸铜粉末的质量(W2g)。
(6)再加热:把盛有硫酸铜的瓷坩埚再加热,再冷却。
2020届高三化学高考考前热点问题专题复习—物质的组成和产率计算(定量实验,有答案和详细解析)1.(2019·潍坊质检)某种含有少量FeCl2杂质的FeCl3样品,现要测定其中铁元素的含量。
实验采用以下步骤进行:①准确称量m g样品(2~3 g);②向样品中加入10 mL 5 mol·L-1的盐酸,再加入蒸馏水,配制成250 mL溶液;③量取25 mL操作②中配得的溶液,加入3 mL溴水,加热使之完全反应;④趁热迅速加入浓度为10%的氨水至过量,充分搅拌,使之完全沉淀;⑤过滤,将沉淀洗涤、灼烧、冷却称量,反复操作至恒重。
请根据上面的叙述回答:(1)若称量前,托盘天平的指针偏向标尺左方;称量读数时,指针刚好在标尺的中间,则所得样品的质量________(填字母)。
A.比m g多B.比m g少C.恰好为m g(2)溶解样品时要加入盐酸,原因是_________________________________________________ _____________________________________________________________________________。
(3)配制250 mL溶液时,除需250 mL的容量瓶、烧杯外,还需用到的玻璃仪器是______________________________________________________________________________。
(4)加入溴水时发生反应的离子方程式是____________________________________________ ______________________________________________________________________________。
(5)若坩埚质量为W1g,坩埚与灼烧后固体的总质量是W2g,则样品中铁元素的质量分数是_____________________________________________________________________________。
考点46 定量分析实验1.(2023·贵州省三模)氧化亚铜主要用于制造船底防污漆等。
它是一种难溶于水和乙醇的鲜红色固体,在酸性溶液中歧化为二价铜和铜单质。
某小组制备Cu2O并测定其纯度采用如下步骤,回答下列问题:I.制备Cu2O将新制Na2SO3溶液和CuSO4溶液按一定量混合,加热至90°C并不断搅拌。
反应生成Cu2O,同时有SO2气体产生。
反应结束后,经过滤、洗涤、干燥得到Cu2O粉末。
制备装置如图所示:(1)仪器a的名称是_____________;反应采用的加热方式为_______________________________。
(2)制备Cu2O时,原料理论配比为n(Na2SO3) :n(CuSO4)=3:2,该反应的化学方程式为___________;装置B的作用是_________。
(3)实验中,Na2SO3用量比理论用量稍高,原因是________________________。
(4)反应中需不断滴加NaOH溶液,原因是________________________________。
(5)过滤后,将滤渣用蒸馏水、无水乙醇洗涤数次,其中用无水乙醇洗涤的目的是____________。
Ⅱ.测定Cu2O纯度称取m g样品置于烧杯中,加入足量FeCl3溶液,完全溶解后,加入4滴邻菲罗啉指示剂,然后用c mol·L-1硫酸高铈[Ce(SO4)2]溶液进行滴定至终点,共消耗Ce(SO4)2溶液VmL。
(已知:Ce4++Fe2+ = Ce3++Fe3+)(6)加入FeCl3溶液时发生反应的离子方程式为____________________________________。
(7)该样品中Cu2O的纯度为______________________。
2.(2023·云南省二模)硫酸羟胺[(NH3OH)2SO4]为无色晶体,易溶于水,是一种重要的化工原料,在农药、医药行业中有广泛用途。
考点2 物质的定量检测定量测定实验一般包括定量仪器的选择及使用、一定物质的量浓度溶液的配制、酸碱中和滴定、氧化还原滴定、混合物成分的测定、含结晶水物质中结晶水含量的测定、物质纯度的测定、气体体积的测量及误差分析等。
定量测定实验是高考中的难点,重点考查考生的理解能力、计算能力,需要重点关注。
1.定量实验方法及相关装置等实验方法具体阐释相关仪器或装置注意事项滴定法包括酸碱中和滴定、沉淀滴定、氧化还原滴定等,主要是根据滴定过程中标准溶液的消耗量来计算待测溶液的浓度(1)①中盛装酸性溶液或具有氧化性的溶液,如H2C2O4溶液、K2Cr2O7溶液等。
②中盛装碱性溶液,因为酸性或氧化性溶液会腐蚀下端的橡胶管。
(2)“0”刻度在上面。
(3)用前需要检漏、润洗、除气泡。
除气泡时先用标准溶液充满滴定管下端,然后,对于①,将滴定管稍稍倾斜,迅速打开活塞,气泡随溶液的流出而被排出,从而可使标准溶液充满滴定管尖嘴部分;对于②,使橡胶管向上弯曲,轻轻用手挤捏玻璃珠,使气泡随溶液的流出而被排出,从而可使标准溶液充满滴定管尖嘴部分气体测量法根据已知量的待测产品完全反应时生成的气体的量进行计算测量气体体积时,要保证压强、温度等外界条件相同,即读数时要上下移动A,调平A和量气管中的液面;反应后读数前,需要先恢复至室温沉淀测量法根据已知量的待测产品完全反应时生成的沉淀的量进行计算—沉淀需要洗涤干净并干燥热重分析法根据固体物质受热分解时质—(1)固体物质的质量损失一般是生成了H2O或气态物质,根据元素守恒进行计算。
量的变化进行计算(2)若是分析热重曲线,要抓住晶体中金属质量不变这个关键点拓展碘量法碘量法是氧化还原滴定中应用较为广泛的一种方法,在近几年的高考试题中多次出现。
I2可作氧化剂,能被Sn2+、H2S等还原剂还原,I-可作还原剂,能被I O3-、Cr2O72-、Mn O4-等氧化剂氧化,故碘量法分为直接碘量法和间接碘量法。
直接碘量法是用碘标准液直接滴定还原性物质的方法,在滴定过程中,I2被还原为I-。
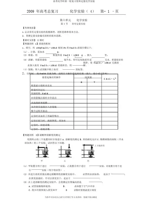
2009 年高考总复习化学实验( 4)第- 1 –页第六单元化学实验第 4 节常有定量实验【考纲领求】1.认识常有定量实验的基根源理、剖析思路和基本方法。
2.掌握定量实验偏差剖析的基本思路。
【课时安排】 2 课时【例题剖析 1】溶液的配制1、填空:用 100gNa2CO3·10H2O配制 8%的 Na2CO3溶液步骤以下:(1)、计算:需加水g;(2)称量:用称量所需 Na2CO· 10HO g ,倒入里;32(3)溶解:用量筒量取毫升水,即可近似地看作是克水。
把量取好的水倒入装有 Na2CO3·10H2O的烧杯里,用搅拌,使 Na2CO3· 10H2O完满溶解。
(4)装瓶:转入试剂瓶中贴上标有的标签。
2、以配制的NaOH溶液为例,说明以下操作惹起的结果(偏大、偏小或无影响)能惹起偏差的操作因变量C/mol · L-1m V称量前小烧杯内有水称量时间过长用滤纸称NaOH向容量瓶注液时少许流出未洗烧杯和玻棒未冷到室温就注入容量瓶整个过程不摇动定容时水加多了用滴管吸出定容后摇匀时,液面降落,再加水定容时,仰望读数定容时,俯视读数【例题剖析2】硝酸钾溶解度的测定用图所示的三个装置同时分别进行 A. 溶解度的测定 B. 苯的硝化反应 C. 酚醛树脂的制取(开水浴加热)的三个实验。
试回答以下问题。
上下搅拌用甲乙丙(1)甲装置合用于进行实验;乙装置合用于进行实验;丙装置合用于进行实验(用字母回答)。
(2)在进行溶质质量法测定硝酸钾的溶解度实验中,必然用水浴加热,是由于;在蒸发溶液时,不可以蒸发至干,是由于。
(3)在上述溶解度的测定实验中,会使测定结果偏高的是。
A. 试管接触烧杯底部。
B.晶体置于空气中冷却C. 将少许固体倒入蒸发皿中D读数时俯视温度计刻度【例题剖析3】硫酸铜结晶水含量的测定依据实验室中测定硫酸铜晶体结晶水含量的实验,填写以下空白:(1)从以下仪器中选出所需仪器( 用标号字母填写)。
知识清单33常见的定量综合实验一、容量瓶的使用1.容量瓶的读数(1)方法:看刻度线找凹液面(2)俯视:溶液的体积偏小,浓度偏大(3)仰视:溶液的体积偏大,浓度偏小(4)注意问题①定容、摇匀后液面下降,不必滴加蒸馏水②容量瓶不必干燥,有少量蒸馏水不影响结果③量取液体溶质的量筒不需要洗涤,否则所配溶液的浓度会偏高④容量瓶的使用“六忌”:一忌用容量瓶溶解固体;二忌用容量瓶稀释浓溶液;三忌把容量瓶加热;四忌把容量瓶当作反应容器;五忌用容量瓶长期存放溶液;六忌瓶塞互换。
⑤容量瓶用来配制一定条件准确物质的量浓度的溶液,若浓度确定,则不能用容量瓶配制(5)常用规格:100mL、250mL、500mL、1000mL等(6)使用容量瓶前要检查瓶塞是否漏水。
2.容量瓶的选择(1)有规格,相匹配;无匹配,大而近(2)要计算,按规格;结晶水,算在内3.常见计量仪器的读数精度(1)用托盘天平称取固体溶质的质量时,数据要求0.1g(2)用量筒量取液体溶质的体积时,数据要求0.1mL(3)用滴定管量取液体溶质的体积时,数据要求0.01mL(4)用广泛pH试纸测定溶液的pH时,数据要求整数(5)用精密pH试纸测定溶液的pH时,数据要求0.1二、配制一定浓度的溶液1.配制一定质量分数的溶液(1)配制步骤(2)实验图示(3)实验仪器①固体溶质:烧杯、量筒、玻璃棒、托盘天平②液体溶质:量筒(两个)、烧杯、玻璃棒2.配制一定物质的量浓度的溶液(1)配制过程:以配制1000mL 0.5mol·L-1NaCl溶液为例。
(2)实验图示(3)实验仪器①必用仪器:烧杯、玻璃棒、胶头滴管、××mL 容量瓶②溶质是固体:还需要托盘天平③溶质是液体:还需要量筒或滴定管(看精度)3.配制溶液时的注意事项(1)溶解或稀释时,必须待溶液温度恢复到室温后才能转移到容量瓶中。
(2)转移溶液时必须用玻璃棒引流。
(3)溶解用的烧杯和玻璃棒一定要洗涤2~3次,洗涤液也要转移到容量瓶中。
化学定量实验专题[试题特点及应试策略]1.试题特点:(1)中学化学重要的定量实验有物质的量浓度溶液的配制、中和滴定(包括滴定曲线)、中和热测定等。
从中学化学实验和高考实验考查的要求来看, 定量实验主要有以下几种类型:(2)确定物质组成与含量的定量实验。
如确定物质化学组成(确定化学式)、测量物质中某组分的质量分数等实验。
(2)测量某溶液的浓度(溶质质量分数、物质的量浓度等)的定量实验。
如中和滴定实验。
(3)测量某些化学计量的定量实验。
如测定某分子(或原子)的相对分子(原子)质量、阿伏加德罗常数等实验。
(4)研究反应热效应的定量实验。
如课本中关于中和热测定实验。
(5)研究物质(分子)结构的定量实验。
如有机物分子结构确定实验。
测量”), 利用两者间量的关系计算而得。
因此, 确定可测量并准确予以测定便成为定量实验的关键。
在定量实验中, 哪些量常常作为主要的可测量呢?由于中学化学实验涉及的仪器中, 可作定量实验测量的仪器主要有五类:(1)称质量的托盘天平;(2)量体积的量筒、量杯、滴定管;(3)测体系温度的温度计;(4)测反应时间的秒表(或其它计时器);(5)测溶液酸碱度的pH计(或pH试纸)。
而在中学化学实验中, 常用的测量仪器主要是前三类(注意:酸碱中和滴定曲线的测定需要用到pH计)。
因此, 中学范围内定量实验的可测量主要是质量(固体或气体)、体积(液体或气体)以及反应体系温度。
如何准确地测定以上三类可测量?对于固体质量, 中学通常用托盘天平进行称量;对于液体体积, 根据实验精度的要求, 采用量筒(精度较低, 用于粗略测定体积)或滴定管(精度较高, 可以精确至0.01mL, 用于准确测量溶液的体积);对于体系温度, 则利用温度计。
由于上述三者的测定较为直接, 这里不阐述。
对于气体质量和气体体积, 通常无法直接用天平和量筒来测定, 而要通过间接的方法来实现。
因此, 把气体的质量和体积作为实验研究的可测量往往成为定量实验考查的热点内容。
高三化学一轮复习——定量实验(物质的组成和产率的计算)1.(2020·甘谷县第四中学高三月考)为测定石灰石样品中碳酸钙(含SiO2杂质)的含量。
现利用如图所示装置进行实验,充分反应后,测定装置C中生成的BaCO3沉淀质量。
下列说法正确的是()A.装置A中药品应为浓硫酸B.在B~C之间应增添盛有饱和NaHCO3溶液的洗气装置,以除去氯化氢气体C.只要测定装置C在吸收CO2前后的质量差,也可以确定碳酸钙的质量分数D.为了测得C中生成的沉淀质量,需经过过滤、洗涤、干燥、称量等操作2.(2020·河南宛城南阳中学高三月考)加热蒸干氯化镁溶液时因水解不完全会得到一种灰白色沉淀——碱式氯化镁,化学式可表示为Mg x(OH)y Cl z·n H2O,设计如图所示装置验证其化学式。
下列有关实验的说法不正确的是()A.①②中依次盛装浓硫酸、氢氧化钠溶液B.反应结束时,先停止加热,通一段时间N2后再关闭止水夹KC.碱式氯化镁受热分解可以产生氧化镁、氯气和水D.只需称取原样品质量、反应结束后硬质玻璃管中剩余固体质量以及装置①增加的质量即可推出其化学式3.(2020·全国高三专题练习)通过测定混合气中O2含量可计算已变质的Na2O2(含Na2CO3)纯度,实验装置如图(Q为弹性良好的气囊)。
下列分析错误的是()A.干燥管b中装入碱石灰B.Q气球中产生的气体主要成分为O2、CO2C.测定气体总体积必须关闭K1、K2,打开K3D.读完气体总体积后,关闭K3,缓缓打开K1,可观察到Q气球慢慢缩小4.(2020·湖北宜城高三期中)固体化合物X由3种元素组成。
某学习小组进行了如下实验:下列推断不正确的是()A.由现象1得出化合物X含有氧元素B.固体混合物Y的成分是Cu和KOHC.X的化学式K2CuO2D.若X与浓盐酸反应产生黄绿色气体,则反应中X作氧化剂5.(2019·厦门外国语学校高三月考)实验室按如下装置测定纯碱(含少量NaCl)的纯度。
高三化学定量实验专题复习[试题特点及应试策略]1、试题特点:中学化学重要的定量实验有物质的量浓度溶液的配制、中和滴定〔包括滴定曲线〕、中和热测定等.从中学化学实验和高考实验考查的要求来看,定量实验主要有以下几种类型:(1)确定物质组成与含量的定量实验.如确定物质化学组成〔确定化学式〕、测量物质中某组分的质量分数等实验.〔2〕测量某溶液的浓度〔溶质质量分数、物质的量浓度等〕的定量实验.如中和滴定实验.〔3〕测量某些化学计量的定量实验.如测定某分子〔或原子〕的相对分子〔原子〕质量、阿伏加德罗常数等实验.〔4〕研究反应热效应的定量实验.如课本中关于中和热测定实验.〔5〕研究物质〔分子〕结构的定量实验.如有机物分子结构确定实验.2、应试策略:定量实验是在定性实验基础上为研究某些量及相关量间关系而展开的,因此能力要求和试题难度等将有所提升.如何有效地进行定量实验方案的设计呢?为明确定量实验设计的解题关键,先回顾一下中和滴量”〕,利用两者间量的关系计算而得.因此,确定可测量并准确予以测定便成为定量实验的关键.在定量实验中,哪些量常常作为主要的可测量呢?由于中学化学实验涉及的仪器中,可作定量实验测量的仪器主要有五类:〔1〕称质量的托盘天平;〔2〕量体积的量筒、量杯、滴定管;〔3〕测体系温度的温度计;〔4〕测反应时间的秒表〔或其它计时器〕;〔5〕测溶液酸碱度的pH计〔或pH试纸〕.而在中学化学实验中,常用的测量仪器主要是前三类〔注意:酸碱中和滴定曲线的测定需要用到pH计〕.因此,中学范围内定量实验的可测量主要是质量〔固体或气体〕、体积〔液体或气体〕以及反应体系温度.如何准确地测定以上三类可测量?对于固体质量,中学通常用托盘天平进行称量;对于液体体积,根据实验精度的要求,采用量筒〔精度较低,用于粗略测定体积〕或滴定管〔精度较高,可以精确至0.01mL,用于准确测量溶液的体积〕;对于体系温度,则利用温度计.由于上述三者的测定较为直接,这里不阐述.对于气体质量和气体体积,通常无法直接用天平和量筒来测定,而要通过间接的方法来实现.因此,把气体的质量和体积作为实验研究的可测量往往成为定量实验考查的热点内容.那么,如何准确测定气体的质量或者体积呢?气体质量测定一般有两种方法:一是利用量差法.即通过测定反应体系反应前后质量差异,确定气体的质量〔反应体系反应前的质量减反应后的质量即为气体质量〕.另一种方法是利用所测气体的某些性质〔如酸碱性或溶解性〕、采用合适的吸收剂〔如浓硫酸、碱石灰〕和实验装置〔如洗气瓶、干燥管〕来吸收,通过测量吸收装置吸收前后质量差得到气体的质量〔吸收后吸收装置的质量减去吸收前吸收装置的质量即为气体质量〕.对于气体体积的测定,一般也有两种方法:〔1〕通过上述方法测其质量,再利用密度或气体摩尔体积进行换算;〔2〕对于无法采用上述方法测定其质量的气体〔如氢气、氧气、一氧化碳等〕,通常只能采用排水量气法测量它们的体积,根据排出的水的体积来确定气体的体积.值得注意的是,有些定量实验在方案设计过程中,存在多个可作为“可测量”的量.在进行实验设计时,应该优选易于测量而且测量误差较小〔准确度较高〕的量作为“可测量”,从而确保实验具有较高的精确度.在定量实验过程中如何有效地减小实验误差呢?通常采用的方法主要有:〔1〕尽可能根据实验要求和实验条件精选精度比较高的计量仪器〔如量体积时,尽可能用滴定管或移液管〕;〔考试时要依据数据信息选择恰当仪器,如量取液体20.0ml,用量筒,20.00ml则要用滴定管〕〔2〕准确规范地进行读数〔如读量筒或移液管中液体体积,视线应该与管中的凹液面最低处平齐〕;〔3〕要重视测量实验中的“恒量”操作和重复测量,即在重复测量时,要确保两次量之间的差异符合实验要求〔按分析化学要求,两次所测量之间的差异不超过0.5%〕,而且计算时应该取两次〔或多次〕可测量值之间的平均值;〔4〕注意外界条件的影响〔如温度对气体体积的影响、压强对气体体积的影响,测量读数时要恢复到指定的温度和压强,同时在数据处理时往往要换算为标准状况〕.注意以上事项,一般就可以减小实验误差.明确可测量及其测定方法,同时掌握减小实验误差的方法,解答定量实验设计问题就会迎刃而解,并获得较高的精确度.[典型例题]1.铝镁合金已成为飞机制造、化工生产等行业的重要材料.某研究性学习小组为测定某含镁3%~5%的铝镁合金〔不含其它元素〕中镁的质量分数,设计下列两种不同实验方案进行探究.填写下列空白.【方案一】〖实验方案〗将铝镁合金与足量NaOH溶液反应,测定剩余固体质量.实验中发生反应的化学方程式是〖实验步骤〗〔1〕称取5.4g铝镁合金粉末样品,溶于VmL 2.0mol/L NaOH溶液中,充分反应.则NaOH溶液的体积V ≥ .〔2〕过滤、洗涤、干燥、称量固体.该步骤中若未洗涤固体,测得镁的质量分数将〔填“偏高”、“偏低”或“无影响”〕.【方案二】〖实验方案〗将铝镁合金与足量稀硫酸溶液反应,测定生成气体在通常状况〔20℃,1.01105Pa〕的体积. 〖问题讨论〗〔1〕同学们拟选用下列实验装置完成实验:①你认为最简易的装置其连接顺序是:A接〔〕〔〕接〔〕〔〕接〔〕〔填接口字母,可不填满.〕②实验开始时,先打开分液漏斗上口的玻璃塞,再轻轻打开其活塞,一会儿后稀硫酸也不能顺利滴入锥形瓶.请你帮助分析原因. .③实验结束时,在读取测量实验中生成氢气的体积时,你认为合理的是 .A.待实验装置冷却后再读数B.上下移动量筒F,使其中液面与广口瓶中液面相平C.上下移动量筒G,使其中液面与广口瓶中液面相平D.视线与凹液面的最低点水平,读取量筒中水的体积〔2〕仔细分析实验装置后,同学们经讨论认为以下两点会引起较大误差:稀硫酸滴入锥形瓶中,即使不生成氢气,也会将瓶内空气排出,使所测氢气体积偏大;实验结束时,连接广口瓶和量筒的导管中有少量水存在,使所测氢气体积偏小.于是他们设计了右图所示的实验装置.①装置中导管a的作用是②实验前后碱式滴定管中液面读数分别为V1 mL、V2 mL.则产生氢气的体积为_____ ____ mL.2.A~G为中学常见的化合物,它们之间有如图所示的转化关系〔反应条件及部分产物已略去〕.A是绿色固体,含H、C、O、Cu四种元素.常温下D为无色无味气体,B为黑色粉末,E能发生银镜反应.请回答:〔1〕D 跟G 反应的化学方程式为_____________________________________;〔2〕F 中一定含有的官能团的名称为_______________________;〔3〕某课外小组同学设计了下列实验装置,通过测定某些装置中试剂的质量变化,探究A 中各元素的质量关系.① 为使数据准确,还需补充装置,请你在方框内绘出装置图并写出试剂名称;② 向装置中鼓入空气的目的是____________________________________________;丙装置中药品的名称为________________,实验时,该药品未见明显变化,证明____________________________________________;③ 如何判断A 已完全分解?________________________________________________________________________________________________________________________________________.④ 更精确的测定得出如下数据:A 受热后完全分解,固体由8.0 g 变为6.0 g ,装置乙增重0.90g.写出A 的化学式〔表示为碱式盐〕:____________________.3.某活动小组用下图所示装置及所给药品〔图中夹持仪器已略去〕探究工业制硫酸接触室中的反应,并测定此条件下二氧化硫的转化率.已知C 中的浓硫酸含溶质mmol ,假设气体进入C 和D 时分别被完全吸收.请回答下列问题: 〔1〕已知0.5molSO2被O2氧化成气态SO3,放出49.15KJ 热量,反应的热化学方程式为 . 〔2〕检查完装置的气密性且加入药品后,开始进行实验,此时首先应时行的操作是 .〔3〕实验时A 中的氧气导管冒出的气泡与二氧化硫导管冒出的气泡速率相近,其目的是;装置C 中浓硫酸的作用为 ;装置D 中盛放的溶液是足量的〔选填字母〕.a.BaCl2溶液b.NaOH 溶液c.NaHSO3饱和溶液〔4〕停止通入SO2,熄灭酒精灯后,为使残留在装置中的SO2、SO3被充分吸收,操作方法是.〔5〕实验结束后,稀释装置C 中的溶液,并向其中加入足量的BaCl2溶液,得到的沉淀质量为wg.若装置DSO 2O 2V 2O 5 碱石灰 浓硫酸 浓硫酸 AB C D增加的质量为ag,则此条件下二氧化硫的转化率是〔用含字母的代数式表示,结果可不化简〕.4.利用右图装置测定中和热的实验步骤如下:①量取50mL 0.25 mol/L硫酸倒入小烧杯中,测量温度;②量取50mL 0.55mol/L NaOH溶液,测量温度;③将NaOH溶液倒入小烧杯中,混合均匀后测量混合液温度.请回答:〔1〕NaOH溶液稍过量的原因 .〔2〕加入NaOH溶液的正确操作是〔填字母〕.A.沿玻璃棒缓慢加入 B.一次迅速加入 C.分三次加入〔3〕使硫酸与NaOH溶液混合均匀的正确操作是 .〔4〕设溶液的密度均为1g·cm-3,中和后溶液的比热容c=4.18 J·〔g·℃〕-1,请根据实验数据写出该反应的热化学方程式 .温度实验次数起始温度t1/℃终止温度t2/℃温度差平均值(t2-t1)/℃H2SO4NaOH 平均值1 25.0 25.2 25.1 28.5 3.42 24.9 25.1 25.0 28.3 3.33 25.6 25.4 25.5 29.0 3.5〔5〕若将含0.5 mol H2SO4的浓硫酸与含1 mol NaOH的溶液混合,放出的热量〔填“小于”、“等于”或“大于”〕57.3 kJ,原因是 .5.已知某纯碱试样中含有NaCl杂质,为测定试样中纯碱的质量分数,可用右图中的装置进行实验.主要实验步骤如下:①按图组装仪器,并检验装置的气密性②将a g试样放入锥形瓶中,加适量蒸馏水溶解,得到试样溶液③称量盛有碱石灰的U型管的质量,得到b g④从分液漏斗滴入6mol·L—1的硫酸,直到不再产生气体时为止⑤从导管A处缓缓鼓入一定量的空气⑥再次称量盛有碱石灰的U型管的质量,得到c g⑦重复步骤⑤和⑥的操作,直到U型管的质量基本不变,为d g请填空和回答问题:⑴在用托盘天平称量样品时,如果天平的指针向左偏转,说明____________________.⑵装置中干燥管B的作用是___________________________________________.⑶如果将分液漏斗中的硫酸换成浓度相同的盐酸,测试的结果___________〔填偏高、偏低或不变〕.⑷步骤⑤的目的是__________________________________________.⑸步骤⑦的目的是__________________________________________.⑹试样中纯碱的质量分数的计算式为___________________.⑺还可以用其它实验方法测定试样中纯碱的质量分数.请简述一种不同的实验方法.6.实验室用氨气还原氧化铜的方法测定铜的近似相对原子质量,反应的化学方程式为:2NH3+3CuON2+3Cu +3H2O 试回答:∆−→−〔1〕如果选用测定反应物CuO 和生成物H2O 的质量〔、〕时,请用下列仪器设计一个简单的实验方案.① 仪器连接的顺序〔用字母编号表示,仪器可重复使用〕D 中浓硫酸的作用是 、实验完毕时观察到A 中的现象是② 列出计算铜相对原子质量的表达式③ 下列情况将使测定结果偏大的是 〔以下选择填空不限一个正确答案,均用字母编号填写〕 a 、 CuO 未全部还原为铜 b 、CuO 受潮 c 、 CuO 中混有Cu〔2〕 如果仍采用上述仪器装置,其它方案可选用测定的物理量有a 、 和b 、 和c 、和d 、和Cu m CuO m 1N m O H 1m Cu m O H 1m 3NH m O H 1m7.某同学设计右下图装置进行探究.〔夹持装置已略去〕w.w.w.k.s.5.u.c.o.m〔1〕进行“铜和稀硝酸反应制取NO”的实验.①制取NO 的化学方程式:②收集气体前必须先 ,然后才开始收集气体.〔2〔3①反应前,先对量气管进行第一次读数.读数时,应注意的操作是 ,并使视线与凹液面最低处相平;反应后,待 时,再对量气管进行第二次读数.③如果第二次对量气管读数时仰视,则测得的气体体积会 〔填“偏高”、“偏低”或“不能确定”〕.8.某学生为了测定部分变质的Na2SO3样品的纯度,设计了如下实验:回答下列问题:〔1〕写出A装置中玻璃仪器的名称:酒精灯、______ _______、______ _______.〔2〕实验开始后,写出B中反应的离子方程式_______________________________________.〔3〕C中的现象是____________________,E装置的作用是_________________________.〔4〕按右图所示称取一定量的Na2SO3样品放入A装置的烧瓶中,滴入足量的H2SO4完全反应.然后将B中完全反应后的溶液与足量的BaCl2溶液反应,过滤、洗涤、干燥,得白色沉淀23.3g,则原样品中Na2SO3的纯度为________〔精确到0.1%〕.〔5〕在过滤沉淀时若过滤液出现浑浊,则必须要重复操作,若该学生没有重复过滤,则测定的结果将___ ____〔填“偏高”、“偏低”或“无影响”〕〔6〕要使测定结果准确,第一,装置气密性必须良好;第二,应先点燃______处酒精灯〔填装置字母〕;第三,_____________________________________________________________.9.以下是某同学测定硫酸钠晶体中结晶水含量的实验方案.实验用品:硫酸钠晶体试样、研钵、干燥器、坩埚、三脚架、泥三角、玻璃棒、药匙、托盘天平实验步骤:①准确称量一个干净、干燥的坩埚;②在坩埚中加入一定量的硫酸钠晶体试样,称重,将称量过的试样放入研钵中研细,再放回到坩埚中;③将盛有试样的坩埚加热,待晶体变成白色粉末时,停止加热;④将步骤③中的坩埚放入干燥器,冷却至室温后,称重;⑤将步骤④中的坩埚再加热一定时间,放入干燥器中冷却至室温后称量.重复本操作,直至两次称量结果不变;⑥根据实验数据计算硫酸钠晶体试样中结晶水的质量分数.分析该方案并回答下面问题:〔1〕完成本实验还需要的实验用品是__________________ ________________________.〔2〕指出实验步骤中存在的错误并改正:_________________ _________________________.〔3〕硫酸钠不能放置在空气中冷却的原因是__________________ _____________________.〔4〕步骤⑤的目的是_______________________ ______________________________.〔5〕下面的情况有可能造成测试结果偏高的是__________〔填序号〕A、试样中含有加热不挥发的杂质B、试样中含有加热易挥发的杂质C、测试前试样已有部分脱水D、实验前坩埚未完全干燥E、晶体加热脱水不完全F、加热时晶体溅出10.实验小组测定某肥料中的总氮含量〔以氮的质量分数表示〕,实验装置如右图〔图中加热及夹持仪器略去〕.称取1.200g样品,通过化学方法将肥料中的氮转化成铵盐〔除样品外,所加试剂均不含氮元素〕,然后在碱性溶液中蒸馏氨,用25.00 mL浓度为0.5000 mol/L-1硫酸溶液充分吸收,再用浓度为0.1000 mol/L-1氢氧化钠溶液滴定未反应的硫酸.重复上述实验三次.实验数据如下:〔1〕写出圆底烧瓶内发生反应的离子方程式 .〔2〕分液漏斗和圆底烧瓶之间的导管a的作用是;b的作用是;冷凝管中从〔填“n”或“m”〕口进水.〔3〕在滴定过程中,以下操作会使所测总氮含量偏小的是〔填序号〕 .A. 锥形瓶水洗后未烘干B. 滴定过程中滴定管有漏水现象C. 滴定过程中有少量溶液从锥形瓶中溅出D. 滴定前滴定管内有气泡,滴定后没有了〔4〕若实验操作均正确,但测定结果偏低,可能造成该结果的主要原因是 .〔5〕利用题目中所给数据计算肥料中总氮含量为 %〔计算结果保留到小数点后1位〕. 11.某草酸亚铁样品〔FeC2O4·xH2O 〕中含有少量硫酸亚铁.现用滴定法测定该样品中FeC2O4的含量.滴定反应是:5 Fe2+ +5C2O42—+3MnO4—+24H+==5 Fe3+ +10CO2↑+3Mn2++12H2O .实验方案设计为: ①将准确称量的a g 草酸亚铁样品置于250 mL 锥形瓶内,加入适量2 mol/L 的H2SO4溶液,使样品溶解,加热至70℃左右,立即用浓度为0.02000 mol/L 的高锰酸钾标准溶液滴定至终点,记下滴定管内液面读数为b mL②向上述滴定混合液中加入适量的Zn 粉和过量的2 mol/L 的H2SO4溶液,煮沸5—8min ,经检验溶液合格后,继续用0.02000 mol/L 的高锰酸钾标准溶液滴定至终点,记下滴定管内液面读数为c mL③ . ④数据处理. 请回答下列问题:〔1〕上述实验方案中的步骤③是 .〔2〕洁净的滴定管在滴定前必须进行的操作是:Ⅰ、检验活塞是否漏水.Ⅱ、 . Ⅲ、加入高锰酸钾标准溶液,赶走尖嘴部位的气泡,调节起始读数.〔3〕步骤②中检验溶液是否合格的操作是:取1滴煮沸后的溶液滴入装有溶液的试管中,如 ,则说明溶液合格.〔4〕某小组的一次测定数据记录如右表: 根据数据计算0.1970g 样品中:n 〔Fe2+〕== ; n 〔C2O42—〕== ; FeC2O4 的质量分数为 〔精确到0.01%〕 12.〔16分〕某化学研究性小组同学提出回收含铜电缆废料中提取铜的两种方案,并向老师咨询,老师就以下几个方面与同学们展开讨论:方案甲:方案乙:〔1〕两个方案哪个符合当前生产的绿色理念,为什么?. 〔2〕写出方案甲中的②③步骤与铜有关的离子反应的离子方程式._________________ _ _ ___________. 〔3〕老师建议,无论是甲还是乙的方案,在“加铁屑”这一步时,应该加入略过量的铁屑,目的是: .〔4〕老师请同学们用化学方法检验红色粉末中是否含有过量的铁屑.请你填写下列表格写出实验操作、预足量稀硫酸、加热 ②② 用滴管滴入足量硫酸溶液,并充分振荡试管③溶液先黄色,滴入KSCN 溶液后显红色得到一种带结晶水的硫酸亚铁晶体.研究小组按老师的建议完成上面操作步骤,获得晶体后对其进行检测①先取a g 的晶体进行脱水实验,获得无水固体为〔a —1.26〕g②将无水固体溶于足量的水配成溶液后滴加1.00mol/L 的氯化钡溶液,当滴加10.00mL 溶液时,沉淀恰好完全.研究小组通过计算测知该晶体的化学式是 . 〔珠海市2012届高三摸底考试〕《化学定量实验》参考答案:1.〔18分〕【方案一】2Al+2NaOH+2H2O=2NaAlO2+3H2↑ 〔2分〕 〔1〕97mL 〔2分〕,〔2〕偏高〔1分〕【方案一】〔1〕①EDG 〔2分〕 ②锌与稀硫酸反应放热且生成气体,使锥形瓶中气体压强变大 〔2分〕 ③ACD 〔3分〕 〔2〕①使分液漏斗内气体压强与锥形瓶内气体压强相等,打开分液漏斗活塞时稀硫酸能顺利滴下;滴入锥形瓶的稀硫酸体积等于进入分液漏斗的气体体积,从而消除由于加入稀硫酸引起的氢气体积误差.〔4分〕 ②V1-V2 〔2分〕2.〔16分〕〔1〕2Na2O2+2CO2=2Na2CO3+O2〔2分〕; 〔2〕羟基〔2分〕〔3〕①或〔2分〕 ② 将A 分解产生的水蒸气送入盛有浓硫酸的洗气瓶中〔2分〕;无水硫酸铜〔2分〕;A 分解产生的水蒸气全部被浓硫酸吸收〔2分〕 ③连续两次加热、鼓气、冷却,称量甲装置的质量,质量差不超过0.1 g 〔2分〕 ④CuCO3·2Cu 〔OH 〕2或Cu3〔OH 〕4CO3〔2分〕3、〔1〕SO2〔g 〕+O2〔g 〕SO3〔g 〕;△H=-98.3KJ/mol ;〔2〕给催化剂加热;〔3〕提高二氧化硫的转化率;吸收SO3;b ;〔4〕继续通入氧气一段时间 〔5〕100% .4、〔10分〕〔1〕确保硫酸被完全中和 〔1分〕 〔2〕B 〔1分〕 〔3〕用环形玻璃棒轻轻搅动〔2分〕〔4〕H2SO4〔aq 〕+2NaOH 〔aq 〕=Na2SO4〔aq 〕+2H2O 〔l 〕;ΔH=-113.6kJ·mol-1〔2分〕〔5〕大于〔2分〕 浓硫酸溶于水放出热量〔2分〕5、〔1〕样品重,砝码轻〔2〕防止空气中的CO2和水气进入U 型管中 〔3〕偏高 〔4〕把反应中的CO2全部导入U 型管中. 〔5〕判断反应中的CO2是否全部排出,并被U 型管中的碱石灰吸收 〔6〕×100% 〔7〕 取一定量的纯碱试样,溶入适量的蒸馏水中,加入足量的BaCl2溶液,过滤、洗涤、干燥、称量滤渣〔BaCO3〕 〔或其它合理答案〕6.〔1〕 ① b c a c d ;吸收未反应的氨;防止空气中水分进入;固体由黑色变为红色② -16 ③ a 、c 〔2〕 a 、c7、〖解析〗〔1〕②收集气体前必须先打开开关b ,赶尽装置中的空气.〔2〕依据反应发生装置固体+液体→气体及制取O2的原理可知,制取O2时所用H2O2、MnO2或H2O 、Na2O2,用Al 与酸液或碱液可制取H2.〔3〕①读数时要注意保持装置A 和装置B 液面相平,装置温度冷却到室温.②由于酸的物质的量为0.01mol ,产生的气体大致为224mL ,物质的量为0.01mol ,故该酸应为二元酸.③若第二次对量气管读数时仰视,则读数偏大,测得的气体体积会偏低.b ,赶尽装置中的空气.〔2〕制取气体 药品O 22O 2Na 、O 2H 或2MnO 、2O 2H H 2 某溶液、Al 〔3〕①保持装置A 和装置B 液面相平,装置温度冷却到室温.②二; ③偏低.89.〖解析〗〔1〕从题目给出的实验用品和实验步骤中不难发现缺少的实验用品有坩埚坩和酒精灯.〔2〕实验步骤中存在的错误是步骤②中“将称量过的试样放入研钵中研细,再放回到坩埚中”,这样会增大实验误差,改正的办法是先将试样研细,再放入坩埚称重.〔3〕硫酸钠不能放置在空气中冷却的原因是空气中含有水蒸气,冷却过程中会使Na2SO4重新结合水分,变成水合物,给实验造成误差.〔4〕步骤⑤的目的是使晶体完全失去结晶水,减少实验误差.〔5〕造成测定结果偏高的原因是晶体减少的质量超过实验中结晶水的质量.故B、D、F符合题目要求.〖答案〗〔1〕坩埚坩、酒精灯〔可以不答“火柴”〕.〔2〕步骤②有错误;应先将试样研细,后放入坩埚称重.〔3〕因硫酸钠放置在空气中冷却时,会吸收空气中的水分. 〔4〕保证试样脱水完全.〔5〕B、D、F.10.〔共12分〕〔1〕NH4+ + OH- Δ NH3·H2O〔2分〕〔2〕防止锥形瓶中的溶液倒吸;〔1分〕保证烧瓶和漏斗内压强恒定,有利于漏斗中的液体滴入锥形瓶中〔2分〕 n 〔1分〕〔3〕B D〔2分,少选且正确得1分,只要错选不得分〕〔4〕仍有氨气残留在装置中未被锥形瓶中的硫酸吸收〔2分〕〔5〕28.6 %〔2分〕11. 〔10分〕〔1〕重复以上实验1—2次〔2分〕〔2〕用高锰酸钾标准溶液润洗滴定管〔2分〕〔3〕KSCN〔1分〕,溶液中没有出现血红色〔1分〕〔4〕n〔Fe2 +〕==0.001110mol〔1分〕 n〔C2O42—〕==0.001010mol〔1分〕FeC2O4 的质量分数为73.81%〔2分〕〔2007广州一模试题〕12. 〔16分〕〔1〕乙〔1分〕甲方案第一步“灼烧”会产生污染空气的气体、粉尘、烟雾〔1分〕〔2〕② CuO + 2 H+=== Cu2+ + H2O 〔1分〕③ Fe + Cu2+ === Fe2+ + Cu 〔1分〕〔3〕确保Cu完全置换出来〔2分〕。