七人表决器
- 格式:doc
- 大小:355.00 KB
- 文档页数:14
3.3实验三七人表决器设计3.3.1实验目的1、掌握用QuartusII软件设计基本数字系统流程及注意事项。
2、进一步熟练掌握程序的编译、仿真、生成模块及芯片引脚号码锁定方法。
3、掌握分层设计的方法和注意事项4、在实验报告中,总结数字系统设计步骤及注意事项。
3.3.2实验内容基于QuartusII软件及VHDL语言实现七人表决器。
当参与表决的7人中有4个或4个以上赞同时,表决器输出“1”表示通过,否则输出“0”表示不通过,并显示赞成和反对的人数。
用7个开关作为表决器的7个输入变量,数码管显示人数,LED灯显示是否通过。
本实验4学时。
3.3.3实验仪器ZY11EDA13BE型实验箱。
3.3.4实验原理分析实验要求,七人表决器系统主要由两个模块构成:投票计数模块和数码管显示模块。
一、建立项目(1)新建文件夹。
路径及文件名中不可出现汉字。
(2)新建项目。
一个数字系统可以由多个模块构成,使所有模块连接在一起的总文件叫做顶层文件,只有顶层文件名可以且必须与项目名相同。
项目取名为bjq7。
(3)选择芯片二、建立文件首先,建立各个VHDL功能模块。
1.投票计数模块。
(1)新建VHDL文件编辑VHDL程序。
投票计数模块输入为七个电平开关input,输出为同意的人数agree,反对的人数disagree,是否通过指示灯y,程序清单如下:library ieee;use ieee.std_logic_1164.all;use ieee.std_logic_unsigned.all;entity BJQ isport(input:in std_logic_vector(6downto0);七个输入开关agree:out std_logic_vector(3downto0);同意的人数disagree:out std_logic_vector(3downto0);不同意的人数y:out std_logic);是否通过标志end;architecture one of BJQ isbeginprocess(input)variable cnt:integer range0to7;variable cnt0:integer range0to7;begincnt:=0;for i in6downto0loopif input(i)='1'thencnt:=cnt+1;end if;end loop;cnt0:=7-cnt;if cnt>3then y<='0';else y<='1';end if;case cnt iswhen0=>agree<="0000";when1=>agree<="0001";when2=>agree<="0010";when3=>agree<="0011";when4=>agree<="0100";when5=>agree<="0101";when6=>agree<="0110";when7=>agree<="0111";when others=>agree<="0000";end case;case cnt0iswhen0=>disagree<="0000";when1=>disagree<="0001";when2=>disagree<="0010";when3=>disagree<="0011";when4=>disagree<="0100";when5=>disagree<="0101";when6=>disagree<="0110";when7=>disagree<="0111";when others=>disagree<="0000";end case;end process;end;程序输入完成后进行保存,名字与实体名一致BJQ。
七人表决器设计一.设计要求1. 能够完成七人表决的功能,并且直观的显示结果:决议通过显示字母P,否则显示字母E;2.能够选择显示表决双方的人数,有控制开关与显示指示灯,并且能够实时的显示反对与赞成的人数;3.能够选择是否记名,并有指示灯显示。
当选择记名时,与表决参与者相对应的指示灯亮起;4.不设置弃权的状况,超过三人同意则表示决议通过。
二.设计思路1.使用Altera的Cyclone II器件,FPGA型号为EP2C35F672C6N;开发平台为Quartus II 8.02.使用6个拨动开关用以进行表决,开关闭合时表示同意,断开时表示不同意;3.使用6个LED用以显示表决的个人结果,用以显示记名时的情况。
LED亮起表示表决人同意,否则表示不同意;4.使用一个七段数码管用以显示表决结果,通过显示P,否则显示E;另外使用两个数码管用以分别显示同意与不同意的人数;5.使用两个拨动开关控制是否记名,是否显示表决的人数结果;6.其他电路按需要搭建。
三.硬件系统组成框图注释:set:选择是否记名set1:选择是否显示投票人数及比例xin[0:6]:表决输入,分别是七个拨动开关sel:输出指示是否记名投票sel1:输出指示是否显示投票人数及比例xout[0:6]:译码用数码管输出表决是否通过xout0[0:6]:译码用数码管输出同意的人数(set1=1)xout1[0:6]:译码用数码管输出不同意同意的人数(set1=1)xout2[0:6]:译码用七个LED输出记名结果设计HDL源程序library ieee;use ieee.std_logic_1164.all;use ieee.std_logic_unsigned.all;entity biao isport (set, set1: in std_logic ; ----控制按键xin: in std_logic_vector ( 6 downto 0 ); ----按键输入表决sel,sel2: out std_logic; -------控制指示灯xout,xout0,xout1,xout2 : out std_logic_vector ( 6 downto 0 )); ----xout显示结果,xout0显示否决的人数,xout1赞成的人数,xout2 LED输出end entity ;architecture bev of biao isbeginprocess ( xin ,set,set1)variable j: integer :=0;beginj:=0;for i in 0 to 6 loop ------统计同意的个数if xin(i)='1' thenj:=j+1;end if;end loop;if (set='1') then -------是否记名投票sel<='1';xout2<=xin; -------记名投票elsesel<='0';xout2<="0000000";end if;if j>3 then ------判决是否表决通过并输出结果xout<="0001100"; ----数码管显示Pelse xout<="0000110"; -----数码管显示Eend if;if set1='1' then ------是否显示表决比例sel2<='1'; ------显示指示灯亮并且译码输出同意与不同意的数目case j is ------显示赞成的人数when 0 =>xout1<="1000000";when 1 =>xout1<="1111001";when 2 =>xout1<="0100100";when 3 =>xout1<="0110000";when 4 =>xout1<="0011001";when 5 =>xout1<="0010010";when 6 =>xout1<="0000010";when 7 =>xout1<="1111000";when others =>xout1<="XXXXXXX";end case;case j is ------显示不赞成的人数when 7 =>xout0<="1000000";when 6 =>xout0<="1111001";when 5 =>xout0<="0100100";when 4 =>xout0<="0110000";when 3 =>xout0<="0011001";when 2 =>xout0<="0010010";when 1 =>xout0<="0000010";when 0 =>xout0<="1111000";when others =>xout0<="XXXXXXX";end case;else ------不显示表决比例sel2<='0';xout0<="1111111"; ----不显示数字xout1<="1111111";end if;end process;end architecture bev;四.DE2平台仿真1.在Quartus中打开已经建好的工程文件;2.按要求选择设备并且分配管脚,重新编译,连接实验板的电源线与下载线,下载程序文件3.分别拨动开关sw0到sw6,看是否能够满足基本要求;在分别拨动sw16,sw17,看是否能够按要求显示表决人数结果与对应的LED灯是否正常亮与灭。
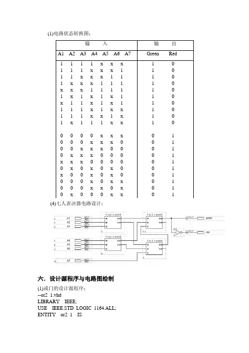
(1)电路状态转换图:(4)七人表决器电路设计:六.设计源程序与电路图绘制(1)或门的设计源程序:--or2_1.vhdLIBRARY IEEE;USE IEEE.STD_LOGIC_1164.ALL; ENTITY or2_1 ISPORT(A,B:IN STD_LOGIC;C:OUT STD_LOGIC);END ENTITY or2_1; ARCHITECTURE art1 OF or2_1 IS BEGINC<=A Or B;END ARCHITECTURE art1;(2)半加器的设计源程序:--h_adder.vhdLIBRARY IEEE;USE IEEE.STD_LOGIC_1164.ALL; ENTITY h_adder ISPORT(A,B:IN STD_LOGIC;SO,CO:OUT STD_LOGIC); END ENTITY h_adder; ARCHITECTURE art2 OF h_adder IS BEGINSO<=NOT(A XOR(NOT B));CO<=A AND B;END ARCHITECTURE art2;电路图:(3)全加器的设计源代码:--f_adder.vhdLIBRARY IEEE;USE IEEE.STD_LOGIC_1164.ALL; ENTITY f_adder ISPORT(AIN,BIN,CIN:IN STD_LOGIC;SUM,COUT:OUT STD_LOGIC); END ENTITY f_adder; ARCHITECTURE art3 OF f_adder IS COMPONENT h_adder ISPORT(A,B:IN STD_LOGIC;SO,CO:OUT STD_LOGIC); END COMPONENT h_adder; COMPONENT or2_1 ISPORT(A,B:IN STD_LOGIC;C:OUT STD_LOGIC);END COMPONENT or2_1;SIGNAL S1,S2,S3:STD_LOGIC;BEGINU1:h_adder PORT MAP(A=>AIN,B=>BIN,CO=>S1,SO=>S2);U2:h_adder PORT MAP(A=>S2,B=>CIN,CO=>S3,SO=>SUM); U3:or2_1 PORT MAP(A=>S1,B=>S3,C=>COUT);END ARCHITECTURE art3;电路图:(4)七人表决器设计电路:七.电路仿真仿真波形图:引脚锁定:。
七人表决器实验报告七人表决器实验报告引言:在日常生活中,我们经常会遇到需要做决策的情况。
而在集体决策中,如何快速、公正地达成共识成为了一个重要的问题。
为了解决这一问题,我们进行了七人表决器的实验。
本实验旨在探索七人表决器在集体决策中的效果和影响因素。
实验设计:我们邀请了七位志愿者参与实验,每个人都具有不同的背景和观点。
在实验开始前,我们向每位参与者提供了相同的决策问题,并要求他们独立思考并给出自己的答案。
然后,我们将七人表决器放置在桌面上,并告知参与者如何使用。
在每次决策中,参与者需要将自己的决策结果输入到表决器中,然后等待其他人完成决策。
当所有参与者完成决策后,表决器会自动计算出最终的决策结果。
实验结果:通过观察实验过程和分析实验数据,我们得出了以下结论:1. 影响决策结果的因素:参与者的个人观点、决策顺序以及决策权重等因素都可能影响最终的决策结果。
在实验中,我们发现当个人观点相差较大时,决策结果往往会偏向于多数人的意见。
而当个人观点相似或相同时,决策结果则更容易达成一致。
2. 决策效率的提升:相比于传统的集体讨论和投票方式,七人表决器在决策效率上具有明显的优势。
参与者只需输入自己的决策结果,无需进行冗长的讨论和辩论过程,从而节省了时间和精力。
3. 决策公正性的保障:七人表决器在一定程度上保障了决策的公正性。
由于每个参与者的决策权重相等,没有任何一方能够主导决策结果。
这种平等的决策机制能够避免个别参与者的意见被忽视或压制,从而提高了决策的公正性。
讨论:尽管七人表决器在决策效率和公正性方面具有优势,但仍存在一些潜在的问题和限制。
首先,由于每个参与者只能输入一个决策结果,可能无法充分体现个体的多样性和复杂性。
其次,决策结果可能受到决策顺序的影响,先行决策者的意见可能会对后续决策者产生影响。
此外,表决器本身的设计和算法也可能存在一定的偏差,需要进一步优化和改进。
结论:通过本次实验,我们初步探索了七人表决器在集体决策中的应用。
七人表决器一:实验目的1.掌握用VHDL硬件描述语言做数字电路综合和设计的方法。
2.熟练掌握程序的编译,仿真,生成模块及引脚号码锁定方法并下载到目标芯片。
二:实验仪器ZY11EDA12BE三:实验要求设计一个七人表决电路,当参与表决的7人中有4人或4人以上赞同时,表决器输出“1”表示通过,否则输出“0”表示不通过。
实验时,可用7个电平开关作为表决器的7个输入变量,输入“1”表示表决者“赞同”输入“0”表示表决者“不赞同”。
可在上述电路的基础上,增加数码管显示功能,显示赞同和不赞同的票数。
四:实验原理根据设计任务要求,实验电路如上图,其中key表示七个输入cp为输入脉冲,result为表决结果显示,seg[6。
0]为送数码管显示结果,sel为选择要显示的数码管其vhdl语言编写后连接,程序如下:library ieee;use ieee.std_logic_1164.all;use ieee.std_logic_unsigned.all;use ieee.std_logic_arith.all;entity biaojue isport (cp:in std_logic;key_in:in std_logic_vector(6 downto 0);result:out std_logic;seg_out:out std_logic_vector(6 downto 0);sel:out std_logic_vector(2 downto 0));end biaojue;architecture arc of biaojue issignal sum:std_logic_vector(3 downto 0);signal seg1,seg0:std_logic_vector(6 downto 0);signal sel1: std_logic_vector(2 downto 0);beginprocessvariable sum1:std_logic_vector(3 downto 0);beginsum1:="0000";for i in 0 to 6 loopif key_in(i)='1' thensum1:=sum1+"0001";elsesum1:=sum1;end if;end loop;sum<=sum1;if sum(2)='1' thenresult<='1';elseresult<='0';end if;case sum iswhen "0000"=>seg1<="0111111";seg0<="0000111";when "0001"=>seg1<="0000110";seg0<="1111101";when "0010"=>seg1<="1011011";seg0<="1101101";when "0011"=>seg1<="1001111";seg0<="1100110";when "0100"=>seg1<="1100110";seg0<="1001111";when "0101"=>seg1<="1101101";seg0<="1011011";when "0110"=>seg1<="1111101";seg0<="0000110";when"0111"=> seg1<="0000111";seg0<="0111111";when others=>seg1<="0000000";seg0<="0000000"; end case;end process;process(cp)beginif(cp'event and cp='1') thenif sel1<="001"thensel1<="000";else sel1<=sel1+"001";end if;end if;end process;sel<=sel1;process(cp)beginif(cp'event and cp='1')then--sel<=sel1;if sel1="001"thenseg_out<=seg0;--sel<=sel1;elsif sel1="000" thenseg_out<=seg1;--sel<=sel1;end if;end if;end process;end arc;五:管脚锁定输入:1.掌握了用vhdl语言常用的设计方法,原理图和vhdl语言硬件描述法2.理解动态扫描电路的基本原理并实现七:参考资料《EDA技术习题与实践》《EDA与数字系统设计》。
EDA 课程设计报告书课题名称 七人表决器设计姓 名学 号 院、系、部 电气系专 业 电气工程及其自动化指导教师2010年 7 月3日※※※※※※※※※ ※※ ※※ ※※ ※※※※※※※※※2007级EDA课程设计七人表决器设计一、设计目的1.熟悉Quartus II软件的使用。
2.熟悉七人表决器的工作原理3.熟悉EDA开发的基本流程。
二、设计要求表决器就是对于一个行为,由多个人投票,如果同意的票数过半,就认为此行为可行;否则如果否决的票数过半,则认为此行为无效。
七人表决器由七个人来投票,当同意的票数大于或者等于4人时,则认为同意;反之,当否决的票数大于或者等于4人时,则认为不同意。
实验中用7个拨挡开关来表示七个人,当对应的拨挡开关输入为‘1’时,表示此人同意;否则若拨挡开关输入为‘0’时,则表示此人反对。
表决的结果用一个LED表示,若表决的结果为同意,则LED被点亮;否则,如果表决的结果为反对,则LED不会被点亮。
同时用七段显示数码管来显示同意的人数。
三、电路及连线设计管脚分配:实验符号对应附录符号管脚K1 K1 PIN_74K2 K2 PIN_73K3 K3 PIN_38K4 K4 PIN_39K5 K5 PIN_44K6 K6 PIN_45K7 K7 PIN_46A A 62B B 61C C 60D D 59E E 58F F 57G G 56m_Result D1_1 PIN_215四、使用说明本设计就是利用EDA/SOPC-II+实验箱中的拨挡开关模块和LED模块来实现一个简单的七人表决器的功能。
拨挡开关模块中的K1~K7表示七个人,当拨挡开关输入为‘1’时,表示对应的人投同意票,否则当拨挡开关输入为‘0’时,表示对应的人投反对票;LED模块中D1_1表示七人表决的结果,当D1_1点亮时,表示一致同意,否则当D1_1熄灭时,表示一致反对。
五、流程图设计六、程序设计如下:library ieee;use ieee.std_logic_1164.all;USE IEEE.STD_LOGIC_UNSIGNED.ALL;entity biao isport ( reset : in std_logic ;xin: in std_logic_vector ( 6 downto 0 );sel: out std_logic;xout : out std_logic_vector ( 6 downto 0 );xout1 : out std_logic_vector ( 6 downto 0 ));end entity ;architecture bev of biao isbeginprocess ( xin )variable j: integer :=0;beginj:=0;for i in 0 to 6 loopif xin(i)='1' thenj:=j+1;end if;end loop;case j iswhen 0 => xout1 <= "1000000" ;when 1 => xout1 <= "1111001" ;when 2 => xout1 <= "0100100" ;when 3 => xout1<= "0110000" ;when 4 => xout1 <= "0011001" ;when 5 => xout1 <= "0010010" ;when 6 => xout1 <= "0000010" ;when 7 => xout1 <= "1111000" ;when others => null;end case;if j>3 thenxout<="1110011";sel<='1';else xout<="1111001";sel<='0';end if;end process;end architecture bev;七、设计总结:通过这段时间的EDA课程设计,我更加熟练的掌握了EDA开发的基本流程,熟练的使用Quartus II软件进行编程,在大家的努力之下,我们完成了七人表决器的相关设计,在此我要感谢我的组员和在EDA设计中给于我们很多帮助的老师们。
单片机又称单片微控制器,它不是完成某一个逻辑功能的芯片,而是把一个计算机系统集成到一个芯片上,它体积小,质量轻,价格便宜,为学习、应用和开发提供了便利条件。
近几年来,开发推出单片机的公司很多,各种高性能单片机芯片市场也异常活跃,新技术不断采用,更加是单片机的种类、性能及应用领域不断扩大和提高,单片机已经在各个领域受到广泛应用。
本题就是基于单片机的一个七人表决器设计。
本题以AT89C52单片机为主控芯片,与LED显示灯、开关、七段数码管等共同构成七人表决器。
使用单片机可以使整个系统结构灵活,构成简单,且功能可以扩展或者裁减。
而且现在单片机已经很便宜,整个系统构成成本也不高。
在现实会议中使用电子表决器表决,可以使表决结果更加精确,表决效率大大提高,而且更能体现评为们的意志。
表决器设有赞成、反对开关,开始表决后,只要主持人按结果现实按键,结果就能实时显示出来。
在单片机的教学中,这也是一个很好的案例。
七人表决器包括C51单片机运行程序、表决器电路设计、按键设定、LED显示等模块。
关键词:表决器,单片机,KEIL,proteus仿真。
Single-chip microcomputer and says monolithic micro controller, it is not a complete a logical function chips, but put a computer system integration to a chip, it is small, light quality, the price is cheap, for learning, application and development provides the convenience. In recent years, the development of single chip company launched many, all kinds of high performance microprocessor chip market is very active, new technology is constantly, even more is the single chip microcomputer type, performance and application field to expand and improve, microcontroller has been widely applied in all fields.Ontology based on single chip computer is one of the seven Voter design. Subject to the microcontroller of AT89C52 main control chip, and LED display lights, switch, seven period of digital tube to form a Voter seven people. Using single chip can make the whole system flexible structure, a simple, and function can expand or cuts. And now microcontroller is cheap, the whole system construction cost is not high also.In reality Voter use electronic voting in the meeting, can make the voting results more accurate, voting efficiency greatly improved, and more can reflect the will of the as. Voter has agreed, against switch, began after a vote, as long as the host the buttons in reality, the results can real-time display. In the teaching of the single chip microcomputer, this is also a very good case. Seven people Voter including C51 operation procedures, Voter circuit design, key setting, LED display, and other modules.Keywords:Voter System,singlechip,simulation目录1 前言 (1)2 设计目的与任务 (2)2.1设计目的 (2)2.2设计任务要求 (2)3 方案 (3)3.1方案 (3)3.1.1 方案一 (3)3.1.2 方案二 (4)3.2方案论证 (5)4 设计具体 (6)4.1硬件设计 (6)4.2软件设计 (7)5 说明 (9)6 总结 (11)致谢 (12)参考文献 (13)1 前言此处加入本课题的意义等内容……在计算机出现以前,有不少能工巧匠做出了不少精巧的机械。
第三章数字电路与数字系统设计实验实验一七人表决器一、实验目的1 .初步了解VHDL语言。
2 .学会用行为描述方式来设计电路。
二、实验原理用七个开关作为表决器的7个输入变量,输入变量为逻辑“1”时表示表决者“赞同”;输入变量为“0”时,表示表决者“不赞同”。
输出逻辑“1”时,表示表决“通过”;输出逻辑“0”时,表示表决“不通过”。
当表决器的七个输入变量中有4个以上(含4个)为“1”时,则表决器输出为“1”;否则为“0”。
七人表决器设计方案很多,比如用多个全加器采用组合电路实现。
用VHDL语言设计七人表决器时,也有多种选择。
常见的VHDL语言描述方式有行为描述、寄存器传输(RTL)描述、结构描述以及这几种描述在一起的混合描述。
我们可以用结构描述的方式用多个全加器来实现电路,也可以用行为描述。
采用行为描述时,可用一变量来表示选举通过的总人数。
当选举人大于或等于4时为通过,绿灯亮;反之不通过时,黄灯亮。
描述时,只须检查每一个输入的状态(通过为“1”不通过为“0”)并将这些状态值相加,判断状态值和即可选择输出。
三、实验内容1.用VHDL语言设计上述电路。
2.下载并验证结果。
四、设计提示1.初次接触VHDL语言应注意语言程序的基本结构,数据类型及运算操作符。
2.了解变量和信号的区别。
3.了解进程内部顺序执行语句及进程外部并行执行语句的区别。
五、实验报告要求1.写出七人表决器的VHDL语言设计源程序。
2.书写实验报告时要结构合理,层次分明,在分析叙述时注意语言的流畅。
实验二格雷码变换电路一、实验目的1.用组合电路设计4位格雷码/二进制变换电路。
2.了解进程内部CASE语句的使用及用VHDL语言设计门级电路的方法。
二、实验原理用VHDL语言描述4位格雷码/二进制码变换电路有两种设计方法,即方程输入、状态选择方程。
1)方程输入法4位格雷码/二进制码的转换表如下表所示。
由此转换表(真值表)可以求得每个输出方程为:B3=G3;B2=!G3G2+G3!G2;B1=!G3!G2G1+!G3G2!G1+G3!G2!G1;B0=!G3!G2!G1G0+!G3!G2G1!G0+!G3G2G1G0+!G3G2!G1!G0+G3G2!G1G0+G3G2G1!G0+G3!G2G1G0+G3!G2!G1!G0;考虑实验时观察方便,每个输出均受一个EN信号控制;EN=0时,4个输出为0;EN=1时,4个输出由上式决定。
七人表决器一.实验目的1.掌握Quartus II软件安装,熟悉Quartus II操作环境。
2.初步了解VHDL语言。
3.学习使用行为级描述方法设计电路。
二.实验原理七人表决器使用7个电平开关作为表决器的7个输入变量,输入为电平“1”时表示表决者“赞同”,输入为电平“0”时表示表决者“不赞同”。
当表决器的7个输入变量中有不少于4个输入变量输入“1”,那么表决结果输出逻辑高电平,表示表决“通过”,否则,输出逻辑低电平,表示表决“不通过”。
七人表决器的可选设计方案非常多,可以采用使用全加器的组合逻辑。
使用VHDL 进行设计的时候,可以选择行为级描述、寄存器级描述,结等方法。
当采用行为级描述的时候,采用一个变量记载选举通过的总人数。
当这个变量的数值大于等于4时,表决通过,绿灯亮;否则表决不通过,黄灯亮。
因此,设计时,需要检查每一个输入的电平,并且将逻辑高电平的输入数目进行相加,并且进行判断,从而决定表决是否通过。
二.实验内容1.安装Quartus II软件,熟悉Quartus II操作环境。
2.使用VHDL实现上述描述。
3.波形仿真。
4.生成元件以及RTL四.设计提示1.初次接触VHDL应该注意程序的框架结构,数据类型和运算操作符。
2.了解变量和信号的区别。
3.了解进程内外语句的顺序和并行执行的区别。
4.设计文本的端口可如下:设计文本:LIBRARY IEEE;library ieee;USE vote7 ISPORT(men:in std_logic_vector(6 downto 0);LedPass,LedFail:OUT std_logic);END vote7;ARCHITECTURE behave OF vote7 ISsignal pass:std_logic;BEGINPROCESS(men)variable temp:std_logic_vector(2 downto 0);BEGINtemp:="000";for i in 0 to 6 loop--结束if(men(i)='1')thentemp:=temp+1;elsetemp:=temp+0;end if;end loop;pass<=temp(2);END PROCESS;LedPass<='1' WHEN pass='1'ELSE '0';LedFail<='1' WHEN pass='0'ELSE '0';--库和程序包--实体--结构体五.实验报告要求1.记录仿真波形。
一、实验目的1、掌握VHDL设计流程2、熟悉应用型电路设计方法二、实验内容设计七人表决器电路,系统有七个输入,每个输入端输入‘1’为通过,‘0’为不通过,七个输入中通过者超过半数输出为‘1’。
三、实验设备1、硬件:PC机一台2、软件:Maxplus2环境四、实验设计程序:LIBRARY IEEE;USE IEEE.STD_LOGIC_1164.ALL;USE IEEE.STD_LOGIC_UNSIGNED.ALL;ENTITY DFF1 ISPORT (A1,A2,A3,A4,A5,A6,A7:IN STD_LOGIC;Y:OUT STD_LOGIC);END;ARCHITECTURE bhv OF DFF1 ISBEGINPROCESS(A1,A2,A3,A4,A5,A6,A7)VARIABLE SUM:INTEGER RANGE 0 TO 7;BEGINSUM:=0;IF A1='1'THEN SUM:=SUM+1;END IF;IF A2='1'THEN SUM:=SUM+1;END IF;IF A3='1'THEN SUM:=SUM+1;END IF;IF A4='1'THEN SUM:=SUM+1;END IF;IF A5='1'THEN SUM:=SUM+1;END IF;IF A6='1'THEN SUM:=SUM+1;END IF;IF A7='1'THEN SUM:=SUM+1;END IF;IF SUM>3 THEN Y<='1';ELSE Y<='0';END IF;END PROCESS;END;实验思路分析:在实体H_7中定义端口A1,A2,A3,A4,A5,A6,A7 和GAIN,其中A1,A2,A3,A4,A5,A6,A7为七位标准逻辑向量,用于表示七个人,GAIN为标准逻辑输出。
一、题目用VHDL设计七人表决器二、分析讨论:七人表决器这一功能用C语言、汇编语言或VHDL编程然后下载到单片机上实现,不过用VHDL编程不仅技术含量高而且能让我们更熟练的掌握使用quartus软件的步骤和方法。
所以我们使用VHDL完成。
七人表决器就是当投票的人中,同意个数过半(即大于等于4)时,认为通过;否则,不通过。
在编程中我们使用一个七位二进制输入变量表示投票人;一个七位二进制输出变量表示一个七段数码管显示同意的票数;一个一位的输出变量表示最终的投票结果。
此结果能够在quartus软件中通过时序仿真。
在硬件上我们用七个拨动开关来表示七个投票人,拨动开关为‘1’时表示同意,为‘0’表示不同意;同意的票数和表决的时间分别通过一个七段数码管显示出来;最终的表决结果用一个LED表示。
三、设计方案3.1实现原理首先,编写一个十进制的减法计数器,其输入为clk, clr, en,输出为q[3..0]。
外部的时钟信号的频率选择为1KHz,此频率太大无法显示投票的限制时间,所以要用一个分频器来增大计数时间。
设计一个分频器的程序,将时钟信号经过分频器输入到计数器中,输入为clk, 输出为new clk。
当clk 有1000个上升沿是newclk产生一个脉冲,也就是计数器计数一次。
其次,编辑七人表决器在主程序,其输入为clk, clr, en, input[6..0],q[3..0],输出为output,led[6..0]。
此程序的是时钟脉冲clk也为1KHz;当q 从9到4期间投票是有效的,在4到0期间是无效的,此时就显示之前同意的票数。
记录的票数通过casa语句转换到8位七段数码管显示出来。
投票的时间和记录的票数要通过两个数码管显示,所以要用一个三八译码器来完成。
接着编辑一个三八译码器的程序,其输入为clk, led[6..0], q[3..0], 输出为choice, data[7..0]。
程序中当用一个中间变量来选择数码管,由于clk的扫描的频率很大,所以两个数码管看上去是同时显示。
一.方案设计1.设计题目:七人表决器。
2.实训要求利用AT89S51单片机设计并制作会议表决计票器电路。
具体要求如下:1、可供57个人进行表决,每个人有一个“同意”和一个“反对”按键,表决时两个键先按下的一个有效,若再按另一个键将清楚前一次按键的效能;每次表决每个按键只能是第一次按的有效,多按的次数无效,除非前一次按键的效能已被清楚或没有生效。
2、会议主持人可利用按键控制表决开始和结束;开始表决后,点亮黄色指示灯,表示可以进行表决,同时清楚原来的表决结果;结束表决后显示表决结果;“同意”多于“反对”点亮绿色指示灯,反之点亮红色指示灯。
3、在实现上述功能的基础上增加“同意”数和“反对”数的显示。
二.硬件电路设计和原理。
1.硬件设计思路:设计题目为5—7人表决器,题目选为七人表决器,七个按键表示同意,七个按键表示反对,各按键与单片机的输入端口相连,因此可选用单片机的四个I/O口,因为在单片机内部P1和P2都有上啦电阻,而P0没有上啦电阻,要在外部加上一个上拉电阻,为了简化电路,把P1和P2口选为按键同意和反对的输入端,因为表决考试和结束要利用主持人按键来控制,我采用外部中断0和外部中断一来控制其开始和结束;设计要求中需要四张灯,分别为2个红灯,一个黄灯,一个绿灯,其中三个灯用于输出显示,可用单片机的I/O口,另外一个红灯作为电源灯来显示,判断是否通电,因为P1口和P2口用做按键的同意和反对,把P2剩余的I/O口与三个灯连接,分别连接在P2.3,P2.4,P2.5口,因为P0口是低电平有效所以我的P0口与LED现实器相连用于显示反对与同意的人数的多少,采用动态显示的方式,为了保证两个显示器不再相同时间显示相同的数字,所以LED显示器的公共端受另外一组信号的控制,采用延时的方式让它们分别显示出来。
2.元件参数确定:设计中需要四盏灯,分别为两个红灯,一个绿灯,一个黄灯,P0口的输出端输出高电平一般为5伏左右,最大电流为五毫安,因此必须加上限流电阻,我选用的是470欧的电阻,然后将单片机的最小系统加入此次的电路中。
总成绩:
一、设计任务
①有七人参与表决,显示赞同者个数。
②当赞同者达到及超过4人时,绿灯显示表示通过。
二、设计条件
本设计基于学校实验室的环境,根据实验室提供的实验条件来完成设计任务。
三、设计要求
①熟悉74LS161,74LS151,数码管的工作原理。
②设计相应的电路图,标注元件参数,并进行仿真验证。
四、设计内容
1.电路原理图(含管脚接线)
本实验主要用74LS161、74LS151实现。
74LS161管脚及功能表如下图所示:
74LS161芯片管脚功能图
74LS161功能表如下:
74LS151的管脚分布及功能表如下图所示:
七人表决器的表决信息作为74LS151的输入信号。
当第一个计数器从1计到7,数据选择器分别吧7路输入输出给第二个计数器,以统计同意的人的个数,若大于等于4人,则绿灯发亮,同时第二个计数器输出端接数码管以显示统一的人数。
下图为表决器电路原理图:
2.电路仿真
调试流程
4.
5.设计和使用说明
七个人对应七个开关,当七人表决结束后,闭合控制开关key,,电路将其人表决信息统计,结果输出在法光二极管及数码管中。
断开key开关进行清零,进行下一轮的投票。
六、设计参考资料
(1)杨世彦《电工学(中册)电子技术(第二版)》机械工业出版社2008.5
(2)吴建强《电工学新技术实践(第二版)》机械工业出版社2009.8。
实验报告七人表决器摘要所谓表决器就是对于一个行为,由多个人投票,如果同意的票数过半,就认为此行为可行;否则如果否决的票数过半,则认为此行为无效。
七人表决器顾名思义就是由七个人来投票,当同意的票数大于或者等于4人时,则认为同意;反之,当否决的票数大于或者等于4人时,则认为不同意。
实验中用7个拨挡开关来表示七个人,当对应的拨挡开关输入为‘1’时,表示此人同意;否则若拨挡开关输入为‘0’时,则表示此人反对。
表决的结果用一个LED 表示,若表决的结果为同意,则LED被点亮;否则,如果表决的结果为反对,则LED不会被点亮。
流程图:根据电路状态转换表→设计数值输出→运用门电路设计电路图→仿真运行→实现七人多数表决器的设计一、实验目的1.熟悉VHDL编程2.熟悉七人表决器工作原理3.进一步了解实验系统的硬件结构二、实验设备1.PC机2.THGSC-3型实验箱3.Altera Blaster 下载器三、设计要求用七个开关作为表决器的七个输入变量,逻辑“1”时表示“赞同”,逻辑“0”时表示“不赞同”,用发光二极管作为输出指令,输出逻辑“1”表示“通过”;输出逻辑“0”时表示“不通过”。
当表决器的七个输入变量中的4个以上(包含4个)为“1”时,则表决器输出为“1”;否则为“0”。
四、实验内容1.电路状态转换图:2.编写实验代码及注释如下图4.管脚分配说明:(1)清零端设置为按键S1(2)置数端设置为拨动开关SW8 (3)七个输入SW1~SW7(4)七个led输出D1~D7(5)数码管显示a~g5.分配图。
北方民族大学课设报告院系电气信息工程学院姓名张海强学号 2017xxxx专业电子信息工程班级 2017级(1)班同组人员课程名称 EDA技术基础题目名称七人表决器起止时间成绩指导教师教师评语:北方民族大学教务处制1.设计任务要求:七人表决器的设计内容主要是,用七个开关作为表决器的7个输入变量,输入变量为逻辑“1”时表示表决者“赞同”;输入变量为“0”时,表示表决者“不赞同”。
输出逻辑“1”时,表示表决“通过”;输出逻辑“0”时,表示表决“不通过”。
当表决器的七个输入变量中有4个以上(含4个)为“1”时,则表决器输出为“1”;否则为“0”。
实验要求:1)用VHDL语言进行上述电路设计。
2)仿真验证设计结果。
2.设计原理说明:七人表决器的设计方法很多,比如用多个全加器采用组合电路实现。
用VHDL语言设计七人表决器时,也有多种选择。
常见的VHDL语言描述方式有行为描述,寄存器传输(RTL)描述、结构描述以及这几种描述在一起的混合描述。
我们可以用结构描述的方式用多个全加器来实现电路,也可以进行行为描述。
采用行为描述时,可用一变量来表示选举通过的总人数。
当选举人大于或等于4时为通过,绿灯亮;反之不通过时,黄灯亮。
描述时,只须检查每一个输入的状态(通过为“1”不通过为“0”)并将这些状态值相加,判断状态值和即可选择输出。
这里我们采用的是VHDL行为描述,行为描述简单明了,思路清晰。
3.设计方法阐述:1)实验题目分析:通过分析题目可以发现,不论用何种方法进行设计,最终的结果是有七个输入端用来表示个人的投票观点,加上七个直接的输出端接到LED灯上,显示个人的投票观点。
开始时灯为全灭,如果个人表示同意,那么与个人相对应的LED灯亮,还有两个输出端接到绿色和黄色的LED灯上,若最终表决器的输出结果是通过,那么绿色的LED灯亮,否则在黄色LED灯亮。
上述为实验的基本功能,为了更加容易分析,可以在增加投票计数等程序,同时为了计数器功能上的实用性可以加入数码管显示电路,显示票数等信息。
学院名称电子技术基础课程设计报告
七人表决器电路设计报告
学生姓名__ _____ 学号
专业
指导教师
系别__ _
年月日
一、评语(根据学生答辩情况及其报告质量综合评定)。
二、评分
指导教师签字:
年月日
摘要
本次设计的七人表决器,是投票系统中的客户端,是一种代表投票或举手表决的表决装置。
表决时,与会的有关人员只要按动各自表决器上“赞成”“反对”“弃权”的某一按钮,相应灯的明亮即显示出表决结果。
在七人表决器中七个人分别用手指拨动开关 SW1、SW2、SW3、SW4、SW5、SW6、SW7 来表示自己的意愿,如果对某决议同意,各人就把自己的指拨开关拨到高电平(上方)不同意就把自己的指拨开关拨到低电平(下方)。
表决结果用 LED(高电平亮)显示,如果决议通过那么发光二极管会发亮;如果不通过那么发光二极管就不亮;如果对某个决议有任意四到七人同意,那么此决议通过,发光二极管就会发亮;如果对某个决议只有一个人或没人同意,那么此决议不通过,发光二极管就不会亮。
根据设计与制作的主要内容按照设计题目,以及所学的组合逻辑所学的知识及数字电路和嵌入式的知识完成七人表决器的设计,使之能够满足表决时少数服从多数的表决规则,根据逻辑真值表和逻辑表达式完成表决功能。
首先根据七人多数表决电路列出真值表,进行化简,写出逻辑表达式,画出逻辑图。
目录
1 概述 (1)
2 系统总体方案及硬件设计 (2)
2.1电路的总体原理框图 (2)
2.2元件选择 (2)
3 各模块设计 (3)
3.1投票按键部分电路设计 (3)
3.2输入转换部分及控制电路 (3)
3.3票数统计部分及控制电路 (4)
3.4票据分析与结果显示分 (5)
3.5总体电路 (7)
4 软件仿真 (8)
5 课程设计体会 (9)
参考文献(按照标准格式) (10)
数字电子技术课程设计
1 概述
1.1 七名表决人编号为:1,2,3,4, 5, 6, 7。
1.2七人根据自己的意愿进行表决,七人均可同意否决与弃权。
以简单数字逻辑电路表示弃权与同意与否。
1.3每人只有一次表决权利,无论是弃权与否最后票数进行累加。
1.4经过累加器后,由于弃权为优先级,首先得出弃权票,一旦弃权票数累加超过三票,会议再议,给予相应触发脉冲,黄灯亮起,否则票数真实有效。
1.5在优先级输出为1,即会议不用再议的情况下,对累加器得出的同意与否票数进行累加。
1.6经由累加器计算后所得最后票数决定最终该提议通过与否。
超过半数即为通过,绿灯亮起。
不通过则红灯亮起。
2 系统总体方案及硬件设计
2.1.电路的总体原理框图
工作原理如图:投票按键部分每人有三个按键,总共21个按键,投票时按下相应的键就可以将相应的信号送入输入转换部分,输入转换部分主要由移位寄存器组成,它的作用是将投票时并行输入的数据串行输出,在控制电路的作用下,数据在这里逐个输出进入票数统计部分,这部分主要是由三个JK触发器组成的三位二进制计数器。
2.2元件选择
1. 集成电路:74LS85 2片JK触发3片74LS194A 4片
2. 其他:简单基本逻辑电路元件若干红绿黄灯各一个
3 各模块设计
3.1投票按键部分电路设计
用A表示一个人是否通过,通过为“1”,否决为“0”;用B表示此人是否弃权,弃权为“1”,不弃权为“0”。
仅在此人不弃权的情况下,通过与否才有存在的价值。
用Y0表示此人最终是否弃权,弃权为“1”,不弃权为“0”;Y1
表示此人最终是否通过,通过为“1”,否决为“0”。
A B Y0 Y1
0 0 0 0
0 1 1 *
1 0 0 1
1 1 1 *
Y O=A’B+AB Y1=AB’
3.2输入转换部分及控制电路
这部分电路由两个74LS194A组成,主要功能是将投票信号作为并行输入,然后在脉冲信号作用下串行输出,当S1=S0=1时为并行输入状态,这时为投票时间,当投票完以后,所有数据寄存在74LS194中,然后通过控制电路将S1置为0,这时电路工作在右移状态,74LS194A在脉冲信号作用下,存储的数据在每次脉冲到达上升沿时,右移一位,做有边的数据从74LS194(2)的Q3端口输出
3.3票数统计部分及控制电路
这部分电路由三个JK触发器组成一个简易的三位二进制计数器,以及三个三台输出CMOS反相器组成的控制电路组成,主要功能是将74LS194A中输出的数据依次相加。
T端口接与74LS194A(2)的Q3输出端口每次脉冲信号到达上升沿时若Q3为0则保持,若Q3为1则翻转,脉冲信号与上图中74LS194A脉冲信号同步。
3.4票据分析与结果显示部分
由两片74LS85构成数据比较器,将弃权统计票据结果与三人做比较,将比较信号B N设定为011,由数据最高位起进行比较,根据比较结果决定会议是否再议;将同意人数累加结果与一半人数相比较,最终得出会议是否取得同意。
3.5总体电路图
4 软件仿真
5课程设计体会
经过这一周的努力,在老师和同学的帮助下,我基本上完成了设计任务。
通过这次课程设计,我感觉自己收获颇多。
首先对数字电路这门课程有了更深的了解。
因为课程设计本身要求将以前所学的理论知识运用到实际的电路设计中去,在电路的设计过程中,无形中便加深了对数字电路的了解及运用能力,对课本以及以前学过的知识有了一个更好的总结与理解;以前的数字实验只是针对某一个小的功能设计,而课程设计对我们的总体电路的设计的要求更严格,需要通过翻阅复习以前学过的知识确立实验总体设计方案,然后逐步细化进行各模块的设计。
其次,学会了如何利用图书馆和网络资源查询各种信息知识,来扩展了我的思路,从而加强我对整体电路的结构和功能的了解。
更全面的弥补自己知识上的漏洞和不足。
这些都让我学到很多知识。
通过这次课程设计,我充分认识到了自学的重要性,以及学以致用的道理。
我在图书馆和网上查阅了大量的资料,同时也认识到了图书馆和网上搜索的重要作用。
在今后的学习过程中,应该多到图书馆和网上看一些专业方面的书籍,以丰富自己的知识。
也使我加深了对数字电路技术的理解和应用。
由于知识水平的局限,设计中可能会存在着一些不足,我真诚的接受老师和同学的批评和指正。
最后衷心感谢老师的悉心指导和同学门的热心帮助!
参考文献
【1】康华光.电子技术基础数字部分.北京:高等教育出版社.2006 【2】王彦朋.大学生电子设计与应用.北京:中国电力出版社.2007 【3】李玲.数字逻辑电路测试与设计.北京:机械工业出版社.2009 【4】阎石.数字电子技术基础.北京:高等教育出版社.2006。