ACR树脂)的检测方法
- 格式:doc
- 大小:189.50 KB
- 文档页数:6
ACR研究关于ACR加⼯助剂的介绍⼀、PVC加⼯助剂简介加⼯助剂在国外最早由美国罗门哈斯(Rohm & Hass)公司于1958年⾸先开发成功,同年推出第⼀个牌号K-120。
此后,国外许多公司开始纷纷涉⾜这⼀领域,开发出相类似的产品。
70年代之后,随着PVC制品的迅速增长,加⼯助剂得到了⼴泛应⽤。
⽬前,国外主要⽣产⼚家及相关产品有⽇本三菱(MITSUBSHI ROYAL)公司P系列、钟渊化学(KANEKA)PA系列、美国罗门哈斯(Rohm & Hass)公司K系列、德国熊牌(BEAR)F系列,阿托菲娜(ATOFINA) P系列,还有韩国LG化学的PA系列等。
国内较早从事PVC加⼯助剂研究的是北京化⼯研究院、⼭西化⼯研究所等。
上海珊瑚化⼯⼚于80年代初最早实现⼯业化⽣产,推出的牌号国内统称为ACR201、ACR401。
进⼊90年代后期,随着我国聚氯⼄烯⾏业的发展,特别是塑料异型材和塑料管道⾏业的迅猛发展,对加⼯助剂的需求量也迅速增长,⽬前⼭东产量第⼀,江苏、浙江紧随其后。
据不完全统计,2005年全国共⽣产各类PVC 加⼯助剂5万吨左右,其中⼭东省占全国助剂⽣产总量的70%以上。
国内主要⽣产ACR的⼚家如下:国外对抗冲改性剂ACR的研究始于20世纪70年代,并于1972年由罗姆哈斯公司推出了第⼀个丙烯酸酯类抗冲改性剂KM-323B。
随后⽇本钟渊推出了FM 系列,阿托菲娜推出了D系列,LG化学推出了IM系列。
抗冲改性剂ACR与加⼯助剂ACR都是丙烯酸酯聚合物,但因其配⽅⽐例和结构不同⽽性能⼤不相同,抗冲ACR中甲基丙烯酸甲酯约占10-20%,⽽丙烯酸酯约占80-90%。
ACR属于核壳结构的冲击改性剂,甲基丙烯酸甲酯—丙烯酸⼄酯⾼聚物组成的外壳,以丙烯酸丁酯类交联形成的橡胶弹性体为核的链段分布于颗粒内层。
抗冲改性剂ACR象MBS⼀样同为核壳结构。
与MBS、CPE等抗冲改性剂相⽐,其加⼯性能和耐候性能好,表⾯光洁度⾼,尤其适⽤于户外制品,在国外,丙烯酸酯类抗冲改性剂因其环保,性能优良,耐候性能⾼已经取代CPE抗冲改性剂。
树脂外观及透明度测试方法树脂是一种常见的材料,具有广泛的应用领域。
在许多应用中,树脂的外观及透明度是评估其质量的重要指标之一。
本文将介绍树脂外观及透明度的测试方法。
一、外观测试外观测试是评估树脂表面质量的重要手段。
常用的外观测试方法包括目测和显微镜观察。
1. 目测法:目测法是一种简单直观的测试方法,通过肉眼观察树脂表面的平整度、光泽度、颜色等来评估其外观质量。
目测时应在光线充足的环境下进行,避免光线影响判断结果。
2. 显微镜观察法:显微镜观察法是一种更精细的外观测试方法,可以观察到树脂表面微观结构的细节。
通过显微镜观察,可以评估树脂表面的平整度、结晶度、颗粒分布等。
二、透明度测试透明度是评估树脂透明性能的重要指标,常用的透明度测试方法包括透光率测试和透光图像分析。
1. 透光率测试:透光率是指光线穿过树脂的能力,是评估树脂透明度的重要参数。
透光率测试可以使用专业的透光率测试仪进行,该仪器通过测量透过样品的光线强度与透过空气的光线强度的比值来计算透光率。
2. 透光图像分析:透光图像分析是一种更直观的透明度测试方法,可以通过观察穿透树脂的光线的形态、强度等信息来评估树脂的透明度。
透光图像可以使用显微镜、光学显微镜或透光率分析仪等设备进行观察和分析。
三、其他测试方法除了外观和透明度的测试方法外,还有一些其他测试方法可以用于评估树脂的质量。
1. 热稳定性测试:热稳定性是指树脂在高温条件下的稳定性能。
常用的热稳定性测试方法包括热重分析法、差热分析法等。
这些方法可以评估树脂在高温下的分解、变形等情况,从而判断其热稳定性能。
2. 力学性能测试:力学性能是评估树脂强度和硬度的重要指标。
常用的力学性能测试方法包括拉伸试验、弯曲试验、硬度测试等。
这些测试方法可以评估树脂的抗拉强度、弯曲强度、硬度等性能。
总结树脂外观及透明度测试方法是评估树脂质量的重要手段。
外观测试可以通过目测和显微镜观察来评估树脂表面质量,透明度测试可以通过透光率测试和透光图像分析来评估树脂的透明性能。
丙烯酸及其同系物的酯类的总称。
比较重要的有丙烯酸甲酯、丙烯酸乙酯、2-甲基丙烯酸甲酯和2-甲基丙烯酸乙酯等。
能自聚或和其他单体共聚,是制造胶粘剂、合成树脂、特种橡胶和塑料的单体。
商品牌号很多,根据其分子结构中所含的不同交联单体,加工时硫化体系也不相同,由此可将丙烯酸酯橡胶划分为含氯多胺交联型、不含氯多胺交联型、自交联型、羧酸铵盐交联型、皂交联型等五类。
此外,还有特种丙烯酸酯橡胶,如含氟型及热塑性丙烯酸酯橡胶等。
性能丙烯酸酯橡胶的性能受其主要单体丙烯酸烷基酯中烷基碳原子数目的影响。
以丙烯酸酯为基础的橡胶,耐油、耐热性较好;而以丙烯酸丁酯为基础的橡胶,因烷基碳原子数目的增多,对酯基极性基的屏蔽效应增大,因此使耐水性有所改善,同时由于屏蔽效应,减弱了橡胶分子间力,增大了内部塑性,从而使脆性温度降低,耐寒性较好。
若通过上述两种单体并用,则可得到介于两者性能之间的橡胶。
特点无论哪一种类型的丙烯酸酯橡胶,其分子结构的共同特点有两个:一是高极性;二是完全饱和性。
从而使其具有优越的耐矿物油和耐高温氧化性能。
其耐油性仅次于氟胶,而与一般中高丙烯晴含量的丁腈橡胶相似。
而耐热性介于通用橡胶和硅、氟橡胶之间,比丁腈橡胶使用温度高出30~60℃,最高使用温度180℃,断续和短时间使用可达200℃,在150℃热空气老化数年性能无明显变化。
此外,最重要的是其对含有硫、氯、磷等极压剂的极压型润滑油十分稳定,使用温度可达150℃,间断使用温度可更高些。
而带有双键的丁腈橡胶在含有极压剂的油中,当温度超过110℃时,即发生显著硬化与变脆。
丙烯酸酯橡胶还具有优良的抗臭氧性、气密性、耐屈挠和耐裂口增长性,以及抗紫外线变色性等。
缺点加工性能差,胶料易粘辊,流速慢,耐寒性差,不耐水、水蒸气、酸碱、盐溶液以及有机极性溶剂,室温下的弹性差、耐磨性差,电性能差。
由于丙烯酸酯橡胶在耐热和耐油综合性能方面仅次于氟橡胶,因此是制造180℃高温下使用的橡胶油封、O型圈、垫片和胶管的使用材料。
不饱和聚酯树脂羟值测定方法本标准等效采用国际标准ISO 2554-1974《塑料——不饱和聚酯树脂——羟值的测定》。
1 术语羟值:中和通过乙酰化反应与1g不饱和聚酯树脂化合的乙酸,所消耗的氢氧化钾的毫克数。
2 方法原理本方法是以对甲苯横酸作催化剂,在乙酸乙酯中,利用乙酸酐与羟基乙酰化反应进行的。
过量的乙酸酐用吡啶/水混合液水解,生成的乙酸用氢氧化钾-甲醇标准溶液滴定。
滴定中,存在于树脂中的游离酸也被碱中和,所以羟值是在单独测定酸值后,最后计算求得。
不饱和聚酯树脂酸值的测定按GB 2895-82《不饱和聚酯树脂酸值的测定》进行。
3 试剂3.1 乙酸化溶液:将1 4g纯净、干燥的对甲苯磺酸溶于111ml无水乙酸乙酯中,当完全溶解时,在搅拌下缓慢地加入12ml新蒸熘的乙酸酐,保存在干燥器中。
注:推荐乙酸酐用五氧化二磷干燥处理后,过滤、蒸馏备用。
试验)。
3.2 吡啶/水混合液:3/2(体积比)3.3 混合指示剂:将3体积0 1%百里酚蓝乙醇溶液与1体积0 1%甲酚红乙醇溶液混合。
3.4 正丁醇/甲苯混合液:2/1(体积比)。
3.5 氢氧化钾-甲醇标准溶液:0 5~0 6N[1)]。
按GB 601-77《标准溶液制备方法》进行。
以上所用化学试剂均为分析纯。
4 仪器和设备4.1 碘瓶:250ml。
4.2 滴定管:50ml。
4.3 移液管:10ml。
4.4 磁力搅拌器。
4.5 恒温水浴:控制在50±1℃。
4.6 分析天平:感量0 001g.4.7 电位滴定仪。
采用说明:(1)ISO 2554-1974中,氢氧化钾-甲醇标准溶液为0 5N。
5 试验步骤5.1 称取3~5g[(1)]约含5mg当量羟基的试样〔试样质量(g)=280/羟值〕,准确到0 001g(如果羟值的近似值不知道应按本方法做初步实验放入250ml碘瓶中。
准确加入10ml乙酰化溶液,并放入磁力搅拌棒,立即塞上瓶塞,用乙酸乙酯湿润瓶口。
开动磁力搅拌器搅拌,使试样溶解(不易溶解的试样,可稍加温热或再加入5~10ml 酰化溶液,使之溶解)5.2 将碘瓶置于50±1℃的水浴中,浸入深度约10mm,保持45min。
GMP质量体系聚丙烯酸树脂Ⅱ检验操作规程一、目的为了确保聚丙烯酸树脂Ⅱ的质量符合相关的标准要求,制定本操作规程。
本操作规程适用于所有聚丙烯酸树脂Ⅱ产品的检验工作。
二、范围本操作规程包括聚丙烯酸树脂Ⅱ的外观检验、物理性能检验、化学性能检验等方面的内容。
三、设备和仪器1.校准过的外观检验仪2.电子天平3.定性分析仪器(如红外光谱仪等)4.物理性能检验仪器(如拉伸试验机等)5.化学性能检验仪器(如溶解度容器、气相色谱仪等)四、操作规程1.外观检验a.取合适的量的样品,放在外观检验仪上进行观察。
b.观察样品的颜色、杂质等情况,并记录下来。
2.物理性能检验a.取合适的样品,根据相关标准要求进行切割或制备成试样。
b.将试样放在拉伸试验机上进行拉伸试验,记录下试样在破裂前的最大拉伸力和断裂伸长率。
c.若有需要,还可以进行其他物理性能检验,如硬度、密度等。
3.化学性能检验a.溶解度检验i.取一定质量的样品,放入溶解度容器中。
ii. 加入适量的溶剂,并进行适当的搅拌,直至样品溶解或达到一定时间。
iii. 观察样品是否溶解完全,记录下来。
b.红外光谱分析i.取一定量的样品,在红外光谱仪上进行扫描。
ii. 比较扫描结果与标准样品或标准谱图,判断样品的红外光谱特征。
c.其他化学性能检验根据具体需要,进行其他化学性能的检验,如化学成分、杂质含量等。
五、实验记录与结果处理1.实验记录b.实验记录必须真实、准确,确保可以追溯和查证。
2.结果处理a.基于实验记录,对检验结果进行总结和分析。
b.比较检验结果与相关标准要求,判断样品是否符合要求。
c.如结果不符合要求,应及时采取措施进行调整和改进。
六、质量控制1.样品管理a.对样品进行分类、编号,确保可以追溯和查证。
b.在存储和运输过程中,要注意避免样品的受污染和损坏。
2.仪器设备管理a.检验仪器设备应定期维护和校准,确保可靠性和准确性。
b.使用仪器设备前,要进行检查和保养,确保正常运行。
树脂检测方法嘿,朋友们!今天咱就来聊聊树脂检测方法这档子事儿。
树脂啊,就好像是我们生活中的小秘密,得好好去探索发现它呢!你说这树脂检测就像是一场有趣的探秘之旅。
想象一下,我们就是那勇敢的探险家,去寻找树脂的各种奇妙之处。
先来说说外观检测吧。
咱就拿眼睛瞪得大大的,好好瞅瞅这树脂,看看它的颜色均不均匀啊,有没有啥杂质啊。
这就好比你去挑水果,总得挑个看着顺眼、没斑点的吧!要是颜色乱七八糟的,或者有那些奇奇怪怪的东西在里面,那可得小心咯!这树脂说不定就有啥问题呢。
还有物理性能检测,这可重要啦!就像看看一个人身体结不结实一样。
咱得测测它的硬度够不够呀,韧性好不好哇。
你想想,如果树脂软趴趴的,那能派上啥大用场呢?就跟那豆腐似的,一捏就碎,那可不行!化学性能检测也不能马虎呀!这就像是给树脂做个全面的“体检”。
看看它耐不耐酸碱呀,会不会容易被腐蚀呀。
要是碰到点酸碱就不行了,那在一些特定环境下不就歇菜啦?再说说热性能检测吧。
树脂在不同温度下的表现可不一样哦!就像人在冷的时候会发抖,热的时候会出汗一样。
咱得知道这树脂在高温下会不会变形,在低温下会不会变得脆脆的。
不然用错了地方,那不就麻烦啦!检测树脂可不能马马虎虎,得认真仔细着呢!这可不是闹着玩的事儿。
你想想,如果因为检测不仔细,用了不好的树脂,那造成的后果可不堪设想啊!那损失谁来承担哇?所以啊,咱可得把好关,就像守门员守球门一样,一丝一毫都不能放过。
检测方法有这么多,咱得根据具体情况选择合适的呀。
不能一股脑儿全用上,那也太浪费时间和精力啦。
就跟咱吃饭一样,得根据自己的口味和需求来点,不能啥都往嘴里塞呀!总之呢,树脂检测方法可真是个大学问。
咱得好好研究,认真对待。
这不仅是对工作负责,也是对自己负责呀!可别小瞧了这小小的树脂,它里面的门道可多着呢!大家都记住了没呀?。
丙烯酸甲酯2乙基己基树脂的单体测定方法丙烯酸甲酯2乙基己基树脂是一种常用的单体,广泛应用于聚合物材料的合成中。
为了确保产品质量,需要对丙烯酸甲酯2乙基己基树脂的含量进行测定。
本文将介绍一种常用的单体测定方法。
我们需要准备一些实验设备和试剂。
实验设备包括:电子天平、移液器、离心机等;试剂包括:丙烯酸甲酯2乙基己基树脂样品、乙醇、氯仿、硫酸等。
接下来,我们开始进行测定。
首先,取一定量的丙烯酸甲酯2乙基己基树脂样品,用电子天平称重,记录其质量。
然后,将称好的样品加入适量的乙醇中,用移液器充分混合。
乙醇可以起到溶解样品的作用,有利于后续的处理步骤。
接着,将混合溶液倒入离心管中,进行离心分离。
离心的目的是将样品与乙醇分离,方便后续处理。
然后,将分离后的上层溶液转移到另一个容器中,加入适量的氯仿,并充分摇匀。
氯仿可以将丙烯酸甲酯2乙基己基树脂从乙醇中提取出来。
接着,将摇匀后的溶液静置,等待分层。
由于丙烯酸甲酯2乙基己基树脂与氯仿的相溶性较好,溶液会分为两层,上层为氯仿相,下层为乙醇相。
然后,将上层的氯仿相转移到另一个容器中,加入适量的硫酸。
硫酸可以与丙烯酸甲酯2乙基己基树脂反应生成硫酸酯,形成白色固体沉淀。
接着,将反应后的溶液进行离心分离。
离心的目的是将沉淀与溶液分离,方便后续的处理和测定。
然后,将分离后的上层溶液倒掉,留下沉淀。
用乙醇洗涤沉淀,将其中的杂质去除。
将洗涤后的沉淀置于干燥器中,在恒温下进行干燥。
待沉淀完全干燥后,用电子天平称重,记录其质量。
根据沉淀的质量,可以计算出丙烯酸甲酯2乙基己基树脂的含量。
计算公式为:丙烯酸甲酯2乙基己基树脂含量(%)=(沉淀质量/样品质量)*100%。
丙烯酸甲酯2乙基己基树脂的单体测定方法包括称重样品、乙醇溶解、离心分离、氯仿提取、硫酸反应、沉淀洗涤和干燥称重等步骤。
这种方法简单易行,可以准确测定丙烯酸甲酯2乙基己基树脂的含量,为产品质量的控制提供了有效手段。
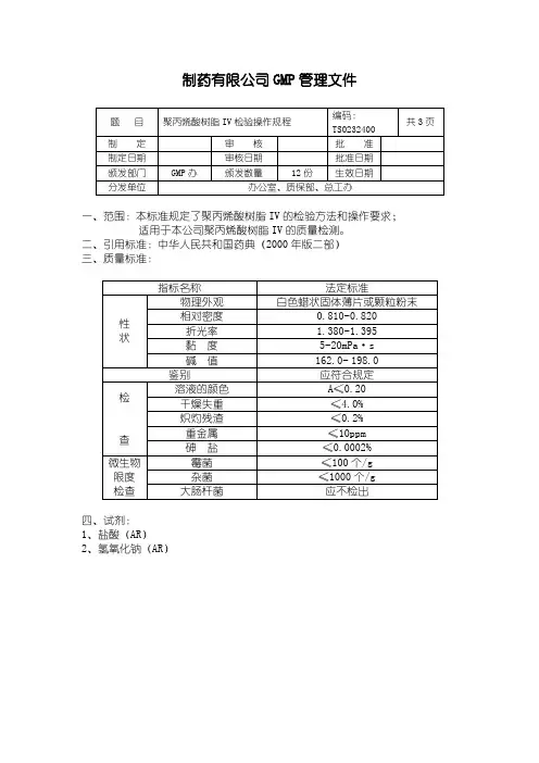
制药有限公司GMP管理文件一、范围:本标准规定了聚丙烯酸树脂IV的检验方法和操作要求;适用于本公司聚丙烯酸树脂IV的质量检测。
二、引用标准:中华人民共和国药典(2000年版二部)三、质量标准:四、试剂:1、盐酸(AR)2、氢氧化钠(AR)3、硫酸(AR)4、过氧化氢(AR)五、仪器与用具1、析光仪2、旋转式黏度计3、红外分光光度计4、紫外分光光度六、操作步骤本品为甲基丙烯酸二甲氨基乙酯与甲基丙烯酸酯类的共聚物。
1、性状1.1 物理外观本品为淡黄色粒状或片状固体,有特臭。
本品在温乙醇中(1小时内)溶解,在盐酸溶液(9—1000)中(1小时内)略溶,在水中不溶。
1.2 相对密度取本品10.25g,置100ml量瓶中加异丙醇-丙酮(3:2)溶解并稀释至刻度,作为供试品溶液。
供试品溶液的相对密度(见相对密度测定操作规程)为0.810~0.820。
1.3 折光率取相对密度项下的供试品溶液,依法测定(见折光水平测定操作规程),供试品溶液的折光率为1.380~1.395。
1.4 黏度取本品12.00g,置100ml量瓶中,加乙醇溶解并稀释至刻度,用旋转式黏度计(DNJ-79型),依法测定(见黏度测定操作规程),在30℃时的动力黏度为5~20mPa·s。
1.5 碱值取本品约0.3g,精密称定,加中性乙醇(对溴酚蓝指示液呈黄色)25ml,使溶解,精密加盐酸滴定液(0.1mol/L)20ml和溴酚蓝指示液数滴,摇匀,用氢氧化钠滴定液(0.1mol/L)滴定至溶液呈蓝绿色,同时做空白试验,以本品消耗的氢氧化钠滴定液(0.1mol/L)R的容积(ml)为A,空白试验消耗的容积(ml)为B,本品的重量(g)为G,照下式计算即得,碱值为162.0~198.0。
(B-A)×5.61碱值=————————G2、鉴别:取黏度测定项下的溶液约10ul,涂布于直径13mm的溴化钾压制空白片上,加热挥干溶剂,测定红外光谱图,应与同法制作的对照品红光谱图一致。
树脂检测doc
树脂检测是一种用来确定树脂中成分和质量的方法。
树脂是一种具有高分子量的有机物,常用于塑料制品和涂料等行业。
因此,对树脂进行检测是十分重要的,可以确保产品质量,保护消费者的权益。
树脂检测的方法有很多,下面将介绍几种常用的树脂检测方法。
首先,最常用的树脂检测方法是红外光谱法。
这种方法通过测量样品在红外辐射下的吸收和散射来确定树脂中的成分。
红外光谱法具有快速、准确、非破坏性等优点,可以同时检测多种树脂成分。
然而,由于树脂种类繁多,样品的制备和仪器的选择是该方法的一大挑战。
其次,常用的还有热重分析法。
热重分析法是通过测量样品在升温过程中失去的质量来确定树脂中的成分。
树脂的热分解温度可以提供树脂的热稳定性信息,从而评估其适用性和使用寿命。
热重分析法具有快速、灵敏度高、准确性高等优点。
然而,该方法需要样品的破坏,无法实现实时检测。
此外,还有气相色谱-质谱联用技术(GC-MS)和液相色谱-质谱联用技术(LC-MS)等。
这些方法利用色谱分离和质谱检测的原理,可以准确测定树脂中的各种成分。
这些方法具有高灵敏度、高分辨率等优点,被广泛应用于树脂的检测。
需要注意的是,在进行树脂检测时,需要根据具体情况选择合适的方法。
不同的方法适用于不同的树脂成分和目的。
另外,样品的制备和处理也是影响检测结果的关键因素,需要进行合理的样品制备和处理。
总之,树脂检测是确保产品质量和保护消费者权益的重要手段。
通过
选择合适的检测方法,进行准确的树脂检测,可以保证产品符合质量标准,满足市场需求。
丙烯酸树脂粒径测试方法丙烯酸树脂是一种常用的重要树脂材料,广泛应用于涂料、粘合剂、塑料等领域。
在丙烯酸树脂的生产和应用过程中,粒径是一个重要的质量指标。
本文将介绍一种常用的丙烯酸树脂粒径测试方法。
一、仪器设备准备1. 激光粒度仪:用于测量丙烯酸树脂的粒径。
激光粒度仪的选择应根据样品的性质和需要测量的粒径范围来确定。
2. 乙二醇:用于在测试过程中使丙烯酸树脂样品均匀分散。
二、样品制备将待测试的丙烯酸树脂样品取出,较大颗粒的样品应事先进行研磨处理,以保证样品能够均匀分散。
三、测试步骤1. 打开激光粒度仪的电源并进行预热,使其稳定工作。
2. 准备测试样品:取一定量的丙烯酸树脂样品(一般是几克至几十克),加入适量的乙二醇(一般是样品质量的2-5倍),并搅拌均匀,使样品充分分散。
3. 将分散好的丙烯酸树脂样品放入激光粒度仪的样品池中。
注意不要加入过多的样品,以保证激光粒度仪的工作正常。
4. 设定激光粒度仪的测试参数:包括测试时间、测量角度、激光功率等。
一般来说,测试时间越长,测试结果的精确度越高;测量角度越大,可以测量到更大的粒径;激光功率越高,可以测量到更小的粒径。
5. 开始测试:启动激光粒度仪,根据设定的参数进行测试。
待测试完成后,仪器会给出丙烯酸树脂的粒径分布曲线,包括平均粒径、最大粒径、最小粒径等信息。
6. 处理测试结果:根据实际需要,可以将测试结果导出到计算机进行进一步处理和分析,也可以直接记录在测试报告中。
四、结果分析根据测试结果,可以对丙烯酸树脂的粒径进行评估。
一般来说,平均粒径越小,丙烯酸树脂的分散性越好,对应的产品性能也会更好。
同时,最大粒径和最小粒径的差值也是评估丙烯酸树脂粒径分布均一性的重要指标,差值越小,代表丙烯酸树脂的粒径分布越均匀。
五、注意事项1. 样品的制备要注意充分分散,避免有团聚和堆积的现象,以保证测试结果的准确性。
2. 测试时要确保激光粒度仪的仪器状态良好,预热时间充分,以保证测试的稳定性和准确性。
聚碳酰胺树脂含量
聚碳酰胺树脂含量是指在某种制备或混合体系中,聚碳酰胺树脂所占比例的测量。
常用的测量方法包括重量法和体积法。
重量法是将样品加热至一定温度,使其中的挥发物蒸发,仅剩下树脂成分,然后将样品的质量与样品的总质量进行比较,计算出聚碳酰胺树脂的含量。
体积法是将样品溶解在适当的溶剂中,使聚碳酰胺树脂溶解,然后使用适当的分析方法,如红外光谱、紫外可见光谱、核磁共振等,测定溶液中聚碳酰胺树脂的浓度,再根据样品的质量和溶液中聚碳酰胺树脂的浓度计算出聚碳酰胺树脂的含量。
聚碳酰胺树脂的含量通常以百分比或者质量分数表示,例如,聚碳酰胺树脂的含量为90%表示样品中聚碳酰胺树脂占总质量的90%。
树脂加工中的质量检测和分析方法在现代工业中,树脂是一种非常常见的材料。
由于树脂具有轻量化,可塑性强、操作性好的特点,因此广泛应用于汽车、建筑、电子等行业。
但是,随着生产技术的不断进步和市场的逐渐成熟,产品的质量要求也越来越高。
因此,树脂加工中的质量检测和分析方法变得尤为关键。
一、常见的树脂加工品质量检测方法1、外观检测法这是一种非常基础的质量检测方法,通过肉眼或显微镜去观察制品外观,以判断是否存在明显的缺陷。
例如,表面是否有气泡、脱胶、裂纹等。
2、尺寸检测法尺寸检测法是一种利用测量仪器来检测部件尺寸是否符合要求的方法。
这种方法可以分为直接检测和间接检测两种。
直接检测通常使用卡尺、游标卡尺等,间接检测则需要利用比较器、显微镜等测量仪器。
3、物理性能检测法物理性能检测法主要是针对树脂加工品的力学性能、电气性能、耐热性等进行检测的方法。
例如,力学性能检测需要使用万能试验机等仪器,电气性能检测需要使用高压发生器等仪器。
二、常见的树脂加工品质量分析方法1、红外光谱分析法红外光谱分析法是一种基于物质分子振动谱线的分析方法,通过反射或透射物质处于不同振动状态时的红外光谱特征,来进行物质的成分分析和质量检测。
该方法可以分析树脂加工中的物质成分、分子结构等。
2、热分析法热分析法主要是利用热量引发的样品变化,通过对样品的热性能进行分析来探究材料的变化规律和性能特点。
在树脂加工中,该方法可以用于分析树脂的玻璃化转变温度、热熔流等参数。
3、扫描电子显微镜分析法扫描电子显微镜分析法是一种利用高分辨率的扫描电子显微镜对样品进行表面形貌分析的方法。
在树脂加工中,该方法可以通过分析不同树脂加工制品表面形貌与结构的差异,探究产品质量问题的根源。
三、结语随着树脂加工技术的不断发展,树脂加工中的质量检测和分析方法也随之不断更新。
未来,随着科技的不断进步,新的质量检测和分析方法也必然会诞生。
只有不断学习和探索,才能使我们的树脂加工品质量得到不断提高和保障。
加工助剂(ACR树脂)的检测方法及质量对型材生产的影响相关专题:塑料助剂时间:2011-10-26 10:13 来源:阿里巴巴塑料价格库1 ACR生产技术简介1.1 ACR的结构ACR树脂是丙烯酸酯类(acrylicester)高分子聚合物,分子结构多数为非交联的线性无规共聚物,也有认为具有“核-壳”结构的产品。
与PVC分子相比,其分子量较高,一般在100—800万左右(重均分子量)。
聚合工艺通常采用多段自由基乳液聚合。
1.2 工艺流程1.3 配方简介ACR的原料配比见表1。
1.4 工艺对指标的影响ACR的生产中工艺参数对相应的指标有影响(见表2)。
2 ACR产品的指标检测2.1 常规项目2.1.1 挥发份(1)烘箱法采用标准为GB/T2914[聚氯乙烯树脂挥发物(包括水)测定方法],控制条件为1050C,2h。
挥发份含量,%=【(Wo—W1)/Wo】×100%其中:W。
一烘干前样品重量W1一烘干后样品重量(2)仪器法仪器采用SC69—02B型水份快速测定仪。
主要步骤:天平零位的调整,预干燥处理,称取试样,红外线加热,投影屏刻度平稳,读取结果。
2.1.2 细度指标为大于98%(质量)树脂颗粒通过40目筛(孔径0.45nun)。
对该指标不同使用厂家要求的指标值不同。
2.1.3特性粘度主要仪器:乌式粘度计;试剂:三氯甲烷。
2.1.4杂质含量该指标为企业内控项目,按PVC树脂标准制定,标准水平与之相当,指标值为≤50个/100g树脂。
2.2 非常规项目这些非常规项目一般没有绝对的标准值,只能用来作相对比较。
虽然没有列在标准中,但它们对于反映产品的本质结构和内在性能往往更有效。
2.2.1 热稳定性如果ACR合成工艺或原材料有问题(如含有St、AN等非丙烯酸酯类成份),其热稳定性就会下降。
(1)静态热稳定性将样品放在白色搪瓷盘或者表面皿中,置于180℃烘箱中,10~30rain后取出,观察其颜色变化。
加工助剂(ACR树脂)的检测方法及质量对型材生产的影响
相关专题:塑料助剂
时间:2011-10-26 10:13 来源:阿里巴巴塑料价格库
1 ACR生产技术简介
1.1 ACR的结构
ACR树脂是丙烯酸酯类(acrylicester)高分子聚合物,分子结构多数为非交联的线性无规共聚物,也有认为具有“核-壳”结构的产品。
与PVC分子相比,其分子量较高,一般在100—800万左右(重均分子量)。
聚合工艺通常采用多段自由基乳液聚合。
1.2 工艺流程
1.3 配方简介
ACR的原料配比见表1。
1.4 工艺对指标的影响
ACR的生产中工艺参数对相应的指标有影响(见表2)。
2 ACR产品的指标检测
2.1 常规项目
2.1.1 挥发份
(1)烘箱法
采用标准为GB/T2914[聚氯乙烯树脂挥发物(包括水)测定方法],控制条件为1050C,2h。
挥发份含量,%=【(Wo—W1)/Wo】×100%
其中:W。
一烘干前样品重量
W1一烘干后样品重量
(2)仪器法
仪器采用SC69—02B型水份快速测定仪。
主要步骤:天平零位的调整,预干燥处理,称取试样,红外线加热,投影屏刻度平稳,读取结果。
2.1.2 细度
指标为大于98%(质量)树脂颗粒通过40目筛(孔径0.45nun)。
对该指标不同使用厂家要求的指标值不同。
2.1.3特性粘度
主要仪器:乌式粘度计;
试剂:三氯甲烷。
2.1.4杂质含量
该指标为企业内控项目,按PVC树脂标准制定,标准水平与之相当,指标值为≤50个/100g树脂。
2.2 非常规项目
这些非常规项目一般没有绝对的标准值,只能用来作相对比较。
虽然没有列在标准中,但它们对于反映产品的本质结构和内在性能往往更有效。
2.2.1 热稳定性
如果ACR合成工艺或原材料有问题(如含有St、AN等非丙烯酸酯类成份),其热稳定性就会下降。
(1)静态热稳定性
将样品放在白色搪瓷盘或者表面皿中,置于180℃烘箱中,10~30rain后取出,观察其颜色变化。
部分厂家产品的静态热稳定性已接近于国外同类产品水平,同时也有一些厂家的产品差距很大。
(2)动态热稳定性
试验表明,ACR树脂在双辊开炼后,不同厂家的样品差别较为明显。
国内部分厂家产品的动态热稳定性已接近于国外同类产品水平,同样,也有一些厂家的产品差距较大。
2.2.2 流变性能
采用转矩流变仪测定产品的塑化性能。
对于转矩流变曲线(见图1)意义的解释也
有一些争论,因为它仅是半定量的仪器,只能在一定范围内作对比实验。
只有把它的数据与生产配方和工艺参数结合起来,才能更有效地对它解释。
2.2.3成份分析
采用红外光谱,可以对ACR的化学组成进行分析。
从图2一b中可看出,含有St、AN成份的ACR样品,其红外谱图具有明显的St、AN特征峰,与图2-a差别较大。
2.2.4 其他性能
ACR对PVC热拉伸强度、熔体粘度、透明性等性能都有影响,但实验难度很大、技巧性较高,不具有通用性,这里不作论述。
3 产品质量对型材的影响
3.1 ACR改性机理
对于ACR作为加工助剂(Process Aid)改性PVC的作用机理,虽然前人已作了大量的研究工作并有很多结论性的成果,但目前尚不完全成熟。
普遍的观点是ACR 通过较长的分子链粘附于PVC树脂颗粒上,将外部的热和剪切力传递给树脂,促进其熔融、塑化,降低了加工过程的温度,提高熔体强度,改善制品的外观质量,同时不降低硬质聚氯乙烯的刚性。
ACR的结构(包括粘数)决定了ACR的内在性能,不同的结构和粘数对PVC熔体的塑化性能、熔体强度以及制品的外观有不同的影响,应该根据制品的种类和加工工艺选择不同牌号的产品。
如对于压延工艺,为了减少压延片的流痕、鱼眼和晶点,宜采用粘数较低的牌号;型材管材等制品的生产宜采用中等粘数的牌号;而对于硬质低发泡制品,应采用较高粘数的牌号,以提高熔体的热拉伸强度,有利于保持气孔的稳定性。
不同厂家的牌号命名含义不同,已形成了自己的系列,使用厂家应根据供应商提供的产品说明书判断其应用领域,而不能仅凭ACR401、ACR201的名称决定它的用途。
3.2 主要指标对PVC型材制品生产的影响
ACR指标对PVC型材生产的影响见表4。
4 影响ACR生产成本的因素
ACR生产成本的影响因素见表5。
表5说明,规模大、管理规范、质量保证体系完善的企业,生产成本一般情况下要高于规模小、产品质量无保证的小企业。
表6中数据表明,产品中挥发份的含量对生产成本影响较大。
这一点很容易理解。
表7中的数据说明了原料成份对配方成本的影响,不同配方的ACR生产成本相差很大,ACR401的成本比ACR201约高10%,而比纯As树脂高50%以上。
普遍认为ACR401促进塑化的效果要高于ACR201 20%以上,因此具有较好的性价比。
而As树脂尽管成本低很多,但不宜在性能要求比较全面的型材上使用。
5 结束语
总之,虽然ACR在配方中的加入量较少,但对PVC的加工性能影响较大,可靠的质量保证是十分必要的。
有的加工厂家由于对ACR性能了解不够,采购上仅仅以价格为参考,随意性比较强,结果给生产带来一些麻烦,如生产工艺或产品质量的波动。
本文的目的就是为了让大家对ACR的生产、性能与应用有更全面、更深入的认识,从而引起必要的重视,对生产中出现的问题能够作出及时准确的判断。