钻井岗位风险岗位风险识别(可参考)
- 格式:doc
- 大小:67.01 KB
- 文档页数:9
石油钻井-岗位安全风险告知卡1. 介绍本岗位安全风险告知卡旨在向从事石油钻井工作的人员提供相关的安全风险信息,以确保他们在工作过程中能够充分了解存在的潜在危险,并采取合适的防范措施,保护自身和他人的安全。
2. 岗位安全风险请注意以下石油钻井工作中可能存在的安全风险:(1) 高压风险在石油钻井过程中,液压系统和气体系统中可能存在高压风险。
高压液体或气体的泄漏或突然释放可能导致严重的物体伤害或压力伤害。
因此,在操作液压系统或气体系统时,务必遵循正确的程序和安全操作规范。
(2) 物体坠落风险在石油钻井工作中,由于高处作业或吊运物体,可能存在物体坠落风险。
这种情况可能导致头部、身体等部位的严重伤害。
因此,在进行高处作业或吊运工作时,必须始终佩戴合适的防护装备,并确保工作区域的周围有合适的围护栏或其他安全设施。
(3) 爆炸和火灾风险石油钻井工作中,由于涉及到可燃性材料和蓄压气体,存在爆炸和火灾风险。
这对工作人员的安全构成严重威胁。
因此,在进行石油钻井工作之前,必须了解并遵守相关的防火和防爆规定,并进行必要的爆炸和火灾应急预案演练。
(4) 化学品暴露风险在某些情况下,石油钻井工作可能会涉及到有害化学品,如溶剂、酸、碱等。
这些化学品可能对人体产生刺激、腐蚀或其他伤害。
因此,在接触或使用化学品时,必须严格遵循相关的化学品安全操作规程,并佩戴个人防护设备如手套、护目镜等。
(5) 人身伤害风险由于石油钻井工作的特殊环境和作业方式,操作人员可能受到机械设备、工具、重物等的伤害。
因此,必须充分了解并遵守安全操作规程,并使用合适的个人防护设备,如安全帽、安全鞋等,以减少人身伤害风险。
3. 防范措施为了最大限度地减少石油钻井工作中的安全风险,以下措施应得到执行:- 在进行石油钻井工作之前,进行必要的安全培训,并获得相关证书和资质。
- 遵循正确的操作规程和安全操作方法,如安全气密性检查、设备维护保养等。
- 使用必要的个人防护设备,并确保其功能正常、合适并正确佩戴。
岗位主要H S E风险提示及控制措施司钻主要风险产生原因控制措施应急方案人员伤害违章操作,视线不良,操作失误,注意力不集中,围栏及护罩缺陷,未执行维修锁定标志制度,落物及防碰装置失灵,猫头绳缠乱或违章操作猫头。
严格执行操作规程、定时巡回检查、执行维修锁定和标志制度依照《人员伤亡应急程序》进行设备损坏启动过猛、超载、强行挂合、未按规章进行保养作业。
严格执行操作规程、定期保养维修及作业恢复井下事故井塌、卡钻、井漏、溢流、缩径、落物、断钻具、井身质量超标。
严格执行操作规程和指令参数井下事故处理程序环境污染污水外溢,跑泥浆,油、气、水跑冒滴漏,不按规定处理废弃物,严重溢流或放喷。
严格执行环保规定和井控管理制度环境污染恢复程序井喷失控起钻抽吸,井漏未及时发现,钻遇异常高压地层,起钻未罐好泥浆,“四七”动作不熟练,发现异常情况未引起重视,发现溢流未正确处理,汇报不及时,井控设备缺陷。
严格执行井控管理制度和钻开油气层申报审批制度和坐岗制度,定期进行防喷演习、井控系统试压井喷应急程序顿钻刹车失灵,未按规定事使用辅助刹车,注意力不集中,意外事件,刹把操作不当,大绳断或死活绳头抽脱,乱岗操作。
及时检查和调整刹车,每月巡回检查大绳,依吨公里倒大绳生产恢复程序溜钻盘刹油路、气路存有问题,液压源压力不够,注意力不集中及时调整刹带、严守劳动纪律及时刹车并恢复生产碰天车防碰装置失灵,过卷阀定位不对,起钻前检查不到位起钻前检查调整防碰天车,在防碰天车不工作时禁止作业生产恢复程序副司钻主要风险产生原因控制措施应急方案高压刺漏未进行高压流动试压,蹩泵,未及时更换高压密封垫和软管,保险销子失效作业前和维修后进行试压、定期更换高压密封垫停泵维修试压后恢复生产蹩泵滤清器损坏,堵水眼,井塌,泥浆性能差,未及时洗井调整,下钻强行通过缩径井段,开泵过猛。
定期更换泵上水滤子、严格遵守操作规程更换滤子或处置后恢复生产机械伤害护罩有缺陷,检修时未锁定挂牌,无专人监护,安全装置未装,拆、装紧固时操作失灵,猫头绳缠乱或违章操作猫头。
钻井队岗位风险与防范措施钻井队岗位风险与防范措施一、队长1、岗位风险:井喷及井喷失控、机械伤害、起重伤害、高处坠落、火灾、爆炸、触电、中毒、环境污染。
2、防范措施:●执行《钻井技术操作规程》、《新疆油田钻井井控实施细则(2012版)》、《钻井作业安全规程》及相关技术规范和作业许可制度,当井喷发生时,按关井操作程序及时组织关井;●对含H2S井场按《含硫化氢油气井安全钻井推荐作法》和《含硫油气田H2S监督与人身安全防护规定》标准配备安全设施、消防器材,便携式H2S监测仪或固定式H2S监测系统、设置绿、黄、红H2S含量警示牌和风向标,组织员工学习、掌握空气呼吸器等安全防护器材的正确使用;●组织员工进行应急逃生演练,防喷演习和急救演习,并进行讲评总结;●在组织、指挥吊装作业时,站位正确,采用GB5082规定信号手势;●督促员工在距离地面2米及以上的高处作业时应佩戴安全带或采取安全措施;●督促员工加强各种设备和消防、安全防护设施的检查、维护、保养,确保其处于完好状态;在检修设备时,必须锁定控制开关,悬挂警示牌,并派专人监控;●督促施工作业人员不带电检修、保养电气设备,不乱拉、乱接电路;●在进行动火作业时,遵守《石油企业工业动火安全规程》和工作许可制度;●督促员工保持工作场所清洁、整洁,废油、废料、废水及时回收,分类处置;●拒绝违章指令、纠正违章行为,有权停止违章作业,防止和减少各类事故发生;●督促员工正确使用个人防护用品。
二、副队长1、岗位风险:井喷及井喷失控;机械伤害、起重伤害、物体打击、高处坠落、触电、中毒、火灾、爆炸、环境污染。
2、防范措施:●执行《钻井技术操作规程》、《新疆油田钻井井控实施细则(2012版)》、《钻井作业安全规程》;●组织员工在各种工序作业时,严格执行操作规程、程序,当井喷发生时,按关井操作程序及时组织关井;●在组织员工加强对各种设备、消防、安全防护设施的检查、维护、保养,确保处于完好状态;●组织、指挥吊装作业时,站位正确,采用GB5082规定信号手势;●在距离地面2米及以上的高处作业时应佩戴安全带或采取安全措施;●督促施工作业人员不带电检修、保养电气设备,不乱拉、乱接电路,在雨雪天操作电气开关时,应戴绝缘手套,在检查设备时,对其控制开关进行锁定,悬挂警告牌,并派专人监控;●组织员工学习、掌握空气呼吸器等安全防护器材的正确使用;当H2S等有毒有害气体溢出时会正确使用空气呼吸器等安全防护器材;●在进行动火作业时,遵守《石油企业工业动火安全规程》及工作许可制度;●督促员工保持工作场所清洁、整洁,对废油、废料、废水及时回收、分类处置;●拒绝违章指令,纠正违章行为,有权停止违章作业,防止和减少各类事故发生。
开钻a,鼠洞上钻台不加限制,摆动碰伤人员b,砸盘断裂后,钻铤或砸盘碎块下洛危及人身安全c,操作失误可导致滑轮,钢丝绳过载损坏人,砸落小铁屑可能扎伤眼睛d,有发生爆炸的可能e,钻台上掉落物体砸伤人员f,没有明确的技术,安全措施,人员安全没有保障用绷绳配合气动绞车抬鼠洞管上钻台下砸盘完好,焊口不得开焊,开裂,与砸盘连接的钢丝绳完好由司钻负责下砸操作,带护目镜,下砸操作时,钻台除司钻不得有其他人员使用气焊时氧气,乙炔气瓶相距大于10米钻台上下在冋一垂直面上不可冋时作业,电焊工在钻台下工作时有人监护及时下达开钻技术作业指令和安全作业指令拆装封井器操作a,用绷绳绷甩和人力撬推可能砸伤人员b,挤伤或砸伤人员c,挤、砸、摔伤联顶节或切割下的套管用气动绞车和绷绳配合将套管抬至地面防喷器吊入或吊离井口过程中钻台下不能有人。
起吊前栓好拉绳远距离控制其摆动严禁用手直接推扶封井器吊防溢管、泥浆伞时,钻台下严禁站人,连接防溢管,安装泥浆伞时,登高超过2米时要系安全带钻进a,物品甩出击伤人员或人员直接甩出造成伤害b,护卓不全,旋走部位绞伤人员,传动轴螺丝飞出伤人c,水龙带掉落伤人d,蹩泵导致管线爆裂伤人e,吊环掉落伤人f,泵保险装置灵敏可避免管线爆裂伤人g,安装不符和要求可造成刺伤人员或管线碰伤人h,“晚开早摘”可导致堵水眼或环空不通蹩泵伤人i ,误启动设备造成人员伤害j ,触电或压力意外释放伤人k,安全防护措施不全极易造成人员伤害l ,对设备工况、性能不熟悉而导致自己和他人伤害启动转盘时,转盘面上不得站人或有杂物转盘护罩齐全完好,固定牢固,传动轴连接螺栓齐全紧固水龙带按要求栓好保险绳冬季水龙带经预热并确认畅通后方可使用吊环用/钢丝绳做保险绳,缠三圈,用相应3只绳卡卡牢泵保险凡尔压力按泵缸套额定工作压力设定,保险销子不得用其他材料代替泵泄压管线末端伸入密闭罐内,固定牢固起停钻井泵遵循“早开晚摘”的原则检修保养设备时关闭断气阀,泵房挂“有人维修,请勿操作”警示牌,钻台控制钻井泵的气开关挂“有人检修”的警示牌不得带电,带压检修设备保持护栏、护罩、防护链、防护桩完。
岗位主要H S E风险提示及控制措施司钻主要风险产生原因控制措施应急方案人员伤害违章操作,视线不良,操作失误,注意力不集中,围栏及护罩缺陷,未执行维修锁定标志制度,落物及防碰装置失灵,猫头绳缠乱或违章操作猫头。
严格执行操作规程、定时巡回检查、执行维修锁定和标志制度依照《人员伤亡应急程序》进行设备损坏启动过猛、超载、强行挂合、未按规章进行保养作业。
严格执行操作规程、定期保养维修及作业恢复井下事故井塌、卡钻、井漏、溢流、缩径、落物、断钻具、井身质量超标。
严格执行操作规程和指令参数井下事故处理程序环境污染污水外溢,跑泥浆,油、气、水跑冒滴漏,不按规定处理废弃物,严重溢流或放喷。
严格执行环保规定和井控管理制度环境污染恢复程序井喷失控起钻抽吸,井漏未及时发现,钻遇异常高压地层,起钻未罐好泥浆,“四七”动作不熟练,发现异常情况未引起重视,发现溢流未正确处理,汇报不及时,井控设备缺陷。
严格执行井控管理制度和钻开油气层申报审批制度和坐岗制度,定期进行防喷演习、井控系统试压井喷应急程序顿钻刹车失灵,未按规定事使用辅助刹车,注意力不集中,意外事件,刹把操作不当,大绳断或死活绳头抽脱,乱岗操作。
及时检查和调整刹车,每月巡回检查大绳,依吨公里倒大绳生产恢复程序溜钻盘刹油路、气路存有问题,液压源压力不够,注意力不集中及时调整刹带、严守劳动纪律及时刹车并恢复生产碰天车防碰装置失灵,过卷阀定位不对,起钻前检查不到位起钻前检查调整防碰天车,在防碰天车不工作时禁止作业生产恢复程序副司钻主要风险产生原因控制措施应急方案高压刺漏未进行高压流动试压,蹩泵,未及时更换高压密封垫和软管,保险销子失效作业前和维修后进行试压、定期更换高压密封垫停泵维修试压后恢复生产蹩泵滤清器损坏,堵水眼,井塌,泥浆性能差,未及时洗井调整,下钻强行通过缩径井段,开泵过猛。
定期更换泵上水滤子、严格遵守操作规程更换滤子或处置后恢复生产机械伤害护罩有缺陷,检修时未锁定挂牌,无专人监护,安全装置未装,拆、装紧固时操作失灵,猫头绳缠乱或违章操作猫头。
钻机工危险源辨识范本钻机工是一项危险性较高的工作,在进行钻探作业时,需要认真辨识潜在的危险源,并采取相应的防控措施。
以下是钻机工危险源辨识范本,用于指导钻机工辨识危险源并采取相应的防控措施。
一、机械危险源1. 钻机工作期间,机械设备可能出现的故障、异常情况,例如钻机失衡、链条断裂等情况,可能导致设备卡住或损坏,对工作人员造成伤害。
防控措施:定期检查设备运行状态,严格按照操作规程操作设备,保证设备的正常运行。
2. 钻机作业时,设备旋转部件可能对工作人员造成夹伤伤害。
防控措施:在设备旋转部件附近设置防护装置,确保工作人员与旋转部件保持安全距离。
3. 钻石、岩屑等从钻井底部喷出,可能导致工作人员被物体击中。
防控措施:佩戴防护头盔、护目镜等个人防护装备,确保工作人员的头部得到有效保护。
二、电气危险源1. 钻机的电气设备可能发生短路、漏电等故障,导致触电事故。
防控措施:检查电气设备的绝缘状况,确保其正常运行;使用符合安全标准的电气设备,避免电气事故发生。
2. 钻机周边可能存在电缆、电线等堆放杂乱的情况,增加触电风险。
防控措施:保持钻机作业区域的整洁有序,及时清理和整理电缆、电线等。
三、化学危险源1. 钻机作业现场可能存在有害气体、粉尘等危险物质,工作人员长时间暴露可能对身体造成伤害。
防控措施:佩戴防护面具、防护服等个人防护装备,确保工作人员的呼吸道和皮肤得到有效保护。
2. 钻机使用的液压油、切削液等化学品可能造成燃烧、爆炸等危险情况。
防控措施:选用符合安全标准的液压油、切削液等化学品,确保其正常运行;严禁在作业现场吸烟、明火操作等。
四、人员作业危险源1. 钻机工作时,工作人员可能因操作不当、疲劳等原因,导致意外事故的发生。
防控措施:建立严格的操作规程,对钻机工进行必要的培训和考核;合理安排工作时间,避免过度疲劳。
2. 钻机作业现场可能存在高温高压等环境条件,对工作人员造成身体不适。
防控措施:提供充足的饮用水和防暑药品,确保工作人员的体温和水分平衡;作业区域保持通风良好,降低温度和湿度。
钻井作业现场存在的主要风险:
1、机械伤害—广泛发生在检查、检修、保养过程中。
如:转盘误操作;液压大钳违章操作;气动绞车违章操作;泥浆泵拉杆违章操作;更换离合器违章操作;检查链条、皮带违章操作;违章使用砂轮机、切割机等。
2、触电—电路维修、电焊作业、使用移动照明灯、电动工具等。
3、弧光伤害—电气焊、电路检修。
4、烫灼伤-电路维修、电焊作业、使用移动照明灯、电动工具等。
5、火灾爆炸-电气焊、电路检修、变矩器检修、明火、电缆及压力容器爆炸,井喷失控爆炸着火。
6、高空坠落—钻台、二层台、水箱、油罐、循环系统等处2m以上检查检修作业。
7、滑跌伤害—工作面有空洞、凹凸、油水污、冰面、障碍阻塞。
8、物体打击—井口作业,吊装作业,金属敲击及检修时的人体伤害(砸伤手足、击伤眼睛等),高处落物伤害等。
9、高压伤人—空气包、空气管道、液控管线、液压管线、高压管汇、井口试压、固井等。
10、环境污染--固废垃圾,二保作业中的废油水排放,废泥浆排放、污水池外溢等。
11、噪声伤害—机房、发电房。
12、化学腐蚀—配制药品、电解液。
13、上顶下砸-起下钻、接单根误操作,刹车失灵,气路冻结堵塞。
14、卡钻-操作失误。
15、高温中署—夏季高温(40度以上)连续作业超过2小时。
16、低温冻伤—青海、哈国等地区作业。
17、中毒窒息—配制化学药品、有限空间作业、地层硫化氢、食物中毒等。
18、粉尘伤害—电焊尘、水泥尘、泥浆材料粉尘等。
19、交通事故—上下班途中。
20、自然灾害—风灾、水灾等。
石油钻井中风险的识别和控制措施1. 简介石油钻井是一项高风险的作业活动,涉及到人员安全、环境保护以及财产损失等多个方面的风险。
为了确保钻井作业的安全和可持续性发展,必须对风险进行有效的识别和采取相应的控制措施。
本文将介绍在石油钻井中常见的风险,并提供相应的识别和控制措施。
2. 风险识别在石油钻井作业中,以下是一些常见的风险:2.1 人员安全风险- 高空作业:人员在井口和井架上的作业存在高空作业风险,可能引发坠落事故。
- 发生火灾和爆炸:油气回收、钻井液喷洒等环节,可能造成火灾和爆炸风险。
- 操作失误:不正确的操作会导致人员伤亡或设备损坏。
2.2 环境保护风险- 钻井液泄漏:钻井过程中,钻井液的泄漏可能对地下水和周边环境造成污染。
- 井口溢流:井口溢流会导致原油或天然气泄漏,对环境造成严重的影响。
- 船舶漏油:钻井平台上的船舶可能存在漏油风险,对海洋生态环境构成威胁。
2.3 财产损失风险- 钻井设备故障:钻井设备可能发生故障,导致作业中断和设备修复成本。
- 钻井过程事故:不正确的操作或设备故障可能导致井下事故,造成财产损失。
- 自然灾害:如飓风、地震等自然灾害可能对钻井设施造成严重破坏。
3. 控制措施为了降低石油钻井中风险的发生概率和减轻其对人员、环境和财产的影响,以下是一些常见的控制措施:3.1 人员安全控制- 提供必要的培训和技能认证,确保钻井人员具备良好的安全意识和操作技能。
- 实施严格的高空安全措施,如安全带、安全网等,防止坠落事故的发生。
- 加强现场管理,确保操作人员按照正确的程序进行作业。
3.2 环境保护控制- 确保钻井液的严格管控,使用环保型钻井液,并采取防漏、泄漏应急处理措施。
- 定期进行环境风险评估,制定应急预案,并进行现场演练。
- 加强船舶漏油监测和维护,确保漏油事件的迅速应对和处理。
3.3 财产损失控制- 定期检修和维护钻井设备,确保其正常运行和安全使用。
- 加强仓储管理,确保备品备件的可及性,减少故障带来的停产损失。
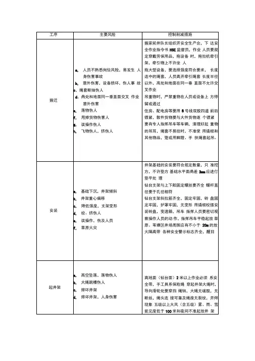
第一节接、卸钻头作业一、风险识别1、接、卸钻头紧扣或卸扣时,工具使用不当造成人员伤害。
2、吊放或搬钻头挤压受伤。
3、液气大钳操作不当伤人。
二、控制措施1、钻头用气动小绞车吊放到钻头盒内,防止碰手和脚。
2、链钳要扣好,防止链钳脱扣打击人员受伤。
3、井口员工必须和司钻互相配合好,防止失误造成人员伤害。
4、用液气大钳上卸钻头时,按照操作规程操作。
第二节冲鼠洞作业一、风险识别1、高空落物伤害人员。
2、下放倾角过大,大钩刮坏井架。
3、钻头、接头丝扣倒开,砸伤人员。
4、循环系统不畅通造成高压伤害。
5、吊鼠洞时易摆动伤人。
二、控制措施1、作业人员要穿戴好劳动保护用品,应撤离到安全位置。
2、控制下放速度,禁止猛刹猛顿,防止刮碰井架。
3、检查小绞车的固定、吊钩、排绳情况。
4、钻头、接头要进行紧扣,大钳在紧扣时,人员要撤离到安全位置,防止大钳和钳尾绳对人员的伤害。
5、应缓慢开泵,防止高压刺漏,人员应远离高压危险区。
6、确保钻井泵、高压管汇、安全阀卸压管方向及转动部位附近无人员走动。
7、用Φ15.9mm吊索拴好鼠洞,双绞车(一绷一吊)吊鼠洞上钻台,人员应撤离到安全位置,有专人指挥作业,避免误操作。
8、上提下放方钻杆出入鼠洞口时,防止顿压刮起钻台台板伤人。
9、吊鼠洞时场地和钻台人员要撤到安全区域。
第三节钻进作业一、风险识别1、高空落物伤害钻台人员。
2、溜钻、钻压过大,产生瞬间高压循环系统刺漏伤人。
3、钻台堆积杂物,人员滑到或绊倒。
4、旋转部位护罩不全,绞伤人员。
5、井口工具置于转盘面,甩出伤人。
6、钻进过程中交叉作业伤人。
7、冬季清洁设备,使用蒸汽不当伤人。
8、钻进作业时,钻井泵安全阀失灵高压伤人。
二、控制措施1、钻台上的操作人员穿戴好劳动保护用品,清理井架杂物,井架工检查好井架各部位螺栓、卡子齐全紧固。
2、司钻送钻均匀,平稳操作,禁止大钻压启动转盘,观察好指重表、泵压表,掌握地下情况。
3、钻台清洁,井口工具摆放位置合理。
钻井作业现场主要风险识别-标准化文件发布号:(9456-EUATWK-MWUB-WUNN-INNUL-DDQTY-KII钻井作业现场存在的主要风险:1、机械伤害—广泛发生在检查、检修、保养过程中。
如:转盘误操作;液压大钳违章操作;气动绞车违章操作;泥浆泵拉杆违章操作;更换离合器违章操作;检查链条、皮带违章操作;违章使用砂轮机、切割机等。
2、触电—电路维修、电焊作业、使用移动照明灯、电动工具等。
3、弧光伤害—电气焊、电路检修。
4、烫灼伤-电路维修、电焊作业、使用移动照明灯、电动工具等。
5、火灾爆炸-电气焊、电路检修、变矩器检修、明火、电缆及压力容器爆炸,井喷失控爆炸着火。
6、高空坠落—钻台、二层台、水箱、油罐、循环系统等处2m以上检查检修作业。
7、滑跌伤害—工作面有空洞、凹凸、油水污、冰面、障碍阻塞。
8、物体打击—井口作业,吊装作业,金属敲击及检修时的人体伤害(砸伤手足、击伤眼睛等),高处落物伤害等。
9、高压伤人—空气包、空气管道、液控管线、液压管线、高压管汇、井口试压、固井等。
10、环境污染--固废垃圾,二保作业中的废油水排放,废泥浆排放、污水池外溢等。
11、噪声伤害—机房、发电房。
12、化学腐蚀—配制药品、电解液。
13、上顶下砸-起下钻、接单根误操作,刹车失灵,气路冻结堵塞。
14、卡钻-操作失误。
15、高温中署—夏季高温(40度以上)连续作业超过2小时。
16、低温冻伤—青海、哈国等地区作业。
17、中毒窒息—配制化学药品、有限空间作业、地层硫化氢、食物中毒等。
18、粉尘伤害—电焊尘、水泥尘、泥浆材料粉尘等。
19、交通事故—上下班途中。
20、自然灾害—风灾、水灾等。
2。
钻井工程工艺流程图一、岗位描述:●司钻:负责指挥吊装设备;●副司钻:负责捆绑设备,协调指挥好同组作业人员;●外钳工:听从司钻指挥,垫吊车脚子,挂绳索,协助吊装设备;●内钳工:听从司钻指挥,垫吊车脚子,挂绳索,协助吊装设备;●井架工:听从司钻指挥,垫吊车脚子,挂绳索,协助吊装设备;●场地工:听从司钻指挥,垫吊车脚子,挂绳索,协助吊装设备;●其余作业人员:听从副司钻协调指挥,捆绑好设备。
二、危险点源分析:1、司钻(在该作业中共涉及7个危险点源):●起吊重物超负荷、吊绳断,控制措施:严禁超负荷起吊;起吊前检查钢丝绳及起吊绳;杜绝吊车人员违章指挥;●吊车脚子不稳,控制措施:起吊前用枕木垫好脚子;●配合不好,导致人员、设备伤害,控制措施:司钻负责指挥协调,信号手势统一,符合GB5082规定;●高空落物,控制措施:作业人员必须穿戴好劳保用品;高空活动部件捆绑牢实;●砸坏井口,控制措施:起吊前井口安装好防护罩;起吊井口附近设备使用牵引绳;设备套牢;要求起吊工操作平稳;指挥手势信号统一,符合GB5082规定;●起吊罐箱设备,环境污染,控制措施:起吊前放净或转移罐箱内液体;清除罐箱内残留物;●起吊电气设备,触电伤害,控制措施:起吊电气设备先断电断线;在不能断电的线路旁起吊设备时,注意采取防护措施。
2、外钳工(在该作业中共涉及3个危险点源):●起吊重物超负荷、吊绳断,控制措施:严禁超负荷起吊;起吊前检查钢丝绳及起吊绳;杜绝吊车人员违章指挥;●吊车脚子不稳,控制措施:起吊前用枕木垫好脚子;●高空落物,控制措施:作业人员必须穿戴好劳保用品;高空活动部件捆绑牢实。
3、内钳工(在该作业中共涉及3个危险点源):●起吊重物超负荷、吊绳断,控制措施:严禁超负荷起吊;起吊前检查钢丝绳及起吊绳;杜绝吊车人员违章指挥;●吊车脚子不稳,控制措施:起吊前用枕木垫好脚子;●高空落物,控制措施:作业人员必须穿戴好劳保用品;高空活动部件捆绑牢实。
钻井工程工艺流程图一、岗位描述:●司钻:负责指挥吊装设备;●副司钻:负责捆绑设备,协调指挥好同组作业人员;●外钳工:听从司钻指挥,垫吊车脚子,挂绳索,协助吊装设备;●内钳工:听从司钻指挥,垫吊车脚子,挂绳索,协助吊装设备;●井架工:听从司钻指挥,垫吊车脚子,挂绳索,协助吊装设备;●场地工:听从司钻指挥,垫吊车脚子,挂绳索,协助吊装设备;●其余作业人员:听从副司钻协调指挥,捆绑好设备。
二、危险点源分析:1、司钻(在该作业中共涉及7个危险点源):●起吊重物超负荷、吊绳断,控制措施:严禁超负荷起吊;起吊前检查钢丝绳及起吊绳;杜绝吊车人员违章指挥;●吊车脚子不稳,控制措施:起吊前用枕木垫好脚子;●配合不好,导致人员、设备伤害,控制措施:司钻负责指挥协调,信号手势统一,符合GB5082规定;●高空落物,控制措施:作业人员必须穿戴好劳保用品;高空活动部件捆绑牢实;●砸坏井口,控制措施:起吊前井口安装好防护罩;起吊井口附近设备使用牵引绳;设备套牢;要求起吊工操作平稳;指挥手势信号统一,符合GB5082规定;●起吊罐箱设备,环境污染,控制措施:起吊前放净或转移罐箱内液体;清除罐箱内残留物;●起吊电气设备,触电伤害,控制措施:起吊电气设备先断电断线;在不能断电的线路旁起吊设备时,注意采取防护措施。
2、外钳工(在该作业中共涉及3个危险点源):●起吊重物超负荷、吊绳断,控制措施:严禁超负荷起吊;起吊前检查钢丝绳及起吊绳;杜绝吊车人员违章指挥;●吊车脚子不稳,控制措施:起吊前用枕木垫好脚子;●高空落物,控制措施:作业人员必须穿戴好劳保用品;高空活动部件捆绑牢实。
3、内钳工(在该作业中共涉及3个危险点源):●起吊重物超负荷、吊绳断,控制措施:严禁超负荷起吊;起吊前检查钢丝绳及起吊绳;杜绝吊车人员违章指挥;●吊车脚子不稳,控制措施:起吊前用枕木垫好脚子;●高空落物,控制措施:作业人员必须穿戴好劳保用品;高空活动部件捆绑牢实。
钻井工程工艺流程图一、岗位描述:●司钻:负责指挥吊装设备;●副司钻:负责捆绑设备,协调指挥好同组作业人员;●外钳工:听从司钻指挥,垫吊车脚子,挂绳索,协助吊装设备;●内钳工:听从司钻指挥,垫吊车脚子,挂绳索,协助吊装设备;●井架工:听从司钻指挥,垫吊车脚子,挂绳索,协助吊装设备;●场地工:听从司钻指挥,垫吊车脚子,挂绳索,协助吊装设备;●其余作业人员:听从副司钻协调指挥,捆绑好设备.二、危险点源分析:1、司钻(在该作业中共涉及7个危险点源):●起吊重物超负荷、吊绳断,控制措施:严禁超负荷起吊;起吊前检查钢丝绳及起吊绳;杜绝吊车人员违章指挥;●吊车脚子不稳,控制措施:起吊前用枕木垫好脚子;●配合不好,导致人员、设备伤害,控制措施:司钻负责指挥协调,信号手势统一,符合GB5082规定;●高空落物,控制措施:作业人员必须穿戴好劳保用品;高空活动部件捆绑牢实;●砸坏井口,控制措施:起吊前井口安装好防护罩;起吊井口附近设备使用牵引绳;设备套牢;要求起吊工操作平稳;指挥手势信号统一,符合GB5082规定;●起吊罐箱设备,环境污染,控制措施:起吊前放净或转移罐箱内液体;清除罐箱内残留物;●起吊电气设备,触电伤害,控制措施:起吊电气设备先断电断线;在不能断电的线路旁起吊设备时,注意采取防护措施.2、外钳工(在该作业中共涉及3个危险点源):●起吊重物超负荷、吊绳断,控制措施:严禁超负荷起吊;起吊前检查钢丝绳及起吊绳;杜绝吊车人员违章指挥;●吊车脚子不稳,控制措施:起吊前用枕木垫好脚子;●高空落物,控制措施:作业人员必须穿戴好劳保用品;高空活动部件捆绑牢实。
3、内钳工(在该作业中共涉及3个危险点源):●起吊重物超负荷、吊绳断,控制措施:严禁超负荷起吊;起吊前检查钢丝绳及起吊绳;杜绝吊车人员违章指挥;●吊车脚子不稳,控制措施:起吊前用枕木垫好脚子;●高空落物,控制措施:作业人员必须穿戴好劳保用品;高空活动部件捆绑牢实.4、井架工(在该作业中共涉及3个危险点源):●起吊重物超负荷、吊绳断,控制措施:严禁超负荷起吊;起吊前检查钢丝绳及起吊绳;杜绝吊车人员违章指挥;●吊车脚子不稳,控制措施:起吊前用枕木垫好脚子;●高空落物,控制措施:作业人员必须穿戴好劳保用品;高空活动部件捆绑牢实。
钻井工程工艺流程图一、岗位描述:●司钻:负责指挥吊装设备;●副司钻:负责捆绑设备,协调指挥好同组作业人员;●外钳工:听从司钻指挥,垫吊车脚子,挂绳索,协助吊装设备;●内钳工:听从司钻指挥,垫吊车脚子,挂绳索,协助吊装设备;●井架工:听从司钻指挥,垫吊车脚子,挂绳索,协助吊装设备;●场地工:听从司钻指挥,垫吊车脚子,挂绳索,协助吊装设备;●其余作业人员:听从副司钻协调指挥,捆绑好设备。
二、危险点源分析:1、司钻(在该作业中共涉及7个危险点源):●起吊重物超负荷、吊绳断,控制措施:严禁超负荷起吊;起吊前检查钢丝绳及起吊绳;杜绝吊车人员违章指挥;●吊车脚子不稳,控制措施:起吊前用枕木垫好脚子;●配合不好,导致人员、设备伤害,控制措施:司钻负责指挥协调,信号手势统一,符合GB5082规定;●高空落物,控制措施:作业人员必须穿戴好劳保用品;高空活动部件捆绑牢实;●砸坏井口,控制措施:起吊前井口安装好防护罩;起吊井口附近设备使用牵引绳;设备套牢;要求起吊工操作平稳;指挥手势信号统一,符合GB5082规定;●起吊罐箱设备,环境污染,控制措施:起吊前放净或转移罐箱内液体;清除罐箱内残留物;●起吊电气设备,触电伤害,控制措施:起吊电气设备先断电断线;在不能断电的线路旁起吊设备时,注意采取防护措施。
2、外钳工(在该作业中共涉及3个危险点源):●起吊重物超负荷、吊绳断,控制措施:严禁超负荷起吊;起吊前检查钢丝绳及起吊绳;杜绝吊车人员违章指挥;●吊车脚子不稳,控制措施:起吊前用枕木垫好脚子;●高空落物,控制措施:作业人员必须穿戴好劳保用品;高空活动部件捆绑牢实。
3、内钳工(在该作业中共涉及3个危险点源):●起吊重物超负荷、吊绳断,控制措施:严禁超负荷起吊;起吊前检查钢丝绳及起吊绳;杜绝吊车人员违章指挥;●吊车脚子不稳,控制措施:起吊前用枕木垫好脚子;●高空落物,控制措施:作业人员必须穿戴好劳保用品;高空活动部件捆绑牢实。