9大岗位安全风险识别卡
- 格式:doc
- 大小:195.50 KB
- 文档页数:14
1_各个岗位风险告知卡样板各个岗位风险告知卡样板(仅供参考)维修工岗位风险识别卡风险提示1、使用电动、气动修理工具产生的机械伤害。
2、起重作业时的起重伤害。
3、调试发动时产生的设备机械伤害。
4、触电。
5、火灾。
应急处置1、发生机械伤害,立即使伤者脱离伤害源,进行应急包扎后送往附近医院救治。
2、人员触电后,立即关断相关电源或使伤者脱离电源,然后对伤者进行救护,严重时送往附近医院救治。
3、按操作规程施工程序与步骤检查和准备1、工作前穿戴好劳保用品。
2、准备好工作用的扳手等拆装工具。
3、准备好专用具量。
4、检查吊索具是否有完好,吊装物件捆绑是否牢靠。
5、检查工具灯、电缆是否完好。
6、检查保险凳是否完好,支撑牢靠。
7、车辆要停放在指定工位。
操作1、修车拆装应按顺序进行。
2、拆装零部件时要双脚踩实,扳手不能用全力。
3、修车工作地点需使用易燃品时,应先检查周围是否有明火或其它火灾隐患。
4、严禁在发动机运转时,进入车下检查底盘或从事拆装作业。
5、使用带电设备、机具、电钻、手砂轮、风搬手、喷灯要执行有关操作规程,做到人离断电、火源熄。
6、油桶、油箱加盖密封。
7、进行动火做业要做好监护,附近不能有易燃易爆品。
8、工作做完毕打扫好工作场地。
备注1、正确使用设备和专用工具,不锤击、不敲打,不违章作业2、配件、工件不落地,场地清洁。
3、使用起重设备及进行起重作业时,严格执行操作规程。
4、熟知应急预案。
电工岗位风险识别卡风险提示1、触电。
接触配电设备时,首先用试电笔测试设备表面是否带电,防止触电2、电灼伤。
合刀闸、空气开关未侧身,配电部位有故障时会放出电弧光,发生电灼伤3、设备烧损或电气火灾。
检查配电设备时,如果各种电器元件接触部位有氧化腐蚀现象,立即断电检查,以防烧损设备或发生电气火灾应急处置1、发生触电,立即切断电源或使人体脱离带电体,进行现场急救;同时向上汇报,送医院继续救治2、发生电灼伤,停止操作,远离带电体,断开电源,将伤者送医院救治2、发生电气火灾后,首先设法及时切断电源,然后进行扑救;如果不能及时切断电源,可用二氧化碳、干粉灭火器灭火,并及时拨打火警电话119。
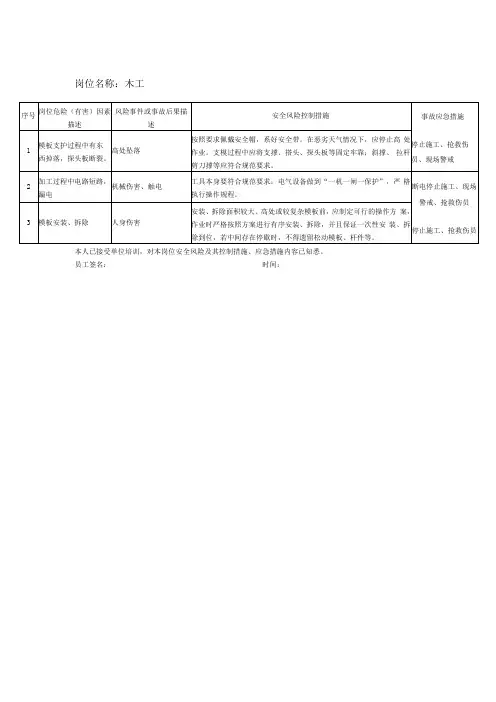
岗位名称:木工本人已接受单位培训,对本岗位安全风险及其控制措施、应急措施内容已知悉。
员工签名:时间:岗位名称:钢筋工本人已接受单位培训,对本岗位安全风险及其控制措施、应急措施内容已知悉。
员工签名:时间:岗位名称:架子工本人已接受单位培训,对本岗位安全风险及其控制措施、应急措施内容已知悉。
员工签名:时间:岗位名称:泥工(砌筑工)本人已接受单位培训,对本岗位安全风险及其控制措施、应急措施内容已知悉。
员工签名:时间:岗位名称:油漆工本人已接受单位培训,对本岗位安全风险及其控制措施、应急措施内容已知悉。
员工签名:时间:岗位名称:混凝土工员工签名:时间:岗位名称:防水工本人已接受单位培训,对岗位安全风险及其控制措施、应急措施内容已知悉。
员工签名:时间;岗位名称:管道工(电、气、焊)本人已接受单位培训,对本岗位安全风险及其控制措施、应急措施内容已知悉。
员工签名:时间:岗位名称:模板工本人已接受单位培训,对本岗位安全风险及其控制措施、应急措施内容已知悉。
员工签名:时间:岗位名称:电工本人已接受单位培训,对岗位安全风险及其控制措施、应急措施内容已知悉。
员工签名:时间;岗位名称:建筑起重机司机(施工升降机、物料提升机)本人已接受单位培训,对本岗位安全风险及其控制措施、应急措施内容已知悉。
员工签名:时间:岗位名称:挖掘机司机本人已接受单位培训,对本岗位安全风险及其控制措施、应急措施内容已知悉。
员工签名:时间:岗位名称:混凝土搅拌机司机本人已接受单位培训,对本岗位安全风险及其控制措施、应急措施内容已知悉。
员工签名:时间:岗位名称:中小型机械操作工本人已接受单位培训,对本岗位安全风险及其控制措施、应急措施内容已知悉。
员工签名:时间:。
岗位安全风险告知卡1 叉车岗位风险告知卡2 厂内专用机动车辆司机岗位安全风险告知牌岗位名称厂内专用机动车辆司机主要事故类别车辆伤害风险等级低风险步骤或范围危险危害因素可能的事故及严重性防范及应急处理措施车辆驾驶作业1.车辆行驶中或其他出入采场的车辆撞击或挤压到人员。
2.车辆行驶中由于操作不当或发生滑坡、塌方时造成车辆倾倒。
3.交叉路口或超车或会车时发生装载机和其他车辆相撞事故。
4.夜间作业时由于装载机照明设备损坏或采场和路上的照明度不够,造成装载机和其他车辆相撞或坠毁。
5.装载机卸料时铲斗碰到矿车驾驶室或其他部位造成事故。
车辆伤害造成人员伤亡和财产损失1.严禁酒后驾驶车辆。
2.车辆起步前要观察四周,确认安全后,先鸣笛,后起步。
3.车辆作业前要做好例行安全检查和维护保养。
4.车辆的制动器、转向器、喇叭、灯光、后视镜必须保持齐全有效,行驶途中,如发生故障,应停车修复后,方准继续行驶。
5.发生事故后要立即停止作业,抢救伤员,拨打急救电话。
警示标识3.带式输送机岗位风险告知卡岗位风险告知卡风险点带式输送机风险等级一般风险伤害类型机械伤害、物体打击、触电等安全风险控制措施1.设备的传动部位无防护装置,或不符合安全规程要求。
2.设备在运转中处理故障、检修设备或清理杂物。
3.人员跨越运行的设备、输送带。
4.操作人员不按规定穿戴劳动保护用品或疏忽大意。
5.操作人员在输送带上行走、跨越或坐卧。
6.输送机的机头、机尾未设安全防护罩或栏杆,机下过人的地方,未设安全保护设施。
7.在检修时,机器突然被他人随意启动。
8.检验、维修不及时,致使设备带病运行。
9.机械设备的防护装置缺乏或损坏、被拆除等。
1.必须设置驱滚筒防滑保护、防跑偏装置急停装置2.应装设温度保护、烟雾保护自洒水装置3.安设的带式输送机必须敷设:(1)输送带张紧力降保护装置防撕裂保护装置(2)机机尾防止员与滚筒导向滚筒相接触防护栏4.液力偶合器严禁使用燃性传介质(调速型液力偶合器受限)5.带式输送机应加设软启装置运带式输送机应加设软制装置安全警示标志责任人联系方式岗位风险告知卡风险点 破碎生产线风险等级一般风险伤害类型机械伤害、触电、火灾、粉尘、噪声 安全风险控制措施1、设备异常,带病运转;设备安全防护装置缺失;操作人员粗心大意。
4、严禁在发动机运转时,进入车下检查底盘或从事拆装作业。
5、使用带电设备、机具、电钻、手砂轮、风搬手、喷灯要执行有关操作规程,做到人离断电、火源熄。
6、油桶、油箱加盖密封。
7、进行动火做业要做好监护,附近不能有易燃易爆品。
8、工作做完毕打扫好工作场地。
1、正确使用设备和专用工具,不锤击、不敲打,不违章作业2、配件、工件不落地,场地清洁。
备注3、使用起重设备及进行起重作业时,严格执行操作规程。
4、熟知应急预案。
2电工岗位风险识别卡1、发生机械伤害或物体打击事故,立即停止操作,使伤者脱离伤害源,采取止血、包扎等现场急救措施,同时向车间领导汇报;如果伤情较重,可直接拨打“120”急救电话送医院救治1、在车床上进行车削外圆面、端面等时,车刀安装在方刀架上,刀尖一般应与车床中心等高。
车刀在方刀架上伸出的长度一般应小于2倍刀体高度垫片要放平整,片数不能太多(不超过3片),要用两个螺钉来压紧车刀。
2、在车床上进行切断工作时,注意切断刀的安装,使刀尖与工件中心等高。
工件的切断处应距卡盘近些,以免切断时工件振动,并避免在顶尖上切断。
操作时,要均匀进给,即将切断时,必须放慢进给速度,以保证安全。
3、在车床上钻孔前,必须先车平端面。
为防止钻头偏斜折断,可先用车刀划一坑或用中心钻钻中心孔作为引导,钻孔时应加冷却液。
孔将钻通时,须放慢进给速度,操作以防钻头折断4、车削细长工件时,为保证安全应采用中心架或跟刀架。
5、削形状不规则的工件时,应装平衡块,并试转平衡后再切削。
6、用砂布打磨工件表面时,应把刀具移动到安全位置,不要让衣服和手接触工件表面。
加工内孔时,不可用手指支持砂布,应用木棍代替,同时速度不宜太快。
7、加工结束后应将所有用过的物品擦干净,用专用钩子清除切削,按规定给工、夹、量具涂油防锈.8、将车床大拖板摇到床尾一端,各传动手柄放到空档位置,给各加油部位上好润滑油并关闭总电源开关.1、手和身体不能靠近转动的机件,不准用手刹住转动的卡盘2、不准在开车时安装刀具;改变主轴转速,应先停车;除车床上装有运转中自动备注测量装置外,均应停车测量工件,并将刀架移动到安全位置。
车床操作工岗位安全风险识别卡——预防胜于治疗车床操作工岗位风险识别卡1.机械故障车床作为复杂机械,包含众多组件,如传动系统、控制系统和液压系统等。
这些组件的故障可能导致车床性能下降或操作失控,从而带来风险。
2.操作失误车床操作工在操作过程中可能出现失误,如启动错误、触摸机件等,这些失误可能导致设备损坏或人员受伤。
3.刀具管理车床操作工需要定期更换刀具、检查刀具库存等。
这些过程中可能出现刀具掉落、刀具选择不当等问题,从而产生风险。
4.电器安全车床操作工应关注电器安全,检查保护装置和安全接地等。
电器故障可能导致设备损坏或人员触电,带来严重风险。
5.切削屑防护切削屑是车床运行过程中的主要污染源。
车床操作工应佩戴护目镜,并确保切削屑的有效收集和清理,以防粉尘对健康产生影响。
6.噪音和振动车床运行过程中会产生噪音和振动。
超过允许的噪音水平和机器振动可能对操作工的听力和身体健康产生负面影响。
7.暴露于危险物质车床操作工可能面临危险物质暴露的风险,如接触化学试剂、汽油等。
这些危险物质可能对皮肤、眼睛等产生刺激和腐蚀作用。
8.疲劳和压力长时间的工作和不良的精神状态可能影响车床操作工的操作能力和工作效率,从而带来风险。
9.个人防护装备车床操作工需要佩戴一系列个人防护装备,如防切割手套、安全帽、耳塞等。
这些装备如未正确佩戴或选择不当,可能增加操作中的风险。
10.培训和意识针对车床操作工的培训和意识提升是降低操作风险的必要环节。
通过定期的安全培训和技能培训,可以提高车床操作工对操作规程和安全措施的理解与执行能力,降低潜在风险。
各工种岗位安全风险告知卡目录1、岗位安全风险告知卡---拣矸工2、岗位安全风险告知卡---胶带输送机司机3、岗位安全风险告知卡---振动筛司机4、岗位安全风险告知卡---斗提机司机5、岗位安全风险告知卡---跳汰机司机6、岗位安全风险告知卡---破碎机司机7、岗位安全风险告知卡---水泵司机8、岗位安全风险告知卡---集控操作员9、岗位安全风险告知卡---电工10、岗位安全风险告知卡---机修工11、岗位安全风险告知卡---班组长12、岗位安全风险告知卡---跟班队干岗位 名称 危险因素 事故诱因1、伤手2、伤脚3、撞伤4、溅伤1、劳保用品不完好2、大锤砸石头,锤头飞出3、搬石头手滑,石头落到脚上4、站在皮带上作业,脚卷入到皮带与皮带架的缝隙内5、搬石头手卷入到皮带与皮带架的缝隙内6、大锤砸石头,石头碎片溅伤他人 拣矸工 安全标识安全管控措施 1、穿戴好劳保用品2、作业前检查大锤的完好性3、严禁站立运行的皮带上搬石头4、石头从手中滑落,躲闪及时5、搬石头要眼疾手快。
6、远离他人进行石头破碎。
重要提示 未经培训严禁上岗值班电话:5939465 急救电话:120岗位安全风险告知卡岗位名称危险因素 事故诱因 1、挤伤2、绞伤3、伤手4、伤脚5、触电 1、处理故障,未闭锁开关2、躺卧坐运行的皮带,横跨皮带未走行人过桥3、站位不合理4、设备运转,打开防护栏进行作业5、用水冲洗开关和用电设备6、触碰设备运转部位。
7、设备存在严重隐患危及安全生产,未停机8、皮带上有人作业,开机9、机尾有人作业,开启设备10、长发留在到帽外,进行作业11、机头下方漏斗内有人作业,开机12、开机前检查设备不到位13、未严格执行岗标和操作规程 胶带输送机司机安全标识 安全管控措施 1、停电闭锁开关,处理故障2、严禁躺卧坐运行的皮带,横跨皮带走行人过桥3、合理站位4、设备运转,严禁打开防护栏作业5、严禁用水冲洗开关和用电设备6、严禁碰触设备运转部位、7、严禁设备带病运转。
岗位安全辨识卡岗位名称步骤或者范围配电房高配主要事故类型危(wei)险危害因素1、高压变压器升温过高。
2、老鼠等小动物进入高压配电房,有可能破坏电缆线及电器设备。
3、高配室内湿度过高,可能引起放电和电气设备、仪器仪表损坏。
4、体力、听力、视力不够等生理因素。
5、身体状况异常(如生病,疲劳等)。
6、情绪异常、冒险心理、过度紧张等心理异常。
7、感知迟缓、辨识错误、其他缺陷等辨识功能缺陷。
8、对岗位操作不熟练,达不到“四懂三会”的要求。
9、不按操作规程操作。
10、工作指令错误。
停电、设备毁坏、影响安全生产等事故可能的事故及严重性停电,变压器严重损坏并影响室电网。
停电停电、设备毁坏误操作,引起停电、设备毁坏、影响安全生产及造成人身伤亡等事故。
防范或者应急处理措施正确操作,及时巡检,适时排风。
定时巡检,发现墙洞及时堵上。
定时巡检,发现湿度偏高及时开启除湿机。
加强管理,及时发现员工异常情况并采取相应措施,定期体检。
员工要注意歇息,加强锻炼,确保上班有良好的精神状态和心理素质。
加强安全教育和技术培训,提高安全意识和操作技能,规范操作行为。
岗位安全辨识卡岗位名称步骤或者范围气焊气割作业气焊工主要事故类型危(wei)险危害因素气焊气割使用易燃易爆气体。
氧气遇油脂会很快氧化发热,瓶阀口如沾上油脂,遇氧会迅速氧化发热,当温度达到自燃点时,便发生燃烧、爆炸,同样乙炔钢瓶如果使用不当也会发生燃爆。
焊割炬中氧—乙炔混合气体的喷射速度小于燃烧速度引起火焰倒向焊割炬及橡皮管内。
气焊、气割和焊接设备安全装置有缺陷,或者违反安全操作规程。
烧伤、烫伤、火灾、爆炸可能的事故及严重性防范或者应急处理措施氧气瓶不能与带油的物资放在一起,沾油的手套、工作服等不能放在氧气瓶上;不能用火灾、爆炸发生回火爆炸可能发生烧伤、烫伤事故油纱头揩拭氧气瓶,操作前洗净手上的油污,乙炔瓶应直立放置,不能卧放,不可近火,不可放在烈日下爆晒(温度达到35℃时就有爆炸的危(wei)险)。
普工岗位安全风险控制卡背景日益增长的生产需求使得工业生产中普工职位成为了生产中不可或缺的一环,但普工岗位上的安全风险也是难以忽视的。
因此,为了降低普工岗位上的安全风险,制定一份安全风险控制卡就变得尤为重要。
安全风险控制卡红色风险区域1.电气线路故障、电线短路等电气问题。
2.机械安全保护装置缺陷或异常。
3.吊装点选型不当或使用异物代替吊装工具。
黄色风险区域1.操作人员未经过培训或经验不足进行操纵。
2.工艺设计问题。
3.使用不合适工具。
绿色风险区域1.个人行为不当,如玩游戏、尝试绕过安全设备等。
2.工作环境不规范造成的轻微风险。
3.来自其他部门的不当行为,如与其余工种冲突等。
安全控制措施安全风险控制是一个系统性的工程,包含了培训、安全设施和应急措施。
其中,以下是常用的控制措施:1.对普工进行安全操纵技能培训,特别是工艺复杂、操作难度大的生产环节。
2.安装电气安全等级符合要求的电气保护装置,如维修断路器,使其具备过流、过压、过载保护能力。
3.加强对机械保护装置的日常保养,确保其能够在生产中实际履行维护作用。
4.针对吊装点选型不当或使用异物代替吊装工具的问题,应该在操作前慎重考虑吊装展开方案。
5.对于未经过培训或经验不足的操作人员,应该制定标准作业程序,并控制其相关操作权限,确保其不会造成过多安全风险。
6.加强与其余部门的沟通协作,从工艺设计上消除潜在的安全风险。
7.维护和管理正确、合适的工具,特别是需要使用力量的工具。
###应急措施应急措施是安全风险控制的最后一道防线,它包括了预防措施和事故发生后的紧急措施。
对于普工岗位而言,以下是一些常用的应急措施:1.第一时间进行现场控制,清理场地,及时避免事态扩大。
2.现场工作人员立即报告岗位上发生了紧急情况,通知进行紧急处置。
3.立即通知相关人员,对伤员和安全事件进行记录和报告。
4.制定安全预案,加强队伍的紧急管理技能和资源应对能力。
结论普工岗位的安全风险控制卡是一个非常重要的制度性作品。