基础工程课程设计计算书
- 格式:doc
- 大小:478.50 KB
- 文档页数:8
基础工程课程设计计算书1.确定修正后的承载力特征值f a. 初选基础埋深d : 取d=1.35m取d=1.35,所以,持力层在粉质粘土层 ∵e=0.88 ηb =0 ηd =1.0112()18118.70.351.3218.6/z m z d z dKN m γγγ+-=⨯+⨯== f =f (3)(0.5)280 1.018.6(1.350.5)304.18304k a 304a a ak b d m a b d kPa P f kP ηγηγ+-+-=+⨯⨯-=≈∴=2.确定基底尺寸因为给定的上部荷载都是设计值,需换算为计算值:2111/1.4220/1.4157.14,/1.41780/1.41271.43/1.448/1.434.3k k M M KN M F F KN V V KN∴=========计算基础及其上土的自用应力Gk 时,基础埋深:(1.35 1.81)/2 1.58d =+= 初步确定基地尺寸,因考虑荷载偏心,将基底面积初步设计增大20%21.2/()(1.21271.43)/(29520 1.58)5.8K a g A F F d m γ=-=⨯-⨯=取基底长短比n=1/b=2/ 5.8/2 1.7,2 1.7 3.41.73b A h m l nb m b m m ∴===∴==⨯==<所以Fa 无需作宽度修正初选基础高度h=720mm 。
按照《地基规范》要求,铺设垫层时保护层厚度不小于40mm ,因此可假设基础重心到混凝土外表面距离为50mm ,故钢筋的有效高度为h0720mm-50mm=670mm 。
验算荷载偏心距e: 基地处总竖向力:i 91271.4320 1.7 3.4 1.5814540.71157.1434.30.7181.e /()181/14540.124/60.57k k K K k k k F G KN M M V KN m M F G l +=+⨯⨯⨯==+⨯=⨯⨯====<= 基地处总力矩:偏心距:满足要求max k P 验算基底最大压力:max 6145460.124(1)(1)306.6 1.2 1.2304364.8a 1.7 3.4 3.4b k k k F G e P kPa fa kP bl l +⨯=+=⨯+=<=⨯=⨯∴∴⨯⨯满足要求基地尺寸为l=1.7m 3.4m 3.基础结构设计采用C20混凝土,HPB325级钢筋,查得Ft=1.10N/m2,fy=210N/mm2=垫层采用C10混凝土。
目 录一、基础工程课程设计任务书1、题目2、设计资料3、设计要求二、设计指示书1、教学要求与设计依据2、资料整理3、天然地基上浅基础设计要求4、钢筋混凝土扩展基础设计5、换土(砂)垫层设计6、桩基设计7、设计方案比较及绘图三、设计计算书设计方案一:天然地基上浅基础的设计(钢筋混凝土扩展基础)1)确定基础类型和材料;2)选定基础埋深;3)确定地基承载力(先确定地基承载力特征值,后再考虑修正);4)按地基承载力计算基础尺寸;5)地基承载力验算;6)基础沉降验算;7)工程造价概算(工程单价查定额)设计方案二:换土(砂)垫层设计1)按上述浅基的基本步骤定基础结构类型、材料和埋深;2)按砂垫层200a f K Pa 确定基础尺寸;3)确定垫层厚度及宽度(先试算厚度,再进行验算);4)估算造价。
四、基础施工图三、设计计算书设计方案一:天然地基上浅基础的设计1)确定基础结构类型和材料:采用墙下钢筋混凝土条形基础(对于一般中小型建筑物 或6层以下的住宅,宜采用“宽基浅埋”);混凝土强度等级采用C20,t f =1.102/N mm ;钢筋采用HPB235,2210/y f N mm =. 2)选定基础埋深:浅基础埋深的规范要求0.5m ≤d ≤1.5m ,设定基础埋深0.5d m =3)确定地基承载力:由:a b d m c k f M b M d M C γγ=++根据土壤分析结果,由下公式计算γ:()()31 2.5140%1016/11 1.19s d KN m e ωωγγ+⨯+=⋅=⨯=++ 由:7ϕ= ,20k C K Pa =,查表2-3得:0.12b M =, 1.47d M =, 3.82c M =假定 3b m =.则:(0.12163 1.47160.5 3.8220)93.92a f K Pa K Pa =⨯⨯+⨯⨯+⨯=4)按地基承载力计算基础尺寸:一般条形基础底板厚度取基础宽度的1/8,则 30.37588bh === 取0.4m 。
基础工程课程设计计算书 1.研究岩土勘察报告:第一层杂填土:31/5.15m KN =γ,m d 5.11=,不考虑其侧阻;第二层灰褐色粉质粘土:,/3.1732m KN =γm d 3.82=,由W P =0.19,W L =0.34,W=0.32得I l =0.87,查表得为软塑性土。
第三层灰褐色泥质粘土:,/2.1633m KN =γm d 0.123=,W P =0.18,W L =0.44,W=0.338得I l =0.61,查表得为可塑性土。
因此选第三层土为持力层。
2. 选择桩型、桩端持力层 、承台埋深根据地质勘察资料,确定第三层灰褐色泥质粘土为桩端持力层,持力层的q s3k =60KN,。
采用钢筋混凝土预制桩,几何尺寸为 400mm ×400mm ,桩长为10m 。
桩顶嵌入承台50毫米,桩端进持力层0.2m ,承台埋深为1.5m 。
3.确定单桩竖向承载力标准值: 3.1确定单桩竖向承载力标准值Q :由桩长L=10m,第二层I l =0.87,得q s2k =45KPa ,第三层I l =0.61,得q s3k =60KPa,q pk =1500KPa根据静力触探法公式 :pk sk uk Q Q Q +=按静力触探法确定单桩竖向极限承载力标准值: p pk i sik pk sk uk A q l q u Q Q Q +=+=∑=1.1 [45×9.8+60×0.2] +1500×0.4×0.4=738.3kN3.2确定桩基竖向承载力设计值Ra :kN K Q Ra uk 3692738.3kN===式中 K 为安全系数,取K=2。
4.确定桩数n 、布置及承台的尺寸: 4.1 桩数n :最大轴力标准值:1660kN =k F初步估算桩数,由于柱子是偏心受压,考虑一定的系数,规范中建议取1.1~1.2先不考虑承台质量,因偏心荷载,桩数初定为:95.436916601.1=⨯==Ra F n μ取桩数 6=n 4.2 桩的中心距 :桩的最小中心距为,考虑到抗冲切验算,故取s=3.0xb p =1.2m 。
课程设计说明书课程名称:基础工程课程设计设计题目:柱下独立基础设计专业:道桥班级:道桥1001学生姓名: 豹哥学号: 1000000000 指导教师:周老师湖南工业大学科技学院教务部制2012年 12 月 9 日目录1 引言 (2)1.1 基础课程设计目的 ....................................................................................................... 2 1.2 基础课程设计基本要求 .. (2)1.2.1 说明书(计算书)的要求 ................................................................................. 3 1.2.2 基础施工图纸的要求 .. (3)2、柱下独立基础设计 (3)2.1 设计资料 ....................................................................................................................... 3 2. 2独立基础设计 (4)2.2.3.求地基承载力特征值af (4)2.2.4.初步选择基底尺寸 (5)2.2.5.验算持力层地基承载力 ....................................................................................... 5 2.2.6.计算基底净反力 ................................................................................................... 6 2.2.7.基础高度(采用阶梯形基础) ............................................................................... 6 2.2.8.变阶处抗冲切验算 ............................................................................................... 7 2.2.9.配筋计算 ............................................................................................................... 8 2.2.11.确定B 、A 两轴柱子基础底面尺寸 ................................................................... 9 2.2.12.B 、A 两轴持力层地基承载力验算 .................................................................. 10 2.2.13. 设计图纸 (10)3. 主要参考文献 ........................................................................................................................... 12 附录 (13)钢筋表..................................................................................................................................... 13 课程设计任务书 ..................................................................................................................... 14 致谢词 .. (20)1 引言“土力学与地基基础”课程是土木工程专业及相关专业的主干课程,也是重要的专业课程。
基础工程课程设计计算书1.1 选择桩型、桩端持力层、承台埋深1.选择桩型因框架跨度大而且不均匀,柱底荷载大,不宜采用浅基础。
根据施工场地、地基条件以及场地周围的环境条件,选择桩基础。
因钻孔灌注桩泥水排泄不便,为了减小对周围环境的污染,采用静压预制桩,这样可较好地保证桩身质量,并在较短施工工期完成沉桩任务,同时,当地的施工技术力量、施工设备及材料供应也为采用静压桩提供了可能性。
2.选择桩的几何尺寸及承台埋深依据地基土的分布,第④层土是较合适的桩端持力层。
桩端全断面进人持力层1.50(>2d)。
承台底进人第②层土0.5m ,所以承台埋深为2.0m ,桩基的有效桩长即为24.5m 。
桩截面尺寸选用450mm × 450mm ,由施工设备要求,桩分为两节,上段长l2m ,下段长l2.5m(不包括桩尖长度在内),实际桩长比有效桩长大lm ,这是考虑持力层可能有一定,的起伏以及桩需嵌入承台一定长度而留有的余地。
桩基及土层分布示意图见图10-17。
1.2 确定单桩极限承载力标准值本设计属二级建筑桩基,采用经验参数法和静力触探法估算单桩极限承载力标准值。
根据单桥探头静力触探资料户,按图10-1确定桩侧极限阻力标准值: 1000s p kPa <时,0.05sk a q p = 1000a p kPa <时,0.0525sk a q p =+桩端阻力的计算公式为()1212skp sk p as as p p p p ααβ'==+ 根据桩尖人土深度(H =24.5m),由表10-2取桩端阻力修正系数0.83P α=;1sk p 为桩端全断面以上8倍桩径范围内的比贯人阻力平均值,计算时,由于桩尖进人持为层深度较浅,并考虑持力层可能的起伏,所以这里不计持力层土的1sk p ,2sk p 为桩端全断面以下4倍桩径范围内的比贯人阻力平均值,故1860sk p kPa =,23440sk p kPa =;β为折减系数,因为21/5sk sk p p <,取1β=。
目录基础工程课程设计计算书 (1)一、设计目的: (1)二、设计内容: (1)三、设计要求: (3)四、参考资料: (3)五、○A轴柱下钢筋混凝土独立基础的设计与计算 (4)六、○B轴柱下钢筋混凝土独立基础的设计与计算 (8)基础工程课程设计计算书一、设计目的:课程设计是高等教育中一直强调和重视的教学实践环节,《基础工程》是土木工程专业重要的专业基础课程之一。
基础工程课程设计是学生在学习《土力学》、《混凝土结构设计原理》和《基础工程》课程的基础上,综合应用所学的理论知识,完成基础设计任务。
该课程设计的主要目的是通过本课程的学习,学生能够掌握基本的地基基础设计、构造、识图、施工方法。
本课程的主要任务是培养学生以下方面的能力:1.树立正确的设计思想,理论联系实际,具有创新思想;2.提高综合运用所学的理论知识独立分析和解决问题的能力;3.学会运用基础工程设计的基本理论、基本知识和基本技能,了解基础工程设计的一般规律;4.具有运用标准、规范,查阅技术资料的能力和分析计算能力,以及运用计算机绘图的能力。
二、设计内容:(1)设计资料某教学楼为四层钢筋混凝土框架结构,采用柱下独立基础,柱网布置如下图所示,试设计该基础。
1)地质条件该地区地势平坦,无相邻建筑物,自上而下土层依次如下:①号土层:杂填土,层厚约0.3m,含部分建筑垃圾②号土层:淤泥质土,层厚1.2m,软塑,潮湿,承载力特征值f ak=60KPa。
③号土层:含砾粘土,层厚2m,硬塑,稍湿,承载力特征值f ak=250KPa。
④号土层:粉质质土,层厚1.5m,承载力特征值f ak=250KPa。
⑤号土层:灰岩,承载力特征值f ak=6000KPa。
地基岩土物理力学参数如表1所示,地下水位在-1.5m处,无侵蚀性。
表1 地基岩土物理力学参数2)给定参数柱截面尺寸为500mm×500mm,在基础顶面处的相应于荷载效应标准组合,由上部结构传来轴心荷载见表1,荷载设计值取荷载标准值的1.35倍。
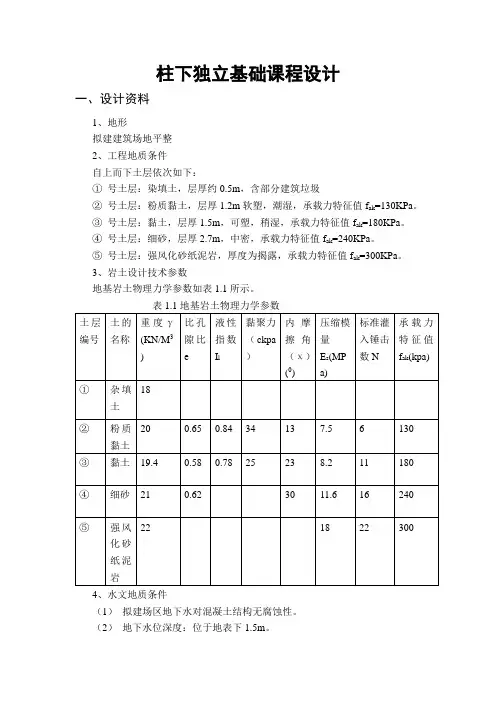
柱下独立基础课程设计一、设计资料1、地形拟建建筑场地平整2、工程地质条件自上而下土层依次如下:①号土层:染填土,层厚约0.5m,含部分建筑垃圾②号土层:粉质黏土,层厚1.2m软塑,潮湿,承载力特征值f ak=130KPa。
③号土层:黏土,层厚1.5m,可塑,稍湿,承载力特征值f ak=180KPa。
④号土层:细砂,层厚2.7m,中密,承载力特征值f ak=240KPa。
⑤号土层:强风化砂纸泥岩,厚度为揭露,承载力特征值f ak=300KPa。
3、岩土设计技术参数地基岩土物理力学参数如表1.1所示。
4、水文地质条件(1)拟建场区地下水对混凝土结构无腐蚀性。
(2)地下水位深度:位于地表下1.5m。
5、上部结构材料拟建建筑物为多层全现浇框架结构,框架柱截面尺寸为500mm×500mm。
室外地坪标高同自然地面,室内外高差450mm。
柱网布置如下图所示。
6、上部结构作用上部结构作用在柱底的荷载效应标准组合值如表1.2所示,上部结构作用在柱底的荷载效应基本组合值如表1.3所示。
表1.3柱底荷载效应基本组合值7、材料混凝土强度等级为C25~C30,钢筋采用HPB235、HRB335级。
二、基础埋置深度,基础底面尺寸的确定1、确定基础的埋置深度基础的最小埋深d min =Z d -h max ,Z d =Z 0ΨZs ΨZw ΨZe 。
查表2-11,表2-12及表2-13得d min =Z d -h max <0。
故基础的埋置深度不受地基冻结条件所控制而有其他因素确定。
基础埋深不易浅于0.5m ,因为表土一般都松软,易受雨水及外界影响,不宜作为基础的持力层。
另外,基础顶面应低于设计地面100mm 以上,避免基础外露,遭受外界的破坏。
持力层为③层。
2、确定基础底面的尺寸查表2-15,深度修正系数ηd =1.6,按式(2-36),修正后地基承载力特征值为F a =f ak +ηd r m (d-0.5)=180+1.6×14.2×1.5=214.08KPa 按中心荷载初估基础底面积 A 轴:2113397.69214.08202a F A mf rd===-⨯-考虑偏心荷载作用,将基底面积扩大1.3倍,即:A=1.3×A 1=9.997m 2,采用3m ×4m 基础基础及回填土重20234480G rdA KN ==⨯⨯⨯= 基础的总垂直荷载F+G=1339+480=1819KN 基底的总力矩M=284+96×2=476KN.M总荷载的偏心按式(2-41)计算基底边缘最大应力:max2181947663443F G M p AW+⨯=+=+⨯⨯=151.58+59.5=3211.08KN/m 2<1.2f a =256.90KN/m 2满足地基承载力要求。
可编辑修改精选全文完整版基础工程课程设计计算书一、 工程概况某写字楼为钢筋混凝土框架结构,楼高6层,采用钢筋混凝土柱下条形基础。
底层平面见示意图。
框架柱截面尺寸为500×500,二、 根据地质资料可知确定基础埋深:根据地质资料进入土层 1.7m 为粘土层,其基本承载理fak =175kPa,为最优持力层,基础进入持力层大于30cm ,基础埋深为2m 。
杂填土γ=15kN/m3粘土γ=18kN/m3;基本承载力fak=175kPa淤泥γ=18.5kN/m3;基本承载力fak=90kPa1.7m3.5m未钻穿地基地质构造情况三、确定基础梁的长度和外伸尺寸。
设基础梁两端外伸的长度为a1、a2,两边柱之间的轴线距离为a。
为使其合力作用点与根据荷载的合力通过基底形心,按形心公式确定基础两端向外延伸出边柱外。
但伸出长度也不宜太大,这里取第一跨距(AB跨)的0.25倍,即取a=0.25×6=1.5m。
xc确定后,可按合力作用点与基底形心相重合的原则,定出基础梁的长度L,则有:L= 2(xc+La)= 2×(15+1.5) = 33m三、确定基础受力:表1 柱荷载值表轴号①②③④⑤⑥A 1775 2150 2587 2400 2150 1775B 1775 2150 2587 2400 2150 1775C 1775 2150 2587 2400 2150 1775注:单位kN。
按地基持力层的承载力确定基础梁的宽度b。
初定基础的埋置深度2m >0.5m ,应对持力层承载力进行深度修正,即:f '= f k +ηd ·γ0(d- 0.5 )= 175 + 1.0×((15×1.7 + 18 × 3.5)/5.2)×(2.0-1.0)= 192.0 kPa < 1.1f k = 192.5kPa b≥)20'(d f L Fi-∑ =)2200.192(33177521502400258721501775⨯-⨯+++++= 2.56m ,取 b = 2.7m则持力层的地基承载力设计值f = f ' = 192.5 kPa四、 条形基础地基承载力验收. 1. 上部结构荷载和基础剖面图∑F i =1775+2150+2587+2400+2150+1775=12837kN ∑M=(2587-2150) ×3KN.m=1311KN.M为了增加抗弯刚度,将基础长度L 平行于弯度作用方向,则基础底部抗弯刚度W=bL 2/6=(2.7×332)/6=490.05M 3 折算成线荷载时,Pjmax= F A/Lb+∑M/w=12837kN/(33×2.7)+ 1311KN.M/490.05M3=144.07+2.68=146.75 KN/M2Pjmin= F A/Lb-∑M/w=12837kN/(33×2.7)-1311KN.M/490.05M3=144.07-2.68=141.39 KN/M2Pjmax=146.75 KN/M2<1.2 fak=1.2×175=210 KN/M21/2(Pjmax+ Pjmin)=1/2(146.75+141.39)=144.07<175 KN/M2满足要求.五、地基软弱下卧层的验算第一步:地基承载力特征值修正fa=fak+ηd×rm(d-0.5)=(175+1.0×18(2-0.5) kPa =202 kPa 第二步:验算基础底面面积A=F A/(fa-r G d)= 12837kN/(202-20×2)= 12837/214.04=79.2m2L×b=(2.7×33)=89.1 m2>A=79.2m2符合要求第三步:计算基底附加压力P0=P k-r m d=(F A+G k)/A-r m d=(12837+20×2×33×2.7)/(33×2.7) -15×1.7 KPa =158.57Kpa第四步:计算下卧层顶面附加压力和自重应力为Z=1.7+3.5-2=3.2m>0.5b=0.5×2.7=1.35mα=E S1/ E S2=9/3=3由表1-17查的θ=230,下卧层顶面的附加压力为 P Z =)tan 2)(l tan 2(0θθz z b lb p++=KPa KPa 12.3)424.035.12)(33424.035.127.2(57.1587.233=⨯⨯+⨯⨯+⨯⨯下卧层顶面处的自重应力 P CZ =(15×1.7+18×3.5)=88.5Kpa 第五步:验算下卧层承载力下卧层顶面以上土的加权平均重度 r m =33/01.17/5.37.1185.3157.1m KN m KN =+⨯+⨯下卧层顶面处修正后的地基承载力特征值)05.(-+=d m d fak faz γη=[90+1.0×17.01×(5.2-0.50)]=170.23kPaPZ+PCZ=(3.12Kpa +88.5Kpa)=91.62 Kpa ≤faz=170.23kPa 满足要求.六、底板配筋计算第一步:确定混凝土及钢筋强度选用混凝土强度等级为C25,查得ft=1.27Mpa,采用HPB235钢筋得fy=210Mpa.第二步:确定地基净反力Pjmax= F A /Lb+∑M/w=12837kN/(33×2.7)+ 1311KN.M /490.05M 3=144.07+2.68=146.75 KN/M 2Pjmin= F A /Lb-∑M/w=12837kN/(33×2.7)-1311KN.M/ 490.05M 3=144.07-2.68=141.39 KN/M 2第三步:计算截面I 距基础边缘的距离 bi=0.5×(2.7-0.24)=1.23m第四步:计算截面的剪力设计值 VI=bi/2b[(2b -bi)pjmax+bi ×pjmin] =()[]m KN m KN /179/39.14123.175.14623.17.227.2223.1=⨯+⨯-⨯⨯第五步:确定基础的有效高度 h0≥mm ft VI 34.20127.17.01797.0=⨯= 基础高度可根据构造要求确定,边缘高度取250mm,基础高度取h=350mm,有效高度h0=(350-50)=300mm >201.34mm,合适.第六步:验算基础截面弯矩设计值MI=0.5VI ×bi=0.5×179×1.23=110.1KN.m/m 第七步:计算基础每延长米的受力钢筋截面面积并配筋 As=261941103002109.01.11009.0mm fyh MI =⨯⨯⨯=配受力钢筋Ф20@150(As=2094.7mm 2),配Ф8@250的分布筋.七、基础梁纵向内力计算及配筋 第一步:确定基础净反力∑F i =1775+2150+2587+2400+2150+1775=12837kN ∑M=(2587-2150) ×3KN.m=1311KN.MW=bL 2/6=(2.7×332)/6=490.05M 3Pjmax= F A /Lb+∑M/w=12837kN/(33×2.7)+ 1311KN.M /490.05M 3=144.07+2.68=146.75 KN/M 2Pjmin= F A /Lb -∑M/w=12837kN/(33×2.7)-1311KN.M/490.05M 3 =144.07-2.68=141.39 KN/M 2折算为线荷载时: Pjmax=(146.75×2.7) KN/m =396.225KN/m pjmin=(141.39×2.7) KN/m =381.753 KN/m 为计算方便,各柱距内的反力分别取该段内的最大值 第二步确定固端弯矩m KN m KN M BA •=•⨯⨯=4465.12.396212 m KN m KN M CB •-=•⨯⨯-=75.177965.395812 m KN m KN M CD•=•⨯⨯=117969.3921212 m KN M DC •-=1179 m KN m KN M DE •=•⨯⨯=117163.3901212 m KN M ED •-=1171m KN m KN M EF •=•⨯⨯=116367.3871212 m KN M FE •-=1163m KN m KN M FG •=•⨯⨯=173361.385812m KN m KN M GH •=•⨯⨯-=4305.15.382212⑵ 分配系数EI EI EI 各杆线刚度 iAB = ─── ; iBC = ─── ; iCD = ───1.5 6 6分配系数 μBA =BC AB i i 433i AB + =0.43 ; μBC =BC AB i i 433i BC += 74=0.57μCB =CD BC i i 344i BC +=178=0.47; μCD =BC CD i i 343i CD + =179=0.53(三)、地基梁正截面抗弯强度设计地基梁的配筋要求基本上与楼面梁相同。
基础工程课程设计计算书第一篇:基础工程课程设计计算书基础工程课程设计计算书(参考)注:请注意自重(2000+学号后4位)与桩径(1.5m)的变化,由于签名荷载组合发生变化,所以从头到尾过程自能参考,结果不能复制一旦发现复制,按不及格处理!一、恒载计算(每根桩反力计算)1、上部结构横载反力N1 11N1=⨯G=⨯2350=1175kN222、盖梁自重反力N2 11N2=⨯G2=⨯350=175kN223、系梁自重反力N3 1N3=⨯(0.7⨯1)⨯(1⨯1)⨯3.3⨯25=29kN24、一根墩柱自重反力N4 低水位:N4=25⨯π⨯124⨯8.3+(25-10)⨯π⨯124⨯5.1=223.85kN常水位:N4=25⨯π⨯124⨯4.8+(25-10)⨯π⨯124⨯8.6=196.91kN5、桩每延米重N5(考虑浮力)N5=(25-10)⨯π⨯1.224⨯1=16.96kN二、活载反力计算1、活载纵向布置时支座最大反力⑴、公路II级:qk=7.875kN/m,pk=193.5kN Ⅰ、单孔布载R1=290.7 k6NⅢ、双孔布载R2=581.5 k2N⑵、人群荷载Ⅰ、单孔布载R1=42.7kNⅢ、双孔布载R2=85.4kN2、柱反力横向分布系数ϕ的计算柱反力横向分布影响线见图5。
0.570.51图5 图5⑴、公路II级双孔布载ϕ汽车道:μ=0.3 车辆:μ=0.3ϕ汽=⨯(1.167+0.767+0.418+0.078)=1.25⑵、人群荷载ϕ人 12ϕ人=1.33三、荷载组合1、计算墩柱顶最大垂直反力R 组合Ⅰ:R= 恒载+(1+u)ϕ汽汽车+ ϕ人人群(汽车、人群双孔布载)R=1175+175+(1+0.3)⨯1.25⨯581.52⨯1+1.33⨯3.5⨯24.4=2408.55 kN2、计算桩顶最大弯矩⑴、计算桩顶最大弯矩时柱顶竖向力组合Ⅰ:R= N1+N2+(1+u)ϕ汽∑Piyi+ ϕ人1ql(汽车、人群单孔布载)21R=1175+175+1.3⨯1.25⨯290.76⨯1+1.33⨯⨯3.5⨯24.4=1879.28kN 2⑵、计算桩顶(最大冲刷线处)的竖向力N0、水平力Q0和弯矩M0N0= Rmax+N3+ N4(常水位)=2408.55+29+196.91=2631.71kN Q0= H1+ W1+ W2=22.5+8+10=40.5kN M0= 14.7H1+ 14.05W1+ 11.25W2+ 0.3Rmax活=14.7⨯22.5+14.05⨯8+11.25⨯10+0.3⨯(2408.55-1175-175)=87 3.22kN⋅mRmax活——组合Ⅰ中活载产生的竖向力的较大者。
基础工程课程设计计算书一 设计资料 1.1 初始条件东莞市常虎高速公路某高架桥梁,上部构造采用装配式钢筋混凝土简支T 梁,标准跨径25m ,计算跨径24m 。
桥面宽度为5.172⨯米,参照《公路桥梁地基基础设计规范》进行设计计算。
1.2 设计荷载汽车—超20级,挂—120,人群荷载3.53/m KN 。
后台填土高度为8.5米。
桥台竖直反力为8676KN 。
1.3 材料台帽、耳墙、台身和基础(承台)为20号钢筋混凝土。
31/00.25m KN =γ;后台及溜坡填土的32/00.17m KN =γ;填土的内摩擦角,35︒=φ粘聚力0=c 。
1.4 地质资料,上部尺寸见所附图纸。
二 基础类型的选择由于采用浅基础的时候,其基础深度不会超过5米,一般在3米左右,但是,此处地形在5米深度内承载力很小,根本不能满足桥台稳定性的要求,故在此处选择桩基础作为承台基础。
另外,由于底下土层的极限摩阻力很下,不能满足要求,此外,在距离地层表面13.8米的地方含有承载力很大的持力岩层,故在本地形时,柱桩基础是最好的选择。
三 荷载计算3.1 上部构造恒载反力及桥台台身、基础上的土重计算,其值列表如下:恒载计算表KN P 28.17233=∑ m KN M ⋅-=∑21.6571各序号含义及承台尺寸的设计见图。
3.2 土压力的计算土压力按台背竖直,0=α;填土内摩擦角︒=35φ,台背(圬工)与填土间的外摩擦角︒==5.1721φδ计算;台后填土为水平,0=β。
3.2.1 台后填土表面无活载时土压力的计算台后填土表面无活载时土压力的计算 台后填土自重所引起的主动土压力计算式为a a B H E μγ2221=式中:2r =17.00kN/3m ;B 为桥台的有效宽度取2.4m ;H 为自基底至台土表面的距离等于10m ;a μ为主动土压力系数[])cos(/)cos(/)sin()sin(1)cos(cos )(cos 22βαδαβφδφδαααφμ-+-+++-=a序号 计 算 式竖直力p(KN) 对基地中心轴 偏心距 e(m)弯距M(KN.m)备注1 0.75⨯3.0⨯0.5⨯25 28.13 3.2 -90.02 弯距正负值规定如下:逆时针方向取“-”号;顺时针方向取“+”号。
计算书一、按照持力层埋深确定桩长,按照长径比40~60确定桩截面尺寸该桩为钢筋混凝土预制桩,根据经验,确定桩截面尺寸为mm mm 400400⨯,并假设桩进入土层第四层1.5m ,则可得桩长为19.5m 。
此时长径比为75.484.05.19=,符合40~60的范围,因其下存在软弱下卧层为避免桩端阻力因受“软卧层效应”的影响而明显降低,桩端以下坚实土层的厚度不宜小于4d=1.6m,实际余2.5m ,符合条件所以选桩长为19.5m ,桩截面尺寸为mm mm 400400⨯。
二、计算单桩竖向承载力极限标准值和特征值根据公式 ppk i sik A q l q u +=+=∑pk sk uk Q Q Q 得单桩竖向承载力极限标准值为:kNA q l q u ppk i sik 7844.04.01600)5.1321514324(4.04Q uk =⨯⨯+⨯+⨯+⨯⨯=+=∑承载力特征值为: kN 3922784K Q R uk a ===三、确定桩数和桩的平面布置图1、初选桩的根数 16.83973200R F n a k ==>根,暂取9根。
2、初选承台尺寸桩距:m 2.14.00.3b 0.3s p =⨯== 承台边长:m 2.32.14.02a =+⨯=)( 承台埋深为1.5m ,暂取承台高度为1.2m ,桩顶伸入承台50mm ,钢筋保护层去取70mm ,则承台有效高度为:m m 1130m 13.107.02.1h 0==-=平面布置图如下:四、群桩中基桩的受力验算1、计算桩顶荷载取承台及其上土的平均重度3/20m kN G =γ,则桩顶平均竖向力:kN R kN a 3927.38995.12.32.3203200n G F Q kk k =<=⨯⨯⨯+=+=kN 7.4701.2R k N 6.4530k N 8.32522i max k k k k max k min a {9.637.3892.162.12.1504007.389h H M Q Q =<>=±=⨯⨯⨯+±=+±=∑)()(χχ符合要求单桩水平力:kN n 6.59/50/H H k k 1===此值远小于估算的单桩水平承载力特征值,可以。
土木工程专业《基础工程》课程设计指导书一、设计目的《基础工程》是土木工程专业重要的专业技术课之一,具有很强的理论性和实际应用性。
通过课程设计,可以使学生较系统地掌握基础的设计理论和计算方法,培养学生综合利用所学的理论知识分析解决实际问题的能力、利用和查阅资料的能力、独立工作的能力以及计算机应用能力,为使学生成为合格的工程师或设计师打下扎实的基础。
二、设计任务完成某工业厂房○B 轴线柱下条形基础设计,并绘制基础施工图一张。
三、设计内容及步骤:(一)根据建筑物荷载大小、地基土质情况等,合理选择基础类型和材料。
(二)根据工程地质条件、建筑物使用要求以及地下水影响等因素、确定基础埋深。
首先根据工程地质条件,可初步选择基础持力层,建筑地基基础设计规范规定,基础埋深不得小于0.5 m 。
对于寒冷地区,确定外墙基础埋深时,应考虑地基土冻胀的影响。
主要根据持力层土质情况、冻前天然含水量、及冻结期间地下水位距冻结面的最小距离、平均冻胀率等因素,确定地基土的冻胀性。
再根据土的冻胀性、基础形式、采暖情况、基底平均压力,确定基底下容许残留冻土层厚度max h ,然后计算基础最小埋深(还需考虑土的类别、环境对冻深等因素的影响)即:m ax m in h z d d -=选择外基础埋深时,要求基础埋深d >min d ,内墙基础埋深不必考虑地基土冻胀的影响,可以适当浅埋。
(三)根据工程地质条件,计算地基持力层和下卧层的承载力。
如果地基下卧层是软弱土层(淤泥或淤泥质土),必须进行软弱下卧层承载力验算,并要求满足:az cz z f p p ≤+(四)根据修正后的地基承载力特征值a f 以及相应于荷载效应标准组合上部结构传至基础顶面的竖向力K F ,按下式计算柱下条形基础宽度:Ld f F B G a K).(γ-∑≥(五)对于柱下钢筋混凝土条形基础,通常根据抗弯刚度条件确定基础梁高度h ,取41(=h ~l )81,l 为柱距,同时还要考虑其构造要求。
基础工程课程设计计算书1.设计资料1.1 上部结构资料某框架结构综合楼,柱尺寸400400mm mm ⨯,柱网平面布置为:横向柱中心距为6000mm ,共8条轴线;横向柱中心距为7200mm ,共4条轴线;传至柱底的内力值,见下表:竖向力标准值()kN竖向力设计值()kN柱脚处弯矩 标准值()kN m ⋅柱脚处弯矩 设计值()kN m ⋅柱脚处水平力 标准值()kN角柱955.0+2501627纵横向均为150.02030.0纵向边柱 1400.0+250 2228 横向100.0 135 横向边柱 1000.0+250 1688 纵向120.0162 中柱1、22010.0+25030510.01.2 场地资料拟建建筑物场地地势平坦,建筑物场地位于非地震区,不考虑地震影响。
根据已有资料,该场地地下水对混凝土没有腐蚀性。
建筑地基的土层分布情况及各土层物理、力学指标见表:表 地基各土层物理,力学指标序号地层深度(m)层厚(m)土层名称物理力学指标skaQ(KP)pkaQ(KP)(kPa)kf1 3.2 3.2 填土102 6.6 3.4 粘土含水率24.7%ω=,319.9kN mγ=, 2.70sG=,0.717e=,40%Lω=,21%pω=,1120.22aa MP--=,7.6s aE MP=,38ac kP=,22φ=°403 8.9 2.3 粉土含水率25.5%ω=,320.1kN mγ=, 2.71sG=,0.692e=,31%Lω=,21%pω=,1120.37aa MP--=, 4.2s aE MP=,11ac kP=,18φ=°354 12.2 3.3 粉细砂1016~23N=255 13.9 1.7 卵石1022~28N=55 40006 15.5 1.6 强风化页岩1019~25N= 57中风化砂页岩1050N>15第一层层高4.2m,围护墙为240厚15MU页岩砖, 5.0M砂浆砌筑。
基础工程课程设计wckjzn————————————————————————————————作者:————————————————————————————————日期:基础工程课程设计设计题目:专业年级:姓名:学号:指导教师:成绩:福建农林大学交通学院2011年12月26日目录一、设计资料二、独立基础设计计算书1、课程设计任务书 (1)2、选择基础材料 (3)3、选择基础埋置深度 (3)4、计算地基承载力特征值 (4)5、初步选择基底尺寸 (4)6、验算持力层的地基承载力 (4)7、验算软弱下卧层承载力 (4)8、计算基底净反力 (5)9、基础高度(采用阶梯形基础) (5)10、变阶处抗冲切验算 (5)11、配筋计算 (6)12、设计图纸(附图纸) (8)三、设计技术说明及主要参考文献一、课程设计任务书(一)设计题目柱下钢筋混凝土独立基础设计(二)工程概况某五层两跨钢筋混凝土框架结构车间,柱网平面布置见附图1-1,柱截面尺寸b c×a c=400×600mm,各柱相应于荷载效应标准组合、基本组合及准永久组合时作用于基础顶面荷载,见表1-1。
附图1-1 柱网布置图表1-1 柱底荷载效应标准组合值题号Fk(kN) Mk (kN•m) Vk (kN)A轴B轴C轴A轴B轴C轴A轴B轴C轴1 975 1548 1 8 46 48 442 1 60 523 1 6 574 1 21 675 1218 193 297 8083 746 1282 27 6 95 898 14 104 989 7 335 288 41 7 365 3 114注:弯矩作用于跨度方向,且各轴线弯矩的作用方向相同。
可近似的取荷载效应基本组合的设计值为标准组合的1.35倍,荷载效应准永久组合的设计值为标准组合的0.8倍。
(三)工程地质资料1.土层分布(自上而下)(1)人工填土,稍湿,松散,含煤灰,厚1.5 m,天然容重γ=19.2kN/m3;(2)粉质粘土,呈黄褐色,可塑,厚5.0 m,天然容重γ=18.8kN/m3,压缩模量ES=5.1Mpa,地基承载力特征值f ak=230kN/m2;(3)淤泥质粉质粘土,厚5.5 m,孔隙比e=1.1,天然容重γ=18 kN/m3,天然含水量ω=36%,液性指数IL =1.0,压缩模量ES=3 Mpa,地基承载力特征值fak=88kN/m2。
土力学与基础工程课程设计计算书目录1 基础的埋置深度 (2)2 选择材料 (2)3 地基承载力设计值 (2)4 外柱下钢筋混凝土独立基础设计 (2)4.1 先按中心荷载作用下计算,底面积 (2)4.2 基底尺寸验算 (3)4.3 基础结构设计 (4)4.3.1 计算净反力 (4)4.3.2 基底抗冲切验算 (4)4.3.3 变阶处截面尺寸确定 (4)4.3.4 变阶处截面抗冲切验算 (4)4.3.5 底版配筋 (5)5 内柱按双柱联合设计 (7)5.1 确定合力及合力的作用点 (7)5.2 确定基底宽度 (8)5.3 基础内力计算 (8)5.4 基础高度确定 (9)5.4.1 基底抗冲切验算 (9)5.4.2 变阶处抗冲切验算 (10)5.4.3 抗剪切验算 (12)5.5 配筋计算 (12)5.5.1 下部纵向钢筋配筋 (12)5.5.2 上部纵向钢筋配筋 (13)5.5.3 下部横向钢筋配筋 (13)5.5.4 上部横向钢筋配筋 (15)6 验算地基沉降量 (15)7 基础布置平面图见施工图 (15)土 力 学 与 基 础 工 程 课 程 设 计 计 算 书2土力学与基础工程计算书1 基础的埋置深度考虑工程的地质条件、地下水条件以及土的冻胀性等因素:取基础埋深为2.8m 。
2 选择材料混凝土强度等级:20C ;钢筋采用235HPB 级钢筋。
3 地基承载力设计值地基承载力的深度修正:当基础宽度大于m 0.3或埋深大于m 5.0时,需要对地基承载力设计进行修正,修正公式为:()()30.5a ak b d m f f b d ηγηγ=+⋅-⋅+⋅⋅-其中 a f -修正后的地基承载力特征值; ak f -地基承载力标准值。
由基础埋深和各土层厚度可知,这时的持力层为第二层沙砾石。
32.517.80.318.717.9/2.8m kN m γ⨯+⨯==本设计根据荷载情况考虑:基础宽度.m 3b <埋深d 取2.8m ,所以,地基承载力设计值:(0.5)350 4.417.9(2.80.5)531.15a ak d m f f d kPaηγ=+⋅⋅-=+⨯⨯-=4 (9-B 轴)柱下钢筋混凝土独立基础设计4.1 先按中心荷载作用下计算底面积 底面积为: 取土 力 学 与 基 础 工 程 课 程 设 计 计 算 书32020003540 1.355.52531.1520 2.813540531.1520 2.82.35(1.05~1.10) 2.47~2.582.5k a G F A m f d l n bb b m b b mb m γ÷===-⋅-⨯==∴≥-⨯∴≥=== 取3540 1.3520 2.8 2.5 2.5475.56531.152.5 2.5k a F G P kPa f kPa A +÷+⨯⨯⨯===<=⨯ 满足要求。
基础工程课程设计说明书二零一三年六月土木工程某框架结构条形基础设计计算书一、工程概况威海近郊五层两跨钢筋混凝土框架结构(相当于七层以上民用建筑),车间有三排柱,柱2截面尺寸为400× 600mm,平面图如图1。
作用在基础顶面的荷载特征值如表1,弯矩作用于跨度方向。
室内外高差。
图1 混凝土框架结构平面图表1 荷载效应特征值荷载效应柱位荷载类标准组合准永久组合基本组合F1400kN1350 kN1750 kNA 轴M(顺时针)200 kN-m170 kN-m250 kN-mF1600 kN1450 kN2000 kNB 轴M(顺时针)140 kN-m130 kN-m175 kN-mF1200 kN1100 kN1500 kNC 轴M(顺时针)170 kN-m150 kN-m212 kN-m二、地质资料1.综合地质柱状图如表2,地下水位在细砂层底,标准冻深为2m;2.冻胀类别为冻胀。
表 2综合地质柱状图图例土层土层描述厚度人工填土、含煤灰17kN/m 3黄褐色粘性土,低压缩性f ak 147kPa , e 0.7,E s 8500kPa, w 26%, w p18% , w L34%,19kN/m3淤泥质粘土f ak 110kPae 1.10 ,18kN/m 3, I L 1.0 , E s 7500kPa黄色细砂、中密、稍湿E s12000kPa三、设计要求1.设计柱下钢筋混凝土条形基础;2.计算该条形基础相邻两柱的沉降差;3.绘制基础平面图(局部),基础剖面图,配筋图。
四、设计步骤1.考虑冻胀因素影响确定基础埋深;2.持力层承载力特征值修正;3.计算基础底面尺寸,确定基础构造高度;4.计算条形基础相邻两柱的沉降差;5.按倒梁法计算梁纵向内力,并进行结构设计;6.计算基础的横向配筋及翼缘高度;7.绘制施工图。
五、工作量1.设计柱下钢筋混凝土条形基础;2.计算该条形基础相邻两柱的沉降差;3.完成课程设计计算说明书一份;4.完成铅笔绘制 2 号施工图一张;5.配合教师安排进行答辩。
基础工程课程设计计算书————————————————————————————————作者:————————————————————————————————日期:11级土木基础工程课程设计柱下钢筋混凝土独立基础设计设计题目:某教学楼为多层现浇钢筋混凝土框架结构,室外地坪标高同自然地面,室内外高差450mm。
柱网布置如图所示。
基础方案采用柱下钢筋混凝土独立基础。
工程地质条件:该地区地势平坦,无相邻建筑物,经地质勘察,工程地质资料:自上而下依次为:①杂填土:厚约0.5m,含部分建筑垃圾;②粉质粘土:厚1.2m,软塑,潮湿,承载力特征值fak=130KN/m2;③粘土:厚1.5m,可塑,稍湿,承载力特征值fak=210KN/m2;④全风化砂质泥岩:厚2.7m,承载力特征值fak=230KN/m2;⑤强风化砂质泥岩:厚3.0m,承载力特征值fak=300KN/m2;⑥中风化砂质泥岩:厚4.0m,承载力特征值fak=620KN/m2;地基岩土物理力学参数表表1地层代号土名天然地基土重度(γ)孔隙比(e)凝聚力(c)内摩擦角(Φ)压缩系数(a1-2)压缩模量(Es)抗压强度(frk)动力触探或标准贯入击数KN/m³KPa度1MPa MPa MPa①杂填土18②粉质粘土20 0.65 34 13 0.20 10.0③ 粘土 19 0.58 25 23 0.22 8.2 ④全风化砂质泥岩2022300.8N=40⑤强风化砂质泥岩2220253.0N 63.5=15⑥中风化砂质泥岩 24 15 40 4.0 N 63.5=25水文资料为:地下水对混凝土无侵蚀性,地下水位深度位于地表下1.5m 。
建筑物所处场地抗震设防烈度为7度,场地内无可液化土。
设计参数:柱截面尺寸为500mm×500mm 。
上部结构作用在B 轴柱底的荷载标准值为Fk=1615 KN ,Mk =125 KN•m ,Vk =60 KN ;上部结构作用在B 轴柱底的荷载效应基本组合设计值为F =2100 KN ,M =163 KN•m ,V =78 KN 。
根据以上提供的设计资料,完成以下内容的设计:(一)确定基础埋置深度 (二)确定地基承载力特征值 (三)确定基础的底面尺寸(四)持力层强度及下卧层验算 (五)确定基础的高度 (六)基础底板配筋计算 (七)绘制基础结构施工图(含平面图、详图),提出必要的技术说明(八)编制设计计算书柱下钢筋混凝土独立基础设计 ——计算书1.确定基础埋置深度地下水位于地表下1.5m 且对混凝土结构无侵蚀性。
而由于荷载值较大,故初步选定③号土层为持力层。
又取基础底面时最好取至持力层下0.5m ,所以考虑取室外地坪到基础底面距离为0.5+1.2+0.5=2.2m 。
2.确定地基承载力特征值③号土层承载力特征值fak=210KN/m 2;由于可塑③号土层性质为可塑,则液限:0.250.75L I <≤,则查表可得,b d =0.3=1.6ηη,。
基底以上土的加权平均重度为:3/1.165.02.15.0)1019(5.0)1020(2.0201185.0m KN m =++-⨯+-⨯+⨯+⨯=γ。
故持力层承载力特征值a f (先不考虑对基础宽度修正值)为:Kpa d f f m d ak a 8.253)5.02.2(1.166.1210)5.0(=-⨯⨯+=-+=λη上式d 按室外地面算起。
3.确定基础的底面尺寸柱底荷载标准值为:KN V m KN M KN F K K K 60,125,1615=⋅==。
取基础埋置深度为:()[]m d 425.245.02.22.221=++=采用矩形基础。
令基础长宽比为125n l /b .==,则基础基底面积为2125A bl .b ==。
基础荷载因有偏心,初定时,将面积增大20%, 则:221212161512591325382024251007k a G w w .F ..b .m f d h ...γγ⨯≥==-+-⨯+⨯故得:270125338b .m,l .b .m ≥=≥因此,取:2734b .m,l .m ==,2918A bl .m ==因273b .m m =<,故无需再对地基承载力特征值进行修正。
4.持力层强度及下卧层验算基础自重和基础上的回填土重:()()202425100791838097k G w w G d h A ....KNγγ=-=⨯-⨯⨯=偏心距: 012560220130571615380976kk kM.le .m .m F G .+⨯===≤=++∑, 满足要求。
基底最大压应力:06161538097601311267212304691834k kk max a F G e ..p .Kpa .f .Kpa Al ..++⨯⎛⎫⎛⎫=+=+=<= ⎪ ⎪⎝⎭⎝⎭ 基底最小压应力:061615380976013111676091834k kk min F G e ..p .Kpa Al ..++⨯⎛⎫⎛⎫=-=-=> ⎪ ⎪⎝⎭⎝⎭,满足要求。
267216762174253822k max k min k a p p ..p .Kpa f .Kpa ++===<=,满足要求。
由于不存在软弱下卧层,故无需对下卧层进行验算。
计算基底净反力:柱底荷载效应基本组合设计值为:F =2100 KN ,M =163 KN•m ,V =78 KN 。
净偏心距为:m N M e 16.021002.2781630k =⨯+==则: 210022883427j F p Kpa .Kpa lb ..===⨯ 基础边缘处的最大和最小净反力为:293366016122881164334j max koj minj .e .pp .Kpa .l .⨯⎛⎫⎛⎫=±=±= ⎪ ⎪⎝⎭⎝⎭5.确定基础的高度1:柱边截面基础选用C20混凝土,HRB400级钢筋,查得2110t f .N /mm =,2360y f N /mm =垫层采用C10混凝土。
初步选定基础高度h=800mm ,分两个台阶,每阶段高度均为400mm 。
则: 020*********h mm mm ⎛⎫=--= ⎪⎝⎭,500c b mm =,500c l mm =。
因为:800h mm ≤,所以10hp .β=。
()0+2=5002750=20002700c b h mm mm b mm +⨯<=因偏心受压,故计算时j p 取j max p 。
则冲切力: 2002222c c j max a b l b p h b h ⎡⎤⎛⎫⎛⎫-----⎢⎥ ⎪ ⎪⎝⎭⎝⎭⎢⎥⎣⎦2340527052933075270752222........⎡⎤⎛⎫⎛⎫=⨯--⨯---⎢⎥⎪ ⎪⎝⎭⎝⎭⎢⎥⎣⎦ 51841.KN =抗冲切力:()()0007+0710110005075075hp t c .f b h h .....β=⨯⨯⨯+⨯ 7218851841.KN .KN =>,满足要求。
2:变阶处截面对下阶:10120400400403502h mm,h mm mm ⎛⎫==--= ⎪⎝⎭取:1117135l .m,b .m ==,则()11+2=1352035=20527b h ..m .m b .m +⨯<=则冲切力: 21101012222j max l b l b p h b h ⎡⎤⎛⎫⎛⎫-----⎢⎥ ⎪ ⎪⎝⎭⎝⎭⎢⎥⎣⎦23417271352933035270352222........⎡⎤⎛⎫⎛⎫=⨯--⨯---⎢⎥ ⎪ ⎪⎝⎭⎝⎭⎢⎥⎣⎦36498.KN =抗冲切力: ()()1010107+07101100135035035hp t .f b h h .....β=⨯⨯⨯+⨯ 4581536498.KN .KN =>,满足要求。
6.基础底板配筋计算选用HRB400级钢筋,2360y f N /mm =。
1:基础长边方向由于长边方向有偏心,故采用公式:()()()21248I j max jI c c M p p l a b b =+-+。
对I-I 截面: ()2cjI j min j max j min l a p p p p l +=+-()3405164329331643234......+=+-⨯2383.Kpa =则: ()()()21248I j max jI c c M p p l a b b =+-+ ()()()21=2933238334052270548......+-⨯+=5495.KN m •622054951022610909360750I sI y M .A mm mm .f h .⨯===⨯⨯同理,对III-III 截面: ()12jIII j min j max j min l l p p p p l +=+- ()3417164329331643234......+=+-⨯2611.Kpa =则:()()()2111248III j max jIII M p p l l b b =+-+ ()()()21=29332611341722713548......+-⨯+=2253.KN m •6220122531019870909360350III sIIIy M .A mm mm .f h .⨯===⨯⨯ 比较sI A 与sIII A ,应按sI A 配筋,现于2.7m 宽度范围内配钢筋12140@φ, 根数2700120140n =+=(根),222011312262s A .mm mm =⨯= 2:基础短边方向由于短边方向没有偏心,故采用公式: ()()()21248II j max j min c c M p p b b l a =+-+。
设采用10φ钢筋,短边方向钢筋铺在长边方向钢筋之上, 则:01080040127332II h mm mm ⎛⎫=---= ⎪⎝⎭对II-II 截面,()()()21248II j max j min c c M p p b b l a =+-+ ()()()212933164327052340548......=+-⨯+ 3368.KN m =•622033681014180909360733II sII y II M .A mm mm .f h .⨯===⨯⨯对IV-IV 截面,()()()2111248IV j max j min M p p b b l a =+-+ ()()()2129331643271352341748......=+-⨯+1477.KN m =• 622014771013690909360333IV sIVy IV M .A mm mm .f h .⨯===⨯⨯ 比较sII A 与sIV A ,应按sII A 配筋,现于3.4m 宽度范围内配钢筋10150@φ, 根数3400123150n =+=(根),22237851805s A .mm mm =⨯=。