工程结构课程设计计算书
- 格式:doc
- 大小:2.41 MB
- 文档页数:18
钢筋混凝土单向板肋形楼盖综合设计计算书姓名:XXX学号:XXX班级:XXX指导老师:XXX目录一、设计资料--------------------------------------------------------------1二、平面结构布置---------------------------------------------------------2三、板的设计--------------------------------------------------------------2四、次梁的设计------------------------------------------------------------4五、柱的设计---------------------------------------------------------------7六、现浇板式楼梯的设计-------------------------------------------------9七、基础的设计------------------------------------------------------------12八、关于计算书和图纸的几点说明-----------------------------------------18一、设计资料轴线尺寸:l1= 6.3 m;l2= 7.2m。
柱截面尺寸:b h= 500X500mm。
楼面面层: 30厚水磨石板底粉刷: 15厚混合砂浆楼面活荷载标准值:q k=7.0 2kN/m混凝土强度等级: C25梁主筋级别: HRB335级、HRB400级其余钢筋级别: HPB300级底层层高4.5m,室内外高差100mm。
纵墙每轴线间上开有4.5m宽2.4m高窗洞,横墙居中有4.8m宽3.6高门洞。
墙体+0.000以上采用实心粘土砖、混合砂浆砌筑,+0.000以下采用实心粘土砖、水泥砂浆砌筑。
门式钢架课程设计计算书跨度12m柱距6m摘要:一、项目背景与概述二、门式钢架结构设计计算方法1.设计原则与要求2.钢架结构构件尺寸确定3.荷载计算与组合4.强度、刚度、稳定性验算三、跨度12m柱距6m门式钢架设计实例1.钢架梁设计1.梁高及腹板厚度确定2.强度、刚度、稳定性验算2.钢架柱设计1.柱径及壁厚确定2.强度、刚度、稳定性验算3.钢架节点设计1.节点连接方式2.强度、刚度、稳定性验算四、施工要点与建议五、总结与展望正文:一、项目背景与概述随着我国建筑行业的蓬勃发展,门式钢架结构在我国建筑工程中得到了广泛应用。
本设计计算书针对一门式钢架结构,跨度为12m,柱距为6m,用于指导实际工程的设计与施工。
门式钢架结构具有简洁、实用、美观等特点,适用于多种建筑类型,如工业厂房、仓库、商业建筑等。
二、门式钢架结构设计计算方法1.设计原则与要求门式钢架结构设计应遵循相关国家规范和标准,确保结构安全、可靠、经济。
设计过程中,应充分考虑构件的选材、制作、安装、维护等方面,满足使用功能和美观要求。
2.钢架结构构件尺寸确定根据跨度、柱距、荷载等因素,合理确定钢架梁、柱、节点等构件的尺寸。
同时,考虑钢材规格、强度、刚度、稳定性等要求,确保结构安全。
3.荷载计算与组合依据国家规范,计算永久荷载、可变荷载、风荷载等,并进行组合。
永久荷载包括结构自重、构件截面荷载等;可变荷载包括活荷载、雪荷载等;风荷载按设计基准期内最大风速计算。
4.强度、刚度、稳定性验算按照相关规范,对钢架结构进行强度、刚度、稳定性验算。
强度验算主要包括构件的正应力、剪应力、弯曲应力等;刚度验算主要考虑构件的弹性变形和挠度;稳定性验算针对构件的失稳现象进行判断。
三、跨度12m柱距6m门式钢架设计实例1.钢架梁设计(1)梁高及腹板厚度确定:根据荷载、梁的截面模量等参数,确定梁高及腹板厚度。
同时,考虑施工条件,选择合适的钢材规格。
(2)强度、刚度、稳定性验算:按照相关规范,对梁进行强度、刚度、稳定性验算。
混凝土结构课程设计计算书摘要:一、引言二、混凝土结构设计原则1.强度原则2.刚度原则3.稳定性原则三、混凝土结构设计计算方法1.钢筋混凝土结构计算2.预应力混凝土结构计算四、设计实例分析1.设计背景及要求2.设计计算过程3.结果分析与讨论五、结论正文:一、引言混凝土结构在我国建筑领域中占据重要地位,具有强度高、刚度大、稳定性好等特点。
随着我国建筑行业的不断发展,混凝土结构的设计与计算方法也在不断完善。
本文旨在对混凝土结构课程设计计算书进行探讨,以期为实际工程提供参考。
二、混凝土结构设计原则1.强度原则在混凝土结构设计中,强度原则是保证结构安全性的基本要求。
设计时应根据工程所承受的荷载及环境条件,合理确定混凝土的强度等级,以保证结构在使用过程中的安全性。
2.刚度原则刚度原则是保证结构在荷载作用下具有足够的变形能力,以适应各种复杂的受力状况。
设计时应充分考虑结构的刚度要求,以减小结构在荷载作用下的变形,提高结构的稳定性和使用寿命。
3.稳定性原则稳定性原则是保证结构在各种受力条件下具有稳定的承载能力。
设计时应充分考虑结构的稳定性,避免结构在受力过程中发生失稳现象,确保结构的安全性。
三、混凝土结构设计计算方法1.钢筋混凝土结构计算钢筋混凝土结构计算主要包括强度计算、刚度计算和稳定性计算。
其中,强度计算主要依据混凝土的强度设计值和钢筋的屈服强度、抗拉强度进行;刚度计算主要依据混凝土的弹性模量和钢筋的弹性模量进行;稳定性计算主要依据结构的失稳系数进行。
2.预应力混凝土结构计算预应力混凝土结构计算主要包括预应力钢筋的强度计算、预应力混凝土的强度计算和刚度计算。
其中,预应力钢筋的强度计算主要依据钢筋的抗拉强度和预应力混凝土的弹性模量进行;预应力混凝土的强度计算主要依据混凝土的强度设计值和预应力钢筋的应力进行;刚度计算主要依据预应力混凝土的弹性模量和预应力钢筋的弹性模量进行。
四、设计实例分析1.设计背景及要求某工程需要设计一座混凝土框架结构,其主要荷载为竖向荷载,根据工程要求,需要对混凝土框架结构进行设计计算。
混凝土结构课程设计混凝土结构设计计算书关键信息项1、课程设计的名称:混凝土结构课程设计2、设计计算书的内容要求3、提交时间4、评分标准5、知识产权归属6、违规处理方式11 课程设计的名称本课程设计的名称为“混凝土结构课程设计”。
111 设计计算书的内容要求1111 结构选型与布置需详细阐述所选用的混凝土结构形式、构件尺寸、梁柱布置等,并提供相应的依据和分析。
1112 荷载计算准确计算恒载、活载、风载、地震作用等各类荷载,并说明荷载取值的依据和计算方法。
1113 内力分析采用合适的结构分析方法,计算结构在各种荷载组合下的内力,包括弯矩、剪力、轴力等。
1114 构件设计根据内力计算结果,对梁、柱、板等主要构件进行设计,包括截面尺寸确定、配筋计算等,并满足相关规范要求。
1115 基础设计若涉及基础设计,需给出基础类型、尺寸、配筋等详细设计内容。
1116 图纸绘制提供必要的结构平面图、剖面图、构件详图等,图纸应清晰、准确,符合制图规范。
112 提交时间学生应在规定的时间内提交混凝土结构设计计算书,提交时间为具体日期。
逾期提交将按照一定的扣分标准进行处理。
113 评分标准1131 计算书的完整性包括结构选型、荷载计算、内力分析、构件设计、基础设计等内容是否完整。
1132 计算的准确性对各类荷载的计算、内力分析、构件配筋计算等结果的准确性进行评估。
1133 设计的合理性结构选型、构件尺寸、配筋等设计是否合理,是否符合工程实际和相关规范要求。
1134 图纸质量图纸的清晰度、准确性、规范性以及与计算书内容的一致性。
1135 文字表达计算书的文字表述是否清晰、逻辑是否严谨、格式是否规范。
114 知识产权归属学生在完成课程设计过程中所产生的设计计算书及相关成果的知识产权归学校所有。
学生不得将其用于商业用途或未经授权的传播。
115 违规处理方式1151 抄袭若发现学生抄袭他人设计计算书或成果,将给予严肃处理,包括成绩不合格、通报批评等。
混凝土结构课程设计计算书【原创实用版】目录1.混凝土结构课程设计概述2.混凝土结构课程设计计算书内容3.混凝土结构设计注意事项4.结论正文一、混凝土结构课程设计概述混凝土结构课程设计作为土木工程专业的重要实践环节,旨在培养学生运用所学理论知识解决实际问题的能力。
课程设计通常要求学生完成一定规模的混凝土结构设计,并撰写相应的计算书。
本文将对混凝土结构课程设计计算书的内容进行详细阐述,以帮助学生更好地完成设计任务。
二、混凝土结构课程设计计算书内容1.设计任务概述:简要介绍设计任务的背景、目的、规模等基本信息。
2.结构方案设计:阐述设计的结构类型、结构形式、构件尺寸等。
3.荷载计算与组合:计算各种荷载作用下的内力,并进行合理的组合。
4.混凝土结构分析:根据内力计算结果,进行混凝土结构的分析,包括截面强度、挠度、裂缝宽度等。
5.结构配筋设计:根据分析结果,进行钢筋混凝土结构的配筋设计。
6.结构施工图:绘制结构施工图,包括构件尺寸、钢筋布置等。
7.结论与建议:对设计结果进行总结,提出改进措施和建议。
三、混凝土结构设计注意事项1.确保设计方案合理:设计过程中应充分考虑实际工程需求,确保设计方案满足功能、安全、经济等要求。
2.准确计算荷载:合理确定荷载类型、数值,并进行正确的组合,以保证计算结果的准确性。
3.严格按照规范进行设计:设计过程中应严格遵循国家现行规范和标准,保证设计质量。
4.注重细节处理:在绘制结构施工图时,应注重细节处理,确保施工图清晰、准确。
四、结论混凝土结构课程设计计算书是学生运用所学理论知识解决实际问题的重要实践环节。
通过撰写计算书,学生可以提高自己的设计能力、分析能力和实践能力。
完整版地下建筑结构课程设计计算书一、设计题目(1 )设计任务1、将某浅埋地下通道结构进行结构设计2、确定结构构件的截面尺寸。
3、确定结构的计算简图。
4、各构件的荷载、内力及配筋计算。
5、手绘和计算机绘制结构配筋图。
(2)基本资料某浅埋地下通道结构尺寸示意下所示。
1、埋置深度: 9.8m 。
2、地下水位:自然地面以下7m 。
3、土层①:粉质粘土,重度、内摩擦角、粘聚力分别为 r1=18kN/m,c =10kN/m,φ =15 °。
土层②:粘土,重度 =17kN/m,c =25kN/m,φ =15 °土层 3 :粘土,天然重度 =17.5kN/m饱和重度 =19.5kN/m, c =27kN/m,,φ =17 °4、土层厚度以埋置深度为界。
5、水土压力分项系数: 1.2 。
6、地面超载荷载分项系数:地面活载荷载分项系数为 1.4 。
地面恒载荷载分项系数为 1.2.7、混凝土强度等级为C30 ;重度为 25kN/m;弹性模量为 1.4 10MPa ;泊松比为0.167 。
8、钢筋等级为 HPB335 。
9、地基变形模量为50MPa ;泊松比为 0.3 。
(3)计算假定1、结构刚度远大于地基土的刚度。
2、不考虑结构侧向位移。
3、计算时忽略加腋的影响。
4、考虑荷载最不利组合。
(4)参考规范1、《混凝土结构设计规范》——GB50010-20102 、《公路钢筋混凝土及预应力混凝土桥涵设计规范》——JTGD62-20043、《公路桥涵地基与基础设计规范》——JTGD63-20074、《公路桥涵设计通用规范》——JTG D60-20045、《建筑结构制图标准》——GBT50105 — 2001二、荷载计算 .(1)顶板荷载计算1、覆土压力:q土r i h i 18317 4 (19.510) 2.8 148.6KN / m22、水压力:q水r w h w10 2.828KN / m 23、顶板自重: q d 25 0.615KN / ㎡4、地面恒载及活载: q 1.4 p1 1.2 p2 1.4 8 1.24 16KN/m25、综上所述, q顶 1.2 (148.628 15) 16245.92KN/ ㎡(2)板底荷载计算q底q顶p(0.60.6 0.4) (4.73 1.2) 0.6 25 / 8.4256.00KN / ㎡245.92L(3)地基反力计算地下通道结构刚度远大于地基土的刚度,故假定地基反力为直线分布。
混凝土结构课程设计计算书摘要:一、前言二、设计任务及要求三、设计计算1.结构选型与尺寸2.材料性能3.受力分析4.截面设计5.构造措施四、计算结果与分析1.构件内力计算2.截面性能计算3.结构性能评价五、结论与建议正文:一、前言本次混凝土结构课程设计,旨在掌握混凝土结构设计的基本原理和方法,培养独立进行结构设计的能力。
设计过程中,遵循我国现行的混凝土结构设计规范,确保设计的安全性、经济性和合理性。
二、设计任务及要求本次设计任务为:设计一栋两层混凝土框架结构建筑,总建筑面积为2000平方米,设计使用年限为50年,结构安全等级为二级,场地类别为Ⅱ类。
要求满足建筑功能需求,结构形式简单,施工方便。
三、设计计算1.结构选型与尺寸根据建筑功能和面积要求,本设计采用钢筋混凝土框架结构。
结构尺寸如下:柱间距为6米,梁高为2.4米,板厚为0.2米。
2.材料性能结构材料采用C30混凝土,抗压强度fc=30MPa;钢筋采用HRB400,抗拉强度fy=400MPa,屈服强度fy0.8=360MPa。
3.受力分析根据建筑荷载和结构尺寸,计算框架结构的荷载效应和内力。
荷载包括:恒载、活载、风载和地震载。
4.截面设计根据受力分析和材料性能,进行框架结构的截面设计。
包括:柱截面、梁截面和板截面。
5.构造措施根据规范要求,采取相应的构造措施,如:设置箍筋、弯起钢筋、纵筋连接器等,以确保结构的安全性能。
四、计算结果与分析1.构件内力计算通过计算,得到柱、梁、板等构件的内力值。
2.截面性能计算根据内力值和材料性能,计算截面性能,包括:抗弯性能、剪切性能、挠曲性能等。
3.结构性能评价对结构的整体性能进行评价,包括:结构刚度、变形、承载力等。
五、结论与建议本次设计符合任务要求,结构安全、经济、合理。
钢结构课程设计计算书跨度24米设计要求:-跨度:24米-使用钢材:Q235,强度等级为345MPa计算步骤:1.计算活载荷2.计算自重荷载3.计算总荷载4.计算梁的截面尺寸5.验算截面尺寸6.校核节点连接1.活载荷计算:根据设计要求和工程环境,确定活载荷为100kg/m²。
2.自重荷载计算:假设截面尺寸为H400*B300*T12,则梁的自重为每米长度的重量为(H400*B300*T12*7850) kg。
假设梁的长度为10m,则自重荷载为:自重荷载 = (梁的自重 * 梁长度) / 梁跨度 =((H400*B300*T12*7850) * 10) / 24 kg。
3.总荷载计算:总荷载 = 活载荷 + 自重荷载 kg。
4.梁的截面尺寸计算:根据梁的截面尺寸,通过对比计算梁的截面模量和截面惯性矩,选择合适的截面。
根据计算结果,选择合适的H形钢截面。
5.梁的截面尺寸验算:根据梁的截面尺寸和计算荷载,进行截面验算。
比较计算结果与设计要求,确定梁的截面尺寸是否满足强度、稳定性和破坏模式的要求。
6.节点连接校核:根据梁的节点连接,进行连接强度和刚度的校核。
确保连接的强度和刚度满足设计要求,以确保梁的整体性能。
综上所述,钢结构课程设计计算书主要包括活载荷计算、自重荷载计算、总荷载计算、梁的截面尺寸计算、截面尺寸验算以及节点连接校核等内容。
具体计算步骤要根据设计要求和工程实际情况来确定。
以上仅为一个简单的示例,实际设计中需要综合考虑更加复杂的因素,如材料的安全系数、钢结构的几何变形、构件的构造性能等。
工程结构课程设计计算书摘要:本文是一份工程结构课程设计计算书,主要涵盖了对工程结构设计的计算工作,包括结构物的受力分析、荷载计算、设计参数的选取等。
通过这一计算书,可以有效地指导工程结构的设计与施工。
引言:工程结构设计是工程建设的重要环节之一,其质量直接关系到结构物的安全稳定性。
因此,设计计算工作显得尤为重要。
本文以工程项目为例,对其中的工程结构进行设计计算,以解决这一项目中的相关问题。
1.结构物受力分析:在进行任何工程结构设计之前,必须首先对结构物的受力情况进行分析。
本文中,我们通过对结构物的荷载分析和力学原理的运用,确定了结构物主要承受的荷载类型、大小以及分布情况,进而得出了结构物主要的受力情况。
2.荷载计算:在受力分析的基础上,我们还需要对荷载进行具体的计算。
荷载计算是工程结构设计中最为复杂和关键的一环,本文中,我们针对不同荷载类型,采用了相应的计算方法,包括自重、雨水荷载、风荷载等等。
通过这些计算,可以确定结构物的设计荷载。
3.设计参数的选取:在荷载计算完成后,我们需根据当前工程项目的情况,选取合适的设计参数。
设计参数的选取直接关系到结构物的安全性和经济性。
本文中,我们综合考虑了结构物的材料强度、构件尺寸等因素,选取了最合适的设计参数,并经过计算验证了其合理性。
4.结构物的稳定性分析:结构物的稳定性是一个衡量结构安全性的重要指标。
本文中,我们对结构物的稳定性进行了详细的分析和计算,包括挠度、抗倾覆和抗滑稳定等方面。
这些分析可以直观地评估结构物的稳定性,并提供相应的建议。
5.结构物的施工方案:最后,我们还给出了结构物的施工方案。
施工方案是将设计方案付诸实施的关键,具体包括施工工艺、施工步骤、施工工程量等。
通过施工方案的制定,可以保证工程结构实施过程的顺利进行,最终达到安全、高效的施工目标。
结论:本文通过对工程项目的工程结构设计计算,全面而详细地介绍了工程结构设计过程。
这一设计计算书可以作为一种指导,为工程结构设计和施工提供有效的参考。
工程名称:八层(暂建两层)钢筋砼框架结构综合楼 施工图预算
工程名称:八层(暂建两层)钢筋砼框架结构综合楼 施工图预算
工程名称:八层(暂建两层)钢筋砼框架结构综合楼 施工图预算
工程名称:八层(暂建两层)钢筋砼框架结构综合楼 施工图预算
工程名称:八层(暂建两层)钢筋砼框架结构综合楼 施工图预算
工程名称:八层(暂建两层)钢筋砼框架结构综合楼 施工图预算
工程名称:八层(暂建两层)钢筋砼框架结构综合楼 施工图预算
工程名称:八层(暂建两层)钢筋砼框架结构综合楼 施工图预算
工程名称:八层(暂建两层)钢筋砼框架结构综合楼 施工图预算
工程名称:八层(暂建两层)钢筋砼框架结构综合楼 施工图预算
工程名称:八层(暂建两层)钢筋砼框架结构综合楼 施工图预算
工程名称:八层(暂建两层)钢筋砼框架结构综合楼 施工图预算
工程名称:八层(暂建两层)钢筋砼框架结构综合楼 施工图预算
工程名称:八层(暂建两层)钢筋砼框架结构综合楼 施工图预算
工程名称:八层(暂建两层)钢筋砼框架结构综合楼 施工图预算。
钢筋混凝土单向板肋梁楼盖课程设计计算书一、引言钢筋混凝土单向板肋梁楼盖是建筑结构中常见的一种楼盖形式。
本文将以某一具体工程为例,对该楼盖的课程设计进行计算和分析。
通过设计计算书的编写,旨在展示课程设计的全过程,并详细说明计算的基本原理和步骤。
二、工程参数1. 楼盖平面尺寸:长L = 10m,宽B = 8m;2. 楼盖厚度:h = 0.2m;3. 混凝土强度等级:C30;4. 钢筋等级:HRB400;5. 楼盖荷载:活荷载为3.0kN/m²,自重荷载为7.0kN/m²;6. 楼盖跨度:L = 10m,取较小值;7. 楼盖支座条件:四周边界固定,支承条件良好。
三、荷载计算1. 活荷载计算:根据设计规范,活荷载按照规定的荷载系数计算,具体计算过程略。
2. 自重荷载计算:楼盖自重荷载按照混凝土和钢筋的单位体积质量计算,具体计算过程略。
四、截面设计1. 验算截面高度:根据楼盖跨度和设计荷载,采用梁的截面验算方法,计算出截面高度h';2. 钢筋设计:根据截面高度h',计算出截面内钢筋面积As和纵向受力钢筋的配筋率ρ;3. 截面构造:根据设计要求,确定截面的具体构造形式,如矩形截面、T形截面等。
五、受力计算1. 弯矩计算:根据楼盖的受力分析,计算出各个截面的弯矩和剪力;2. 剪力设计:根据截面的承载能力和设计要求,计算出截面的抗剪承载力,并进行验算。
六、截面验算1. 弯矩验算:根据截面的受力情况,计算出截面的抗弯承载力,并进行验算;2. 剪力验算:根据截面的受力情况,计算出截面的抗剪承载力,并进行验算;3. 钢筋验算:根据钢筋的受力情况,计算出钢筋的抗拉承载力,并进行验算。
七、构造设计1. 确定楼盖板的厚度和钢筋的布置形式;2. 设计楼盖板的梁和板之间的连接方式,保证楼盖的整体稳定性;3. 设计楼盖板的边缘构造,如挡水条、防水层等。
八、总结通过本次课程设计的计算和分析,我们得到了钢筋混凝土单向板肋梁楼盖的设计参数、荷载计算、截面设计、受力计算、截面验算和构造设计等相关内容。
建筑结构课程设计计算书现浇单向板肋梁楼盖计算书1、设计资料某多层⼚房采⽤钢筋混凝⼟现浇单向板肋梁楼盖,楼⾯荷载、材料及构造等设计资料如下:(1)楼⾯活荷载标准值qk=6kN/m2 , 楼⾯⾯层⽤20mm厚⽔泥砂浆抹⾯(γ=20kN/m3),板底及梁⽤15mm厚⽯灰砂浆抹底(γ=17kN/m3);(2)板伸⼊墙内120mm,次梁伸⼊墙内240mm,主梁伸⼊墙内370mm;柱的截⾯尺⼨b×h=400 mm×400mm(3)材料:混凝⼟强度等级采⽤C20(f c=9.6N/mm2,f t=1.10N/㎜2),钢筋采⽤HRB400(fy=360N/mm2)的受拉钢筋和HPB235(fy=210N/mm2)的受压钢筋和箍筋2、梁、板截⾯尺⼨的设计:(1)、板厚:h≥l/40=1900/40=47.5mm,所以取h=80mm(2)、次梁:h≥(1/20~1/12)l=(1/20~1/12)×5700=(285mm~475mm)取400mm,h/b=2~3.5,所以取b=400/(2~3.5)=114~200,取b=200mm (3)、主梁:h≥(1/14~1/8)l=(1/14~1/8)×5700=(407~712.5),取h=500mmh/b=2~3.5,所以取b=500/(2~3.5)=(171~250),取b=250mm3、板的设计:板按塑性理论⽅法计算设计(弯矩系数分别取1/11,-1/14,1/16),并取计算宽度为1m,按单筋矩形截⾯计算。
(1)、板荷载计算:楼⾯⾯层:0.02×20=0.4kN/m2板⾃重:0.08×25=2.0kN/m2板底抹灰:0.015×17=0.255kN/m2恒荷载g: 1.2×2.655=3.186kN/m2活荷载q: 1.3×6=7.8kN/mq+g=10.986kN/m2q/g=7.8/3.186=2.45<3(2)、结构布置:楼⾯结构平⾯布置图 1:100图1(3)、计算简图取板宽b=1000mm作为计算单元,由板和次梁尺⼨可得板的计算简图(实际9跨,可按5跨计算)如图2所⽰。
学号:工程结构课程设计题目:单向板肋梁楼盖课程设计姓名:学院:专业:班级:指导教师:目录1.课程设计任务书 (3)2.工程概况以及结构设计方案的选择 (7)2.1 楼盖平面尺寸及活荷载选定 (7)2.2 设计资料 (7)2.3 楼面梁格布置和构件截面尺寸 (7)3.主体工程的详细结构计算书 (8)3.1 墙柱的计算 (8)3.2 板的计算 (9)3.3 次梁计算 (12)3.4 主梁计算 (16)4.小结 (23)5.参考文献 (24)1、单向板肋梁楼盖课程设计任务书一、设计题目某三层内框架结构轻功仓库,层高由各位同学自己确定,标准层建筑平面如图所示,墙厚240mm,混凝土柱400mm×400mm。
房屋的安全等级为二级,该工程位于6度区,拟采用钢筋混凝土整浇楼盖(单向板肋梁楼盖),设计之。
二、设计资料1.板底做15mm厚石灰砂浆粉刷,板面按使用要求不同,分2种情况: ①20mm厚水泥砂浆楼面;②水磨石子楼面。
2.柱网尺寸和楼面活荷载标准值见附表。
3.材料:混凝土强度等级采用C25,梁内受力主筋采用HRB335钢,其余均采用HPB300钢。
钢筋混凝土:25kN/m3水泥砂浆:20kN/m3石灰砂浆:17kN/m3水磨石子楼面:0.65kN/m34.该厂房无特殊要求,楼梯位于楼盖外部的相邻部分。
三、设计成果设计成果为计算书和结构施工图两部分。
本课程设计砌体结构墙柱设计及混凝土楼盖设计,主要包括如下内容:1.计算书(计算内容)⑴墙柱(不包括内框架柱)承载力计算、墙柱(不包括内框架柱)高厚比验算。
⑵混凝土楼面板(梁)设计:包括板的布置、混凝土强度等级、板厚、板面标高、内力计算等。
可按考虑塑性内力重分布的方法计算板的内力。
计算板的正截面承载力。
⑶次梁设计(按塑性理论)⑷主梁设计(按弹性理论)⑸格式及内容要求封面及目录;课程设计任务书;工程概况以及结构设计计算书;对所完成设计的小结;参考文献。
⑹要求计算正确,书写工整,字体端正,简图及表格应按先后顺序统一编号。
工程结构课程设计计算书一、引言在工程领域中,结构设计计算书是非常重要的一部分,它作为评估和分析一个工程项目的结构强度和稳定性的依据。
本文将解释如何编写一个完整的工程结构课程设计计算书,以确保工程项目的安全和可靠性。
二、设计参数在编写工程结构设计计算书之前,我们首先需要确定一些关键的设计参数,例如:1. 工程项目的类型和用途:比如桥梁、建筑、隧道等;2. 结构材料的选择:比如钢结构、混凝土结构、木结构等;3. 设计荷载:包括自重荷载、活载、风荷载、地震荷载等;4. 地基条件和环境因素:比如土壤类型、地下水位、气候状况等。
三、计算方法在工程结构设计计算书中,我们需要使用适当的计算方法来分析结构的强度和稳定性。
常见的计算方法包括:1. 静力计算法:根据受力平衡条件,计算结构的内力和应力分布;2. 动力计算法:通过模拟结构受到的动态荷载,计算结构的振动特性和响应;3. 极限状态设计法:根据国家或行业规范,计算结构在设计寿命内的安全系数;4. 有限元分析法:利用计算机模拟工具,对结构进行三维分析和应力分析。
四、计算主要内容在工程结构设计计算书中,我们需要包含一些主要的计算内容,以确保结构的安全和可靠性。
这些内容包括:1. 结构受力分析:通过静力计算法,计算结构在各种工作状态下的受力分布;2. 材料强度计算:根据所选用的结构材料的力学性能参数,计算材料的屈服强度和抗拉强度等;3. 构件尺寸计算:通过结构的荷载及受力分布,计算各个构件的尺寸和截面积;4. 稳定性分析:考虑结构的侧向扭曲、屈曲和剪切等现象,计算结构的稳定性。
五、结果和结论在工程结构设计计算书的最后,我们需要总结计算结果并得出结论。
这些结果应该包括:1. 结构的受力分布图和剪力、弯矩图;2. 结构各个构件的尺寸和截面积;3. 结构的承载能力和稳定性;4. 结构的安全系数和可靠性。
六、附录和参考文献在工程结构设计计算书中,附录和参考文献是非常重要的。
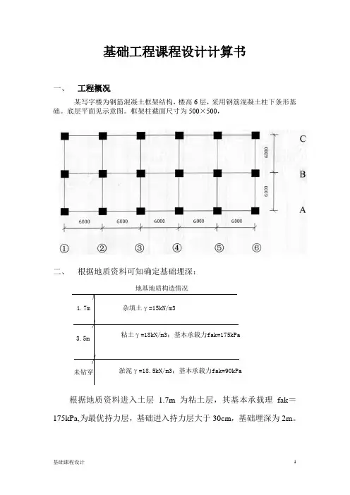
基础工程课程设计说明书二零一三年六月土木工程某框架结构条形基础设计计算书一、工程概况威海近郊五层两跨钢筋混凝土框架结构(相当于七层以上民用建筑),车间有三排柱,柱2截面尺寸为400× 600mm,平面图如图1。
作用在基础顶面的荷载特征值如表1,弯矩作用于跨度方向。
室内外高差。
图1 混凝土框架结构平面图表1 荷载效应特征值荷载效应柱位荷载类标准组合准永久组合基本组合F1400kN1350 kN1750 kNA 轴M(顺时针)200 kN-m170 kN-m250 kN-mF1600 kN1450 kN2000 kNB 轴M(顺时针)140 kN-m130 kN-m175 kN-mF1200 kN1100 kN1500 kNC 轴M(顺时针)170 kN-m150 kN-m212 kN-m二、地质资料1.综合地质柱状图如表2,地下水位在细砂层底,标准冻深为2m;2.冻胀类别为冻胀。
表 2综合地质柱状图图例土层土层描述厚度人工填土、含煤灰17kN/m 3黄褐色粘性土,低压缩性f ak 147kPa , e 0.7,E s 8500kPa, w 26%, w p18% , w L34%,19kN/m3淤泥质粘土f ak 110kPae 1.10 ,18kN/m 3, I L 1.0 , E s 7500kPa黄色细砂、中密、稍湿E s12000kPa三、设计要求1.设计柱下钢筋混凝土条形基础;2.计算该条形基础相邻两柱的沉降差;3.绘制基础平面图(局部),基础剖面图,配筋图。
四、设计步骤1.考虑冻胀因素影响确定基础埋深;2.持力层承载力特征值修正;3.计算基础底面尺寸,确定基础构造高度;4.计算条形基础相邻两柱的沉降差;5.按倒梁法计算梁纵向内力,并进行结构设计;6.计算基础的横向配筋及翼缘高度;7.绘制施工图。
五、工作量1.设计柱下钢筋混凝土条形基础;2.计算该条形基础相邻两柱的沉降差;3.完成课程设计计算说明书一份;4.完成铅笔绘制 2 号施工图一张;5.配合教师安排进行答辩。
钢结构课程设计计算书:跨度米1. 引言在钢结构设计中,跨度是一个非常重要的参数。
跨度的选择直接影响到结构的稳定性、承载能力和经济性。
本文档将对给定跨度的钢结构进行设计计算,并给出详细的计算步骤和结果。
2. 结构参数2.1 跨度给定的跨度为米(m)。
2.2 荷载根据设计要求,结构需要承担以下荷载: - 永久荷载:包括结构自重、固定设备等; - 变动荷载:包括使用荷载、风荷载等。
根据具体的设计要求和标准规范,选择合适的荷载进行计算。
3. 结构选型在确定跨度后,根据结构的承载能力要求和经济性考虑,选择合适的钢结构框架形式。
这里我们选择常用的钢框架结构。
4. 结构计算4.1 梁的计算根据给定的跨度,计算梁的截面尺寸和承载力。
具体的计算步骤如下: 1. 确定梁的受力形式,包括弯曲、剪切和轴力; 2. 根据跨度和荷载,计算梁的弯矩和剪力分布; 3. 确定梁的材料强度和相关参数; 4. 根据弯矩和剪力分布,选择合适的梁截面形状和尺寸; 5. 根据选择的截面形状,计算梁的承载力和满足要求的材料强度。
4.2 柱的计算根据给定的跨度和楼层高度,计算柱的截面尺寸和承载力。
具体的计算步骤如下: 1. 确定柱的受力形式,包括压力、弯曲和剪切; 2. 根据楼层高度和荷载,计算柱的压力和弯矩分布; 3. 确定柱的材料强度和相关参数; 4. 根据压力和弯矩分布,选择合适的柱截面形状和尺寸; 5. 根据选择的截面形状,计算柱的承载力和满足要求的材料强度。
5. 结果输出5.1 梁计算结果根据上述梁的计算步骤,得到如下结果: - 梁截面形状:矩形截面 - 梁截面尺寸:宽度 x 高度 - 梁的承载力:最大弯矩、最大剪力 - 材料强度要求:钢材强度5.2 柱计算结果根据上述柱的计算步骤,得到如下结果: - 柱截面形状:矩形截面 - 柱截面尺寸:宽度 x 高度 - 柱的承载力:最大压力、最大弯矩 - 材料强度要求:钢材强度6. 结论根据上述计算结果,本文档对给定跨度的钢结构进行了详细的设计计算。
辽宁工业大学工程结构课程设计说明书题目:工程结构课程设计(36组)院(系):管理学院专业班级:工程管理132班学号:XXXXXXXXXX学生姓名:XXXXXXXX指导教师:XXXXXX教师职称:教授起止时间:2016.1. 4-2016.1.15课程设计(论文)任务及评语院(系):土木建筑工程学院教研室:结构教研室目录1.设计资料---------------------------------------------------------------12.楼盖的结构平面布置---------------------------------------------------13.板的设计-------------------------------------------------------------- 2 (1)荷载计算---------------------------------------------------------------2(2)计算简图--------------------------------------------------------------2(3)弯矩设计值------------------------------------------------------------3(4)正截面承载力计算-------------------------------------------------------34.次梁设计---------------------------------------------------------------4(1)荷载设计值-------------------------------------------------------------4(2)计算简图-------------------------------------------------------------- 4(3)内力计算---------------------------------------------------------------4(4)承载力计算------------------------------------------------------------55.主梁设计---------------------------------------------------------------6(1)荷载设计值-------------------------------------------------------------6(2)计算简图--------------------------------------------------------------6(3)内力设计值及包络图-----------------------------------------------------7(4)承载力计算-------------------------------------------------------------9 6.参考文献--------------------------------------------------------------111.设计资料某轻工厂房的建筑平面如图1所示,环境类别为一类,楼梯设置在旁边的附属房间内。
楼盖拟采用现浇钢筋混凝土单向板肋梁楼盖。
试进行设计,其中板、次梁按考虑塑性内力重分布设计,主梁按弹性理论设计。
(1) 楼面构造层做法:15mm 花岗岩面层,容重为28 KN/3m ,30mm 厚水泥砂浆结合层,容重20KN/3m ;钢筋混凝土现浇板结构层,容重25KN/3m ;20mm 厚混合砂浆抹灰,容重17KN/3m .(2活荷载:标准植4KN/2m . (3恒载分项系数1.2,活载分项系数1.3.(4)材料选用:混凝土采用C25(c f =19.1N/mm 2:t f =1.71N/mm 2) 钢筋:梁中纵向受力钢筋采用HRB500级(y f =360N/mm 2) 其余采用HRB400级(y f =360N/mm 2)图1楼盖建筑平面2.楼盖的结构平面布置主梁烟横向布置,次梁沿纵向布置。
主梁的跨度为6.9m 、次梁的跨度为5.7m ,主梁每跨内布置两跟次梁,板的跨度为2.1 m ,l 01/l 02=6.3/2.3=3m ,因此可按单项板设计。
按跨高比条件,要求板厚 h ≥2300/40=52.5mm ,对工业建筑的楼盖板,要求h ≥80mm ,取板厚h=80mm 。
次梁截面高度应满足h=o l /18~o l /12=5700/18~5700/12=316.66~475mm 。
考虑到楼面活荷载比较大,取h=450mm 。
截面宽度取为b=200mm 。
主梁的截面高度应满足h=o l /14~o l /8=6900/15~6900/10=460~690mm 。
取h=700mm 。
截面宽度取为b=300mm 。
3.板的设计:图2楼盖结构平面布置图(1) 荷载:30mm 厚水泥砂浆结合层 20×0.03=0.6KN/2m 15mm 花岗岩面层 28×0.015=0.42KN/2m80mm 混凝土板 25×0.08=2KN/2m 20mm 厚混合砂浆抹灰 17×0.02=0.34KN/2m .小计 3.36 KN/2m 板的活荷载标准值: 4 KN/2m恒荷载分项系数取1.2;因楼面活荷载标准值等于4.0 KN/2m ,所以活荷载分项系数应取1.3于是板的线恒载设计值 g=1.2×3.36 =4.032 KN/2m 线活载设计值 q=1.3×4 =5.2 KN/2m合计 g+q=9.232 KN/2m ,近似取为g+q=9.3 KN/2m(2)计算简图次梁截面为200mm ×450mm ,现浇板在墙上的支承长度不小于100mm,取板在墙上的支承长度为120mm 。
按内力重分布设计,板的计算跨度:边跨: 0l =/2n l h +=2300-100-120+80/2=2120mm <1.025n l =2357.5mm , 取0l =2120mm中间跨: 0l =n l =2100-100-100=2100mm跨度差<10%,说明可按等跨连续板计算内力, 计算简图如下图(3)弯矩设计值由表可查得,板的弯矩系数m α分别为:边跨中,1/11;离端第二支座,-1/11;中跨中,1/16;中间支座,1/14。
故M 1 = -M B =(g+q)l 012/11=9.3×2.122/11=3.80KN.m M C =-(g+q)l 012/14=-9.3×2.12/14=-2.92 KN.m M 2 =(g+q)l 012/16=9.3×2.12/16=2.56 KN.m(4)正截面承载力计算板厚h=80mm, 0h =80-20=60mm ;板宽b=1000mm 。
C40混凝土,c f =19.1N/mm 2,t f =1.71N/mm 2;HPB400钢筋,y f =360N/mm 2。
连续板各截面配筋计算见表1。
连续板各截面配筋计算 表1截面 1 B 2 C210/s C M f bh αα=轴线 ①- ② ⑤-⑥计算配筋0/S c yA bh f f ξ= 181.5181.5114.6136.9实际配筋 (2mm )φ6@150 As=189Φ6@150 As=189 φ6@200 As=141φ6@200 As=141 轴线 ②-⑤计算配筋0/S c yA bh f f ξ= 181.5181.5114.6 136.9实际配筋 (2mm )φ6@150 As=189φ6@150 As=189φ6@200 As=141φ6@200 As=141计算结果表明,ξ均小于0.35,符合内力重分布的原则;A S /bh=141/(1000×80)=0.24%,此值与0.450.45f t /f y =0.45×1.71/360=0.21%相等,可以;同时此值大于0.2%,符合要求。
4.次梁设计按塑性内力重分布方法计算,取主梁的高h=700mm,宽b=300mm 。
根据本车间楼盖的实际使用情况,楼盖的次梁和主梁的活荷载不考虑梁从属面积的荷载折算。
(1) 荷载设计值恒荷载设计值板传来恒荷载 4.032×2.3=9.27 KN/2m次梁自重 0.2×(0.45-0.08)×25×1.2=2.22 KN/2m 次梁粉刷 0.02×(0.45-0.08)×2×17×1.2=0.30 KN/2m小计 g=11.79 KN/2m线活载设计值 q=5.2×2.3=11.96 KN/2m 合计 g+q=23.75 KN/2m(2)计算简图次梁在砖墙上的支承长度为240mm 。
主梁截面为300mm ×700mm 。
计算跨度:边跨: 0l =/2n l a =5700-120-300/2+240/2=5550mm <1.025n l =5842.5mm , 取0l =5250mm中间跨: 0l =n l =5700-300=5400mm跨度差<10%,说明可按等跨连续梁计算内力计算,简图如下图4次梁计算简图(2)内力计算由表分别查得弯矩系数和剪力系数。
弯矩设计值:M 1 = -M B =(g+q)l 012/11=23.75×5.552/11=66.51KN.mM C =-(g+q)l 012/16=23.75×5.42/16=43.28 KN.mM 2 =(g+q)l 012/14=-23.75×5.42/14=-49.47 KN.m剪力设计值:V A =0.45(g+q)l n1=0.45×23.75×5.55=59.32 KNV Bl =0.60(g+q)l n1=0.60×23.75×5.55=79.09 KNV Br =0.55(g+q)l n2=0.55×23.75×5.4=70.54 KNV Br =0.55(g+q)l n2=0.55×23.75×5.4=70.54 KN(4)承载力计算: a)正截面受弯承载力正截面受弯承载力计算时,跨内按T 形截面设计,翼缘计算宽度0'31l b f ==5700/3=1900mm ;又 'f b =b+n s =200+2100=2300mm,故取'f b =2300mm 。