施工课程设计计算书讲解
- 格式:doc
- 大小:839.50 KB
- 文档页数:50
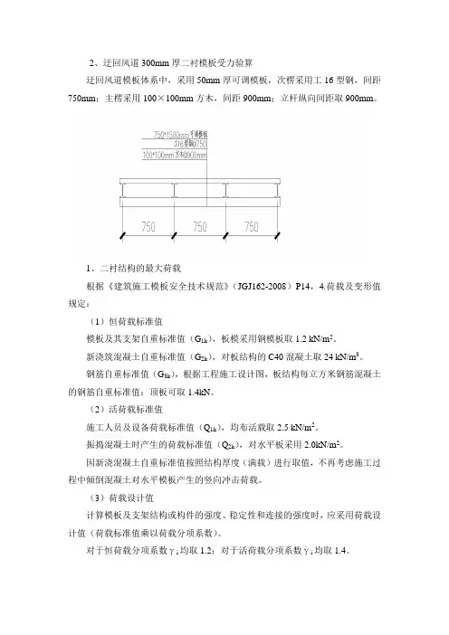
2、迂回风道300mm厚二衬模板受力验算迂回风道模板体系中,采用50mm厚可调模板,次楞采用工16型钢,间距750mm;主楞采用100×100mm方木,间距900mm;立杆纵向间距取900mm。
1、二衬结构的最大荷载根据《建筑施工模板安全技术规范》(JGJ162-2008)P14,4.荷载及变形值规定:(1)恒荷载标准值模板及其支架自重标准值(G1k),板模采用钢模板取1.2 kN/m2。
新浇筑混凝土自重标准值(G2k),对板结构的C40混凝土取24 kN/m3。
钢筋自重标准值(G3k),根据工程施工设计图,板结构每立方米钢筋混凝土的钢筋自重标准值:顶板可取1.4kN。
(2)活荷载标准值施工人员及设备荷载标准值(Q1k),均布活载取2.5 kN/m2。
振捣混凝土时产生的荷载标准值(Q2k),对水平板采用2.0kN/m2。
因新浇混凝土自重标准值按照结构厚度(满载)进行取值,不再考虑施工过程中倾倒混凝土对水平模板产生的竖向冲击荷载。
(3)荷载设计值计算模板及支架结构或构件的强度、稳定性和连接的强度时,应采用荷载设计值(荷载标准值乘以荷载分项系数)。
对于恒荷载分项系数γi均取1.2;对于活荷载分项系数γi均取1.4。
迂回风道300mm 厚二衬荷载计算:F 板=(G 1k +HG 2k +HG 3k )×1.2+( Q 1k + Q 2k )×1.4H :二衬结构板混凝土最大厚度0.3mF 板=(1.2+0.3×24+0.3×1.4)×1.2+(2.5+2.0)×1.4=16.884kPa迂回风道板最大荷载按16.884kPa 考虑(1)面板受力分析将面板简化为支撑在次楞木方上的两跨连续梁体系进行计算。
其中,可调模板面板宽度取b=0.75m ,板厚即为梁高取h=0.05m ,次楞间距取m l 75.0=。
该位置荷载取值q=F 板×b=16.884×0.75=12.663kN/m 。
施工组织课程设计计算书一、引言施工组织课程设计计算书是为了满足建筑工程施工组织课程的教学需要而编写的。
本计算书旨在通过相关计算和数据分析,帮助学生加深对施工组织原理和方法的理解,提高其实践能力,并培养学生的综合素质和创新能力。
二、主要内容本计算书的主要内容包括以下几个方面:1. 施工组织设计原则本部分主要对施工组织设计的原则进行阐述和解释,并通过实例展示如何遵循这些原则进行设计。
2. 施工作业分析与评价本部分介绍施工作业分析的方法和步骤,并提供相关计算公式和实例,帮助学生进行作业分析和评价。
3. 施工资源优化配置本部分通过对人力资源、物力资源和财务资源的分析和计算,指导学生进行施工资源的优化配置,实现施工效益的最大化。
4. 施工组织计划编制本部分介绍施工组织计划的编制流程和方法,并通过实例演示如何编制合理的施工组织计划。
5. 施工组织风险管理本部分介绍施工组织风险的分类和评估方法,并提供风险管控的具体措施和步骤。
三、计算方法与案例为了帮助学生更好地理解和运用施工组织原理和方法,本计算书提供了大量的计算方法和实例。
通过这些计算方法和实例,学生可以学会如何进行施工组织计算,从而提高解决实际问题的能力。
例如,在施工作业分析与评价部分,学生可以学会如何计算工序周期、工序数量和工时需求,以便评估一个施工作业的合理性和可行性。
通过实例分析,学生可以了解如何解决实际施工过程中的问题,并做出相应的优化调整。
在施工资源优化配置部分,学生可以学会如何对资源进行分析和计算,并根据计算结果进行资源的优化配置。
例如,学生可以通过计算人力资源的需求和物料的采购量,合理安排人员和物料的供应,达到施工效益的最大化。
四、教学建议在使用本计算书进行教学时,教师可以根据教学大纲和学生的实际情况进行灵活调整,将计算书的内容与实际案例相结合,引导学生进行实践操作和分析思考。
同时,教师可以设置小组讨论和合作实践的环节,培养学生的团队合作能力和创新能力。
施工方案计算书一、项目介绍本计算书旨在为施工方案的制定提供数值计算依据,确保施工过程中的安全、效率、质量。
本项目为 xxx 工程,工程地点位于xxx。
主要涉及xxx工程内容。
二、施工概述本施工方案的总体目标是确保工程的顺利进行,按照合同要求完成项目。
以下是施工方案涉及的主要内容:1. 工序安排根据项目的特点和要求,结合施工条件和资源情况,制定合理的工序安排。
确保各个工序之间的顺序和时间节点的合理安排,以提高工作效率。
2. 施工方法根据工程的具体要求和现场情况,确定最适宜的施工方法。
考虑材料使用、工艺流程、设备配置等方面的因素,确保施工过程中的安全和质量。
3. 资源配置合理配置人力、物力、财力等各类资源,确保施工过程中所需的资源供应充足,以满足工程进度和质量要求。
4. 工期计划根据工程量和工期要求,制定详细的工期计划。
同时,在计划中考虑到可能的风险因素和不可预见的情况,确保施工进度的可控性和合理性。
5. 安全措施制定合理的安全措施,确保施工过程中的安全性。
包括安全培训、安全设备的提供、安全操作规范的制定等方面的工作,以减少施工事故的发生。
三、施工方案计算1. 工程量计算根据实际测量的工程图纸和勘测数据,对各项工程量进行计算。
包括土方工程量、混凝土用量、钢筋用量等方面的计算,确保材料的供应和使用的准确性。
2. 强度计算根据工程的荷载要求和结构设计参数,进行强度计算。
包括混凝土的强度计算、钢筋的强度计算等内容,以确保工程结构的安全性和稳定性。
3. 资源消耗计算根据工程图纸和工艺要求,计算各类资源的消耗量。
包括水、电、油料消耗等方面的计算,以确保施工过程中资源的供应和消耗的平衡。
4. 施工成本计算根据工程量计算结果,结合相应的单位价格,计算出施工过程中的成本。
包括人工费用、材料费用、机械使用费用等方面的计算,以确保工程的经济可行性。
四、质量控制措施为保证工程质量达到设计要求,本施工方案还包括以下质量控制措施:1. 施工过程监控设立专门的施工监理团队,负责对施工过程进行监控和检查。
盖梁支架设计计算书一、盖梁支架施工工程概况1、工程简介本工程跨线桥盖梁共8个,分A1型和A2型两种,A1型盖梁与路线垂直长度11.75m,跨度8.5m,断面尺寸1.8×1.7m,悬臂最长1.025m;A2盖梁与路线垂直长度13.025m,跨度11.05m,断面尺寸1.8×1.8m,悬臂最长2.025m。
盖梁立柱直径均为1.2m。
本次验算1.8×1.8m盖梁支架系统设计。
盖梁示意图如下:2、支架系统设计盖梁支架采用MF1219门式钢管支架,立杆φ42×2.5㎜,支架纵桥向间距均为60㎝,横桥向最大间距60cm。
门式支架布置两层,门架间以斜支撑、水平杆和剪刀撑连接构成整体框架。
盖梁底模、侧模均采用18mm优质胶合板,在侧模外侧采用间距0.8m的2[12.6槽钢作竖带,竖带高2m,在竖带上下各设一条φ20㎜的螺杆作拉杆,在竖带外设φ48×3.5的钢管斜撑,支撑在横梁上。
在底模下部采用10×10cm方木作横梁及纵梁。
盖梁支架设计如下图所示:注:1、图示中标注尺寸除注明外,均以mm计;2、钢管水平杆和剪刀撑图中未示,须按照规范要求布置;3、施工平台铺不小于5cm厚木板,外侧用钢管布设安全防护网;4、支架位于路面上,地基不做处理,其余地基处理完后,承载力大于210KPa,面层铺筑20cm厚C20混凝土;5、本支架采用两层MF1219门式钢管支架。
二、盖梁支架及模板施工受力验算1、荷载计算①钢筋砼自重荷载q1钢筋砼重力密度取26KN/m3,盖梁梁高为1.8m,不考虑梁端部梁高减小,自重荷载为q1=26×1.8=46.8KN/㎡。
②模板、楞木等荷载q2胶合板荷载,胶合板容重17KN/m3:q1’=1.8×1×0.018×3×17/(1.8×1)=0.92KN/㎡。
模板两侧背楞方木荷载,容重8 KN/m3:q2’=0.1×0.1×1×10×8/(1.8×1)=0.45KN/㎡。
一、工程概述:宿松县人民医院新院区规划总建筑面积约167632平方米,地上总建筑面积为127077平方米,地下总建筑面为40555平方米。
规划床位数1200张,日门诊量2200人次。
一期工程计划完成门急诊、医技科室、住院病房(800床)、行政综合楼、配套后勤用房。
地上总建筑面积约为102221万平方米,地下总建筑面积为29121万平方米。
二期工程计划完成门诊、住院病房(400床),地上总建筑面积24856万平方米,地下总建筑面积为11434万平方米。
基地内部现状高差整体呈西高东低,中部高四周低的走势,最高点位于西侧弹子山山麓,高程61.77m,最低处位于东端,高程约在42.00m。
最大落差将近20m。
本工程地势有较大高差,市政给水管网压力不能满足需求,生活给水系统采用市政给水管网-生活水池-变频供水设备-用户的供水方式,供水设备设于地势较低的生活水泵房内。
根据地势和建筑高度一期给水系统设两个供水分区,每个区域设一套变频供水设备。
地下室等利用市政管网直接供水;本项目按用水功能分别设水表。
本工程排水采用室内污、废合流,室外雨、污分流。
行政办公区生活污水在基地内单独汇集经化粪池处理达标后排至市政污水管网,食堂厨房含油废水经隔油池处理达标后排入室外污水管道;含放射线同位素污水经衰变池处理、带传染病菌污水经化粪池及预消毒合格后排入医疗和住院区的室外污水管道,医疗污水汇集后接入地下二级生化污水处理站,处理达到国家有关排放标准后排入市政污水管网(污水处理站预留二期污水量);实验室等化学废水收集后,由专用水处理公司处理。
屋面雨水、场地雨水等有组织接入室外雨水管道,汇集后就近排至市政雨水管网。
本工程设1套临时高压消火栓给水系统(室内、室外合用),共用消火栓泵(1用1备)设于地下室的消防泵房内;设1套临时高压自动喷水灭火系统,喷淋泵(1用1备)设于地下室的消防泵房内;高位消防水箱设在1号病房综合大楼的屋顶,消火栓系统和喷淋系统分别设稳压设备维持系统的压力。
建筑技术课程设计计算书1. 引言本文档旨在介绍建筑技术课程设计中的计算书,用于帮助学生实施和计算建筑项目中的各项技术要素。
该计算书包括以下几个部分:建筑结构计算、建筑材料计算、建筑设备计算和施工工艺计算。
2. 建筑结构计算建筑结构计算是建筑技术课程设计中的重要组成部分。
在该计算书中,我们将通过使用相关公式和数据,对建筑结构进行强度、稳定性和刚度等方面的计算。
这些计算涉及到负荷计算、梁柱设计、墙体计算等,以确保建筑的结构能够满足安全和稳定的要求。
3. 建筑材料计算建筑材料计算是为了确定在建筑项目中所需的材料数量和成本。
在该计算书中,我们将使用相关公式和数据,对建筑材料进行计算,包括水泥、砂、石料等。
这些计算将有助于控制建筑材料的使用量和成本,以确保项目的可行性和经济性。
4. 建筑设备计算建筑设备计算是为了确定在建筑项目中所需的设备数量和能力。
在该计算书中,我们将使用相关公式和数据,对建筑设备进行计算,包括起重机、混凝土搅拌机等。
这些计算将有助于确保建筑工程的顺利进行,并提高施工效率。
5. 施工工艺计算施工工艺计算是为了确定在建筑项目中所需的施工工艺和流程。
在该计算书中,我们将使用相关公式和数据,对建筑施工工艺进行计算,包括施工周期、施工人力等。
这些计算将有助于合理安排施工流程,提高工程管理和施工进度控制的效果。
6. 结论通过本文档中的建筑技术课程设计计算书,学生可以了解和掌握在建筑项目中各项技术要素的计算方法和原理。
这将有助于提高学生在建筑技术领域的实践能力和解决问题的能力。
建筑技术课程设计计算书将为学生的学习和实践提供有效的参考和指导。
施工组织设计计算书
1. 引言
施工组织设计计算书是指根据工程的施工要求和特点,结合施工技术和施工方案,进行施工组织设计的详细计算书。
施工组织设计计算书是施工单位对工程实施过程进行综合规划和设计的重要依据,是确保工程施工顺利进行的关键文件。
2. 施工组织设计计算书的编制内容
2.1 工程概况
在施工组织设计计算书中,首先需要对工程的概况进行详细描述,包括工程的
名称、位置、工程规模、施工单位等信息。
2.2 施工目标和要求
施工组织设计计算书还需要明确工程的施工目标和要求,包括施工周期、质量
要求、安全要求等内容。
2.3 施工组织设计方案
在施工组织设计计算书中,需要提出施工组织设计方案,包括施工队伍组织、
施工方法、工期计划等内容。
2.4 施工资源计划
施工组织设计计算书还需要对施工所需的各种资源进行计划,包括人力、材料、设备等资源的计划安排。
3. 施工组织设计计算书的编制方法
3.1 调研分析
在编制施工组织设计计算书时,首先需要进行调研分析,了解工程的实际情况
和特点,为后续的设计工作提供基础。
3.2 制定方案
根据调研分析的结果,制定合理的施工组织设计方案,确保施工工作按照预期
的方案进行。
3.3 计算书编制
在制定了施工组织设计方案之后,需要按照计划编制施工组织设计计算书,并对各项内容进行细致计算。
4. 结语
施工组织设计计算书是工程施工过程中的重要文件,对于保障工程施工的顺利进行起着至关重要的作用。
只有认真编制、合理安排,才能确保工程的施工质量和进度均得到有效保障。
钢筋混凝土工程模板设计一、设计题目:现浇混凝土有梁楼盖模板体系设计 二、实际条件: (1):对某仓库鲜有两楼盖进行模板体系设计。
(2):梁模板体系采用183091520mm mm mm ⨯⨯的木胶合板制作而成,除小楞等采用松木或硬杂木外,其余均采用48 3.5mm φ⨯的钢管。
三 设计内容对模板体系进行设计计算,编写结构计算书,并绘出模板施工图。
计算书一、现浇钢筋混凝土有梁楼盖进行模板体系结构布置图横梁的截面尺寸:1L :900250h b mm ⨯=⨯ 纵梁的截面尺寸:2L :600250h b mm ⨯=⨯ 墙梁的截面尺寸: QL: 300240h b mm ⨯=⨯(一)模板体系的材料1、模板面板(梁侧模、底模,楼板底模)均采用20mm 厚木胶合板2、小楞采用松木(60x90mm)3、该体系中其余支撑构建均采用48 3.5mm φ⨯的钢管4、新浇混凝土自重标准值:24 3/kN m (二)结构体系计算与验算 一、楼板模板的验算 1、荷载设计值选取 楼板厚度:0h =90mm楼板底模取1m 宽作为计算单元宽 模板自重木胶合板自重: 1.20.510.6/kN m ⨯⨯=新浇混凝土自重: 1.2240.091 2.592/kN m ⨯⨯⨯= 钢筋自重: 1.2 1.10.0910.1108/kN m ⨯⨯⨯=+3.30/g kN m = 楼面活荷载 21.4 2.51 3.5q kN m =⨯⨯= 合计 6.81/q g kN m += 2、底模木胶合板校验:取小楞间距 1400l mm =,小楞沿纵向平行于梁1L ,由于在一跨楼面板内小楞多余四个,故将其计算简图视为三跨简直连续梁(计算书中多余三跨的均视为三跨连续简支梁)进行计算校核。
计算简图如下:(1)强度验算:232220.10.1 6.81100.4 1.63[]9.861110.0266M ql MPa MPa W bh σσ⨯⨯⨯====≤=⨯⨯ 故强度满足要求。
施工方案(计算书)一、前言施工方案是指在施工过程中对工程项目进行具体实施的方案和计划,是确保工程施工按照设计要求和安全标准进行的重要依据。
本文将就某工程项目的施工方案进行详细的计算和规划。
二、工程基本信息1. 工程名称:XXX项目2. 工程地点:XXXX省XXXX市3. 工程规模:XXXX平方米4. 工程类型:XXXX工程三、施工组织设计1. 施工单位:XXX施工公司2. 项目经理:XXX3. 施工人员:总人数XX人4. 施工设备:吊装机、混凝土搅拌机、起重机等四、施工进度计划1. 工期安排根据工程量和施工队伍的数量,制定了具体的工期安排,确保工程按时完工。
2. 施工阶段划分将工程施工过程划分为不同的阶段,制定具体的施工计划,包括起重、混凝土浇筑、装饰等。
五、施工工艺流程1. 地基处理对工程地基进行处理,包括挖土、打桩等工序,确保地基稳固。
2. 结构施工根据结构图进行施工,包括梁柱、墙体的施工工艺。
3. 装饰施工进行内外墙的装饰工艺,包括粉刷、铺装等。
六、安全施工措施1. 安全监督设立安全监督岗位,对施工现场进行全天候监控,确保施工安全。
2. 安全培训对施工人员进行安全培训,提高施工人员的安全意识。
七、施工费用预算1. 人工费用根据施工人员数量和工作时间制定人工费用预算。
2. 设备费用对施工设备的使用时间和数量进行预算,制定设备费用预算。
八、质量保证1. 质量监督设立质量监督岗位,对施工过程中的质量进行监督。
2. 质量验收在施工完成后进行质量验收,确保工程质量符合设计要求。
九、总结根据以上施工方案的计算和规划,可以确保工程项目按照设计要求和安全标准进行顺利施工,达到预期的效果。
以上就是关于施工方案的计算书,希望对工程施工过程有所帮助。
一、工程概况项目名称:XX大厦建设项目工程地点:XX市XX区XX路建设单位:XX房地产开发有限公司施工单位:XX建筑有限公司结构形式:框架-剪力墙结构建筑面积:100000m²建筑高度:100m施工周期:24个月二、计算依据1. 《建筑结构荷载规范》(GB 50009-2012)2. 《建筑抗震设计规范》(GB 50011-2010)3. 《建筑地基基础设计规范》(GB 50007-2011)4. 《高层建筑混凝土结构技术规程》(JGJ 3-2010)5. 《钢结构设计规范》(GB 50017-2003)6. 设计图纸及相关设计文件三、主要计算内容1. 结构荷载计算(1)恒载计算根据设计图纸及相关设计文件,恒载主要包括以下部分:- 楼板自重:20.0kN/m²- 楼面面层:3.0kN/m²- 墙体自重:15.0kN/m²- 楼梯自重:10.0kN/m²- 梁自重:8.0kN/m²- 柱自重:10.0kN/m²(2)活载计算根据设计图纸及相关设计文件,活载主要包括以下部分:- 人行道:3.0kN/m²- 车行道:5.0kN/m²- 设备荷载:2.0kN/m²2. 结构内力计算(1)弯矩计算根据结构计算软件,对框架-剪力墙结构进行弯矩计算,得到以下结果:- 楼板弯矩:最大弯矩为150kN·m,出现在楼层转角处;- 梁弯矩:最大弯矩为200kN·m,出现在楼层转角处;- 柱弯矩:最大弯矩为150kN·m,出现在楼层转角处。
(2)剪力计算根据结构计算软件,对框架-剪力墙结构进行剪力计算,得到以下结果:- 楼板剪力:最大剪力为200kN,出现在楼层转角处;- 梁剪力:最大剪力为300kN,出现在楼层转角处;- 柱剪力:最大剪力为200kN,出现在楼层转角处。
3. 结构配筋计算(1)楼板配筋根据楼板弯矩和剪力计算结果,按照《高层建筑混凝土结构技术规程》的要求,对楼板进行配筋计算,得到以下结果:- 楼板主筋:直径为Φ12,间距为100mm;- 楼板箍筋:直径为Φ8,间距为150mm。
多层砖混结构办公楼施工组织课程设计目录任务与指导书 (3)第一章总则 (12)第二章工程概况 (13)第三章施工方案制定 (17)第四章施工进度计划的编制 (35)第五章施工准备与资源配置计划 (40)第六章施工平面图设计 (45)第七章施工组织措施 (46)第八章其他管理措施 (49)多层砖混结构办公楼施工组织设计任务书及指导书一、目的本课程设计为单位工程施工组织设计,是《建筑工程施工组织设计》课程的主要教学环节之一,它是对已学过的建筑施工知识进行综合性的演练运用过程。
通过本课程设计,初步掌握单位工程施工组织设计的内容,设计步骤和方法,巩固所学的理论知识;并运用所学知识,分析和解决施工组织和管理及实施过程中的各种问题。
二、设计条件(即:工程概况)1.建筑物概况本工程为某省××公司的办公楼(兼单身职工宿舍),位于××市郊××公路边,总建筑面积为6262m2,平面形式为L型,南北方向长61.77m,东西方向总长为39.44m。
该建筑物主体为五层,高18.95m;局部六层,高22.45m,附楼(F~M轴)带地下室,在11轴线处有一道伸缩缝,在F轴线处有一道沉降缝,其总平面、底层平面、立面示意图见附图。
本工程承重结构除门庭部分为现浇钢筋混凝土框架外,皆采用砖混结构,基础埋深1.9m,在c15素混凝土垫层上砌条形砖基础,基础中设有钢筋混凝土地圈梁;多孔砖墙承重,层层设现浇钢筋混凝土圈梁;内外墙交接处和外墙转角处设抗震构造柱;除厕所、盥洗室采用现浇楼板外,其余楼盖和屋面均采用预制预应力混凝土多孔板,大梁、楼梯及挑檐均为现浇钢筋混凝土构件。
室内地面除门厅、走廊、实验室、厕所、楼梯踏步为水磨石面层外,其它皆采用水泥砂浆地面。
室内装修主要采用白灰砂浆外喷乳胶漆涂料;室外装饰以马赛克为主,腰线、窗套为贴面砖。
散水为无筋混凝土一次抹光。
屋面保温层为炉渣混凝土。
上做两毡三油防水层上铺绿豆砂。
上人屋面部分铺设预制混凝土板。
设备安装及水,暖,电工程配合土建施工。
2.地质及环境条件、根据勘测报告:天然地基承载力为150KN/m2,地下水位在地表下7~8m。
本地土壤最大冻结深度为0.5米。
建筑场地南侧为已建成建筑物;北侧和西侧为本公司地界的围墙,东面为XX公路,距道牙3米内的人行道不得占用,沿街树木不得损伤。
人行道一侧上方尚有高压输电线及电话线通过(见总平面图)。
3.施工工期本工程定于三月二十日开工,要求在本年十二月三十日竣工。
限定总工期九个月,日历工期为286天。
4.气象条件施工期间主导风向偏东,雨季为九月份,冬季为十二月到第二年的二月份。
5.施工技术经济条件施工任务由市建某公司承担,由该公司某项目经理部承包建设,可提供的施工工人有瓦工20人,木工16人以及其它辅助工种工人如钢筋工、机工、电工及普工等,根据施工需要可以调入。
装修阶段可从其他工地调入抹灰工,最多调入70人。
施工中需要的水、电均从城市供水供电网中接引。
建筑材料及予制品件均可用汽车运入工地。
多孔板由市建总公司予制厂制作(运距7公里) 。
临建工程除工人宿舍可利用已建成的家属宿舍楼外,其它所需临时设施均应在现场搭建。
可供施工选用的挖掘机有WY-80型WY-100型反铲挖掘机。
起重机有QT1-6型塔吊和QT1-2型塔吊,汽车除东风牌(8T)外,尚有自卸汽车可以使用。
卷杨机、蛙式打夯机、各种搅拌机、木工机械、混凝土振捣器、脚手架板、钢模板及木模板可根据计划需要进行供应。
三.主要项目实物工程量及劳动定额(见表一和表二)四.设计内容和要求1. 施工方案的选择①划分施工段;确定施工中的流水方向;②选择施工用起重机械的类型及台数,并校核其技术性能;③选择脚手架的类型并安排其位置;④确定施工顺序;⑤确定特殊部位的施工方法和技术措施。
2. 施工进度计划的编制按所确定的施工顺序和提供的各项资源,分工种分段组织流水施工,编制单位工程施工进度计划。
3. 主要材料、机械及劳动力需要量计划4. 施工平面图的设计5. 质量,安全、防雨措施五.参数资料.附录1:施工平面图设计参数数据表附录2:机械台班定额,附录3:防火规定附录4:建筑工地道路与构筑物之间的最小距离主要项目工程量表表一主体结构工程量明细表表二施工平面图设计参考数据表附录1机械台班定额附录2工作内容:包括操纵机械及操作中的保养机械等全部操作过程。
注:1.本定额机械吊运自两层楼向上,不分楼层高度均按本定额执行(一层不得使用)。
2.本定额使用卷扬机,平台起重机及带斗卷扬机考虑,如使用吊塔,台数产量乘以系数1.4。
3.工程量计算:土方,混凝土均以实体积许算。
砖砌体以实砌体积计算(色括砖,沙浆),基础除外。
抹灰以实际面积计算(不分编数)。
瓦及卷材以屋面实铺面积计算。
4.砂浆搅拌机台班产量为10~12m2,每m2砌体需砂浆0.23 m2,每100 m2抹灰面积需砂浆2. 2 m2。
附录3:临时工程防火的几项规定:①每幢宿含棚的面积不应超过300 m2。
每组建筑面积总和不要超过2000 m2组与组之间的防火间距不应小于10~15米。
②每幢集体宿舍的居住人数,最好不超过100人,每25人要有一个可以直接出入的门口,门宽不应小于1.2米,每12人应有不小于96厘米宽的安全出入口,门扇必须向外开启。
③临时工程的高度一般不要低于2.5米,用稻草,芦苇,竹子等易燃材料修建的房屋,内外最好抹蓖或矽浆。
④食堂、俱乐部等临时工程,门的总宽度至少护每100人2米计,每个门的宽度不小于1.4米。
⑤易燃建筑物不能作下列用途:a,锅造或使用化学易燃。
易爆物品的车间;如喷漆,乙炔站等b.高温或经常产生火花,火焰的车间,如冶金,铸工。
锻工、焊接及热处理等。
多层砖混结构办公楼施工组织设计第一章总则一、设计目的本课程设计为单位工程施工组织设计,是《建筑工程施工组织设计》课程的主要教学环节之一,它是对已学过的建筑施工知识进行综合性的演练运用过程。
通过本课程设计,初步掌握单位工程施工组织设计的内容,设计步骤和方法,巩固所学的理论知识;并运用所学知识,分析和解决施工组织和管理及实施过程中的各种问题。
作为本工程施工组织提供完整的纲领性文件,用于指导本工程的施工与管理,确保进度上耗工少,工期短;质量上精度高,功能好;经济上资金省,成本低。
二、设计依据1.施工组织设计手册2.施工常用数据手册3.分项工程施工工艺标准(北京建工集团编)4.建筑施工手册5.建筑工程施工质量验收规范6.与工程建设有关的法律、法规和文件;7. 国家现行有关标准和技术经济指标;8. 工程所在地区行政主管部门的批准文件,建设单位对施工的要求;9.工程旅工同或招标投标文件;10. 工程设计文件;11. 工程施工范围内的现场条件,工程地质及水文地质、气象等自然条件;12. 与工程有关的资源供应情况;13. 施工企业的生产能力、机具设备状况、技术水平等。
三、设计原则1 符合施工合同或招标文件中有关工程进度、质量、安全、环境保护、造价等方面的要求;2 积极开发、使用新技术和新工艺,推广应用新材料和新设备;3 坚持科学的施工程序和合理的施工顺序,采用流水施工和网络汁划等方法,科学配置资源,合理布置现场,采取季节性施工措施,实现均衡施工,达到合理的经济技术指标;4 采取技术和管理措施,推广建筑节能和绿色施工;5 与质量、环境和职业健康安全三个管理体系有效结合。
四、设计说明(1)本《施工组织设计》是根据本工程的特点、招标文件要求、施工合同、施工条件等,按国家及地方有关建设法律、法规、施工规范、强制性标准和质量验收标准编制的。
(2)本《施工组织设计》针对工程概况、项目组织机构、施工准备和施工部署、施工总平面布置图、施工总进度计划及保证工期措施、各分部分项工程的主要施工方法及施工措施、质量管理体系、职业健康安全管理体系、环境管理体系、成本控制措施、售后服务及回访保修进行了重点阐述,其它常规施工方法从略。
(3)本工程施工均执行统一的国家标准及图集。
第二章工程概况1.1 建筑物概况本工程为某省××公司的办公楼(兼单身职工宿舍),位于××市郊××公路边,总建筑面积为6262m2,平面形式为L型,南北方向长61.77m,东西方向总长为39.44m。
该建筑物主体为五层,高18.95m;局部六层,高22.45m,附楼(F~M轴)带地下室,在11轴线处有一道伸缩缝,在F轴线处有一道沉降缝,其总平面、底层平面、立面示意图见附图。
1.2结构概况1.2.1本工程承重结构除门庭部分为现浇钢筋混凝土框架外,皆采用砖混结构,基础埋深1.9m,在c15素混凝土垫层上砌条形砖基础,基础中设有钢筋混凝土地圈梁;多孔砖墙承重,层层设现浇钢筋混凝土圈梁;内外墙交接处和外墙转角处设抗震构造柱;除厕所、盥洗室采用现浇楼板外,其余楼盖和屋面均采用预制预应力混凝土多孔板,大梁、楼梯及挑檐均为现浇钢筋混凝土构件。
1.2.2室内地面除门厅、走廊、实验室、厕所、楼梯踏步为水磨石面层外,其它皆采用水泥砂浆地面。
室内装修主要采用白灰砂浆外喷乳胶漆涂料;室外装饰以马赛克为主,腰线、窗套为贴面砖。
散水为无筋混凝土一次抹光。
1.2.3屋面保温层为炉渣混凝土。
上做两毡三油防水层上铺绿豆砂。
上人屋面部分铺设预制混凝土板。
1.2.4 设备安装及水,暖,电工程配合土建施工。
1.3地质及环境条件根据勘测报告:天然地基承载力为150KN/m2,地下水位在地表下7~8m。
本地土壤最大冻结深度为0.5米。
建筑场地南侧为已建成建筑物;北侧和西侧为本公司地界的围墙,东面为XX公路,距道牙3米内的人行道不得占用,沿街树木不得损伤。
人行道一侧上方尚有高压输电线及电话线通过(见总平面图)。
1111.4施工工期本工程定于三月二十日开工,要求在本年十二月三十日竣工。
限定总工期九个月,日历工期为225天。
1.5气象条件施工期间主导风向偏东,雨季为九月份,冬季为十二月到第二年的二月份。
1.6施工技术经济条件施工任务由市建某公司承担,由该公司某项目经理部承包建设,可提供的施工工人有瓦工20人,木工16人以及其它辅助工种工人如钢筋工、机工、电工及普工等,根据施工需要可以调入。
装修阶段可从其他工地调入抹灰工,最多调入70人。
施工中需要的水、电均从城市供水供电网中接引。
建筑材料及予制品件均可用汽车运入工地。
多孔板由市建总公司予制厂制作(运距7公里) 。
临建工程除工人宿舍可利用已建成的家属宿舍楼外,其它所需临时设施均应在现场搭建。
可供施工选用的挖掘机有WY-80型WY-100型反铲挖掘机。
起重机有QT1-6型塔吊和QT1-2型塔吊,汽车除东风牌(8T)外,尚有自卸汽车可以使用。