金属的焊接及无损检测
- 格式:doc
- 大小:39.00 KB
- 文档页数:6
焊接工艺中的射线检测与无损检测焊接是一种常见的金属连接方法,广泛应用于建筑、制造业、航空航天等领域。
然而,焊接过程中常常存在焊缝质量问题,这对于相关产品的安全性和可靠性产生了重要影响。
为了确保焊缝的质量,射线检测与无损检测成为了必不可少的方法。
本文将重点讨论焊接工艺中的射线检测与无损检测。
一、射线检测在焊接工艺中的应用射线检测是一种利用射线通过被测对象来获取材料内部结构信息的方法。
在焊接工艺中,射线检测主要用于检测焊缝的质量,包括焊接接头的缺陷、孔洞、裂纹等问题。
常用的射线检测方法包括X射线检测和γ射线检测。
1. X射线检测X射线检测是利用X射线通过被测对象后形成的透射或散射图像来判断焊缝的质量。
这种方法具有迅速、高效的特点,能够有效发现焊缝中的各类缺陷。
X射线检测设备主要包括射线源、探测器和显像设备。
在进行X射线检测时,需要严格遵守相关的安全操作规程,以避免对人体造成伤害。
2. γ射线检测γ射线检测是利用γ射线通过被测对象后形成的透射或散射图像来检测焊缝的质量。
与X射线检测相比,γ射线的穿透能力更强,可以检测更厚的金属焊缝。
γ射线检测设备与X射线检测设备类似,但射线源的选择以及防护措施会有所不同。
二、无损检测在焊接工艺中的应用无损检测是一种在不破坏被测对象外部结构的前提下,通过检测技术来获取内部缺陷信息的方法。
在焊接工艺中,无损检测主要用于检测焊缝的质量以及焊接接头的可靠性。
1. 超声波检测超声波检测是利用超声波在材料中传播时受到材料内部结构变化的影响而产生回波信号的方法。
在焊接工艺中,超声波检测可以检测焊缝中的各类缺陷,如焊缝结构不均匀、气孔、裂纹等。
该方法非常灵敏,可以检测出微小的缺陷,并可定量评估焊缝的可靠性。
2. 磁粉检测磁粉检测是利用磁场在被测对象表面形成漏磁场,从而检测材料内部缺陷的方法。
在焊接工艺中,磁粉检测可以发现焊缝中的裂纹、缺陷等问题。
该方法操作简单,适用性广泛,并且对于表面缺陷的检测效果较好。
一、钢结构基本知识钢结构:用钢材作为原材料,采用不同的连接方式组合而成的框架或网架等结构。
焊缝:焊件经焊接后形成的结合部分,通常由熔化的母材和焊材组成,有时全部由熔化的母材组成。
无损检测:指在不损坏试件的前提下,对试件进行检查和测试的方法。
焊接方式为最常用、最重要的钢结构部件的连接方式。
二、焊接基本知识1、焊接定义广义焊接:通过加热或加压,或两者并用,并且用或不同填充材料,使工件达到结合的一种方法。
金属焊接:通过适当手段,使两个分离的金属物体(同种或异种)产生原子(分子)间的结合而连接成一体的连接方法。
2、焊接方法常用方法:(1)、熔焊:手工电弧焊、埋弧焊、气体保护焊(2)、钎焊:采用熔点比母材低的金属材料作钎料。
(3)、压焊:电阻焊(点焊、对焊)3、焊接接头(1) 接头形式:对接接头、搭接接头、角接接头、T形接头。
(2) 坡口形式:不开坡口、V型坡口、X形坡口、单U型坡口、双U形坡口。
4、焊接缺陷焊接缺陷:焊接过程中在焊接接头中产生的金属不连续、不致密或连续不良的现象。
缺陷分类:裂纹、孔穴、固体夹杂、未熔合和未焊透、形状缺陷及其它缺陷。
5、焊接检验非破坏性检验主要指外观、无损检验等。
其中的无损检验又包括射线探伤(熔合性焊缝、一级焊缝)、超声波探伤(一级、二级焊缝)、磁粉探伤(表面、近表面缺陷)、渗透探伤(表面缺陷)。
三、无损检测基础知识无损检测:在不损坏试件的前提下,以物理或化学方法为手段,接助先进的技术和设备器材,对试件内部及表面的结构、性质、状态进行检查和测试的方法。
射线检测:Radiography Testing (RT)超声波检测:Ultrasonic Testing (UT)磁粉检测:Magnetic Testing (MT)渗透检测:Penetrant Testing (PT)涡流检测:Eddy current Testing (ET)声发射检测:Acoustic Emission (AE)引用标准GB 50205-2001 钢结构工程施工质量验收规范GB 11345-89 钢焊缝手工超声波探伤方法和探伤结果的分级JGJ 81-2002 建筑钢结构焊接技术规程JGJ 7- 91 网架结构设计与施工规程JG/T 3034.1-1996 焊接球节点钢网架焊缝超声波探伤及质量分级法JG/T 3034.2-1996 螺栓球节点钢网架焊缝超声波探伤及质量分级法ZBY 230- 84(JB/T10061-1999)A型脉冲反射式超声探伤仪通用技术条件ZBY 231-84(JB/T10062-1999) 超声探伤用探头性能测试方法ZBY 232-84(JB/T10063-1999) 超声探伤用1号标准试块技术条件ZB J04 001- 87(JB/T9214-1999) A型脉冲反射式超声探伤系统工作性能测试方法(一)、射线检测(RT)射线探伤是利用射线可穿透物质和在穿透物质时能量有衰减的特性来发现缺陷的一种探伤方法。
附件五金属焊接检验管理规定5.1金属焊接5.1.1合金材料检验范围5.1.1.1对所有含合金成分(包括16Mn)的设备元部件(制造厂文件明令严禁解体的除外)、组合件(外围公用系统所有合金部件也包括在内)必须做100%的光谱复查,可解体或散装设备,要逐一零件复查,组合件的所有焊口两侧母材及焊缝100%光谱复查。
并将复检报告,逐一存档。
5.1.1.2现场用合金材料,安装前必须100%光谱检验,安装后连同焊缝一起必须做100%的光谱复查(对于≥M30的高温螺栓,施工单位做安装前的检验、技术监督单位进行安装后检验)。
光谱复查要求监理全程旁站,签证验收。
合金材料安装前的光谱分析应做好标识,材料下料后必须移植光谱标识。
5.1.1.3主蒸汽管道、再热蒸汽管道及中、大口径管道焊缝应每隔90度光谱分析一点,光谱分析必须进行定量分析。
汽机本体零部件、紧固件、未提供原始材质及有怀疑的合金部件光谱分析应采用直读式数字合金分析仪。
5.1.1.4所有光谱检验要做好标识,高合金钢光谱检验后要磨去灼烧点。
对细晶马氏体钢材质部件及其焊缝光谱分析后要磨去灼烧点且此部位要做PT检查。
5.1.1.5高压管道、压力容器、钢结构上的所有临时焊点(包括热电偶的临时焊点),清除后此部位要做PT检查。
5.1.2设备检验范围5.1.2.1对设备厂家焊口100%外观检查,水冷壁鳍片切割后100%进行检查,并做好记录。
膜式壁及蛇形管管排制造厂焊口及两侧各200mm范围内PT检验比例:合金总含量>10%的合金钢材质(T91、T92、不锈钢等)按100%;合金总含量3~10%的合金钢材质按50%、合金总含量<3%的合金钢材质按25%、碳钢材质按10%比例做PT检验。
异种钢焊缝按高材质端的检验比例检验。
5.1.2.2过热器、再热器、省煤器等蛇形管排的R(弯管半径)≤1.8D(管子直径)弯头:进行100%的厚度检验和不圆度检查,厚度、不圆度不合格的(低于设计壁厚),必须联系制造厂家予以更换。
焊接无损检测标准一、检测方法焊接无损检测主要采用以下方法:1. 射线检测(RT)2. 超声检测(UT)3. 磁粉检测(MT)4. 渗透检测(PT)5. 涡流检测(ET)根据焊接结构和材料的不同,选择合适的检测方法。
二、检测时机焊接无损检测时机一般分为:1. 焊接完成后立即进行初检,以确保焊接质量稳定。
2. 焊接完成后的24小时内进行复检,以发现可能出现的延迟性缺陷。
3. 在某些重要工程中,可在关键部位焊接完成后进行实时监测,以确保焊接质量。
三、检测比例焊接无损检测的比例一般按照以下原则进行:1. 对关键部位和结构应进行100%检测。
2. 对其他部位和结构可采用抽样检测,抽样比例根据实际情况和规范要求进行。
四、检测结果判定根据无损检测结果,对焊接质量进行判定:1. 合格:无缺陷或缺陷轻微,不影响焊接结构安全性和使用性能。
2. 不合格:存在明显缺陷,需要进行返修或补焊。
五、检测设备焊接无损检测设备应符合以下要求:1. 设备精度和灵敏度应满足检测要求。
2. 设备应定期进行校准和维护,确保设备性能稳定。
3. 设备应有相应的安全保护装置,以保障操作人员和设备安全。
六、检测人员资质焊接无损检测人员应具备以下资质:1. 经过专业培训并取得相应的资格证书。
2. 熟悉各种无损检测方法和规范要求。
3. 具有丰富的实践经验和操作技能。
4. 了解焊接结构的基本知识和安全操作规程。
5. 能够准确判断焊接缺陷的类型和程度,并出具相应的检测报告。
七、检测报告格式1. 标题:应清晰地表明检测报告的主题或名称。
2. 引言:简要介绍被检测的焊接结构和材料,以及相关的工程背景信息。
3. 检测方法:详细说明所采用的焊接无损检测方法和流程。
4. 检测结果:列出所有的检测数据和分析结果,以及相应的图片和图表。
5. 结论:根据检测结果进行总结和评价,并给出相应的建议和措施。
6. 签名和日期:应有检测单位负责人或授权人员的签名,并注明报告的日期。
焊接无损检测1. 引言焊接是一种常见的金属连接方法,广泛应用于工业制造、建筑、航空航天等领域。
焊接质量的可靠性对于确保焊接连接的强度和耐久性至关重要。
然而,焊接过程中难免会产生一些缺陷或隐患,如裂纹、气孔、熔合不良等,这些缺陷可能会导致焊接部件的断裂或失效。
因此,在焊接过程中进行无损检测显得尤为重要。
2. 焊接无损检测技术分类焊接无损检测技术主要包括以下几种方法:2.1 X射线检测X射线检测(RT)是一种应用广泛的焊接无损检测方法。
通过使用X射线或γ射线穿透焊接件,利用射线的吸收、散射和透射特性来检测焊接接头的缺陷。
其优点是对不同材料和结构的焊接接头都能进行检测,但存在辐射危险。
2.2 超声波检测超声波检测(UT)是一种利用超声波在材料中传播及反射的原理来检测焊接接头缺陷的方法。
通过计算超声波的传播时间和信号强度,可以确定焊接接头中的缺陷类型、位置和尺寸,同时也可以评估焊接接头的质量。
其优点是非破坏性检测,适用于各种焊接材料和形式。
2.3 磁粉检测磁粉检测(MT)是一种利用电磁感应原理来检测焊接接头缺陷的方法。
通过在焊接接头周围施加磁场,并在表面涂覆磁粉,当存在裂纹或表面缺陷时,磁粉会在缺陷处形成磁通量漏磁,通过观察磁粉的聚集情况可以确定焊接接头的缺陷。
其优点是简单易行,适用于各种材料和形状的焊接接头。
2.4 渗透检测渗透检测(PT)是一种利用液体渗透性的原理来检测焊接接头缺陷的方法。
通过在焊接接头表面施加渗透液,待一定时间后擦拭干净,再施加显像液,缺陷处的渗透液会被显像液吸收,形成可见的缺陷信号。
其优点是适用于各种形状和材料的焊接接头,但不能检测到深藏在焊接接头内部的缺陷。
3. 焊接无损检测的应用焊接无损检测在工业制造、建筑、航空航天等领域都有广泛的应用,具体包括以下几个方面:•工业制造:焊接无损检测可以确保工业制造过程中的焊接质量,检测焊接接头的缺陷,避免因焊接质量不合格而造成的产品失效。
•建筑:焊接无损检测可用于建筑结构的焊接缺陷检测和评估,确保建筑物的结构强度和安全性。
焊接检测方法及应用焊接是一种连接金属的常用方法,但在焊接过程中可能会出现一些问题,如未完全熔化、缺陷等。
为了保证焊接质量和产品的安全性,需要对焊接进行检测。
以下是常用的焊接检测方法及其应用。
1. 目测检测:目测是一种简单直观的检测方法,通过肉眼观察焊缝以及周围区域,识别焊接缺陷。
这种方法适用于大型零件焊接检测,可以快速识别明显的缺陷,如气孔、裂纹等。
2. 渗透检测(PT):渗透检测是一种液体浸渗的方法,通过表面缺陷与表面张力的作用,将液体渗入缺陷并通过显色剂显示缺陷位置。
这种方法可以检测出裂纹、夹渣等表面缺陷,适用于焊缝表面的检测。
3. 磁粉检测(MT):磁粉检测是利用电磁感应原理,通过施加电磁场和散射磁粉来检测材料表面和近表面的缺陷。
这种方法适用于检测磁性金属材料的缺陷,如裂纹和气孔等。
4. 超声波检测(UT):超声波检测是一种利用超声波在材料中的传播特性来检测焊缝缺陷的方法。
通过发射超声波并接收回波,可以分析回波特性,如幅值、时间和频谱等,来识别焊缝中的缺陷。
这种方法适用于焊缝内部的检测。
5. X射线检测(RT):X射线检测是一种利用X射线穿透材料并通过接收器接收衰减信号来检测焊缝缺陷的方法。
通过分析接收到的信号,可以识别焊缝中的缺陷,如裂纹、夹渣和气孔等,适用于较厚的金属焊接检测。
这些焊接检测方法在不同的应用领域有着广泛的应用。
在航空航天领域,焊接质量对于飞行器的安全至关重要。
采用超声波检测和X 射线检测方法,可以对飞行器的焊接连接进行全面无损检测,确保焊接质量。
在汽车制造领域,焊接被广泛应用于车身制造。
通过目测和渗透检测方法,可以检测出车身焊接的裂纹和气孔等缺陷,保证汽车制造的质量。
在核工业领域,焊接质量对于核设施的安全至关重要。
采用X射线检测和超声波检测方法,可以对核设施中的焊接连接进行无损检测,确保焊接质量和工作安全。
在建筑领域,焊接被广泛应用于钢结构的制造。
采用目测和磁粉检测方法,可以检测出结构焊缝的裂纹和气孔等缺陷,确保建筑结构的安全稳定。
焊接质量的检验方法引言:焊接是将金属材料通过加热或压力使其熔化并连接在一起的常用工艺,广泛应用于制造业。
焊接质量的好坏直接影响到焊接件的性能和安全可靠性。
因此,对焊接质量进行有效的检验是非常重要的。
本文将介绍一些常用的焊接质量检验方法,以帮助确保焊接件的质量符合标准要求。
一、外观检验法外观检验法是通过肉眼观察焊接件的表面特征来评估焊缝的质量。
该方法适用于简单的焊接结构,如焊缝表面是否平整、无明显裂纹、气孔、夹杂物等。
二、无损检测法无损检测法是通过使用无损检测设备,如超声波、射线、液体渗透等技术对焊接件进行检测。
这些技术可以检测到焊接件内部的缺陷,如焊缝中的气孔、夹杂物、裂纹等。
无损检测法适用于对焊接质量要求较高的关键部位。
三、拉伸试验法拉伸试验法是通过在焊接件上施加拉力来评估其强度和韧性。
焊接件通常以拉伸试样的形式制备,并在拉伸试验机上进行拉伸。
根据断裂模式和拉伸值,可以评估焊接件的强度和延展性。
拉伸试验法适用于对焊接件机械性能要求较高的情况。
四、硬度测试法硬度测试法是通过在焊接件表面进行硬度测试来评估其力学性能。
硬度测试法可以检测焊缝区域的硬度变化,根据硬度值可以判断焊接区域的强度和韧性。
硬度测试法适用于对焊接部位的材料性能要求较高的情况。
五、金相检验法金相检验法是通过制备焊接件的金属切片,并在显微镜下观察和分析焊缝的金属组织结构。
金相检验法可以评估焊接件的晶粒尺寸、晶界结构、相变等特征,从而评估焊接质量的好坏。
金相检验法适用于对焊接质量较高的精细结构。
六、破坏性检测法破坏性检测法是通过对焊接件进行破坏性试验,并观察试验后的断裂面来评估焊接质量。
常用的破坏性试验方法有冲击试验、弯曲试验等。
通过观察断口的形态和裂纹的分布,可以评估焊接件的韧性和抗冲击性能。
结论:焊接质量的检验是确保焊接件性能和安全的重要环节。
本文介绍的外观检验法、无损检测法、拉伸试验法、硬度测试法、金相检验法和破坏性检测法是常用的焊接质量检验方法。
焊缝等级分类及无损检测要求焊接是制造过程中最常用的连接方法之一,焊接质量的好坏直接关系到产品的性能和寿命。
为了确保焊接接头的质量,需要进行焊缝的等级分类检测,以及无损检测来评估焊接接头的质量。
按照国际标准ISO5817-2024《焊接工艺的质量评定—焊接的焊缝形态在钢、镍、钴合金中的分类》对焊缝质量分类,焊接接头的质量可分为4个等级:1.A级:焊缝形态完好,焊盖有紧密的覆盖,有均匀的焊渣分布。
在金属基材上,焊接扩展处有不连续缺陷(如气孔、夹杂物、裂纹)数量较少。
2.B级:焊缝形态良好,有无酸洗或其他方法清除焊渣。
金属基材上有适量的不连续缺陷,但与所给定的金属基材和焊接技术的特性相符。
3.C级:焊盖紧密,能够完全覆盖焊缝,但可以有较多的焊渣。
但在金属基材上可以有多个连续缺陷,但缺陷的长度和深度有限。
4.D级:有紧密焊盖,但可能略有不完全覆盖焊缝而有部分内部缺陷。
这些缺陷可能不完全显示出来,可以通过无损检测方法进行评定。
无损检测要求:为了评估焊缝的质量,常常采用无损检测方法来检测焊接接头的缺陷。
无损检测是通过不破坏工件的情况下对材料、制品、构件等进行内部缺陷的检测和评定。
1.超声波检测:通过超声波传感器对焊缝进行扫描,检测焊接缺陷如气孔、夹杂物、裂纹等。
2.X射线检测:通过使用X射线或γ射线照射焊缝,利用与焊缝中缺陷发生反射的X射线或γ射线进行检测。
3.磁粉检测:通过在焊缝附近施加磁场,再将可视的磁粉(常见为铁粉)撒在焊缝上,当磁力线遇到焊缝中的缺陷时,磁粉会聚集在缺陷上,从而发现缺陷的位置和大小。
4.渗透检测:将渗透剂涂在焊缝上,通过渗透剂的极性和粘性吸入焊缝中的缺陷,再用显像剂使渗透剂显影出来,从而发现焊缝中的缺陷。
以上无损检测方法可以针对不同类型的焊缝进行评定,满足焊接接头等级分类中所要求的质量标准。
无损检测不仅可以检测出焊缝中的缺陷,还可以评估缺陷的大小和对焊缝的影响程度,从而为后续的焊缝处理提供指导。
金属焊接检验管理规定5.1金属焊接5.1.1合金材料检验范围5.1.1.1对所有含合金成分(包括16Mn)的设备元部件(制造厂文件明令严禁解体的除外)、组合件(外围公用系统所有合金部件也包括在内)必须做100%的光谱复查,可解体或散装设备,要逐一零件复查,组合件的所有焊口两侧母材及焊缝100%光谱复查。
并将复检报告,逐一存档。
5.1.1.2现场用合金材料,安装前必须100%光谱检验,安装后连同焊缝一起必须做100%的光谱复查(对于≥M30的高温螺栓,施工单位做安装前的检验、技术监督单位进行安装后检验)。
光谱复查要求监理全程旁站,签证验收。
合金材料安装前的光谱分析应做好标识,材料下料后必须移植光谱标识。
5.1.1.3主蒸汽管道、再热蒸汽管道及中、大口径管道焊缝应每隔90度光谱分析一点,光谱分析必须进行定量分析。
汽机本体零部件、紧固件、未提供原始材质及有怀疑的合金部件光谱分析应采用直读式数字合金分析仪。
5.1.1.4所有光谱检验要做好标识,高合金钢光谱检验后要磨去灼烧点。
对细晶马氏体钢材质部件及其焊缝光谱分析后要磨去灼烧点且此部位要做PT检查。
5.1.1.5高压管道、压力容器、钢结构上的所有临时焊点(包括热电偶的临时焊点),清除后此部位要做PT检查。
5.1.2设备检验范围5.1.2.1对设备厂家焊口100%外观检查,水冷壁鳍片切割后100%进行检查,并做好记录。
膜式壁及蛇形管管排制造厂焊口及两侧各200mm范围内PT检验比例:合金总含量>10%的合金钢材质(T91、T92、不锈钢等)按100%;合金总含量3~10%的合金钢材质按50%、合金总含量<3%的合金钢材质按25%、碳钢材质按10%比例做PT检验。
异种钢焊缝按高材质端的检验比例检验。
5.1.2.2过热器、再热器、省煤器等蛇形管排的R(弯管半径)≤1.8D(管子直径)弯头:进行100%的厚度检验和不圆度检查,厚度、不圆度不合格的(低于设计壁厚),必须联系制造厂家予以更换。
焊接及无损检测工程施工工艺1.概况1.1.工艺管道材质包括碳钢和不锈钢,如 Q235-A 、20 #、0Cr18Ni9 、0Cr18Ni10Ti、0Cr18Ni12Mo2Ti 等等。
碳钢材质的可焊性良好,一般不需要实行特别工艺措施,即可获得满足的焊接接头。
不锈钢材质焊接的根本问题是:晶间腐蚀、热裂纹、应力腐蚀和高温使用条件下脆性σ相的析出。
1.2.钢构造的焊接主要从防止焊接应力和变形方面实行相应的工艺措施。
1.3.钢构造工程的材质:主要包括 Q345、Q235B。
其焊接性能较好,但应依据其使用的构造工程部位和工作条件实行相应的防止焊接应力和裂纹等措施。
钢构造的焊接主要从防止焊接应力和变形方面实行相应的工艺措施。
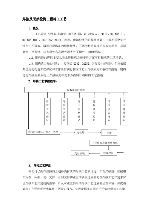
2.焊接工艺掌握程序:根本要求的掌握焊焊焊施焊焊接接工焊接接工工资环设材艺艺格境备料评编确控准准定制认制备备焊接坡口加工、组对、清理定位焊焊接不合格品返修焊缝返修交付安装焊接检验3.焊接工艺评定我公司已拥有成熟的上述各类材质的焊接工艺及评定。
工程焊接前,依据相关标准、标准、设计文件、合同文件和业主的要求进展补充性焊接工艺评定来保证焊接工艺评定的掩盖率,以及对业主供给的焊接工艺进展验证性试验,并提出焊接工艺评定报告或焊接工艺验证报告,按规定程序审批后用于编制焊接工艺指导书。
4.焊工资格评定按相关标准、标准和合同技术文件的规定对从事相应焊接工程的焊工进展资格考核和认可。
必要时依据现场工作需要对焊工进展现场模拟培训和考核。
对不锈钢材质、特别位置焊接以及焊接环境恶劣的场合实行选拔优秀焊工的方法确保焊接质量。
5.焊接工艺指导书依据焊接工艺评定报告、业主供给的焊接工艺指导文件〔WPS〕以及本公司焊接施工阅历,编制现场焊接工艺指导书,按规定程序审批后作为焊工进展焊接操作的指导性文件。
6.焊接材料的验收、保管、烘烤、发放和回收6.1.现场焊材库条件:现场设立焊材库,焊材库应建在枯燥、通风、无腐蚀性的场所。
双相不锈钢特殊焊接工艺及无损检测要求摘要:随着社会经济的稳步增长和现代科技的快速进步,我国工业行业得以快速发展,整体生产工艺水平得到大幅度提升。
双相不锈钢是属于当前电厂以及工业制造业当中应用的一种材料,其本身有着良好的焊接性和力学性能,可适用于多项服役环境。
双相不锈钢特殊焊接要求较高,尤其特殊焊接工艺与无损检测方面较为明显。
本篇文章主要针对双相不锈钢特殊焊接工艺及无损检测相关要求作出简要的讨论,首先介绍双相不锈钢的产生和具体焊接性,再阐述双相不锈钢特殊焊接工艺相关要求以及无损检测相关要点,以期能够为现场焊接施工质量的提升提供一点参考。
关键词:双相不锈钢;特殊焊接工艺;无损检测目前来讲,我国科技的快速发展下,对于各项资源与能源的利用率也不断提升,尤其在各项资源材料的加工和应用方面的整体工艺水平进步速度较快。
双相不锈钢在化学工业、电力行业以及石油天然气等行业当中的应用相对较为广泛,在实际应用当中,针对双相不锈钢的焊接需要重点考虑多方面因素,无论在材料的选择还是工艺技术应用等多项环节当中都需要注重工艺操作的规范性和各项要点的质量控制,如此方能够保证双相不锈钢的焊接质量,提高材料与能源的利用率,这就需要相关技术人员能够全面掌握双相不锈钢特殊焊接工艺的各项要点和操作步骤,完成加工后还要仔细进行无损检测,针对其各项特殊要求进行全面分析,如此才能够确保双相不锈钢的加工质量,发挥双相不锈钢的优势特点。
1.关于双相不锈钢双相不锈钢主要是组织当中铁素体、奥氏体含量约各占50%,其中量少相的含量也需要满足30%以上的不锈钢。
如果含C量相对较低,则Cr含量应维持在18%-28%的含量,Ni需维持在3%-10%。
此外,双相不锈钢具有奥氏体铁素体不锈钢的性能优势,其韧性相比铁素体相要高,且无室温脆性,所以,可以用于厚板。
另外,还具备良好的耐晶间腐蚀性能和焊接性能,同时还具备铁素体不锈钢较高的导热系数与475摄氏度脆性、超塑性等等。
焊接件无损检测的方法
焊接件无损检测的方法
(1)渗透探伤:这是利用毛细现象来检查工作表面缺陷的一种检验方法,包括荧光法和着色法,它们是利用带有荧光染料或红色染料的渗透剂的渗透作用来显示缺陷痕迹的检验方法。
(2)磁粉检验:这是利用在强磁场中、铁磁性材料表层缺陷产生的漏磁磁场能吸附磁粉的现象而进行的一种检验方法。
它主要用于磁性材料表面和近表面缺陷的检查。
(3)超声波探伤:这是利用超声波能透入人金属材料,并在由一截面进人另一截面时,在界面边缘发生反射的特点来检查焊缝中缺陷的方法。
超声波探伤较射线探伤具有较高的灵敏度,尤其对裂纹更为灵敏、具有探伤周期短,成本低、安全等优点。
缺点是对进行探伤的焊件表面要求较高,判断缺陷性质直观性差。
对缺陷尺寸判断不够准确,近表面的缺陷不易发现。
(4)射线探伤:这是利用X射线和γ射线对焊缝进行探伤检验的一种方法。
焊接及无损检测技术方案本工程既有储罐容器的制造安装,又有各种类型管道的安装施工。
针对本工程的特点,必须制定切实可行的焊接工艺来覆盖所有的焊接施工工作。
其中立式储罐共有4台,板材为Q235-B钢板,其他辅助材料(如包边角钢、补强圈、平台梯子等)主要为Q235 钢。
依据设计及应用情况,工艺配管选用材质:20#钢管。
本工程的焊接管材主要是20# 钢钢管。
为确保工程的焊接质量,结合设计及有关施工规范特制定如下焊接施工方案。
一、焊接方法选择1、储罐制造的焊接:全部采用手工电弧焊工艺2、20# 钢管材的工艺管线焊接工艺:除设计图纸有特殊要求外,所有工艺管道的焊接采用手工电弧焊工艺,对于本工程中的储罐,由于所用钢板材质为Q235-B,可焊性与20#钢相同,故如果完成了管材的焊接工艺评定,同样也适用于储罐的板材的焊接施工,反之依然。
板-板的焊接工艺评定实验项目较多,综合成本较高等,所以我们确定做管-管的焊接工艺评定来覆盖所有手工焊接工艺评定。
以上所述手工电弧焊均为手工电弧上向焊,焊接位置采用6G位置。
二、焊接材料选择根据设计图、GB50236-98《现场设备、工业管道焊接工程施工及验收规范》、JB4708-2000《钢制压力容器焊接工艺评定》以及其他有关标准规范推荐的成熟焊接工艺,确定采用的焊接材料见表1,设计图纸有特殊要求的按照设计图纸执行:表1 焊接材料选用表根据设计蓝图和相关标准规范的要求,在确保工程质量和工期的前提下,确定了如下焊接方法:1、工程焊接前,根据GB50236-98《现场设备、工业管道焊接工程施工及验收规范》以及JB4708-2000《钢制压力容器焊接工艺评定》的要求,进行焊接工艺评定试验,进而编制焊接工艺规程(WPS)上报业主审批。
现根据管道材质、壁厚、管径范围等条件确定该工程所需进行的焊接工艺评定项目。
2、工程中若出现其它钢材或异种钢焊接情况,另行编制焊接工艺规程。
3、管材焊接时每种工艺试验采用6G位置即斜45°固定位置。
EN1321欧洲标准(德文版)关键词:焊缝,无损试验,微观检测,宏观检测,焊接缺陷,样件准备,工作方法,符号金属材料焊缝的无损检测焊缝的微观和宏观检测本欧洲标准在1996-09-27由CEN批准。
CEN成员一定要符合CEN/CENELEC内部规则,规定给予本欧洲标准为国家标准,而不能作任何修改。
关于国家标准的最新的著书目录参考可向中央秘书处或任何CEN成员申请获得。
本标准有三个正式版本(英语,德语,法语)。
任何其它语言的翻译版本在由CEN成员负责下翻译成其本国语言并通知中央秘书处后,可与享受与正式版本同样的地位。
CEN成员为比利时,丹麦,德国,芬兰,法国,希腊,爱尔兰,冰岛,意大利,卢森堡,荷兰,挪威,奥地利,葡萄牙,瑞典,瑞士,西班牙和英国的国家标准机构。
目录前言1.使用范围2.标准参考3.定义4.原则5.缩写6.检测目的7.选择样件8.检测方法8.1 概述8.2样件准备8.3表面状况8.4酸洗方法8.5酸洗剂8.6安全措施9.检验10. 符号11. 检验报告附件A(参考)检验报告前言本欧洲标准由CEN、TC121技术委员会制定。
本欧洲标准必须通过出版识别性文本或通过至1997年4月有效的认可保持国家标准的状态。
一些可能与之相对立的标准必须在1997年4月前收回。
根据CEN/CENELEC行业规则,以下国家的国家标准机构须保存本欧洲标准:比利时,丹麦,芬兰,德国,法国,希腊,爱尔兰,冰岛,意大利,卢森堡,荷兰,挪威,奥地利,葡萄牙,瑞典,瑞士,西班牙和英国。
1.使用范围本标准规定了样件准备,检验方法以及宏观和微观检验的检测目的。
2.标准参考本欧洲标准通过在日期或无日期的参考资料包含了其他出版物的规定。
本标准参考在文本的有关的地方被引用。
在有日期的参考文献中,如果有变更或修改,则均属于对本标准的的变更或修改。
对于无日期的参考文献,则以最近的出版为准。
EN288-3金属材料的焊接工艺要求和认可-第3部分:钢材氩弧焊的焊接工艺检验EN288-4金属材料的焊接工艺要求和认可-第4部分:铝材和铝合金的焊接工艺检验EN26520金属熔焊不规则性的分类和说明(ISO6520:1982)CEN CR12187焊接材料分类的原则CEN CR12361金属材料焊缝的无损检验―宏观和微观检测的酸洗。
电焊的无损检测方法
电焊是一种常见的连接金属的方法,但在实际应用中,焊接质量总是
难以完全保证。
因此,无损检测电焊质量是非常必要的。
本文将介绍
几种主流的电焊无损检测方法。
1.超声波检测
超声波检测方法通过将高频超声波传入被检测物体中,并根据回波信
号的变化情况来确定焊接部位存在的缺陷。
由于超声波能够穿透材料,因此该方法对于检测材料内部的缺陷非常有效。
2.磁粉检测
磁粉检测方法是利用铁磁性材料在受磁场作用下的磁性差异来检测焊
接部位的缺陷。
当检测材料存在缺陷时,缺陷处的磁力线分布会发生
变化,从而形成磁场畸变。
通过在磁粉上涂抹铁粉并施加磁场,可以
发现这些磁场畸变,从而确定焊接部位的缺陷。
3.X射线检测
X射线检测方法是通过将高压电场施加在射线管上,从而产生高能X
射线,并通过焊接部位照射并捕捉成像,以确定焊接部位的缺陷和结
构信息。
由于该方法具有对较厚材料的穿透能力,因此对于焊接部位
的内部缺陷的检测也非常有效。
4.涡流检测
涡流检测方法是通过在受测物体周围施加交变电场,从而产生交变磁场,使焊接部位的导电体自产生涡流,并在磁场变化的作用下产生电
磁感应。
由于涡流的存在,焊接部位的缺陷会影响感应电动势的变化,从而通过检测焊接部位的电动势变化情况来确定缺陷的存在情况。
总之,无损检测电焊的方法众多,各种方法相互结合,可以得到更为
准确和全面的检测结果,在电焊行业中具有广泛应用和前景。