聚合物锂离子电池冲壳冲坑设计
- 格式:xls
- 大小:31.00 KB
- 文档页数:1
锂离子电池的设计与参数优化锂离子电池是一种广泛应用于移动设备、电动车辆和储能系统中的重要能源储存技术。
它具有高能量密度、长寿命、低自放电率和环保等优势,因此受到了广泛的关注和研究。
在设计和制造锂离子电池时,需要考虑一系列参数的优化,以提高其性能和可靠性。
本文将探讨锂离子电池设计与参数优化的相关内容。
首先,锂离子电池的设计需要考虑到正负极材料的选择和结构优化。
正极材料通常使用锂过渡金属氧化物,如钴酸锂、三元材料和锰酸锂等。
而负极材料通常采用石墨或硅负极。
选择合适的正负极材料,可以提高电池的容量、循环寿命和安全性能。
另外,优化正负极的结构,如颗粒大小、分散性和电极表面涂布等,也可以改善电池的性能。
其次,锂离子电池的电解液是重要的组成部分,需要进行优化。
电解液通常由溶剂、锂盐和添加剂组成。
优化电解液的配方和性能可以提高电池的离子传导性和安全性。
例如,选择合适的溶剂和锂盐,可以改善电池的电化学性能和循环寿命。
添加合适的添加剂,如电解液稳定剂、导电剂和抗冻剂等,可以提高电池的热稳定性、耐低温性和安全性。
此外,锂离子电池的设计还需要考虑到隔膜和电池容器的优化。
隔膜是防止正负极短路和保障离子传输的关键组件。
优化隔膜的材料、厚度和孔隙率等参数,可以提高电池的安全性和循环寿命。
电池容器的设计和材料选择也是很重要的。
合适的容器设计可以提高电池的结构稳定性和耐冲击性。
选择合适的容器材料,如聚合物、金属或复合材料,可以提高电池的安全性和容量密度。
最后,锂离子电池的参数优化在制造过程和电池管理系统中也非常重要。
制造过程中,需要优化电极的涂布均匀性、隔膜的质量和封装过程的可靠性等。
电池管理系统包括电池的充放电控制、温度管理和安全保护等。
优化这些参数可以提高电池的效率、循环寿命和安全性能。
在优化锂离子电池的设计和参数时,需要综合考虑电池的性能、成本、可靠性和环境友好性等因素。
因此,需要在实际应用中进行充分的实验和测试,以找到最佳的设计和参数组合。
目录毕业设计任务书毕业设计开题报告指导人评语评阅人评语答辩委员会记录中英文摘要第一章 绪论 (2)第二章 注射成型工艺分析 (4)第一节 概述 (4)第二节 产品的分析 (5)第三章 注射机的选择 (10)第四章 型腔布置 (12)第五章 浇注系统设计 (16)第一节 浇注系统的组成及设计原则 (16)第二节 流道及浇口设计 (17)第六章 模架的确定及标准件的选用 (22)第七章 分型面与排气系统的设计 (23)第八章 成型零件的设计 (25)第九章 合模导向机构设计 (31)第十章 推出机构的设计 (34)第一节 推杆的基本概况 (34)第二节 脱模力及推杆的尺寸计算及校核 (35)第十一章 抽芯机构设计 (38)第十二章 温度调节系统的设计 (40)第十三章 零件的加工..........................................错误!未定义书签。
设计体会 (44)参考文献 (45)第一章绪论塑料是树脂为主要成分的高分子有机化合物,简称高聚物。
一般相对分子质量都大于1万,有的甚至可达百万级。
在一定温度和压力下具有可塑性,可以利用模具成型为一定几何形状和尺寸的塑料制件。
塑料的其余成分包括增塑剂、稳定剂、增强剂、固化剂、填料及其它配合剂。
在高分子材料加工过程中,用于塑料制品成型的模具,称为塑料成型模具,简称塑料模。
塑料模的优化设计,是当今高分子材料加工领域中的重大课题。
在塑料材料、制品设计及加工工艺确定发后,塑料模设计对制品质量及产量,就具有决定性的影响。
首先,模具形状、流道尺寸、表面粗糙度、分型面、进浇与排气位置选择、脱模方式以及塑料定型方法的确定等,均对制品(或型材)尺寸精度或形状精度以及塑件的物理力学性能、内应力大小、表面质量与内在质量等,起着十分重要的影响。
其次,塑料模对塑料成本也有相当大的影响,除简易模具外,一般说来制模费用是十分昂贵的,大型模具更是如此。
塑料模是塑料制品生产的基础之深刻含意,正日益为人们理解和掌握。
一、卷绕式聚合物锂离子电池设计规范1. 设计容量根据客户需要的最小容量来确定设计容量。
设计容量(mAh)= 要求的最小容量×设计系数(1)设计系数一般取1.05~1.15。
2.极片方式正极负极正极负极1.竖卷式2.横卷式根据电池的宽度确定极片的设计方式,一般宽度<20mm的电池采用第一种竖卷的设计方式;宽度≥20mm的电池采用第二种横卷的设计方式。
3.卷针的确定卷针的宽度Wj由以下公式确定:Wj = W-T-λ(2)其中:W —电池的宽度;T —电池的厚度;λ—卷芯与包装袋在宽度方向的空隙差值,一般取2~3mm。
卷针厚度Tj由卷针的宽度决定,具体见表1表1.卷针的宽度4. 卷芯尺寸的确定4.1 卷芯厚度卷芯的厚度T'是指正负极片卷绕成的电芯卡紧后的厚度(不包括包装膜的厚度),一般是根据实际电池的厚度确定的,有以下关系:T' = T-Φ(3)其中:T —电池的厚度;Φ—系数,一般取0.7~0.9mm,具体数值根据电池的厚度决定。
4.2 卷芯宽度卷芯的宽度w'是极片卷绕后的电芯的宽度,由以下公式确定:w' = w j+T j+T'+δ(4)其中:w j—卷针的宽度;T j —卷针的厚度;T'—卷芯的厚度;δ—系数,一般取0.5~1。
5.极片的设计5.1 极片宽度的确定:极片的宽度Wa根据卷绕的方式不同分别由以下公式确定(正、负极极片的宽度相同):横卷:Wa = L-ω(5)其中:L —电池的长度;ω—系数,根据电池的厚度决定,一般≤3mm的电池取值6.5~7.5mm;>3mm 的电池取值7.0~7.5mm。
竖卷:Wa = L-φ(6)其中:L —电池的长度;ω—系数,一般取值2.5~3.0mm。
5.2 极片长度、面密度的确定:5.2.1试卷电芯极片长度的计算:试卷电芯正极极片长度Lc的计算:以390g/m2的面密度来计算试卷电芯的极片长度。
Lc = C设÷140÷η÷390÷Wa÷2﹢2Wj﹢T'+8 (7)其中:C设—电池的设计容量;η—配方中正极活性物质的百分含量;Wa —极片的宽度;Wj —卷针的宽度;T' —卷芯的厚度。
电池壳冲压生产工艺
电池壳冲压生产工艺是指使用冲压机械设备将金属材料按照一定的形状和尺寸进行变形加工的一种生产方法。
电池壳冲压生产工艺通常包括工装设计、材料选择、冲压工艺规程等几个方面。
首先,工装设计是电池壳冲压生产工艺中的关键环节。
根据产品的设计要求,设计师需要制定出合理的冲压工艺,并设计出相应的模具和夹具。
工装设计的合理性直接关系到电池壳的质量和生产效率。
在电池壳冲压生产工艺中,通常采用复合冲裁工艺,通过一次模具即可完成多个工序的冲裁加工,能够大大提高生产效率。
其次,材料选择是电池壳冲压生产工艺中的另一个重要环节。
电池壳冲压生产通常使用的材料有不锈钢、铝合金等,这些材料具有良好的机械性能和耐腐蚀性能,适用于电池的使用环境。
在选择材料时,需要根据产品的使用要求和成本考虑,综合考虑材料的强度、韧性和成本等因素。
最后,冲压工艺规程是电池壳冲压生产工艺中的重要环节。
冲压工艺规程是指在冲压过程中,按照一定的工艺规定来完成冲压加工。
冲压工艺规程包括冲床的选择、模具设计、冲床的运行参数等。
在冲压工艺规程中,需要注意的是冲压过程的稳定性和可靠性,以确保冲压过程中的安全和产品的质量。
总的来说,电池壳冲压生产工艺是一种高效、精确的生产方法,可以大大提高电池壳的生产效率和产品质量。
在电池壳冲压生
产工艺中,工装设计、材料选择、冲压工艺规程等方面的合理设计和选择对于产品质量和生产效率起着关键的作用。
随着技术的不断发展,电池壳冲压生产工艺将进一步提高,为电池行业的发展提供更好的支持。
题目:电池壳的冲压模具设计学目录引言 (5)摘要 (6)Abstract (6)第一章零件的工艺性分析 (6)第二章工艺方案的选择与确定 (7)第三章搭边与排样 (8)第四章计算冲压力与压力中心 (9)第五章初选设备 (12)第六章凸、凹模刃口尺寸的确定 (13)第七章模具的总体结构设计 (18)第八章工作零件的设计与计算 (21)第九章其他工艺结构零件的设计与选用 (24)第十章校核设备 (25)第十一章模具的装配与试模 (26)参考文献 (27)附录 (27)毕业论文(设计)任务书论文(设计)题目:电池壳的冲压模具设计一、主要内容及基本要求对工件进行工艺分析。
根据制件材料,形状,尺寸等要求确定合适的成型工艺选定相应的成型设备和成型工艺参数,完成成型模具的设计,基本要求如下:1.绘制成型模具装配图1张2.绘制成型模具全套零件图1套3.编写设计说明书1份二、重点研究的问题根据制件材料,形状,尺寸等要求如何确定合适的成型工艺选定相应的成型设备和成型工艺参数。
了解各种不同材料的冲压工艺及成型过程,了解模具凸、凹的计算过程,了解冲压设备的各种工艺及成型过程。
三、进度安排四、应收集的资料及主要参考文献1.肖景容、姜奎华主编. 冲压工艺学. 北京:机械工业出版社. 20002.马正元、韩啓主编. 冲压工艺与模具设计. 北京:机械工业出版社.20033.张正修主. 冲模结构设计方法、要点及实例.北京:机械工业出版社.20074.薛啓翔主编. 冲压工艺与模具设计实例分析.北京:机械工业出版社.20085.李名望主编.冲压模具设计与制造技术指南. 北京:化学工业出版社.20086.徐政坤主编. 冲压模具设计与制造. 北京:化学工业出版社, 2003引言本次设计,是我的一次较全面的设计能力训练,通过这次训练,我对模具基础知识及工程力学、互换性与测量技术、机械制图、金属工艺学、工程材料等专业课的综合运用有了一个较为系统全面的认识,同时也加深了对所学知识的理解和运用,将原来看来比较抽象的内容实现为具体化.这次课程设计初步掊养了我理论联系实际的设计思想,锻练了我综合运用模具设计和相关课程的理论,结合和生产实际分析和解决工程实际问题的能力,巩固、加深和扩展了有关机械设计方面的知识。
聚合物锂离子电池设计原则批准:审核:制定:聚合物锂离子电池设计原则为减少电池在使用过程中存在的潜在问题和增加产品可靠性,将可充电聚合物锂离子电池在设计、制造和测试过程中需要预防和考虑的一些因素规范化,特制定如下设计原则和要求:一、重要原材料选取设计原则1.1隔膜的设计要求1.1.1选用UBE隔膜,闭孔温度为130~135℃,在135℃急速加热的情况下,隔膜的电阻在约2S的时间内热闭合速度为15000Ωcm2/s,远大于2000Ωcm2/s的设计要求。
该材料结构为PP|PE|PP,干法工艺制造,耐热性、过充性好,收缩率低。
1.1.2加热收缩率测定结果如下表格1:UP3085收缩率测试结果收缩率=(加热前长度-加热后长度)/加热前长度×100%。
表格2:选材典型性能列表(UP3085)1.1.3高温绝缘特性要求电池温度上升到150℃,保持10min,隔膜仍能保持良好的绝缘性。
1.1.4隔膜厚度选择常规电池,隔膜厚度要求20~30μm,一般选取25μm隔膜。
1.1.5隔膜与极板纵向尺寸要求叠层式电极,隔膜与极板纵向尺寸公差为2~4mm,一般设计为2.5~3mm。
1.2绝缘胶的设计要求1.2.1绝缘胶应不易刺穿,无破损。
1.2.2绝缘胶具有电化学、化学、机械特性及热稳定性(-40~+150℃)1.3主体材料的杂质含量要求(主要针对无机材料)表格3:主体材料杂质含量要求1.4环境引入杂质控制要求环境引入杂质包括环境引入水分和粉尘。
1.4.1环境引入水分主要在正极涂布、冲切、叠片、封装、注液过程中。
通过控制这5个工序中的环境湿度对水分杂质进行控制。
其中正极涂布、冲切要求环境相对湿度小于50%,叠片、封装工序要求环境相对湿度小于40%,注液工序在手套箱内进行,要求水分含量30ppm以下。
同时,在涂布、冲切、封装之后对半成品进行真空干燥,以除去微量水分。
1.4.2环境引入粉尘主要在涂布、冲切工序,通过防尘、除尘措施可以降低粉尘污染。
一、叠片式聚合物锂离子电池设计规范1. 设计容量为保证电池设计的可靠性和使用寿命,根据客户需要的最小容量来确定设计容量。
设计容量(mAh)= 要求的最小容量×设计系数(1)设计系数一般取1.03~1.10。
2. 极片尺寸设计根据所要设计电池的尺寸,确定单个极片的长度、宽度。
极片长度Lp:Lp = 电池长度-A-B (2)极片宽度Wp:Wp = 电池宽度-C (3)包尾极片的长度Lp′:Lp′= 2Lp+ T'-1.0 (4)包尾极片的宽度Wp′:Wp′= Wp-0.5 (5)其中:A —系数,取值由电池的厚度T决定,当(1)T≤3mm时,对于常规电芯A一般取值4.5mm,大电芯一般取值4.8mm;(2) 3mm<T≤4mm时,对于常规电芯A一般取值4.8mm,大电芯一般取值5.0mm;(3) 4mm<T≤5mm时,对于常规电芯A一般取值5.0mm,大电芯一般取值5.2~6.0mm;(4) 5mm<T≤6mm时,对于常规电芯A一般取值5.2mm, 大电芯一般取值5.4~6.0mm。
B —间隙系数,一般取值范围为3.6~4.0mm;C —取值范围一般为2.5~2.6mm(适用于双折边);T'—电芯的理论叠片厚度,T'的确定见6.1节.图1.双面极片、单面正极包尾极片示意图3. 极片数、面密度的确定:确定极片的数量N,并根据电池的设计容量来确定电极的面密度,电池的设计容量一般由正极容量决定,负极容量过剩。
在进行理论计算时,一般正极活性物质的质量比容量取140mAh/g,负极活性物质的质量比容量取300mAh/g。
N =(T-0.2)/0.35±1(6)注:计算时N取整,并根据面密度的值来调整N。
S极片= Lp×Wp(7)C设 = C正比×S极片×N×ρ正×η正(8)C负 = C设×υ(9)= C负比×S极片×N×ρ负×η负(10)其中:S极片—单个极片的面积;C正比—正极活性物质的质量比容量,一般取值140mAh/g;η正—正极活性物质的百分含量;ρ正—正极极片的双面面密度(g/m2);C负—负极的设计容量;υ—负极容量过剩系数,一般常规电池取值1.00~1.06;DVD电池以及容量大于2000mAh的取值1.05~1.12;C负比—负极活性物质的质量比容量,一般取值300mAh/g;η负—负极活性物质的百分含量;ρ负—负极极片的双面面密度(g/m2);4. 极片厚度的确定:为保证极片中活性物质的性能发挥,涂布后的极片要进行适当轧片,一般根据材料的压实密度来确定不同面密度的极片的轧片厚度。
锂离子电池设计公式一、叠片式聚合物锂离子电池设计规范1. 设计容量为保证电池设计的可靠性和使用寿命,根据客户需要的最小容量来确定设计容量。
设计容量(mAh)= 要求的最小容量×设计系数(1)设计系数一般取1.03~1.10。
2. 极片尺寸设计根据所要设计电池的尺寸,确定单个极片的长度、宽度。
极片长度Lp:Lp = 电池长度-A-B (2)极片宽度Wp:Wp = 电池宽度-C (3)包尾极片的长度Lp′:Lp′= 2Lp+ T'-1.0 (4)包尾极片的宽度Wp′:Wp′= Wp-0.5 (5)其中:A —系数,取值由电池的厚度T决定,当(1)T≤3mm时,对于常规电芯A一般取值4.5mm,大电芯一般取值4.8mm;(2) 3mm<T≤4mm时,对于常规电芯A一般取值4.8mm,大电芯一般取值5.0mm;(3) 4mm<T≤5mm时,对于常规电芯A一般取值5.0mm,大电芯一般取值5.2~6.0mm;(4) 5mm<T≤6mm时,对于常规电芯A一般取值5.2mm, 大电芯一般取值5.4~6.0mm。
B —间隙系数,一般取值范围为3.6~4.0mm;C —取值范围一般为2.5~2.6mm(适用于双折边);T'—电芯的理论叠片厚度,3. 极片数、面密度的确定:确定极片的数量N,并根据电池的设计容量来确定电极的面密度,电池的设计容量一般由正极容量决定,负极容量过剩。
在进行理论计算时,一般正极活性物质的质量比容量取140mAh/g,负极活性物质的质量比容量取300mAh/g。
N =(T-0.2)/0.35±1 (6)注:计算时N取整,并根据面密度的值来调整N。
S极片= Lp×Wp (7)C设 = C正比×S极片×N×ρ正×η正(8)C负 = C设×υ (9)其中:T正—正极片的总厚度;T负—负极片的总厚度;T隔膜—叠成电芯后隔膜的总厚度,隔膜的厚度一般为0.020/0.022mm;h正—正极片(双面)轧片后的厚度;h单—正极单面极片轧片后的厚度;h负—负极片(双面)轧片后的厚度;N负—负极片的数量;h隔膜—隔膜的厚度.6.2 包装袋膜腔长度的确定膜腔的长度与电芯的长度有以下关系:膜腔长度 = 电芯长度-A (16)注:参数A的确定参见公式(2).6.3 包装袋膜腔宽度的确定膜腔的宽度与电芯的宽度有以下关系:膜腔宽度 = 电芯宽度-B (17)B—系数,一般取值1.0~1.2mm.7. 电解液量的确定根据电池的设计容量确定电解液的加入量MM = C设÷ξ (18)其中:ξ—一般为250~300,单位mAh/g.。
专利名称:一种新型锂离子聚合物电芯双面冲壳模具专利类型:实用新型专利
发明人:郭宝辉,王高峰,张政涛,邱向阳
申请号:CN201720443977.X
申请日:20170426
公开号:CN206834211U
公开日:
20180102
专利内容由知识产权出版社提供
摘要:本实用新型公开了一种新型锂离子聚合物电芯双面冲壳模具,其包括横向左右对称设置的左斜面冲头(1)和右斜面冲头(2),所述左斜面冲头(1)和右斜面冲头(2)用于对所述电芯需要装入的壳体(20)进行冲压操作。
本实用新型公开的一种新型锂离子聚合物电芯双面冲壳模具,其可以使得成品锂离子聚合物电池的壳体顶部厚度等于壳体底部厚度,显著提升锂离子聚合物电池生产质量,有利于形成产业的规模化,有利于广泛地推广应用,具有重大的生产实践意义。
申请人:天津力神电池股份有限公司
地址:300384 天津市西青区滨海高新技术产业开发区(环外)海泰南道38号
国籍:CN
代理机构:天津市三利专利商标代理有限公司
代理人:闫俊芬
更多信息请下载全文后查看。
锂电池之入壳和滚槽
九部分入壳
卷芯入壳前需要进行Hi-Pot测试电压200~500V(测试是否存在高压短路),吸尘处理(入壳前进一步控制粉尘)。
这里需要强调锂电的三大控制点水分、毛刺、粉尘。
前面工序完成后,将下面垫垫入卷芯底部后弯折负极耳,使极耳面正对卷芯卷针孔,最后垂直插入钢壳或铝壳(以18650型号为例,外直径≈18mm+高度≈71.5mm)。
当然卷芯的横截面积 < 钢壳内截面积,大约入壳率在97%~98.5%,因为要考虑到极片反弹值和后期注液时下液程度。
同入面垫工序,将上面垫也装配完成。
此车间环境温度≤23℃,露点≤-40℃。
入壳示意图
十部分滚槽
1、将焊针(一般是铜质或合金材质),插入卷芯中间孔。
常用焊针规格在Φ2.5*1.6mm,达到负极极耳焊接强度≥12N为合格,过低容易虚焊,内阻偏大;过高容易将钢壳表面的镍层焊掉,导致焊点处生锈露液等隐患。
2、滚槽简单理解就是将卷芯固定在壳体内不晃动。
此工序需特别注意横向挤压速度和纵向下压速度匹配,避免横向速度过大将壳体割破,纵向速度过快槽口镍层脱落或影响槽高进行影响封口。
需要检测槽深、扩口、槽高工艺值是否达标(通过实际和理论计算)。
常见的
滚刀规格有1.0、1.2、1.5mm。
滚槽完成后需要再次对整体吸尘处理,避免金属碎屑,真空度≤-0.065Mpa,吸尘时间:1~2s 。
此车间环境温度≤23℃,露点≤-40℃。
点底焊和滚曹示意图。
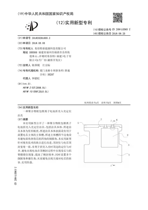
(19)中华人民共和国国家知识产权局(12)实用新型专利(10)授权公告号 (45)授权公告日 (21)申请号 201920291005.2(22)申请日 2019.03.08(73)专利权人 易佰特新能源科技有限公司地址 350300 福建省福州市福清市音西街道珠山、洋埔村易佰特(福建)电子有限公司1号厂房(融侨开发区)(72)发明人 陈国媛 庄宗标 (74)专利代理机构 厦门龙格专利事务所(普通合伙) 35207代理人 钟毅虹(51)Int.Cl.H01M 2/02(2006.01)H01M 10/058(2010.01)(54)实用新型名称一种聚合物软包锂离子电池折壳入壳定位治具(57)摘要本实用新型公开了一种聚合物软包锂离子电池折壳入壳定位治具,包括治具本体,所述治具本体为矩形板状,所述治具本体表面设有用于放置电芯主体的主体槽,所述主体槽四个边角设有避免损伤到卷芯的四角的倒圆角,本实用新型针对现有技术的缺点进行改进,顶封位与电芯顶封宽度一致,有利于折壳入壳时顶边的定位与对齐,避免出现电池在顶侧封过程中出现卷芯与铝塑膜错位现象,提高了侧封效率,同时设置多个倒圆角和避位角,从而避免出现尖端对电芯的损害,实用性强。
权利要求书1页 说明书2页 附图3页CN 209418563 U 2019.09.20C N 209418563U权 利 要 求 书1/1页CN 209418563 U1.一种聚合物软包锂离子电池折壳入壳定位治具,包括治具本体(1),其特征在于,所述治具本体(1)为矩形板状,所述治具本体(1)表面设有用于放置电芯主体的主体槽(2),所述主体槽(2)四个边角设有避免损伤到卷芯的四角的倒圆角;所述主体槽(2)上侧的治具本体(1)表面设有顶边(5),顶边(5)为矩形条状,顶边(5)的边角和侧边设有倒圆角,靠近主体槽(2)的顶边(5)下表面设有便于折壳入壳时顶边定位与对齐的顶封位(7),顶封位(7)与电芯顶封宽度相当;所述顶封位(7)所在的顶边(5)上设有两个用于检查卷芯极耳边距和中心距的极耳槽(6),极耳槽(6)包括T型槽(61)以及位于T型槽(61)端部且用于防止尖角刮伤电芯的避位角(62);所述治具本体(1)上设有方便放入膜壳和取出折壳入壳后的电芯的手拿槽,手拿槽包括设置在治具本体(1)左侧的二号手拿槽(4)和设置在治具本体(1)右侧的一号收纳槽(3)。
锂离子电池设计的步骤
锂离子电池是一种广泛应用于便携式电子设备的可充电电池。
设计好一款锂离子电池不仅要考虑电池的性能和寿命,还要考虑电池的成本和安全性。
下面是锂离子电池设计的步骤:
1. 确定电池的用途和规格:首先需要确定电池的用途和规格,包括电池的容量、电压、尺寸和重量等。
2. 选择正负极材料:正极材料通常选择钴酸锂、三元材料或钛酸锂等,负极材料通常选择石墨或硅等。
3. 选择电解质:电解质是电池中重要的组成部分,可以通过选择不同的电解质来调整电池的性能。
4. 选择隔膜材料:锂离子电池需要使用隔膜材料来隔开正负极,防止短路。
5. 设计电池结构:需要根据电池的尺寸和容量等参数来设计电池的结构,包括正负极的排列方式、隔膜的厚度和电解质的容量等。
6. 进行电池性能测试:设计好的锂离子电池需要进行多种性能测试,包括充放电性能、循环寿命和安全性等。
7. 优化电池设计:根据测试结果来优化电池的设计,提高电池的性能和寿命。
通过以上步骤,可以设计出性能卓越、安全可靠的锂离子电池。
- 1 -。