PLC定时、计数器指令(LG)
- 格式:ppt
- 大小:1.19 MB
- 文档页数:16
第五章应用指令5.1 数据传送指令5-15.1.1 MOV, MOVP, DMOV, DMOVP ..................................................... 5-15.1.2 CMOV, CMOVP, DCMOV, DCMOVP .......................................... 5-35.1.3 GMOV, GMOVP .................................................................................. 5-65.1.4 FMOV, FMOVP ................................................................................... 5-85.1.5 BMOV, BMOVP ................................................................................ 5-10 5.2 转换指令5-125.1.1 BCD, BCDP, DBCD, DBCDP ......................................................... 5-125.2.2 BIN, BINP, DBIN, DBINP .............................................................. 5-15 5.3 比拟指令5-185.3.1 CMP, CMPP, DCMP, DCMPP ...................................................... 5-185.3.2 TCMP, TCMPP, DTCMP, DTCMPP .............................................. 5-225.3.3 LD ( =, >, <, >=, <=, <> ) ..................................................... 5-245.3.4 AND ( =, >, <, >=, <=, <>) ................................................... 5-255.3.5 OR ( =, >, <, >=, <=, <>) ...................................................... 5-27 5.4 增加/减少运算5-295.4.1 INC, INCP, DINC, DINCP ............................................................. 5-295.4.2 DEC, DECP, DDEC, DDECP .......................................................... 5-31 5.5 回转指令5-345.5.1 ROL, ROLP, DROL, DROLP .......................................................... 5-345.5.2 ROR, RORP, DROR, DRORP ....................................................... 5-375.5.3 RCL, RCLP, DRCL, DRCLP ............................................................ 5-395.5.4 RCR, RCRP, DRCR, DRCRP .......................................................... 5-425.6 移位指令5-445.6.1 BSFT, BSFTP ...................................................................................... 5-445.6.2 WSFT, WSFTP ................................................................................... 5-465.6.3 SR.......................................................................................................... 5-48 5.7 交换指令5-515.7.1 XCHG, XCHGP, DXCHG, DXCHGP ............................................ 5-51 5.8 BIN 算术指令5-535.8.1 ADD, ADDP, DADD, DADDP ...................................................... 5-535.8.2 SUB, SUBP, DSUB, DSUBP .......................................................... 5-555.8.3 MUL, MULP, DMUL, DMULP ..................................................... 5-575.8.4 MULS, MULSP, DMULS, DMULSP ............................................ 5-605.8.5 DIV, DIVP, DDIV, DDIVP ............................................................... 5-635.8.6 DIVS, DIVSP, DDIVS, DDIVSP .................................................... 5-65 5.9 BCD算术指令5-685.9.1 ADDB, ADDBP, DADDB, DADDBP ........................................... 5-685.9.2 SUBB, SUBBP, DSUBB, DSUBBP ................................................ 5-705.9.3 MULB, MULBP, DMULB, DMULBP ........................................... 5-745.9.4 DIVB, DIVBP, DDIVB, DDIVBP ................................................... 5-76 5.10 逻辑算术指令5-795.10.1 WAND, WANDP, DWAND, DWANDP ..................................... 5-795.10.2 WOR, WORP, DWOR, DWORP ................................................. 5-825.10.3 WXOR, WXORP, DWXOR, DWXORP ....................................... 5-845.10.4 WXNR, WXNRP, DWXNR, DWXNRP ...................................... 5-86 5.11 数据处理指令5-885.11.1 SEG, SEGP ......................................................................................... 5-895.11.2 ASC, ASCP ......................................................................................... 5-925.11.3 BSUM, BSUMP, DBSUM, DBSUMP .......................................... 5-945.11.4 ENCO, ENCOP .................................................................................. 5-975.11.5 DECO, DECOP ................................................................................ 5-1005.11.6 FILR, FILRP, DFILR, DFILRP ....................................................... 5-1025.11.7 FILW, FILWP, DFILW, DFILWP .................................................. 5-1055.11.8 DIS, DISP ......................................................................................... 5-1075.11.9 UNI, UNIP ........................................................................................ 5-1105.11.10 IORF, IORFP .................................................................................... 5-112 5.12 系统指令5-1145.12.1 FALS ................................................................................................... 5-1145.12.2 DUTY ................................................................................................. 5-1155.12.3 WDT, WDTP .................................................................................... 5-1185.12.4 OUTOFF ............................................................................................ 5-1205.12.5 STOP .................................................................................................. 5-121 5.13 跳转指令5-1225.13.1 JMP, JME .......................................................................................... 5-1225.13.2 CALL, CALLP, SBRT, RET ............................................................ 5-124 5.14 循环指令5-1265.14.1 FOR, NEXT ...................................................................................... 5-1275.14.2 BREAK ............................................................................................... 5-128 5.15 标志指令5-1295.15.1 STC, CLC ........................................................................................... 5-1295.15.2 CLE ..................................................................................................... 5-131 5.16 特殊模块指令5-1325.16.1 GET, GETP ........................................................................................ 5-1335.16.2 PUT, PUTP ....................................................................................... 5-135 5.17 数据连接指令5-1375.17.1 READ ................................................................................................. 5-1385.17.2 WRITE ................................................................................................ 5-1415.17.3 RGET .................................................................................................. 5-1435.17.4 RPUT .................................................................................................. 5-1475.17.5 STATUS .............................................................................................. 5-150 5.18 中断指令5-1525.18.1 EI, DI .................................................................................................. 5-1525.18.2 TDINT, IRET ..................................................................................... 5-1535.18.3 INT, IRET .......................................................................................... 5-1555.19 符号反转指令5-1565.19.1 NEG, NEGP, DNEG, DNEGP...................................................... 5-156 5.20 位接触指令5-1595.20.1 BLD, BLDN ....................................................................................... 5-1595.20.2 BAND, BANDN .............................................................................. 5-1605.20.3 BOR, BORN ..................................................................................... 5-1615.20.4 BOUT ................................................................................................. 5-1635.20.5 BSET, BRST ...................................................................................... 5-164 5.21 计算机连接模块指令5-1655.21.1 SND .................................................................................................... 5-1655.21.2 RCV .................................................................................................... 5-166 5.22 高速计数器指令5-1675.22.1 HST ..................................................................................................... 5-1675.22.2 HSC .................................................................................................... 5-170 5.23 RS-485 通讯指令5-1715.23.1 RECV .................................................................................................. 5-1725.23.2 SEND ................................................................................................. 5-1735应用指令5.1.1MOV, MOVP, DMOV, DMOVP1)功能-MOV(P) : 传送在[ S ]中的16位数据至指定的设备[ D ].16 位- DMOV(P) : 传送在指定设备[ S+1, S ]中的32位数据到指定的设备[ D+1, D ].-2) 编程举例在P020检测到一个上升沿,‘h70F3’被传送到P04。
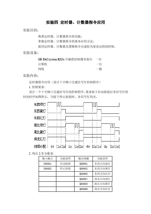
实验四定时器、计数器指令应用
实验目的:
熟悉定时器、计数器指令的功能;
掌握定时器、计数器指令的基本应用方法;
能用定时器、计数器及逻辑指令完成较为复杂过程的控制。
实验设备:
GE PACsystem RX3i可编程控制器实验台一台
计算机一台
网线一根
实验内容:
定时器指令应用(设计十字路口交通信号灯控制程序)
1.控制要求:
设计一个十字路口交通信号灯的控制程序,要求按下启动按钮后各信号灯的闪亮时序如图所示,当按下停止按钮时,各信号灯均灭。
2.列出I/O分配表
输入触点功能说明输出线圈功能说明
I00081 启动按钮Q00001 东西方向绿灯
I00082 停止按钮Q00002 东西方向黄灯
Q00003 东西方向红灯
Q00004 南北方向绿灯
Q00005 南北方向黄灯
Q00006 南北方向红灯
3.填写编码表
4.编写程序
思考:1.运行程序,会发现绿灯闪烁的过程看不出来,试通过修改定时时间来使效果更加明显。
2.记录在设计过程中出现的问题及解决方法,并对结果进行分析。
LG 产电PLC 学习技巧LS 产电K7M 系列PLC 编程元件/指令适应初学者的资料浓缩版一、LS 产电K7M 系列编程器的编程元件配置表(表1-1):K120S K200S (K80S )K300S K1000S 备注程序容量10k (2k )步7k 步15k 步30k 步P (输入/输出继电器)(按十六进制编号)P000-P063F 1024点P000-P031F 512点P000-P063F 1024点P000-P063F 1024点带扩展M (辅助继电器)M000-M191F (3072点)K (保护继电器)K000-K031F (512点)L (连接继电器)L0003-L06F (1024点)F (特殊继电器)F000-F062F (1024点)S (步进控制器)S00.00-S99.99(100×100步)T (定时器)100msT00-T191192点范围可设定5种类型10msT192-T25564点C (计数器)C000-C255256点四种类型D (数据寄存器)D000-D4*******字D0000-D999910000字整数范围1、有符号指令16位:-32768∽32767;32位:-2147483648∽21474836472、无符号指令16位:00000∽65535;32位:00000000∽4295967295同其它PLC 一样,K7M 系列PLC 是输入/输入继电器、M/K/L/F 等辅助继电器、定时器、计数器、数据寄存器和步进控制器等几类编程元件。
用编程指令对这些元件进行操作和控制,即所谓编程了。
输入、输出继电器,严格的对应输入/输出I/O 点,随PLC 的型号不同而数量有异;而辅助继电器的数量和工作方式,大致相同,并不随PLC 型号不同而有异;这类继电器,同继电控制线路中的继电器用法是相同的。
但其触点数量却是无穷尽的,不必担心不够用;定时器,相当于通电延时动作的普通时间继电器,触点个数也是无限制的;数据寄存器,是能储存数据的东东,一般的控制线路中,就没有这类元件了;步进控制器,其实是编程方法的一种,便于速成和编程效率型号种类类比较高;另外,即是数制的问题,PLC内部电路对数制的处理方式都是二进制的,但输入/输出方式多为八进制和十六进制的。
三菱PLC用定时器与计数器实现的时间把握编程实例 - 三菱plc三菱plc FX系列的定时器为通电延时定时器,其工作原理是,定时器线圈通电后,开头延时,待定时时间到,触点动作;在定时器的线圈断电时,定时器的触点瞬间复位。
但是在实际应用中,我们常遇到如断电延时、限时把握、长延时等把握要求,这些都可以通过程序设计来实现。
1、通电延时把握延时接通把握程序如图3-27所示。
它所实现的把握功能是,X1接通5、后,Y0才有输出。
工作原理分析如下:当X1为0N状态时,帮助继电器M0的线圈接通,其常开触点闭合自锁,可以使定时器T0的线圈始终保持得电状态。
T0的线圈接通5s后,T0的当前值与设定值相等,T0的常开触点闭合,输出继电器Y0的线圈接通。
当X2为ON状态时,帮助继电器M0的线圈断开,定时器T0被复位,T0的常开触点断开,使输出继电器Y0的线圈断开。
2、断电延时把握延时断开把握程序如图3-28所示。
它所实现的把握功能是,输入信号断开l0s后,输出才停止工作。
工作原理分析如下:当X0为ON状态时,帮助继电器M0的线圈接通,其常开触点闭合,输出继电器Y3的线圈接通。
但是定时器T0的线圈不会得电(由于其前面(图)是断开状态)。
当X0由ON变为OFF状态,(图)都处于接通状态,定时器T0开头计时。
l0s后,T0的常闭触点打开,M0的线圈失电,输出继电器Y0断开。
3、限时把握在实际工程中,常遇到将负载的工作时间限制在规定时间内的把握。
这可以通过如图3-29所示的程序来实现,它所实现的把握功能是,把握负载的最大工作时间为l0s。
如图3-30所示的程序可以实现把握负载的最少工作时间。
该程序实现的把握功能是,输出信号Y2的最少工作时间为10s。
4、长时间延时把握程序在PLC中,定时器的定时时间是有限的,最大为3276.7s,还不到lh。
要想获得较长时间的定时,可用两个或两个以上的定时器串级实现,或将定时器与计数器协作使用,也可以通过计数器与时钟脉冲协作使用来实现。
西门子S7-200PLC基本指令_定时器/计数器一、定时器1.定时器号(Txx):定时器的编号为(0-255),也就是说总共有256个定时器可以使用。
2.定时时间= 设定值* 基准时间3.注意,不能将同一个定时器号同时用作TOF和TON。
定时器分类表:定时器类型分辨率设置范围最大值(秒)定时器号码TONR 1ms0-32767 32.767 T0,T6410ms0-32767 327.67 T1-T4,T65-T68100 ms 0-32767 3276.7T5-T31,T69-T95TON、TOF1ms0-32767 32.767 T32,T9610ms0-32767 327.67T33-T36,T97-T100100ms0-32767 3276.7T37-T63,T101-T255定时器分为三类:TON、TONR、TOF 。
1.接通延时定时器(TON)TON指令在启用输入端使能后,开始计时。
当前值(Txxx)大于或等于预设时间(PT)时,定时器触点接通。
当输入端断开时,接通延时定时器当前值被清除,触点断开达到预设值后,定时器仍继续计时,达到最大值32767时,停止计时。
用法举例:此例中,定时器号是T37,因此此定时器为100ms的定时器。
定时器预设值为60,即定时时间为:60*100ms=6s;初始时,I0.1断开,定时器当前值为0。
当I0.1接通,则定时器开始计时,当前值到达60后,定时器常开点接通。
到达预设值后若I0.1还是接通,则定时器继续计时,直到当前值到达32767。
在定时过程中,只要I0.1断开,则定时器当前值清0,触点断开。
2.掉电保护性接通延时定时器(TONR)TONR指令在启用输入端使能后,开始计时。
当前值到达80后,触点接通。
到达预设值后若I0.1还是接通,则定时器继续计时,直到当前值到达32767。
在计时过程中I0.1断开,则定时器保持当前值不变。
TONR指令功能与TON指令类似,TONR指令带保持功能若要使定时器复位,清0,则需用复位指令3.断开延时定时器(TOF)TOF功能及用法:TOF指令用于在输入关闭后,延迟固定的一段时间再关闭输出。
※PLC定时与计数功能
1.定时器的基本用法
(1)得电延时闭合
图2得电延时合梯形图及时序图
(2)失电延时断
图3失电延时断梯形图及时序图
说明:当X0为ON时,其常开触点闭合,Y0接通并自保;当X0断开时,定时器
开始得电延时,当X0断开的时间到达定时器设置的时间时,Y0由ON变为OFF,实现失电延时。
(3)定时器自复位电路
图4 定时器自复位电路
(4)注意过程分析:X0接通1S,T0状态为ON,Y0状态输出为ON,T0的状态为ON使其常闭触点动作,T0,Y0状态变为OFF。
当X0一
直处于ON状态时,经过一个扫描周期,重复前面状态。
2.振荡电路
(1)振荡电路可以产生特定的通断时序脉冲,它应用在脉冲信号源或闪光报警电路中。
(2)定时器组成的振荡电路一,如下图6-6所示
注意: 1. 改变T0、T1的参数值,可以调整Y0的输出脉冲宽度。
2. 振荡电路的分析要注意X0的状态。
3. 定时器组成的振荡电路二
3. 定时器的扩展 FX 系列PLC 的延时都有最大值,如延时大于定时器的最大值,可以采用多个定时器延时接力。
具体方法是:
(1) 用前一个定时器的常开触点启动下一个定时器。
(2) 计数器和定时器配合。
4. 计数器的基本用法
图6 振荡电路
图7 振荡电路
图8 计数器应用梯形图
说明:X3使计数器C0复位,C0对X4输入的脉冲计数,输入的脉冲数达到6个,计数器C0的常开触点闭合,Y0得电动作。
X3动作时,C0复位,Y0失电。