2013-2014第一学期焊工实训教案
- 格式:doc
- 大小:483.50 KB
- 文档页数:22
焊接工艺实训:实训课1 ——参观电气焊实训车间一、实习内容的要求:1、简单了解电气焊车间各设备用途及使用2、了解电气焊车间操作安全规程及注意事项。
3、初步了解各设备的使用方法。
二、参观设备1、手工弧焊机(交流弧焊机)2、二氧化碳气体保护焊3、氩弧焊4、手弧焊用工具(1)电焊钳(2)敲渣锤(3)钢丝刷5、防护工具(1)面罩(2)焊工手套(3)护脚(4)绝缘胶鞋。
6、切割机7、刨光机8、气割和气焊设备复习小结:各设备安全注意事项。
实训课2 ——平敷焊练习一、实习用材料1、E4303(J422)3.2mm电焊条2、厚度为4~5毫米低碳钢板或角铁二、实习内容的要求1、了解焊接结构件的制造方法和工艺过程2、初步了解手工电弧焊的焊接过程。
3、掌握手工电弧焊的引弧方法及焊接操作的初步技能。
二、操作练习1、操作(1)引弧时焊条提起要快,否则易粘焊条。
(2)如果焊条的焊件接触而不起弧时,往往是因为焊条头部表皮妨碍导电,这时应该将这些绝缘物清除,以利导电。
(3)练习引弧时,不必考虑焊条的角度,更不要急于去完成一道焊缝。
2、操作工平焊时:(1)焊接时要放松身体,而且正常呼吸,手臂应离开身体,随身体自由运动,同时要保持稳定。
(2)开始练习时,主要学握好电弧长度,焊条角度和焊接速度。
(3)要区分开熔池内的熔度和熔化金属。
(4)控制熔池的形状,大小要合适,不允许熔流到不分化金属的前面。
(5)首先练习窄焊道的平焊,并用直线运条法进行练习。
小结:操作要点作业:练习电焊操作。
《焊工工艺与技能训练》教案教案:焊工工艺与技能训练第一节:课程目标和背景介绍(150字)课程目标:通过本课程的学习,学生将掌握焊接工艺与技能,学会使用常见焊接设备和工具进行焊接,理解焊接的原理和工艺流程,提高焊接技能和应用能力,并能够在实践中灵活运用所学知识。
背景介绍:焊接是一项重要的制造工艺,在许多工业领域都有广泛的应用。
掌握焊接技术对于从事相关工作的人员来说至关重要,因此本课程旨在通过理论和实践相结合的方式,培养学生的焊接技能和应用能力。
第二节:教学内容和教学方法(300字)教学内容:1.焊接原理和基本知识:介绍焊接的定义、分类、原理等基本概念和知识。
2.焊接设备和工具的使用:学习和掌握常见的焊接设备和工具的使用方法。
3.焊接工艺流程:介绍和演示焊接的工艺流程,包括准备工作、设备设置、焊接操作等。
4.焊接技术和要点:讲解和演示焊接的技术方法和要点。
5.焊接缺陷和质量控制:介绍焊接过程中常见的缺陷,并讲解如何进行质量控制。
教学方法:1.理论讲解:通过课堂讲解和多媒体展示,向学生介绍焊接的基本概念和知识。
2.实践操作:组织学生进行焊接操作实践,通过实际操作来加深对焊接技术和要点的理解和掌握。
3.实验演示:进行焊接工艺流程的实验演示,让学生亲自参与和观察,提高他们对焊接流程的理解和记忆。
4.分组讨论:将学生分成小组,让他们共同讨论和解决焊接实践中遇到的问题,提高团队合作能力。
5.案例分析:通过分析焊接质量问题的实际案例,引导学生了解焊接质量的重要性,并学习如何进行质量控制。
第三节:教学进度安排(300字)第一周:焊接原理和基本知识-分类和定义-焊接原理-焊接材料和电源的选择第二周:焊接设备和工具的使用-焊接设备的种类和特点-焊接工具的使用方法和注意事项第三周:焊接工艺流程-准备工作:清洁和调整焊接工件-设备设置:选择适当的焊接参数和电流-焊接操作:焊接技术和要点的讲解和演示第四周:焊接缺陷和质量控制-常见焊接缺陷的分类和原因-质量控制方法和要点的介绍-案例分析:焊接质量问题的案例分析和讨论第四节:教学评估(150字)教学评估:1.实践操作考核:通过对学生的焊接操作能力进行考核,检验他们是否掌握了焊接技术和要点。
焊接实习教案范文1.教学目标:a)了解焊接实习的基本目的和意义。
b)学习焊接的基本原理和操作技巧。
c)掌握常见的焊接缺陷及其检测方法。
d)培养学生的安全意识和团队合作精神。
2.教学内容:a)焊接实习的基本原理和分类。
b)焊接设备和工具的使用。
c)焊接材料及其特点。
d)焊接操作技巧和注意事项。
e)焊接缺陷及其检测方法。
3.教学过程:a)理论讲授:i)介绍焊接实习的基本目的和意义,包括提高学生的实践能力和培养职业素养。
ii) 介绍焊接的基本原理和分类,包括电弧焊、气体保护焊等。
iii) 介绍焊接设备和工具的使用,包括电焊机、电极、气瓶等。
iv) 介绍焊接材料及其特点,包括焊丝、焊剂等。
v)介绍焊接操作技巧和注意事项,包括焊接位置、角度、速度等。
vi) 介绍焊接缺陷及其检测方法,包括裂纹、气孔等。
b)实践操作:i)展示正确的焊接操作步骤和技巧。
ii) 学生根据指导进行实践操作,包括焊接平板、角焊接等。
iii) 指导学生如何检测焊接缺陷,并纠正错误。
c)安全教育:i)强调焊接实习的安全注意事项,包括佩戴防护眼镜、穿戴防护服等。
ii) 提醒学生做好防火措施,确保实习场所的安全。
d)团队合作:i)强调团队合作的重要性,培养学生的沟通与协作能力。
ii) 设置小组实践任务,让学生一起完成焊接作业。
4.教学评估:a)实习过程中,教师对学生的实际操作进行观察和评估。
b)结合学生的实习报告和作业,评估学生对焊接实习的掌握程度。
c)针对学生的表现,提供建议和指导,以促进进一步的学习和提高。
5.教学资源:a)教学用的焊接设备和工具。
b)相关的焊接手册和资料。
6.教学反思:a)在理论讲授中,结合实际案例或视频,以增加学生的兴趣和理解。
b)在实践操作中,务必提供足够的安全保护和指导,确保学生的安全。
c)督促学生按时提交实习报告和作业,以检验他们的学习成果。
电焊实训教学教案一、焊接实训目的1、掌控焊条电弧焊的基本原理。
2、了解焊条电弧焊所需的设备、工具、材料。
3、正确使用焊条电弧焊的常用工具。
4、掌握焊条电弧焊的引弧方法、平焊的运条方法、接头收尾方法等,能进行手弧焊的基本操作。
二、重点、难点1、安全操作规程。
2、引弧、运条的方法。
三、教学内容§1、焊接概述焊接是指通过:1)加热或加压,或两者并用,2)用或不用填充材料,使工件达到结合的一种方法。
优点:1)使用设备比较简单,价格相对便宜并且轻便。
2)不需要辅助气体防护。
3)操作灵活,适应性强。
4)应用范围广,适用于大多数工业用的金属和合金的焊接。
§2、焊缝形成的过程基本焊接方法有熔焊、压焊、钎焊三种。
焊条电弧焊则是熔焊的一种最常用的方法,也是走进电焊的入门之路。
焊接过程:1)将焊条夹在焊钳上,把焊件同电焊机相连接;2)引弧,使电焊条与焊件相互接触而造成短路;3)随即提起焊条2~4㎜,电弧产生了高温将焊条、焊件局部熔化;4)运条,随着电弧(焊条)的向前移动,新的熔池开始形成;5)原来的熔温度降低开始凝固,形成焊缝。
§3、焊接设备、工具、防护用品1、电焊机型号为BX1-300 F-3交流弧焊机;2、电焊条由焊芯、药皮组成。
1)焊芯焊条中间的金属芯;主要作用:①起到电极的作用。
即传导电流,产生电弧。
②形成焊缝金属。
焊芯熔化后,其液滴过渡到熔池中作为填充金属,并与熔化的母材熔合后,经冷凝成为焊缝金属。
2)药皮焊芯外面的涂层;作用:①提高焊接电弧的稳定性。
②保护熔化金属不受外界空气侵蚀,并保证焊缝表面成形良好。
③保证焊缝顺利脱氧。
3)电焊实训中使用的焊条牌号为J422(E4303)、直径=3.2mm。
3、电焊钳电焊钳由钳口、弯臂、固定销、弹簧、胶木手柄、电缆固定处等组成。
钳口—用于夹持焊条;弯臂—按下弯臂,迫使钳口张开;固定销—起支点作用;弹簧—通过弹簧、弯臂、固定销,使钳口处于压紧状态;胶木手柄—绝缘,避免钳内导电部分因裸露在外而发生危险;电缆固定处—用于安装焊接电缆。
焊接实训备课教案教案标题:焊接实训备课教案教案目标:1. 了解焊接实训的基本要求和目标。
2. 确定适合焊接实训的教学方法和教学资源。
3. 设计实施焊接实训的教学计划和课程内容。
4. 提供学生在焊接实训中所需的安全指导和操作规范。
教学目标:1. 了解焊接的基本原理和相关工具、设备。
2. 掌握焊接的基本技能和操作方法。
3. 培养学生的团队合作能力和问题解决能力。
4. 培养学生的安全意识和操作规范。
教学准备:1. 教学资源:焊接设备、材料、焊接示范视频等。
2. 实训场地:确保实训场地安全、通风良好,并配备必要的安全设施。
3. 学生分组:根据实训人数,将学生分组,每组人数适中,便于团队合作和互相学习。
4. 教师准备:熟悉焊接实训的基本要求和操作流程,掌握相关安全知识和操作规范。
教学步骤:第一步:导入(5分钟)教师简要介绍焊接实训的目标和重要性,激发学生的学习兴趣,并提出学生在实训中需要注意的安全事项。
第二步:理论讲解(15分钟)教师通过投影或板书等方式,介绍焊接的基本原理、焊接设备和工具的使用方法,以及焊接材料的选择和准备工作。
结合示范视频等教学资源,帮助学生理解焊接实训的基本知识。
第三步:示范演示(20分钟)教师进行焊接实操示范,展示正确的焊接技巧和操作流程,引导学生观察和理解。
同时,强调焊接实训中的安全操作规范和注意事项。
第四步:学生实践(60分钟)学生按照分组情况,进行焊接实践操作。
教师在实践过程中,及时给予指导和帮助,纠正学生的错误操作,并鼓励学生积极参与团队合作,共同完成实训任务。
第五步:总结反馈(10分钟)教师与学生一起总结焊接实训的收获和问题,鼓励学生积极分享实践经验和心得体会。
同时,教师对学生的实践表现进行评价和反馈,指导学生进一步提高焊接技能。
教学扩展:1. 组织学生参观相关焊接工作现场,了解焊接在实际工作中的应用。
2. 鼓励学生参加焊接技能比赛或实践项目,提高实际操作能力。
3. 配备更先进的焊接设备,引导学生学习和掌握新技术、新方法。
一、课程名称:焊工实操二、授课对象:焊接专业学生三、授课课时:2课时四、教学目标:1. 让学生掌握焊接的基本原理和操作方法。
2. 培养学生的焊接实践能力,提高焊接质量。
3. 增强学生的安全意识和自我保护能力。
五、教学重点与难点:重点:焊接操作步骤、焊接质量检查、焊接安全操作。
难点:焊接缺陷的识别与预防。
六、教学准备:1. 教学场地:焊接实训室2. 实操设备:焊机、焊条、焊件、防护用品等3. 教学资料:焊工实操教材、焊接工艺参数表、焊接质量标准等七、教学过程:(一)导入1. 复习焊接基本原理,介绍焊接在工业生产中的应用。
2. 强调焊接实操课的重要性,提高学生的学习兴趣。
(二)实操教学过程1. 焊接操作步骤讲解:a. 焊接前准备:检查焊机、焊条、焊件等设备,穿戴好防护用品。
b. 焊接操作:根据焊接工艺参数,进行焊接操作。
c. 焊接后处理:检查焊接质量,处理焊接缺陷。
2. 焊接质量检查:a. 观察焊缝外观,检查是否有咬边、夹渣、气孔等缺陷。
b. 使用超声波探伤仪、X射线检测等设备,对焊缝内部进行检测。
3. 焊接安全操作:a. 介绍焊接过程中的安全注意事项,如防止触电、火灾等。
b. 强调正确使用防护用品的重要性。
(三)分组实操1. 将学生分成若干小组,每组选一名组长负责协调。
2. 每组进行焊接实操,教师巡回指导,解答学生疑问。
3. 每组完成焊接任务后,进行焊接质量检查。
(四)总结与反馈1. 教师对学生的焊接实操进行点评,指出优点和不足。
2. 学生总结本次实操课的收获和体会。
3. 教师布置课后作业,巩固所学知识。
八、教学评价:1. 学生实操成绩:根据焊接质量、操作规范等方面进行评价。
2. 学生反馈:收集学生对实操课的意见和建议,改进教学方法。
九、课后作业:1. 复习焊接基本原理和操作方法。
2. 阅读焊接工艺参数表,了解不同焊接方法的工艺参数。
3. 完成焊接质量标准的学习,提高焊接质量意识。
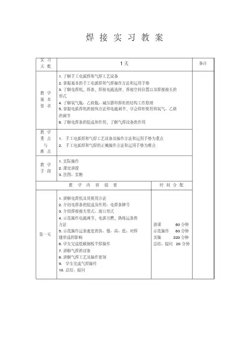
焊接实习教案实习天数1天备注教学基本要求1.了解手工电弧焊和气焊工艺设备2.掌握基本的手工电弧焊和气焊操作方法和运用手势3.了解电焊机,焊条,焊接电流选择,焊接空间位置以及焊接接头的形式4.了解氧气瓶、乙炔瓶、减压器和焊炬的结构工作原理5.掌握电弧焊机的接线方法和电流调节,学会焊炬使用和氧气、乙炔的调节6.了解电焊条的组成和作用,了解气焊设备的作用教学重点与难点1. 手工电弧焊和气焊工艺设备及操作方法和运用手势为重点2. 手工电弧焊和气焊的正确操作方法和运用手势为难点教学手段1.实际操作2.课堂讲授3.挂图、实物教学内容提要时间分配第一天1.讲解电焊机及其使用方法2.介绍电焊条的组成及作用、电焊条牌号3.介绍焊接接头型式、坡口型式4.示范操作电流调节,电弧引燃,熟练运条的方法5.示范操作运条速度的快、慢、高、低、对焊缝形成的影响6.学生完成低碳钢板平焊操作7.讲解气焊的设备8.讲解气焊工艺及操作要领9. 学生完成气焊操作10.总结、提问讲课60分钟示范操作60分钟实操220分钟总结、提问20分钟焊接实习教案(附件)第一天一、讲解电焊机及其使用方法结合实物和挂图讲解弧焊机1、种类:a.交流焊机(弧焊变压器);b.直流焊机(弧焊整流器);c.逆变焊机(弧焊逆变器,一般采用直流)。
2、性能特点:a.交流焊机——结构简单,价格便宜,使用维护方便,但稳弧性较差;b.直流焊机——稳弧性好,但结构较复杂,价格较贵;c.逆变焊机——具有较好发展前景的新型焊机,主要优点是高效节能,重量轻,体积小,但目前制造技术尚不成熟。
3、应用:a.交流焊机一般用于稳弧性好的焊条;b.直流焊机一般用于稳弧性差的焊条及小电流焊接。
4、交流焊机型号(动铁心式和动圈式)。
5、交流焊机主要性能参数。
讲解初级电压、初级电流、电流调节范围、负载持续率、额定电流等。
要求学生看自用焊机的铭牌,了解自用焊机的性能。
6、焊机使用:a.直流焊机的正接法和反接法;b.交流焊机的电流调节方法;c.检查焊机的安全接地线。
一、课程名称:焊工实操课程二、课程目标:1. 使学员掌握焊接的基本原理和操作技能。
2. 提高学员的安全意识,培养良好的焊接操作习惯。
3. 增强学员的实际操作能力,为今后的焊接工作打下坚实基础。
三、课程内容:1. 焊接基础知识2. 焊接设备与工具3. 焊接材料与焊条4. 焊接工艺与操作5. 焊接缺陷及预防6. 安全操作与事故处理四、课时安排:共10课时,每周2课时,共计5周。
五、教学过程:第一周:1. 课时1:焊接基础知识- 焊接的定义、分类及特点- 焊接金属的熔化、凝固过程- 焊接接头的结构形式及特点2. 课时2:焊接设备与工具- 焊接设备的种类及作用- 焊接工具的选用及维护第二周:1. 课时3:焊接材料与焊条- 焊接材料的种类及性能- 焊条的选用及存放2. 课时4:焊接工艺与操作- 焊接工艺流程- 焊接操作要领及注意事项第三周:1. 课时5:焊接缺陷及预防- 常见焊接缺陷的类型及产生原因 - 预防焊接缺陷的措施2. 课时6:安全操作与事故处理- 焊接作业的安全注意事项- 焊接事故的预防和处理方法第四周:1. 课时7:焊接实操练习(一)- 学员分组进行焊接实操练习- 教师巡回指导,纠正操作错误2. 课时8:焊接实操练习(二)- 学员继续进行焊接实操练习- 教师对学员的操作进行评价和总结第五周:1. 课时9:焊接实操考核- 学员进行焊接实操考核,检验学习成果- 教师对考核情况进行评价和反馈2. 课时10:课程总结与展望- 对整个课程进行总结,回顾学习内容- 对学员今后的焊接工作进行展望和建议六、教学评价:1. 平时考核:包括课堂表现、作业完成情况等。
2. 实操考核:包括焊接操作技能、安全意识等。
3. 课程结束考核:包括理论知识和实操技能的综合评价。
七、教学资源:1. 教材:《焊工操作技能培训教材》2. 实操设备:焊接设备、焊接工具、焊接材料等3. 多媒体课件:焊接原理、焊接工艺、安全操作等方面的教学视频和图片4. 实操场地:焊接实操训练室通过本课程的学习,学员将能够掌握焊接的基本原理和操作技能,提高安全意识,为今后的焊接工作打下坚实基础。
电焊实习课堂教学教案教案标题:电焊实习课堂教学教案教学目标:1. 了解电焊的基本原理和操作流程;2. 掌握电焊的安全操作技能;3. 培养学生的动手能力和团队合作意识。
教学重点:1. 电焊的基本原理和操作流程;2. 电焊的安全操作技能。
教学难点:1. 电焊的操作技巧;2. 安全操作的重要性。
教学准备:1. 电焊设备和材料;2. 安全防护装备(如焊接面罩、手套、防护服等);3. 实习场地的准备。
教学过程:步骤一:导入(5分钟)介绍电焊的概念和应用领域,引发学生对电焊的兴趣,并激发他们的学习动机。
步骤二:理论讲解(15分钟)1. 介绍电焊的基本原理,包括电弧的产生和维持、电焊电流的种类和选择等。
2. 介绍电焊的操作流程,包括准备工作、电焊设备的设置、焊接材料的准备等。
步骤三:安全操作指导(10分钟)1. 强调电焊的安全操作规范,包括戴好防护面罩、穿戴防护手套和防护服、确保工作区域通风等。
2. 演示正确的电焊姿势和操作方法,包括焊接位置、焊接速度、电流调节等。
步骤四:实践操作(40分钟)1. 学生分组进行实践操作,每组配备电焊设备和材料。
2. 指导学生进行焊接练习,包括焊接直线、角焊、对接焊等。
3. 在实践过程中及时纠正学生的错误操作,并给予指导和鼓励。
步骤五:总结归纳(10分钟)1. 学生就实践操作中遇到的问题和收获进行总结,分享彼此的经验和体会。
2. 教师对学生的表现进行评价和指导,提出进一步改进的建议。
步骤六:作业布置(5分钟)布置与电焊相关的练习题或实践任务,鼓励学生在课后继续巩固和拓展所学内容。
教学延伸:1. 组织学生参观实际的焊接工作现场,了解电焊在实际工作中的应用;2. 组织学生参加电焊技能竞赛或实践活动,提高学生的动手能力和团队合作意识。
教学评估:1. 观察学生在实践操作中的表现,包括操作技巧、安全意识等;2. 对学生的作业和练习题进行评价,检查他们对电焊知识的掌握程度。
教学资源:1. 电焊设备和材料;2. 电焊实习场地;3. 相关教材和参考书籍;4. 多媒体设备。
一、课程名称:焊工实操技能培训二、课时安排:共8课时,每次2课时三、教学目标:1. 使学员掌握焊接的基本操作方法和技能;2. 熟悉焊接设备、工具和材料的使用;3. 培养学员的安全意识和团队协作能力;4. 提高学员的焊接质量和效率。
四、教学内容:1. 焊接基本操作方法2. 焊接设备、工具和材料的使用3. 焊接安全操作规程4. 焊接质量检验与控制5. 焊接操作技能训练五、教学过程:第一课时:1. 导入:介绍焊接工艺及焊接在工业生产中的应用,激发学员学习兴趣。
2. 理论讲解:讲解焊接基本操作方法、焊接设备、工具和材料的使用。
3. 实操演示:教师现场演示焊接操作过程,让学员了解焊接操作的步骤和技巧。
4. 学员练习:学员在教师的指导下进行焊接操作练习,教师进行个别指导。
第二课时:1. 理论讲解:讲解焊接安全操作规程、焊接质量检验与控制。
2. 实操演示:教师现场演示焊接安全操作和焊接质量检验过程。
3. 学员练习:学员在教师的指导下进行焊接安全操作和焊接质量检验练习。
4. 交流讨论:学员之间互相交流学习心得,教师进行总结和点评。
第三课时:1. 理论讲解:讲解焊接操作技能训练的方法和技巧。
2. 实操演示:教师现场演示焊接操作技能训练过程。
3. 学员练习:学员在教师的指导下进行焊接操作技能训练。
4. 交流讨论:学员之间互相交流学习心得,教师进行总结和点评。
第四课时:1. 理论讲解:讲解焊接设备、工具和材料的使用。
2. 实操演示:教师现场演示焊接设备、工具和材料的使用。
3. 学员练习:学员在教师的指导下进行焊接设备、工具和材料的使用练习。
4. 交流讨论:学员之间互相交流学习心得,教师进行总结和点评。
第五课时:1. 理论讲解:讲解焊接安全操作规程。
2. 实操演示:教师现场演示焊接安全操作过程。
3. 学员练习:学员在教师的指导下进行焊接安全操作练习。
4. 交流讨论:学员之间互相交流学习心得,教师进行总结和点评。
第六课时:1. 理论讲解:讲解焊接质量检验与控制。
焊接实训教案指导教练:张立新2、熟练引弧技巧;四、教学难点:引弧的熟练程度,焊条角度和电弧高度的控制;五、分析学生:学习内容不复杂,要防止轻视学习,提倡熟能生巧、精益求精。
六、教学设计思路:教学方法:PPT演示讲解;示范演示;一对一指导;教学步骤:讲课与演示交叉进行,讲课与练习交叉进行,最后归纳总结;七、教学过程:一、复习旧课:(10分钟)讲评笔记和考核情况。
二、导入新课:1、设备简介:(1)交流焊机【降压变压器】如:BX1,BX2,BX3,BX4,…其中1234表示变压器形式,BX 中的B表示交流。
分为动圈式;动铁式;中心抽头式。
(2)直流焊机如::ZX1,ZX2,ZX3,ZX4…,Z表示直流。
分为发电机;硅整流;晶体管;逆变式。
X表示降特性,另外有P表示平特性。
(电渣焊)优缺点:交流焊机【低、中碳钢,不重要结构钢的焊接】缺点 1.体积大笨重搬运不方便 2.耗能,耗电 3.一般只能焊酸性焊条例如 422等 4.电流调节不方便,得使劲摇手柄 5.电网电压波动,影响焊机及其它设备工作。
直流焊机【碳钢,合金钢,有色金属,较重要的焊接】缺点:1.价格相对较高 2.维修比较复杂,一般需要专业人员维修。
2、工护具简介面罩:手持式;头盔式。
【阻燃材料】护目镜:固定式;可开式。
【有色或无色玻璃】根据滤光的深浅分气焊护目镜;电焊护目镜;潜水护目镜等。
电焊常用7#—10#护目镜。
电焊钳:规格一般分500A;300A;200A等,耐压1000V/min,连接电缆最大截面为90;50;35。
电缆:最大焊接电流(A)20030045060025507095电缆横截面积()钢丝刷;清渣锤;角尺;活动扳手等3、焊条简介:(1)焊条的组成:药皮和铁芯;(2)焊芯的作用【作为电极传导电流,产生电弧;熔化进入焊缝充当填充金属】(3)药皮的作用【机械保护,冶金处理,改善焊接工艺性能】(4)焊条的分类【常用的是按药皮中含有酸性和碱性氧化物数量进行划分。
焊接技能训练教案全册教案一、教学目标通过本次课程的学习,使学生掌握基本的焊接技能和操作方法,并且能够独立进行简单的焊接作业。
二、教学内容1.焊接的基本原理和分类2.焊接技术规范和安全操作规程3.手工电弧焊的操作方法4.气焊的操作方法5.焊接工艺流程和常见焊接缺陷的分析与处理三、教学方法1.理论授课与实践相结合2.示范教学与学生实际操作结合3.个人独立操作与小组协作操作相结合4.学生自主学习与师生互动相结合四、教学过程第一节:焊接的基本原理和分类(理论授课)1.介绍焊接的定义和作用2.介绍焊接的分类和常用的焊接方法3.进一步介绍手工电弧焊和气焊的基本原理和操作方法第二节:焊接技术规范和安全操作规程(理论授课)1.介绍焊接技术规范的重要性和作用2.详细讲解焊接操作过程中应遵守的安全操作规程和措施第三节:手工电弧焊的操作方法(示范教学)1.示范如何正确佩戴焊接防护用具2.示范如何准备工作焊接材料和工具3.示范如何正确连接焊机和电源4.示范如何进行焊接操作,包括焊接姿势、电弧点火、焊接速度控制等第四节:气焊的操作方法(示范教学)1.示范如何正确佩戴气焊防护用具2.示范如何准备工作焊接材料和工具3.示范如何正确连接气焊设备和燃气源4.示范如何进行气焊操作,包括气焊枪的使用、燃气流量控制等第五节:焊接工艺流程和常见焊接缺陷的分析与处理(理论授课)1.介绍焊接工艺流程的基本步骤和注意事项2.详细讲解常见的焊接缺陷,如焊缝气孔、夹渣等,并介绍相应的处理方法第六节:学生实际操作(个人独立操作与小组协作)1.学生根据教师的要求,选择其中一种焊接方法进行个人独立操作2.学生分组进行小组协作操作,每个小组选择一种焊接方法进行操作3.教师根据学生实际操作情况,进行指导和评价五、教学评估通过课程结束后的学生实际操作表现和理论知识掌握情况的考核来评估教学效果。
六、教学资源1.教师所需准备的教学PPT和教材2.学生所需的焊接设备和材料3.学生所需的个人防护装备和实验室设施七、教学反思在教学过程中,要特别重视实践操作环节,让学生通过亲自实际操作来巩固所学知识,加强动手能力。
焊接实训教案一、说明1、课程的性质和内容主要内容包括:常用焊接方法、常用金属材料的焊接。
2、课程的任务和要求本课程的任务是使学生掌握中级电焊工应具备的专业理论知识与操作技能、技巧。
通过本课程的学习,应达到如下要求:基本知识要求(1)焊接生产工艺过程、特点和应用;(2)手工电弧焊的设备分类、结构及组成,安全操作方法;(3)焊条的组成、作用、规格及牌号表示方法;(4)手工电弧焊的工艺参数对焊缝质量的影响:(5)常用焊接接头形式、坡口作用种类、不同空间位置的焊接特点;(6)常见焊接缺陷产生原因及防止方法;(7)气焊、气割设备的组成和作用,气焊火焰的种类和应用。
焊丝和焊剂的作用,气割过程的实质,切割条件;基本技能要求(1)了解常用焊接质量的检验方法及适用范围。
(2)掌握低碳钢结构件平焊、基本操作技能。
(3)掌握气割基本操作要领及方法。
二、教学要求、内容及建议教学要求1、掌握焊(割)安全操作规程。
2、掌握焊接接头形式、焊缝符号的标注、焊接工艺参数的选择、电源极性及应用,并理解线能量。
3、掌握焊芯和药皮的类型,药皮的作用和焊条的分类。
4、理解焊接应力与变形产生的原理,掌握预防措施及矫正变形的方法。
5、了解焊接检验的分类及常见的检验方法。
6、掌握低碳钢板件对接焊的基本操作技能。
7、掌握气割设备及工具的使用方法,掌握火焰的点燃、调节、熄灭方法及造成回火的原因。
8、掌握气割安全操作技术9、了解减压器、射吸式焊割炬的结构、型号和工作原理,并能够正确选用割炬和割嘴。
掌握氧乙炔切割基本操作技能。
教学内容课题一、安全教育1、焊接安全的重要性。
2、焊(割)安全操作规程。
3、焊接实训场地的安全要求。
课题二、模拟练习1、焊钳的正确使用。
2、焊接的基本动作、姿势和运条方法。
3、手弧焊操作准备知识。
课题三、平敷焊1、焊接电弧的概念。
2、引弧。
3、焊接接头的形式和焊缝的形式4、平敷焊技能训练。
课题四、平对接焊1、焊接工艺参数。
2、平对接技能训练。
电焊实训教案一、教学目标本实训教案旨在培养学生掌握电焊基本技能,包括焊接设备的使用、焊接材料的选择、焊接操作的技巧等方面的知识和技能。
通过实际操作,使学生能够熟练掌握电焊操作的基本要点,提高其电焊实践能力,为其今后从事相关工作打下坚实的基础。
二、教学内容1. 电焊基础知识- 电焊的定义和分类- 电焊的原理和工艺流程- 电焊设备的组成和功能- 电焊材料的种类和特点2. 电焊设备的使用- 电焊设备的操作方法和注意事项- 电焊设备的维护和保养3. 焊接材料的选择- 焊接材料的分类和特点- 焊接材料的选用原则和方法4. 焊接操作的技巧- 焊接前的准备工作- 焊接工艺参数的调整- 焊接操作的步骤和技巧- 焊接过程中的常见问题及解决方法三、教学步骤1. 理论讲解- 通过课堂讲解和多媒体展示,向学生介绍电焊的基本知识,包括定义、分类、原理、工艺流程、设备组成和功能、材料种类和特点等内容。
同时,重点讲解电焊设备的使用方法和注意事项,以及焊接材料的选择原则和方法。
2. 实操演示- 在实训场地,由教师进行电焊设备的操作演示,包括设备的开启、参数的调整、焊接操作的步骤和技巧等。
通过实际演示,让学生了解电焊操作的具体过程和注意事项。
3. 学生实践- 将学生分成小组,每个小组配备一套电焊设备和相应的焊接材料。
教师指导学生进行实际操作,包括焊接前的准备工作、焊接工艺参数的调整、焊接操作的步骤和技巧等。
教师在实践过程中及时给予学生指导和反馈。
4. 焊接实例分析- 教师选取一些典型的焊接实例,对焊接过程中的常见问题进行分析和解决。
通过实例分析,帮助学生理解焊接操作中可能出现的困难和解决方法,提高其解决问题的能力。
四、教学评估1. 实训成绩评定- 根据学生的实际操作表现和焊接成果,进行评分。
评分标准包括焊接质量、操作规范、安全意识等方面。
2. 学生自评与互评- 学生可根据自己的实践经验和感受,对自己的表现进行评价,并与同组成员进行互评。
焊接实习教案一、实习教学目标及要求1.了解焊接的基本原理和常用设备的使用方法;2.掌握常见焊接工艺的操作技巧;3.培养学生的焊接实操能力和安全意识;4.提高学生的团队合作和问题解决能力。
二、实习教学内容及方法1.实习教学内容(1)焊接基础知识:焊接的定义、分类和应用领域;(2)焊接设备与材料:电弧焊机、割炬、焊接电源、焊条材料等;(3)焊接工艺:手工电弧焊、气体保护焊、焊接接头等;(4)焊接技术要点:焊接电流、电压、焊接速度等参数的选择和调节;(5)焊接安全事项:焊接过程中的防护措施和应急处理方法。
2.实习教学方法(1)理论讲解:通过课堂讲解、PPT演示等方式,向学生介绍焊接的基本原理和常用设备的使用方法;(2)实操演练:提供实际的焊接设备和材料,让学生进行实际操作,熟悉焊接工艺和操作技巧;(3)案例分析:通过分析实际案例,引导学生理解焊接过程中可能出现的问题,并提出解决方案;(4)团队合作:组织学生分组合作进行实操演练,培养他们的协作意识和团队合作能力。
三、实习教学计划1.第一阶段:理论讲解与示范操作(2周)(1)学习焊接基础知识,并掌握焊接设备和材料的使用方法;(2)观摩示范操作,了解焊接工艺和技巧的运用;(3)学生通过模拟练习,熟悉焊接操作流程和安全操作规范。
2.第二阶段:实操演练与案例分析(3周)(1)学生进行实际焊接操作,熟练掌握手工电弧焊、气体保护焊等常用焊接工艺;(2)分析实际案例,解决焊接过程中可能出现的问题,培养学生的问题解决能力;(3)加强焊接安全意识,教育学生正确使用个人防护装备和应急处理方法。
3.第三阶段:综合实训与评估(2周)(1)组织学生参与综合实训,模拟真实焊接场景,提高他们的综合应用能力;(2)评估学生的焊接实操能力和团队合作能力,给予个人和团队表现的积极反馈;(3)总结实习教学经验,提出改进建议,完善实习教学内容和方法。
四、实习教学评估1.实习成绩评定:(1)实际操作表现(50%):包括操作技巧熟练程度、焊接质量和安全操作规范等方面的评估;(2)团队合作表现(30%):包括与他人合作的配合程度、团队沟通和协作能力等方面的评估;(3)理论知识掌握(20%):包括对焊接基本原理和常用设备的理解和掌握程度的评估。
焊接实训教案范文一、教学目标1.了解焊接的基本概念和分类;2.掌握焊接的基本操作技巧;3.培养学生的动手能力和解决问题的能力;4.提高学生的安全意识和团队合作精神。
二、教学内容1.焊接概述2.焊接设备和材料3.焊接工艺4.焊接技术实训三、教学方法1.讲授法:介绍焊接的基本概念和分类,并结合实际案例进行讲解;2.示范法:老师进行焊接技术的示范;3.实践操作:让学生亲自进行焊接实训,培养他们的动手能力;4.讨论交流:学生在实训过程中遇到问题时,进行讨论和交流;5.团队合作:分组进行实训,培养学生的团队合作精神。
四、教学流程1.焊接概述(1)介绍焊接的定义和概念;(2)讲解焊接的分类和应用领域;(3)引导学生思考焊接的重要性和存在的问题。
2.焊接设备和材料(1)介绍常见的焊接设备和其作用;(2)讲解焊接材料的选择和使用方法。
3.焊接工艺(1)介绍焊接的基本工艺流程;(2)讲解常见的焊接工艺及其特点;(3)进行示范操作,让学生了解操作步骤和注意事项。
4.焊接技术实训(1)分组进行焊接实训;(2)指导学生进行实际操作;(3)及时纠正学生的错误和不规范操作;(4)鼓励学生互相帮助,共同解决问题。
五、教学评价1.观察学生的实际操作情况,评估其焊接技术和操作规范性;2.听取学生的反馈意见,了解他们的学习情况和困难所在;3.针对学生的评价结果,及时调整教学策略和方法。
六、教学实施方案1.教学资源准备(1)焊接设备和相关材料;(2)教室或实验室;(3)教学课件和多媒体设备。
2.教学时间安排(1)理论讲解:2课时;(2)实际操作:4课时;(3)学生总结和讨论:1课时;(4)教师总结和评价:1课时。
3.教学辅助措施(1)提供焊接实操指导手册和教材;(2)合理安排实训设备和材料使用。
七、教学效果预期1.学生了解焊接的基本概念和分类;2.掌握焊接的基本操作技巧;3.培养学生的动手能力和解决问题的能力;4.提高学生的安全意识和团队合作精神。
实习教案首页一、授课科目及班级焊工实训、13焊工班二、备课时间2013-9-2三、课题时数22 四、审批时间五、课题(分课题)名称引弧、平敷焊练习六、目的与要求能够正确运用焊接设备,调节焊接电流,掌握焊道的起头、运条、连接和收尾的方法。
七、教学重点与难点能够正确运用焊接设备,调节焊接电流,掌握焊道的起头、运条、连接和收尾的方法。
八、组织形式分组实习九、教学方法讲授与演示、实操。
十、教学准备1、交流弧焊机若干台。
2、焊工工具若干。
十一、复习提问手工电弧焊优缺点课题一引弧、平敷焊操作练习【教学目的】能够正确运用焊接设备,调节焊接电流,掌握焊道的起头、运条、连接和收尾的方法。
无明显的焊接缺陷,焊后焊件上无引弧痕迹。
【重点和难点】操作姿势及弧光防护,电弧的三个基本运动方向。
【注意事项】1.操作姿势必须规范。
2.避免长时间短路,以免烧损设备。
3.注意弧光,防止灼伤眼睛。
4.焊条头的管理。
【入门指导】Ⅰ、基础知识讲解1. 平敷焊的特点平敷焊是焊件处于水平位置时,在焊件上堆敷焊道的一种操作方法。
在选定焊接工艺参数和操作方法的基础上,利用电弧电压、焊接速度,达到控制熔池温度、熔池形状来完成焊接焊缝。
平敷焊是初学者进行焊接技能训练时所必须掌握的一项基本技能,焊接技术易掌握,焊缝无烧穿、焊瘤等缺陷,易获得良好焊缝成形和焊缝质量。
2. 基本操作姿势焊接基本操作姿势有蹲姿、坐姿、站姿,如图1-6所示。
图1-6 焊接基本操作姿势焊钳与焊条的夹角如图1-7所示。
图1-7 焊钳与焊条的夹角辅助姿势焊钳的握法如图1-8所示。
面罩的握法为左手握面罩,自然上提至内护目镜框与眼平行,向脸部靠近,面罩与鼻尖距离10~20mm即可。
图1-8 焊钳的握法【演示指导】(1)引弧焊条电弧焊施焊时,使焊条引燃焊接电弧的过程,称为引弧。
常用的引弧方法有划擦法、直击法两种。
①划擦法优点:易掌握,不受焊条端部清洁情况(有无熔渣)限制。
缺点:操作不熟练时,易损伤焊件。
操作要领:类似划火柴。
先将焊条端部对准焊缝,然后将手腕扭转,使焊条在焊件表面上轻轻划擦,划的长度以20~30mm为佳,以减少对工件表面的损伤,然后将手腕扭平后迅速将焊条提起,使弧长约为所用焊条外径1.5倍,作“预热”动作(即停留片刻),其弧长不变,预热后将电弧压短至与所用焊条直径相符。
在始焊点作适量横向摆动,且在起焊处稳弧(即稍停片刻)以形成熔池后进行正常焊接,如图1-9(a)所示。
图1-9 引弧方法②直击法优点:直击法是一种理想的引弧方法。
适用于各种位置引弧,不易碰伤工件。
缺点:受焊条端部清洁情况限制,用力过猛时药皮易大块脱落,造成暂时性偏吹,操作不熟练时易粘于工件表面。
操作要领:焊条垂直于焊件,使焊条末端对准焊缝,然后将手腕下弯,使焊条轻碰焊件,引燃后,手腕放平,迅速将焊条提起,使弧长约为焊条外径1。
5倍,稍作“预热”后,压低电弧,使弧长与焊条内径相等,且焊条横向摆动,待形成熔池后向前移动,如图1-9(b)所示。
影响电弧顺利引燃的因素有:工件清洁度、焊接电流、焊条质量、焊条酸碱性、操作方法等。
(2)引弧注意事项①注意清理工件表面,以免影响引弧及焊缝质量。
②引弧前应尽量使焊条端部焊芯裸露,若不裸露可用锉刀轻锉,或轻击地面。
③焊条与焊件接触后提起时间应适当。
④引弧时,若焊条与工件出现粘连,应迅速使焊钳脱离焊条,以免烧损弧焊电源,待焊条冷却后,用手将焊条拿下。
⑤引弧前应夹持好焊条,然后使用正确操作方法进行焊接。
⑥初学引弧,要注意防止电弧光灼伤眼睛。
对刚焊完的焊件和焊条头不要用手触摸,也不要乱丢,以免烫伤和引起火灾。
运条方法焊接过程中,焊条相对焊缝所做的各种动作的总称叫运条。
在正常焊接时,焊条一般有三个基本运动相互配合,即沿焊条中心线向熔池送进、沿焊接方向移动、焊条横向摆动(平敷焊练习时焊条可不摆动),如图1-10所示。
图1-10 焊条角度与应用(1)焊条的送进沿焊条的中心线向熔池送进,主要用来维持所要求的电弧长度和向熔池添加填充金属。
焊条送进的速度应与焊条熔化速度相适应,如果焊条送进速度比焊条熔化速度慢,电弧长度会增加;反之如果焊条送进速度太快,则电弧长度迅速缩短,使焊条与焊件接触,造成短路,从而影响焊接过程的顺利进行。
长弧焊接时所得焊缝质量较差,因为电弧易左右飘移,使电弧不稳定,电弧的热量散失,焊缝熔深变浅,又曲于空气侵人易产生气孔,所以在焊接时应选用短弧。
(2)焊条纵向移动焊条沿焊接方向移动,目的是控制焊道成形,若焊条移动速度太慢,则焊道会过高、过宽,外形不整齐,如图1-11(a)所示。
焊接薄板时甚至会发生烧穿等缺陷。
若焊条移动太快则焊条和焊件熔化不均造成焊道较窄,甚至发生未焊透等缺陷,如图1-11(b)所示。
只有速度适中时才能焊成表面平整,焊波细致而均匀的焊缝,如图1-11(c)所示。
焊条沿焊接方向移动的速度由焊接电流、焊条直径、焊件厚度、装配间隙、焊缝位置以及接头型式来决定。
图1-11 焊条沿焊接方向移动(3)焊条横向摆动焊条横向摆动,主要是为了获得一定宽度的焊缝和焊道,也是对焊件输入足够的热量,排渣、排气等。
其摆动范围与焊件厚度、坡口形式、焊道层次和焊条直径有关,摆动的范围越宽,则得到的焊缝宽度也越大。
为了控制好熔池温度,使焊缝具有一定宽度和高度及良好的熔合边缘,对焊条的摆动可采用多种方法。
(4)焊条角度焊接时工件表面与焊条所形成的夹角称为焊条角度。
焊条角度的选择应根据焊接位置、工件厚度、工作环境、熔池温度等来选择,如图1-12所示。
图1-12焊条角度(5)运条时几个关键动作及作用①焊条角度掌握好焊条角度是为控制铁水与熔渣很好的分离,防止熔渣超前现象和控制一定的熔深。
立焊、横焊、仰焊时,还有防止铁水下坠的作用。
②横摆动作作用是保证两侧坡口根部与每个焊波之间相互很好的熔合及获得适量的焊缝熔深与熔宽。
③稳弧动作(电弧在某处稍加停留之意)作用是保证坡口根部很好熔合,增加熔合面积。
④直线动作保证焊缝直线敷焊,并通过变化直线速度控制每道焊缝的横截面积。
⑤焊条送进动作主要是控制弧长,添加焊缝填充金属。
(6)运条时注意事项①焊条运至焊缝两侧时应稍作停顿,并压低电弧。
②三个动作运行时要有规律,应根据焊接位置、接头形式、焊条直径与性能、焊接电流大小以及技术熟练程度等因素来掌握。
③对于碱性焊条应选用较短电弧进行操作。
④焊条在向前移动时,应达到匀速运动,不能时快时慢。
⑤运条方法的选择应在实习指导教师的指导下,根据实际情况确定。
接头技术(1)焊道的连接方式焊条电弧焊时,由于受到焊条长度的限制或操作姿势的变化,不可能一根焊条完成一条焊缝,因而出现了焊道前后两段的连接。
焊道连接一般有以下几种方式。
①后焊焊缝的起头与先焊焊缝结尾相接,如图1-12(a)所示。
②后焊焊缝的起头与先焊焊缝起头相接,如图1-12(b)所示。
③后焊焊缝的结尾与先焊焊缝结尾相接,如图1-12(c)所示。
④后焊焊缝结尾与先焊焊缝起头相接,如图1-12(d)所示。
图1-12 焊缝接头的四种情况(2)焊道连接注意事项①接头时引弧应在弧坑前10mm任何一个待焊面上进行,然后迅速移至弧坑处划圈进行正常焊。
②接头时应对前一道焊缝端部进行认真地清理工作,必要时可对接头处进行修整,这样有利于保证接头的质量。
焊缝的收尾焊接时电弧中断和焊接结束,都会产生弧坑,常出现疏松、裂纹、气孔、夹渣等现象。
为了克服弧坑缺陷,就必须采用正确的收尾方法,一般常用的收尾方法有三种。
(1)划圈收尾法焊条移至焊缝终点时,作圆圈运动,直到填满弧坑再拉断电弧。
此法适用于厚板收尾,如图1-13(a)所示。
(2)反复断弧收尾法焊条移至焊缝终点时,在弧坑处反复熄弧,引弧数次,直到填满弧坑为止。
此法一般适用于薄板和大电流焊接,不适应碱性焊条,如图1-13(b)所示。
(3)回焊收尾法焊条移至焊缝收尾处即停住,并虽改变焊条角度回焊一小段。
此法适用于碱性焊条,如图1-13(c)所示。
收尾方法的选用还应根据实际情况来确定,可单项使用,也可多项结合使用。
无论选用何种方法都必须将弧坑填满,达到无缺陷为止。
图1-13 焊缝的收尾方法操作要领手持面罩,看准引弧位置,用面罩挡着面部,将焊条端部对准引弧处,用划擦法或直击法引弧,迅速而适当地提起焊条,形成电弧。
调试电流。
(1)看飞溅电流过大时,电弧吹力大,可看到较大颗粒的铁水向熔池外飞溅,焊接时爆裂声大;电流过小时,电弧吹力小,熔渣和铁水不易分清。
(2)看焊缝成形电流过大时,熔深大,焊缝余高低,两侧易产生咬边;电流过小时,焊缝窄而高,熔深浅,且两侧与母材金属熔合不好;电流适中时焊缝两侧与母材金属熔合得很好,呈圆滑过渡。
(3)看焊条熔化状况电流过大时,当焊条熔化了大半截时,其余部分均已发红;电流过小时,电弧燃烧不稳定,焊条易粘在焊件上。
操作要求:按指导教师示范动作进行操作,教师巡查指导,主要检查焊接电流、电弧长度、运条方法等,若出现问题,及时解决,必要时再进行个别示范。
注意事项①焊接时要注意对熔池的观察,熔池的亮度反映熔池的温度,熔池的大小反映焊缝的宽窄;注意对熔渣和熔化金属的分辨。
②焊道的起头、运条、连接和收尾的方法要正确。
③正确使用焊接设备,调节焊接电流。
④焊接的起头和连接处基本平滑,元局部过高、过宽现象,收尾处无缺陷。
⑤焊波均匀,无任何焊缝缺陷。
⑥焊后焊件无引弧痕迹。
⑦训练时注意安全,焊后工件及焊条头应妥善保管或放好,以免烫伤。
⑧为了延长弧焊电源的使用寿命,调节电流时应在空载状态下进行,调节极性时应在焊接电源未闭合状态下进行。
⑨在实习场所周围应设置有灭火器材。
⑩操作时必须穿戴好工作服、脚盖和手套等防护用品。
⑾必须戴防护遮光面罩,以防电弧灼伤眼睛。
⑿弧焊电源外壳必须有良好的接地或接零,焊钳绝缘手柄必须完整无缺。
【巡回指导】:在学生进行实习时,认真做好巡视,要及时发现学生的操作不太规范的地方,并且要及时惊醒纠正,更要及时发现和排除安全隐患,以保证学生的人身安全。
对于在巡视过程中发现的好的典型,要及时的予以表扬。
【结束指导】:1、总结本次实习情况。
2、安排学生打扫卫生和检查设备及电源情况。
3、安排下次实习。
实习教案首页一、授课科目及班级焊工实训、13焊工班二、备课时间2013-9-2 、三、课题时数22 四、审批时间五、课题(分课题)名称平角焊操作练习六、目的与要求熟练掌握焊接工艺参数的选择,正确的操作手法及姿势,和对焊接电弧及金属熔滴的控制,达到比较熟练的程度。
七、教学重点与难点熟练掌握焊接工艺参数的选择,正确的操作手法及姿势,和对焊接电弧及金属熔滴的控制,达到比较熟练的程度。
八、组织形式分组实习九、教学方法讲授与演示、实操。
十、教学准备1、交流弧焊机若干台。
2、焊工工具若干。
十一、复习提问手工电弧焊优缺点课题三平角焊操作练习【教学目的】熟练掌握焊接工艺参数的选择,正确的操作手法及姿势,和对焊接电弧及金属熔滴的控制,达到比较熟练的程度。