MISUMI-常用配合的尺寸公差
- 格式:pdf
- 大小:260.11 KB
- 文档页数:1
模具零件的公差配合、形位公差及表面粗糙度要求模具零件的公差配合、形位公差及表面粗糙度要求2010-01-27 09:04:53| 分类:默认分类| 标签:|字号大中小订阅模具零件的公差配合、形位公差及表面粗糙度要求设计模具时,应根据模具零件的功能和固定方式及配合要求的不同,合理选用其公差配合、形位公差及表面粗糙度。
否则,将不仅直接影响模具的正常工作和冲压件的质量,而且也影响模具的使用寿命和制造成本。
一、模具零件的公差配合要求模具零件的公差配合分为过盈配合、过渡配合及间隙配合三种。
过盈配合用于模具工作时其零件之间没有相对运动且又不经常拆装的零件,如导柱、导套与模板的配合;过渡配合用于模具工作时其零件之间没有相对运动但需要经常拆装的零件,如压入式凸模与固定板的配合;间隙配合用于模具工作时需要相对运动的零件,如导柱与导套之间的配合等。
模具中常用零件的公差配合见下表。
二、模具零件的形公差形位公差是形状和位置公差的简称,它包括直线度、平面度、圆柱度、平行度、垂直度、同轴度、对称度及圆跳动公差等多种。
根据模具零件的技术要求,应合理选用其形位公差的种类及数值。
模具零件中常用的形位公差有平行度、垂直度、同轴度、圆柱度及圆跳动公差等,现分述如下:1、平行度公差模板、凹模板、垫板、固定板、导板、卸料板、压边圈等板类零件的两平面应有平行度要求,一般可按下表选取。
注:1.基本尺寸是指被测表面的最大长度尺寸和最大宽度尺寸。
2.滚动式导柱模架的模座平行度公差采用公差等级4级。
2.垂直度公差矩形、圆形凹模板的直角面,凸、凹模(或凸凹模)固定板安装孔的轴线与其基准面,模板上模柄(压入式模柄)安装孔的轴线与其基准面,一般均应有垂直度要求,可按下表的垂直度公差选取。
而上、下模板的导柱、导套安装孔的轴线与其基准面的垂直度公差,应按如下规定:安装滑动式导柱、导套时取为0.01:100;安装滚动式导柱、导套时取为0.005:100。
>25~40>40~63>63~100>100~160>160~250>250~400公差等级5公差值0.0100.0120.0150.0200.0250.030注:1.基本尺寸是指被测零件的短边长度。
公差配合的一般常识公差配合的一般常识作为一名优秀的维修钳工必须要懂得公差与配合的基本知识,一个钳工的水平到底怎么样,不是看你做得快不快,而是看你做得精不精,精就体现在控制公差与配合上。
1、公差公差是指允许工件尺寸、几何形状和相互位置变动的范围,用以限制加工误差。
它是由设计人员给定的,不能为零,是绝对值。
它反映对制造精度的要求,体现加工的难易程度。
成批大量生产要求零、部件有互换性,而制造又必然存在误差,因此,只有将公差控制在一定的范围内才有可能实现互换性生产。
所以我们在设计中标注公差时,一定要使所标注的公差能保证零件的互换性。
规定公差值T的大小顺序应为:T尺寸>T位置>T形状>Ra(Rz)其中Ra (Rz)——表面粗糙度参数。
公差与配合在机械制造中使用得最广泛的是孔与轴的结合。
为了经济地满足使用要求,应该对尺寸公差与配合进行标准化。
公差与配合的标准化不仅可以防止产品尺寸设计中的混乱现象,有利于工艺过程的经济性及产品的使用与维护,而且还可实现刀具和量具的标准化。
公差与配合标准已成为机械工业中应用最广、涉及面最大的一个极为重要的基础标准。
孔主要指圆柱形的内表面,也包括其他内表面中由单一尺寸确定的部分。
轴主要指圆柱形的外表面,也包括其他外表面中由单一尺寸确定的部分。
从装配关系讲,孔是包容面,在它之内无材料,称为内表面;轴是被包容面,在它之外无材料,称为外表面。
尺寸:用特定单位表示长度值的数字。
在机械制造中一般用mm作为特定单位。
基本尺寸设计给定的尺寸。
孔的基本尺寸以D表示,轴的基本尺寸以d表示。
基本尺寸是在设计中通过运动、强度、刚度、结构等条件计算并经标准化了的尺寸。
它是精度设计的起始尺寸,只表示尺寸的基本大小,并不一定是在实际加工中要求得到的尺寸。
实际尺寸:通过测量得到的尺寸。
孔的实际尺寸以Da表示,轴的实际尺寸以da表示。
由于存在测量器具、方式、人员和环境等因素造成的测量误差,所以实际尺寸并非尺寸的真值。
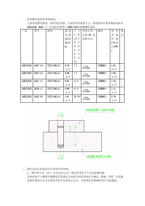
misumi模具设计资料标准第1章定模尺⼨的决定⽅法之1例:α=0.005其次,选择需要决定的成型产品的尺⼨。
(尺⼨公差为±公差时)例:22±0.05然后,利⽤【公式1】来计算定模的尺⼨。
L0=(1+α)×L ……【公式1】L0 :定模尺⼨(mm)L :成型产品尺⼨(mm)α:成型收缩率例:L0=(1+α)×L=(1+0.005)×22=1.005×22=22.11定模尺⼨理论上的⽬标值为22.11mm。
再次,考虑机械加⼯⼯艺及试模后对模具修整等因素,可再对计算尺⼨22.11mm略作调整。
使⽤现今的机械设备机加⼯,当然可以加⼯宽度为22.11mm的模具零件,但是加⼯尺⼨要求精确到0.01mm时,加⼯成本会增⾼。
因此,尽可能将0.01mm的尾数圆整为偶数。
将22.11修正为22.10或22.12作为精加⼯后尺⼨。
如必须精密加⼯时,就取加⼯尺⼨为22.11也⽆妨。
最后,分别对定模和动模的计算尺⼨再作⼀次调整。
对于定模,可以略微加⼯⼩些,便于以后对模具进⾏修整。
此时,将22.10修正为22.08或将22.12修正为22.08。
对于动模,略微加⼯⼤些。
此时,将22.10修正为22.12或将22.12修正为22.14。
如根据经验能判断出模具不需进⾏修整时,则不需作上述调整。
1第2章定模尺⼨的决定⽅法之2应⽤范例1:成型产品的尺⼨公差为单边正公差时(⾮±公差时)以成型产品尺⼨为22来举例说明。
失败范例:L0 =(1+α)×L=(1+0.005)×22=1.005×22=22.11按照上述计算结果制成定模时,成型产品尺⼨误差波动的概率,认为是正、负⽅向分布相同,因此,收缩⽐预算值⼤时,⼀部分产品的尺⼨值就可能超出负公差。
因此,针对此类单边公差,可按公差范围的中间值来计算收缩。
合格范例:L0 =(1+α)×L=(1+0.005)×(22+(0.2/2))=1.005×22.1=22.21应⽤范例2: 成型产品的尺⼨公差为单边负公差时(⾮±公差时)以成型产品尺⼨为22来举例说明。
常用公差与配合常用公差及配合一.极限与配合二.形状和位置公差三.零件公差的设置四.尺寸链一. 极限与配合.1.术语与定义1.1偏差1.1.1 零线---在极限与配合图解中,表示基本尺寸的一条直线.以其为基准确定偏差和公差;1.1.2 偏差---某一尺寸(实际尺寸,极限尺寸等)减其基本尺寸所得的代数差;1.1.3 极限偏差---上偏差和下偏差;a. 上偏差---最大极限尺寸减其基本尺寸所得代数差;b. 下偏差---最小极限尺寸减其基本尺寸所得代数差.1.1.4 基本偏差---确定公差带相对零线位置的那个极限偏差,它可以是上偏差或下偏差,一般为靠近零线的那个偏差.( 图一)1.2 公差1.2.1 尺寸公差---最大极限尺寸减最小极限尺寸之差,或上偏差减去下偏差之差.公差是尺寸允许的变动量,是一个没有符号的绝对值.1.2.2 标准公差---极限与配合制中,所规定的任一公差. ”IT”为”国际公差”的符号.1.2.3 标准公差等级---极限与配合制中,同一公差等级对所有基本尺寸的一组公差被认为具有同等精确程度,例: IT 71.2.4 公差带---在公差带图解中,由代表上偏差和下偏差或最大极限尺寸和最小极限尺寸的两条直线所限定的一个区域,由公差大小和其相对零线的位置来确定.1.3 配合1.3.1 间隙---孔的尺寸减去相配合的轴的尺寸之差为正.a. 最小间隙---在间隙配合中,孔的最小极限尺寸减轴的最大极限尺寸之差.b. 最大间隙---在间隙配合或过度配合中孔的最大极限尺寸减轴的最小极限尺寸之差.1.3.2 过盈---孔的尺寸减去相配合的轴的尺寸之差为负.a. 最小过盈---在过盈配合中,孔的最大极限尺寸减轴的最小极限尺寸之差b. 最大过盈---在过盈配合或过度配合中,孔的最小极限尺寸减轴的最大极限尺寸之差1.3.3 配合---基本尺寸相同的,相互结合的孔和轴公差带之间的关系.a. 间隙配合---具有间隙(包括最小间隙等于零)的配合.b. 过盈配合---具有过盈(包括最小过盈等于零)的配合.c. 过渡配合---可能具有间隙或过盈的配合.1.4 极限尺寸判断原则1.4.1 最大实体极限---对应于孔或轴最大实体尺寸的那个极限尺寸,即轴的最大极限尺寸孔的最小极限尺寸.最大实体尺寸是孔或轴具有的允许的材料量为最多时状态下的极限尺寸.1.4.2 最小实体极限---对应于孔或轴最小实体尺寸的那个极限尺寸,即轴的最小极限尺寸孔的最大极限尺寸.最小实体尺寸是孔或轴具有的允许的材料量为最少时状态下的极限尺寸.( 图二)( 图 三 )( 图 四 )( 图 五 )2.基本规定 2.1 表示2.1.1 公差带的表示---公差带用基本偏差的字母和公差等级的数字表示.例如:H7 ,h8.2.1.2 注公差尺寸的表示:注公差的尺寸用基本尺寸后跟所要求的公差带或(和)对应的偏差值表示.例如: ψ35 H7 35+0.25ψ35 h8 45-0.152.1.3 配合的表示---配合用相同的基本尺寸后跟孔,轴公差带表示.孔或轴用分数形式表示ψ35 H7/g6. 2.2 注公差尺寸的解释.2.2.1 公差标准按GB/T4249的工件.a. 线性尺寸公差---线性尺寸公差仅控制要素的局部实际尺寸(两点法测量),不控制要素本身的形状误差(如圆柱要素的圆度和轴线直线度误差或平行平面要素的平面度误差).尺寸公差也不能控制单一要素的几何0 0相关要素.b. 包容要求---结合零件具有配合功能的单一要素,不论是圆柱表面还是两平行表面,图样上应在其尺寸极限偏差或公差带代号之后加注符号”○E”,这表明尺寸和形状彼此相关,并且不能超越以工件最大实体尺寸形成的理想包容面.2.2.2 公差际注不按GB/T 4249的工件.a.对孔---与实际孔表面内接的最大理想圆柱体直径应不小于孔的最大实体极限,孔上任何位置的最大直径应不超出孔的最小实体极限;b.对轴---与实际轴表面外接的最小理想圆柱体直径应不大于轴的最大实体极限,轴上任何位置的最小直径应不小于轴的最小实体极限.即如果工件处处位于最大实体极限,则该工件将具有理想的圆和直线,即理想圆柱.除另有规定外,在上述要求的条件下,理想圆柱误差可达到给定的直径公差的全值.3 标准公差与基本偏差.3.1 标准公差值与基本尺寸是按基本尺寸段计算的,为减少公差数目,统一标准公差值进行了尺寸分段.对于每一个尺寸段中不同的基本尺寸,同一公差等级的标准公差值都相等.3.2 标准公差国标上规定基本尺寸到500mm内规定共20个标准公差等级.基本尺寸大于500~3150内规定共18个标准公差等级.3.3 基本偏差轴的基本偏差和孔的基本偏差.轴的基本偏差---一般是最靠近零线的那个极限偏差.4. 公差带和配合的选择4.1 规定和标准化公差带和配合,可优化力量品种及规格.4.2 线性尺寸线性尺寸的一般公差系指在一般加工条件下可保证的公差,采用一般公差的尺寸,尺寸后不注出极限偏差.二, 形状及位置公差.1.形位公差分类和项目分类项目符号有无基准要求形状形状直线度无平面度无圆度○无圆柱度|○|无形状或位置轮廓线轮廓度有或无面轮廓度○有或无位置定向平行度||有垂直度┴有倾斜度∠有定位位置度有或无同轴(同心)度有对称度有跳动圆跳动有全跳动有2.形位公差的术语与定义.2.1 要素2.1.1 要素---构成零件几何特征的点﹑线﹑面.2.1.2 理想要素---具有几何意义的要素.实际要素---零件上实际存在的要素.基准要素---用来确定被测要素方向或(和)位置的要素.被测要素---给出了形状或(和)位置公差的要素.分为单一要素和关联要素.单一要素---仅对其本身给出形状公差要求的要素,即一个点,一个圆柱面,一个平面,轴线和中心平面等.关联要素---对其它要素有功能关系的要素.轮廓要素---组成轮廓的点﹑线﹑面.中心要素---与要素有对称关系的点﹑线﹑面.如轴线,中心线,中心平面和中心点等.2.2 形位公差2.2.1 形状公差---单一实际要素的形状所允许的变动全量(有基准要求的轮廓度除外)形状公差是图样上给定的,如测得零件实际形状误差小于形状公差值,则零件的形状合格.2.2.2 位置公差---关联实际要素的位置对基准所允许的变动全量.位置公差是图样上给定的,如测得零件实际位置误差小于位置公差值,则零件的位置合格.2.2.3 零形位公差---被测要素采用最大实体要求或最小实体要求时,其给出的形位公差值为零.2.2.4 定向公差---关联实际要素对基准在方向上允许的变动全量. 2.2.5 定位公差---关联实际要素对基准在位置上允许的变动全量.2.2.6 跳动公差---关联实际要素绕基准轴线回转一周或连续回转时所允许的最大跳动量.3. 公差带定义 3.1 形状公差给定平面直线度 给定方向任意方向平面度 圆度圆柱度无基准要求的线轮廓度无基准要求的面轮廓度3.1.1 直线度3.1.1.1 给定平面的直线度( 图 六 )公差带是距离为公差值t(0,1)的两行直线之间的区域輪形狀( 图七)被测表面的素线必须位于平行于图样所示投影面且距离为公差值为0.1的两平行直线内.3.1.1.2 给定方向的直线度( 图八)公差带是距离为公差值t的两平行平面之间的区域.( 图九)被测圆柱面的任一素线必须位于距离为公差值0.02的两平行平面之内3.1.1.3 任意方向的直线度( 图十)在公差值前加注Ø,公差带是直径为t的圆柱面内的区域,( 图十一)Ød圆柱体的轴线必须位于直径为公差值0.04的圆柱面内.3.1.2 平面度( 图十二)公差带是距离为公差值t的两平行平面之间的区域,( 图十三)上表面必须位于距离为公差值0.1的两平行平面内.表面上任意100×100的范围,必须位于距离为公差值0.1的两平行平面内.3.1.3 圆度( 图十四)公差带是在同一正截面上半径差为公差值t的两同心圆之间的区域.( 图十五)在垂直于轴线的任一正截面上,该圆必须位于半径差为公差值0.02的两同心圆之间.3.1.4圆柱度( 图十六)公差带是半径差为公差值t的两同轴圆柱面之间的区域.( 图十七)圆柱面必须位于半径差为公差值0.05的两同轴的圆柱面之间.3.1.5 轮廓度( 图十八)公差带是包络一系列直径为公差值t的圆的两包络线之间的区域,诸圆圆心应位于理想的轮廓上,注:当被测轮廓线相对基准有位置要求时,其理想轮廓线系指相对于基准为理想位置的理想轮廓线.有基准要求的线轮廓度属位置公差.( 图十九)在平行于正投影面的任一截面上,实际轮廓线必须位于包络一系列直径为公差值0.04,且圆心在理论正确几何形状的在线的圆的两包络线之间.3.2 位置公差有基准要求的线轮廓度有基准要求的面轮廓度一个方面线对线相互垂直的两个方面线对面任意方面面对线面对面线对线一个方向輪廓平行定向垂直线对面 相互垂直的两个方向面对线 任意方向 面对面 线对线 线对面 面对线 面对面点的同心度轴线的同轴度 线对线 线对面面对线 面对面给定平面 任意方向 一个方向线的位置度 相互垂直的两个方向 任意方向 平面或中心平面的位置度复合位置度径向跳动 端面圆跳动 斜向圆跳动斜向(给定角度的)圆跳动径向全跳动 端向全跳动3.2.1 平行度3.2.1.1 ○a 线对线平行度公差(一个方向) 位 置 公 差( 图二十)公差带是距离为公差值t且平行于基线,位于给定方向上的两平行平面之间的区域.( 图二十一)ØD的轴线必须位于距离为公差值0.1,且在垂直方向平行于基准轴线的两平行平面之间.○b线对线平行度公差(相互垂直两个方向)( 图二十二)公差带是两对相互垂直的距离分别为t1和t2,且平行于基线的两平行平面之间的区域.( 图二十三)被测轴线必须位于距离分别为公差值0.2和0.1的在给定的互相垂直方向上,且平行于基准轴线的两组平行平面之间.○c任意方向( 图二十四)在公差值前加注Ø,公差带是直径为公差值t,且平行于基准直线(或轴线)的圆柱面内的区域.( 图二十五)被测轴线必须位于直径为公差值0.1,且平行于基准轴线的圆柱面内.注意:尺寸位置,平行度的标准是不同的.3.2.1.2 线对面平行度公差.( 图二十六)公差带是距离为公差值t,且平行于基准平面的两平行平面之间的区域.( 图二十七)孔的轴线必须位于距离为公差值0.03,且平行于基准平面的两平行平面之间.3.2.1.3 面对线平行度公差:( 图二十八)公差带是距离为公差值t,且平行于基线的两平行平面之间的区域.( 图二十九)被测表面必须位于距离为公差值0.05,且平行于基准轴线的两平行平面之间3.2.1.4 面对面平行度公差( 图三十)公差带是距离为公差值t,且平行于基准面的两平行平面之间的区域.( 图三十一)被测表面必须位于距离为公差值0.05,且平行于基准平面的两平行平面之间.注意:基准○A的标准及位置.3.2.2 垂直度3.2.2.1 线对线垂直度公差( 图三十二)公差带是距离为公差值t,且垂直于基线的两平行平面之间的区域.( 图三十三)被测轴线必须位于距离为公差值0.05,且与基线垂直的两平行平面之间.3.2.2.2 线对面垂直度公差.○a一个方向.( 图三十四)在给定方向上,公差带是距离为公差值t,且垂直于基准面的两平行平面之间的区域.( 图三十五)Ød 的轴线必须在给定的投影方向上,位于距离为公差值0.1,且垂直于基准平面的两平行平面之间.○b相互垂直的两个方向( 图三十六)公差带是分别垂直于给定方向的距离分别为t 1和t 2,且垂直于基准面的两平行平面之间的区域.( 图三十七)Ød轴线必须位于分别垂直于给定方向的距离分别为公差值0.1和0.2的互相垂直,且垂直于基准平面的两对平行平面之间.○c任意方向( 图三十八)公差值前加注Ø,公差带是直径为公差值t,且垂直于基准面的圆柱面内的区域.( 图三十九)Ød 的轴线必须位于直径为公差值0.05,且垂直于基准平面的圆柱面内.注意:尺寸的位置及标准.3.2.2.3 面对线垂直度公差( 图四十)公差带是距离为公差值t,且垂直于基线的两平行平面之间的区域.( 图四十一)被测面必须位于距离为公差值0.05,且垂直于基准轴线的两平行平面之间.3.2.2.4 面对面垂直度公差( 图四十二)公差带是距离为公差值t,且垂直于基准面的两平行平面之间的区域.( 图四十三)表面必须位于距离为公差值0.05,且垂直于基准平面的两平行平面之间.3.2.3 同轴度3.2.3.1 点的同心度公差( 图四十四)公差带是直径为公差值Øt,且于基准圆心同心的圆内的区域.( 图四十五)Ød的圆心必须位于直径为公差值0.2,且于基准圆心同心的圆内.3.2.3.2 轴线的同轴度公差( 图四十六)公差带是公差值Øt的圆柱面内的区域,该圆柱面的轴线与基准轴线同轴基準( 图四十七)Ød的轴线必须位于直径为公差值0.1,且与基线同轴的圆柱面内.3.2.4 对称度( 图四十八)公差带是距离为公差t,且相对基准中心平面(或中心线,轴线)对称配置的两平行平面(或直线)之间区域.( 图四十九)图示ØD的轴线必须位于距离为公差值0.1,且相对公共基准中心平面A-B对称配置的两平行平面之间.3.2.5 圆跳动公差3.2.5.1 径向圆跳动.( 图五十)公差带是在垂直于基准轴线的任一测量平面内,半径差为公差值t,且圆心在基准轴在线的两个同心圆之间的区域.( 图五十一)Ød圆柱面绕基准轴线作无轴向移动回转时,在任一测量平面内的径向跳动量均不得大于公差值0.05.3.2.5.2 端面圆跳动公差( 图五十二)公差带是在与基准轴线同轴的任一半径位置的测量圆柱面上沿母线方向距离为t的两圆之间的区域.( 图五十三)当被测件绕基准轴线无轴向移动旋转一周时,在被测面上任一测量直径处的轴向跳动量均不得大于公差值0.05.3.2.6 全跳动3.2.6.1 径向全跳动公差( 图五十四)公差带是半径差为公差值t,且与基线同轴的两圆柱面之间的区域.( 图五十五)Ød表面绕基准轴线作无轴向移动地连续回转,同时,指示计作平行于基准轴线方向的直线移动,在Ød整个表面上的跳动量不得大于公差值0.2.3.2.6.2 端面全跳动( 图五十六)公差带是距离为公差值t,且与基准轴线垂直的两平行平面之间的区域.( 图五十七)端面绕基准轴线作无轴向移动地连续回转,同时,指示计作垂直于基准轴线方向的直线移动,此时,在整个端面上的跳动量不得大于0.05.4.形位公差的标注4.1 形位公差标注的原则4.1.1 对形位公差有特殊要求时,应在图样中按规定标注,下列情况时图样上可不标注形位公差.a. 由尺寸公差直接控制的项目,如公差值允许在尺寸公差值范围内时可不标注,例如圆度公差;b. 一般设备所能控制的形位误差可以满足设计要求时,在图样上可不标注,由未注形位公差控制;c. 对于标准件,其形位公差已有相应标准时,只需注出相应的标准代号.4.1.2 图样中形位公差一般采用框格代号标准,在下列无法采用框格代号标注的情况时,才允许在图样中用文字说明.a. 由于要求特殊,为现有形位公差所不能概括时;b. 采用框格代号确实复杂,还不如用文字说明时.c. 在用文字叙述的技术文件中,在说明形位公差的要求时,可采用文字说明,但要求内容完整,用词严谨.4.1.3 图样中给定的形位公差,仅表达对要素完工时的要求,应根据零件功能来确定.一般不限制工艺和检测方法.如需指定制造或检测方法,则应另加说明.4.2 基准符号的标注方法.4.2.1 基准符号由基准字母,圆圈,短粗线和联机组成.圆圈内填写大写拉丁字母,,为了避免误解,不得要用E,I,J,M,O,P,L,R,F.字母高度应与图样中字体相同.( 图五十八)无论基准符号在图样中的方向如何,圆圈内的字母都应水平书写.4.2.2 基准部位必须画出基准符号,并在公差框格中注出基准字母,由两个或以上要素组成的基准体系,基准字母按公差框格不能直接与基准相连.( 图五十九)4.2.3 基准目标的指引线必要时允许曲折一次.( 图六十)4.3 被测要素的标准方法4.3.1 当被测要素为轮廓线或表面时,指引线的箭头应指在该要素的轮廓线或共引出线上,并应明显地与尺寸线错开.( 图六十一)注:指引线的箭头不得与尺寸线对齐,应与尺寸线至少错开4mm.4.3.2 当被测要素为实际表面时,指引线的箭头可置于带点的参考在线,该点指在实际表面上.( 图六十二)注:不可漏标圆点.4.3.3 当被测要素为轴线,球心或中心平面时,指引一的箭头应与该要素的尺寸线对齐.注: a.当箭头与尺寸线的箭头重迭时,可代替尺寸线的箭头;b.若中心要素尺寸线于图样中其它处出现过,则指示箭头可与该要素的空白尺寸线对齐.( 图六十三)c.指引线的箭头不能直接指向中心线;( 图六十四)d.当被测要素为圆锥体的轴线时,指引线的箭头应与圆锥体的直径尺寸线(大端或小端)对齐;e.如直径尺寸不能明显地区别是圆锥体与圆柱体时,则应在圆锥体内画出空白的尺寸线.并将指引线的箭头与该空白的尺寸线对齐;( 图六十五)f.如圆锥体采用角度尺寸标注,则指引线的箭头应对着角度尺寸线画出.( 图六十六)4.4 基准要素的标注方法.4.4.1 当基准要素为轮廓线或表面时,基准符号应置于该要素的轮廓线或其引出线标注,并应明显地与尺寸线错开.( 图六十七)( 图六十八)a. 对于轮廓要素,基准应与尺寸线至少错开4mm.b. 基准符号的短线不能直接与公差框格相连.4.4.2 基准符号可置于用圆点指向实际表面的参考在线.( 图六十九)注:不可漏标圆点.4.4.3 当基准要素是轴线或中心平面或由带尺寸的要素确定的点时,基准符号的联机应与该要素的尺寸线对齐.( 图七十)( 图七十一)注: a.当基准符号与尺寸线的箭头重迭时,可代替尺寸线的箭头.b.基准符号不能直接标在中心线.4.4.4 由两个要素组成的公共基准,在公差框格的第三格内填写与基准字母相同的两字母,字母之间用短横线隔开.( 图七十二)注:凡由两个或两个以上的要素构成一独立基准号,都称为公共基准,例如公共轴线,公共平面,公共对称平面等.4.4.5 当基准采用三基准体系中两个或三个基准平面时,应在公差框格中自第三格开始,按基准的优先序从左到右每格内顺序写相应的基准字母.( 图七十三)注: a.第一基准---最大或最主要的表面(定位时应有三点接触)b. 第二基准---次大或次要表面(定位时应有二点接触).4.4.6 当基准要素为中心孔时,基准符号可标注在中心孔引出线的下方.( 图七十四)注:当中心孔用代号标注时,则基准符号与中心孔代号一起标注.当中心孔用局部放大图直接绘出时,则基准符号标注在角度尺寸在线.( 图七十五)4.4.7 当基准要素为圆锥体轴线时,基准符号的联机与圆锥体端(或小端)直径尺寸线对齐.( 图七十六)注○1如直径尺寸不能明显地区别圆锥与圆柱体时,则在圆锥体内画出空白尺寸线,并将基准符号与该空白尺寸线对齐;( 图七十七)○2如圆锥体采用角度尺寸标注,则基准符号应对着该角度尺寸线画出;( 图七十八)○3基准符号的联机必须与基准要素垂直.三.零件公差的设置.1.标准零件:弹簧,齿轮,轴承.螺丝等.2.胶件零件( 参考附页一TTA标准)3.橡胶零件( 参考附页二TTA标准)4.五金零件( 参考附页三TTA标准)四.尺寸链.1.尺寸链的基本术语○1尺寸链---零件加工或机器装配过程中,由相互连接的尺寸形成封闭的尺寸组,称为尺寸链;○2环---列入尺寸链中的每一个尺寸称为环;○3封闭环---尺寸链中在加工过程或装配过程最后自然形成的一环;○4组成环---在尺寸链中对封闭环有影响的全部环;○a增环---在尺寸链的组成环中,由于该环的变动而引起封闭环的同向变动;○b减环---在尺寸链的组成环中,由于该环的变动而引起封闭环的反向变动;○c补偿环---在尺寸链中预先选定的某一组成环,可以改变其大小或位置,使封闭环达到规定要求,该组成环称为补偿环;○5传递系数---表示各组成环对封闭环影响大小的系数,传递系数值等于组成环在封闭环上引起的变动量对该组成环本身动量之比. 2. 尺寸链的计算方法. 2.1 尺寸,公差和计算参数. 序号 代号 名称 说明1 L 基本尺寸2 L max 最大极限尺寸3 L min 最小极限尺寸4 ES 上偏差5 EI 下偏差6 χ实际偏差 7 T 公差8 △ 中间偏差 上偏差与下偏差的平均值 9 χ 平均偏差 实际偏差的平均值 10 ψ(x) 概率密度函数 11 m 组成环环数12 ξ 传递系数 各组成环对封闭环影响大小的系数 13 k 相对分布系数表征尺寸分布分散性的系数,正态分布时k=114e相对不对称系数表征分布曲线不对称程度的系数.e= 15 Tav 平均公差 全部组成环取相同公差值时的组成环公差 16 TL 极值公差 按全部组成环公差算术相加计算的封闭环或组成环公差17 TS 统计公差 按各组成环和封闭环统计特征计算的封闭环或组成环公差18 TQ 平方公差 按全部组成环公差平方和计算的封闭环或组成环公差19TE当量公差按各组成环具有相同统计特性计算的封闭环或组成环公差2.2 尺寸链的计算公式2.2.1 封闭环基本尺寸L0= Σεi L i( 下角标”o”表示封闭环;”i”表示组成环及其序号 ) 2.2.2 封闭环中间偏差.△0= Σεi (△i +e i )当ei=0时, △0= Σεi △Iχ-T/m i=m i=Ti2 m i=2.2.3 封闭环极限偏差ES o = △o + 1/2T oEI o= △o + 1/2T o2..2.4 封闭环极限尺寸L omax= L0 + ES0L omix= L0 + EI02.2.5 组成环极限偏差ES i= △I + 1/2T iEI i= △I + 1/2T i2.2.6 组成环极限尺寸L imax= L+ ES iL imin=L i + EIi2.2.7 封闭环公差2.2.7.1 极值公差在给定各组成环公差的情况下,按此计算的封闭环公差T oL,共公差值最大. 2.2.7.2 统计公差当K0=K i=1时,得平方公差.在给定各组成环公差的情况下,按此计算的封闭平方公差T OQ,其公差值最小, 使K0=1,K i=K时,得当量公差.它是统计公差T os的近似值T OC>T OS>T OQ2.2.8 组成环平均公差2.2.8.1 极值公差对于直线尺寸链|εi | =1,则在给定封闭环公差的情况下,按上计算的组成环平均公差T avL,其公差值最小.2.2.8.2 统计公差当K0=K1=1时,得组成环平均平方公差.直线尺寸链|εi | =1,则在给定封闭环公差的情况下,按此计算的组成环平均平方公差T AVQ,其公差值最大. 使K0=1,K i=K时,得组成环平均当量公差.直线尺寸链|εi | =1则它是统计公差T avs的近似值T avc<T avs<T avQ2.3 尺寸举例。