质量管理体系内部审核检查表-品质保证部
- 格式:doc
- 大小:40.00 KB
- 文档页数:4
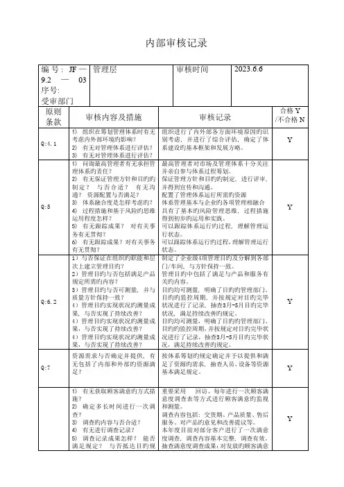
GJB9001C-2017质量管理体系完整检查内容的内部审核检查表【含完整检查内容】文件受控号:WG9.2-2 受审核部门:领导层审核员:审核日期:2019.12.18
2019年GJB9001C-2017质量管理体系内部审核检查表
受审核部门:技审核日期: 文件受控号:WG9.2-2 术开发部审核员:2019.04.11
2019年GJB9001C-2017质量管理体系内部审核检查表
受审核部门:生审核日期: 文件受控号:WG9.2-2 产部审核员:2019.04.11
2019年GJB9001C-2017质量管理体系内部审核检查表
受审核部门:质审核日期: 文件受控号:WG9.2-2 量部审核员:2019.04.11
2019年GJB9001C-2017质量管理体系内部审核检查表
审核日期:
文件受控号:WG9.2-2
员:
2019.04.11
受审核部门:办公室(含 采购、仓库)审核。
16949质量管理体系内部审核检查表ISO/TS16949质量管理体系内部审核检查表过程名称过程属性过程责任部门或人员审核员审核时间顾客要求的评审过程 COP1 市场部文件审核内容审查结果审查结果是否对下述有关支持性过程过程特性的问题加以澄清,是否是否是否已确定过程的所有人, 做什么,是否已对过程加以定义,谁做,过程是否已文件化, 用哪些指标衡量,是否已对过程的接口加以定义, 在哪里做,过程是否监控,主要过订单准时交付率100%程指标记录是否保存, 现场审核内容及结果结论输入输出审核要点及内容客观证据评价1.列出客户清单(相关特殊要求)收集顾客的特殊要求是否被评审?2。
整理合同,列出清单,这些合同和定单是否被评审?顾客需求、评审结果、产品信息、评审后的合询价单、 3.口头订单、传真是否登同、生产能力、记并评审,制造可行性库存4.重大、特殊客户订单是否经过相应部门的评审(是否制造可行性评审),是否对每年的合同进行评审?结论评价:OK—符合 NR———需要跟踪检查 OFI——有改进机会 NC——不符合ISO/TS16949质量管理体系内部审核检查表过程名称过程属性过程责任部门或人员审核员审核时间顾客要求的评审过程 COP1 市场部文件审核内容审查结果审查结果是否对下述有关支持性过程过程特性的问题加以澄清, 是否是否是否已确定过程的所有人, 做什么,是否已对过程加以定义,谁做,过程是否已文件化,用哪些指标衡量,是否已对过程的接口加以定义,在哪里做,过程是否监控,主要过订单准时交付率100% 程指标记录是否保存,现场审核内容及结果结论输入输出审核要点及内容客观证据评价5。
顾客和企业内部对合同和订单的修改和变理是否有,这些修订是否被评审,6。
顾客的订单接收后是否被传递和实施?顾客需求、评审结果、产品信息、评审后的合询价单、同、生产能力、制造可行性库存结论评价:OK—符合 NR-——需要跟踪检查 OFI——有改进机会 NC—-不符合ISO/TS16949质量管理体系内部审核检查表过程名称过程属性过程责任部门或人员审核员审核时间过程设计和开发过程 COP2 技术部文件审核内容审查结果审查结果是否对下述有关支持性过程过程特性的问题加以澄清,是否是否是否已确定过程的所有人,做什么,是否已对过程加以定义,谁做,过程是否已文件化,用哪些指标衡量,是否已对过程的接口加以定义,在哪里做,过程是否监控, 主要过样品开发完成率?90% 程指标记录是否保存,现场审核内容及结果结论输入输出审核要点及内容客观证据评价1。
内审检查表JL-031审核员:受审核部门:品质部共3页第1页项目部及现场时间 2017年12月26日审核内容、方法记录评价组织质量管理体系文件的编写和组织质量管理体系活动;公司文件的管理;公 QE5.3 S4.4.1部司的记录的管理;环境因素及危险源的识别与评价、法律法规的收集及评价、工门的职责、权限是作环境的管理,数据分析的的归口管理;纠正和预防措施工作的管理、相关的运否明确行控制等。
Q6.2 部门的目标、指标文件收发的准确率达到100%。
对2017年目标完成情况进行了考核,已完成和方案的建立、考核是否明确、合理公司能从消耗性和污染型两类进行环境因素和危险源识别,查“环境因素和评价Q6.1.2 S4.3.1环清单”和“危险源辨识和风险评价清单”,能从办公活动和物业管理服务过程活动境因素危险源的识进行辨识,主要有水电消耗、中央空调、保洁设备运行等噪声排放;保洁推尘的别与评价排放;消杀剂的使用;保卫服务人员人身伤害、车辆违章驾驶、电磁辐射、电梯维修等。
符合物业服务特点和公司目前管理现状。
查“法律法规和其他要求”,其格式为序号、法律规范和其要求名称、适用条款、颁布文号/标志号、实施日期、列入清单日期、更新途径、更新频次、更新责任人、 E6.1.3 6.1.4 合规情况及存在问题等。
S4.3.2 登记的法律法规主要法规有:中华人民共和国环境保护法、中华人民共和国消防法、中华人民共和国节约能源法、中华人民共和国劳动法、中华人民共和国物权法律法规及其他相法、北京市环境噪声污染防治办法、企业事业单位内部治安保卫条例、关于埃博关要求的识别与管拉疫情防控工作的通知等。
能够覆盖国家、地方及行业相关的法律法规及其他要理求,符合标准规定。
组织在《目标、指标和管理方案管理程序》中规定了对组织的目标指标进行策划,以加强目标指标的管理。
组织在考虑了法律法规和其他要求,自身的重要环境因素以及重大危险源,可选的技术方案,财务、运行和经营要求,以及相关方的观点后,在内部有关职能和层次,建立、实施并保持形成文件的环境目标和指标。
品质管理部内审检查表
品质管理部内审检查表
部门名称:品质管理部
检查对象:品质管理部的质量管理体系
日期:____年____月____日
检查人:____
序号 | 检查内容 | 检查项 | 是否符合要求 | 需要整改的问
题 |
---|---|---|---|---|
1 |质量目标和计划的审查 |1.1质量目标的设定和考核;
1.2年度计划的编制和执行 | | |
2 |内部质量管理规定的执行 |2.1 内部质量管理规定的建立;
2.2内部质量管理程序的执行 | | |
3 |检验测试和检测的执行 |3.1 检验测试和检测的执行是否符
合标准; 3.2 缺陷和不合格率统计与分析 | | |
4 |供应商质量管理 |4.1 供应商的评价和选择; 4.2供应
商的质量管理 | | |
5 |客户投诉处理 |5.1客户投诉的登记和分析; 5.2投诉处
理的追踪和反馈 | | |
1。
内审检查表JL-031审核员:受审核部门:品质部共3页第1页项目部及现场时间2017年12月26日审核内容、方法记录评价QE5.3 S4.4.1部门的职责、权限是否明确组织质量管理体系文件的编写和组织质量管理体系活动;公司文件的管理;公司的记录的管理;环境因素及危险源的识别与评价、法律法规的收集及评价、工作环境的管理,数据分析的的归口管理;纠正和预防措施工作的管理、相关的运行控制等。
Q6.2部门的目标、指标和方案的建立、考核是否明确、合理文件收发的准确率达到100%。
对2017年目标完成情况进行了考核,已完成Q6.1.2 S4.3.1环境因素危险源的识别与评价公司能从消耗性和污染型两类进行环境因素和危险源识别,查“环境因素和评价清单”和“危险源辨识和风险评价清单”,能从办公活动和物业管理服务过程活动进行辨识,主要有水电消耗、中央空调、保洁设备运行等噪声排放;保洁推尘的排放;消杀剂的使用;保卫服务人员人身伤害、车辆违章驾驶、电磁辐射、电梯维修等。
符合物业服务特点和公司目前管理现状。
E6.1.3 6.1.4S4.3.2法律法规及其他相关要求的识别与管理查“法律法规和其他要求”,其格式为序号、法律规范和其要求名称、适用条款、颁布文号/标志号、实施日期、列入清单日期、更新途径、更新频次、更新责任人、合规情况及存在问题等。
登记的法律法规主要法规有:中华人民共和国环境保护法、中华人民共和国消防法、中华人民共和国节约能源法、中华人民共和国劳动法、中华人民共和国物权法、北京市环境噪声污染防治办法、企业事业单位内部治安保卫条例、关于埃博拉疫情防控工作的通知等。
能够覆盖国家、地方及行业相关的法律法规及其他要求,符合标准规定。
E6.26.1.4S4.3.3 目标指标及管理方案的制定实施; 组织在《目标、指标和管理方案管理程序》中规定了对组织的目标指标进行策划,以加强目标指标的管理。
组织在考虑了法律法规和其他要求,自身的重要环境因素以及重大危险源,可选的技术方案,财务、运行和经营要求,以及相关方的观点后,在内部有关职能和层次,建立、实施并保持形成文件的环境目标和指标。
质量体系认证-内审检查表1. 前言本文档主要介绍质量体系认证内审检查表。
随着全球市场的逐步开放,企业必须不断提升自身的质量管理水平,以适应激烈的市场竞争。
为此,许多企业开始了质量体系认证工作,以获得国际公认的质量管理认证。
本文档将介绍内审检查表,帮助企业进行内部检查,及时发现问题,解决问题,提高质量管理水平。
2. 检查内容本检查表总共包括8个部分,分别为:2.1 组织机构•是否有明确的质量领导及质量组织机构?•质量体系的职责、权限和关系是否明确?•是否建立了文件控制体系,包括编制、审批、发布、实施、更新的规定?•是否建立了记录控制体系,包括记录的编号、文件名、版本、修改、储存、保护和保管的规定?2.2 人员•是否建立了员工培训计划?•是否为员工制定了培训计划和程序?•培训的内容是否符合岗位要求?•员工是否定期接受培训?2.3 设备管理•是否建立了设备校准程序?•是否建立了设备维修养护程序?•设备维修养护计划是否定期执行?•设备维修养护记录是否符合要求?2.4 过程管理•是否对生产过程进行了系统性的规划?•是否制定了生产计划?•是否建立了过程监测和控制机制?•过程数据是否能够满足质量要求?2.5 产品管理•是否设置了产品检验标准?•是否对产品进行统计抽样检验?•是否建立了产品不良品管理体系?•是否对产品的返修、返工和报废进行记录和管理?2.6 供应商管理•是否对供应商进行评估?•供应商评估标准是否符合要求?•是否对供应商进行监督和管理?•是否建立了供应商管理记录?2.7 品质管理•是否建立了品质管理手册?•是否建立了品质管理程序?•是否建立了检验记录和品质控制图?•是否定期进行内部审查和改进?2.8 变更管理•是否建立了变更管理规定?•是否建立了变更分析和评审程序?•是否对变更进行了确认和记录?•是否做了变更后的验证?3.本文档介绍了质量体系认证内审检查表。
通过对检查表中的各项内容进行检查,企业可以及时发现问题,解决问题,提高质量管理水平。
质量管理体系内部审核检查表受审部门:采购部(一)接受审核人员:内审员:质量管理体系内部审核检查表受审部门:采购部(二)接受审核人员:内审员:质量管理体系内部审核检查表受审部门:计划部/仓储部(一)接受审核人员:内审员:质量管理体系内部审核检查表受审部门:计划部/仓储部(二)接受审核人员:内审员:质量管理体系内部审核检查表受审部门:品质中心(一)接受审核人员:内审员:质量管理体系内部审核检查表受审部门:品质中心(二)接受审核人员:内审员:质量管理体系内部审核检查表受审部门:品质中心(三)接受审核人员:内审员:质量管理体系内部审核检查表受审部门:品质中心(四)接受审核人员:内审员:质量管理体系内部审核检查表受审部门:品质中心(五)接受审核人员:内审员:质量管理体系内部审核检查表受审部门:品质中心(六)接受审核人员:内审员:质量管理体系内部审核检查表受审部门:品牌营销中心(一)接受审核人员:内审员:质量管理体系内部审核检查表受审部门:品牌营销中心(二)接受审核人员:内审员:质量管理体系内部审核检查表受审部门:跨境电商中心(一)接受审核人员:内审员:质量管理体系内部审核检查表受审部门:跨境电商中心(二)接受审核人员:内审员:质量管理体系内部审核检查表受审部门:B2B业务中心(一)接受审核人员:内审员:质量管理体系内部审核检查表受审部门:B2B业务中心(二)接受审核人员:内审员:质量管理体系内部审核检查表受审部门:研发中心(一)接受审核人员:内审员:质量管理体系内部审核检查表受审部门:研发中心(二)接受审核人员:内审员:质量管理体系内部审核检查表受审部门:研发中心(三)接受审核人员:内审员:质量管理体系内部审核检查表受审部门:人力资源中心(一)接受审核人员:内审员:质量管理体系内部审核检查表受审部门:人力资源中心(二)接受审核人员:内审员:质量管理体系内部审核检查表受审部门:最高管理层/管理者代表(一)接受审核人员:内审员:质量管理体系内部审核检查表受审部门:最高管理层/管理者代表(二)接受审核人员:内审员:质量管理体系内部审核检查表受审部门:最高管理层/管理者代表(三)接受审核人员:内审员:。