《工程项目管理》课程复习题要点
- 格式:doc
- 大小:2.57 MB
- 文档页数:13
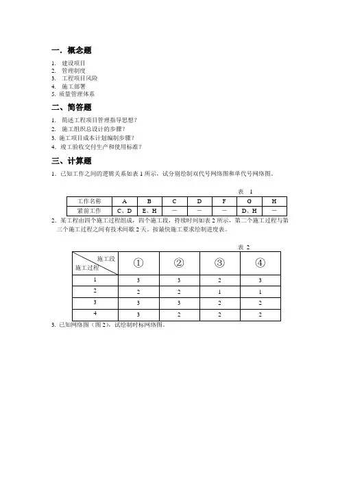
A1、某工程分4段,按甲、乙、丙、丁4个施工过程进行施工,有关施工参数见(2)、试组织无节奏流水施工,并绘制流水施工横道图。
(3)、根据上述工序逻辑关系,绘制相应单代号网络图。
解:(1)、计算流水步距累加数列:甲 2 5 9 13乙 3 5 8 12丙 2 6 8 12丁 4 9 11 12错位相减:2 5 9 13 0- 0 3 5 8 122 2 4 5 -12则K甲乙=53 5 8 12 0- 0 2 6 8 123 3 24 -12则K乙丙=42 6 8 12 0- 0 4 9 11 122 2 -1 1 -12则K丙丁=2计算工期工期=K甲乙+K乙丙+K乙丙+T丁=5+4+2+12=232、某施工企业投标某工程并中标,签定施工合同。
施工合同中对施工企业竣工日期的提前奖励和延期罚款额度都非常大,故此,本工程的施工项目部重新拟定了一个施工计划如下表,并绘制对应的施工进度计划网络图,并经监理工程师确认。
试画出双代号网络图,并计算网络时间参数。
解3、已知某工程其施工进度计划网络如下图所示,箭线上方为工序符号,上方括号内为该工序每天所需钢筋数量(T/天),箭线下方数字为工序持续时间(天),数据见图。
试(1)、指出该施工网络计划图中错误的地方,并加以改正,作出正确的网络图。
(2)、计算网络时间参数及各节点时间参数(ET LT) (3)、绘制双代号早时标网络图 (4)、绘制钢筋的资源曲线 (5)、若钢筋每天资源供应量只有16T ,据资源曲线,要不要调整网络计划?需要调整的话,如何调整?(不用计算,只需说出调整的基本思路即可)解:(1)错误的地方有:一、B 、C 工作编号都是(2,3); 二、编号④排在编号③之前; 三、④、③之间应用箭线。
正确的网络图表示如下:(2)计算网络时间参数(3)绘制双代号早时标网络图 (4)钢筋的资源曲线(5)答:需要调整。
利用非关键线路上的自由时差与总时差,将非关键工作向后移动。
工程项目管理期末复习题资料一、名词解释1. 项目:项目是指在一定约束条件下,具有特定目标的一次性事业(或任务)2. 工程项目:是指通过投资活动获得满足某种产品生产或人民生活需要的建筑物(或构筑物)的一次性事业。
3. 建设项目:是指按一个总体设计组织建设的固定资产投资项目,即基本建设项目。
4. 施工项目:是指施工单位承包工程项目施工的一次性事业。
5. 项目管理:是以项目为管理对象,在既定的约束条件下,为最优地实现项目目标,根据项目的内在规律,对项目寿命周期全过程进行有效的计划、组织、指挥、控制和协调的系统管理活动。
6. 工程项目管理:7. 单项工程:在城市基础设施和工业建设项目中,对于具有独立生产和使用功能、独立设计文件的一个完整的系统可称为一个单项工程。
8. 单位工程:在房屋建设项目中,一个独立的、单一的建筑物(构筑物)均可称为一个单位工程。
9. 分部工程:分部工程是单位工程的组成部分,是指按照工程部位,设备种类和型号或主要工种工程不同所做的分类。
10. 分项工程:分项工程是分部工程的组成部分。
一般按照选用的施工方法、使用材料结构构件规格不同等因素划分。
11. 工程项目建设监理:12. 施工项目管理组织:13. 组织形式:直线式、职能式、直线职能式、矩阵式、事业部式。
14. 项目经理:企业法定代表人在建设工程项目上的委托代理人。
15. 施工项目经理:是工程项目施工承包单位的法定代表人在施工项目上的委托代理人。
16. 工程项目进度计划:17. 施工项目进度计划:18. 网络图:是由箭线和节点组成的有向、有序的网状图形,根据图中箭线和节点所代表的含义不同,可将其分为双代号网络图和单代号网络图。
19. 网络计划:采用网络图的形式编制工程进度计划,并在计划实施过程中加以控制,以保证实现预定目标的科学的计划管理技术。
20. 施工项目进度控制:是指为保证工程项目实现预期的工期目标,对工程项目寿命周期全过程的各项工作时间进行计划、实施、检查、调整等的一系列工作。
《工程项目管理》复习题一、填空题1.建筑施工程序一般包括确定施工任务、施工规划、施工准备、组织施工、竣工验收五个阶段。
2、建筑产品具有以下共同的特点:___庞大性、_固定性___、多样性及复杂性。
3.施工组织设计按编制对象的不同分为施工组织总设计单位工程施工组织设计分部分项工程施工组织设计三种。
4、时间参数主要包括流水节拍、____流水步距____、平行搭接时间、__技术间歇时间___和组织间歇时间。
5.流水参数包括 (工艺参数 ) ( 时间参数 ) (空间参数 ) 三类。
6、建筑流水施工的表达形式主要有_____横道图___和___、网络图_____ 两种。
7.绘制网络图的基本要求是工作构成清楚逻辑关系正确时间计算准确编制合乎规定8、网络计划按绘图符号不同可分为_(双代号网络计划、)和(单代号网络计划)两种。
9 单代号网络图是由节点_ 箭线、节点编号_三个要素组成10.施工方案的定量分析指标主要有(工期指标)(机械化程度)(降低成本指标)主要材料节约指标二、单项选择题1、单位工程施工组织设计编制的对象是( B )A.建设项目 B.单位工程 C.分部工程 D.分项工程2、下列哪项是属于工程技术经济条件调查内容( C )A.地形图 B.工程水文地质 C.交通运输 D.气象资料3、最理想的流水组织方式是( A )A.等节拍流水 B.异节拍流水 C.无节奏流水 D.依次流水4、双代号网络图和单代号网络图的最大区别是( B )A.节点编号不同 B.表示工作的符号不同C.使用范围不同 D.参数计算方法不同5、编制单位工程施工平面图时,首先确定( B )位置。
A.仓库 B.起重设备 C.办公楼 D.道路6.基本建度程序正确的是:( A )A. 投资决策→设计→施工招投标→施工→竣工决算B. 投资决策→施工招投标→设计→施工→竣工决C. 设计→投资决策→施工招投标→施工→竣工决算D. 设计→施工招投标→投资决策→施工→竣工决算7.施工段,施工层在流水施工中所表达的参数为( A )。
⼯程项⽬管理复习题及参考答案⼯程项⽬管理(专科)⼀、填空题:1.BOT是建造-运营-移交模式。
它适⽤于⼤型基础设施.需要⼤量资⾦进⾏建设的⼯程项⽬。
2.政府对项⽬实施的监督主要体现在⼯程项⽬和建设市场两个⽅⾯。
3.⼤中型和限额以上项⽬的可⾏性报告,按照项⽬⾪属关系由⾏业主管部门或省、市、⾃治区和计划单列市审查同意后,报国家发改委。
4.凡投资在2亿元⼈民币以上的项⽬由国家发改委审核后报国务院审批。
5.2004年7⽉颁布的《国务院关于投资改⾰的决定》,明确规定:对企业不使⽤政府投资建设的项⽬,⼀律不再实⾏审批制。
6.⼯程项⽬合同的类型按⼯程建设阶段分:⼯程勘察合同、⼯程设计合同、⼯程施⼯合同。
7.⼯程项⽬合同的类型按承发包⽅式分:勘察、设计或施⼯总承包合同、单位⼯程施⼯承包合同、⼯程项⽬总承包合同.⼯程项⽬总承包管理合同.BOT承包合同。
8.⼯程项⽬合同的类型按承包⼯程计价⽅式分:固定价格合同、可调价格合同、⼯程成本加酬⾦合同。
9.我国规定,⼯程师在收到承包⼈送交的索赔报告和有关资料后于28天内给予答复,或要求承包⼈进⼀步补充索赔理由和证据。
10.⼯程项⽬⽣命周期是指⼀个项⽬从开始到结束所经历的全部时间或过程,可以建设项⽬的⽣命周期为代表。
11.⼯程项⽬的特点1)明确的建设⽬标2)多⽅⾯的限制3)⼀次性和不可逆性4)影响的长期性5)投资的风险性6)管理的复杂性12.⼯程项⽬按性质分类为:基本建设项⽬和更新改造项⽬。
按专业可以分为:建筑⼯程项⽬、⼟⽊⼯程项⽬、线路管道安装⼯程项⽬、装修装饰⼯程项⽬。
按设计⽣产能⼒或投资规模可以分为:⼤、中、⼩型项⽬。
13.项⽬组织是由项⽬的⾏为主体构成的系统。
⼯程项⽬管理的职能有:策划、决策、计划、组织、控制、协调、指挥、监督等职能。
14.按⼯程项⽬交易⽅式分类,按获得承包任务的途径分:直接委托⽅式、招标⽅式、指令⽅式。
15.⼀般的⼯程项⽬⽣命周期可分为四个阶段:启动阶段(概念阶段)、计划阶段(开发阶段)、实施阶段(执⾏阶段)、收尾阶段(结束阶段)。
《工程项目管理》课程复习资料二零一二年十一月前言《工程项目管理》课程是工程造价专业的一门专业基础课程,主要学习工程项目建设全过程的管理理论和方法,包括工程项目的组织管理、资源管理、进度管理、质量管理、费用管理、安全与环境管理、施工现场管理、项目风险管理和合同管理,是一门具有较强的理论性、综合性和实践性的课程。
本课程要求学生掌握工程项目管理的基本原理和方法,能运用所学理论知识对工程项目做出全过程组织、计划和控制.为帮助考生全面系统的掌握工程项目管理相关理论和方法,在较短时间内顺利通过工程造价专业的自学考试,我们组织编写了本课程的复习资料。
本复习资料按照广西高等教育自学考试工程项目管理规定内容进行编写,其广度和深度与大纲内容相吻合,根据大纲要求分别就“应用、掌握、识记”三个能力层次要求进行深入.“识记”即能知道有关的名词、概念、知识和含义,并能正确认识和表述;“掌握"即在识记的基础上能全面把握基本概念、基本原理、基本方法,能掌握有关概念、原理、方法的区别和联系;“应用”即在掌握的基础上,能运用基本概念、基本原理、基本方法,联系学过的多个知识点,分析和解决有关的理论问题和实际问题,如计算、绘图和分析、论证等。
考生在开始学习本课程指定教材每一章之前,可先阅读本资料中有关这一章考核知识点及对知识点的能力层次要求,使课程学习更具目标性;在完成课程学习的基础上,可结合本资料中的相关要求进行针对性的复习和练习,在练习中反复理解和巩固,以取得更好的效果.由于编者水平有限,经验不足,难免存在错漏之处,衷心希望广大读者批评指正。
编者2012年11月目录第一部分课程内容、学习要求与考核目标 (1)第一章工程项目管理概论 (1)第二章工程项目的前期策划 (1)第三章工程项目招投标与合同管理 (2)第四章工程项目管理组织与沟通 (3)第五章工程项目进度管理 (4)第六章工程项目成本管理 (5)第七章工程设计阶段的造价管理项目质量管理 (5)第八章工程项目风险管理与保险 (6)第九章生产要素管理、安全管理与现场管理 (7)第十章工程项目后评估 (7)第二部分各章节训练复习题 (9)第一章单选题 (9)第二章多选题 (17)第三章填空题 (18)第四章判断题 (21)第五章简答题 (22)第六章计算分析题 (23)第三部分模拟试题 (25)模拟试题一 (25)模拟试题二 (27)第四部分参考答案 (31)第一章单项选择题 (31)第二章多项选择题 (31)第三章填空题 (32)第四章判断题 (33)第五章简答题 (33)第六题计算分析题 (37)模拟试题一 (38)模拟试题二 (40)第一部分课程内容、学习要求与考核目标第一章工程项目管理概论一、课程内容1. 项目与工程项目2. 项目管理与工程项目管理3。
1.名词解释(1)WBS:项目分解结构按系统工作程序,对整个系统进行分解,将项目范围规定的全部工作分解为较小的、便于管理的独立活动,通过定义这些活动的费用、进度和质量,以及他们之间的内在联系,将完成这些活动的责任赋予相应的部门和人员,建立明确的责任体系,达到控制整个项目的目的。
(2)EBS:工程分解结构对工程系统的结构分解,是假设工程已经建成,对已建设完成的工程进行系统分解。
EBS的作用就是为了对工程系统(可交付成果)有一更细致的了解,以便于开展各项工作。
一个系统工程(工程可交付的成果)就是由许多“功能面”组合起来的综合体。
(3)工程项目:工程项目是项目中最重要的一种,它以工程建设为载体,是作为被管理对象的一次性工程建设任务,是建设项目、设计项目和咨询项目等的总称。
工程项目是一个集合的概念,它由许多独立要素组成工程项目主体之间有明确的合同关系。
工程项目的目的1、改善生存环境,提高物质生活水平2、工程项目为人们认识自然、进行科学研究提供了平台3、人们通过工程项目改造自然、降低自然危害4、工程项目提供社会文化生活,提高精神文明水平5、工程项目是社会发展的强大动.工程项目的使命1、为上层组织服务2、承担社会责任3、承担历史责任(4)项目管理项目管理是以项目作为对象的管理,即通过计划、组织、人事、领导和控制等职能,设计和保持一种良好的环境,使项目参加者在项目组织中高效率地完成既定的项目任务。
工程项目管理是指对工程项目进行的规划、组织、控制、协调以取得工程项目的成功。
(1)工程项目管理要求程序性、全面性、科学性和规范性。
(2)工程项目管理的目标即工程项目的目标。
投资一定的情况下,实现质量最优、进度最快、安全最高(3)工程项目管理的目标界定了工程项目管理的内容内容就是:“四控制、四管理、一协调”四管理:现场管理、合同管理、生产要素管理、信息管理2.简答(1)工程项目分类单项工程、单位工程、分部工程、分项工程单项工程是指在一个工程项目中,具有独立的设计文件,竣工后可以独立地发挥生产能力或效益的一组配套齐全的工程项目。
厦门大学网络教育2014-2015学年第二学期《工程项目管理》课程复习题一、单项选择题1.不属于项目的特征是( A )A.项目可重复B.项目有临时性的组织C.目标性D资源有限2.关于线性组织结构的说法,错误的是( B )A.每个工作部门的指令源是唯一的B.高组织层次部门可以向任何低组织层次下达指令C.在特大组织系统中,指令路径会很长D.可以避免相互矛盾的指令影响系统运行3.从项目的生命周期看,项目的前期费用投入情况和对工程寿命期的影响情况是(B)A.小,小B.小,大C.大,小D.大,大4.工程项目管理的纽带是( A )A.合同管理B.目标管理C.质量管理D.费用管理5.对WBS的说法,不正确的是哪一项( C )A.项目的范围可以通过WBS进行项目结构分解B.WBS中包含了工作的编码、名称、范围定义等内容C.工程系统自身的结构全部用WBS表示D.WBS中每个项目单元以唯一的不重复的数字或字母标识,使它们互相区别6.下列属于公开招标的采购方式是( C )A.询价采购B.有限国际招标C.国际竞争性招标和国内竞争性招标D.直接签订合同和自营工程7.项目生命周期分为概念阶段、规划阶段、实施阶段、收尾阶段、运行与维护阶段,下列不属于收尾阶段的工作内容是( C )A.评估与验收B.定义项目C.分流项目成员D.处理资源8.EPC总承包方式又称为( C )A.设计-施工总包方式B.设计-管理总包方式C.设计-采购-施工总包方式D.项目管理总包方式9.法律法规技术标准和合同等规定的要求属于( A )A.明确的需要B.隐含的需要C.外在的需要D.内在的需要10.关于成本加酬金合同的说法,正确的是( A )A.采用该计价方式对业务的投资控制不利B.成本加酬金合同不适用于抢险、救灾工程C.成本加酬金合同不宜用于项目管理合同D.对承包商来说,成本加酬金合同比固定总价合同的风险高11.某城市准备实施一个大型地铁建设项目。
对于该项目的组织系统宜采用的组织结构模式是(A )A.矩阵组织结构B.项目结构C.线性组织结构D.职能组织结构12.建设工程项目总承包的主要意义在于( D )A.“交钥匙”B.固定总价包干C.变动总价总干D.促进设计与施工紧密结合13.某项目在施工过程中,出现了严重的质量隐患,但由于施工单位技术人员经验不足,没有及时发现,结果出现了质量事故。
《工程项目管理》复习题一、单项选择题1、项目最主要的特征是(B)。
A.目标明确性 B. 一次性 C. 约束性 D. 生命周期性2、项目的承包商一般不包括(A)。
A业主 B 咨询公司C设计单位 D 材料供应商3、对工程地质条件复杂或有特殊要求的重大建筑工程地基,尚应进行(A )。
A. 施工勘察B. 详细勘察C. 初步勘察D. 选址勘察4、对技术复杂而又缺乏设计经验的工程项目,根据主管部门的要求,可增加(C )阶段。
A 方案优选B 初步设计C 技术设计D施工图设计5、以下(C )不是工程设计资质分类内容。
A 工程设计综合资质B工程设计专项资质C 工程设计劳务资质D工程设计行业资质6、设计是影响工程项目投资的关键环节,在初步设计阶段,影响项目投资的可能性为(A )A 75%~95%B 35%~75%C 50%~85% D5%~35%7、(B )是流水施工的工艺参数A施工段B流水强度C流水节拍D流水步距8、(A )是指相邻两个专业工作队在保证施工顺序、满足连续施工,最大限度搭接和保证工程质量要求的条件下,在同一施工段上相继投入施工的最小时间间隔。
A 流水步距B平行搭接时间 C 流水强度 D 流水节拍9、虚工作的特点是(D)A需要消耗时间和资源B只消耗时间而不消耗资源C 不消耗时间而只消耗资源D 既不消耗时间,也不消耗资源10、网络计划的(B )就是网络计划终点节点的标号值A 要求工期B 计算工期C 计划工期D 指令工期11、影响施工项目质量的主要因素不包括(D )因素。
A.人;B.机械设备;C.环境;D.资金;12、某方案年设计生产能力为3万件,每件产品价格为300元,单件产品变动成本为120元,单件产品销售税金及附加(含增值税)为40元。
年固定总成本为280万元。
用产量表示的盈亏平衡点为( D )件。
A.18800 B.12700 C.21000 D.2000013、当用香蕉形曲线进行工程实际进度检查时,若描述实际进度的点落在香蕉图右侧,则表示此刻实际进度( B )。
---------------------考试---------------------------学资学习网---------------------押题------------------------------《工程项目管理》复习题考试题类型:单选题20个,每个1分,共20分。
多选题5个,每个2分,共10分。
简答题5个,每个6分,共30分。
论述题3个,每个10分,共30分。
计算题1个,10分。
一、单选题1、项目的特定性也可称为单件性或一次性,是项目最主要的特征。
2、只有单位工程、单项工程和建设项目的施工任务,才称得上施工项目。
分部分项工程不能称为施工项目。
3、项目的不可逆性与批量生产过程(重复的过程)有着本质的区别。
4、工程项目管理的本质是工程建设者运用系统工程的观点、理论和方法,对工程的建设进行全过程和全面的管理。
5、项目经理应主要使用行政管理方法。
6、可行性研究报告经批准后,项目才算正式“立项”。
7、工程建设项目总进度计划,是指初步设计被批准后,编制上报年度计划以前,根据初步设计,对建设项目从开始建设(设计、施工)至竣工投产(动用)全过程的统一部署。
8、重视相关管理,特别要重视各系统之间的“结合部”的管理,它是项目和项目管理的重点和难点,是项目经理协调管理的工作焦点。
9、PDCA循环中,P-计划,D-执行,C-检查,A-处理。
10、目标管理的精髓是以目标指导行动。
11、责任制是施工项目组织中的核心问题。
12、工作队式施工项目组织的适用范围:P8913、部门控制式项目组织适用于小型的、专业性强的、不需涉及众多部门的施工项目14、矩阵制项目组织适用于同时承担多个需要进行工程项目管理的企业,适用于大型、复杂的施工项目。
15、事业部式项目组织适用于大型经营性企业的工程承包,特别是适用于远离公司本部的工程承包。
16、直线职能制施工项目组织的适用范围:P9317、虚箭线——实际工作中并不存在的一项虚拟工作,既不占用时间,也不消耗资源。
机密★启用前大连理工大学网络教育学院2023年秋《工程项目管理》期末考试复习题注意事项: 本复习题满分共: 400分。
一、单项选择题1.设计单位一般属于工程项目组织旳()。
A. 战略决策层B. 战略管理层C. 项目管理层D. 项目实行层答案:D2.PMBOK旳概念是由哪个组织提出?()A. 美国项目管理协会B. 中国项目管理协会C. 国际项目管理协会D. 国际工程师联合会答案:A3.()为某一项活动在不影响(不推迟)其紧后其他活动旳最早开始日期旳状况下旳机动余地。
A. 自由时差B. 总时差C. 最迟时间D. 最早时间答案:A4.当用香蕉形曲线进行工程实际进度检查时, 若描述实际进度旳点落在香蕉图右侧, 则表达此刻实际进度()。
A.正常 B. 比按最迟开始时间安排旳进度落后C. 比按最早开始时间安排旳进度超前D. 和按最迟开始时间安排旳进度一致5.工程施工质量控制旳关键原因是()。
A. 实行者B.材料C.机械 D. 项目复杂程度答案:A6.下列协议类型中, 属于主协议旳为()。
A. 监理协议B. 分包协议C. 劳务协议D. 运送协议答案:A7、从项目构思到项目同意正式立项旳阶段称为()。
A. 项目旳前期筹划阶段B. 项目构思阶段C. 项目目旳设计阶段D. 项目可行性研究阶段答案:A8、施工承包商一般属于工程项目组织旳()。
A. 战略决策层B. 战略管理层C. 项目管理层D. 项目实行层答案:D9、关键活动一般总时差为()。
A.0B.1C.2 D.3答案:A10、成本计划旳精确性伴随项目旳进展而提高, 在()阶段也许有±20%旳误差。
A. 目旳设计B. 可行性研究C. 初步设计D. 施工图预算11.()是指通过控制手段, 在到达预定质量和工期规定旳同步, 优化成本开支, 将总成本控制在预算(计划)范围内。
A. 成本控制B. 进度控制C. 质量控制D. 协议管理答案:A12.下列协议类型中, 属于主协议旳为()。
《工程项目管理》复习题第1章概论一、单选1、工程项目的项目法人组建法案在()中提出。
A、项目建议书B、可行性研究报告C、项目管理规划大纲D、项目构思2、项目管理的三大控制目标为()A.进度、质量、费用控制B.进度、质量、成本控制C.进度、质量、安全控制D.安全、质量、费用控制3、工程监理单位是建筑市场的主体之一,建设工程监理是一种高智能的()。
A.委托代理服务B.监督管理C.中介代理D.有偿技术服务4、监理单位与项目法人之间是委托与被委托的()。
A、雇佣关系B、合同关系C、买卖关系D、监理与被监理关系5、建设工程项目总承包方项目管理工作涉及项目()的全过程。
A、设计阶段B、实施阶段C、施工阶段D、使用阶段6、建设工程项目决策阶段管理工作的主要任务是()。
A、调查研究B、确定项目的定义C、经济分析D、项目立项7、审查施工组织设计属于()建设监理工作的主要任务。
A、设计阶段B、施工招标阶段C、施工准备阶段D、工程施工阶段8、建筑工程监理应当依照法律、行政法规及有关的技术标准、设计文件和建筑工程承包合同,对承包单位在施工质量、建设工期和建设资金使用等方面,代表(A)实施监督。
A、建设单位B、设计单位C、施工单位D、社会团体9、项目的投资目标、进度目标和质量目标之间的关系是()的关系。
A、矛盾对立统一B、相互协调C、利益一致D、矛盾对立10、设计方作为项目建设的一个参与方,其项目管理主要服务于()和设计方本身的利益。
A、业主方的利益B、施工方的利益C、项目的整体利益D、项目的投资目标11、某房地产开发商委托监理人监理其开发的工程项目,在建设工程监理合同的基本条款中明确了的工程概况,工程概况应包括()等内容。
A、工程名称、工程地点、工程规模、总投资B、工程名称、工程地点、工程规模、发包模式C、工程名称、工程地点、工期、投资人D、工程名称、工程地点、工期、物业管理公司12、建设工程项目决策阶段管理工作的主要任务是()。
工程项目管理复习练习题一、单项选择题(每题备选项中,只有一个最符合题意)1.在下列工程项目的全寿命周期内所包含的各项工作中,不属于实施阶段的(B)。
A.编制设计任务书 B.编制项目建议书 C.施工图设计 D.技术设计 2.项目是在一定的约束条件限定下,为实现其特定目的(A)。
A.进行的一次性活动 B.完成的最终成果C.进行活动的组织机构 D.进行活动的研发者3.项目管理是以(D)为对象,按项目内在客观规律组织项目活动的科学化方法。
A.合同 B.项目目标 C.组织 D.项目4.国际项目管理协会的项目管理专业资质认证体系称为(C)A.PMI B.IPMA C.IPMP D.NCB5.项目管理的根本目的是满足或超越(B )对项目的要求与期望。
A.业主方 B.项目有关各方 C.承包商 D.用户6.美国项目管理学会简称为( B)A.IPMA B.PMI C.PMRC D.PMP7.项目的( A)特征,是项目的最主要特征。
A.一次性 B.约束性 C.系统性 D.生命周期性8.建设项目是由( B)组成的。
A.单位工程 B.单项工程 C.安装工程 D.建筑工程9.建设工程项目生产过程的总集成者和总组织者是(C)。
A.总承包商 B.供货商 C.业主方 D.政府有关部门10.开发和推广应用网络计划技术是( D)阶段。
A.潜意识的项目管理 B.现代项目管理 C.传统项目管理 D.近代项目管理11.项目经理是一个(A)的名称。
A.管理岗位B.技术职称C.管理人士D.专业人士12.监理单位与项目法人之间是委托与被委托的(C)A.代理关系B.雇用关系C.合同关系D.经纪关系13.建筑业企业项目经理资质管理制度向建造师资格过渡的时间定为(B)。
A.5年,即从2002年2月27日至2007年2月27 日止B.5年,即从2003年2月27日至2008年2月27 日止C.3年,即从2003年2月27 日至2006年2月27日止D.3年,即从2002年2月27日至2005年2月27日止14.项目经理应具备的核心能力是(B )A.决策能力 B.组织能力 C.指挥能力 D.创新能力15.对技术复杂的、工期较长的建筑工程,从施工承包商角度应选择(A )组织结构形式。
一、什么是建筑施工安全管理?其目的是什么?(8分)建筑施工安全管理是指在建筑施工活动中,直接参与工程建设的各方通过对生产要素具体状态进行控制,使不安全的行为和状态减少或消除,不引发事故,实现建筑工程效益目标的管理活动。
目的是保护生产者和使用者的健康与安全。
二、什么叫施工段?简述划分施工段的基本原则。
(8分)施工段是指将施工对象在平面上划分为若干个劳动量大致相等的施工区段。
施工段划分一般应遵循以下原则:(1) 为了保证流水施工的连续、均衡,划分的各个施工段上,同一专业工作队的劳动量应大致相等,相差幅度不宜超过10~15﹪;(2) 为了充分发挥机械设备和专业工人的生产效率,应考虑施工段对于机械台班、劳动力的容量大小,满足专业工种对工作面的空间要求,尽量做到劳动资源的优化组合。
(3) 为了保证结构的整体性,施工段的界限应尽可能与结构界限相吻合,或设在对结构整体性影响较小的部位。
例如温度缝、沉降缝、单元分界或门窗洞口处。
(4) 为便于组织流水施工,施工段数目的多少应与主要施工过程相协调,施工段划分过多,会增加施工持续时间,延长工期;施工段划分过少,不利于充分利用工作面。
三、简述单位工程施工平面图设计的步骤。
(8分)单位工程施工平面图的一般设计步骤是:确定起重机的位置→确定搅拌站、仓库、材料和构件堆场加工厂的位置→布置运输道路→布置行政管理、生活福利用临时设施→布置水电管线→计算技术经济指标。
四、造成施工项目成本升高的原因通常有哪些?(8分)造成施工项目成本升高的原因通常有:设计变更、价格变动、停工影响、协作不利、施工管理不善等。
五、试说明双代号网络图中四种时差之间的关系。
(8分)(1)工作的总时差与自由时差、相关时差和独立时差之间具有如式(3-12)所示的关系。
总时差对其紧前工作与紧后工作均有影响。
(2)一项工作的自由时差只限于本工作利用,不能转移给紧后工作利用,对紧后工作的时差无影响,但对其紧前工作有影响,如动用,将使紧前工作时差减少。
第2 章工程项目管理组织组织构成因素一般来说,组织由管理层次、管理跨度、管理部门和管理职能四大因素构成,呈上小下大的形式,四大因素密切相关、相互制约。
1) 管理层次管理层次是指从组织的最高管理者到最基层的实际工作人员的等级层次的数量。
2) 管理跨度管理跨度是指一个主管直接管理下属人员的数量。
在组织中,某级管理人员的管理跨度大小直接取决于这一级管理人员所要协调的工作量,跨度大,处理人与人之间关系的数量随之增大。
3)管理部门按照类别对通过专业化细分的工作进行分组,以便可使共同的工作进行协调,即为部门化。
4) 管理职能组织机构设计确定的各部门的职能,要在纵向使指令传递、信息反馈及时;在横向使各部门相互联系、协调一致。
组织结构设计通常要考虑下列六项基本原则:1。
工作专业化与协作统一强调工作专业化的实质就是要求每个人专门从事工作活动的一部分,而不是全部.通过重复性的工作使员工的技能得到提高,从而提高组织的运行效率;在组织机构中还要强调协作统一,就是明确组织机构内部各部门之间和各部门内部的协调关系和配合方法。
2. 才职相称通过考察个人的学历与经历或其他途径,了解其知识、才能、气质和经验,进行比较,使每个人具有的和可能具有的才能与其职务上的要求相适应,做到才职相称,才得其用.3. 命令链是指存在于从组织的最高层到最基层的一种不间断的权力路线。
每个管理职位对应着一定的人,在命令链中都有自己的位置;同时,每个管理者为完成自己的职责任务,都要被授予一定的权力.由于命令要求统计表性,也就是说,一个人应该只对一个主管负责。
4. 管理跨度与管理层次相统一在组织结构设计的过程中,管理跨度和管理层次成反比。
在组织机构中当人数一定时,如果跨度大,层次则可适当减少;反之,如果跨度缩小,则层次就会增多。
所以,在组织设计的过程中,一定要通盘考虑各种影响因素,科学确定管理跨度和管理层次。
5. 集权与分权统一在任何组织中,都不存在绝对的集权和分权。
《工程项目管理》复习题考试题类型:单选题18个,每个1分,共18分。
判断改错题4个,每个3分(其中判断2分,改错1分),共12分,将错误的地方划线,并改正。
简答题5个,每个6分,共30分。
论述题3个,每个10分,共30分。
计算题1个,10分。
1、项目的共同特征有:项目的特定性,项目具有明确的目标和一定的约束条件,项目具有特定的生命周期,项目作为管理对象的整体性,项目的不可逆性。
(P4)项目的特定性也可称为单件性或一次性,是项目最主要的特征。
(P4)2、工程项目是项目中数量最大的一类。
(P5)只有单位工程、单项工程和建设项目的施工任务,才称得上施工项目。
分部分项工程不能称为施工项目。
(P5)3、项目的一次性,要求项目管理具有程序性、全面性和科学性,主要是用系统工程的观念、理论和方法进行管理,项目管理是知识、智力、技术密集型的管理。
(P5)4、“组织”有两种含义,即组织机构和组织行为。
(P8)5、要实现最优控制,必须有两个先决条件:一是要有一个合格的控制主体;二是要有明确的系统目标。
(P9)6、提倡主动控制,即在偏差发生之前,预先分析发生偏差的可能性,采取预防措施,防止发生偏差。
(P10)信息分系统贯穿于工程项目实施的全过程。
(P10)7、。
施工项目经理部与建设单位、监理单位及设计单位等单位的关系属于进外层关系;(P11)8、信息时代的企业,应具备以下基本特征:第一,它有一个以市场为中心的明确的目标和策略。
第二,他将有一个以人为中心的价值观和企业文化。
第三,他将有一个以效率和效益为中心的不断变革的制度和程序,因为市场的变化不断地通过信息化通道促使企业不断变化。
(P12)9、项目经理应主要使用行政管理方法。
(P14)10、工程项目管理方法应用的原则有:适用性原则、灵活性原则、坚定性原则、开拓性原则。
(P14)11、项目建议书阶段和可行性研究阶段成为“前期工作阶段”或“决策阶段”。
(P15)可行性研究报告经批准后,项目才算正式“立项”。
《工程项目管理》复习题及答案一、单项选择题(每小题1分)1、项目最主要的特征是(B )。
A.目标明确性 B. 一次性 C. 约束性 D. 生命周期性2、项目的承包商一般不包括(A )。
A业主 B 咨询公司C设计单位 D 材料供应商3、对工程地质条件复杂或有特殊要求的重大建筑工程地基,尚应进行( A )。
A. 施工勘察B. 详细勘察C. 初步勘察D. 选址勘察4、对技术复杂而又缺乏设计经验的工程项目,根据主管部门的要求,可增加(C )阶段。
A 方案优选B 初步设计C 技术设计D施工图设计5、以下(C )不是工程设计资质分类内容。
A 工程设计综合资质B工程设计专项资质C 工程设计劳务资质D工程设计行业资质6、设计是影响工程项目投资的关键环节,在初步设计阶段,影响项目投资的可能性为(A )A 75%~95%B 35%~75%C 50%~85% D5%~35%7、(B )是流水施工的工艺参数A施工段B流水强度C流水节拍D流水步距8、(A )是指相邻两个专业工作队在保证施工顺序、满足连续施工,最大限度搭接和保证工程质量要求的条件下,在同一施工段上相继投入施工的最小时间间隔。
A 流水步距B平行搭接时间 C 流水强度 D 流水节拍9、虚工作的特点是(D )A需要消耗时间和资源B只消耗时间而不消耗资源C 不消耗时间而只消耗资源D 既不消耗时间,也不消耗资源10、网络计划的(B )就是网络计划终点节点的标号值A 要求工期B 计算工期C 计划工期D 指令工期11、影响施工项目质量的主要因素不包括(C D )因素。
A.人;B.机械设备;C.环境;D.资金;12、某方案年设计生产能力为3万件,每件产品价格为300元,单件产品变动成本为120元,单件产品销售税金及附加(含增值税)为40元。
年固定总成本为280万元。
用产量表示的盈亏平衡点为( D )件。
A.18800 B.12700 C.21000 D.2000013、当用香蕉形曲线进行工程实际进度检查时,若描述实际进度的点落在香蕉图右侧,则表示此刻实际进度(B )。
厦门大学网络教育2014-2015学年第二学期《工程项目管理》课程复习题一、单项选择题1.不属于项目的特征是( A )A.项目可重复B.项目有临时性的组织C.目标性D资源有限2.关于线性组织结构的说法,错误的是( B )A.每个工作部门的指令源是唯一的B.高组织层次部门可以向任何低组织层次下达指令C.在特大组织系统中,指令路径会很长D.可以避免相互矛盾的指令影响系统运行3.从项目的生命周期看,项目的前期费用投入情况和对工程寿命期的影响情况是(B)A.小,小B.小,大C.大,小D.大,大4.工程项目管理的纽带是( A )A.合同管理B.目标管理C.质量管理D.费用管理5.对WBS的说法,不正确的是哪一项( C )A.项目的范围可以通过WBS进行项目结构分解B.WBS中包含了工作的编码、名称、范围定义等内容C.工程系统自身的结构全部用WBS表示D.WBS中每个项目单元以唯一的不重复的数字或字母标识,使它们互相区别6.下列属于公开招标的采购方式是( C )A.询价采购B.有限国际招标C.国际竞争性招标和国内竞争性招标D.直接签订合同和自营工程7.项目生命周期分为概念阶段、规划阶段、实施阶段、收尾阶段、运行与维护阶段,下列不属于收尾阶段的工作内容是( C )A.评估与验收B.定义项目C.分流项目成员D.处理资源8.EPC总承包方式又称为( C )A.设计-施工总包方式B.设计-管理总包方式C.设计-采购-施工总包方式D.项目管理总包方式9.法律法规技术标准和合同等规定的要求属于( A )A.明确的需要B.隐含的需要C.外在的需要D.内在的需要10.关于成本加酬金合同的说法,正确的是( A )A.采用该计价方式对业务的投资控制不利B.成本加酬金合同不适用于抢险、救灾工程C.成本加酬金合同不宜用于项目管理合同D.对承包商来说,成本加酬金合同比固定总价合同的风险高11.某城市准备实施一个大型地铁建设项目。
对于该项目的组织系统宜采用的组织结构模式是(A )A.矩阵组织结构B.项目结构C.线性组织结构D.职能组织结构12.建设工程项目总承包的主要意义在于( D )A.“交钥匙”B.固定总价包干C.变动总价总干D.促进设计与施工紧密结合13.某项目在施工过程中,出现了严重的质量隐患,但由于施工单位技术人员经验不足,没有及时发现,结果出现了质量事故。
这种风险属于施工管理风险类型中的(B)A.工程环境风险B.技术风险C.组织实现风险D.经济与管理实施风险14.根据我国《招投标法》的规定,下列情形中应作废标处理的是(B)A.投标文件中个别地方存在漏项B.投标文件中提供了不完整的技术信息C.投标人所提供的投标担保有瑕疵D.投标文件签字人不是投标人的法定代表人15.某工程项目实施过程中,因承包人的违反合同行为导致工程竣工时间延长,对此情况,监理人( A )A.承担监督不力的责任B.承担连带责任C.不承担责任D.承担一定比例的责任16.马斯洛的需求层次理论最顶层的是(C)A.安全的需要B.尊重的需要C.自我实现的需要D.社交的需要17.固定流水节拍施工的特点是( B )A.所有施工过程在各个施工段上的流水节拍不相等B.相邻施工过程的流水步距相等,且等于流水节拍C.专业工作队大于施工过程数D.连续作业,施工段之间有必要的空闲时间18.风险分析的工作之一是( C )A.进行风险衡量,确定风险量B.制定风险管理方案,采取降低风险量的措施C.分析存在哪些风险因素和风险事件D.进行投保或担保19.在项目网络图中,两项工作有一段时间是平行进行的,则这两项工作之间的关系(A)A.平行关系B.紧连顺序关系C.搭接关系D.间隔顺序关系20.某工作A的持续时间为3天,该工作有三项紧后工作,工作持续时间分别为4天,6天,3天;最迟完成时间分别为15天,12天,11天,则工作A的最迟开始时间为第( B )天。
A.6 B.3 C.8 D.1221.下列关于网络图的关键线路的说明,正确的有(D)A.双代号网络图中所有节点都是关键节点的线路是关键线路B.时标网络图中没有虚工作的线路是关键线路C.单代号搭接网络中持续时间最长的线路是关键线路D.单代号网络图中持续时间最长的线路是关键线路22.已知某双代号网络计划中,某工作的最早开始时间为第4天,最早完成时间为第6天,最迟开始时间为第7天,最迟完成时间为第9天,则该工作的总时差为(C)A.6天B.4 天C.3 天D.2 天23.前锋线比较法叙述正确的有( D )A.适用于任何情况下的进度检测B.仅适用于工作进度为变速进展的情况C.只适用于实施进度速度不变的情况D.主要适用于时标网络计划24.某工作的最早可能开始时间为3天,最迟必须完工时间为7天,本身作业时间为3天,若该作业从推迟1天完成,则对工期的影响是(C)A.工期推迟7天B.工期推迟1天C.不影响工期D.工期推迟3天25.工程网络计划的工期优化是通过(A),使计算工期满足要求工期A.压缩关键工作的持续时间B.将关键工作压缩成非关键工作C.压缩直接费最小的工作的持续时间D.改变关键工作之间的逻辑关系26.在某工程双代号网络计划中,工作D的最早开始时间和最迟开始时间分别为第20天和第25天,其持续时间为9天。
该工作有两项紧后工作,它们的最早开始时间分别为第32天和第34天,则工作D的总时差和自由时差分别为( C )天A.3和0 B.3和2 C.5和0 D.5和327.某分部工程有3个施工过程,各分为4个流水节拍相等的施工段,各施工过程的流水节拍分别为6、6、4天。
如果组织加快的成倍节拍流水施工,则流水步距和流水施工工期分别为(C)天A.2和22 B.2和30 C.4和28 D.4和36 28.在进度计划的表示方法中,既表示项目的逻辑关系,又表示工作时间的方法是(D)A.横道图法B.进度曲线法C.里程碑法D.时标网络图法二、多项选择题1.项目目标控制的主要措施类型是( ABCD )A.管理措施B.组织措施C.技术措施D.经济措施E.结构措施2.对于( BDE )等原因引起的索赔,承包商可索赔人工费部分A.工效降低增加的劳动B.完成合同之外的工作C.工程延期致使人员窝工D.法定人工费增长E.施工现场加班劳动3.因( BCDE )原因造成工期延误,经工程师确认,工期可以顺延。
A.承包人未能按约定时间开工B.不可抗力C.设计变更D.发包人未按约定支付进度款E.一周内非承包人原因停水造成停工累计超过8小时4.项目资源管理包括( ACDE )A.人力资源管理B.合同管理C.现场材料管理D.施工机械管理E.资金管理5.以下成本项目属于工程成本的有( ABCE )A.间接费用B.人工费C.材料费D.其他税金E.机械使用费6.以下招投标过程中的行为被禁止的是( BCE )A.采取低价策略B.投标人之间互相约定抬高投标价格C.投标人之间进行内部竞价,内定中标人D.招标人向投标人提出工程的条件和要求E、投标人以低于成本的报价竞标7.下列属于流水施工时间参数的是( BCD )A.施工过程数B.施工段数C.流水节拍D.流水步距E.工作H的自由时差为6周8.按照工程承包方式分类,合同的类型包括( AE )A.勘察、设计或施工总承包合同B.单位工程施工承包合同C.成本加酬金合同D.建设工程监理合同E.BOT合同9.调整网络计划时,增减工作项目时应符合的规定是( BCD )A.对工期有影响时,可以适当延长计划工期B.不打乱原网络计划总的逻辑关系C.只对局部逻辑关系进行调整D.应重新计算时间参数,分析对原网络计划的影响E.不必考虑对工程成本的影响10.单代号网络计划的绘图规则是( A D )A.网络图中不允许出现有重复编号B.在网络图中除起点节点和终点节点外,不允许出现其他没有内向箭线的工作节点和没有外向箭线的工作节点C.在网络图的开始和结束处增加虚拟的起点节点和终点节点D.在网络图中不允许出现循环回路E.后续节点的编号不一定大于前节点的编号三.简答题1.降低施工项目成本的主要途径有哪些。
1坚强项目管理,提高组织水平2加强技术管理,提高项目质量。
3加强劳动工资管理,提高劳动生产率4加强机械设备管理,提高机械使用率5加强材料管理,节约材料费用6加强费用管理,节约管理费用。
2.与横道图相比,网络计划的优点是什么?3. 项目经理的权限与职责分别是什么?网络计划特点:(1)网络计划能够明确表达各项工作之间的逻辑关系;(2)通过网络计划时间参数的计算,可以找出关键线路和关键工作;(3)通过网络计划时间参数的计算,可以明确各项工作的机动时间;(4)网络计划可以利用电子计算机进行计算、优化和调整。
邀请招标的优缺点及使用范围?所需时间较短,工作量小、目标集中,且招标花费较省;被邀请的投标单位中标率高;全部使用国有资金占控制或主导地位的项目,必须经国家计委或者省级人民政府批准方可实行邀请招标。
工程项目的风险类型。
.组织风险经济与管理风险工程环境风险技术风险如何理解PDCA循环原理?PDCA是英语单词Plan(计划:包括方针和目标的确定,以及活动规划的制定。
)、Do(执行根据已知的信息,设计具体的方法、方案和计划布局;再根据设计和布局,进行具体运作,实现计划中的内容)、Check(检查总结执行计划的结果,分清哪些对了,哪些错了,明确效果,找出问题)和Act(修正对检查的结果进行处理,对成功的经验加以肯定,并予以标准化;对于失败的教训也要总结,引起重视。
对于没有解决的问题,应提交给下一个PDCA循环中去解决)的第一个字母,PDCA循环就是按照这样的顺序进行质量管理,并且循环不断地进行下去的科学程序。
四.计算题1.某工程项目的进度计划如下面双代号时标网络图所示。
箭线上方数字是该工作的计划成1 2 3 4 5 6 7 8 9 10 11 12 13 14 15A 5DBC334EGF163IH211 2 3 4 5 6 7 8 9 10 11 12 13 14 151----2----4-----6----7-----91----2--=--3----4----6----7-----9重点控制对象1----2----4-----6----7-----9(2)当该工程项目进行到第5个月底时,检查该工程项目的实际进度为:A工作已经全部完成,B、C、D分别完成了2/3、1/3、和3/4;第10个月底时,检查该工程项目的实际进度为:A、B、C、D均已完成,工作E、F、G分别完成了1/3、3/5、3/5。
请绘制该工程项目第5月底和第10月底的实际进度前锋线,并分析其对工期的影响;(3)假设该工程项目第5月底和第10月底已完工程实际成本分别为45万元和95万元,请计算第5月底和第10月底的投资偏差和进度偏差。