足球场地草坪质量评估标准
- 格式:docx
- 大小:37.17 KB
- 文档页数:2
国际足联天然草坪评价体系全文共四篇示例,供读者参考第一篇示例:国际足联(FIFA)是世界上最高级别的足球管理组织,拥有负责推动和监督国际足球比赛的权威机构。
为了确保比赛场地的质量和安全,国际足联制定了严格的草坪评价体系,以确保比赛场地的草坪符合标准。
国际足联的天然草坪评价体系主要包括以下几个方面:草坪质量、草坪硬度、排水性能和草坪表面平整度。
这些因素在保证球员在比赛中得到最佳表现的也对比赛的公平性和安全性起着至关重要的作用。
草坪质量是国际足联评价体系中最重要的因素之一。
一块优质的草坪在观赏性和球员出色发挥方面有着不可替代的作用。
国际足联的要求是,草坪必须是一块均匀、绿油油、茂盛的植被地表,并且草坪表面必须平整、密集,没有裸露土壤或积水。
国际足联还要求草坪草长度要在合适的范围内,以保证球员在比赛中能够稳健地奔跑和控球。
草坪硬度也是国际足联评价体系中需要注重的一个方面。
草坪硬度直接关系到球员在比赛中的受力和运动情况,过硬或者过软的草坪都会影响到球员的表现和受伤风险。
国际足联要求,草坪硬度必须符合标准,既要有足够的弹性,又要有足够的支持力,以确保球员在比赛中的舒适性和安全性。
排水性能是国际足联评价体系中另一个重要的方面。
草坪排水性能的好坏不仅会影响比赛场地的使用寿命,还会影响到球员在比赛中的表现和场地的积水情况。
国际足联要求,草坪必须具有良好的排水性能,能够快速排水并保持场地干燥,以确保比赛不受天气和地面条件的影响。
草坪表面平整度也是国际足联评价体系中需要关注的一个方面。
球员在比赛中需要稳定的支撑和流畅的奔跑,因此草坪表面必须平整、光滑,没有隆起、凹陷或其他不规则情况。
国际足联要求,草坪表面平整度必须符合标准,以确保球员在比赛中可以得到最佳的比赛体验。
国际足联的天然草坪评价体系涵盖了草坪质量、草坪硬度、排水性能和草坪表面平整度等多个方面,以确保比赛场地的质量和安全。
只有符合国际足联的评价标准,才能保证比赛场地的草坪在比赛中发挥最佳效果,提升比赛的质量和观赏性。
足球场质量控制一、引言足球场作为体育场地的重要组成部份,其质量控制对于保障运动员的安全和比赛的公正性具有重要意义。
本文旨在介绍足球场质量控制的标准格式,包括场地平整度、草坪质量、排水系统、边线标识等方面的要求。
二、场地平整度1. 场地平整度的测量方法:采用平整度仪等工具进行测量,测量点应均匀分布于足球场地表面。
2. 场地平整度的要求:场地表面平整度误差不应超过±5mm,确保球在场地上运行时不会受到明显的妨碍。
三、草坪质量1. 草坪的选择:应选用适合足球比赛的草种,如柔性草种或者人工草坪,确保草坪的耐磨性和球场表面的稳定性。
2. 草坪的生长和维护:定期进行修剪、浇水和施肥,保持草坪的均匀生长和绿色度。
3. 草坪的密度:草坪密度应达到每平方米8000根以上,确保球在场地上滚动时有良好的回弹性。
四、排水系统1. 排水系统的设计:足球场应设置合理的排水系统,包括排水沟、排水管道等,确保场地在降雨后能够迅速排水,避免积水现象的发生。
2. 排水系统的维护:定期清理排水沟和排水管道,确保其畅通无阻。
五、边线标识1. 边线标识的要求:边线应使用耐候性好、颜色明艳的标线材料进行标识,确保标识线的清晰可见。
2. 边线标识的尺寸:边线宽度应为12cm,长度应符合足球场标准尺寸的要求。
3. 边线标识的维护:定期检查边线标识的磨损情况,及时进行维修或者重新标识。
六、总结足球场质量控制是保障比赛公正性和运动员安全的重要环节。
通过场地平整度、草坪质量、排水系统和边线标识等方面的严格要求,可以确保足球场的质量达到标准,并提升比赛的体验和欣赏性。
各相关部门和管理者应加强对足球场质量的监督和管理,确保足球场的质量得到有效控制和维护。
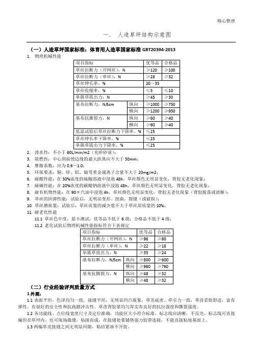
精心整理一.人造草坪结构示意图(一)人造草坪国家标准:体育用人造草国家标准GBT20394-20131.2.3.4.5.6.7.8.;9.10.11.1.外观:1.1表面平坦,色泽均匀一致,接缝平坦,无明显凹凸现象,草茎疏密、牵引力一致,草苗柔软舒适,富有弹性,有很好的安全性和抗践踏冲击性。
草苗背胶要均匀厚实有良好的抗拉强度和撕裂强度。
1.2各功能线、点位线宽度尺寸及定位准确,功能区大小符合标准。
标志线应清晰,不反光,标志线可直接编织在草坪内,也可现场裁缝,粘接而成,在接缝处要铺垫强力胶带连接,不能直接粘地基面上。
1.3两幅草皮接缝之间无明显间隙,粘结紧凑不开胶。
1.4填注的砂和胶粒表面洁净,充注饱满,无明显的高低差。
1.5坡度:人造运动草坪场地倾斜坡度为4‰-6‰,要有良好的排水性能。
2.各点位线距离尺寸精度对各种功能线、点位线的标记颜色和尺寸均要符合国际足联规则的要求。
误差不超过2公分。
3.填充物厚度:根据本品牌人造草实际使用中球的反弹性能,以及国际国内相关权威机构的要求,确定人造草填充物为两层;底层为40-60目石英砂,上层为16-24目橡胶粒,两层分开填注,不能混合。
4.人造草场地性能的检测结构状态不允许场地地面出现任何诸如起拱、裂隙或脱胶、底布断裂等现象。
以标准足球场进行测试,于一米高处落下,球的回弹要求达到40%,即足球从一米高位置自由落体,球反弹高度为40公分。
5.平整度、坡度国际足联规则的要求为三米直尺一公分。
无锡绿舒盈利。
1.伤?–?耐磨,阻燃?–?主要用于高尔夫打击垫及曲棍球场。
(3)草皮供应商江苏共创人造草坪有限公司、广州艾奇人造草坪有限公司、青岛青禾人造草坪有限公司、德州乐陵泰山人造草坪产业有限公司、北京火炬生地人造草坪有限公司;(4)相关认证:国际足联认证FIFA认证(人造草坪行业的最高认证)、人造草坪的实验室认证ISA认证,NSCC国体认证,ISO9001质量管理体系认证,ISO14001环境管理体系。
足球场质量控制一、引言足球场作为一项重要的体育设施,其质量控制对于保障运动员的安全和比赛的公平性至关重要。
本文将详细介绍足球场质量控制的标准格式,包括场地选址、场地平整度、草坪质量、灯光照明、设施设备等方面的要求。
二、场地选址1. 场地选址应远离噪音源和污染源,周围环境应干净整洁,无明显异味。
2. 场地选址应避免地势低洼,以免积水影响比赛进行。
3. 场地选址应具备良好的通风条件,以保证空气流通。
三、场地平整度1. 场地平整度应符合国家相关标准,不得有明显的凹凸不平、坑洼或者斜坡。
2. 场地平整度应经过专业测量,测量结果应在规定范围内。
四、草坪质量1. 草坪应选择适宜的草种,如人工草坪应具备良好的弹性和耐磨性。
2. 草坪应保持均匀的绿色,无枯黄、死亡或者稀疏现象。
3. 草坪应保持适宜的湿度,不得浮现过湿或者过干的情况。
4. 草坪应保持适宜的修剪高度,不得过高或者过低。
五、灯光照明1. 灯光照明应满足比赛和训练的要求,保证场地的璀璨度和均匀度。
2. 灯光照明应避免产生刺眼或者阴影,以确保运动员的视线清晰。
3. 灯光照明应具备良好的稳定性和可调节性,以适应不同比赛和训练的需要。
六、设施设备1. 足球场边界应设置明确的围栏或者护栏,以确保观众和运动员的安全。
2. 足球场应设有足够数量和合适位置的看台、座椅和歇息区,以提供观众的舒适度。
3. 足球场应设有适当数量和合适位置的更衣室、洗手间和储物柜,以满足运动员的需求。
4. 足球场应设有足够数量和合适位置的医疗急救设施,以保障比赛期间的紧急情况处理。
七、质量检测与验收1. 足球场的质量检测应由专业机构进行,包括场地平整度、草坪质量、灯光照明等方面的检测。
2. 足球场的质量验收应符合相关标准和规定,包括场地平整度、草坪质量、灯光照明等方面的要求。
八、质量保证与维护1. 足球场的质量保证应由场地管理者负责,定期进行巡检和维护,及时修复损坏或者磨损的设施设备。
2. 足球场的草坪应定期修剪、浇水、施肥和除草,以保持良好的生长状态。
足球场质量控制一、引言足球场作为一项专业的体育设施,其质量控制至关重要。
本文将详细介绍足球场质量控制的标准格式,包括场地平整度、草坪质量、灯光照明、设施设备等方面的要求。
二、场地平整度1. 场地平整度的定义:场地平整度是指足球场表面的平整程度,包括平整度、坡度、凹凸度等方面。
2. 要求:a. 场地平整度应符合国家标准,表面平整度误差不得超过±5mm。
b. 场地坡度应符合国家标准,坡度误差不得超过±2%。
c. 场地凹凸度应符合国家标准,凹凸度误差不得超过±3mm。
三、草坪质量1. 草坪质量的定义:草坪质量是指足球场表面的草坪的生长情况和整体质量。
2. 要求:a. 草坪应选用适合足球比赛的草种,如千屈菜草、二姑草等。
b. 草坪的高度应符合国家标准,普通为25mm-30mm。
c. 草坪的密度应符合国家标准,普通为每平方米600-800根草。
四、灯光照明1. 灯光照明的定义:足球场的灯光照明是指足球场在夜间比赛或者训练时提供足够的照明。
2. 要求:a. 灯光照明强度应符合国家标准,普通为足球场中心点照度不低于500Lx,边线照度不低于200Lx。
b. 灯光照明的均匀度应符合国家标准,普通为中心点照度与边线照度之比不得超过3:1。
c. 灯光照明的色温应符合国家标准,普通为4000K-6000K。
五、设施设备1. 设施设备的定义:足球场的设施设备包括看台、围网、换人区、球门等。
2. 要求:a. 看台应符合国家标准,能够容纳足够数量的观众,并保证观众的安全。
b. 围网应符合国家标准,高度普通为2-3米,能够有效防止球出界。
c. 换人区应符合国家标准,大小适中,方便球员更衣和替换。
d. 球门应符合国家标准,材质坚固,尺寸准确,能够确保比赛的公正性。
六、总结足球场质量控制是确保足球比赛的顺利进行和运动员的安全的重要环节。
本文详细介绍了足球场质量控制的标准格式,包括场地平整度、草坪质量、灯光照明、设施设备等方面的要求。
球场测评方案背景在现代足球竞赛中,球场质量对比赛成败有着极其重要的影响。
一块优秀的球场不仅可以让球员们更好地发挥个人技能,还可以降低因为场地因素而出现的比赛伤病风险。
因此,为了保证比赛质量,球场测评系统变得越来越重要。
目的本文旨在提供一套球场测评方案,通过对球场各项指标进行综合评测,来评估球场的整体质量状况,有助于促进球场的维护和升级。
测评指标下面列出的是测评方案的主要指标:草皮状态球场草皮的状态是评估球场质量的关键指标之一。
常见的草皮状态指标包括:•拉平程度:指表面是否平整,是否有起伏或高低差异。
•色度:指草皮颜色的深浅程度,颜色越深、鲜艳则说明草皮更健康。
•稠密度:指草皮的生长情况,密度越大说明草皮越健康。
场地硬度场地硬度指标的重要性在于着眼于球员脚底的感觉和负荷强度,还可以影响球的反弹情况。
前所未有的硬度会限制球员的跑动,增加受伤风险,而过于柔软的场地则会导致比赛中球的弹性过大,影响比赛的公正性。
场地排水球场排水是指在场地内部的排水性能,通常需要考虑场地坡度、排水系统等问题,以确保在比赛过程中不会有大量积水,影响运动员的运动和球的滚动。
照明系统照明系统主要作用是确保在比赛和训练期间光照条件充足。
系统运行正常,灯光充足,球员就能够更好地运动和发挥技术。
测评流程测评流程可以参考以下步骤:1.拍摄球场照片,准备记录进度表。
2.以草皮状态、场地硬度、场地排水、照明系统作为测评指标,综合评分。
3.用工具/仪器测量草皮高度、硬度、场地倾斜度等指标数据。
4.用模拟器/自然测试测量球运动的弹性、速度和滚动距离。
5.测量球场照明强度和均匀度。
6.针对每一项指标进行记录和分析,给出总体评分。
7.根据分析结果,在哪些方面给出球场的维护建议。
结论球场测评方案是评估足球场地的重要工具。
良好的球场状态可以提高运动员的表现,同时为观众提供优质的观赛体验。
在确保球员安全、比赛公正、赛事顺畅的前提下,俱乐部、主办方和保护、维护球场是得到一个出色的球场的关键。
足球草坪质量标准
1、草坪纤维材料类别:1)、PE(聚乙烯)
2)、直草、曲草、混合草
3)、纺织方式:簇绒
2、草型:切片单丝和网状直草(60-80微米)
3、草坪寿命:5年以上
4、检测数据:按照GB/T 20394-206标准,包括-抗紫外线、抗老化、耐磨性、弹性、阻燃性(一级)、摩擦力。
5、草纤维参数:草丝高度40mm、50mm
6、填充物标准:1)、石英砂20mm、40-60目、20kg/㎡、圆度率≥80%、无粉尘
2)、颗粒10mm、16-20目、6kg/㎡、少粉尘
7、技术指标:1)、密度:≥9500针/㎡
2)、磅重DTEX:一束纤维每一万米的克重数7400、8800
8、人造草底基布:1)、硫化羊毛PP编制、玻璃纤维底部(网格)
2)、基布横纵向抗撕裂力≥32N
9、透水性:60升/分钟/平方
10、色牢度:蓝卡测试≥4级
11、簇绒强度(合格品):单簇草拔出力≥24N 草丝拉断力≥18N
12、阻燃性:中心到损毁边缘最大距离应为50mm。
F I F A检测草坪的新标准公司内部编号:(GOOD-TMMT-MMUT-UUPTY-UUYY-DTTI-导读:最新的足球场人工草坪FIFA认证(2.2版本)于2016年4月7日发布。
足球场人造草坪FIFA认证的新标准更为严格,在新的实验室检测、新的场地检测、新的测试方法要求等方面均有变动。
最新的足球场人工草坪FIFA认证(2.2版本)于2016年4月7日发布。
足球场人造草坪FIFA认证的新标准更为严格,在新的实验室检测、新的场地检测、新的测试方法要求等方面均有变动。
一、FIFA认证之有效期变动内容FIFA1星:有效期4年→3年FIFA2星:有效期1年→1年与旧标准不同的是,新标准规定通过FIFA认证的足球场地如在证书有效期内抽检或复测不合格,不论最初通过的认证是1星还是2星,证书都会被停止使用,且不再有任何证书。
二、足球场人工草坪之实验室检测标准变动内容高温表面:1星40°,2星40°,质量标准50°,职业质量标准50°冲击吸收:1星55%-70%,2星60%-70%,质量标准57%-68%,职业质量标准62%-38%垂直变形:1星4mm-11mm,2星4mm-10mm,质量标准6mm-11mm,职业质量标准6mm-10mm转动力矩:1星25Nm-50Nm,2星30Nm-45Nm,质量标准27Nm-48Nm,职业质量标准32Nm-43Nm线性摩擦:1星3.0g-6.0g,2星3.0g-5.5g,质量标准取消,职业质量标准取消线性减速度:1星120-220,2星130-210,质量标准取消,职业质量标准取消温度:1星无,2星无,质量标准可选可不选,职业质量标准收集信息填充物飞溅:1星无,2星无,质量标准无,职业质量标准记录<1.5%or ≥1.5%接缝强度-粘黏式:1星25N/100mm,2星25N/100mm,质量标准75N/100mm,职业质量标准75N/100mm抗UV检测:1星2550小时,2星2550小时,质量标准5000小时,职业质量标准5000小时短距离球滚动:取代球滚动新系统磨损情况:测试条件干燥,质量标准4-8m,职业质量标准4-10m 3020转磨损情况:测试条件干燥,质量标准4-8m,职业质量标准无;测试条件潮湿,质量标准4-8m,职业质量标准无6020转磨损情况:测试条件干燥,质量标准无,职业质量标准4-12m;测试条件潮湿,质量标准无,职业质量标准无4-12m实验室检测样品要求样品1:1*1米样品4: 0.4*0.4米样品2:1*5米样品5: 0.4*0.4米样品3:1*1米样品6: 0.4*0.4米三、足球场人工草坪FIFA认证之场地测试标准变动内容场地测试标准未变动,场地取样粒径测试方法稍有变动垂直球反弹:质量标准每个测试点不超过平均值的±10%,职业质量标准每个测试点不超过平均值的±5%球滚动:质量标准每个测试点不超过平均值的±15%,职业质量标准每个测试点不超过平均值的±10%冲击吸收:质量标准每个测试点不超过平均值的±10%,职业质量标准每个测试点不超过平均值的±5%垂直变形:质量标准每个测试点不超过平均值的±15%,职业质量标准每个测试点不超过平均值的±10%转动力矩:质量标准每个测试点不超过平均值的±10%,职业质量标准每个测试点不超过平均值的±6%自由草高:记录数据填充高度:记录数据四、足球场人工草坪FIFA认证之场地尺寸标准变动内容常规场地长度:质量标准90m-120m,职业质量标准100m-110m常规场地宽度:质量标准45m-90m,职业质量标准64m-75m辅助区宽度应依照当地或者国家标准,通常推荐为至少3米;辅助区同样需要检测,其检测标准与场地内部相同。
草坪质量评价标准指单位面积内草坪草个体数量的多少。
密度是草坪质量最重要指标,密集毯状的草坪是最理想的。
(不宜靠提高播种密度达到密集)草坪草密度随遗传性、自然环境和养护水平等因素的不同而变化。
某些品种可以获得最高的草坪密度,尤其在低修剪和大量施肥、灌水、无致病生物、无昆虫侵袭的草地中更为明显。
同一品种,其密度也因栽培方法、环境、季节等产生显著差异。
充足的水分,短茬修剪,氮肥的施用等均能增加草坪的密度。
2、质地是对叶宽和触感的量度。
通常认为叶愈窄品质愈优。
在同龄同部位条件下测定,叶宽以1.5~3.3mm为优,依草坪草种及品种的叶宽,可分如下等级:a、极细:细叶羊茅,绒毛翦股颖、非洲狗牙根;b、细:狗牙根、草地早熟禾、细弱翦股颖、铺茎翦股颖,沟叶结缕草;c、中等:细叶结缕草、一年生黑麦草、小糠草;d、宽:草地羊茅、结缕草;e、极宽:苇状羊茅、狼尾草、雀稗。
3、颜色颜色是对草坪反射光的量度,是草坪质量目测评定的重要指标。
颜色依草种及品种不同而异,从浅绿→深绿→浓绿。
出现黄色或褪绿,说明草坪草营养缺乏、疾病或不利因素影响。
深色表示肥料过多,草坪草将发生萎蔫或是患疾病的早期症兆。
评定草坪颜色的传统方法是测定叶绿素的含量。
在农业中也使用比色卡。
最简洁的方法,在草坪上部高1m处测定光反射量,反射光的量愈少质量愈高。
4、均匀性是对草坪平坦表面的估价。
高质量的草坪应是高度均一,不具裸露地、杂草、病虫害污点,生育型一致的草坪。
5、盖度指草坪草覆盖地面的面积与总面积的比。
可用目测法或点测法确定。
盖度越大,草坪质量越高。
6、生长型是描述草坪草枝条生长特性的指标。
有丛生型、根茎型、匍匐茎型三种类型。
丛生型草坪草主要通过分蘖进行扩展。
根茎型草坪草通过地下茎进行扩展。
匍匐茎型草坪草通过匍匐茎的地上水平枝条扩展。
7、平滑度是草坪的表面特征,是运动场草坪品质的重要因素。
平滑度好的草坪不会降低球滚动的速度和持续时间。
国际足联天然草坪评价体系-概述说明以及解释1.引言1.1 概述国际足联天然草坪评价体系是国际足联为了确保足球比赛的公平和高质量而制定的一套评价标准和指导原则。
草坪的质量对于比赛的结果和球员的表现起着至关重要的作用。
因此,国际足联通过建立天然草坪评价体系,旨在推动各国足球场地的改善,提高球场的可玩性和安全性。
这个评价体系包括了一系列的标准和指标,用于评估草坪的生长情况、密度、平整度、弹性、排水性等。
评价过程通常涉及到专业的测量工具和设备,以及专业的评估团队。
国际足联还鼓励各个国家和足球协会采用这套评价体系,并提供相应的技术支持和培训,以确保评价的准确性和一致性。
天然草坪评价体系的实施不仅有利于改善足球比赛的场地条件,提高球员的比赛体验,而且也有助于提高球场的可持续性和可管理性。
通过科学合理地评估和管理草坪,可以降低维护成本、减少用水和化学药物的使用,从而达到更加环保和可持续的管理目标。
综上所述,国际足联天然草坪评价体系是一套全面评估足球场地质量的标准和指导原则。
通过实施这套评价体系,可以提高球场的可玩性和安全性,促进足球比赛的公平和高质量。
同时,也可以推动球场管理的可持续发展,减少对环境的影响。
1.2 文章结构文章结构部分的内容应该包括以下内容:文章结构是指文章的整体组织框架,通常包括引言、正文和结论三个部分。
在国际足联天然草坪评价体系的论文中,文章结构的设计需要合理安排每个部分的内容,以确保读者能够清晰地理解文章的整体逻辑和要点。
引言部分是文章的开篇,旨在引起读者的兴趣,概述文章的主题和内容,并提出文章的目的和意义。
在国际足联天然草坪评价体系的论文中,引言部分可以简要介绍国际足联的背景和其对天然草坪的重视,以及评价体系的研究意义和价值。
正文部分是文章的核心,主要阐述国际足联天然草坪评价体系的相关要点和内容。
根据给定的大纲,正文部分可以分为多个小节,每个小节对应一个要点。
在每个小节中,可以详细介绍该要点的定义、原理、实施和应用,以及相关的案例和研究成果。
足球场建设草坪标准
足球场是体育运动的重要场地之一,而草坪的质量直接关系到球员们的比赛和
训练质量。
因此,足球场草坪的建设标准至关重要。
本文将就足球场建设草坪的标准进行详细介绍,以期为相关工作提供参考。
首先,足球场草坪的标准要求草皮质地均匀、茂密、平整。
草皮应该是由高品
质的草种组成,如千屈草、黑麦草等,具有良好的抗压性和耐磨性。
草皮的高度一般应该在2.5厘米至3.5厘米之间,确保球员在比赛和训练中能够得到良好的运动
体验。
其次,足球场草坪的标准要求排水系统完善。
足球场通常会遇到雨水或灌溉水,因此排水系统必须能够迅速将积水排出,避免草坪过度浸泡导致草皮死亡。
同时,排水系统还应考虑到对环境的影响,避免因排水不畅而导致水土流失等问题的发生。
另外,足球场草坪的标准还要求施肥和养护措施得当。
定期施肥和养护可以保
持草坪的健康生长,提高草坪的抗病虫害能力,延长草坪的使用寿命。
同时,对于草坪的修剪、除草、松土等工作也应该得到充分的重视,确保草坪的整体质量。
最后,足球场草坪的标准还要求对草坪周边的植被进行合理的设计和布局。
周
边植被的选择应该考虑到对草坪的保护和辅助作用,避免因为周边植被的原因影响到草坪的正常生长和使用。
总的来说,足球场草坪的建设标准涉及到草皮质地、排水系统、施肥养护以及
周边植被等多个方面,需要综合考虑,确保足球场草坪的质量达到标准要求。
只有这样,才能为球员们提供一个良好的比赛和训练场地,促进足球运动的发展和普及。
FIFA检测草坪的新标准国际足联(FIFA)作为世界足球的管理组织,一直致力于提升足球比赛的质量和安全。
其中,草坪作为比赛的重要组成部分,对球员的运动性能和比赛结果有着重要影响。
为了确保比赛的公平性和球员的安全,FIFA近期发布了草坪的新标准。
本文将介绍FIFA检测草坪的新标准,以及这一标准的意义和影响。
在过去,草坪的质量往往只是根据人眼的主观判断来评估。
然而,这种方式存在很大的不确定性和不公平性。
为了解决这一问题,FIFA 制定了一套科学而严格的标准来检测草坪的质量。
新标准主要包括以下几个方面:一、草地硬度:FIFA规定了草地硬度的合理范围,过硬或过软的草地都会对球员的运动造成不利影响。
因此,草地硬度需要保持在一个适当的范围内,既要保证球员能够稳定地奔跑和转身,又要减少对关节和肌肉的损伤风险。
二、草坪平整度:一个平整的草坪能够提供更好的球场表现和比赛质量。
FIFA要求草坪的平整度达到一定水平,以确保球在球场表面滚动的路径不受干扰。
这样一来,球员在比赛中就能更好地控制球的运动路径,增加比赛的公平性。
三、草坪密度:草坪的密度对于球场的效果和球员的运动性能有着重要影响。
FIFA规定了草坪的最低密度要求,以确保球员在奔跑和转身时能够获得足够的支撑力和稳定性。
过低的密度会导致球员在行动中失去平衡,增加受伤的风险。
四、草地覆盖率:草地的覆盖率是评估草坪质量的一个重要指标。
FIFA要求草地覆盖率达到一定水平,以确保比赛不受因草地出现大面积空白区域或积水而影响。
这样一来,球员在比赛中就能获得更好的比赛体验,并降低因草坪问题引起的伤病风险。
通过这些标准,FIFA能够更科学和客观地评估草坪的质量,并及时发现和解决问题。
球场管理者和维护人员可以通过测试和监测,及时调整草坪的硬度、平整度、密度和覆盖率。
这不仅可以提高草坪的质量和耐用性,还可以保证比赛的公平性和球员的安全。
新标准的发布对于足球比赛和球场管理有着重要的意义和影响。
足球场质量控制一、引言足球场作为体育比赛和娱乐活动的场地,其质量对于运动员的表现和比赛结果至关重要。
因此,足球场质量控制是确保比赛公平性和运动员安全的关键环节。
本文将详细介绍足球场质量控制的标准格式,包括场地平整度、草坪质量、排水系统、标志标线等方面的要求。
二、场地平整度1. 场地平整度的定义场地平整度是指足球场地面的平整程度,包括水平度和垂直度两个方面。
2. 场地平整度的要求(1)水平度:足球场地面应保持水平,不得有明显的高低起伏。
水平度的误差范围应控制在±5mm以内。
(2)垂直度:足球场地面应垂直于地面,不得有明显的倾斜。
垂直度的误差范围应控制在±2°以内。
三、草坪质量1. 草坪质量的定义草坪质量是指足球场上草坪的生长状况和密度,包括草坪的厚度、均匀性和弹性等方面。
2. 草坪质量的要求(1)草坪厚度:足球场草坪的厚度应保持在20mm至30mm之间,以确保运动员在比赛中的舒适度和安全性。
(2)草坪均匀性:足球场草坪应均匀生长,不得浮现明显的裸露或者过度生长的区域。
(3)草坪弹性:足球场草坪应具有一定的弹性,以减轻运动员在比赛中的冲击力。
弹性的测试应符合相关标准。
四、排水系统1. 排水系统的定义排水系统是指足球场地面的排水设施,用于排除雨水和地下水,以保持场地的干燥和稳定。
2. 排水系统的要求(1)排水设施:足球场应配置有效的排水设施,包括排水沟、排水管道和雨水采集设备等。
(2)排水效果:足球场地面应具备良好的排水效果,雨水应能够迅速排除,不得浮现积水现象。
(3)排水能力:足球场地面的排水能力应根据场地大小和降雨情况进行合理设计,确保排水畅通。
五、标志标线1. 标志标线的定义标志标线是指足球场上的各类标志和标线,用于指示比赛规则和场地边界。
2. 标志标线的要求(1)标志标线的清晰度:足球场上的标志标线应清晰可见,不得有含糊或者退色的情况。
(2)标志标线的规范性:足球场上的标志标线应符合相关比赛规则和标准,包括场地边界线、球门线、中线、罚球点等。
怎样判断草坪质量的好坏?这4个指标是关键!什么样的草坪才算好,你说得出来吗?其实,草坪的质量评价指标,一般来讲主要包括草坪的刚性、弹性、回弹力、再生能力等。
当然了,根据用途和使用目的的不同,也会存在一定差异。
如果是高尔夫球场草坪,则对草坪的密度和均一性要求很高,叶宜细而柔软,对草坪的平滑度要求甚高;如果是运动场草坪(如足球、橄榄球等比赛场的草坪),就要考虑其运动功能,因此这类草坪的耐践踏性与在恢复力是很重要的。
1. 刚性刚性是指草坪草叶片抵抗外来压力的抗性强度。
刚性与草坪的耐践踏能力有关,是由草坪植株内部组织结构、纤维素和水分含量、分枝个体的大小和密度所决定的。
百慕大和马尼拉草坪的刚性强,可以形成耐踏行的草坪;老虎皮和多年生黑麦草的刚性则差一些;而本特草刚性差一点。
只要具备一定的耐踏践踏能力,柔软有时也是某些用途草坪所希望的特征,这主要取决于草坪的用途和使用强度。
2. 弹性弹性是指草坪叶片受到外力作用时变形,在消除外力后叶片恢复原来状态的能力,是草坪非常重要的一个功能特征指标。
因为大多数情况下,由于养护管理和使用等活动的原因,草坪不可避免地会受到不同程度的践踏。
在初冬季节,清晨有霜冻发生时,草坪叶片的弹性急剧降低,这时应禁止一切草坪上的活动,否则践踏草坪所造成的损伤是无法恢复的。
当温度升高以后,草坪草的弹性会得到恢复,有时清晨喷灌可加快这一过程。
3. 回弹力回弹力是草坪吸收外力冲击而不改变草坪表面特性的能力,可以称作韧性。
草坪的回弹力部分受滋生特性和草坪草叶片的影响,但主要受草坪草生长介质特性包括土壤结构和土壤类型的影响。
此外,草坪上如形成薄的枯草层,也能增加草坪的回弹力。
足球场草坪的回弹力对防止运动员受伤是非常重要的。
高尔夫球场果岭草应该有足够的回弹力,以保持住一个恰当的定向击球。
4. 再恢复力再恢复能力是指草坪受到外界因素包括践踏、病害、虫害及其他因素损害后,能够恢复覆盖、自身重建的能力。
在恢复能力主要受草坪自身遗传特性,养护措施、自然环境条件与土壤的影响。
摘自《足球场草坪管理与评估 》/李树青编著/北京体育大学出版社/2004.9
摘自《足球场草坪管理与评估 》/李树青编著/北京体育大学出版社/2004.9
摘自《足球场草坪管理与评估 》/李树青编著/北京体育大学出版社/2004.9
摘自《足球场草坪管理与评估 》/李树青编著/北京体育大学出版社/2004.9
摘自《足球场草坪管理与评估 》/李树青编著/北京体育大学出版社/2004.9
摘自《足球场草坪管理与评估 》/李树青编著/北京体育大学出版社/2004.9
摘自《足球场草坪管理与评估 》/李树青编著/北京体育大学出版社/2004.9
摘自《足球场草坪管理与评估 》/李树青编著/北京体育大学出版社/2004.9
摘自《足球场草坪管理与评估 》/李树青编著/北京体育大学出版社/2004.9
摘自《足球场草坪管理与评估 》/李树青编著/北京体育大学出版社/2004.9
摘自《足球场草坪管理与评估 》/李树青编著/北京体育大学出版社/2004.9
摘自《足球场草坪管理与评估 》/李树青编著/北京体育大学出版社/2004.9。
草坪质量标准草坪作为城市绿地的一部分,不仅美化了环境,也为居民提供了宁静、休闲的场所。
一个优质的草坪既是城市景观的亮点,又是人们休憩娱乐的好去处。
因此,草坪质量的标准对于城市生态环境和居民生活质量都具有重要意义。
第一章:草坪的分类及用途1. 草坪的分类草坪按照用途和管理要求可以分为景观草坪、运动场地草坪、高尔夫球场草坪等。
每一类草坪都有其独特的特点和对质量的独特需求。
2. 草坪的用途景观草坪:主要用于美化城市和园林,要求草坪整体色彩和坪面光滑度较高。
运动场地草坪:用于足球场、橄榄球场等运动场地,对草坪的耐磨性和弹性有较高要求。
高尔夫球场草坪:对坪面平整度、草坪密实度等要求相对较高。
第二章:草坪质量评估指标1. 草坪颜色草坪的颜色是直接影响景观效果的重要因素。
优质草坪应该呈现鲜绿、均匀一致的颜色,反映草坪的健康状况。
2. 草坪密实度草坪的密实度直接关系到坪面的整体观感和坪面的稳定性。
过于疏松的草坪既影响美观,也容易形成积水。
3. 草坪坪高草坪坪高的合理范围是关键。
坪高太高既影响视觉效果,也容易藏污纳垢;坪高太低则可能影响草坪的生长和抗逆能力。
4. 草坪均匀度均匀度是指草坪整体的平整度和一致性。
坪面不平整会影响人们的休闲体验,也可能导致运动场地的不均匀。
5. 草坪抗逆性草坪的抗逆性是指草坪对于逆境条件的适应和恢复能力,包括耐热、耐寒、耐病虫害等。
第三章:草坪养护管理1. 草坪的修剪定期修剪是草坪维持良好状态的基础,要求修剪整齐、坪高适中,避免过度修剪。
2. 草坪的浇水草坪的浇水是确保草坪正常生长的关键步骤,要求合理用水,避免出现积水和缺水情况。
3. 草坪的施肥施肥是维持草坪绿色健康的必要手段,要求施肥平衡,不过量,避免对环境造成负面影响。
4. 草坪的病虫害防治定期进行病虫害防治是确保草坪生长的关键,要求使用环保、低毒的防治手段。
草坪作为城市生态的一部分,其质量标准直接关系到城市环境的品质和人们生活的舒适度。
足球场地草坪质量评估标准
足球是一项世界性的运动,而优良的草坪质量对于球场的使用和比赛质量至关
重要。
足球场地草坪质量评估标准是制定和确定草坪质量的指导原则,旨在保证球场草坪的均衡性、耐久性和适应性,同时提供球员良好的比赛环境。
首先,土壤质量是影响草坪质量的重要因素。
足球场地的土壤应具备适宜的排
水性、通气性和持水性。
良好的排水性可以确保球场在下雨天气或比赛中不积水,从而减少球员受伤的风险。
适宜的通气性可以促进草坪土壤中的氧气和二氧化碳交换,有利于草坪的生长和根系发展。
持水性则可以提供草坪所需的水分,保持草坪的健康状态。
其次,草种的选择也是影响草坪质量的重要因素之一。
在选择草种时,需要考
虑草种的抗病性、耐用性和适应性。
抗病性高的草种能够减少草坪受病虫害的损害,提高草坪的生长能力。
耐用性强的草种能够承受球员在比赛中的奔跑和滑行,从而减少草坪的磨损和损坏。
适应性好的草种能够适应不同气候和土壤条件,确保球场草坪在各种天气下保持良好状态。
除了土壤质量和草种选择,足球场地草坪质量评估还包括草坪的均匀度、厚度
和颜色等方面的考量。
草坪的均匀度指的是草坪表面的平整程度和草坪的生长状态。
均匀的草坪表面可以减少球员在奔跑和运动过程中的跌倒和摔伤风险。
草坪的厚度则与草坪的稠密程度和生长状况有关,厚实的草坪能够提供更好的防护效果。
草坪的颜色则是对草坪生长状况和养护情况的一个直观反映,良好的草坪颜色意味着草坪的健康和生长状况良好。
最后,草坪的维护和管理也是确保足球场地草坪质量的关键环节。
维护和管理
工作包括定期修剪草坪、适应性施肥、病虫害预防和草坪修复等。
定期修剪草坪可以保持草坪的均匀性和良好的生长状态,而适应性施肥可以提供草坪所需的养分,促进草坪的健康生长。
病虫害预防和草坪修复则是在草坪发生病虫害或损坏时做出的相应处理,避免进一步影响草坪质量。
综上所述,足球场地草坪质量评估标准是确保球场草坪质量的重要工具。
通过
考虑土壤质量、草种选择、草坪均匀度、厚度和颜色以及维护和管理等方面的因素,可以制定出科学合理的评估标准,为球场提供良好的草坪质量,提高球员比赛的体验和安全性。
只有不断改善和提高足球场地草坪质量,才能保证足球运动的健康发展和球员的良好比赛体验。