2.溢洪道工程单元划分表(最终)
- 格式:xls
- 大小:50.00 KB
- 文档页数:1
3工程项目划分项目名称3.1.1 水利水电工程质量检验与评定应进行项目划分。
项目按级划分为单位工程、分部工程、单元(工序)工程等三级。
3.1.2 工程中永久性房屋(管理设施用房)、专用公路、专用铁路等工程项目,可按相关行业标准划分和确定项目名称。
项目划分原则3.2.1 水利水电工程项目划分应结合工程结构特点、施工部署及施工合同要求进行,划分结果应有利于保证施工质量以及施工质量管理。
3.2.2 单位工程项目的划分应按下列原则确定:1 枢纽工程,一般以每座独立的建筑物为一个单位工程。
当工程规模大时,可将一个建筑物中具有独立施工条件的一部分划为一个单位工程。
2 堤防工程,按招标标段或工程结构划分为单位工程。
规模较大的交叉联结建筑物及管理设施以每座独立的建筑物为一个单位工程。
3 引水(渠道)工程,按招标标段或工程结构划分单位工程。
大、中型引水(渠道)建筑物以每座独立的建筑物为一个单位工程。
4 除险加固工程,按招标标段或加固内容,并结合工程量划分单位工程。
3.2.3 分部工程项目的划分应按下列原则确定:1 枢纽工程,土建工程按设计的主要组成部分划分。
金属结构及启闭机安装工程和机电设备安装工程按组合功能划分。
2堤防工程,按长度或功能划分。
3引水(渠道)工程中的河(渠)道按施工部署或长度划分。
大、中型建筑物按工程结构主要组成部分划分。
4除险加固工程,按加固内容或部位划分。
5同一单位工程中,各个分部工程的工程量(或投资)不宜相差太大,每个单位工程中的分部工程数目,不宜少于5个。
3.2.4单元工程项目的划分应按下列原则确定:1 按《水利不电基本建设工程单元工程质量等级评定标准(试行)》(SDJ ~6—88,SL 38—92及SL 239?—1999)(以下简单简称《单元工程评定标准》)规定进行划分。
2 河(渠)道开挖、填筑及衬砌单元工程划分界限宜设在变形缝或结构缝处,长度一般不大于100m。
同一分部工程中各单元工程的工程量(或投资)不宜相差太大。
3 工程项目划分3.1 项目名称3.1.1 水利水电工程质量检验与评定应进行项目划分。
项目按级划分为单位工程、分部工程、单元(工序)工程等三级。
3.1。
2 工程中永久性房屋(管理设施用房)、专用公路、专用铁路等工程项目,可按相关行业标准划分和确定项目名称。
3。
2 项目划分原则3。
2。
1 水利水电工程项目划分应结合工程结构特点、施工部署及施工合同要求进行,划分结果应有利于保证施工质量以及施工质量管理.3.2。
2 单位工程项目的划分应按下列原则确定:1 枢纽工程,一般以每座独立的建筑物为一个单位工程.当工程规模大时,可将一个建筑物中具有独立施工条件的一部分划为一个单位工程.2 堤防工程,按招标标段或工程结构划分为单位工程.规模较大的交叉联结建筑物及管理设施以每座独立的建筑物为一个单位工程.3 引水(渠道)工程,按招标标段或工程结构划分单位工程。
大、中型引水(渠道)建筑物以每座独立的建筑物为一个单位工程.4 除险加固工程,按招标标段或加固内容,并结合工程量划分单位工程。
3。
2.3 分部工程项目的划分应按下列原则确定:1 枢纽工程,土建工程按设计的主要组成部分划分。
金属结构及启闭机安装工程和机电设备安装工程按组合功能划分。
2堤防工程,按长度或功能划分.3引水(渠道)工程中的河(渠)道按施工部署或长度划分.大、中型建筑物按工程结构主要组成部分划分。
4除险加固工程,按加固内容或部位划分.5同一单位工程中,各个分部工程的工程量(或投资)不宜相差太大,每个单位工程中的分部工程数目,不宜少于5个。
3.2.4单元工程项目的划分应按下列原则确定:1按《水利不电基本建设工程单元工程质量等级评定标准(试行)》(SDJ 249。
1~6—88,SL 38—92及SL 239 -1999)(以下简单简称《单元工程评定标准》)规定进行划分。
2河(渠)道开挖、填筑及衬砌单元工程划分界限宜设在变形缝或结构缝处,长度一般不大于100m.同一分部工程中各单元工程的工程量(或投资)不宜相差太大。
单元工程项目划分原则 Document serial number【NL89WT-NY98YT-NC8CB-NNUUT-NUT108】项目划分原则水利水电工程质量检验与评定应进行项目划分。
项目按级划分为单位工程、分部工程、单元(工序)工程等三级。
工程中永久性房屋(管理设施用房)、专用公路、专用铁路等工程项目,可按相关行业标准划分和确定项目名称。
项目划分原则水利水电工程项目划分应结合工程结构特点、施工部署及施工合同要求进行,划分结果应有利于保证施工质量以及施工质量管理。
是进行项目划分的基本原则。
设计结构特点指建筑物的结构特点,如混凝土重力坝,可按坝段进行项目划分,土石坝则应按防渗体、坝壳及排水堆石体等进行项目划分。
施工部署指施工组织设计中对各建筑物施工时期的安排。
同时,还应遵守有利于施工质量管理的原则。
单位工程项目划分应按下列原则确定:1 枢纽工程,一般以每座独立的建筑物为一个单位工程。
当工程规模大时,可将一个建筑物中具有独立施工条件的一部分划分为一个单位工程。
2 堤防工程,按招标标段或工程结构划分单位工程。
规模较大的交叉联结建筑物及管理设施以每座独立的建筑物为一个单位工程。
3 引水(渠道)工程,按招标标段或工程结构划分单位工程。
大、中型引水(渠道)建筑物以每座独立的建筑物为一个单位工程。
4 除险加固工程,按招标标段或加固内容,并结合工程量划分单位工程。
单位工程项目划分,对枢纽工程、堤防工程、引水(渠道)工程的单位工程项目划分原则做了规定。
引水(渠道)工程级别按《灌溉与排水工程设计规范》GB50288—99规定执行。
除险加固工程因险情不同,其除险加固内容和工程量也相差很大,应按实际情况进行项目划分。
加固工程量大时,以同一招标标段中的每座独立建筑物的加固项目为一个单位工程,当加固工程量不大时,也可将一个施工单位承担完成的几个建筑物的加固项目划分为一个单位工程。
分部工程项目划分应按下列原则确定:1 枢纽工程,土建部分按设计的主要组成部分划分;金属结构及启闭机安装工程和机电设备安装工程按组合功能划分。
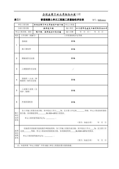
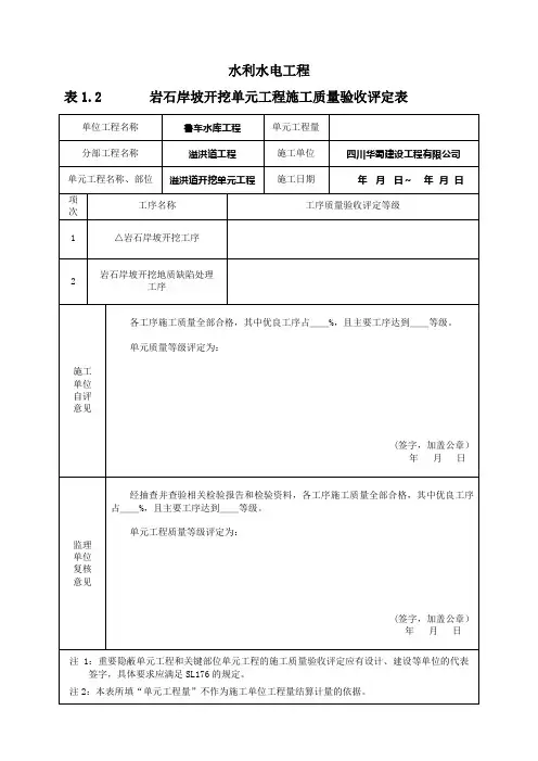
表2.1 普通混凝土单元工程施工质量验收评定表编号:CZT-4-4-1表2.1.1-1 普通混凝土基础面处理工序施工质量验收评定表表2.1.1-2 普通混凝土施工缝处理工序施工质量验收评定表表2.1.2 普通混凝土模板制作及安装工序施工质量验收评定表表2.1.4 普通混凝土预埋件制作及安装工序施工质量验收评定表表2.1.5 普通混凝土浇筑工序施工质量验收评定表表2.1.6 普通混凝土外观质量检查工序施工质量验收评定表表2.1 普通混凝土单元工程施工质量验收评定表编号:CZT-4-4-2表2.1.1-1 普通混凝土基础面处理工序施工质量验收评定表表2.1.1-2 普通混凝土施工缝处理工序施工质量验收评定表表2.1.2 普通混凝土模板制作及安装工序施工质量验收评定表表2.1.4 普通混凝土预埋件制作及安装工序施工质量验收评定表表2.1.5 普通混凝土浇筑工序施工质量验收评定表表2.1.6 普通混凝土外观质量检查工序施工质量验收评定表表2.1 普通混凝土单元工程施工质量验收评定表编号:CZT-4-4-3表2.1.1-1 普通混凝土基础面处理工序施工质量验收评定表表2.1.1-2 普通混凝土施工缝处理工序施工质量验收评定表表2.1.2 普通混凝土模板制作及安装工序施工质量验收评定表会理县槽子田水库除险加固工程表2.1.4 普通混凝土预埋件制作及安装工序施工质量验收评定表表2.1.5 普通混凝土浇筑工序施工质量验收评定表表2.1.6 普通混凝土外观质量检查工序施工质量验收评定表表2.1 普通混凝土单元工程施工质量验收评定表编号:CZT-4-4-4表2.1.1-1 普通混凝土基础面处理工序施工质量验收评定表表2.1.1-2 普通混凝土施工缝处理工序施工质量验收评定表表2.1.2 普通混凝土模板制作及安装工序施工质量验收评定表表2.1.4 普通混凝土预埋件制作及安装工序施工质量验收评定表表2.1.5 普通混凝土浇筑工序施工质量验收评定表表2.1.6 普通混凝土外观质量检查工序施工质量验收评定表表2.1 普通混凝土单元工程施工质量验收评定表编号:CZT-4-4-5表2.1.1-1 普通混凝土基础面处理工序施工质量验收评定表表2.1.1-2 普通混凝土施工缝处理工序施工质量验收评定表表2.1.2 普通混凝土模板制作及安装工序施工质量验收评定表表2.1.4 普通混凝土预埋件制作及安装工序施工质量验收评定表表2.1.5 普通混凝土浇筑工序施工质量验收评定表表2.1.6 普通混凝土外观质量检查工序施工质量验收评定表表2.1 普通混凝土单元工程施工质量验收评定表编号:CZT-4-4-6表2.1.1-1 普通混凝土基础面处理工序施工质量验收评定表表2.1.1-2 普通混凝土施工缝处理工序施工质量验收评定表表2.1.2 普通混凝土模板制作及安装工序施工质量验收评定表表2.1.4 普通混凝土预埋件制作及安装工序施工质量验收评定表表2.1.5 普通混凝土浇筑工序施工质量验收评定表表2.1.6 普通混凝土外观质量检查工序施工质量验收评定表表2.1 普通混凝土单元工程施工质量验收评定表编号:CZT-4-4-7表2.1.1-1 普通混凝土基础面处理工序施工质量验收评定表。
工 程 项 目 划 分 表工程项目名称:木兰县东风水库除险加固工程 填表日期:2012 年 4 月 13 日 № 1项目法人负责人: 总监理工程师: 设计代表:黑龙江省水利工程质量监督中心站制 施工单位负责人:工 程 项 目 划 分 表工程项目名称:木兰县东风水库除险加固工程 填表日期:2012 年 4 月 13 日 № 2项目法人负责人: 总监理工程师: 设计代表: 施工单位负责人:黑龙江省水利工程质量监督中心站制工 程 项 目 划 分 表工程项目名称:木兰县东风水库除险加固工程 填表日期:2012 年 4 月 13 日 № 3项目法人负责人: 总监理工程师: 设计代表:黑龙江省水利工程质量监督中心站制 施工单位负责人:工 程 项 目 划 分 表工程项目名称:木兰县东风水库除险加固工程 填表日期:2012 年 4 月 13 日 № 4项目法人负责人: 总监理工程师: 设计代表:黑龙江省水利工程质量监督中心站制 施工单位负责人:工 程 项 目 划 分 表工程项目名称:木兰县东风水库除险加固工程 填表日期:2012 年 4 月 13 日 № 5项目法人负责人: 总监理工程师: 设计代表:黑龙江省水利工程质量监督中心站制 施工单位负责人:工 程 项 目 划 分 表项目法人负责人: 总监理工程师: 设计代表:黑龙江省水利工程质量监督中心站制 施工单位负责人:工 程 项 目 划 分 表工程项目名称:木兰县东风水库除险加固工程 填表日期:2012 年 4 月 13 日 № 7项目法人负责人: 总监理工程师: 设计代表:黑龙江省水利工程质量监督中心站制 施工单位负责人:工 程 项 目 划 分 表工程项目名称:木兰县东风水库除险加固工程 填表日期:2012 年 4 月 13 日 № 8项目法人负责人: 总监理工程师: 设计代表:黑龙江省水利工程质量监督中心站制 施工单位负责人:工 程 项 目 划 分 表项目法人负责人: 总监理工程师: 设计代表:黑龙江省水利工程质量监督中心站制 施工单位负责人:工 程 项 目 划 分 表工程项目名称:木兰县东风水库除险加固工程 填表日期:2012 年 4 月 13 日 № 10项目法人负责人: 总监理工程师: 设计代表:黑龙江省水利工程质量监督中心站制 施工单位负责人:工 程 项 目 划 分 表工程项目名称:木兰县东风水库除险加固工程 填表日期:2012 年 4 月 13 日 № 11项目法人负责人: 总监理工程师: 设计代表:黑龙江省水利工程质量监督中心站制 施工单位负责人:。
水库除险加固工程施工质量项目划分附表1-1单位工程 分部工程 单元工程 单元数量 备注水库除险加固工程▲一、塑性混凝土防渗墙工程(0+034.5~1+350)1、导槽土方开挖、填筑(100m/单元) 13个单元2、导槽混凝土浇筑(100m单元) 13个单元3、塑性混凝土防渗墙(每一槽段/单元) 202个单元▲二、大坝加固工程▲1、槽土方开挖(100m/单元) 15个单元2、槽土方填筑(100m/单元) 15个单元3、坝坡平整(100m/单元) 15个单元4、局部翻修干砌石护坡(200m/单元) 7个单元 上游面5、草皮护坡(100m/单元) 15个单元6、C25混凝土预制路缘石(100/单元) 15个单元7、泥结石路面(100m/单元) 15个单元8、M7.5浆砌石步级(1条/单元) 5个单元9、排水沟土方开挖(100m/单元) 7个单元10、排水沟土方回填(100m/单元) 7个单元11、C20预制混凝土排水沟(100m/单元) 7个单元12、排水棱体土方开挖(100m/单元) 7个单元13、排水棱体土方回填(100m/单元) 7个单元14、人工铺筑沙垫层(100m/单元) 7个单元水库除险加固工程施工质量项目划分附表1-2单位工程 分部工程 单元工程 单元数量 备注水库除险加固工程▲二、大坝加固工程15、人工铺筑碎石垫层(100m/单元) 7个单元16、排水棱体堆石(100m/单元) 7个单元17、排水棱体干砌块石(100m/单元) 7个单元18、观察设施(每个/单元) 6个单元 4个观测仪器设施,2套水位观测设施三、溢洪道加固工程▲1、土方开挖(100m/单元) 1个单元2、土方填筑(100m/单元) 1个单元3、草皮护坡(100m/单元) 1个单元4、坝坡平整(100m/单元) 1个单元5、人工铺筑沙垫层(一个单元) 1个单元6、人工铺筑碎石垫层(一个单元) 1个单元7、M10水泥沙浆批挡2cm(一个单元)1个单元8、C10混凝土垫层(按分缝) 21个单元9、C20混凝土底板(按分缝) 21个单元▲10、C25混凝土溢流堰浇筑(15m/单元) 2个单元11、伸缩缝(一个单元)1个单元水库除险加固工程施工质量项目划分附表1-3单位工程 分部工程 单元工程 单元数量 备注水库除险加固工程四、混凝土路面1、路基处理(100m/单元) 7个单元2、混凝土路面浇筑(100m/单元) 7个单元3、C20混凝土预制排水沟(100m/单元) 7个单元4、浆砌石挡墙(100m/单元) 7个单元五、西输水建筑物放水塔及人行桥▲1、土方开挖(一个单元) 1个单元2、土方填筑(一个单元) 1个单元▲3、土坝充填灌浆(10孔/单元) 6个单元4、放水塔下部结构C20混凝土(一个单元) 1个单元5、C25混凝土放水塔排架 1个单元6、M7.5浆砌石进口挡墙(一个单元) 1个单元7、C20混凝土进口底板 1个单元8、C25启闭室圈梁(一个单元) 1个单元9、C25启闭室板梁(一个单元) 1个单元10、砖砌启闭室(一个单元) 1个单元水库除险加固工程施工质量项目划分附表1-4单位工程 分部工程 单元工程 单元数量 备注水库除险加固工程五、西输水建筑物放水塔及人行桥11、Φ200铸铁通气管(一个单元) 1个单元12、人行桥主梁C25混凝土(11.5m/单元) 2个单元13、C20混凝土栏杆(一个单元) 1个单元14、M7.5浆砌石桥台 1个单元15、C10混凝土垫层(排架、桥台) 2个单元16、人行桥排架基础C20混凝土(一个单元) 1个单元17、C25混凝土排架 1个单元18、闸门槽预埋件安装 1个单元19、机电安装 1个单元六、西输水涵管1、钢管铺设(20.4m/单元) 3个单元2、新建接长涵管灌填砂浆(一个单元) 1个单元3、涵管出口渠道M7.5浆砌石(一个单元) 1个单元4、螺杆式启闭机一台(一个单元) 1个单元5、闸门安装(一个单元) 1个单元6、螺杆基座安装 1个单元7、闸门槽二期混凝土 1个单元七、东输水建筑物放水塔及人行桥▲1、土方开挖(一个单元) 1个单元2、土方填筑(一个单元) 1个单元▲3、土坝充填灌浆(10孔/单元) 3个单元4、放水塔下部结构C20混凝土(一个单元) 1个单元5、C25混凝土放水塔排架 1个单元6、M7.5浆砌石进口挡墙(一个单元) 1个单元水库除险加固工程施工质量项目划分附表1-5单位工程 分部工程 单元工程 单元数量 备注水库除险加固工程七、东输水建筑物放水塔及人行桥7、C20混凝土进口底板 1个单元8、C25启闭室圈梁(一个单元) 1个单元9、C25启闭室板梁(一个单元) 1个单元10、砖砌启闭室(一个单元) 1个单元11、Φ200铸铁通气管(一个单元)1个单元12、人行桥主梁C25混凝土(11.5m/单元) 2个单元13、C20混凝土栏杆(一个单元) 1个单元14、C10混凝土垫层(桥台) 2个单元15、M7.5浆砌石桥台 1个单元16、闸门槽预埋件安装1个单元17、机电安装 1个单元八、东输水涵管1、钢管铺设(15.8m/单元) 3个单元2、新建接长涵管灌填砂浆(一个单元) 1个单元3、涵管出口渠道M7.5浆砌石(一个单元) 1个单元4、螺杆式启闭机一台(一个单元)1个单元5、闸门安装(一个单元)1个单元6、螺杆基座安装 1个单元7、闸门槽二期混凝土 1个单元水库除险加固工程施工质量项目划分附表1-6单位工程 分部工程 单元工程 单元数量 备注 水库除险加固工程九、交通桥1、C20混凝土桥墩(一个单元) 4个单元2、C25混凝土(桥面梁)(11m/单元) 3个单元3、C25混凝土(桥头搭板)(6m/单元) 1个单元3、C20混凝土(桥面栏杆)(一个单元) 1个单元4、C25混凝土(支座垫石)(一个单元) 4个单元5、C30混凝土(桥面铺装)(一个单元) 1个单元6、橡胶支座(一个单元) 1个单元十、房室建筑工程(管理房) 生活及文化福利建筑(100㎡/单元) 4个单元注:表中带“▲”符号的为主要分部工程、重要隐蔽单元工程。
工 程 项 目 划 分 表工程项目名称:木兰县东风水库除险加固工程 填表日期:2012 年 4 月 13 日 № 1项目法人负责人: 总监理工程师: 设计代表:黑龙江省水利工程质量监督中心站制 施工单位负责人:工 程 项 目 划 分 表工程项目名称:木兰县东风水库除险加固工程 填表日期:2012 年 4 月 13 日 № 2项目法人负责人: 总监理工程师: 设计代表: 施工单位负责人:黑龙江省水利工程质量监督中心站制工 程 项 目 划 分 表工程项目名称:木兰县东风水库除险加固工程 填表日期:2012 年 4 月 13 日 № 3项目法人负责人: 总监理工程师: 设计代表:黑龙江省水利工程质量监督中心站制 施工单位负责人:工 程 项 目 划 分 表工程项目名称:木兰县东风水库除险加固工程 填表日期:2012 年 4 月 13 日 № 4项目法人负责人: 总监理工程师: 设计代表:黑龙江省水利工程质量监督中心站制 施工单位负责人:工 程 项 目 划 分 表工程项目名称:木兰县东风水库除险加固工程 填表日期:2012 年 4 月 13 日 № 5项目法人负责人: 总监理工程师: 设计代表:黑龙江省水利工程质量监督中心站制 施工单位负责人:工 程 项 目 划 分 表项目法人负责人: 总监理工程师: 设计代表:黑龙江省水利工程质量监督中心站制 施工单位负责人:工 程 项 目 划 分 表工程项目名称:木兰县东风水库除险加固工程 填表日期:2012 年 4 月 13 日 № 7项目法人负责人: 总监理工程师: 设计代表:黑龙江省水利工程质量监督中心站制 施工单位负责人:工 程 项 目 划 分 表工程项目名称:木兰县东风水库除险加固工程 填表日期:2012 年 4 月 13 日 № 8项目法人负责人: 总监理工程师: 设计代表:黑龙江省水利工程质量监督中心站制 施工单位负责人:工 程 项 目 划 分 表项目法人负责人: 总监理工程师: 设计代表:黑龙江省水利工程质量监督中心站制 施工单位负责人:工 程 项 目 划 分 表工程项目名称:木兰县东风水库除险加固工程 填表日期:2012 年 4 月 13 日 № 10项目法人负责人: 总监理工程师: 设计代表:黑龙江省水利工程质量监督中心站制 施工单位负责人:工 程 项 目 划 分 表工程项目名称:木兰县东风水库除险加固工程 填表日期:2012 年 4 月 13 日 № 11项目法人负责人: 总监理工程师: 设计代表:黑龙江省水利工程质量监督中心站制 施工单位负责人:。