全脂乳粉
- 格式:doc
- 大小:236.50 KB
- 文档页数:31
目录1 引言 (2)2 样品与分析方法 (3)2.1 样品 (3)2.2 分析方法 (3)2.2.1 水分测定 (3)2.2.2 灰分测定 (5)2.2.3 蛋白质测定 (7)2.2.4 脂肪评定 (10)2.2.5 总糖测定 (11)3 结果与讨论 (12)3.1 水分测定结果 (12)3.1.1 原始数据 (12)3.1.2 数据处理 (12)3.1.3 结果与讨论 (12)3.2 灰分测定结果 (13)3.2.1 原始数据 (13)3.2.2 数据处理 (13)3.2.3 结果与讨论 (13)3. 3 蛋白质测定 (14)3.3.1 原始数据 (14)3.3.2 数据处理 (14)3.3.3 结果与讨论 (14)3.4 脂肪评定 (15)3.4.1 原始数据 (15)3.4.2 数据处理 (15)3.4.3 结果与讨论 (15)3.5 总糖测定 (16)3.5.1 原始数据 (16)3.5.2 数据处理 (16)3.5.3 结果与讨论 (17)4 实验体会 (18)参考文献 (18)1 引言乳粉,就是以新鲜牛乳为原料,或者以新鲜牛乳为主要原料,添加一定数量的植物或动物蛋白质、脂肪、维生素、矿物质等配料,经杀菌、浓缩、干燥等加工工艺除去大部分水分而制成的粉末状产品。
乳粉的特点是在保持牛乳原有品质及营养价值的基础上,产品含水量低,体积小,质量轻,储藏期长,食用方便,便于运输和携带,更有利于调节地区间供应的不平衡。
品质良好的乳粉加水复原后,可迅速溶解恢复原有鲜乳的形状。
乳粉的种类很多。
但主要以全脂乳粉、乳清粉、干酪粉、配方乳粉等为主。
全脂奶粉是指新鲜牛乳在加工成奶粉的过程中,未将乳中的脂肪分离出去的产品。
全脂奶粉是鲜奶经消毒、脱水、喷雾干燥制成。
因经喷雾干燥处理,蛋白质凝块细小、柔软,较鲜奶易于消化,且已灭菌消毒。
全脂奶粉含有较多的脂肪,容易受高温和氧化作用而变质。
如全脂奶粉水分超过5%,保藏温度在37℃以上时,容易产生褐变和结块现象。
全脂乳粉工艺流程全脂乳粉是利用乳制品过程工艺技术将液态牛乳或羊乳经过浓缩,除去大部分水分,然后喷融成粉末状的乳制品。
全脂乳粉具有牛乳原有的营养成分和风味,非常适合作为食品的配料或直接饮用。
以下是一种典型的全脂乳粉生产工艺流程。
首先,原料处理。
将新鲜牛乳输送至乳品加工车间,进行必要的初步处理。
这包括牛乳过滤、均质、杀菌等步骤,以保证牛乳质量。
其次,浓缩。
将处理过的牛乳通过蒸发器进行浓缩处理。
蒸发器利用蒸汽加热牛乳,将其中的水分逐渐蒸发,同时也将部分气味和杂质蒸发掉。
经过一段时间的浓缩,牛乳中的大部分水分被蒸发掉,浓缩牛乳得到。
接下来,喷雾干燥。
浓缩牛乳通过高压喷嘴喷雾成细小颗粒,同时通过热风进行干燥。
在干燥的过程中,高温的气流将喷雾的乳粒中的水分蒸发掉,最终形成粉末状的乳粉。
然后,冷却和筛分。
干燥完成后,乳粉需要经过冷却降温处理,以避免乳粉因为热量残留而变质。
冷却完成后,乳粉需要进行筛分,以去除过大或不均匀的颗粒,确保乳粉的质量。
最后,包装和储存。
经过筛分后的乳粉通过输送机械送至包装机进行包装。
常见的乳粉包装有袋装和罐装两种形式。
包装完成后,乳粉袋或乳粉罐需要进行密封,以保证乳粉的新鲜度和防潮。
随后,乳粉袋或乳粉罐装入包装箱,储存在干燥、阴凉、通风的仓库中。
全脂乳粉工艺流程需要严格控制各个环节的操作条件和材料质量,以确保乳粉的品质稳定和安全。
同时,全脂乳粉工艺流程还有其他一些可选的步骤,例如上光、添加风味物质等,以符合不同消费者的口味需求。
不同乳粉厂商可根据自身情况和市场需求,对工艺流程进行调整和改进。
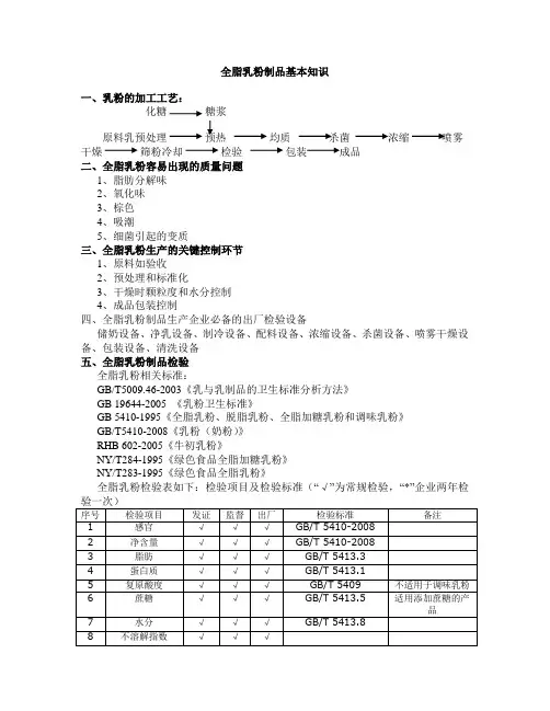
全脂乳粉制品基本知识
一、乳粉的加工工艺:
化糖糖浆
原料乳预处理预热均质杀菌喷雾干燥筛粉冷却检验包装
二、全脂乳粉容易出现的质量问题
1、脂肪分解味
2、氧化味
3、棕色
4、吸潮
5、细菌引起的变质
三、全脂乳粉生产的关键控制环节
1、原料如验收
2、预处理和标准化
3、干燥时颗粒度和水分控制
4、成品包装控制
四、全脂乳粉制品生产企业必备的出厂检验设备
储奶设备、净乳设备、制冷设备、配料设备、浓缩设备、杀菌设备、喷雾干燥设备、包装设备、清洗设备
五、全脂乳粉制品检验
全脂乳粉相关标准:
GB/T5009.46-2003《乳与乳制品的卫生标准分析方法》
GB 19644-2005 《乳粉卫生标准》
GB 5410-1995《全脂乳粉、脱脂乳粉、全脂加糖乳粉和调味乳粉》
GB/T5410-2008《乳粉(奶粉)》
RHB 602-2005《牛初乳粉》
NY/T284-1995《绿色食品全脂加糖乳粉》
NY/T283-1995《绿色食品全脂乳粉》
全脂乳粉检验表如下:检验项目及检验标准(“√”为常规检验,“*”企业两年检。
年产6000吨全脂乳粉工厂设计要点全脂乳粉工厂是一个复杂的生产工艺流程,设计要点决定了工厂的生产效率、产品质量和安全卫生标准。
以下是一个年产6000吨全脂乳粉工厂的设计要点。
1. 工艺流程设计:- 原料准备:包括原料的储存、检验和预处理等环节。
- 浓縮:通过浓缩技术将原始乳液中的水分蒸发掉,得到浓缩乳液。
- 干燥:将浓缩乳液通过喷雾干燥技术转化为乳粉。
- 杀菌和包装:对乳粉进行杀菌处理,并进行包装和储存。
2. 原料储存和处理:- 设计一个合适的原料储存区域,确保原料的安全储存和防止污染。
- 设置原料处理设备,包括过滤器、离心机、分离器等,可以将原料中的杂质与不需要的成分分离出来。
3. 浓缩过程:- 选择适合的浓缩技术,如多效蒸发器、奶制品浓缩器等。
- 设计一个高效的蒸汽系统,确保稳定的热量供应。
- 设置浓缩乳液的冷却装置,将浓缩乳液从高温冷却到适合喷雾干燥的温度。
4. 干燥过程:- 选择合适的干燥技术,如喷雾干燥,确保乳液能够快速形成颗粒状的乳粉。
- 设计适当的风机和过滤系统,确保乳粉干燥时,不会受到污染。
5. 杀菌和包装:- 设计一个高效的杀菌设备,如高温杀菌器、超高温杀菌器等,确保乳粉可以长期保存。
- 设计合适的包装线,确保乳粉的包装效率和卫生标准。
6. 工厂布局:- 首先,要合理规划原料储存、处理和浓缩区域,确保生产流程的连贯性。
- 其次,要合理围绕干燥设备、杀菌设备和包装线布置生产线,最大限度地节省物料和人力资源。
7. 装备选择:- 选择高质量、高效率的设备,确保生产过程的稳定性和可靠性。
- 选择符合食品安全和卫生标准的设备,以保证产品质量和工人的健康安全。
8. 工艺参数监控:- 安装和使用传感器和自动化控制系统,对关键工艺参数进行实时监测和控制。
- 设置报警系统,确保在出现异常情况时及时采取措施进行处理。
9. 质量控制和检测:- 建立完善的质量控制系统,包括原料检测、产品检测和过程监测等环节。
全脂乳粉工艺流程
《全脂乳粉工艺流程》
全脂乳粉是一种通过将鲜奶脱脂并脱水而制成的食品,具有较长的保质期和方便的保存方式,因此备受消费者青睐。
下面将介绍全脂乳粉的工艺流程。
首先,全脂奶经过收购后,需要进行初步处理。
这一步通常包括杀菌和过滤,以确保奶制品的卫生和质量。
接着,将初步处理后的全脂奶送入脱脂机,通过离心等工艺方法将奶中的脂肪分离出来,得到的产物即为脱脂乳。
然后,脱脂乳需要进行脱水,这一步是为了降低奶制品的水分含量,延长其保质期。
脱水工艺包括喷雾干燥和滚筒干燥等方式。
最后,通过搅拌、均质等方式将脱水后的乳液冷却并成型,即可得到成品全脂乳粉。
在整个工艺流程中,严格的卫生控制、温度控制和工艺参数控制是关键。
此外,还需要对产品进行质量检测和包装,确保最终产品的安全和质量。
总而言之,全脂乳粉的生产工艺流程虽然复杂,但是通过科学的技术手段和严格的控制,可以确保生产出高质量的全脂乳粉产品。
全脂乳粉产品标准
全脂乳粉是一种以新鲜牛奶为原料,通过脱水和干燥过程制成的粉状产品,具有长久保存期和易于运输的特点。
为保障消费者的食品安全,全脂乳粉的生产必须遵循一系列严格的产品标准。
一、生产原料标准
1. 原料应采用新鲜、未经过添加物处理的鲜牛乳;
2. 乳牛的饲养环境应符合国家卫生标准;
3. 乳牛应接受规范的饲养和管理,不得注射任何禁用药物。
二、生产工艺标准
1. 生产过程应严格控制温度和时间,以确保乳粉的品质和安全;
2. 应使用先进的脱水和干燥设备,确保产品的质量和稳定性;
3. 生产过程中不得添加有害物质和非法添加物。
三、产品标准
1. 全脂乳粉应为白色或淡黄色,无异味、异物和结块现象;
2. 脂肪含量应符合国家标准,不得低于26%;
3. 水分含量应符合国家标准,不得高于4%。
四、包装标准
1. 包装必须符合国家卫生标准,不得使用污染的包装材料;
2. 包装上应标注产品名称、生产日期、保质期和生产厂家等必要信息;
3. 包装应密封保存,避免受潮、受热、受潜在污染。
以上是全脂乳粉产品标准的主要内容,生产和销售企业应严格按
照标准执行,确保产品的质量和安全。
消费者在购买和食用时应选择有资质的品牌和正规渠道,避免购买假冒伪劣产品。
全脂乳粉生产工艺
嘿,咱今儿就来唠唠全脂乳粉生产工艺这档子事儿!
你想想看啊,那新鲜的牛奶,就像一群欢快的小白马,在草原上奔腾。
而全脂乳粉的生产,就像是一场对这些小白马的奇妙变形记。
首先呢,得把牛奶收集起来,这就好比是把小白马们都聚集到了一块儿。
然后要经过过滤,把那些杂质啥的都给筛出去,就像是给小白马们洗了个干干净净的澡。
接下来,就是杀菌啦!这可重要得很嘞,就像给小白马们打了预防针,让它们健健康康的。
经过杀菌后的牛奶,那可真是安全又可靠。
然后呢,就到了浓缩这一步咯。
这就像是把牛奶里的精华都给提炼出来,让它们变得更加浓郁。
你说神奇不神奇?
再之后,就是喷雾干燥啦!这就像是一场魔法,把那些浓缩后的牛奶变成了细细的粉末,就像给小白马们施了个变身术。
等粉末出来后,还得进行冷却啊,不然那不得烫坏了呀。
这就好比是让刚刚变身成功的“小白马粉末”冷静冷静,适应一下新的状态。
在整个生产过程中,每一个环节都得拿捏得死死的,不能有一点儿马虎。
要是哪个环节出了问题,那可就像是一场演出搞砸了一样。
你说这全脂乳粉生产工艺,是不是特别有意思?就像是一个神奇的工厂,把牛奶变成了我们随时都能享用的美味乳粉。
咱平时喝的那香甜的全脂乳粉,可都是经过这么多道工序才来到我们身边的呀!所以啊,可别小瞧了这小小的乳粉,它背后可是有着大大的故事和努力呢!这全脂乳粉,不就是牛奶的华丽转身嘛,让我们能更方便地享受牛奶的营养和美味,多棒呀!。
全脂乳粉和全脂加糖乳粉都是采用喷雾干燥法制得。
其生产工艺流程如图5 -1所示。
白砂糖喷雾干燥检验过筛检验出粉冷却装箱乳的标准化真空浓缩包装成品原料乳验收预处理杀菌④操作中,未能严格执行工艺条件及操作规程,严重影响杀菌效果。
⑤杀菌器的传热效果不良,如板式杀菌器水垢增厚,使传热系数降低,影响杀菌效果。
⑥杀菌器本身的故障。
保温杀菌罐的大小与搅拌器大小及转速配合不当,使罐的下部形成冷乳层,使杀菌温度不够;牛乳起泡时造成受热温度不匀;杀菌器保温层绝缘不良;自动控制系统发生故障;板式杀菌器的预热段胶垫破损时,造成生乳的混入,等等。
4. 乳粉的加糖及杀菌乳粉的加糖须按照我国部颁标准规定,所使用的蔗糖必须符合相应国家标准。
(1)加糖量的计算为保证乳粉含糖量符合国家规定标准,需预先经过计算。
根据标准化乳中蔗糖含量与标准化中干物质含量之比,必须等于加糖乳粉中蔗糖含量与乳粉中乳干物质含量之比,则牛乳中加糖量可按下述公式计算(5-1)(2)加糖方法及杀菌常用的加糖方法有以下三种①将糖投入原料乳中溶解加热,同牛乳一起杀菌。
②将糖投入水中溶解,制成浓度约为65%的糖浆溶液进行杀菌,再与杀菌过的牛乳混合。
③将糖粉碎杀菌后,再与喷雾干燥好的乳粉混匀。
前两种属于先加糖法,制成的产品能明显改善乳粉的溶解度,提高产品的冲调性。
第三种为后加糖法,采用该方法生产的乳粉体积小,从而节省了包装费用。
由于蔗糖具有热熔性,在喷雾干燥塔中流动性较差,所以当生产含糖35%的加糖乳粉时一般采用后加糖法,生产含糖20%以下的加糖乳粉采用先加糖法。
三、蒸发(浓缩)为了节约能源和保证产品质量,喷雾干燥前对杀菌乳必须进行浓缩。
乳浓缩是利用设备的加热作用,使乳中的水分在沸腾时蒸发汽化,并将汽化产生的二次蒸汽不当排除,从而使制品的浓度不当提高,直至达到要求的浓度的工艺过程。
浓缩技术对其工艺流程的设计、设备的选型、制造加工和具体操作提出了较高要求,随着科学技术及生产的发展,浓缩已趋向低温、快速、连续的发方向发展。
全脂乳粉和全脂加糖乳粉都是采用喷雾干燥法制得。
其生产工艺流程如图5 -1所示。
白砂糖喷雾干燥检验过筛检验出粉冷却装箱乳的标准化真空浓缩包装成品原料乳验收预处理杀菌④操作中,未能严格执行工艺条件及操作规程,严重影响杀菌效果。
⑤杀菌器的传热效果不良,如板式杀菌器水垢增厚,使传热系数降低,影响杀菌效果。
⑥杀菌器本身的故障。
保温杀菌罐的大小与搅拌器大小及转速配合不当,使罐的下部形成冷乳层,使杀菌温度不够;牛乳起泡时造成受热温度不匀;杀菌器保温层绝缘不良;自动控制系统发生故障;板式杀菌器的预热段胶垫破损时,造成生乳的混入,等等。
4. 乳粉的加糖及杀菌乳粉的加糖须按照我国部颁标准规定,所使用的蔗糖必须符合相应国家标准。
(1)加糖量的计算为保证乳粉含糖量符合国家规定标准,需预先经过计算。
根据标准化乳中蔗糖含量与标准化中干物质含量之比,必须等于加糖乳粉中蔗糖含量与乳粉中乳干物质含量之比,则牛乳中加糖量可按下述公式计算(5-1)(2)加糖方法及杀菌常用的加糖方法有以下三种①将糖投入原料乳中溶解加热,同牛乳一起杀菌。
②将糖投入水中溶解,制成浓度约为65%的糖浆溶液进行杀菌,再与杀菌过的牛乳混合。
③将糖粉碎杀菌后,再与喷雾干燥好的乳粉混匀。
前两种属于先加糖法,制成的产品能明显改善乳粉的溶解度,提高产品的冲调性。
第三种为后加糖法,采用该方法生产的乳粉体积小,从而节省了包装费用。
由于蔗糖具有热熔性,在喷雾干燥塔中流动性较差,所以当生产含糖35%的加糖乳粉时一般采用后加糖法,生产含糖20%以下的加糖乳粉采用先加糖法。
三、蒸发(浓缩)为了节约能源和保证产品质量,喷雾干燥前对杀菌乳必须进行浓缩。
乳浓缩是利用设备的加热作用,使乳中的水分在沸腾时蒸发汽化,并将汽化产生的二次蒸汽不当排除,从而使制品的浓度不当提高,直至达到要求的浓度的工艺过程。
浓缩技术对其工艺流程的设计、设备的选型、制造加工和具体操作提出了较高要求,随着科学技术及生产的发展,浓缩已趋向低温、快速、连续的发方向发展。
1.浓缩的目的①作为干燥的预处理,以降低产品的加工热耗,节约能源。
例如鲜乳中含有87.5%~89%的水分,要制成含水量为3%的乳粉,需要去除大量水分。
若采用真空浓缩,每蒸发1kg水分,需要消耗1.1kg的加热蒸汽,而用喷雾干燥,每蒸发1kg水分需要消耗3~4kg蒸汽,故先浓缩后干燥,可以大大节约热能。
②提高乳中干物质的含量,喷雾后使乳粉颗粒粗大,具有良好的分散性和冲调性。
同时能提高乳粉的回收率,减少损失。
③由于乳粉的品质和贮藏性,使其密度提高,可减少粉尘飞扬,便于包装。
④改善乳粉的品质和贮藏性。
经过真空浓缩,使存在于乳中的空气和氧气的含量降低,一方面可除去不良气味,另一方面可减少对乳脂肪的氧化,因而可提高产品的品质及贮藏性。
2. 浓缩的基本原理乳的蒸发操作经常在减压下进行,这种操作称为真空浓缩。
它是利用真空状态下,液体的沸点随环境压力降低而下降的原理,使牛乳温度保持在40~70℃之间沸腾,因此可将加热过程中的损失降到最小程度。
当牛乳中的某些水分子获得的动能超过其分子间的引力时,就在牛乳液面汽化,而牛乳中的干物质数量保持不变,汽化的分子不断移去并使汽化过程持续进行,最终牛乳的干物质含量不断提高达到预定的浓度。
3. 乳浓缩的方法(1)自然蒸发溶液中的溶剂(通常为水)在低于其沸点的状态下进行蒸发,溶剂的汽化只能在溶液的表面进行,蒸发速率较低,乳品工业上几乎不采用。
(2)沸腾蒸发将溶液加热使其达到某一压力下的沸点,溶剂的汽化不但在液面进行,而几乎在溶液的各部分同时产生现象,蒸发速率高。
工业生产上普遍采用沸腾蒸发。
根据液面上方压力的不同,沸腾蒸发又可分以下两种。
①常压蒸发。
蒸发过程是在大气压力状态下进行,溶液的沸点就是某种物质本身的沸点,蒸发速度慢。
乳品工业上最早使用的平锅浓缩就是常压浓缩,但目前该蒸发方法几乎已不采用。
②减压蒸发。
即真空浓缩,是利用抽真空设备使蒸发过程在一定的负压状态下进行,溶液的沸点低,蒸发速率高。
由于压力越低溶液的沸点就越低,所以整个蒸发过程都是在较低的温度下进行的,特别适合热敏性物料的浓缩,目前在乳品工业生产上得到广泛应用。
牛乳浓缩的程度如何将直接影响到乳粉的质量,牛乳浓缩的程度视各厂的干燥设备、浓缩设备、原料乳的性状、成品乳粉的要求等而异,一般浓缩到原料乳的1/4,即乳固体含量为40%~50%。
通常,当浓缩终了时,测其相对密度或粘度以确定浓缩终点。
此时的相对密度、粘度(50℃)在下述范围:相对密度粘度(莫球尼尔粘度)全脂浓缩乳 1.110~1.125 70以下脱脂浓缩乳 1.160~1.180 60 以下这里的相对密度和粘度并不一定成正比例关系,但喷雾干燥一般与粘度有密切关系,所以,有的工厂以测粘度为主,相对密度为辅。
在相同粘度下,乳固体含量高者对喷雾干燥有利,所以都在研究如何在浓缩中不使粘度显著增高。
4. 牛乳真空浓缩的特点由于牛乳属于热敏性物料,浓缩宜采用减压浓缩法。
减压浓缩法的优点如下:①牛乳的沸点随压力的升高或下降而增高或降低,真空浓缩可降低牛乳的沸点,避免了牛乳高温处理,减少了蛋白质的变性及维生素的损失,对保全牛乳的营养成分,提高乳粉的色、香、味及溶解度有益。
②真空浓缩可极大地减少牛乳中空气及其他气体的含量,起到一定的脱臭作用,这对改善乳粉的品质及提高乳粉的保存期有利。
③真空浓缩加大了加热蒸汽与牛乳间的温度差,提过了设备在单位面积单位时间内的传热量,加快了浓缩进程,提过了生产能力。
④真空浓缩味使用多效浓缩设备及配置热泵创造了条件,可部分地利用二次蒸汽,节省了热能及冷却水的耗量。
⑤真空浓缩操作是在低温下进行的,设备与室温间的温差小,设备的热量损失少。
⑥牛乳自行吸入浓缩设备中,无需进行料泵。
真空浓缩的不足之处一是真空浓缩必须设真空系统,增加了附属设备和动力消耗,工程投资增加。
二是液体的蒸发潜热随沸点降低而增加,因此真空浓缩的耗热量较大。
5. 牛乳的真空浓缩设备真空浓缩的设备和种类较多,按照加热器构造一般有盘管式、直管式和板式浓缩设备三种。
再按蒸发过程是否利用二次蒸气又分为单效、多效浓缩设备和带有热泵的浓缩设备。
(1)盘管式浓缩设备这种设备由盘管式加热室、蒸发室、冷凝器、真空泵、除沫器、进出料口等组成。
其结构见图5-4所示。
该设备的工作原理是:当乳由进料口进入浓缩锅时,盘管内的热蒸气对通过盘管的乳进行加热,乳受热膨胀,比重降低,使乳上浮到液面时发生汽化,从而使浓度增加,比重变大,从温度较低的盘管中心处下降,形成乳沿锅壁及盘管处上升,从盘管中心下落的循环状态。
产生的二次蒸气通入冷凝器中凝结后排出,加热蒸气使用后通过汽水分离器排出。
这种设备的特点是能连续进料,不能连续出料,效率较低,适用于小型加工厂。
盘管式浓缩设备的操作方法如下。
①使用前须用热水冲洗干净,然后用直接蒸汽进行杀菌,使锅体及各部的温度达95℃以上,并保持此温度5min以上。
②密闭后进行抽真空试验。
a.若使用水力喷射器,先开起冷却水的进水阀及多级水泵,使进水压力(表压)维持在0.3MPa左右。
b.若使用大气式混合冷凝器,首先开启干式真空泵,随后开启冷却水的进水阀,并调整至所需的流量。
c.若使用低位冷凝器,先开启真空泵,然后开启低位冷凝器的抽水泵及冷却水的进水阀,并及时调整抽水泵的流量及冷却水的流量,使冷凝器的气压腿内维持一定的液位。
正式操作时尚需进一步调整。
图5-4 盘臂式真空浓缩设备的结构1-冷水进口;2-第一级蒸气喷射器;3-中间冷凝器;4-第二级蒸气喷射器;5-冷凝器;6-除沫装置;7-仪表盘;8-温度计;9-平衡器;10-窥视孔;11-进料阀;12-冷凝水排出口;13-加热盘管;14-蒸气进口;15-逆止阀;16-放料阀;17-取样阀;18-排水泵;19-冷凝水d.若使用并流式冷凝器及湿式真空泵,先开启湿式真空泵,后开启冷却水,并严格控制和调整冷却水的流量。
③进料。
一般均以切线方向进料,这样有利于保持牛乳最佳的沸腾状态,以提高其蒸发速率。
④正常操作时应根据工艺要求,随时调节加热蒸汽的使用压力、进料量、冷却水的用量及温度,使操作处于最佳状态。
⑤浓缩乳的浓度达到预定要求时,便可停车出料,停车顺序如下。
a.关闭加热蒸汽阀门。
b.破坏真空度,关闭水力喷射器的进水泵,或顺序关闭冷却水、抽水水泵、真空泵或湿式真空泵。
c.用泵抽出浓缩乳,若继续使用时,遵照上述开车顺序重新操作,否则要进行清洗。
⑥清洗时先用热水将锅内残留的浓缩乳冲洗干净,然后用热碱液喷淋于盘管表面,再用水冲洗碱液,人工进行擦洗。
或仿照杀菌器的酸、碱液循环清洗法进行清洗,但最终一定需将酸液冲洗嘎酸奶机,或用淡碱液中和,否则易引起牛乳酸化而结块。
(2)升膜式浓缩设备单效升膜式浓缩设备结构简单,生产能力强,蒸发速度快,蒸气消耗低,可连续生产。
见图5-5所示。
其工作原理是:乳从加热器底部进入加热管,蒸气在管外对乳进行加热,加热管中的乳在管的下半部只占管长的1/5~1/4。
乳加热沸腾后产生大量的二次蒸气,其在管内迅速上升,将牛乳挤到管壁,形成薄膜,进一步被浓缩。
在分离器高真空吸力作用下,浓缩乳与二次蒸气沿切线方向高速进入分离器。
经分离器作用浓缩乳沿循环管回到加热器底部,与新进入的乳混合后再次进入加热管进行蒸发,如此循环直至达到要求浓度后,一部分浓缩乳由出料泵抽出,另一部分继续循环。
一般要求出料量与蒸发量及进料量达到平衡,乳浓度由出料量进行控制。
图5-5 单效升膜式浓缩设备的结构1-加热器;2-蒸气进口管道;3-加热;4-牛乳进入分离器料管;5-二次蒸气出品管道;6-分离器;7-捕集器;8-90º锥底;9-循环管;10-浓乳出料管;11-平稀管;12-出料泵;13-放剩奶阀;14-杀菌乳进料管;15-冷凝水出口管;16-气水分离器单效升膜式浓缩设备的操作方法与盘管式浓缩设备大致相似,当牛乳自加热器底部进入后,由于真空及牛乳自蒸发(超沸点进料时)的关系,片刻后牛乳自分离器的切线入口喷出。
牛乳喷出后,即稍开启加热蒸汽,于是循环加剧。
同时,相应减少进乳量,必要时进行压气,待操作正常后,重行调整进乳量及加热蒸汽合蒸汽(二次蒸汽与加热蒸汽)的温差(△t)有关。
混合比(二次蒸汽量与加热蒸汽量之比)随着蒸汽压力和温差的增大而增大。
例如,1 kg压力为0.9 MPa的加热蒸汽在温差分别为13℃、10℃、6℃时能够吸收的二次蒸汽分别为1.0kg、1.4kg、2.3kg。
牛乳必须均布于加热管内壁,否则就会有结焦的危险。
因此,在蒸发器的顶部都安装有一个均布器,它可以达到使牛乳均布于加热管内壁的目的。
牛乳刚进入蒸发器时,其温度稍高于加热管内牛乳的沸点温度,因此牛乳就在蒸发器人口处发生闪蒸,产生的二次蒸汽同时有助于牛乳均布于加热管内壁。