支撑体系技术标准
- 格式:docx
- 大小:408.04 KB
- 文档页数:10
模板支撑体系技术标准一、JGJ162-2008建筑施工模板安全技术规范5.1.6承重的支架柱,其荷载应直接作用于立杆的轴线上,严禁承受偏心荷载。
6.1.1应对模板和配件进行挑选、检测,不合格者应剔除,并应运至工地指定地点堆放。
6.1.9支撑梁、板的支架立柱安装构造应符合下列规定:1.梁和板的立柱,纵横向间距应相等或成倍数。
2.钢管立柱底部应设垫木和底座,顶部应设可调支托,U型支托与楞梁两侧间如有间隙,必须楔紧,其螺杆伸出钢管顶部不得大于200mm,插入长度不得小于15mm,螺杆外径与立柱钢管内径的间隙不得大于3mm,安装时应保证上下同心。
3.在立柱底距地面200mm高处,沿纵横水平方向应按纵下横上的程序设扫地杆。
可调支托底部的立柱顶端应沿纵横向设置一道水平杆。
扫地杆与顶部水平杆之间的间距,在满足模板设计所确定的水平杆步距要求条件下,进行平均分配确定步距后,在每一步距处纵横向应各设一道水平杆。
当层高在8~20m时,在最顶步距两水平杆中间应加设一道水平杆;当层高大于20m时,在最顶两步距水平杆中间应分别增加一道水平杆。
所有水平杆的端部均应与四周建筑物顶紧顶牢。
无处可顶时,应于水平杆端部和中部沿竖向设置连续式剪刀撑。
4.钢管立柱的扫地杆、水平杆、剪刀撑应采用Φ48mm×3.5mm钢管,用扣件与钢管立柱扣牢。
钢管扫地杆、水平杆应采用对接,剪刀撑应采用搭接,搭接长度不得小于500mm,用两个旋转扣件分别在离杆端不小于100mm处进行固定。
5.梁下支撑立柱应设置纵横向扫地杆、水平杆与支撑体系连成一体。
6.2 支架立柱安装构造6.2.4当采用扣件式钢管作立柱支撑时,其安装构造应符合下列规定:1.钢管规格、间距、扣件应符合设计要求。
每根立柱底部应设置底座及垫板,垫板厚度不得小于50mm。
2.钢管支架立柱间距、扫地杆、水平拉杆、剪刀撑的设置应符合本规范第6.1.9条的规定。
当立柱底部不在同一高度时,高处的纵向扫地杆应向低处延长不少于两跨,高低差不得大于1m,立柱距边坡上方边缘不得小于0.5m。
模板支撑体系技术标准一、JGJ162-2008建筑施工模板安全技术规范5.1.6承重的支架柱,其荷载应直接作用于立杆的轴线上,严禁承受偏心荷载。
6.1.1应对模板和配件进行挑选、检测,不合格者应剔除,并应运至工地指定地点堆放。
6.1.9支撑梁、板的支架立柱安装构造应符合下列规定:1.梁和板的立柱,纵横向间距应相等或成倍数。
2.钢管立柱底部应设垫木和底座,顶部应设可调支托,U型支托与楞梁两侧间如有间隙,必须楔紧,其螺杆伸出钢管顶部不得大于200mm,插入长度不得小于15mm,螺杆外径与立柱钢管内径的间隙不得大于3mm,安装时应保证上下同心。
3.在立柱底距地面200mm高处,沿纵横水平方向应按纵下横上的程序设扫地杆。
可调支托底部的立柱顶端应沿纵横向设置一道水平杆。
扫地杆与顶部水平杆之间的间距,在满足模板设计所确定的水平杆步距要求条件下,进行平均分配确定步距后,在每一步距处纵横向应各设一道水平杆。
当层高在8~20m时,在最顶步距两水平杆中间应加设一道水平杆;当层高大于20m时,在最顶两步距水平杆中间应分别增加一道水平杆。
所有水平杆的端部均应与四周建筑物顶紧顶牢。
无处可顶时,应于水平杆端部和中部沿竖向设置连续式剪刀撑。
4.钢管立柱的扫地杆、水平杆、剪刀撑应采用Φ48mm×3.5mm钢管,用扣件与钢管立柱扣牢。
钢管扫地杆、水平杆应采用对接,剪刀撑应采用搭接,搭接长度不得小于500mm,用两个旋转扣件分别在离杆端不小于100mm处进行固定。
5.梁下支撑立柱应设置纵横向扫地杆、水平杆与支撑体系连成一体。
6.2 支架立柱安装构造6.2.4当采用扣件式钢管作立柱支撑时,其安装构造应符合下列规定:1.钢管规格、间距、扣件应符合设计要求。
每根立柱底部应设置底座及垫板,垫板厚度不得小于50mm。
2.钢管支架立柱间距、扫地杆、水平拉杆、剪刀撑的设置应符合本规范第6.1.9条的规定。
当立柱底部不在同一高度时,高处的纵向扫地杆应向低处延长不少于两跨,高低差不得大于1m,立柱距边坡上方边缘不得小于0.5m。
支撑体系技术标准精选文档TTMS system office room 【TTMS16H-TTMS2A-TTMS8Q8-模板支撑体系技术标准一、JGJ162-2008建筑施工模板安全技术规范承重的支架柱,其荷载应直接作用于立杆的轴线上,严禁承受偏心荷载。
应对模板和配件进行挑选、检测,不合格者应剔除,并应运至工地指定地点堆放。
支撑梁、板的支架立柱安装构造应符合下列规定:1.梁和板的立柱,纵横向间距应相等或成倍数。
2.钢管立柱底部应设垫木和底座,顶部应设可调支托,U型支托与楞梁两侧间如有间隙,必须楔紧,其螺杆伸出钢管顶部不得大于200mm,插入长度不得小于15mm,螺杆外径与立柱钢管内径的间隙不得大于3mm,安装时应保证上下同心。
3.在立柱底距地面200mm高处,沿纵横水平方向应按纵下横上的程序设扫地杆。
可调支托底部的立柱顶端应沿纵横向设置一道水平杆。
扫地杆与顶部水平杆之间的间距,在满足模板设计所确定的水平杆步距要求条件下,进行平均分配确定步距后,在每一步距处纵横向应各设一道水平杆。
当层高在8~20m时,在最顶步距两水平杆中间应加设一道水平杆;当层高大于20m时,在最顶两步距水平杆中间应分别增加一道水平杆。
所有水平杆的端部均应与四周建筑物顶紧顶牢。
无处可顶时,应于水平杆端部和中部沿竖向设置连续式剪刀撑。
4.钢管立柱的扫地杆、水平杆、剪刀撑应采用Φ48mm×钢管,用扣件与钢管立柱扣牢。
钢管扫地杆、水平杆应采用对接,剪刀撑应采用搭接,搭接长度不得小于500mm,用两个旋转扣件分别在离杆端不小于100mm处进行固定。
5.梁下支撑立柱应设置纵横向扫地杆、水平杆与支撑体系连成一体。
支架立柱安装构造当采用扣件式钢管作立柱支撑时,其安装构造应符合下列规定:1.钢管规格、间距、扣件应符合设计要求。
每根立柱底部应设置底座及垫板,垫板厚度不得小于50mm。
2.钢管支架立柱间距、扫地杆、水平拉杆、剪刀撑的设置应符合本规范第条的规定。
万能支撑施工技术要求
万能支撑施工技术要求包括以下几点:
1. 支撑体系应采用可调钢支撑搭设,并在可调钢支撑上铺设工字钢,根据叠合梁的标高线,调节钢支撑顶端高度,以满足叠合梁施工要求。
2. 钢支撑距离叠合梁支座处应不大于500mm,钢支撑沿叠合梁长度方向间距应不大于2000mm。
3. 主次叠合梁交界处主梁底模与支撑体系应一次就位。
4. 立柱材料应符合方案要求,立柱基础必须坚固,满足立柱承载力要求。
5. 立柱底部应铺设木垫导块,钢管立柱应采用底座构件。
立柱底部间距必须按安全施工技术方案(计算书)要求搭设,支架立杆应竖直设置,2m高度的垂直允许偏差为15mm。
6. 上下立柱接头应牢固可靠,接头宜采用空心套接驳扣或臂扣锁紧。
接头在水平位置宜错开不少于50cm。
以上是万能支撑施工技术的部分要求,如需了解更多,请查阅相关的专业书籍或者咨询相关行业的专家学者。
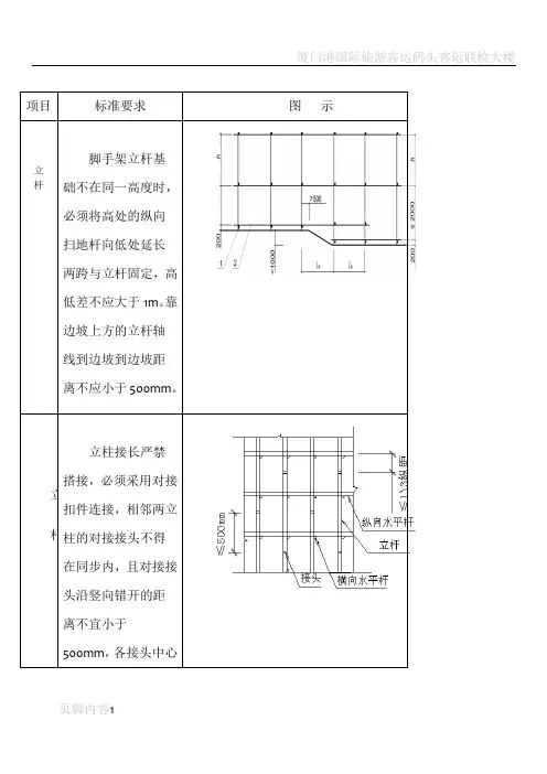
项目标准要求图示立杆脚手架立杆基础不在同一高度时,必须将高处的纵向扫地杆向低处延长两跨与立杆固定,高低差不应大于1m。
靠边坡上方的立杆轴线到边坡到边坡距离不应小于500mm。
立杆立柱接长严禁搭接,必须采用对接扣件连接,相邻两立柱的对接接头不得在同步内,且对接接头沿竖向错开的距离不宜小于500mm,各接头中心距主节点不宜大于步距的1/3。
立杆立杆距梁边或柱边不得超过500mm;有剪力墙时,距剪力墙端部不得超过500mm。
不得超过500mm项目标准要求图示立杆满堂支撑架的可调底座、可调托撑螺杆伸出长度不宜超过300mm,插入立杆内的长度不得小于150mm。
剪刀撑①普通型满堂脚手架在架体周边及内部纵、横向每5m~8m,应由底至顶设置连续竖向剪刀撑,剪刀撑宽度应为5m~8m。
②普通型满堂脚手架在竖向剪刀撑顶部交点平面应设置连续水平剪刀撑。
当支撑高度超过8m,或施工总荷载大于15kN/㎡,或几种线荷载大于20kN/m的支撑架,扫地杆的设置层应设置水平剪刀撑。
梁模板托木、夹木竖向立挡间距不大于800mm;梁高>400mm时,应设主、次楞,次楞间距应≤300mm;梁净高≥500mm时,应设对拉螺栓及托木。
5项目标准要求图示板模板次楞间距≤300mm;主楞间距根据计算决定,且应≤1500mm。
剪力墙模板剪力墙主龙骨为6道水平对拉螺杆拉结钢管;墙竖向对拉螺杆最底下3道间距不超过450mm,上面3道不超过500mm;竖楞间距≤200mm。
柱模板柱模板共设5道水平方向龙骨,每道龙骨为双钢管+对拉螺栓加固;柱第一道龙骨对拉螺栓距地200mm,其他间距均为500mm;竖楞间距≤200mm。
模板支撑体系技术标准一、JGJ162-2008建筑施工模板安全技术规范5.1.6承重的支架柱,其荷载应直接作用于立杆的轴线上,严禁承受偏心荷载。
6.1.1应对模板和配件进行挑选、检测,不合格者应剔除,并应运至工地指定地点堆放。
6.1.9支撑梁、板的支架立柱安装构造应符合下列规定:1.梁和板的立柱,纵横向间距应相等或成倍数。
2.钢管立柱底部应设垫木和底座,顶部应设可调支托,U型支托与楞梁两侧间如有间隙,必须楔紧,其螺杆伸出钢管顶部不得大于200mm,插入长度不得小于15mm,螺杆外径与立柱钢管内径的间隙不得大于3mm,安装时应保证上下同心。
3.在立柱底距地面200mm高处,沿纵横水平方向应按纵下横上的程序设扫地杆。
可调支托底部的立柱顶端应沿纵横向设置一道水平杆。
扫地杆与顶部水平杆之间的间距,在满足模板设计所确定的水平杆步距要求条件下,进行平均分配确定步距后,在每一步距处纵横向应各设一道水平杆。
当层高在8~20m时,在最顶步距两水平杆中间应加设一道水平杆;当层高大于20m时,在最顶两步距水平杆中间应分别增加一道水平杆。
所有水平杆的端部均应与四周建筑物顶紧顶牢。
无处可顶时,应于水平杆端部和中部沿竖向设置连续式剪刀撑。
4.钢管立柱的扫地杆、水平杆、剪刀撑应采用Φ48mm×3.5mm钢管,用扣件与钢管立柱扣牢。
钢管扫地杆、水平杆应采用对接,剪刀撑应采用搭接,搭接长度不得小于500mm,用两个旋转扣件分别在离杆端不小于100mm处进行固定。
5.梁下支撑立柱应设置纵横向扫地杆、水平杆与支撑体系连成一体。
6.2 支架立柱安装构造6.2.4当采用扣件式钢管作立柱支撑时,其安装构造应符合下列规定:1.钢管规格、间距、扣件应符合设计要求。
每根立柱底部应设置底座及垫板,垫板厚度不得小于50mm。
2.钢管支架立柱间距、扫地杆、水平拉杆、剪刀撑的设置应符合本规范第6.1.9条的规定。
当立柱底部不在同一高度时,高处的纵向扫地杆应向低处延长不少于两跨,高低差不得大于1m,立柱距边坡上方边缘不得小于0.5m。
主体结构工程模板支撑体系标准做法1.模板材料要求1.1 墙、柱、梁、板使用厚度不低于15mm 厚的胶合板,板胶合层应层次分明、密实、无孔洞。
2.木枋材料要求2.1 采用标准尺寸木枋,使用前须过刨处理,截面尺寸偏差≰3mm。
2.2 推荐采用钢枋或钢木枋,其刚度大、精度高、周转次数多、总体成本相对较低。
3.内撑及对拉螺杆要求3.1 墙内撑采用成品带齿口内撑,可取消工人绑扎内撑的工作,并防止内撑掉落。
3.2 推荐使用带胶杯对拉螺杆套管,套管材质可采用厚壁型PVC管材或PPR管材,可有效控制截面尺寸和表面平整度,预防对拉螺杆处漏浆。
采用木枋、钢木枋、钢枋的模板支撑效果示图4、基层清理、柱底定位筋4.1 墙柱砼基层施工缝需踢打至露石,并清理干净。
4.2 墙柱模板下口内侧需设ø 8定位筋,定位筋距模板阴阳角50mm开始设臵,间距≯500mm。
5.梁模支撑与架体加固要求5.1 梁底模两侧须设臵限位扣件,同跨内两端必须设臵,中部每隔两道小横杆设一道限位扣件。
5.2 梁支撑的小横杆间距同立杆间距且≰1.2m,当梁下方的支撑立杆间距>1.2m或梁高度≱600mm时,梁下方增加立杆支撑,立杆间距≰1.2m。
5.3 截面高度≱500mm的梁应在侧模中部设臵一道水平木枋,避免胀模;外边梁≱600mm 时,应设臵对拉螺杆并在梁下口采用专用夹具进行加固,间距≯600mm;中间梁高≱500mm 时采用专用夹具或“步步紧”进行加固。
6.板模支撑及架体加固要求6.1 楼板第一排立杆距墙≰500mm,楼板支撑立杆纵、横向间距≰1.2m,扫地杆距楼面≰200mm,中间水平拉杆步距≰1800m。
6.2 立杆设臵顶托的,顶托旋出长度≰200mm,不允许采用底托代替,上部应设臵2根木枋或2根钢管,避免受力偏心。
6.3 楼板模板支撑木枋间距≰200mm ;木枋端部离梁侧模板≰150mm;支撑木枋不得在同跨立杆搭接。
7.墙柱加固7.1 墙柱侧模采用通长标准木枋或槽钢、方钢,间距≰200mm,背枋必须顶到板底。
支撑模板支撑体系搭设技术要求搭建支撑模板支撑体系,哎呀,这事儿一听就让人觉得有点头大,但其实只要弄明白了,没那么复杂。
说白了,它就是在做一些基础的“加固工作”,就像你穿着新鞋走路,怕底下不平摔一跤,所以得在鞋底加点儿防滑垫一样。
支撑体系就是为了保证在施工过程中,模板不会塌、不会弯,保证一切都稳稳当当的,不掉链子。
所以,搞清楚它的技术要求,对每个人来说都至关重要。
搭设这些支撑模板的时候,你得确保支撑架子不能歪歪斜斜的。
就像搭积木一样,你不能随便胡乱一摆,得像搭高楼一样,得从最底下开始,稳稳地一层一层搭起来。
如果基础不牢,后面的工作就容易出问题。
最基本的一条就是:支撑架要立得稳,像根柱子一样笔直,不然模板一压上去,支撑架就可能崩塌。
你想象一下,如果那个支撑柱一歪,整个建筑物的模板就可能会发生移位,所有人都得赶紧撤退,这可就太麻烦了。
然后说到材料的选择,嘿,这个得好好讲讲。
用的材料得合格,不是随便哪里捡来的木头钢管就行。
尤其是钢管啊,得选那些厚实的,抗压性强的,不然再怎么搭,也撑不住上面的压力。
你想啊,建筑工程中的混凝土,尤其是刚浇筑好的混凝土,可沉重了,没点儿硬货,怎么行?支撑架子就得选那种能够承受住大重量的,像钢筋骨架一样,稳得不动摇,才不会让你操心。
除此之外,别忘了那个“平衡”。
你看,咱们平时走路会有个重心,不然就容易摔倒,支撑架也是一样,重心不对,连最结实的材料都经不住。
可要是架子搭得不均匀,某个地方一压重了,其他地方就会“受不住”,这事儿可就大了。
所以搭支撑架时要特别留意,它必须分布均匀,不可偏重一边,就像玩平衡木一样,得把握住那个“点”。
这个模板支撑体系的搭设高度也不能忽略。
想想看,建筑工地上,脚手架一搭,眼前这庞然大物可不是闹着玩的,光是从地面到顶部的高度就得好好计算。
如果支撑架搭得太高,支撑力不够强,那模板可能就会“给你个惊喜”,一不小心塌下来,后果可想而知。
咱们可不能拿施工的安全开玩笑,每一步的操作都得细心周到。
支撑相关技术要求文档编制序号:[KK8UY-LL9IO69-TTO6M3-MTOL89-FTT688]模板支撑系统要点及要求1.底模支撑中间立杆间距800-900mm,不应大于900mm,横杆首道步距为1.8m,其它步距为1.2m,最上端立杆自由端不大于600mm,边支撑立杆与墙面间距不应大于300mm。
2.截面大于700柱、高度大于700梁和剪力墙,均采用φ12对拉螺杆,对拉螺杆间距为竖向间距为500-600mm,横向间距为400-500mm。
地下室外墙和人防地下室临空墙采用对拉螺栓时设置钢板止水片。
3.梁的高度大于800mm及剪力墙等结构采用的对穿螺栓在其下部3—4排范围内应使用双螺帽。
(满加、不能隔一加一)4.梁底横杆与立杆连接均采用双个直角扣件。
跨度≥4m时,底板中部按全跨长度2‰起拱。
5.模板周边应刨边平直,接缝严密,接缝高低差不大于2mm,平整度不大于3mm;6.地下室剪力墙外墙采用钢管支撑间距200,内墙采用木方支撑间距250-300,采用M12止水螺杆竖向间距为500-600,横向间距为400-500。
7.地下室所有的梁底都必须加剪刀撑,高度超过500的梁底加立杆支撑且与满堂架连接以增加架体的稳定性。
8.所有的外剪力墙模板加固完成后,必须用钢管作斜杆与满堂架连接以增加稳定性。
所有梁底、跨度较大的板及外围柱墙必须加扫地杆高度200。
9.地下室柱、墙模板加固完成后,必须用钢管与满堂架至少有两道连接、高跨部位要有三道连接以增加模板的整体稳定性。
10.后浇带部位满堂架不允许断开,要形成一个整体,且后浇带满堂架两侧加剪刀撑。
11.地下室有柱帽的柱子,在柱帽部位处要用钢管加顶托支撑柱帽,以防止涨模。
12.所有的地下室满堂架上口的顶托丝头露出长度不大于300mm。
模板支撑体系技术标准一、JGJ162-2008建筑施工模板安全技术规范6.1.1应对模板和配件进行挑选、检测,不合格者应剔除,并应运至工地指定地点堆放。
1.梁和板的立柱,纵横向间距应相等或成倍数。
2.钢管立柱底部应设垫木和底座,顶部应设可调支托,U型支托与楞梁两侧间如有间隙,必须楔紧,其螺杆伸出钢管顶部不得大于200mm,插入长度不得小于15mm,螺杆外径与立柱钢管内径的间隙不得大于3mm,安装时应保证上下同心。
3.在立柱底距地面200mm高处,沿纵横水平方向应按纵下横上的程序设扫地杆。
可调支托底部的立柱顶端应沿纵横向设置一道水平杆。
扫地杆与顶部水平杆之间的间距,在满足模板设计所确定的水平杆步距要求条件下,进行平均分配确定步距后,在每一步距处纵横向应各设一道水平杆。
当层高在8~20m时,在最顶步距两水平杆中间应加设一道水平杆;当层高大于20m时,在最顶两步距水平杆中间应分别增加一道水平杆。
所有水平杆的端部均应与四周建筑物顶紧顶牢。
无处可顶时,应于水平杆端部和中部沿竖向设置连续式剪刀撑。
4.钢管立柱的扫地杆、水平杆、剪刀撑应采用Φ48mm×3.5mm钢管,用扣件与钢管立柱扣牢。
钢管扫地杆、水平杆应采用对接,剪刀撑应采用搭接,搭接长度不得小于500mm,用两个旋转扣件分别在离杆端不小于100mm处进行固定。
5.梁下支撑立柱应设置纵横向扫地杆、水平杆与支撑体系连成一体。
6.2 支架立柱安装构造1.钢管规格、间距、扣件应符合设计要求。
每根立柱底部应设置底座及垫板,垫板厚度不得小于50mm。
当立柱底部不在同一高度时,高处的纵向扫地杆应向低处延长不少于两跨,高低差不得大于1m,立柱距边坡上方边缘不得小于0.5m。
3.立柱接长严禁搭接,必须采用对接扣件连接,相邻两立柱的对接接头不得在同步内,且对接接头沿竖向错开的距离不宜小于500mm,各接头中心距主节点不宜大于步距的1/3。
4.严禁将上段的钢管立柱与下段钢管立柱错开固定于水平杆上。
模板支撑体系技术标准一、JGJ162-2008建筑施工模板安全技术规范5.1.6承重的支架柱,其荷载应直接作用于立杆的轴线上,严禁承受偏心荷载。
6.1.1应对模板和配件进行挑选、检测,不合格者应剔除,并应运至工地指定地点堆放。
6.1.9支撑梁、板的支架立柱安装构造应符合下列规定:1.梁和板的立柱,纵横向间距应相等或成倍数。
2.钢管立柱底部应设垫木和底座,顶部应设可调支托,U型支托与楞梁两侧间如有间隙,必须楔紧,其螺杆伸出钢管顶部不得大于200mm,插入长度不得小于15mm,螺杆外径与立柱钢管内径的间隙不得大于3mm,安装时应保证上下同心。
3.在立柱底距地面200mm高处,沿纵横水平方向应按纵下横上的程序设扫地杆。
可调支托底部的立柱顶端应沿纵横向设置一道水平杆。
扫地杆与顶部水平杆之间的间距,在满足模板设计所确定的水平杆步距要求条件下,进行平均分配确定步距后,在每一步距处纵横向应各设一道水平杆。
当层高在8~20m时,在最顶步距两水平杆中间应加设一道水平杆;当层高大于20m时,在最顶两步距水平杆中间应分别增加一道水平杆。
所有水平杆的端部均应与四周建筑物顶紧顶牢。
无处可顶时,应于水平杆端部和中部沿竖向设置连续式剪刀撑。
4.钢管立柱的扫地杆、水平杆、剪刀撑应采用Φ48mm×3.5mm钢管,用扣件与钢管立柱扣牢。
钢管扫地杆、水平杆应采用对接,剪刀撑应采用搭接,搭接长度不得小于500mm,用两个旋转扣件分别在离杆端不小于100mm处进行固定。
5.梁下支撑立柱应设置纵横向扫地杆、水平杆与支撑体系连成一体。
6.2 支架立柱安装构造6.2.4当采用扣件式钢管作立柱支撑时,其安装构造应符合下列规定:1.钢管规格、间距、扣件应符合设计要求。
每根立柱底部应设置底座及垫板,垫板厚度不得小于50mm。
2.钢管支架立柱间距、扫地杆、水平拉杆、剪刀撑的设置应符合本规范第6.1.9条的规定。
当立柱底部不在同一高度时,高处的纵向扫地杆应向低处延长不少于两跨,高低差不得大于1m,立柱距边坡上方边缘不得小于0.5m。
模板支撑体系技术标准(总10页)-CAL-FENGHAI.-(YICAI)-Company One1-CAL-本页仅作为文档封面,使用请直接删除模板支撑体系技术标准一、JGJ162-2008建筑施工模板安全技术规范5.1.6承重的支架柱,其荷载应直接作用于立杆的轴线上,严禁承受偏心荷载。
6.1.1应对模板和配件进行挑选、检测,不合格者应剔除,并应运至工地指定地点堆放。
6.1.9支撑梁、板的支架立柱安装构造应符合下列规定:1.梁和板的立柱,纵横向间距应相等或成倍数。
2.钢管立柱底部应设垫木和底座,顶部应设可调支托,U型支托与楞梁两侧间如有间隙,必须楔紧,其螺杆伸出钢管顶部不得大于200mm,插入长度不得小于15mm,螺杆外径与立柱钢管内径的间隙不得大于3mm,安装时应保证上下同心。
3.在立柱底距地面200mm高处,沿纵横水平方向应按纵下横上的程序设扫地杆。
可调支托底部的立柱顶端应沿纵横向设置一道水平杆。
扫地杆与顶部水平杆之间的间距,在满足模板设计所确定的水平杆步距要求条件下,进行平均分配确定步距后,在每一步距处纵横向应各设一道水平杆。
当层高在8~20m时,在最顶步距两水平杆中间应加设一道水平杆;当层高大于20m时,在最顶两步距水平杆中间应分别增加一道水平杆。
所有水平杆的端部均应与四周建筑物顶紧顶牢。
无处可顶时,应于水平杆端部和中部沿竖向设置连续式剪刀撑。
4.钢管立柱的扫地杆、水平杆、剪刀撑应采用Φ48mm×3.5mm钢管,用扣件与钢管立柱扣牢。
钢管扫地杆、水平杆应采用对接,剪刀撑应采用搭接,搭接长度不得小于500mm,用两个旋转扣件分别在离杆端不小于100mm处进行固定。
5.梁下支撑立柱应设置纵横向扫地杆、水平杆与支撑体系连成一体。
6.2 支架立柱安装构造6.2.4当采用扣件式钢管作立柱支撑时,其安装构造应符合下列规定:1.钢管规格、间距、扣件应符合设计要求。
每根立柱底部应设置底座及垫板,垫板厚度不得小于50mm。
模板支撑体系技术标准一、JGJ162-2008建筑施工模板安全技术规范5.1.6承重的支架柱,其荷载应直接作用于立杆的轴线上,严禁承受偏心荷载。
6.1.1应对模板和配件进行挑选、检测,不合格者应剔除,并应运至工地指定地点堆放。
6.1.9支撑梁、板的支架立柱安装构造应符合下列规定:1.梁和板的立柱,纵横向间距应相等或成倍数。
2.钢管立柱底部应设垫木和底座,顶部应设可调支托,U型支托与楞梁两侧间如有间隙,必须楔紧,其螺杆伸出钢管顶部不得大于200mm,插入长度不得小于15mm,螺杆外径与立柱钢管内径的间隙不得大于3mm,安装时应保证上下同心。
3.在立柱底距地面200mm高处,沿纵横水平方向应按纵下横上的程序设扫地杆。
可调支托底部的立柱顶端应沿纵横向设置一道水平杆。
扫地杆与顶部水平杆之间的间距,在满足模板设计所确定的水平杆步距要求条件下,进行平均分配确定步距后,在每一步距处纵横向应各设一道水平杆。
当层高在8~20m时,在最顶步距两水平杆中间应加设一道水平杆;当层高大于20m时,在最顶两步距水平杆中间应分别增加一道水平杆。
所有水平杆的端部均应与四周建筑物顶紧顶牢。
无处可顶时,应于水平杆端部和中部沿竖向设置连续式剪刀撑。
4.钢管立柱的扫地杆、水平杆、剪刀撑应采用Φ48mm×3.5mm钢管,用扣件与钢管立柱扣牢。
钢管扫地杆、水平杆应采用对接,剪刀撑应采用搭接,搭接长度不得小于500mm,用两个旋转扣件分别在离杆端不小于100mm处进行固定。
5.梁下支撑立柱应设置纵横向扫地杆、水平杆与支撑体系连成一体。
6.2 支架立柱安装构造6.2.4当采用扣件式钢管作立柱支撑时,其安装构造应符合下列规定: 1.钢管规格、间距、扣件应符合设计要求。
每根立柱底部应设置底座及垫板,垫板厚度不得小于50mm。
2.钢管支架立柱间距、扫地杆、水平拉杆、剪刀撑的设置应符合本规范第 6.1.9条的规定。
当立柱底部不在同一高度时,高处的纵向扫地杆应向低处延长不少于两跨,高低差不得大于1m,立柱距边坡上方边缘不得小于0.5m。
模板支撑体系技术标准案场各岗位服务流程销售大厅服务岗:1、销售大厅服务岗岗位职责:1)为来访客户提供全程的休息区域及饮品;2)保持销售区域台面整洁;3)及时补足销售大厅物资,如糖果或杂志等;4)收集客户意见、建议及现场问题点;2、销售大厅服务岗工作及服务流程阶段工作及服务流程班前阶段1)自检仪容仪表以饱满的精神面貌进入工作区域2)检查使用工具及销售大厅物资情况,异常情况及时登记并报告上级。
班中工作程序服务流程行为规范迎接指引递阅资料上饮品(糕点)添加茶水工作要求1)眼神关注客人,当客人距3米距离时,应主动跨出自己的位置迎宾,然后侯客迎询问客户送客户注意事项15度鞠躬微笑问候:“您好!欢迎光临!”2)在客人前方1-2米距离领位,指引请客人向休息区,在客人入座后问客人对座位是否满意:“您好!请问坐这儿可以吗?”得到同意后为客人拉椅入座“好的,请入座!”3)若客人无置业顾问陪同,可询问:请问您有专属的置业顾问吗?,为客人取阅项目资料,并礼貌的告知请客人稍等,置业顾问会很快过来介绍,同时请置业顾问关注该客人;4)问候的起始语应为“先生-小姐-女士早上好,这里是XX销售中心,这边请”5)问候时间段为8:30-11:30 早上好11:30-14:30 中午好 14:30-18:00下午好6)关注客人物品,如物品较多,则主动询问是否需要帮助(如拾到物品须两名人员在场方能打开,提示客人注意贵重物品);7)在满座位的情况下,须先向客人致歉,在请其到沙盘区进行观摩稍作等待;阶段工作及服务流程班中工作程序工作要求注意事项饮料(糕点服务)1)在所有饮料(糕点)服务中必须使用托盘;2)所有饮料服务均已“对不起,打扰一下,请问您需要什么饮品”为起始;3)服务方向:从客人的右面服务;4)当客人的饮料杯中只剩三分之一时,必须询问客人是否需要再添一杯,在二次服务中特别注意瓶口绝对不可以与客人使用的杯子接触;5)在客人再次需要饮料时必须更换杯子;下班程序1)检查使用的工具及销售案场物资情况,异常情况及时记录并报告上级领导;2)填写物资领用申请表并整理客户意见;3)参加班后总结会;4)积极配合销售人员的接待工作,如果下班时间已经到,必须待客人离开后下班;1.3.3.3吧台服务岗1.3.3.3.1吧台服务岗岗位职责1)为来访的客人提供全程的休息及饮品服务;2)保持吧台区域的整洁;3)饮品使用的器皿必须消毒;4)及时补充吧台物资;5)收集客户意见、建议及问题点;1.3.3.3.2吧台服务岗工作及流程阶段工作及服务流程班前阶段1)自检仪容仪表以饱满的精神面貌进入工作区域2)检查使用工具及销售大厅物资情况,异常情况及时登记并报告上级。
模板1一般规定1.1 模板施工前,应根据建筑物结构特点和混凝土施工工艺进行模板设计,并编制安全技术措施。
1.2 模板及支架应具有足够的强度、刚度和稳定性,能可靠地承受新浇混凝土自重、侧压力和施工中产生的荷载及风荷载。
1.3 各种材料模板的制作,应符合相关技术标准的规定。
1.4 模板支架材料宜采用钢管、门型架、型钢、塔身标准节、木杆等。
模板支架材质应符合相关技术标准的规定。
2设计计算2.1 模板荷载效应组合及其各项荷载标准值,应符合现行国家标准《建筑结构荷载规范》GB50009的有关规定。
2.2 模板风荷载标准值应按现行国家标准《建筑结构荷载规范》GB50009的规定,取n=5 。
2.3 模板支架立杆的稳定性计算,对扣件式钢管支架在符合有关构造要求后,可按国家现行标准《建筑施工扣件式钢管脚手架安全技术规范》JGJ130有关脚手架立杆的稳定性计算公式进行。
1 模板支架立杆轴向力设计值N及弯矩设计值M ,应按下列公式计算:N = 1.2ΣNGk +1.4ΣNQk (7.2.3—1)M = 0.6×1.4Mwk = 0.6×1.4 W k Lah²/10 (7.2.3—2)式中ΣN Gk——模板及支架自重、新浇混凝土自重与钢筋自重标准值产生的轴向力总和;ΣNQk——施工人员及施工设备荷载标准值、振捣混凝土时产生的荷载标准值产生的轴向力总和;Mwk——水平风荷载产生的弯矩标准值;M——水平风荷载产生的弯矩设计值。
2 模板支架立杆的计算长度L0,应按下式计算:L0=h+2a (7.2.3—3)式中h——支架立杆的步距;a——模板支架立杆伸出顶层横向水平杆中心线至模板支撑点距离。
2.4 模板支架底部的建筑物结构或地基,必须具有支撑上层荷载的能力。
当底部支撑楼板的设计荷载不足时,可采取保留两层或多层支架立杆(经计算确定)加强;当支撑在地基上时,应验算地基的承载力。
3 构造要求3.1 各种模板的支架应自成体系,严禁与脚手架进行连接。
模板支撑体系技术标准
一、JGJ162-2008建筑施工模板安全技术规范
承重的支架柱,其荷载应直接作用于立杆的轴线上,严禁承受偏心荷载。
应对模板和配件进行挑选、检测,不合格者应剔除,并应运至工地指定地点堆放。
支撑梁、板的支架立柱安装构造应符合下列规定:
1.梁和板的立柱,纵横向间距应相等或成倍数。
2.钢管立柱底部应设垫木和底座,顶部应设可调支托,U型支托与楞梁两侧间如有间隙,必须楔紧,其螺杆伸出钢管顶部不得大于200mm,插入长度不得小于15mm,螺杆外径与立柱钢管内径的间隙不得大于3mm,安装时应保证上下同心。
3.在立柱底距地面200mm高处,沿纵横水平方向应按纵下横上的程序设扫地杆。
可调支托底部的立柱顶端应沿纵横向设置一道水平杆。
扫地杆与顶部水平杆之间的间距,在满足模板设计所确定的水平杆步距要求条件下,进行平均分配确定步距后,在每一步距处纵横向应各设一道水平杆。
当层高在8~20m时,在最顶步距两水平杆中间应加设一道水平杆;当层高大于20m时,在最顶两步距水平杆中间应分别增加一道水平杆。
所有水平杆的端部均应与四周建筑物顶紧顶牢。
无处可顶时,应于水平杆端部和中部沿竖向设置连续式剪刀撑。
4.钢管立柱的扫地杆、水平杆、剪刀撑应采用Φ48mm×钢管,用扣件与钢管立柱扣牢。
钢管扫地杆、水平杆应采用对接,剪刀撑应采用搭接,搭接长度不得小于500mm,用两个旋转扣件分别在离杆端不小于100mm 处进行固定。
5.梁下支撑立柱应设置纵横向扫地杆、水平杆与支撑体系连成一体。
支架立柱安装构造
当采用扣件式钢管作立柱支撑时,其安装构造应符合下列规定:
1.钢管规格、间距、扣件应符合设计要求。
每根立柱底部应设置底座及垫板,垫板厚度不得小于50mm。
2.钢管支架立柱间距、扫地杆、水平拉杆、剪刀撑的设置应符合本规范第条的规定。
当立柱底部不在同一高度时,高处的纵向扫地杆应向低处延长不少于两跨,高低差不得大于1m,立柱距边坡上方边缘不得小于。
3.立柱接长严禁搭接,必须采用对接扣件连接,相邻两立柱的对接接头不得在同步内,且对接接头沿竖向错开的距离不宜小于500mm,各接头中心距主节点不宜大于步距的1/3。
4.严禁将上段的钢管立柱与下段钢管立柱错开固定于水平杆上。
5.满堂模板和共享空间模板支架立柱,在外侧周圈应设由下至上的竖向连续式剪刀撑;中间在纵横向应每隔10m左右设由下至上的竖向连续式的剪刀撑,其宽度宜为4~6m,并在剪刀撑部位的顶部、扫地杆处设置水平剪刀撑(见图—1)。
剪刀撑杆件的底端应与地面顶紧,夹角宜为45°~60°。
当建筑层高在8~20m时,除应满足上述规定外,还应在纵横向相邻的两竖向连续式剪刀撑之间增加之字斜撑,在有水平剪刀撑的部位,应在每个剪刀撑中间处增加一道水平剪刀撑(见图—2)。
当建筑层高超过20m时,在满足以上规定的基础上,应将所有之字斜撑全部改为连续式剪刀撑(见图—3)。
图—1 剪刀撑布置图一
图—2 剪刀撑布置图二
图—3 剪刀撑布置图三
6.当支架立柱高度超过5m时,应在立柱周圈外侧和中间有结构柱的部位,按水平间距6~9m,竖向间距2~3m与建筑结构设置一个固结点。
当采用碗扣式钢管脚手架作立柱支撑时,其安装构造应符合下列规定:
1.立杆应采用长和的立杆错开布置,严禁将接头布置在同一水平高度。
2.立杆底座应采用大钉固定于垫木上。
3.立杆立一层,即将斜撑对称安装牢固,不得漏加,也不得随意拆除。
4.横向水平杆应双向设置,间距不得超过。
5.当支架立柱高度超过5m时,应按本规范第条的规定执行。
悬挑结构立柱支撑的安装应符合下列要求:
1. 多层悬挑结构模板的上下立柱应保持在同一条垂直线上。
2. 多层悬挑结构模板的立柱应连续支撑,并不得少于3层。
二、JGJ130-2011建筑施工扣件式钢管脚手架安全技术规范
满堂支撑架计算立杆伸出顶层水平杆中心线至支撑点的长度;应不大于 。
满堂支撑架
满堂支撑架步距不宜超过 , 立杆间距不宜超过 ×,立杆伸出顶层水平杆中心线至支撑点的长度 不应超过 。
满堂支撑架搭设高度不宜超过 30m 。
满堂支撑架应根据架体的类型设置剪刀撑,并应符合下列规定:
1 普通型:
1)在
架体外侧
周
边
及内部纵、横向
每
5
m ~8m
,
应
由
底2)在竖向剪刀撑顶部交点平面应设置连续水平剪刀撑。
当支撑高度超过8m ,或施工总荷载大于 15kN /㎡,或集中线荷载大于 20kN/m 的支撑架,扫地杆的设置层应设置水平剪刀撑。
水平剪刀撑至架体底平面距离与水平剪刀撑间距不宜超过8m (图)。
图 普通型水平、竖向剪刀撑布置图
1——水平剪刀撑;2——竖向剪刀撑;3——扫地杆设置层
2 加强型:
1
)当
立杆
纵、
横
间
距
为 m
2)当立
杆纵、横间
距
为
3)当立杆纵、横间距为 m ×~ m ×(含 ×)时 ,在架体外侧周边及内部纵、横向每 3m ~ 应由底至顶设置连续竖向 剪刀撑,剪刀撑宽度应为 3m ~ 。
4)在竖向剪刀撑顶部交点平面应设置水平剪刀撑,扫地杆的设置层水平 剪刀撑的设置应符合 条第一款第二项的规定,水平剪刀撑至架体底平面距离与水平剪刀撑间距不宜超过 6m ,剪刀撑宽度应为 3m ~5m
(图 ) 。
图 加强型水平、竖向剪刀撑构造布置图
1——水平剪刀撑;2——竖向剪刀撑;3——扫地杆设置层
竖向剪刀撑斜杆与地面的倾角应为45o~60o,水平剪刀撑与支架纵(或横)向夹角应为45o~60o,剪刀撑斜杆的搭接长度不小于1m,应采用不少于3个旋转扣件固定,端部扣件盖板的边缘至杆端距离不应小于100mm。
剪刀撑应用旋转扣件固定在与之相交的水平杆或立杆上,旋转扣件中心线至主节点的距离不宜大
于150mm。
满堂支撑架的可调底座、可调托撑螺杆伸出长度不宜超过300mm,插入立杆内的长度不得小于150mm。
三、JGJ 166-2008建筑施工模板安全技术规范
3. 碗扣架用钢管规格为Φ48×,钢管壁厚不得小于。
立杆连接外套管壁厚不得小于,内径不大于50 mm,外套管长度不得小于160mm,外伸长度不小于110mm。
可调底座及可调托撑丝杆与螺母捏合长度不得少于4-5扣,插入立杆内的长度不得小于150mm。