多因素方差分析.
- 格式:ppt
- 大小:1.64 MB
- 文档页数:54
多因素方差分析是对一个独立变量是否受一个或多个因素或变量影响而进行的方差分析。
SPSS调用“Univariate”过程,检验不同水平组合之间因变量均数,由于受不同因素影响是否有差异的问题。
在这个过程中可以分析每一个因素的作用,也可以分析因素之间的交互作用,以及分析协方差,以及各因素变量与协变量之间的交互作用。
该过程要求因变量是从多元正态总体随机采样得来,且总体中各单元的方差相同。
但也可以通过方差齐次性检验选择均值比较结果。
因变量和协变量必须是数值型变量,协变量与因变量不彼此独立。
因素变量是分类变量,可以是数值型也可以是长度不超过8的字符型变量。
固定因素变量(Fixed Factor)是反应处理的因素;随机因素是随机地从总体中抽取的因素。
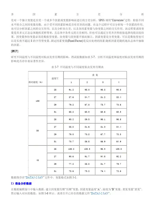
[例子]研究不同温度与不同湿度对粘虫发育历期的影响,得试验数据如表5-7。
分析不同温度和湿度对粘虫发育历期的影响是否存在着显著性差异。
表5-7 不同温度与不同湿度粘虫发育历期表图5-6 数据输入格式2)启动分析过程点击主菜单“Analyze”项,在下拉菜单中点击“General Linear Model”项,在右拉式菜单中点击“Univariate”项,系统打开单因变量多因素方差分析设置窗口如图5-7。
图5-7 多因素方差分析窗口3)设置分析变量设置因变量:在左边变量列表中选“历期”,用向右拉按钮选入到“Dependent Variable:”框中。
设置因素变量:在左边变量列表中选“a”和“b”变量,用向右拉按钮移到“Fixed Factor(s):”框中。
可以选择多个因素变量。
由于内存容量的限制,选择的因素水平组合数(单元数)应该尽量少。
设置随机因素变量:在左边变量列表中选“重复”变量,用向右拉按钮移到“到Random Factor(s)”框中。
可以选择多个随机变量。
设置协变量:如果需要去除某个变量对因素变量的影响,可将这个变量移到“Covariate(s)”框中。
多因素方差分析1. 基本思想:用来研究两个及两个以上控制变量是否对观测变量产生显著影响。
可以分析多个控制变量单独作用对观测变量的影响(这叫做主效应),也可以分析多个控制因素的交互作用对观测变量的影响(也称交互效应),还可以考虑其他随机变量是否对结果产生影响,进而最终找到利于观测变量的最优组合。
根据观测变量(即因变量)的数目,可以把多因素方差分析分为:单变量多因素方差分析(也叫一元多因素方差分析)与多变量多因素方差分析(即多元多因素方差分析)。
一元多因素方差分析:只有一个因变量,考察多个自变量对该因变量的影响。
例如,分析不同品种、不同施肥量对农作物产量的影响时,可将农作物产量作为观测变量,品种和施肥量作为控制变量。
利用多因素方差分析方法,研究不同品种、不同施肥量是如何影响农作物产量的,并进一步研究哪种品种与哪种水平的施肥量是提高农作物产量的最优组合。
多元多因素方差分析:是对一元多因素方差分析的扩展,不仅需要检验自变量的不同水平上,因变量的均值是否存在差异,而且要检验各因变量之间的均值是否存在差异。
例如,用四个班级学生分别对两种教材、两种教学方法进行试验,除了要考虑着两种教材、两种教学方法的四种搭配以外,还要考虑四个班级学生的学习能力这些因素。
2. 原理:通过计算F统计量,进行F检验。
F统计量是平均组间平方和与平均组内平方和的比。
尸$控制您童H卜尸6小=的机竇量这里,把总的影响平方和记为SST它分为两个部分,一部分是由控制变量引起的离差,记为SSA组间离差平方和),另一部分是由随机变量引起的SS(组内离差平方和)。
即SST=SSA+SS组间离差平方和SSA是各水平均值和总体均值离差的平方和,反映了控制变量的影响。
组内离差平方和是每个数据与本水平组平均值离差的平方和,反映了数据抽样误差的大小程度。
通过F值看出,如果控制变量的不同水平对观测变量有显著影响,那观测变量的组间离差平方和就大,F值也大;相反,如果控制变量的不同水平没有对观测变量造成显著影响,那组内离差平方和就比较大,F值就比较小。
多因素方差分析结果解读多因素方差分析(MultivariateAnalysisofVariance,简称MANOVA)是一种用于检验多个自变量对一个因变量的影响的统计分析方法,它主要应用于研究多个自变量的整体影响,以及多个自变量之间的交互影响。
在多因素方差分析中,研究者需要对自变量、因变量、因素、水平、抽样设计和拟合统计模型等参数进行合理安排并给出具体分析方法、统计检验方法以及分析结果解读方法,以便得出准确的分析结果。
本文主要就如何正确解读多因素方差分析结果做一个讨论。
首先要明确的是,多因素方差分析结果从两个角度进行解读:整体的影响和交互的影响。
在解读多因素方差分析结果的整体影响时,关键是检验多个自变量对因变量的影响,这通常是通过检验拟合模型的F统计量来实现的,如果F统计量达到显著性水平(一般认为是α=0.05),则可以得出多个自变量对因变量有统计学意义的整体影响的结论,但不能准确判断具体哪个自变量对因变量最有影响力,需要进一步解读它们之间的交互影响。
多因素方差分析的另一个重点是检验多个自变量之间的交互影响,它是检验多个自变量对因变量的影响的补充,可以更精确地判断出多个自变量之间的某种特定关系。
这里有几种常用的检验交互影响的方法:F检验、Wilks’检验、Hotelling-Lawley Trace检验以及Bartlett-Box F检验、Roy’s大F检验等,其中F检验用于检验各个因素与交互因素之间的关系;Wilks’检验和Hotelling-Lawley Trace检验用于检验因素之间以及因素与交互因素之间的关系;Bartlett-Box F检验和Roy’s大F检验则用于检验因素、交互因素与因变量之间的关系。
总的来说,在解读多因素方差分析结果时,要同时检验多个自变量对因变量的影响和多个自变量之间的交互影响,不仅要给出准确的分析方法和统计检验方法,而且要根据检验结果准确解读分析结果,以便正确地概括出多个自变量对因变量的整体影响及多个自变量之间的具体关系,以达到准确仿真分析实际情况的目的。
SPSS多因素⽅差分析(⼀般线性模型):重复测量⼀、GLM重复测量(分析-⼀般线性模型-重复度量)1、概念:“GLM 重复测量”过程在对每个主体或个案多次执⾏相同的测量时提供⽅差分析。
如果指定了主体间因⼦,这些因⼦会将总体划分成组。
通过使⽤此⼀般线性模型过程您可以检验关于主体间因⼦和主体内因⼦的效应的原假设。
可以调查因⼦之间的交互以及单个因⼦的效应。
另外,还可以包含常数协变量的效应以及协变量与主体间因⼦的交互。
在双重多变量重复测量设计中,因变量表⽰主体内因⼦不同⽔平的多个变量的测量。
例如,您可能在三个不同的时间对每个主体同时测量了脉搏和呼吸。
“GLM 重复测量”过程提供了对重复测量数据的单变量和多变量分析。
平衡与⾮平衡模型均可进⾏检验。
如果模型中的每个单元包含相同的个案数,则设计是平衡的。
在多变量模型中,模型中的效应引起的平⽅和以及误差平⽅和以矩阵形式表⽰,⽽不是以单变量分析中的标量形式表⽰。
这些矩阵称为SSCP(平⽅和与叉积)矩阵。
除了检验假设,“GLM 重复测量”过程还⽣成参数估计。
常⽤的先验对⽐可⽤于对主体间因⼦执⾏假设检验。
另外,在整体的F 检验已显⽰显著性之后,可以使⽤两两⽐较检验评估指定均值之间的差值。
估计边际均值为模型中的单元提供了预测均值估计值,且这些均值的轮廓图(交互图)允许您轻松对其中⼀些关系进⾏可视化。
残差、预测值、Cook 距离以及杠杆值可以另存为数据⽂件中检查假设的新变量。
另外还提供残差SSCP 矩阵(残差的平⽅和与叉积的⽅形矩阵)、残差协⽅差矩阵(残差SSCP 矩阵除以残差的⾃由度)和残差相关矩阵(残差协⽅差矩阵的标准化形式)。
WLS 权重允许您指定⼀个变量,⽤来针对加权最⼩平⽅(WLS) 分析为观察值赋予不同权重,这样也许可以补偿测量的不同精确度。
2、⽰例。
根据学⽣的焦虑程度检验的得分将⼗⼆个学⽣分配到⾼或低焦虑程度组。
焦虑等级被认为是主体间因⼦,因为它会将主体划分成组。
多因素分析方法有哪些多因素分析方法是一种统计学方法,用于研究多个因素对某一变量的影响程度和相互关系。
在实际应用中,多因素分析方法被广泛应用于市场调研、医学研究、社会科学等领域。
下面我们将介绍几种常见的多因素分析方法。
首先,最常见的多因素分析方法之一是方差分析(ANOVA)。
方差分析用于比较三个或三个以上组的均值是否存在显著差异。
它可以分为单因素方差分析和双因素方差分析,前者用于比较一个因素对一个变量的影响,后者用于比较两个因素对一个变量的影响。
方差分析适用于正态分布的数据,能够有效地分析不同因素对变量的影响。
其次,回归分析是另一种常见的多因素分析方法。
回归分析用于研究一个或多个自变量对因变量的影响程度和方向。
它可以分为简单线性回归和多元线性回归,前者用于研究一个自变量对因变量的影响,后者用于研究多个自变量对因变量的影响。
回归分析可以帮助我们理解各个因素对因变量的影响程度,以及它们之间的相互关系。
另外,因子分析也是一种常用的多因素分析方法。
因子分析用于研究多个变量之间的潜在结构和关系,帮助我们理解变量之间的共性和差异性。
它可以帮助我们发现隐藏在观测变量背后的潜在因素,从而更好地理解问题的本质。
此外,协方差分析是一种用于研究两个或多个因素对一个变量的影响的统计方法。
它可以帮助我们理解不同因素对变量的影响程度和相互关系,进而指导我们制定合理的决策。
最后,路径分析是一种用于研究多个变量之间直接和间接影响关系的方法。
它可以帮助我们理解变量之间的复杂关系,揭示出变量之间的直接和间接影响路径,有助于我们深入理解问题的本质。
综上所述,多因素分析方法有方差分析、回归分析、因子分析、协方差分析和路径分析等。
每种方法都有其适用的场景和特点,我们可以根据具体问题的需要选择合适的方法进行分析。
希望本文能为您对多因素分析方法有所了解,并在实际应用中发挥作用。
多因素方差分析公式了解多因素方差分析的计算公式多因素方差分析公式——了解多因素方差分析的计算公式多因素方差分析是一种统计方法,用于分析多个因素对观察结果的影响。
它通过比较不同因素水平下的观察值差异来判断这些因素对实验结果的影响程度。
在多因素方差分析中,我们需要了解与计算一些重要的公式。
1. 多因素方差分析的总平方和(SS_total)公式:SS_total = SS_between + SS_within其中,SS_total是总平方和,表示所有观测值与总均值之间的偏离程度;SS_between是组间平方和,表示不同因素水平下的观测值与总均值之间的偏离程度;SS_within是组内平方和,表示同一因素水平下的观测值与该水平下的均值之间的偏离程度。
2. 多因素方差分析的组间平方和(SS_between)公式:SS_between = ∑(ni * (μi - μ)²)其中,ni是第i组的观测值个数,μi是第i组观测值的均值,μ为所有观测值的总均值。
3. 多因素方差分析的组内平方和(SS_within)公式:SS_within = ∑∑((Xij - μi)²)其中,Xij表示第i组的第j个观测值,μi为第i组观测值的均值。
4. 多因素方差分析的组间平均平方(MS_between)公式:MS_between = SS_between / (k - 1)其中,k为不同因素水平的个数。
5. 多因素方差分析的组内平均平方(MS_within)公式:MS_within = SS_within / (N - k)其中,N为总观测值的个数。
6. 多因素方差分析的F统计量公式:F = MS_between / MS_withinF统计量用于判断不同因素水平的均值之间的差异是否显著。
若F 值大于某个临界值,则认为不同因素水平的均值存在显著差异。
通过以上公式,我们可以计算出组间平方和、组内平方和、组间平均平方、组内平均平方和F统计量,从而进行多因素方差分析。
多因素方差分析结果解读多因素方差分析是一种统计学方法,用于衡量研究变量之间的统计关系,以了解不同变量之间的交互作用。
多因素方差分析(ANOVA)可以使科学家、工程师和其他研究者探索并发现不同因素(变量)之间的关系,以便对有效的解释和可视化的信息进行解读。
本文将讨论多因素方差分析结果解读的基本概念,以及基于多因素方差分析数据分析结果正确解读的重要性。
首先,需要了解多因素方差分析的基本知识和步骤。
“多因素方差分析”是一种在统计学中用来确定多个变量之间关系的统计方法。
它可以在每个变量之间检测不同水平的均方差,以了解变量之间的交互作用。
这种分析通过定义变量并应用严格的统计标准来识别和分析变量之间的关系。
多因素方差分析的结果解释是有价值的,因为它们可以帮助研究者了解不同变量之间的关系,从而推断其中的交互作用。
多因素方差分析结果的正确解读可以帮助科学家和其他研究者更好地了解和探究变量之间的关系,以便建立准确有效的模型。
进行多因素方差分析时,最重要的是执行正确的统计分析,以便对数据进行准确描述。
多因素方差分析结果解释也是一种重要的工具,可以帮助研究者确定变量之间的关系,从而建立有效的模型。
正确的解释需要考虑变量之间的相关性,以及它如何影响整个分析的结果。
多因素方差分析的结果可以很好地说明变量之间的关系。
研究者可以根据结果检查各个变量之间的相关性,以及每个变量如何影响研究结果。
多因素方差分析结果解释可以帮助研究者更好地识别和分析变量之间的关系,从而建立有效的模型。
多因素方差分析结果解释的重要性在于它可以帮助研究者更加准确地了解研究问题,并对不同变量之间的相互作用做出准确的推断。
多因素方差分析的结果可以帮助研究者了解具体的研究内容,从而更好地回答研究问题。
总之,多因素方差分析结果解释在研究变量之间关系的统计学中十分重要,可以帮助研究者更加准确地了解研究变量之间的关系,并对不同变量之间的相互作用做出准确的推断。
正确理解和使用多因素方差分析结果解释,可以帮助研究者更好地利用和分析其研究结果,从而产生更有效的解决方案。
本次实验采用2005年东部、中部和西部各地区省份城镇居民月平均消费类型划分的数据(课本139页),将东部、中部和西部看作三个不同总体,31个数据分别来自于这三个总体。
本人对这三个不同地区的城镇居民月平均消费水平进行比较,并选取人均粮食支出、副食支出、烟酒及饮料支出、其他副食支出、衣着支出、日用杂品支出、水电燃料支出和其他非商品支出八个指标来衡量城镇居民月平均消费情况.在进行比较分析之前,首先对个数据是否服从多元正态分布进行检验,输出结果为:表一如表一,因为该例中样本数n=31〈2000,所以此处选用Shapiro-Wilk统计量。
由正态性检验结果的sig。
值可以看到,人均粮食支出、烟酒及饮料支出、其他副食支出、水电燃料支出和其他非商品支出均明显不遵从正态分布(Sig.值小于0.05,拒绝服从正态分布的原假设),因此,在下面分析中,只对人均副食支出、衣着支出和日用杂品支出三项指标进行比较,并认为这三个变量组成的向量都遵从正态分布,并对城镇居民月平均消费状况做出近似的度量.另外,正态性的检验还可以通过Q-Q图来实现,此时应判别数据点是否与已知直线拟合得好。
如果数据点均落在直线附近,说明拟合得好,服从正态分布,反之,不服从。
具体情况这里不再赘述。
下面进行多因素方差分析:一、多变量检验表二由地区一栏的(即第二栏)所列几个统计量的Sig.值可以看到,无论从那个统计量来看,三个地区的城镇居民月平均消费水平都是有显著差别的(Sig。
值小于0。
05,拒绝地区取值不同,对Y,即城镇居民月平均消费水平的取值没有显著影响的原假设)。
二、主体间效应检验表三Tests of Between—Subjects EffectsSource Dependent Variable Type III Sum ofSquares df Mean Square F Sig。
Corrected Model 人均副食支出(元/人) 11612.395a 2 5806.198 8.880 .001 人均日用杂品支出(元/人)66.367b 2 33.183 4.732 .017人均衣着支出(元/人) 107。
多因素⽅差分析01.前⾔在前⾯我们讲过简单的单因素⽅差分析,这⼀篇我们讲讲双因素⽅差分析以及多因素⽅差分析,双因素⽅差分析是最简单的多因素⽅差分析。
单因素分析就是只考虑⼀个因素会对要⽐较的均值产⽣影响,⽽多因素分析是有多个因素会对均值产⽣影响。
需要注意的是⼀个因素可能会有不同的⽔平值,即不同的取值。
⽐如要判断某⼀款药对某种病症有没有效果,服⽤不同的剂量效果应该是不⼀样的,虽然因素都是服药这⼀个因素,但是不同的药剂量代表不同的⽔平。
双因素(多因素)⽅差分析⼜可以分为两种,⼀种是有交互作⽤的,⼀种是没有交互作⽤的。
啥意思呢?什么是交互作⽤呢?⽐如我们⼤家所熟知的,⽜奶和药是不可以⼀起吃的,如果单独喝⽜奶有助于⾝体蛋⽩质的补充,如果单独吃药可以有助于治疗病症,但是⽜奶和药同时吃就会把两者的作⽤抵消掉。
这种两者之间的相互作⽤就可以理解成是交互作⽤,当然了,有的时候交互是正向呢,有的时候是负向的。
02.⽆交互作⽤⽅差分析现在有如下⼀份不同品牌不同地区的产品销量数据表,想要看⼀下不同品牌和不同地区这两个因素是否对销量有显著性影响:我们先来看看⽆交互作⽤的双因素⽅差分析具体怎么做呢,所谓的⽆交互也就是假设品牌和地区之间是没有交互作⽤的,相互不影响,只是彼此单独对销量产⽣影响。
前⾯单因素⽅差分析中,我们是⽤F值去检验显著性的,多因素⽅差分析也同样是⽤F值.F = 组间⽅差/组内⽅差。
对于没有交互作⽤的多因素,可以单纯理解为多个单因素。
也就是你可以单独去看品牌对销量的影响,然后再单独去看地区对销量的影响。
那单独怎么看呢?这就回到了我们前⾯讲过的单因素⽅差分析。
我们先来计算品牌的组内平⽅和:SSA = (每个品牌的均值 - 全部销量均值)^2*每个品牌内样本数 = (344.20-328.45)^2*5 + (347.80-328.45)^2*5 + (337.00-328.45)^2*5 + (284.80-328.45)^2*5 = 13004.55我们再来计算地区的组内平⽅和:SSB = (每个地区的均值 - 全体销量均值)^2*每个地区内样本数 = (339.00-328.45)^2*4 + (330.25-328.45)^2*4 + (339.25-328.45)^2*4 + (318.25-328.45)^2*4 = 2011.7接着我们来计算全部平⽅和:SST = (每个值-总体均值)^2 = 17888.95除此之外还有⼀个平⽅和:SSE = SST - SSA - SSB这部分是除品牌和地区以外的其他因素所产⽣的,称为随机误差平⽅和。
多因素方差分析定义:多因素方差分析中的控制变量在两个或两个以上,研究目的是要分析多个控制变量的作用、多个控制变量的交互作用以及其他随机变量是否对结果产生了显著影响。
前提:1总体正态分布.当有证据表明总体分布不是正态分布时,可以将数据做正态转化。
2变异的相互独立性.3各实验处理内的方差要一致。
进行方差分析时,各实验组内部的方差批次无显著差异,这是最重要的一个假定,为满足这个假定,在做方差分析前要对各组内方差作齐性检验.多因素方差分析的三种情况:只考虑主效应,不考虑交互效应及协变量;考虑主效应和交互效应,但不考虑协变量;考虑主效应、交互效应和协变量。
一、多因素方差分析1选择分析方法本题要判断控制变量“组别”和“性别”是否对观察变量“数学”有显著性影响,而控制变量只有两个,即“组别”、“性别”,所以本题采用双因素分析法,但需要进行正态检验和方差齐性检验。
2建立数据文件在SPSS17.0中建立数据文件,定义4个变量:“人名”、“数学”、“组别”、“性别”。
控制变量为“组别”、“性别”,观察变量为“数学”。
在数据视图输入数据,得到如下数据文件:3正态检验(P>0。
05,服从正态分布)正态检验操作过程:“分析”→“描述统计”→“探索”,出现“探索”窗口,将因变量“成绩”放入“因变量列表”,将自变量“组别"、“性别”放入“因子列表",将“人名”放入“标注个案”;点击“绘制",出现“探索:图"窗口,选中“直方图”和“带检验的正态图”,点击“继续”;点击“探索”窗口的“确定",输出结果。
因变量是用户所研究的目标变量。
因子变量是影响因变量的因素,例如分组变量。
标注个案是区分每个观测量的变量。
带检验的正态图(Normality plots with test,复选框):选择此项,将进行正态性检验,并生成正态Q —Q概率图和无趋势正态Q-Q概率图。
表1 控制变量为“组别"的正态性检验结果,Shapiro-Wilk的p值0.884、0。
SPSS操作多因素方差分析实验题目:多因素方差分析实验类型:基本操作实验目的:掌握方差分析的基本原理及方法实验内容:某种果汁在不同地区的销售数据,调查人员统计了易拉罐包装和玻璃包装的饮料在三个地区的销售金额,利用多因素方差分析,分析销售地区和包装方式对销售金额的影响。
(1)试计算因变量在各个因素下的描述性统计量及在各个因素水平下的误差方差的Levene检验。
(2)对数据进行多因素方差分析,分析不同包装的和地区下的效果是否相同,及交互作用的效应是否显著。
实验步骤:步骤一:打开数据集,选择“分析”—“一般线性模型”—“单变量”,将操作框打开;步骤二:将“销售额”选为“因变量”,“包装形式”和“购物地区”选为“固定因子”,然后选择“选项”,将“描述统计”和“方差齐性检验”勾选。
得到描述性统计量和Levene检验,和主体间效应的结果。
实验结果:(1)试计算因变量在各个因素下的描述性统计量及在各个因素水平下的误差方差的Levene检验。
描述性统计量因变量:销售额包装形式购物地区均值标准偏差Ndime nsion1 易拉罐dimensio n2地区A 413.0657 90.86574 35地区B 440.9647 98.23860 120地区C 407.7747 69.33334 30总计430.3043 93.47877 185 玻璃瓶dimensio n2地区A 343.9763 100.47207 35地区B 361.7205 90.46076 102地区C 405.7269 80.57058 29总计365.6671 92.64058 166 总计dimensio n2地区A 378.5210 101.25839 70地区B 404.5552 102.48440 222地区C 406.7681 74.42114 59总计399.7352 98.40821 351描述性统计量的分析结果:在只考虑包装形式的情况下:易拉罐:均值=430.3043 ,标准偏差=93.47877玻璃瓶:均值=365.6671,标准偏差=92.64058在只考虑地区差异的情况下:地区A:均值=378.5210,标准偏差=101.25839地区B:均值=404.5552,标准偏差=102.4844地区C:均值=406.7681,标准偏差=74.42114由结果可知,在只考虑包装形式的情况下,采用易拉罐的形式进行销售额会有明显较高的销售额,且两种形式之间的偏差值相差不大,即采用易拉罐的形式进行销售会更有利于销售;在只考虑地区差异的情况下,三个地区之间在地区B 和地区C进行销售的销售额很接近,但是地区C的标准偏差明显比另外两个地区要小,所以建议应该在地区C加大销售力度。
单因素方差分析与多因素方差分析在统计学中,方差分析是一种常用的统计方法,用于比较多个样本或组之间是否存在显著性差异。
它分为单因素方差分析和多因素方差分析两种类型。
本文将对这两种分析方法进行详细讲解,并探讨其应用场景及步骤。
一、单因素方差分析单因素方差分析适用于只有一个自变量(或称因素)的情况。
它的目的是通过比较组间的差异,确定各组之间是否存在显著性差异。
以下是进行单因素方差分析的步骤:1. 设定假设:在进行方差分析之前,首先需要设定空假设和备择假设。
空假设(H0)通常假设各组的总体均值相等,备择假设(Ha)则假设至少有一组的总体均值与其他组不同。
2. 收集数据:收集与研究对象相关的数据,确保样本的选择具有代表性,并满足方差分析的基本要求。
3. 计算平方和:根据收集到的数据,计算总平方和(SST),组内平方和(SSW)和组间平方和(SSB)。
总平方和表示总体误差的方差,组内平方和表示各组内部误差的方差,组间平方和表示不同组之间的差异。
4. 计算均方:根据平方和计算均方,即总均方(MST),组内均方(MSW)和组间均方(MSB)。
均方是指平方和除以自由度。
5. 计算F值:通过计算方差比(F值)来检验组间差异的显著性。
F值越大,说明组间差异越显著。
6. 进行假设检验:基于计算的F值和设定的显著性水平,进行假设检验。
如果计算得到的F值大于临界值,则拒绝空假设,认为组间存在显著差异。
7. 进行事后比较:如果拒绝了空假设,需要进一步进行事后比较,确定具体哪些组之间存在显著差异。
一般常用的事后比较方法有Tukey、LSD等。
二、多因素方差分析多因素方差分析适用于有两个以上自变量的情况。
它能够同时考察多个自变量对因变量的影响,并进一步分析这些自变量之间的交互效应。
以下是进行多因素方差分析的步骤:1. 设定假设:与单因素方差分析一样,需要设定空假设和备择假设。
2. 收集数据:收集与研究对象相关的数据,确保样本的选择具有代表性,并满足方差分析的基本要求。
SPSS数据分析—单因素及多因素方差分
析
T检验可以用于解决单个样本或两个样本的均值比较问题。
但是,当涉及到两个以上的样本时,就不能使用T检验,而
需要使用方差分析。
方差分析是基于变异分解的思想,利用F
分布进行比较。
在算法方面,由于线性模型的引入,在SPSS中,方差分
析可以在比较均值和一般线性模型菜单中完成。
在适用条件方面,方差分析和两个独立样本的T检验一样,也需要满足独立性、正态性和方差齐性。
方差分析的原假设是n个样本的均值相同或n个样本来自同一个总体,或自变量对因变量没有影响。
由于涉及到两组以上的样本进行分析,因此除了需要说明多个样本均值是否有差异之外,还需要进一步说明哪些样本存在差异,因此需要进行多重比较。
在SPSS中,可以通过分析-比较均值-单因素ANOVA或
分析-一般线性模型-单变量来进行方差分析。
在一般线性模型
菜单中,方差分析更加具体细致,可以根据线性模型的思想进行分析。