NMRV蜗轮蜗杆减速机选型样本资料
- 格式:docx
- 大小:14.45 MB
- 文档页数:21
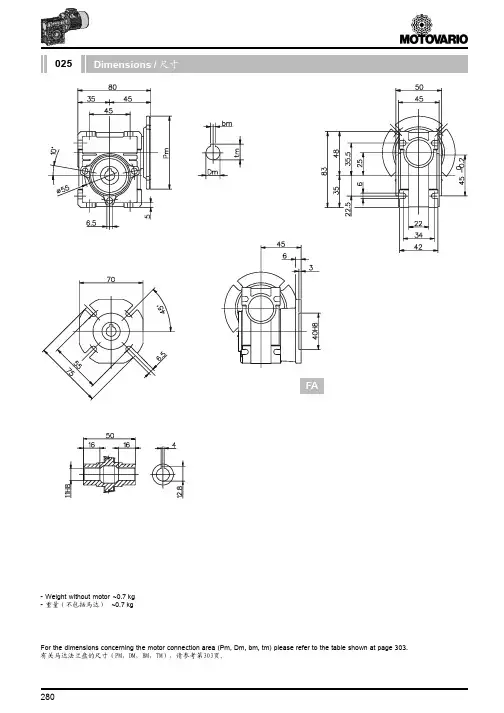
- Weight without motor~0.7 kg- 重量(不包括马达)~0.7 kgFor the dimensions concerning the motor connection area (Pm, Dm, bm, tm) please refer to the table shown at page 303.有关马达法兰盘的尺寸(PM,DM,BM,TM),请参考第303页。
280281For the dimensions concerning the motor connection area (Pm, Dm, bm, tm) please refer to the table shown at page 303.有关马达法兰盘的尺寸(PM,DM,BM,TM),请参考第303页。
282(..) Only on request(..) 非标产品,下单时须说明要求- Weight without motor ~2.3 kg - 重量(不包括马达)~2.3 kgFor the dimensions concerning the motor connection area (Pm, Dm, bm, tm) please refer to the table shown at page 303.有关马达法兰盘的尺寸(PM,DM,BM,TM),请参考第303页。
283(..) Only on request(..) Auf Wunsch- Weight without motor ~3.5 kg -重量(不包括马达) ~3.5 kgFor the dimensions concerning the motor connection area (Pm, Dm, bm, tm) please refer to the table shown at page 303.有关马达法兰盘的尺寸(PM,DM,BM,TM),请参考第303页。
燕山大学机械设计课程设计阐明书题目:蜗杆-齿轮二级减速器学院(系):机械工程学院年级专业:学号:学生姓名:指引教师:目录一.传动方案拟定 (1)二.电动机选取及传动比拟定 (1)1.性能参数及工况 (1)2.电动机型号选取 (1)三.运动和动力参数计算 (3)1.各轴转速 (3)2.各轴输入功率 (3)3.各轴输入转距 (3)四.传动零件设计计算 (4)1.蜗杆蜗轮选取计算 (4)2.斜齿轮传动选取计算 (8)五.轴设计和计算 (13)1.初步拟定轴构造及尺寸 (13)2.3轴弯扭合成强度计算 (17)六.滚动轴承选取和计算 (21)七.键连接选取和计算 (22)八、联轴器选取 (22)九.减速器附件选取 (23)十.润滑和密封选取 (24)十一.拆装和调节阐明 (24)十二.重要零件三维建模 (24)十三.设计小结 (28)十四.参照资料 (29)图2 蜗杆轴构造设计 1)初算轴头 按需用切应力初算d1 pd cn ≥d1段直接与电机相连,不受弯矩,查机械设计课本表10-2取c=112则 31 1.0011211.43940d mm ≥= 轴颈上有单键,轴颈虚增大3%,d 1=11.4×1.03=11.74 考虑到蜗杆轴刚度较小,需增大轴径,取d 1=18mm 查《机械设计指引手册》126页选用LT2型联轴器 l 1=42mm 2)计算d 2、l2 该段轴与联轴器想连,起定位作用,但不承受轴向力,且需要考虑密封圈内径为原则值,因此取d 2=20mm ,l 2需伸出端盖15~20mm ,由作图决定,作图后l 2=40mm 。
3)计算d 3、l3 该段与圆螺母配合,考虑圆螺母原则值。
因此取d 3=25mm ,l 3=17. 4)计算d 4、l4 该段与轴承配合,因此选用d 4=30mm ,选用7206C 轴承,长度l 4为两个轴承宽度16mm ,考虑到还需添加套筒和溅油板,故l 4=53mm 5)计算d 5、l5 该段重要是固定溅油板因此取d 5=36,其厚度为10,因此取l 5=5 6)计算d 6、l6 该段为轴向固定溅油板,因此取d 6=41mm ,长度取5mm 。
蜗轮蜗杆减速机的选型对于蜗轮蜗杆减速机的选型首先要考虑减速机本身的作用,其次是相对应使用设备上的尺寸大小,然后是蜗轮蜗杆减速机的速比,安装方式,装配形式。
最后还要注意相对应的电机功率,以及电机的使用环境。
1.蜗轮蜗杆减速机的简要介绍蜗轮蜗杆减速机是减速机行业一个涵盖很广泛的术语名词;在减速机行业的发展中可以说,蜗轮蜗杆系列减速机的发展历程中是一主要的推动力。
蜗轮蜗杆减速机是一种为稳定、改变传动速度的传动设备,利用齿轮的不同速比,从而实现稳定传输、改变速度,调节电机和机床等设备的速度适合。
在目前的传动设备中,减速机的使用很广泛。
人们也许并不了解减速机,但是减速机早已经被使用在人们生活中的方方面面,交通工具上的汽车、轮渡、飞机;机械生产上的传动设备更少不了减速机的身影,人们日常生活中的家电、钟表、洗衣机等,这些机械设备的使用都少不了减速机的帮助。
2.蜗轮蜗杆减速机的作用:(1)、减速机减速的同时提高输出扭矩,扭矩输出比例按电机输出乘减速比。
(2)、减速同时降低了负载的惯量,惯量的减少为减速比的平方。
蜗轮蜗杆减速机主要型号有WP系列蜗轮蜗杆减速机、WH系列蜗轮蜗杆减速机、CW系列蜗轮蜗杆减速机、RV系列蜗轮蜗杆减速机同时还包括C系列包络蜗轮蜗杆减速机、TP系列平面包络环面蜗杆减速机、ZC1型双级蜗杆及齿轮-蜗杆减速机等小系列减速机。
3. 球面蜗杆在加工的工作中,十分容易的出现如下问题:1蜗杆的齿形的一边厚,一边薄2蜗杆的齿形两边厚,中间薄3蜗杆的齿形的两边薄,中间厚4.使用铣床加工出的蜗轮,有如下优点:(一),节约刀具的费用。
(二)不用专用的设备。
其缺点是不言而喻的:(一)蜗轮轮齿的分度误差很大。
(二)蜗轮齿形角的精度无法保证。
(三)蜗轮轮齿的螺旋角误差太大。
REDUCERSRV 蜗轮减速机 RV WORM GEARREDUCERSNMRV...NRV...-DSNRV...NMRV...-F2部件分解图 EXPLODED VIEWDRV...NMRV...-A207REDUCERSNMRV系列蜗轮减速机BRIEF INTRODUCTION TO WORM-GEAR SPEED REDUCER蜗轮减速机简介NMRV SERIESWORM-GEAR SPEED REDUCERN M R V 系 列 蜗 轮 减 速 机主 要 特 点 :1.优质铝合金铸造,重量轻,不生锈。
2.输出扭矩大。
3.传动平稳,噪音小。
4.散热效率高。
5.美观耐用,体积小。
6.可适应全方位安装。
NMRV seriesworm-gearspeedreduce’s mainfeaturesareasfollows: 1.Thecasewasmadeofhigh-qualityaluminiumalloy,lightinweightandnon-rusting. rgeinoutputtorque. 3.Smoothinrunningandlowinnoise. 4.Highinradiatingefficiency. 5.Good-outlooking,durableinservicelifeandsmallinvolume. 6.Suitable foruniversal installation.型号标记 MODEL&MARKNMRV 063 - 40 E F1 DS 71B5 B3Installationpositioncode 安装方位代号Motormountingfacility 电机座号和安装结构形式Two-wayshaft output,SSmarkmeansone-wayshaftoutput,andnomarkmeansholeoutput. 带 双 向 输 出 轴 , 标 注 “SS” 为 单 向 输 出 轴 , 不标为孔输出Flangeoutput,nomarkmeansflangelessoutput 带输出法兰,不标注时为不带输出法兰 Doubleextensionwormshaft,nomarkmeanssingleextensionwormshaft. 带蜗杆同向输出轴,不标注时不带蜗杆同向输出轴 Speedratioofworm-gearspeedreducer 蜗轮减速机速比Centre-to-centredistanceofworm-gearspeed reducer 蜗轮减速机中心距Codeofworm-gearspeedreducer NMRVmarkmeansGearedMotor,NRVmarkmeansGearReducer 蜗轮减速机代号 (NMRV 为 带 输 入 法 兰 孔 输 入 ,NRV 为 不 带 输 入 法 兰 轴 输 入 ).08REDUCERSDRV安装方式 DRV MOUNTING POSITIONSPCRV安装方式 PCRV MOUNTING POSITIONS09REDUCERSDRV安装方式 DRV MOUNTING POSITIONS结构配置 STRUCTURE CONFIGURATIONRV RV10REDUCERS输出法兰(F)配置 OUTPUT FLANGE (F,FL) 扭力臂(A)配置 TORQUE ARM (A)涡轮(SS,DS)配置 OUTPUT SHAFT OF WORM (SS,DS)11REDUCERSNMRV性能参数 NMRV PERFORMANCE PARAMETER (n1=1400r/min)NMRV NMRV NMRV NMRV NMRV NMRV NMRV NMRV NMRV NMRV NMRV NMRV NMRV NMRV NMRV NMRV NMRV NMRV NMRVNMRV NMRV NMRV NMRVNMRV NMRV NMRV NMRV NMRV NMRV NMRV NMRV NMRV NMRV NMRV NMRV NMRV NMRV NMRV NMRV NMRV NMRV NMRVNMRV NMRV NMRV NMRV NMRV NMRV NMRV NMRV NMRV NMRV NMRV NMRV NMRV NMRV NMRVNMRV NMRV NMRVNMRV NMRVNMRV NMRVNMRV NMRV NMRV NMRV NMRVNMRV NMRVNMRV NMRV NMRV NMRVNMRV NMRV NMRV NMRV NMRVNMRV NMRVNMRV NMRV NMRV NMRVNMRV NMRV NMRV NMRV NMRVNMRV NMRVNMRV NMRV NMRV NMRV NMRV NMRV NMRVNMRV NMRVNMRV NMRVNMRV NMRVNMRV NMRV NMRV NMRV NMRVNMRV NMRVNMRV NMRVNMRV NMRV12REDUCERSNMRV性能参数 NMRV PERFORMANCE PARAMETER (n1=1400r/min)NMRVNMRV NMRV NMRV NMRV NMRV NMRV NMRV NMRV NMRVNMRV NMRVNMRV NMRV NMRV NMRV NMRV NMRV NMRV NMRV NMRVNMRV NMRVNMRV NMRV NMRV NMRV NMRV NMRV NMRV NMRV NMRVNMRV NMRVNMRV NMRV NMRV NMRV NMRV NMRV NMRV NMRV NMRVNMRV NMRVNMRV NMRV NMRV NMRV NMRV NMRV NMRV NMRV NMRVNMRV NMRVNMRV NMRV NMRV NMRVNMRV090 NMRV090 NMRV090 NMRV110 NMRV110 NMRV110 NMRV063 NMRV075 NMRV063 NMRV075NMRV063 NMRV075 NMRV063 NMRV075 NMRV075 NMRV090 NMRV075 NMRV090 NMRV090 NMRV090 NMRV110NMRV090 NMRV110 NMRV110 NMRV130 NMRV130 NMRV075 NMRV090 NMRV110 NMRV075 NMRV090 NMRV110NMRV075 NMRV090 NMRV110 NMRV090 NMRV110 NMRV090 NMRV110 NMRV090 NMRV110 NMRV110 NMRV110NMRV130 NMRV110 NMRV130 NMRV130 NMRV130 NMRV075 NMRV090 NMRV110 NMRV110 NMRV090 NMRV110 NMRV075 NMRV090 NMRV110 NMRV090 NMRV110 NMRV09013REDUCERSNMRV性能参数 NMRV PERFORMANCE PARAMETER (n1=1400r/min)NMRV110 NMRV090 NMRV110 NMRV110 NMRV130 NMRV110 NMRV130 NMRV130 NMRV075 NMRV090 NMRV110 NMRV130 NMRV090 NMRV110 NMRV130 NMRV090 NMRV110NMRV130 NMRV090NMRV110 NMRV130 NMRV110 NMRV130NMRV110 NMRV130 NMRV130 NMRV130 NMRV130 NMRV110 NMRV130 NMRV110 NMRV130 NMRV110 NMRV130 NMRV130 NMRV110 NMRV130 NMRV130 NMRV130 NMRV130 NMRV130 NMRV110 NMRV130 NMRV130 NMRV130 NMRV13014REDUCERSPCRV性能参数 PCRV PERFORMANCE PARAMETER (n 1=1400r/min)PC+NMRV PCRV063/040 PCRV063/040 PCRV063/040 PCRV063/040PCRV063/050 PCRV063/040 PCRV063/050 PCRV063/040 PCRV063/050 PCRV063/063 PCRV063/040 PCRV063/050 PCRV063/063 PCRV063/040 PCRV063/050PCRV063/040 PCRV063/050 PCRV063/040 PCRV063/050 PCRV063/050 PCRV063/063 PCRV063/050 PCRV063/063 PCRV063/050 PCRV063/063 PCRV063/050 PCRV063/063 PCRV071/050 PCRV071/063 PCRV071/050 PCRV071/063 PCRV071/050 PCRV071/063 PCRV071/063 PCRV071/075PCRV071/063 PCRV071/075 PCRV071/063 PCRV071/075 PCRV071/063 PCRV071/075 PCRV071/063 PCRV071/075 PCRV071/063 PCRV071/075 PCRV071/063PCRV071/075 PCRV071/063 PCRV071/075 PCRV071/075 PCRV071/090 PCRV071/090 PCRV071/090 PCRV080/075 PCRV080/075PC+NMRV PCRV080/090 PCRV080/075 PCRV080/090 PCRV080/075 PCRV080/090 PCRV080/090 PCRV080/110 PCRV080/090 PCRV080/110 PCRV080/110PCRV080/130 PCRV080/075 PCRV080/090 PCRV080/110 PCRV080/075 PCRV080/090 PCRV080/110 PCRV080/090 PCRV080/110 PCRV080/090 PCRV080/110PCRV080/090 PCRV080/110 PCRV080/110 PCRV080/130 PCRV080/130 PCRV090/110 PCRV090/130 PCRV090/110 PCRV090/130 PCRV090/110 PCRV090/130PCRV090/110 PCRV090/130 PCRV090/110 PCRV090/130 PCRV090/130 PCRV090/110 PCRV090/130 PCRV090/110 PCRV090/130 PCRV090/110PCRV090/130 PCRV090/110 PCRV090/130 PCRV090/13015REDUCERSDRV性能参数 DRV PERFORMANCE PARAMETER (n1=1400r/min)NMRV+NMRV DRV030/040 DRV030/040 DRV030/040DRV030/040 DRV030/040 DRV030/040 DRV030/050 DRV030/050 DRV030/050 DRV030/040 DRV030/050 DRV030/063 DRV030/040 DRV030/050 DRV030/063 DRV030/040 DRV030/050 DRV030/063 DRV040/075 DRV030/040 DRV030/050 DRV030/063 DRV040/075DRV030/040 DRV030/040 DRV030/050 DRV030/050 DRV030/050 DRV030/050 DRV030/063 DRV030/063 DRV040/075 DRV040/075DRV040/090 DRV040/090 DRV030/050 DRV030/050 DRV030/063 DRV030/063 DRV030/063 DRV040/075 DRV030/063 DRV040/075DRV040/090 DRV040/090 DRV040/090 DRV050/110 DRV030/050 DRV030/063 DRV030/063 DRV040/075NMRV+NMRV DRV040/075 DRV040/090 DRV040/090DRV040/090 DRV050/110 DRV050/110 DRV040/075 DRV040/075 DRV040/075 DRV040/090 DRV040/090 DRV040/090 DRV050/110DRV050/110 DRV050/110 DRV063/130 DRV063/130 DRV040/075 DRV040/090 DRV040/090 DRV040/090 DRV040/090 DRV050/110DRV050/110 DRV063/130 DRV063/130 DRV063/130 DRV050/110 DRV050/110 DRV050/110 DRV050/110 DRV050/110 DRV063/130 DRV050/110DRV050/110 DRV063/130 DRV063/130 DRV063/130 DRV063/130 DRV063/130 DRV063/130 DRV063/13016RV030RV040RV050RV063RV075RV090RV110RV130ALLOWED RADIAL LOADING POWER ON OUTPUTSHAFTOF REDUCER(N)减速机出力轴的许可径向加载力(N)(公制系列METRICSERIES)MOTOR CONNECTION FOR NMRV REDUCERNMRV减速机的电机配合接口NMRV DIMENSIONSNMRV 减速机尺寸(公制系列)METRICSERIES N M R VNRV NRV NRV DIMENSIONSNRV减速机尺寸(公制系列)METRICSERIESPCRV PCRVD R V DRVNMRV030NMRV040NMRV050NMRV063NMRV075NMRV090NMRV110NMRV13048C 56C 56C 56C 140TC 56C 140TC 180TC 56C 140TC 180TC 140TC 180TC 210TC 140TC 180TC 210TC 0.5000.6250.6250.6250.8750.6250.8751.1250.6250.8751.1250.8751.1251.3750.8751.1251.3755●●● 7.5●●● ● ● ● ● ●10●●● ● ● ● ● ●15●●● ● ●● ● ● ●20●●●●● ● ● ●● ●25●●●●● ● ●● ● ●30●●●●● ● ●● ● ●●40●●●●● ● ●● ● ●●50●●●● ●● ● ●● ● 60●●●● ● ● ●● ● 80●●●● ● ● ● ●● 100 ●●● ● ● ● ● NEMA Flange InputboreDiameter RV030RV040RV050RV063RV075RV090RV110RV130ALLOWED RADIAL LOADING POWER ON OUTPUT SHAFT OF REDUCER(N)减速机出力轴的许可径向加载力()lbs (制系列)SERIES 英INCH 135155171195215232245271292311341369259298327375412446470520559596654707357412452517568615648717772823903976464535587672739800843933100410701174126954663069179287094299210981182126013821494605697765876962104210981215130813941530165376387996511051214131513851533164917581930208599711501262144515881720181220052158230025242728NMRV FORNEMAFLANGENMRV减速机的电机配合接口NMRV DIMENSIONSNMRV INCH 减速机尺寸英(制系列)SERIES N M R VN M R V3.153.944.725.676.778.1110.0411.543.824.785.676.858.079.3711.6113.19 2.132.763.153.944.725.516.697.87 1.732.362.763.353.543.944.534.720.6250.7501.0001.1251.2501.3751.6251.750 2.172.362.763.153.744.335.127.091.261.691.932.642.832.91--2.202.803.354.064.415.125.676.10 2.562.953.353.744.535.126.508.46 1.141.441.712.092.242.642.913.19 2.643.153.544.134.965.636.817.602.483.073.624.414.725.516.106.691.571.972.362.833.394.065.025.772.242.813.314.024.695.316.597.38 1.181.571.972.482.953.544.335.12 2.953.433.944.335.516.307.879.841.732.172.523.153.664.024.925.510.260.260.330.330.430.510.550.630.8271.0241.1811.4171.5751.7721.9692.3620.220.260.280.310.390.430.550.591.061.381.571.972.362.763.353.942.152.643.543.234.374.375.165.510.240.280.350.390.510.510.590.590.160.160.200.240.240.240.240.24M6x0.43(n=4)M6x0.32(n=4)M8x0.39(n=4)M8x0.55(n=8)M8x0.55(n=8)M10x0.71(n=8)M10x0.71(n=8)M12x0.83(n=8) 2.682.953.355.916.506.899.0610.041.972.362.764.535.125.986.697.090.26(n=4)0.35(n=4)0.43(n=4)0.43(n=4)0.55(n=4)0.55(n=4)0.55n=8)0.63(n=6) 3.154.334.927.097.878.2711.0212.60 2.763.744.335.596.697.8710.2411.420.1880.1880.2500.2500.2500.3130.3750.3750.710.841.121.241.371.521.801.93045454545454545o o o oo o o o4545454545454545o o o oo o o oNRV NRV DIMENSIONSNRV减速机尺寸英INCH(制系列)SERIES3.153.944.725.676.77 8.1110.0411.543.824.785.676.858.079.3711.6113.192.132.763.153.944.725.516.697.871.732.362.763.353.543.944.534.720.6250.7501.0001.1251.2501.3751.6251.7500.3750.5000.6250.7500.8750.8751.1251.2502.172.362.763.153.744.335.127.091.261.691.932.642.832.91--2.202.803.354.064.415.125.676.102.562.953.353.744.535.126.508.461.141.441.712.092.242.642.913.192.643.153.544.134.965.636.817.601.181.181.581.972.362.362.763.152.483.073.624.414.725.516.106.691.571.972.362.833.394.065.025.772.242.813.314.024.695.316.597.381.181.571.972.482.953.544.335.122.953.433.944.335.516.307.879.841.732.172.523.153.664.024.925.510.260.260.330.330.430.510.550.630.0940.1250.1880.1880.1880.1880.2500.2500.420.550.700.830.960.961.241.36-1/4-201/4-201/4-201/4-201/4-203/8-161/2-13NMRV0.8271.024 1.181 1.417 1.575 1.7721.9692.3620.220.260.280.310.390.430.550.591.061.381.571.972.362.763.353.942.152.643.543.234.374.375.165.510.240.280.350.390.510.510.590.590.160.160.200.240.240.240.240.24M6x0.43(n=4)M6x0.32(n=4)M8x0.39(n=4)M8x0.55(n=8)M8x0.55(n=8)M10x0.71(n=8)M10x0.71(n=8)M12x0.83(n=8)2.682.953.355.916.506.899.0610.041.972.362.764.535.125.986.697.090.26(n=4)0.35(n=4)0.43(n=4)0.43(n=4)0.55(n=4)0.55(n=4)0.55n=8)0.63(n=6)3.154.334.927.097.878.2711.0212.602.763.744.335.596.697.8710.2411.420.1880.1880.2500.2500.2500.3130.3750.3750.710.841.121.241.371.521.801.9345454545454545oooooooo4545454545454545oooooooob1t1m1.7722.0872.5202.9533.5434.2525.3156.1020.3750.5000.6250.7500.8750.8751.1251.2501.1811.1811.5751.9692.3622.3622.7563.1501/4-201/4-201/4-201/4-201/4-203/8-161/2-131/2-130.0930.1250.1880.1880.1880.1880.2500.2500.420.550.700.830.960.961.241.363.353.943.945.917.877.879.849.840.550.550.550.550.980.981.181.180.941.241.521.931.872.262.442.720.310.390.390.390.790.790.980.980.590.710.710.711.181.181.381.380.160.160.160.240.240.240.240.24英INCH 制系列SERIES。
NMRV30 NMRv40 NMrv50 NMrv63 rv20蜗轮蜗杆减速机技术参数:功率:0.06KW~7.5KW转矩:2.6N·m~2379N·m传动比:7.5-100蜗轮蜗杆减速机型号:RV25、RV30、RV40、RV50、RV63、RV75、RV90、RV110、RV130、RV150NRV25、NRV30、NRV40、NRV50、NRV63、NRV75、NRV90、NRV110、NRV130、NRV150 NMRV25、NMRV30、NMRV40、NMRV50、NMRV63、NMRV75、NMRV90、NMRV110、NMRV130、NMRV150详细内容:1. 特点:方箱外形,优质铝合金压铸箱体,美观大方。
散热性能优良,承载能力大。
多面安装、空心输出轴结构。
另配有各种输入、输出方式,并能方便的与其他传动机械组合,适应性强。
机型小巧、结构紧凑,体积小、重量轻,安装空间紧凑。
传动平稳、噪音小。
安全可靠、经济耐用。
2. 安装型式和输出方式:底座式,法兰式和扭力臂式安装,实心轴和空心轴输出及蜗杆直接输出。
3. 输入方式:直联电机,法兰和实心轴输入,减速比:7.5~100。
NMRV25-5 NMRV25-10 NMRV25-15 NMRV25-20 NMRV25-25 NMRV25-30 NMRV25-40 NMRV25-50 NMRV25-60 NMRV25-80 NMRV25-100NMRV30-5 NMRV30-10 NMRV30-15 NMRV30-20 NMRV30-25 NMRV30-30 NMRV30-40 NMRV30-50 NMRV30-60 NMRV30-80 NMRV30-100NMRV40-5 NMRV40-10 NMRV40-15 NMRV40-20 NMRV40-25 NMRV40-30 NMRV40-40 NMRV40-50 NMRV40-60 NMRV40-80 NMRV40-100NMRV50-5 NMRV50-10 NMRV50-15 NMRV50-20 NMRV50-25 NMRV50-30 NMRV50-40 NMRV50-50 NMRV50-60 NMRV50-80 NMRV50-100NMRV63-5 NMRV63-10 NMRV63-15 NMRV63-20 NMRV63-25 NMRV63-30 NMRV63-40 NMRV63-50 NMRV63-60 NMRV63-80 NMRV63-100NMRV75-5 NMRV75-10 NMRV75-15 NMRV75-20 NMRV75-25 NMRV75-30 NMRV75-40 NMRV75-50 NMRV75-60 NMRV75-80 NMRV75-100NMRV90-5 NMRV90-10 NMRV90-15 NMRV90-20 NMRV90-25 NMRV90-30 NMRV90-40 NMRV90-50 NMRV90-60 NMRV90-80 NMRV90-100NMRV110-5 NMRV110-10 NMRV110-15 NMRV110-20 NMRV110-25 NMRV110-30 NMRV110-40 NMRV110-50 NMRV110-60 NMRV110-80 NMRV110-100NMRV130-5 NMRV130-10 NMRV130-15 NMRV130-20 NMRV130-25 NMRV130-30 NMRV130-40 NMRV130-50 NMRV130-60 NMRV130-80 NMRV130-100NMRV150-5 NMRV150-10 NMRV150-15 NMRV150-20 NMRV150-25 NMRV150-30 NMRV150-40 NMRV150-50 NMRV150-60 NMRV150-80 NMRV150-100NRV25-5 NRV25-10 NRV25-15 NRV25-20 NRV25-25 NRV25-30 NRV25-40 NRV25-50 NRV25-60 NRV25-80 NRV25-100NRV30-5 NRV30-10 NRV30-15 NRV30-20 NRV30-25 NRV30-30 NRV30-40 NRV30-50 NRV30-60 NRV30-80 NRV30-100NRV40-5 NRV40-10 NRV40-15 NRV40-20 NRV40-25 NRV40-30 NRV40-40 NRV40-50 NRV40-60 NRV40-80 NRV40-100NRV50-5 NRV50-10 NRV50-15 NRV50-20 NRV50-25 NRV50-30 NRV50-40 NRV50-50 NRV50-60 NRV50-80 NRV50-100NRV63-5 NRV63-10 NRV63-15 NRV63-20 NRV63-25 NRV63-30 NRV63-40 NRV63-50 NRV63-60 NRV63-80 NRV63-100NRV75-5 NRV75-10 NRV75-15 NRV75-20 NRV75-25 NRV75-30 NRV75-40 NRV75-50 NRV75-60 NRV75-80 NRV75-100NRV90-5 NRV90-10 NRV90-15 NRV90-20 NRV90-25 NRV90-30 NRV90-40 NRV90-50 NRV90-60 NRV90-80 NRV90-100NRV110-5 NRV110-10 NRV110-15 NRV110-20 NRV110-25 NRV110-30 NRV110-40 NRV110-50 NRV110-60 NRV110-80 NRV110-100NRV130-5 NRV130-10 NRV130-15 NRV130-20 NRV130-25 NRV130-30 NRV130-40 NRV130-50 NRV130-60 NRV130-80 NRV130-100NRV150-5 NRV150-10 NRV150-15 NRV150-20 NRV150-25 NRV150-30 NRV150-40 NRV150-50 NRV150-60 NRV150-80 NRV150-100RV25-5 RV25-10 RV25-15 RV25-20 RV25-25 RV25-30 RV25-40 RV25-50 RV25-60 RV25-80 RV25-100RV30-5 RV30-10 RV30-15 RV30-20 RV30-25 RV30-30 RV30-40 RV30-50 RV30-60 RV30-80RV30-100RV40-5 RV40-10 RV40-15 RV40-20 RV40-25 RV40-30 RV40-40 RV40-50 RV40-60 RV40-80 RV40-100RV50-5 RV50-10 RV50-15 RV50-20 RV50-25 RV50-30 RV50-40 RV50-50 RV50-60 RV50-80 RV50-100RV63-5 RV63-10 RV63-15 RV63-20 RV63-25 RV63-30 RV63-40 RV63-50 RV63-60 RV63-80 RV63-100RV75-5 RV75-10 RV75-15 RV75-20 RV75-25 RV75-30 RV75-40 RV75-50 RV75-60 RV75-80 RV75-100RV90-5 RV90-10 RV90-15 RV90-20 RV90-25 RV90-30 RV90-40 RV90-50 RV90-60 RV90-80 RV90-100RV110-5 RV110-10 RV110-15 RV110-20 RV110-25 RV110-30 RV110-40 RV110-50 RV110-60 RV110-80 RV110-100RV130-5 RV130-10 RV130-15 RV130-20 RV130-25 RV130-30 RV130-40 RV130-50 RV130-60 RV130-80 RV130-100RV150-5 RV150-10 RV150-15 RV150-20 RV150-25 RV150-30 RV150-40 RV150-50 RV150-60 RV150-80 RV150-100。
伺服马达rv减速机选型手册西门子伺服马达伺服电机型
RV系列蜗轮蜗杆减速机按Q/MD1-2000技术质量标准设计制造。
产品在符合按国家标准GB10085-88蜗杆轮参数基础之上,蜗轮蜗杆减速器吸取国内外最先进科技,独具新颖一格的“方箱型”外结
RV25 RV30 RV40 RV50 RV63 RV75 RV90 RV110 RV130 RV150
NRV25 NRV30 NRV40 NRV50 NRV63 NRV75 NRV90 NRV110 NRV130 NRV150
NMRV25 NMRV30 NMRV40 NMRV50 NMRV63 NMRV75 NMRV90 NMRV110 NMRV130
产品概述:
RV系列蜗轮蜗杆减速机按Q/MD1-2000技术质量标准设计制造。
产品在符合按国家标准GB10085-88蜗杆轮参数基础之上,蜗轮蜗杆减速器吸取国内外最先进科技,独具新颖一格的“方箱型”外结构,箱体外形美观,以优质铝合金压铸而成。
1.机械结构紧凑、体积轻巧、小型高效;
2.热交换性能好,散热快;
3.安装简易、灵活轻捷、性能优越、易于维护检修;
4.传动速比大、扭矩大、承受过载能力高;
5.运行平稳,噪音小,经久耐用;
6.适用性强、安全可靠性大。
RV系列蜗轮减速机目前已广泛应用于冶金、矿山、输送、水利、化工、食品、饮料、纺织、烟草、包装、环保等众多行业和领域工艺装备的机械减速装置,深受用户的好评、是目前现代工业装备实现大速比低噪音、高稳定机械减速传动控制装置的最佳选择。
技术参数:
功率:0.06KW~7.5KW
转矩:2.6N·m~2379N·m
传动比:7.5-100。
NMRV蜗轮蜗杆减速机选型样本资料一、选型需知1.配套电机功率:根据工作负载计算出的所需功率,一般应选择离合器额定功率的1.2-1.5倍。
2.输入转速:根据工作负载要求确定所需输入转速。
3.输出转速:根据工作负载要求确定所需输出转速。
4.额定输出转矩:根据工作负载要求确定所需额定输出转矩。
5.使用环境:需考虑工作环境的温度、湿度、海拔高度等因素。
样本资料以表格形式呈现,包括选型编号、型号、额定转矩、额定功率、输入转速、输出转速等参数。
下面是一个选型样本资料的例子:选型编号型号额定转矩(Nm) 额定功率(KW) 输入转速(rpm) 输出转速(rpm)001NMRV40480.18150030002NMRV50920.55150030003NMRV631471.1150030004NMRV752151.5150030005NMRV903562.2150030006NMRV1105484150030007NMRV1308087.5150030三、选型注意事项1.螺旋伞齿轮材料的选择要根据工作负荷和工作环境的要求确定,一般有铁、钼钴合金钢等材料可选。
2.使用时要注意润滑油的添加和更换,保持减速机运行良好的润滑状态。
3.安装和维护时要严格按照使用说明书的要求进行,避免错误操作导致设备故障。
4.在实际运行过程中,要注意保护减速机的安全,避免过载操作和长时间连续工作。
以上是关于NMRV蜗轮蜗杆减速机选型样本资料的简要介绍,供参考。
在进行选型时,需要根据实际工作负载和工作环境要求来确定所需型号、额定转矩和额定功率等参数,以保证设备的正常运行和工作效果。
InhaltsübersichtTable of contentsSommaireStirnrad-SchneckengetriebeHelical-Worm Gear UnitsRéducteursàroue et vis sans finLeistungs-und Drehzahlübersicht,Stirnrad-Schneckengetriebemotoren...E2 Performances,Helical-Worm Geared MotorsTableau des puissances,Motoréducteursàroue et vis sans finLeistungs-undÜbersetzungstabelle,Adapter W und IEC........E18 Table of performances and reductions,adapter W and IECTableau des puissances et des réductions,lanternes W et IECMaßbilder Stirnrad-Schneckengetriebemotoren................E30 Dimension sheets Helical-Worm Geared MotorsCotes d'encombrement Motoréducteursàroue et vis sans finMaßbilder Stirnrad-Schneckengetriebe,Adapter W und IEC.....E52 Dimensions sheets Helical-Worm Geared Units,adapter W and IECCotes d'encombrement réducteursàroue et vis sans fin,lanternes W et IECOptionenOptionsOptionsAZ Stiftbohrungen...........................E56Pin holesTaraudage en bout d'arbreAZH Abdeckhaube als Berührungsschutz..........E57Cover as contact protectionArbre creux avec capot de protection0,12kW#ð&A460,12kW 0,18kW0#ð&A460,18kW 0,25kW#ð&A460,25kW 0,37kW#ð&A460,37kW#ð&A460,55kW#ð&A460,55kW 0,75kW0,75kW1,10kW1,10kW 1,50kW1,50kW 2,20kW2,20kW 3,00kW4,00kW 5,50kW5,50kW-15,00kWNotizenNotes NotesStirnrad-Schneckengetriebe Helical-Worm Gear UnitsRéducteurs àroue et vis sans finSK ...-IEC ...SK ...-WSK 02040ð&A47SK020400ð&A47SK 13050SK 02050SK 13050SK02050SK 13063SK12063SK 13063SK12063SK 13080SK12080ð&A29SK 13080SK12080ð&A29SK 33100SK321000ð&A47SK 33100SK321000ð&A47SK 43125SK42125SK 43125SK42125SK02040SK 02040VFSK 02040ð&A27SK 02040AF BSK 02040SK 02040AZð&A27SK 02040AZ BSK 02040AZ DSK02050SK02050AF SK02050VF SK02050ð&A27SK02050AF BSK 02050ð&A27SK 02050AZ BSK 02050AZð&A22SK 02050AZ SHSK 02050AZ DSK13050SK13050SK 13050AF SK13050VFð&A27SK 13050AF BSK 13050ð&A27SK 13050AZ BSK 13050AZð&A22SK 13050AZSHSK 13050AZDSK12063SK 12063SK 12063AF SK 12063VF&SK 12063AF BSK 12063SK 12063AZð&A27SK 12063AZ Bð&A22SK 12063AZ SHSK 12063AZ DSK13063SK 13063SK 13063AF SK13063VFð&A27SK 13063AFBSK 13063SK 13063AZð&A27SK 13063AZ Bð&A22SK 13063AZSHSK 13063AZDSK12080SK12080SK12080VF SK12080AFð&A27SK12080AF BSK 12080SK 12080AZð&A27SK 12080AZ Bð&A22SK 12080AZ SHSK 12080AZ DSK13080SK 13080SK 13080AF SK13080VFð&A27SK 13080AFBSK 13080SK 13080AZð&A27SK 13080AZ Bð&A22SK 13080AZSH SK 13080AZDSK32100SK 32100SK 32100AF SK 32100VFð&A27SK 32100AF BSK 32100SK 32100AZð&A27SK 32100AZ Bð&A22SK 32100AZ SHSK 32100AZ DSK33100SK 33100SK 33100AF SK 33100VFð&A27SK 33100AF BSK 33100SK33100AZSK 33100AZ Dð&A27SK 33100AZ Bð&A22SK 33100AZ SHSK42125SK42125SK42125AF SK42125VFð&A27SK42125AF BSK 42125SK 42125AZSK 42125AZ Dð&A27SK 42125AZ Bð&A22SK 42125AZ SHSK43125SK 43125SK 43125AF SK 43125VFð&A27SK 43125AF B。
PLE/AE/IE/PL190系列配汇川伺服电机伺服减速机PLE减速机特点:为圆形法兰输出方式,具有经济实用,性价比高,精度高、钢性好、承载能力大、效率高、寿命长、体积轻小、外形美观、安装方便、定位精准等特点,适用于交流伺服马达、直流伺服马达、步进马达的减速传动。
精度:一级传动精度在3-8弧分,二级传动精度在8-10弧分;有数百种规格。
PLE/AE/IE/PL190系列配汇川伺服电机伺服减速机精度:一级传动精度在3-8弧分,二级传动精度在8-10弧分;有数百种规格。
技术参数:外形尺寸: 40mm---160mm减速比: 3---512传递力矩: 5Nm---895Nm精密侧隙:≤5arcmin安装方式:任意PLE型号及速比:PLE40 PLE60 PLE80 PLE90 PLE120 PLE160 PLE190 PLE200L1级速比(3 4 5 7 8 10)L2级速比(9 12 15 16 20 25 32 40 64)L3级速比(60 80 100 120 160 200 256 320 512)S1光轴 S2单键轴 S3花键轴、P1精密背隙 P2标准背隙 P0超精密 K1光孔 K2单键孔 K3花键孔行星减速机产品特色:.高效率,达95%以上.低噪音,噪音小于64dB.多速比3-1000范围内可选。
.多功率电机匹配,可配套50W-18kW范围内电机.高输出扭矩,高于其它品牌同规格减速机。
.多种类型电机匹配,如步进,交流、直流电机等。
PLE/AE/IE/PL190系列配汇川伺服电机伺服减速机PLE系列伺服行星减速机可与全球任何厂家所生产的驱动马达产品连接使用,如:安川伺服、台达伺服、东元伺服、埃斯顿伺服、和利时伺服、汇川伺服、广数伺服、大森伺服、华中伺服、凯奇伺服、华大伺服、登齐伺服、雷赛伺服、步进电机、博孚伺服、三洋伺服、松下伺服、富士伺服、三菱伺服、欧姆龙伺服、日立伺服、发格伺服、施耐德伺服、西门子伺服、法那克伺服、科尔摩根伺服、科比伺服、帕克伺服、AMK伺服等伺服电机和步进电机。
圆柱蜗轮、蜗杆设计参数选择蜗轮和蜗杆通常用于垂直交叉的两轴之间的传动(图1)。
蜗轮和蜗杆的齿向是螺旋形的,蜗轮的轮齿顶面常制成环面。
在蜗轮蜗杆传动中,蜗杆是主动件,蜗轮是从动件。
蜗杆轴向剖面类是梯形螺纹的轴向剖面,有单头和多头之分。
若为单头,则蜗杆转一圈蜗轮只转一个齿,因此可以得到较高速比。
计算速比(i)的公式如下:i=蜗杆转速n1蜗轮转速n2=蜗轮齿数z2蜗杆头数z11、蜗轮蜗杆主要参数与尺寸计算主要参数有:模数(m)、蜗杆分度圆直径(d1)、导程角(r)、中心距(a)、蜗杆头数(或线数z1)、蜗轮齿数(z2)等,根据上述参数可决定蜗杆与蜗轮的基本尺寸,其中z1、z2由传动要求选定。
(1)模数m 为设计和加工方便,规定以蜗杆轴项目数mx和蜗轮的断面模数mt 为标准模数。
对啮合的蜗轮蜗杆,其模数应相等,及标准模数m=mx=mt。
标准模数可有表A查的,需要注意的是,蜗轮蜗杆的标准模数值与齿轮的标准模数值并不相同。
表A图1图2(2)蜗杆分度圆直径d1 再制造蜗轮时,最理想的是用尺寸、形状与蜗杆完全相同的蜗轮滚刀来进行切削加工。
但由于同一模数蜗杆,其直径可以各不相同,这就要求每一种模数对应有相当数量直径不同的滚刀,才能满足蜗轮加工需求。
为了减少蜗轮滚刀数目,在规定标准模数的同时,对蜗杆分度圆直径亦实行了标准化,且与m 有一定的匹配。
蜗杆分度圆直径d1与轴向模数mx之比为一标准值,称蜗杆的直径系数。
即q=蜗杆分度圆直径模数=d1m d1=mq有关标准模数m 与标准分度圆直径d1的搭配值及对应的蜗杆直径系数参照表A (3) 蜗杆导程角r 当蜗杆的q 和z1选定后,在蜗杆圆柱上的导程角即被确定。
为导程角、导程和分度圆直径的关系。
tan r=导程分度圆周长 = 蜗杆头数x 轴向齿距分度圆周长 =z1px d1π =z1πm πm q =z1q相互啮合的蜗轮蜗杆,其导程角的大小与方向应相同。
(4) 中心距a 蜗轮与蜗杆两轴中心距a 与模数m 、蜗杆直径系数q 以及蜗轮齿数z2间的关系式如下:a=d1+d22 =m q(q+z2)蜗杆各部尺寸如表B蜗轮各部尺寸如表C2、 蜗轮蜗杆的画法(1) 蜗杆的规定画法 参照图1图2 (2)蜗轮的规定画法 参照图1图2 (3)蜗轮蜗杆啮合画法 参照图1图2.。
内容计算结果
1、计算链轮转速N31、链轮转速N3=起吊速度V/(链
轮直径D*3.142)
7.64
2、计算传动比i 2、总传动比i=输入轴转速N1/链
轮转速N3
189
3、计算减速机传动比i23、减速机传动比i1=总传动比i/
链轮传动比i2 设定i2=5
37.70
2、计算输出转矩计算减速机输出转矩
T
输出转矩=炉门重量*10*链轮半径
(D/2)/链轮传动比i2*链轮传动
效率)
195.65
3、修正输出转矩根据使用条件,8小
时运转,较大冲击,
工况系数K=1.5,计
算修正输出转矩T2
修正输出转矩T1=输出转矩T*K244.57
4、计算输入功率换算功率输入功率P=修正输出转矩T*输出
轴转速N2/(9549*减速机传动效
率)
1.38减速机型号
传动比
输入轴功率
输出轴转矩
计算公式
根据输入轴及输出轴的转速确定传动比1、定传动比
5、选型号规格根据产品样本,选定型号,传动比,输入轴功率,输出轴转矩。
图示
枫信传动创优质品牌
枫信KS精密伺服蜗轮减速机:
具有间隙小、效率高、速比大、寿命长、振动低、低噪音、低温升、外观美、结构轻小、安装方便、定位精确等特点,适用于交流伺服马达、直流伺服马达减速传动。
适合于全球任何厂商所制造的驱动产品连接,如:松下、台达、安川、富士、三菱、三洋、西门子、施耐德等等。
KS精密伺服蜗轮减速机特点:
1、背隙在5-15弧分,
2、标准中心距: 50; 75; 90; 110;130;150.
3、传动比:一级:7.5-80;二级:60-500;三级:400-4000
4、输入功率:0.4KW-15KW
5、4个安装表面
6、表面光滑,外型轻小
7、低噪声,发热量小。
8、法兰可替换,可适配不同厂家的伺服电机
9、整机采用通用可替换部件组装。
产品应用:
适用于快速、精确定位机构:
(1)适用于精密加工机床、印刷机械,食品机械、纺织机械,印花机械,自动化产业、工业机器人、医疗检验、精密测试仪器和自动化高精度的机电产品行业等;
(2)适用于工厂自动化快速移载机构、机器人手臂抓取机构、智能立体仓库等。