SG-A146 智能建筑系统集成网络连接分项工程质量验收记录表
- 格式:docx
- 大小:44.57 KB
- 文档页数:1
分项工程质量验收记录SG一、项目基本情况项目名称:项目地点:建设单位:设计单位:施工单位:二、验收目的本次验收的目的是对项目的质量进行确认,以确保项目达到设计要求和相关标准。
三、项目范围详细列出项目的工程量和范围,包括建筑结构、装饰装修、给排水、电气等。
四、验收内容1.工程就地勘察具体列出就地勘察的内容和结果,包括地质调查、地基承载力、地下水位等。
2.建筑结构根据设计文件,详细列出结构的验收内容和结果,包括主体结构和外墙的基本情况、施工工艺等。
3.装饰装修根据设计文件,详细列出装修的验收内容和结果,包括墙面、地面、天花板、门窗、硬装、软装等。
4.给排水根据设计文件,详细列出给排水的验收内容和结果,包括给水管道、排水管道、排污设备等。
5.电气根据设计文件,详细列出电气的验收内容和结果,包括供电设备、配电箱、电线电缆、照明设备、插座等。
五、验收标准根据相关规范和标准,列出每个分项工程的验收标准,并进行逐项确认。
六、验收结论根据实际情况,结合工程质量验收标准,对每个分项工程给出验收结论。
七、存在问题列出各分项工程存在的问题,并详细描述问题的性质、原因和要求整改的措施。
八、整改措施针对存在的问题,提出相应的整改措施,并明确整改责任单位和期限。
九、验收记录记录参与验收的人员、时间和地点,并将整个过程进行详细记录。
十、时间安排根据整改措施的要求,制定整改计划的时间安排。
十一、监督检查根据整改计划,进行监督检查,确保整改工作按时进行,并记录检查的结果。
以上是分项工程质量验收记录SG的主要内容,该记录应详细、准确地记录项目的质量情况,并提出相应的整改措施,以确保项目的质量达到设计要求和相关标准。
新版智能建筑工程检验批质量验收记录表背景智能化建筑工程的出现,极大的提高了施工效率和安全性。
为确保智能建筑工程的质量达标,需要对其进行检验和验收。
而检验批质量验收记录表是对工程质量进行追踪和评估的重要工具。
本文将介绍新版智能建筑工程检验批质量验收记录表的内容和使用方法。
新版智能建筑工程检验批质量验收记录表概述新版智能建筑工程检验批质量验收记录表是一个记录工程质量数据的文件,其包含的信息有:1.项目基础信息;2.建筑工程验收批次信息;3.工程施工情况信息;4.相关质量检测结果信息;5.质量整改措施信息。
通过这些信息,可以梳理和分析工程质量数据,找出其中的问题,实现质量控制和质量完善。
详细内容项目基础信息项目基础信息包括项目名称、项目地址、建设单位、设计单位、监理单位等基本信息,这些信息将在整个工程过程中不变。
建筑工程验收批次信息建筑工程验收批次信息包括批次编号、日期、工程阶段等信息,这些信息将随着工程的进展而变化。
工程施工情况信息工程施工情况信息包括施工单位、施工负责人、工程进度、施工状况等信息,这些信息是对工程施工过程的追踪和记录。
相关质量检测结果信息相关质量检测结果信息包括施工现场质量检测、材料质量检测、工程化验数据、质量标准等信息,这些信息是对工程质量进行评估和分析的重要依据。
质量整改措施信息质量整改措施信息包括整改项目、整改责任人、整改时限、整改结果等信息,这些信息是对工程质量问题的整改和跟踪。
使用方法使用新版智能建筑工程检验批质量验收记录表,需要在工程施工中实时、准确地记录各项数据,并根据实际情况及时更新与调整数据。
每个批次的质量验收记录表应保留并上传至相关部门进行审核和核对。
新版智能建筑工程检验批质量验收记录表是一项对智能建筑工程质量进行追踪和评估的工具,通过它可以发现工程施工过程中的问题,并及时采取措施予以改进。
保证智能建筑工程的正常运行和使用,建议项目相关人员对该记录表的使用进行规范和统一,确保记录表的准确性和实用性。
S G A智能建筑综合布线系统安装分项工程质量验收记录表公司标准化编码 [QQX96QT-XQQB89Q8-NQQJ6Q8-MQM9N]SG—A144智能建筑综合布线系统安装分项工程质量验收记录表单位(子单位)工程名称子分部工程综合布线系统分项工程名称系统安装质量检测验收部位施工单位项目经理施工执行标准及编号分包单位分包项目经理检测项目(主控项目)(执行本规范第9.2.5~条的规定)检查评定记录备注1 缆线终接标识正确,线号、色标准确执行GB/T50312中第6.0.1条的规定2 各类跳线的终接接触良好,长度小于5m 执行GB/T50312中第6.0.4条的规定3 机柜、机架安装垂直小于3mm 位置正确、垂直度小于3mm执行GB/T50312中第4.0.1、、、条的规定设备底座牢固标志齐全,清晰部件标志齐全、部件完整4 配线架的安装紧固状态牢固且在统一平面上5 桥架、线槽安装位置位置正确、牢固桥架线槽连接连接平滑、无毛刺6 设备接地接地端子标志符合设计,标志齐全7 信息插座的安装防水、防尘、抗压符合设计执行GB/T50312中第4.0.3条的规定8 光缆芯线终端的安装连接标志标志齐全、清晰执行本规范第9.2.9条的规定9 施工安全措施有防护措施,人员经过培训见说明监理(建设)单位验收结果:监理工程师:(签字)(建设单位项目专业技术负责人)年月日施工单位检测结果:施工单位(检测)负责人:(签字)年月日SG—A144填写说明一、此表由施工单位填写,监理单位组织验收,机房设备全检,其他可按《指南》建议划分验收批。
二、序号1、2、8为缆线连接,重点为色标,线号正确,工艺精确,接触良好,标识齐全并符合GB/T312相关条文,施工方应全检,单位抽查20﹪以上。
三、序号3、4、6、7为机房设备及信息插座安装,重点应检查平面、空间位置符合设计要求;安装牢固,可靠;各种接地保护与设计一致;插座应无论何种安装方式均应具有防水、防尘防压措施。
资料内容仅供您学习参考,如有不当或者侵权,请联系改正或者删除。
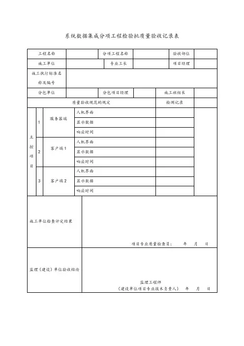
智能建筑分部、子分部及分项工程划分程控电话交换系统安装工程检验批质量验收记录(GB50339- ) 编号: 070101 □□□资料内容仅供您学习参考,如有不当或者侵权,请联系改正或者删除。
注: 本表由施工项目专业质量检查员填写; 专业监理工程师(建设单位项目专业技术负责人)组织项目专业质量(技术)负责人等进行验收; 质量检查记录(检测报告、质量证明文件)填写在表D.0.1的附件表中。
会议电视系统安装工程检验批质量验收记录(GB50339- ) 编号: 070102 □□□注: 本表由施工项目专业质量检查员填写; 专业监理工程师(建设单位项目专业技术负责人)组织项目专业质量( 技术) 负责人等进行验收; 质量检查记录( 检测报告、质量证明文件) 填写在表D.0.1的附件表中。
接入网设备安装工程检验批质量验收记录(GB50339- ) 编号: 070103 □□□资料内容仅供您学习参考,如有不当或者侵权,请联系改正或者删除。
注: 本表由施工项目专业质量检查员填写; 专业监理工程师(建设单位项目专业技术负责人)组织项目专业质量(技术)负责人等进行验收; 质量检查记录(检测报告、质量证明文件)填写在表D.0.1的附件表中。
卫星数字电视系统检验批质量验收记录(GB50339- ) 编号: 070104 □□□资料内容仅供您学习参考,如有不当或者侵权,请联系改正或者删除。
注: 本表由施工项目专业质量检查员填写; 专业监理工程师(建设单位项目专业技术负责人)组织项目专业质量(技术)负责人等进行验收; 质量检查记录(检测报告、质量证明文件)填写在表D.0.1的附件表中。
有线电视系统检验批质量验收记录(GB50339- ) 编号: 070105 □□□注: 本表由施工项目专业质量检查员填写; 专业监理工程师(建设单位项目专业技术负责人)组织项目专业质量(技术)负责人等进行验收; 质量检查记录(检测报告、质量证明文件)填写在表D.0.1的附件表中。