悬挑脚手架计算书PKPM
- 格式:rtf
- 大小:604.34 KB
- 文档页数:22
悬挑脚手架设计计算书本工程最高处 m 9.37,采用 0.348⨯φ电焊钢管作立杆,立杆横距m l b 9.0=。
立杆纵距 m l a 5.1=,内立脚点杆距建筑物外墙最大距离为m b 8.1=,脚手架搭设步距m h 8.1= 。
每个受力系组悬殊挑九步,考虑同时进行施工层数为二层.铺设竹脚步手笆,外挂塑料编织安全网封闭.脚手架与建筑物立面结构连接点的布置为二步三跨,竖向间距 m h W 6.3=,水平间距m l W 5.4=,每个受力系组的搭设高度 m H i 2.1698.1=⨯=。
其他计算参数: A=424mm², i=15.98mm, W=4490mm³,挡风系数为ϕ=0.2,钢材的抗压强度设计值(Q215) c f =0.195KN/mm²,施工层数n=2. 查表得: 1K g =0.109KN/m, 2K g =0.4112KN/m, 3K g =0.0768KN/m,K q =0.9KN/m (施工荷载为2KN/m², m l b 9.0=时),稳定系数ϕ=0.235(见后面计算), /m γ=1.521(见计算表)1. 计算采用单根钢管作立杆的允许搭设高度Hs=()2111/1.1_1.1K K k K a mcg g q g l n Af ++γϕ=()0768.0109.09.016.14112.05.12—521.11.1195.0424235.0+⨯++⨯⨯⨯⨯m 98.38=H=m m H H s s 2.1604.2898.3801.0198.3801.01 =⨯+=+经计算,每个受力系组的搭设高度符合设计要求.2.荷载标准值的计算 (1)恒载的标准值 k G k G =()3131k a k k k g l n g g H ++ =()4112.05.120768.0109.02.16⨯⨯++⨯=4.243KN(2)活荷载的标准值 k Q k a k k q l n Q ==9.05.12⨯⨯(3)风荷载的标准值 k W =2.7KNk a W W l q k ϕ=07.0W W z stw k μμ=取挡风系数 2.0=ϕ 查表得275.0=STW μ )5(8.0m Z 离地=μ72.1=z μ(离地25m)通过内插法得: ()35.155258.072.18.035.20⨯--+=m Z 离地μ =1.506()35.0506.18.0275.07.0⨯⨯⨯=k W=0.054(0.101)KN/m 2()101.0054.02.05.1⨯⨯=k W q=0.016(0.031)KN/m3.脚手架整体稳定验算(1)确定材料强度附加分项系数 /m γ因组合风载 : /m γ=()ληλη++++19.0159.121.0h q M k k W W ==()mm KN .18.58.1031.0016.01.02=⨯⨯()()KN WA M N K kW W 95.05.044904241.1018.5=⨯==/m γ值计算表(2)计算轴心力设计值 /N()K K Q G N N N +=2.1/底部截面:()KN N 321.87.2234.42.1/=+⨯=20.35m 处截面:()KN N 321.87.2234.42.1/=+⨯=(3)计算风荷载弯矩值 W M底部: KW W M M 2.1==28.1016.01.02.1⨯⨯⨯ =KN 216.6mm .20.35m 处:mm KN M W .12.128.1031.01.02.12=⨯⨯⨯=(4)确定稳定系数查表得立杆计算长度系数 55.1=μ17498.15180055.1=⨯==i hμλ查表得稳定系数 235.0=ϕ (5)验算整体稳定/9.0mc Wf W M A N γϕ≤+' 底部: 2084.04490216.6424235.0231.8mm KN W M A N W =+⨯=+'ϕ2/142.0521.19.0195.09.0mm KN f m c =⨯=γ 20.35m 处:2085.0449012.12424235.0231.8mm KN W M A N W =+⨯=+'ϕ2/143.0516.19.0195.09.0mm KN f m c =⨯=γ 经计算两处截面均有:/9.0mc W f W M A N γϕ +' 故整体稳定。
悬挑脚手架计算书本计算书采用的公式及数据选自《建筑施工手册》(第4版)及《建筑施工扣件式钢管脚手架安全技术规范》。
计算内容包括:脚手架的整体稳定性、连墙件的强度验算、外挑型钢强度的验算。
·悬挑式脚手架1. 计算参数的确定本工程为结构用双排扣件式脚手架,计算单元选择顶部5层脚手架,高度为=2.9×5=14.5m,作业层为一层/=3KN/㎡;外脚手架的高度为100.6m,青岛地区的基本风压值ω0=0.5 KN/㎡;全挂密目网,取密目网的挡风面积为50%。
脚手架的设计参数为:立杆纵距=1.5m,立杆横距=0.9m,步距h=1.8m,连墙件为二步三跨设置,每一悬挑层内铺设2层竹笆脚手板(其中一层为作业层,另一层为防护层)。
其他计算参数为:立杆截面积A=489 mm2;立杆的截面抵抗矩W=5.08×103mm3;立杆的回转半径=15.8mm。
挡风面积A n=1.5×1.8(1-0.089)×0.5+1.5×1.8×0.089=1.470㎡;迎风面积A w=1.5×1.8=2.7㎡;钢材的抗压设计强度=0.205 KN/mm2,连墙件的横距=4.5m,连墙件的竖距=3.6m。
2. 脚手架整体稳定性的验算2.1 荷载计算(1)恒载的标准值G kG k=H i(g k1+ g k2)+n1l a g k2查表得=0.1058KN/m;=0.3587+ 0.2087=0.5674KN/m(板底支承间距0.75m,设防护栏杆,其中0.2087 KN/m为防护层重量); =0.0768 KN/m;G k=17.5×(0.1058+0.0768)+1.5×0.5674=4.05 KN(2)活载的标准值Q k查表得=1.35 KN/m=1.5×1.35=2.03KN(3)风荷载的标准值ωk查表得;由《建筑结构荷载规范》查得=1.67。
悬挑脚手架计算书悬挑脚手架:本工程采用悬挑脚手架,采用14a槽钢,槽钢间距为1.5m。
有关参数及计算书如下:1、参数:(1)φ48,厚3.0mm钢管立杆纵距:l=1.5m,横距b=1.0m,步距1.5m步数n=10步,H0=1.5×10=15m铺脚手片层数n1=10步钢管自重=33.3N/m,扣件自重=15.5N/个脚手片自重=300 N/m2,挡脚板=36 N/m安全网=40 N/m(2)14a槽钢截面面积:A=18.5×102mm2截面抵抗矩:W=80.5×103mm3每米自重:q=0.15KN/m2、立杆所承担的轴心压力计算:脚手板荷载P1=(B/2+b)×l×q1×n2=(1.0/2+0.2)×1.5×0.35×4=1.47 kN式中q1——脚手板荷载,q1=0.35kN/m2;n1——脚手板铺设层数,n1=4.0。
脚手架自重P2=n2[q2(h+l+B/2+b)+Q]=10×[0.033(1.5+1.5+1.0/2+0.2)+0.020] =1.42kN式中q2——钢管自重,q2=0.033kN/m(φ48×3.0);Q——扣件重,按二个直角扣件计算,Q=0.020kN;N2——立杆步数;n2=10底层每根立杆所承担的轴心压力NN=[γG(P1+P2)]=[1.2×(1.47+1.42)]=3.47kN3、槽钢承载力的验算:槽钢外挑1.35m。
计算槽钢的受力槽钢最大受力点为与楼面接触点M= N×(1.3+0.3)+q×1.35×1.35/2=5.69KN•mб=M/W=70.67N/mm2 <f=215N/mm2,14a槽钢可满足抗弯要求。
抗剪验算:剪力F =6.94KNτ=F/A=6940/1850=3.75N/mm2<fv=125 N/mm2,满足抗剪要求。
悬挑脚手架计算书一、工程概况本工程为_____,位于_____,建筑高度为_____m,结构形式为_____。
为满足施工需要,拟在建筑物_____侧设置悬挑脚手架。
二、编制依据1、《建筑施工扣件式钢管脚手架安全技术规范》(JGJ130-2011)2、《建筑结构荷载规范》(GB50009-2012)3、《钢结构设计规范》(GB50017-2017)4、本工程施工图纸及施工组织设计三、脚手架设计参数1、脚手架立杆横距 Lb = 105m,立杆纵距 La = 15m,步距 h =18m。
2、内立杆距建筑物距离 a = 03m。
3、脚手架搭设高度 H = 20m。
4、悬挑梁选用 16 号工字钢,长度为 L = 3m,悬挑长度 l1 = 13m,锚固长度 l2 = 17m。
5、连墙件采用两步三跨设置,竖向间距 36m,水平间距 45m。
四、荷载计算1、恒载标准值 G1k每米立杆承受的结构自重标准值 gk1 = 01248kN/m脚手板自重标准值 gk2 = 035kN/m²栏杆与挡脚板自重标准值 gk3 = 014kN/m安全网自重标准值 gk4 = 001kN/m²2、活载标准值 Qk施工均布活荷载标准值 Qk1 = 3kN/m²风荷载标准值ωk风荷载标准值应按照以下公式计算:ωk =07μzμsω0其中,μz 为风压高度变化系数,μs 为风荷载体型系数,ω0 为基本风压。
本工程地处_____,基本风压ω0 = 03kN/m²。
风压高度变化系数μz 按《建筑结构荷载规范》取值。
风荷载体型系数μs =13φ,φ 为挡风系数。
挡风系数φ = 12An/Aw其中,An 为挡风面积,Aw 为迎风面积。
五、纵向水平杆计算1、强度计算最大弯矩 Mmax = 01q1l²+ 0117q2l²其中,q1 为恒载均布线荷载标准值,q2 为活载均布线荷载标准值。
弯曲应力σ = Mmax/WW 为纵向水平杆的截面抵抗矩。
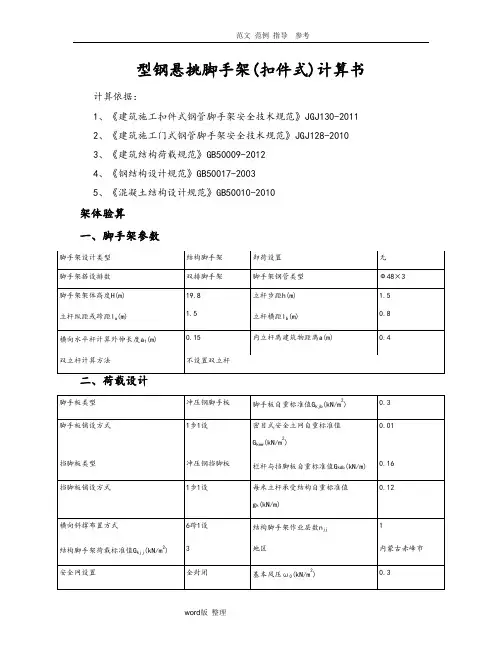
型钢悬挑脚手架(扣件式)计算书计算依据:1、《建筑施工扣件式钢管脚手架安全技术规范》JGJ130-20112、《建筑施工门式钢管脚手架安全技术规范》JGJ128-20103、《建筑结构荷载规范》GB50009-20124、《钢结构设计规范》GB50017-20035、《混凝土结构设计规范》GB50010-2010架体验算一、脚手架参数脚手板类型冲压钢脚手板脚手板自重标准值G(kN/m2) 0.3kjb0.01脚手板铺设方式1步1设密目式安全立网自重标准值G kmw(kN/m2)挡脚板类型冲压钢挡脚板栏杆与挡脚板自重标准值G(kN/m) 0.16kdb0.12挡脚板铺设方式1步1设每米立杆承受结构自重标准值g k(kN/m)1横向斜撑布置方式6跨1设结构脚手架作业层数njj结构脚手架荷载标准值G kjj(kN/m2) 3 地区内蒙古赤峰市安全网设置全封闭基本风压ω(kN/m2) 0.3立面图侧面图三、横向水平杆验算纵、横向水平杆布置承载能力极限状态q=1.2×(0.033+Gkjb ×la/(n+1))+1.4×Gk×la/(n+1)=1.2×(0.033+0.3×1.5/(2+1))+1.4×3×1.5/(2+1)=2.32kN/m 正常使用极限状态q'=(0.033+Gkjb ×la/(n+1))+Gk×la/(n+1)=(0.033+0.3×1.5/(2+1))+3×1.5/(2+1)=1.683kN/m计算简图如下: 1、抗弯验算Mmax =max[qlb2/8,qa12/2]=max[2.32×0.82/8,2.32×0.152/2]=0.186kN·mσ=Mmax/W=0.186×106/4490=41.336N/mm2≤[f]=205N/mm2 满足要求!2、挠度验算νmax =max[5q'lb4/(384EI),q'a14/(8EI)]=max[5×1.683×8004/(384×206000×107800),1.683×1504/(8×206000×107800)]=0.404mmνmax =0.404mm≤[ν]=min[lb/150,10]=min[800/150,10]=5.333mm满足要求!3、支座反力计算承载能力极限状态Rmax =q(lb+a1)2/(2lb)=2.32×(0.8+0.15)2/(2×0.8)=1.309kN正常使用极限状态Rmax '=q'(lb+a1)2/(2lb)=1.683×(0.8+0.15)2/(2×0.8)=0.949kN四、纵向水平杆验算承载能力极限状态由上节可知F1=Rmax=1.309kNq=1.2×0.033=0.04kN/m 正常使用极限状态由上节可知F1'=Rmax'=0.949kNq'=0.033kN/m1、抗弯验算计算简图如下:弯矩图(kN·m)σ=Mmax/W=0.532×106/4490=118.561N/mm2≤[f]=205N/mm2满足要求! 2、挠度验算 计算简图如下:变形图(mm)νmax =2.808mm≤[ν]=min[l a /150,10]=min[1500/150,10]=10mm 满足要求! 3、支座反力计算 承载能力极限状态 R max =3.033kN五、扣件抗滑承载力验算横向水平杆:R max =1.309kN≤R c =0.9×8=7.2kN 纵向水平杆:R max =3.033kN≤R c =0.9×8=7.2kN 满足要求!六、荷载计算1、立杆承受的结构自重标准值N G1k 单外立杆:N G1k =(gk+(l b +a 1)×n/2×0.033/h)×H=(0.12+(0.8+0.15)×2/2×0.033/1.5)×19.8=2.794kN单内立杆:N G1k =2.794kN2、脚手板的自重标准值N G2k1 单外立杆:N G2k1=(H/h+1)×la×(l b +a 1)×G kjb ×1/1/2=(19.8/1.5+1)×1.5×(0.8+0.15)×0.3×1/1/2=3.035kN1/1表示脚手板1步1设 单内立杆:N G2k1=3.035kN 3、栏杆与挡脚板自重标准值N G2k2 单外立杆:N G2k2=(H/h+1)×la×G kdb ×1/1=(19.8/1.5+1)×1.5×0.16×1/1=3.408kN 1/1表示挡脚板1步1设 4、围护材料的自重标准值N G2k3单外立杆:N G2k3=G kmw ×la×H=0.01×1.5×19.8=0.297kN 5、构配件自重标准值N G2k 总计单外立杆:N G2k =N G2k1+N G2k2+N G2k3=3.035+3.408+0.297=6.74kN 单内立杆:N G2k =N G2k1=3.035kN 立杆施工活荷载计算外立杆:N Q1k =la×(l b +a 1)×(n jj ×G kjj )/2=1.5×(0.8+0.15)×(1×3)/2=2.138kN 内立杆:N Q1k =2.138kN组合风荷载作用下单立杆轴向力:单外立杆:N=1.2×(N G1k + N G2k )+0.9×1.4×N Q1k =1.2×(2.794+6.74)+ 0.9×1.4×2.138=14.134kN单内立杆:N=1.2×(N G1k + N G2k )+0.9×1.4×N Q1k =1.2×(2.794+3.035)+ 0.9×1.4×2.138=9.688kN七、立杆稳定性验算立杆计算长度l=Kμh=1×1.5×1.5=2.25m长细比λ=l/i=2.25×103/15.9=141.509≤210满足要求!轴心受压构件的稳定系数计算:立杆计算长度l=Kμh=1.155×1.5×1.5=2.599m长细比λ=l/i=2.599×103/15.9=163.443 查《规范》表A得,φ=0.2652、立杆稳定性验算不组合风荷载作用单立杆的轴心压力标准值N'=NG1k +NG2k+NQ1k=2.794+6.74+2.138=11.671kN单立杆的轴心压力设计值N=1.2(NG1k +NG2k)+1.4NQ1k=1.2×(2.794+6.74)+1.4×2.138=14.433kNσ=N/(φA)=14433.098/(0.265×424)=128.454N/mm2≤[f]=205N/mm2 满足要求!组合风荷载作用单立杆的轴心压力标准值N'=NG1k +NG2k+NQ1k=2.794+6.74+2.138=11.671kN单立杆的轴心压力设计值N=1.2(NG1k +NG2k)+0.9×1.4NQ1k=1.2×(2.794+6.74)+0.9×1.4×2.138=14.134kNM w =0.9×1.4×Mwk=0.9×1.4×ωklah2/10=0.9×1.4×0.221×1.5×1.52/10=0.094kN·mσ=N/(φA)+Mw/W=14133.848/(0.265×424)+93980.25/4490=146.722N/mm2≤[f]=205N/mm2 满足要求!八、连墙件承载力验算lw k a长细比λ=l/i=600/15.9=37.736,查《规范》表A.0.6得,φ=0.896(Nlw +N)/(φAc)=(1.005+3)×103/(0.896×424)=10.542N/mm2≤0.85×[f]=0.85×205N/mm2=174.25N/mm2满足要求!扣件抗滑承载力验算:Nlw +N=1.005+3=4.005kN≤0.9×12=10.8kN满足要求!悬挑梁验算一、基本参数平面图立面图三、主梁验算=0.205=0.205kN/mq'=gk第1排:F'1=F1'/nz=11.67/1=11.67kN第2排:F'2=F2'/nz=11.67/1=11.67kN荷载设计值:q=1.2×gk=1.2×0.205=0.246kN/m第1排:F1=F1/nz=14.43/1=14.43kN第2排:F2=F2/nz=14.43/1=14.43kN1、强度验算弯矩图(kN·m)σmax =Mmax/W=2.814×106/141000=19.956N/mm2≤[f]=215N/mm2符合要求!2、抗剪验算剪力图(kN)τmax =Qmax/(8Izδ)[bh2-(b-δ)h2]=8.831×1000×[88×1602-(88-6)×140.22]/(8×11300000×6)=10.437N/mm2τmax=10.437N/mm2≤[τ]=125N/mm2符合要求!3、挠度验算变形图(mm)νmax =0.084mm≤[ν]=2×lx/250=2×1300/250=10.4mm符合要求!4、支座反力计算R1=-0.513kN,R2=9.738kN,R3=20.349kN四、下撑杆件验算β1=arctanL1/L2=arctan(3300/1050)=72.35°下撑杆件支座力:RX1=nzR3=1×20.349=20.349kN主梁轴向力:NXZ1=RX1/tanβ1=20.349/tan72.35°=6.475kN下撑杆件轴向力:NX1=RX1/sinβ1=20.349/sin72.35°=21.354kN下撑杆件的最大轴向拉力NX =max[Nx1...Nxi]=21.354kN下撑杆长度:L01=(L12+L22)0.5=(33002+10502)0.5=3463.019mm下撑杆长细比:λ1=L01/i=3463.019/41.4=83.648查《钢结构设计规范》GB50017-2003表C得,φ1=0.694当φ大于0.6,φ1'=0.664轴心受压稳定性计算:σ1=NX1/(φ1'A)=21353.76/(0.664×1430)=22.501N/mm2≤f=205N/mm2符合要求!对接焊缝验算:σ=NX /(lwt)=21.354×103/A=21.354×103/1430=14.933N/mm2≤fcw=140N/mm2符合要求!五、悬挑主梁整体稳定性验算主梁轴向力:N =|[(-(+NXZ1))]|/nz=|[(-(+6.475))]|/1=6.475kN压弯构件强度:σmax =Mmax/(γW)+N/A=2.814×106/(1.05×141×103)+6.475×103/2610=21.487N/mm2≤[f]=215N/mm2塑性发展系数γ符合要求!受弯构件整体稳定性分析:其中φb-- 均匀弯曲的受弯构件整体稳定系数:查表《钢结构设计规范》(GB50017-2003)得,φb=2由于φb 大于0.6,根据《钢结构设计规范》(GB50017-2003)附表B,得到φb'值为0.93。
悬挑脚⼿架阳⾓悬挑梁计算书-----悬挑脚⼿架阳⾓悬挑梁计算书⼀、基本参数1、脚⼿架参数2、型钢参数3、布置图悬挑脚⼿架阳⾓处型钢布置图⼆、⽴杆计算1、荷载计算挡风系数Glk k(2)构配件⾃重NG2k=0.90+1.20+0.78=2.88kN 其中:脚⼿板重量:5×1.50×0.40×0.30=0.90kN 栏杆、挡脚板重量:5×1.50×0.16=1.20kN 安全⽹重量:51.75×1.50×0.01=0.78kN (3)活荷载包括:a.施⼯荷载NQk=1.50×0.40×(3.00+2.00)=3.00kNb.风荷载标准值计算⽔平风荷载标准值ωk =µzµsω=0.65×1.040×0.30=0.20kN/m2由风荷载设计值产⽣的⽴杆段弯矩:M W =0.9×1.4Mωk=0.9×1.4ωk L a h2/10=0.9×1.4×0.20×1.50×1.802/10=0.12kN·mm=120000N·mm2、⽴杆长细⽐验算⽴杆计算长度l=kµh=1.0×1.50×1.80=2.70m长细⽐λ=l/i=2.70103/15.80=171≤210⽴杆长细⽐λ=171.00<210,满⾜要求。
3、轴⼼受压构件的稳定系数计算⽴杆计算长度l=kµh=1.155×1.50×1.80=3.12m长细⽐λ=l/i=3.12×103/15.80=197查《规范》表A得,υ=0.1864、⽴杆稳定性验算1)不组合风荷载时N 1=1.2(NGlk+ NG2k)+1.4ΣNQk=1.2×(6.46+2.88)+1.4×3.00=15.41kNN/(A)=15.41×1000/(0.186×489)=169.43 N/mm2 2)组合风荷载时N 1=1.2(NGlk+ NG2k)+0.9×1.4ΣNQk=1.2×(6.46+2.88)+0.9×1.4×3.00=14.99kNN/(A)+MW/W=14.99×1000/(0.186×489)+120000/5080=188.43N/mm2 ⽴杆稳定性为=188.43N/mm2<f=205N/mm2,满⾜要求。
悬挑脚手架计算书
悬挑脚手架计算书
1. 引言
1.1 本文档旨在提供一个悬挑脚手架计算书的模板范本,以供参考使用。
1.2 悬挑脚手架是一种在工程施工中常用的支撑设备,本文档将详细介绍悬挑脚手架的计算方法和步骤。
2. 悬挑脚手架计算基础
2.1 悬挑脚手架的定义和特点
2.2 悬挑脚手架的组成部分和功能
2.3 悬挑脚手架的施工要求和安全标准
3. 悬挑脚手架计算步骤
3.1 确定悬挑脚手架的使用条件和工作荷载
3.2 确定悬挑脚手架的几何参数和结构布置
3.3 进行悬挑脚手架的承载能力计算
3.4 进行悬挑脚手架的稳定性计算
3.5 进行悬挑脚手架的结构材料选择和验算
4. 悬挑脚手架计算实例
4.1 实例一:悬挑脚手架的水平荷载计算
4.2 实例二:悬挑脚手架的竖直荷载计算
4.3 实例三:悬挑脚手架的承载能力计算
4.4 实例四:悬挑脚手架的稳定性计算
5. 悬挑脚手架计算结果和结论
5.1 悬挑脚手架的工作荷载和几何参数
5.2 悬挑脚手架的承载能力和稳定性
5.3 结论和建议
6. 附件
6.1 悬挑脚手架的平面布置图
6.2 悬挑脚手架的荷载分布图
6.3 悬挑脚手架的验算表格
7. 法律名词及注释
7.1 施工安全法:指国家制定的相关法律法规,主要涉及施工安全和劳动保护等方面的规定。
7.2 建筑工程施工规范:指国家发布的关于建筑工程施工中各项要求和规范的文件,用于指导和监督施工工作。
脚手架设计软件使用说明JSJ目录第一章软件简介及系统安装 (1)一.系统运行环境 (1)二.系统安装 (1)第二章软件功能与依据 (3)一.软件功能 (3)二.软件特点 (4)三.软件计算依据: (4)第三章脚手架设计 (6)一.[选当前层] (6)二.[扣件式] (6)三.[碗扣式] (23)四.[门架] (24)五.[悬挂吊篮] (28)六.[扶墙脚手] (29)七.[钢管井架] (31)八.[统计] (32)九.[保存文件] [退出] (33)第三章脚手架的施工图绘制 (34)一.[平面图] (34)二.[轴线标注] (35)三.[标注] (35)四.[立面图] (35)五.[统计总表] (36)六.[图库] (37)七.[图块编辑] (37)八.[保存文件] (37)九.[退出] (37)产品技术支持 (38)第一章软件简介及系统安装一.系统运行环境1. 主机处理器:PentiumIII 450MHz2. 操作系统中文版Windows 98、中文版Windows me、中文版Windows 2000、中文版Windows XP 3. 内存最低64MB4. 硬盘要求有100MB左右的可用空间5. 打印机支持以上中文操作系统的所有打印机二.系统安装1. 将光盘放入光驱后,安装程序自动运行,或以手动方式运行install子目录下的setup.exe 文件,运行后将显示下图画面:2. 用鼠标点击“是”后显示下图画面:3.选择软件安装路径:软件应安装在C:\PKPM\JSJ\路径下面,也可以其它盘符。
4.选择购买的相应的模块后进入“下一步”:5.以下显示安装的进程:点击“完成”后重新启动计算机,系统完成更新设置:第二章软件功能与依据一.软件功能1、模型建立直接读取我院的图形设计平台的.T文件,方便快捷生成建筑模型;如果有建筑平面图.DWG文件,可以从在AUTOCAD软件下直接转换成系统要求的.T文件,减少输入模型的时间;也可以利用软件自有的图形平台进行快速建模,建模更人性化,简单易学。
悬挑式脚手架计算书|脚手架计算实例悬挑式脚手架计算书|脚手架计算实例悬挑式脚手架施工方案计算书一、参数信息:1.脚手架参数搭设尺寸为:立杆的纵距为1.8米,立杆的横距为0.75米,大小横杆的步距为1.8米;采用的钢管类型为Φ48×3.0;横杆与立杆连接方式为单扣件;取扣件抗滑承载力系数为0.80;连墙件采用两步三跨,扣件连接;连墙件连接方式为双扣件;2.活荷载参数施工均布活荷载标准值:2.000kN/m2;脚手架用途:装修脚手架;3.风荷载参数本工程地处XX省XX市,基本风压为0.6kN/m2;风荷载高度变化系数μz 为1.00,风荷载体型系数μs 为0.65;脚手架计算中考虑风荷载作用。
4.静荷载参数每米架高计的构架基本结构杆的自重计算基数gk1=0.1074KN/M;作业层面材料自重计算基数gk2=0.3484KN/M;整体拉结和防护材料自重计算基数gk3=0.1988KN/M;二、悬挑脚手架计算1、根据脚手架搭设方案已知条件为1.1 立杆横距b=0.75m,立杆纵距l=1.8m,步距h=1.8m。
同时施工作业层数2层,基本风压W=0.6KN/㎡。
1.2 脚手架与建筑物连接点的布置,其竖向间距H=2h=3.6m,水平距离L=3l=5.4m。
1.3 其它计算参数为:立杆截面积A=489mm2,立杆截面抵抗距W=5080mm3,立杆回转半径I=1.58cm,挡风面积An=0.2×1.8+(1.8+1.8)×0.05=0.54㎡,相应的迎风面积Aw=1.8×1.8=3.24㎡。
钢材的抗压强度设计值fc=205N/mm2。
1.4 根据规定施工荷载:结构施工用荷载标准值:3.0KN/㎡,装修施工用荷载标准值:2.0KN/m2。
2、荷载计算:2.1 恒载的标准值GkGk=Hi*gk1+n1*la* gk2+ Hi*gk3=11.5×0.1074+2×1.8×0.3484+11.5×0.1988=4.7755KN (根据本工程展示厅二层楼面至三层屋面实际高度为9.7m,现取悬挑脚手架搭设高度限值11.5m进行验算)2.2活载的标准值Qk架面施工荷载按装修施工,两步架同时作业时取2kN/m2:QK=1/2×2×0.75×1.8×2=2.70kN2.3风荷载的标准值:Wk=0.7μsμzW0查《结构荷载规范》得μz=1.35、μs=1.3ψ=1.3×0.4=0.52Wk=0.7×0.52×1.35×0.6=0.295KN/㎡3、脚手架立杆轴向力设计值N取受力较大的外力杆进行计算N=1.2×4.7755+1.4×2.70=9.5106kN4、脚手架立杆整体稳定性计算:组合风荷载:0.9×(N`/φA+Mw/W)≤fc/γ’m4.1 求材料强度附加分项系数,查表得:γ’m=1.56074.2 计算风荷载弯矩Pwk=la×Wk=1.8×0.295=0.531KN/mMW=0.12Pwk×h2=0.12×0.531×1.8×1.8=0.206KN〃m4.3 确定稳定系数φ取二步三跨,立杆横距为0.75m 查表得:μ=1.50立杆计算长度: l0=μh=1.50×1.8=2.7m长细比:λ= l0/i=171,查表得稳定系数φ=0.243将A=489mm2, fc=205N/mm2,W=5080mm3 代入公式得:0.9×N/φA+Mw/W=0.9×9.5106/0.243×489+0.206/5080=112.55N/mm2符合要求5、悬挑杆件强度及挠度计算:5.1 悬挑工字钢计算选用16#工字钢作悬挑钢梁,截面特性为:截面积A=26.1cm2,理论重量为20.5kg/m,I= 1130.00cm4,截面抵抗距为:W = 141.00cm3,回转半径i=65.8mm。
悬挑脚手架计算书悬挑脚手架是一种常见的施工工具,广泛应用于建筑施工现场。
它的主要作用是为施工人员提供辅助支撑,使其能够在高空作业时更加安全和稳定。
本文将通过计算书的形式,详细介绍悬挑脚手架的设计和施工要点。
一、悬挑脚手架的设计要点1. 载荷计算悬挑脚手架在使用过程中需要承受施工人员的重量,因此在设计时需要准确计算其承载能力。
一般来说,悬挑脚手架的承载能力应满足当地相关标准的要求。
2. 结构设计悬挑脚手架的结构设计是确保其安全稳定性的关键。
在设计过程中,要考虑到悬挑脚手架的整体结构、支撑方式以及连接部位的强度等因素。
设计时应遵循相关规范和标准,确保悬挑脚手架的结构牢固可靠。
3. 安全措施为了保证施工人员在悬挑脚手架上作业的安全,设计时应考虑安全措施的设置。
例如设置手扶梯、扶手、防护栏等设施,提供良好的防护措施,防止人员从高处坠落。
4. 施工材料选择悬挑脚手架的施工材料选择也是设计的重要一环。
应选择质量可靠的材料,如高强度钢材和耐腐蚀材料等,以确保悬挑脚手架的使用寿命和安全稳定性。
二、悬挑脚手架计算书示例悬挑脚手架计算书项目名称:XX建筑项目项目地址:XX市XX区XX街道XX号设计单位:XX设计院设计日期:XXXX-XX-XX1. 设计要求根据工程需要,设计一套悬挑脚手架,满足以下要求:- 承载人员数量:12人- 承载工具和材料重量:2000kg- 悬挑高度:10m2. 承载能力计算根据国家标准GB50017-2017《钢结构设计规范》计算悬挑脚手架的承载能力。
- 人员荷载:12人× 70kg = 840kg- 工具和材料荷载:2000kg总荷载:840kg + 2000kg = 2840kg3. 结构设计根据设计要求,悬挑脚手架的结构设计如下:- 悬挑长度:8m- 主桁材料:Q345B钢- 端桁材料:Q235B钢- 支撑方式:依据现场情况和工程师意见选择合适的支撑方式- 连接方式:采用高强度螺栓连接4. 安全措施为了保证施工人员的安全,设计时需要设置以下安全措施:- 在悬挑脚手架的上下方设置防护栏和扶手- 在悬挑脚手架的出入口设置手扶梯,方便人员进出- 安装稳固的支撑脚和地基支撑,提供额外的稳定性5. 施工材料选择为了确保悬挑脚手架的质量和安全稳定性,应选择质量可靠的材料,如高强度钢材和耐腐蚀材料。
悬挑脚手架计算书一、基本参数:立杆纵距la = 1.5 m立杆横距lb = 0.7 m脚手架形式双排架脚手架的步距h = 1.5 m脚手架搭设高度H = 18 m小横杆上大横杆根数ng = 2 根连墙件布置形式二步三跨悬挑梁采用18号热轧工字钢槽口侧向放置每根立杆下都有悬挑梁悬挑长度l=1 m梁上支点距集中力作用点距离c=0 m支杆(吊绳)墙上支点距挑梁的垂直距离L2=0 m悬挑梁固支点支座类型固接墙固支点连接方式焊接悬挑梁与建筑物连接的焊缝长度lw=180 mm支撑采用两根钢管支撑二、大横杆的计算1、大横杆荷载计算脚手板的荷载标准值q1=0.35×0.23=0.08 kN/m活荷载标准值q2=3×0.23=0.69(kN/m)2、强度计算(1)、最大弯矩:其中:l 大横杆计算跨度l=1.5 mq1 脚手板的荷载标准值q1 = 0.08 kN/mq2 活荷载标准值q2 = 0.69 kN/m经计算得到:M=(-0.1×1.2×0.08-0.117×1.4×0.69)×1.5^2=-0.28 kN.m(2)、截面应力计算公式如下:其中W 钢管截面抵抗矩W = 5.08 cm3M 最大弯矩M = -0.28 kN.m经计算得到:σ=0.28×1000000÷(5.08×1000)=55.12 N/mm2大横杆强度计算值小于或等于钢管抗弯强度设计值205N/mm2,故满足要求3、挠度计算最大挠度:其中: l 大横杆计算跨度l = 1.5 mI 截面惯性矩I = 12.19 cm4E 弹性摸量E = 206000 N/mm2q1 脚手板的荷载标准值q1 = 0.08 kN/mq2 活荷载标准值q2 = 0.69 kN/m经计算得到:最大挠度V=(0.667×0.08+0.99×0.69)×(1.5×1000)^4÷(100×206000×12.19×10000)=1.48 mm最大挠度计算值小于等于l/150=4.67mm,并且小于10mm,故满足要求三、小横杆的计算:1、荷载值计算大横杆的自重标准值:P1=0.03763×1.5=0.06 kN脚手板的荷载标准值:P2=0.35×1.5×0.23=0.12 kN脚手板的荷载标准值:P=0.06+0.12=0.18 kN活荷载标准值:Q=3××0.23=1.03 kN2、强度计算(1)、最大弯矩计算公式如下:其中: l 立杆的纵距l = 0.7mP 静荷载标准值P = 0.18 kNQ 活荷载标准值Q = 1.03 kN经计算得到最大弯矩M= (1.2×0.18+1.4×1.03)×0.7÷3=0.39 kN.m(2)、截面应力计算公式如下:其中W 钢管截面抵抗矩W = 5.08 cm3M 最大弯矩M = 0.39 kN.m经计算得到:σ=0.39×1000000÷(5.08×1000)=76.77 N/mm2小横杆强度计算值小于或等于钢管抗弯强度设计值205 N/mm2,故满足要求3、挠度计算其中: l 立杆的纵距l = 0.7 mI 截面惯性矩I = 12.19 cm4E 弹性摸量E = 206000 N/mm2P 静荷载标准值P = 0.18 kNQ 活荷载标准值Q = 1.03 kN经计算最大挠度V=23÷648×(0.18+1.03)×(0.7×1000)^3÷(206000×12.19×10000)=0.59 mm最大挠度计算值小于等于l/150=4.67mm,并且小于10mm,故满足要求四、扣件的抗滑承载力计算:横杆的自重标准值P1 = 0.03763×(0.7 +1.5) =0.08kN脚手板的荷载标准值P2 = 0.35×1.5×0.7÷2 =0.18kN活荷载标准值Q = 3×1.5×0.7÷2 =1.58kN荷载的计算值R = 1.2×(0.08+0.18)+1.4×1.58 =2.52kN纵向或横向水平杆与立杆连接时,扣件的抗滑承载力按照下式计算:其中: Rc 扣件抗滑承载力设计值Rc=8kNR 纵向或横向水平杆传给立杆的竖向作用力设计值R=2.52kN 扣件的抗滑承载力小于等于单扣件抗滑承载力设计值8kN,满足要求!五、脚手架计算:1、荷载计算:立杆承受的结构自重标准值NG1=0.14×18=2.52 kN脚手板的自重标准值NG2=0.35×0×1.5×(0.7+0.3)=0 kN栏杆与挡脚板自重标准值NG3=0.14×1.5×0÷2=0 kN吊挂的安全设施荷载:NG4 = 0×1.5×18 = 0 kN静荷载标准值NG=2.52+0+0+0=2.52 kN活荷载标准值NQ=3×0×1.5×0.7÷2=0 kN风荷载标准值Wk=0.7×0.74×0×0.3=0 kN/m2不考虑风荷载时,立杆的轴向压力设计值N=1.2×2.52+1.4×0=3.02 kN考虑风荷载时,立杆的轴向压力设计值N=1.2×2.52+0.85×1.4×0=3.02 kN风荷载标准值产生的立杆段弯矩:Mwk=0×1.5×1.5^2÷10=0 kN.m风荷载设计值产生的立杆段弯矩:Mw=0.85×1.4×0=0 kN.m构配件自重标准值产生的轴向力:NG2k=0+0+0=0 kN2、立杆的稳定性计算:(1)、立杆的长细比计算:其中l 立杆的计算长度l = 1.155×1.5×1.5=2.6 mI 立杆的回转半径I = 1.58 cm经过计算,立杆的长细比λ=2.6×100÷1.58=165(2)、立杆的稳定性计算不考虑风荷载时,立杆的稳定性计算公式其中:A 立杆净截面面积;取A=4.89 cm2N 不考虑风荷载时,立杆的轴向压力设计值;取N=3.02 kNφ轴心受压立杆的稳定系数,由长细比λ的结果查表得到φ=0.259 不考虑风荷载时立杆的稳定性σ=3.02×1000÷(0.259×(4.89×100))=23.85 N/mm2 考虑风荷载时,立杆的稳定性计算公式其中:A 立杆净截面面积;取A=4.89 cm2W 立杆净截面模量(抵抗矩);取W=5.08 cm3N 考虑风荷载时,立杆的轴向压力设计值;取N=3.02 kNMw 计算立杆段由风荷载设计值产生的弯矩;取Mw=0 kN.mφ轴心受压立杆的稳定系数,由长细比λ的结果查表得到φ=0.259 考虑风荷载时立杆的稳定性σ=3.02×1000÷(0.259×(4.89×100))+(0×1000000)÷(5.08×1000)=23.85 N/mm2不考虑风荷载时,立杆稳定性小于等于205N/mm2,满足要求考虑风荷载时,立杆稳定性小于等于205N/mm2,满足要求3、最大搭设高度的计算不组合风荷载最大搭设高度:组合风荷载最大搭设高度:其中:A 立杆净截面面积 A = 4.89 cm2W 钢管截面抵抗矩W = 5.08 cm3f 钢管立杆抗压强度设计值f= 205 N/mm2gk 每米立杆承受的结构自重标准值gk=0.14 kN/mNQK 活荷载标准值NQK=0 kNMwk 计算立杆段由风荷载标准值产生的弯矩Mwk=0 kN.mNG2K 构配件自重标准值产生的轴向力NG2K=0 kNφ轴心受压杆件稳定系数φ= 0.259经计算,不组合风荷载最大搭设高度Hs=((0.259×(4.89×100)×205÷1000)-(1.2×0+1.4×0)÷(1.2×0.14)=154.54 m组合风荷载最大搭设高度Hs=((0.259×(4.89×100)×205÷1000)-(1.2×0+0.85×1.4×(0+0×0.259×(4.89÷5.08÷100)))÷(1.2×0.14)=154.54 m最大搭设高度应该取上式中的较小值Hs=154.54m由于搭设高度Hs大于等于26m,所以按下式调整:经计算得到脚手架高度限值为[H]=133.85m调整后的高度不宜超过50m,故:脚手架最大高度应为50m六、连墙件的计算:(1)、风荷载产生的连墙件轴向力设计值按照下式计算:其中:wk 风荷载基本风压值,wk=0 kN/m2Aw 每个连墙件的覆盖面积脚手架外侧的迎风面积;Aw=13.5 m2 经计算得到:风荷载产生的连墙件轴向力设计值Nlw=1.4×0×13.5=0 kN(2)、连墙件的轴向力计算值应按照下式计算:其中No 连墙件约束脚手架平面外变形所产生的轴向力;取No=5 kN Nlw 风荷载产生的连墙件轴向力设计值Nlw=0 kN经计算得到:连墙件轴向力计算值Nl=0+5=5 kN(3)、连墙件轴向力设计值其中:φ轴心受压立杆的稳定系数,由长细比λ查表得到φ=0.949A 立杆净截面面积 A = 4.89 cm2[f] 钢管的强度设计值[f] = 205 N/mm2经过计算得到Nf=0.949×(4.89×100)×205÷1000=95.13 kN长细比λ计算:其中: l 计算长度l = 0.3 mI 钢管回转半径I = 1.58 cm经过计算,立杆的长细比λ=0.3×100÷1.58=19计算结果:连墙件轴向力计算值小于等于连墙件的轴向力设计值;满足要求连墙件轴向力计算值小于等于扣件抗滑承载力8 kN,满足要求七、联梁计算:无联梁八、悬挑梁受力计算:1、悬挑梁所受集中荷载计算其中P 脚手架立杆传递的集中荷载P=3.02 kN经过计算: F = 3.02 kN2、挑梁最大弯矩其中: F 悬挑梁受的集中荷载F=3.02 kNlb 脚手架横距lb=0.7 mb 脚手架排架距墙距离b=0.3 mq 悬挑梁自重标准值q=0.237 kN/ml 悬挑梁梁上支撑点距墙固支点距离l=1 m经过计算: M=3.02×0.7×0.3^2×(3-0.3÷1)÷(2×1^2)+0.237×1^2×9÷128=0.27 kN.m3、锚固点的最大支座力其中: F 悬挑梁受的集中荷载F=3.02 kNlb 脚手架横距lb=0.7 mb 脚手架排架距墙距离b=0.3 mq 悬挑梁自重标准值q=0.237 kN/ml 悬挑梁梁上支撑点距墙固支点距离l=1 m经过计算: Rp=3.02×0.3^2×(3-0.3÷1)÷(2×1^2)+0.237×1×3÷8=3.48 kN4、固支点的最大支座力其中: F 悬挑梁受的集中荷载F=3.02 kNlb 脚手架横距lb=0.7 mb 脚手架排架距墙距离b=0.3 mq 悬挑梁自重标准值q=0.237 kN/ml 悬挑梁梁上支撑点距墙固支点距离l=1 m经过计算: RO=3.02×0.7×(3-÷1^2)÷(2×1)+0.237×1×5÷8=2.8 kN5、支杆的轴向力计算其中: Rp 支撑点的最大支座力Rp = 3.48 kNα支杆(拉绳)与悬挑梁夹角α= 0 度经过计算: T = 3.48÷sin(0) = 0 kN6、悬挑梁轴向力计算其中: Rp 支撑点的最大支座力Rp = 3.48 kNα支杆(拉绳)与悬挑梁夹角α= 0 度经过计算: N = 3.48÷tg(0) = 0 kN九、悬挑梁挠度计算:悬挑梁有支撑或拉绳时,不用计算悬挑梁的挠度.十、悬挑梁强度计算1、悬挑梁型钢截面应力计算其中: A 截面面积 A = 30.756 cm2W 截面抵抗矩W = 185 cm3M 挑梁最大弯矩M = 0.27 kN.mN 悬挑梁所受轴向力N = 0 kN经过计算: σ= 1000000×0.27÷(1.05×1000×185)+1000×0÷(100×30.756) = 1.39 N/mm2型钢截面应力小于等于钢材强度设计值205 N/mm2,故满足要求十一、悬挑梁整体稳定性计算其中: W 截面抵抗矩W = 185 cm3M 挑梁最大弯矩M =0.27 kN.mφb 型钢整体稳定系数型φb = 0.93经过计算: σ= 0.27×1000000÷(185×0.93×1000) = 1.57 N/mm2悬挑梁整体稳定性小于等于钢材强度设计值205 N/mm2,故满足要求十二、悬挑梁与建筑物连接的焊缝计算1、焊缝的正应力其中: t 焊缝厚度t = 9.5 mmlw 悬挑梁与建筑物连接的焊缝长度lw = 180 mmN 悬挑梁所受轴向力N = 0 kN经过计算: σ= 0×1000÷((180-2×9.5)×9.5) = 0 N/mm2焊缝的正应力参数错误2、焊缝的剪应力其中: t 焊缝厚度t = 9.5 mmlw 悬挑梁与建筑物连接的焊缝长度lw = 180 mmN 固支点的最大支座力N = 2.8 kN经过计算: τ= 2.8×1000÷((180-2×9.5)×9.5) = 1.83 N/mm2焊缝的剪应力小于等于焊缝抗剪强度设计值120 N/mm2,故满足要求3、焊缝的折算应力其中: σ焊缝的正应力σ= 0 N/mm2τ焊缝的剪应力τ= 1.83 N/mm2经过计算: f = sqrt(0^2+3×1.83^2) =0 N/mm2焊缝的折算应力小于等于焊缝折算应力设计值160×1.1=176 N/mm2,故满足要求十三、支撑杆计算1、支杆长细比计算λ= l/i = 0÷0 = 0支杆的稳定系数φ根据支杆长细比λ查表取: 1V .. .... . . 资 料. . 2、支杆的稳定性计算其中: N 支杆轴向力 N = 0 kNA 支杆净截面面积 A = 0 cm2φ 支杆的稳定系数 φ = 1经过计算: σ = (0×1000)÷(1×0×100) = 0 N/mm2支杆的稳定性小于等于支杆抗压强度设计值 205 N/mm2,故满足要求3、对接焊缝强度计算其中: N 挑梁支点最大支座力 N = 3.48 kNlw 焊缝长度,取支撑钢管周长 lw = 0 mmt 焊缝厚度,取支撑钢管壁厚 t = 0 mm经过计算: σ = 3.48×1000÷(0×0) = 0 N/mm2对接焊缝强度小于等于焊缝抗压强度设计值 205 N/mm2,故满足要求。
悬挑式脚手架的计算书一、工程概况 (1)二、荷载分析和取值 (2)三、验算项目和参考依据 (2)四、参考依据 (2)五、横向水平杆抗弯强度验算 (2)5.1构件产生的等效线荷载 (3)5.2施工活荷载产生的等效活荷载 (3)5.3检验抗弯强度 (4)六、小横杆的挠度变形验算 (4)七、.直角扣件抗滑承载力验算 (4)八、立杆稳定性验算: (4)8.1恒荷载产生轴力: (5)8.2施工活荷载产生轴力标准值: (6)8.3各杆件轴力设计值为: (6)九、工字钢的受弯承载力验算 (7)十、抗剪承载力验算 (9)十一、型钢挠度变形验算 (9)十二、工字钢构件受弯整体稳定验算 (9)十三、受压翼缘局部受压稳定性 (10)十四、腹板局压稳定性 (11)一、工程概况本工程采用悬挑式脚手架悬挑层在3层、8层、13层、18层位置悬挑,悬挑高度:18.9米、16.8米、16.8米、21米。
工字钢采用18号共计112个悬挑点,地锚采用Ф20圆钢,架体采用三排的设计,立杆间距1.5m,横杆间距0.90m,步距为1.8m,小横杆间距为1.5m,连墙点每层都设置,采用3m钢管拉接,间距为3m,周长182m。
荷载验算以18层至屋顶的一段。
二、荷载分析和取值恒荷载:脚手架自重、脚手板自重(0.35kN/㎡)。
钢管单位长度重量0.0384kN/m 活荷载:施工活荷载(3.0kN/㎡);风荷载(基本风压:0.6kN/㎡)。
C30混凝土抗剪强度1.43 MPa每个埋件抗剪承载力75504N三、验算项目和参考依据3.1.横向水平杆抗弯强度验算?3.2.横向水平杆的挠度变形是否满足要求?3.3.横向水平杆与立杆连接直角扣件抗滑承载力验算?3.4立杆稳定性验算?3.5.工字钢的正截面受弯承载力验算?3.6工字钢受剪承载力验算?3.7工字钢的挠度验算?3.8工字钢受弯稳定性验算?3.9局部受压稳定性3.10腹板局压稳定性四、参考依据4.1《建筑施工扣件式钢管脚手架安全技术规范JGJ130-2001》4.2《钢结构设计规范》五、横向水平杆抗弯强度验算纵横杆的水平杆的抗弯强度,分析小横杆的受力(立杆间距l=1.5m)根据公式:σ=M/W≤f其中:M:弯矩设计值,M=1.2M GK+1.4ΣM QKM GK:架体恒荷载(架体自重+脚手板自重)产生的弯矩M QK:施工荷载产生的弯矩W :界面模量,选用48mm*3.5钢管,查表得W=5.08cm3=5080mm3f :钢材的抗弯强度设计值将小横杆受力模型,可理解为两跨连续梁构件计算模型如下图:图4.1.1 小横杆受力简图5.1构件产生的等效线荷载验算构件受力由均布荷载换算为线荷载脚手板自重+钢管自重在小横杆上产生的等效线荷载:q=0.35 kN /㎡×1.5m +0.0384 kN/m =0.5634 kN/m采用力矩分配法得到两跨弯矩值和跨中弯矩值为1M =0,M 2支座=-0.04kN m ⋅, M 2跨中=0.04kN m ⋅支座反力R 1恒=0.055kN, R 2恒=0.528 kN R 3恒=0.206 kN5.2施工活荷载产生的等效活荷载施工荷载的线荷载:q=3.02/kN m ×1.5m=4.5kN/m力矩分配法计算得两跨弯矩值和跨中弯矩值为:M 1跨中=0.096kN m ⋅, M 2支座=-0.382kN m ⋅, M 2跨中=0.285kN m ⋅R 1活=1.235kN, R 2活=5.214kN R 2活=1.6 kN5.3检验抗弯强度M=1.2×M2支座+1.4×M2支座max=1.2×0.04+1.4×0.382=0.5828kN m⋅⋅=582800kN mm通过查表得:W=5.08cm3 =5080mm3σ=M/W=582800/5080=114.7 N/mm2<f=205 N/mm2通过上述计算:横向水平杆满足杆件的抗弯强度。
5.脚手架设计计算说明书:(1).荷载计算:①操作层荷载计算:根据《建筑安装工人安全技术操作规程》第50条规定,脚手架上操作层附架荷载不得大于2700N/m2,考虑动力系数1.2,超载系数2,脚手架自身重荷为300N/m2。
操作层附架荷载W1=2×1.2×(2700+300)=7200N/m2②非操作层荷载计算:钢管理论重荷为38.4N/m,扣件重荷按10N/个计算,剪刀撑长度近似按对角支撑的长度计算:L=√1.42+1.42=1.98m每跨脚手架面积:S=1.4×1.5=2.1m2非操作层每层荷载W2=[(1.4×2+1.4×2+1.5+1.98×2)×38.4×1.3+10×4]/2.1=282N/m2(2).大横杆荷载计算:①正应力:σ=M max/W n≤mf (φ48×3.5钢管:W n=5.08×103mm3 m=0.85)M max按三跨连续梁计算,M max=2.7×1.42×0.007+0.3×1.42×0.100=0.68 KNmσ=0.68×106/5.08×103=133.5 N/mm2<205×0.85=174.25 N/mm2②剪应力:V max按三跨连续梁计算:V max=(2.7×0.617+0.3×0.6)×1.4=2.58 KNτ=2.0×2.58×103/489=10.56 N/mm2<125×0.85=106.25 N/mm2(3).小横杆荷载计算:①正应力:M max当小横杆伸臂小于0.4L时按跨中最大弯距计算,M max=qa2/8=(2.7+0.3)×1.52/8=0.84 KNmσ=0.84×106/5.08×103=165 N/mm2<205×0.85=174.25 N/mm2②剪应力:V max按支座剪力计算:V max=(2.7+0.3)×1.5/2=2.25 KNτ=2.0× 2.25×103/489=9.2 N/mm2<125×0.85=106.25 N/mm2(4).脚手板荷载计算:①正应力:M max按简支梁计算,M max=2.7×1.42/8=0.66 KNmσ=0.66×106/5.08×103=130 N/mm<205×0.85=174.25 N/mm②剪应力:V max按简支梁计算:V max=2.7×1.4×1.5/2=2.84 KNτ=2.0× 2.84×103/489=11.6 N/mm2<125×0.85=106.25 N/mm2(5).立杆荷载计算:①强度:σ=N/A≤mfσ=(2.7×1.4×1.5+0.3×1.4×1.5)×103/4.89×102=12.88 N/mm2<205×0.85=106.25 N/mm2②稳定性:σ=N/∮Aσ=(2.7×1.4×1.5+0.3×1.4×1.5)×103/0.277×4.89×102=56.76 N/mm2<205×0.85=106.25 N/mm2 (6).安装高度计算:立杆设计荷载为:N=An{fy+(y+1)σ/2-√[fy+(y+1)σ/2]2-fyσ}=4.89×102/2{170+(1+0.12)×269/2-√{[170+(1+0.12)×269/2]2-170×269}}=33.3 KN假设操作层为三层,安装层数按下式计算:S(3W1+W2×n)=33.3 KNS为每根立杆受荷面积:S=1.4×1.4/2=0.98 m2n =33300-3×7200×0.98/2×282×0.98=21.95计算安装高度:h=1.4×21.95=30.73 m安全系数 K=1+48.8/200=1.25实际安装高度为 30.73/1.25=24.58 m根据施工具体情况,安装高度定为21m,即每隔七层挑出一道工字钢。
悬挑式扣件钢管脚手架计算书钢管脚手架的计算参照《建筑施工扣件式钢管脚手架安全技术规范》(JGJ130-2011)。
计算参数:双排脚手架,搭设高度17.4米,立杆采用单立管。
立杆的纵距1.50米,立杆的横距0.60米,内排架距离结构0.40米,立杆的步距1.45米。
采用的钢管类型为48×3.0,连墙件采用2步3跨,竖向间距2.90米,水平间距4.50米。
施工活荷载为3.0kN/m2,同时考虑1层施工。
脚手板采用木板,荷载为0.35kN/m2,按照铺设2层计算。
栏杆采用木板,荷载为0.14kN/m,安全网荷载取0.0050kN/m2。
脚手板下小横杆在大横杆上面,且主结点间增加一根小横杆。
基本风压0.35kN/m2,高度变化系数0.8400,体型系数1.1340。
悬挑水平钢梁采用[16b号槽钢U口水平,其中建筑物外悬挑段长度1.10米,建筑物内锚固段长度1.90米。
悬挑水平钢梁采用悬臂式结构,没有钢丝绳或支杆与建筑物拉结。
一、小横杆的计算小横杆按照简支梁进行强度和挠度计算,小横杆在大横杆的上面。
按照小横杆上面的脚手板和活荷载作为均布荷载计算小横杆的最大弯矩和变形。
1.均布荷载值计算小横杆的自重标准值 P1=0.038kN/m脚手板的荷载标准值 P2=0.350×1.500/2=0.262kN/m活荷载标准值 Q=3.000×1.500/2=2.250kN/m荷载的计算值 q=1.2×0.038+1.2×0.262+1.4×2.250=3.511kN/m小横杆计算简图2.抗弯强度计算最大弯矩考虑为简支梁均布荷载作用下的弯矩计算公式如下:M=3.511×0.6002/8=0.158kN.m=0.158×106/4491.0=35.181N/mm2小横杆的计算强度小于205.0N/mm2,满足要求!3.挠度计算最大挠度考虑为简支梁均布荷载作用下的挠度计算公式如下:荷载标准值q=0.038+0.262+2.250=2.551kN/m简支梁均布荷载作用下的最大挠度V=5.0×2.551×600.04/(384×2.06×105×107780.0)=0.194mm小横杆的最大挠度小于600.0/150与10mm,满足要求!二、大横杆的计算大横杆按照三跨连续梁进行强度和挠度计算,小横杆在大横杆的上面。
用小横杆支座的最大反力计算值,在最不利荷载布置下计算大横杆的最大弯矩和变形。
1.荷载值计算小横杆的自重标准值 P1=0.038×0.600=0.023kN脚手板的荷载标准值 P2=0.350×0.600×1.500/2=0.157kN活荷载标准值 Q=3.000×0.600×1.500/2=1.350kN荷载的计算值 P=(1.2×0.023+1.2×0.157+1.4×1.350)/2=1.053kN大横杆计算简图2.抗弯强度计算最大弯矩考虑为大横杆自重均布荷载与荷载的计算值最不利分配的弯矩和均布荷载最大弯矩计算公式如下:集中荷载最大弯矩计算公式如下:M=0.08×(1.2×0.038)×1.5002+0.175×1.053×1.500=0.285kN.m=0.285×106/4491.0=63.414N/mm2大横杆的计算强度小于205.0N/mm2,满足要求!3.挠度计算最大挠度考虑为大横杆自重均布荷载与荷载的计算值最不利分配的挠度和均布荷载最大挠度计算公式如下:集中荷载最大挠度计算公式如下:大横杆自重均布荷载引起的最大挠度V1=0.677×0.038×1500.004/(100×2.060×105×107780.000)=0.06mm集中荷载标准值P=0.023+0.157+1.350=1.531kN集中荷载标准值最不利分配引起的最大挠度V1=1.146×1530.540×1500.003/(100×2.060×105×107780.000)=2.67mm最大挠度和V=V1+V2=2.726mm大横杆的最大挠度小于1500.0/150与10mm,满足要求!三、扣件抗滑力的计算纵向或横向水平杆与立杆连接时,扣件的抗滑承载力按照下式计算(规范5.2.5):R ≤R c其中 R c——扣件抗滑承载力设计值,取8.0kN;R ——纵向或横向水平杆传给立杆的竖向作用力设计值;1.荷载值计算横杆的自重标准值 P1=0.038×1.500=0.058kN脚手板的荷载标准值 P2=0.350×0.600×1.500/2=0.157kN活荷载标准值 Q=3.000×0.600×1.500/2=1.350kN荷载的计算值 R=1.2×0.058+1.2×0.157+1.4×1.350=2.148kN单扣件抗滑承载力的设计计算满足要求!当直角扣件的拧紧力矩达40--65N.m时,试验表明:单扣件在12kN的荷载下会滑动,其抗滑承载力可取8.0kN;双扣件在20kN的荷载下会滑动,其抗滑承载力可取12.0kN;四、脚手架荷载标准值作用于脚手架的荷载包括静荷载、活荷载和风荷载。
静荷载标准值包括以下内容:(1)每米立杆承受的结构自重标准值(kN/m);本例为0.1195N G1 = 0.120×17.400=2.079kN(2)脚手板的自重标准值(kN/m2);本例采用木脚手板,标准值为0.35N G2 = 0.350×2×1.500×(0.600+0.400)/2=0.525kN(3)栏杆与挡脚手板自重标准值(kN/m);本例采用栏杆、木脚手板标挡板,准值为0.14N G3 = 0.140×1.500×2/2=0.210kN(4)吊挂的安全设施荷载,包括安全网(kN/m2);0.005N G4 = 0.005×1.500×17.400=0.130kN经计算得到,静荷载标准值 N G = N G1+N G2+N G3+N G4 = 2.945kN。
活荷载为施工荷载标准值产生的轴向力总和,内、外立杆按一纵距内施工荷载总和的1/2取值。
经计算得到,活荷载标准值 N Q = 3.000×1×1.500×0.600/2=1.350kN风荷载标准值应按照以下公式计算其中 W0——基本风压(kN/m2),按照《建筑结构荷载规范》(GB50009-2001)附录表D.4的规定采用:W0 = 0.350U z——风荷载高度变化系数,按照《建筑结构荷载规范》(GB50009-2001)附录表7.2.1的规定采用:U z = 0.840U s——风荷载体型系数:U s = 1.134经计算得到,风荷载标准值W k = 0.7×0.350×0.840×1.134 = 0.233kN/m2。
考虑风荷载时,立杆的轴向压力设计值计算公式N = 1.2N G + 0.85×1.4N Q经过计算得到,底部立杆的最大轴向压力N=1.2×2.945+0.85×1.4×1.350=5.140kN不考虑风荷载时,立杆的轴向压力设计值计算公式N = 1.2N G + 1.4N Q经过计算得到,底部立杆的最大轴向压力N=1.2×2.945+1.4×1.350=5.423kN风荷载设计值产生的立杆段弯矩 M W计算公式M W = 0.85×1.4W k l a h2/10其中 W k——风荷载标准值(kN/m2);l a——立杆的纵距 (m);h ——立杆的步距 (m)。
经过计算得到风荷载产生的弯矩 M w=0.85×1.4×0.233×1.500×1.450×1.450/10=0.088kN.m五、立杆的稳定性计算1.不考虑风荷载时,立杆的稳定性计算其中 N ——立杆的轴心压力设计值,N=5.423kN;i ——计算立杆的截面回转半径,i=1.60cm;k ——计算长度附加系数,取1.155;u ——计算长度系数,由脚手架的高度确定,u=1.500;l0——计算长度 (m),由公式 l0 = kuh 确定,l0=1.155×1.500×1.450=2.512m;A ——立杆净截面面积,A=4.239cm2;W ——立杆净截面模量(抵抗矩),W=4.491cm3;——由长细比,为2512/16=158;——轴心受压立杆的稳定系数,由长细比 l0/i 的结果查表得到0.284;——钢管立杆受压强度计算值 (N/mm2);经计算得到=5423/(0.28×424)=45.068N/mm2;[f] ——钢管立杆抗压强度设计值,[f]=205.00N/mm2;不考虑风荷载时,立杆的稳定性计算 < [f],满足要求!2.考虑风荷载时,立杆的稳定性计算其中 N ——立杆的轴心压力设计值,N=5.140kN;i ——计算立杆的截面回转半径,i=1.60cm;k ——计算长度附加系数,取1.155;u ——计算长度系数,由脚手架的高度确定,u=1.500;l0——计算长度 (m),由公式 l0 = kuh 确定,l0=1.155×1.500×1.450=2.512m;A ——立杆净截面面积,A=4.239cm2;W ——立杆净截面模量(抵抗矩),W=4.491cm3;——由长细比,为2512/16=158;——轴心受压立杆的稳定系数,由长细比 l0/i 的结果查表得到0.284;M W——计算立杆段由风荷载设计值产生的弯矩,M W=0.088kN.m;——钢管立杆受压强度计算值 (N/mm2);经计算得到=5140/(0.28×424)+88000/4491=62.214N/mm2;[f] ——钢管立杆抗压强度设计值,[f]=205.00N/mm2;考虑风荷载时,立杆的稳定性计算 < [f],满足要求!六、连墙件的计算连墙件的轴向力计算值应按照下式计算:N l = N lw + N o其中 N lw——风荷载产生的连墙件轴向力设计值(kN),应按照下式计算:N lw = 1.4 × w k× A ww k——风荷载标准值,w k = 0.233kN/m2;A w——每个连墙件的覆盖面积内脚手架外侧的迎风面积,A w = 2.90×4.50 =13.050m2;N o——连墙件约束脚手架平面外变形所产生的轴向力(kN);N o = 5.000经计算得到 N lw = 4.264kN,连墙件轴向力计算值 N l = 9.264kN连墙件轴向力设计值 N f = A[f]其中——轴心受压立杆的稳定系数,由长细比 l/i=40.00/1.60的结果查表得到=0.93;A = 4.24cm2;[f] = 205.00N/mm2。