型钢悬挑脚手架(阳角B)计算书2014
- 格式:doc
- 大小:314.50 KB
- 文档页数:23
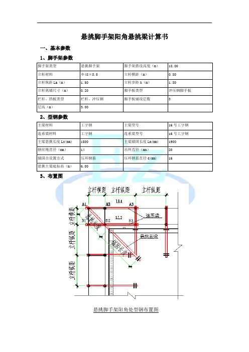
悬挑脚手架阳角悬挑梁计算书一、基本参数1、脚手架参数2、型钢参数3、布置图悬挑脚手架阳角处型钢布置图二、立杆计算1、荷载计算挡风系数Glk k(2)构配件自重NG2k=0.54+0.72+0.27=1.53kN 其中:脚手板重量:3×1.50×0.40×0.30=0.54kN 栏杆、挡脚板重量:3×1.50×0.16=0.72kN安全网重量:18.00×1.50×0.01=0.27kN (3)活荷载包括:a.施工荷载NQk=1.50×0.40×(3.00+2.00)=3.00kNb.风荷载标准值计算水平风荷载标准值ωk =μzμsω=0.65×1.040×0.30=0.20kN/m2由风荷载设计值产生的立杆段弯矩:M W =0.9×1.4Mωk=0.9×1.4ωk L a h2/10=0.9×1.4×0.20×1.50×1.802/10=0.12kN·mm=120000N·mm2、立杆长细比验算立杆计算长度l=kμh=1.0×1.50×1.80=2.70m长细比λ=l/i=2.70103/15.80=171≤210立杆长细比λ=171.00<210,满足要求。
3、轴心受压构件的稳定系数计算立杆计算长度l=kμh=1.155×1.50×1.80=3.12m长细比λ=l/i=3.12×103/15.80=197查《规范》表A得,υ=0.1864、立杆稳定性验算1)不组合风荷载时N 1=1.2(NGlk+ NG2k)+1.4ΣNQk=1.2×(2.25+1.53)+1.4×3.00=8.74kNN/(A)=8.74×1000/(0.186×489)=96.09 N/mm2 2)组合风荷载时N 1=1.2(NGlk+ NG2k)+0.9×1.4ΣNQk=1.2×(2.25+1.53)+0.9×1.4×3.00=8.32kNN/(A)+MW/W=8.32×1000/(0.186×489)+120000/5080=115.10N/mm2 立杆稳定性为=115.10N/mm2<f=205N/mm2,满足要求。
省机械工业技术学院汽车大厦工程悬挑钢管脚手架施工方案编制;审核:审批:省第三工程2014年8月10日目录第一章:施工概况---------------------------------1第二章:编制依据---------------------------------4 第三章:施工方案与施工计划-----------------------5 第一节:方案选择-----------------------------------5第二节:施工计划----------------------------------12第四章:施工工艺--------------------------------15 第一节:技术参数----------------------------------15第二节:工艺流程----------------------------------16第三节:构造要求----------------------------------17第四节:悬挑脚手架特殊部位处理--------------------26第五节:检查与验收--------------------------------31第五章:安全保障措施----------------------------40 第一节:组织保障措施------------------------------40第二节:技术保障措施------------------------------43第三节:预防监控与应急救援------------------------48第六章:劳动力计划------------------------------64 第七章:计算书与图纸----------------------------65 第一节:计算说明---------------------------------65第二节:悬挑脚手架典型位置计算-------------------65第三节:悬挑脚手架阳角位置计算-------------------70第四节:其他需协助验算处理的问题-----------70第一章:工程概况第一节:工程概况一、设计概况1、本工程位于市机械工业技术学院校,为省工业机械技术学院汽车大厦1#、2#楼。
型钢悬挑脚手架(阳角B)计算书计算依据:1、《建筑施工扣件式钢管脚手架安全技术规范》JGJ130-20112、《建筑结构荷载规范》GB50009-20123、《钢结构设计规范》GB50017-2003一、基本参数1、基本参数阳角处主梁悬挑方式联梁悬挑主梁离地高度(m) 35 建筑物阳角处角度β90 立杆纵距l a(m) 1.5 梁/楼板混凝土强度等级C302、立杆荷载参数1、主梁布置参数主梁自内锚固点伸出长度主梁号内锚固点坐标x(m).y(m) 角度α(度)主梁锚固方式L(m)1 0.6,-0.6 135 2.645 压环钢筋2 0.8,-0.6 122.005 2.25 压环钢筋3 1,-0.7 90 2 压环钢筋平面图2、主梁锚固参数主梁1锚固图主梁2锚固图主梁3锚固图三、联梁验算联梁材料类型 工字钢 联梁材料规格16号工字钢 联梁截面积A(cm 2) 26.1 联梁截面惯性矩I x (cm 4) 1130 联梁截面抵抗矩W x (cm 3)141联梁自重标准值g k (kN/m)0.205 联梁材料抗弯强度设计值[f](N/mm 2) 205联梁材料抗剪强度设计值[τ](N/mm 2)125联梁弹性模量E(N/mm 2)2060001、第一排立杆处的联梁计算 计算简图如下:q=1.2×g k=1.2×0.205=0.246kN/mq'=g k=0.205kN/mR=F1=10.87kNR'=F1'=8.66kN1)抗弯验算σ=M max/W=1.377×106/(141×103)=9.766 N/mm2≤[f]=205 N/mm2 满足要求!2)抗剪验算τmax=V max/(8I zδ)[bh02-(b-δ)h2]=10.606×1000×[88×1602-(88-6)×140.22]/(8×11300000×6)=12.5 34N/mm2≤[τ]=125N/mm2满足要求!3)挠度验算νmax=0.044 mm≤[ν]=l a/250=1500/250=6mm满足要求!4)支座反力计算正常使用极限状态下:R'1A=9.292kN;R'1B=-2.293kN;R'1C=10.387kN;R'1D=9.21kN;承载能力极限状态下:R1A=11.66kN;R1B=-2.881kN;R1C=13.018kN;R1D=11.552kN;2、第二排立杆处的联梁计算计算简图如下:q=1.2×g k=1.2×0.205=0.246kN/mq'=g k=0.205kN/mR=F1=10.87kNR'=F1'=8.66kN1)抗弯验算σ=M max/W=1.184×106/(141×103)=8.397 N/mm2≤[f]=205 N/mm2 满足要求!2)抗剪验算τmax=V max/(8I zδ)[bh02-(b-δ)h2]=10.493×1000×[88×1602-(88-6)×140.22]/(8×11300000×6)=12.4 01N/mm2≤[τ]=125N/mm2满足要求!3)挠度验算νmax=0.069 mm≤[ν]=l a/250=1500/250=6mm满足要求!4)支座反力计算正常使用极限状态下:R'2A=8.889kN;R'2B=7.775kN;R'2C=9.476kN;R'2D=9.3kN;承载能力极限状态下:R2A=11.154kN;R2B=9.747kN;R2C=11.873kN;R2D=11.665kN;四、一号主梁验算1、主梁验算q'=g k=0.205kN/m第一排立杆处:P1' =2(R'1A-F1')+F1'=2×(9.292-8.66)+8.66=9.924kN;第二排立杆处:P2' =2(R'2A-F2')+F2'=2×(8.889-8.66)+8.66=9.118kN;荷载设计值:q=1.2×g k=1.2×0.205=0.246kN/m第一排立杆处:P1 =2(R1A-F1)+F1=2×(11.66-10.87)+10.87=12.45kN;第二排立杆处:P2 =2(R2A-F2)+F2=2×(11.154-10.87)+10.87=11.438kN;计算简图如下:1)抗弯验算σ=M max/W=3.059×106/(141×103)=21.695 N/mm2≤[f]=205 N/mm2满足要求!2)抗剪验算τmax=V max/(8I zδ)[bh02-(b-δ)h2]=10.505×1000×[88×1602-(88-6)×140.22]/(8×11300000×6)=12.4 15N/mm2≤[τ]=125N/mm2满足要求!3)挠度验算νmax=0.237 mm≤[ν]=2l/360=2×1938/360=10.767mm满足要求!4)支座反力计算R1=-4.239kN;R2=14.918kN;R3=13.86kN;2、支撑杆件设置支撑点号支撑方式材料类型距主梁外锚固点水平距离(mm)支撑件上下固定点的垂直距离n(mm)支撑件上下固定点的水平距离m(mm)是否参与计算1 上拉钢丝绳1838 2800 1738 是2 下撑槽钢1938 2800 1838 否3、上拉杆件验算钢丝绳绳卡作法上拉杆件角度计算:α1=arctan(n1/m1)= arctan(2800/1738)=58.172°上拉杆件支座力:R S1=R3=13.86kN主梁轴向力:N SZ1= R S1/tanα1=13.86/tan(58.172°)=8.603kN上拉杆件轴向力:N S1= R S1/sinα1=13.86/sin(58.172°)=16.313kN上拉杆件的最大轴向拉力:N S=max[N S1] =16.313kN查表得,钢丝绳破断拉力总和:F g=221.5kN[F g]=α×F g/k=0.85×221.5/8=23.534kN≥N S=16.313kN符合要求!绳夹数量:n=1.667[Fg]/(2T)=1.667×23.534/(2×15.19)=2个≤[n]=3个符合要求!花篮螺栓验算:σ=[F g]/(π×d e2/4)=23.534×103/(π×202/4)=74.911N/mm2≤[ft]=170N/mm2符合要求!拉环验算:σ =[F g]/(2A)=2[F g]/πd2=2×23.534×103/(π×202)=37.456N/mm2≤[f]=65N/mm2注:[f]为拉环钢筋抗拉强度,按《混凝土结构设计规范》9.7.6 每个拉环按2个截面计算的吊环应力不应大于65N/mm2符合要求!拉环详图(主梁为工字钢)角焊缝验算:σf=N S/(h e×l w)=16.313×103/(10×100)=16.313N/mm2≤βf f t w=1.22×160=195.2N/mm2 正面角焊缝的强度设计值增大系数βf=1.22符合要求!4、悬挑主梁整体稳定性验算主梁轴向力:N =N sz1 =8.603kN压弯构件强度:σmax=M max/(γW)+N/A=3.059×106/(1.05×141000)+8.603/2610=20.665N/mm2≤[f]=205N/mm2满足要求!受弯构件整体稳定性分析:其中υb -- 均匀弯曲的受弯构件整体稳定系数:查表《钢结构设计规范》(GB50017-2003)得,υb=1.6由于υb大于0.6,根据《钢结构设计规范》(GB50017-2003)附表B,得到υb值为0.894。
型钢悬挑脚手架(阳角B)计算书计算依据:1、《建筑施工扣件式钢管脚手架安全技术规范》JGJ130-20112、《建筑结构荷载规范》GB50009-20123、《钢结构设计规范》GB50017-2003一、基本参数1、基本参数平面图三、主梁验算1、1号主梁验算1号主梁图荷载标准值:q'=g k=0.205kN/m第一排立杆处:P1' =F1'=9kN;第二排立杆处:P2' =F2'=9kN;荷载设计值:q=1.2×g k=1.2×0.205=0.246kN/m第一排立杆处:P1 =F1=11.4kN;第二排立杆处:P2 =F2=11.4kN;计算简图如下:1)抗弯验算σ=M max/W=2.943×106/(141×103)=20.872 N/mm2≤[f]=215 N/mm2满足要求!2)抗剪验算V max=11.505kNτmax=V max/(8I zδ)[bh02-(b-δ)h2]=11.505×1000×[88×1602-(88-6)×140.22]/(8×11300000×6)=13.5 97N/mm2≤[τ]=125N/mm2满足要求!3)挠度验算νmax=0.111 mm≤[ν]=2l/360=2×1727/360=9.594mm 满足要求!4)支座反力计算设计值:R1=-0.381kN;R2=6.8kN;R3=17.119kN;标准值:R'1=-0.296kN;R'2=5.385kN;R'3=13.526kN;2、支撑杆件设置钢丝绳绳夹型式 马鞍式 拴紧绳夹螺帽时螺栓上所受力T(kN) 15.19钢丝绳绳夹数量n3花篮螺栓在螺纹处的有效直径de(mm) 14 花篮螺栓抗拉强度设计值[ft](N/mm 2) 170连接板与建筑物连接形式 预埋锚筋 吊耳板厚S(mm) 12 吊耳板宽LDP(mm) 120 吊耳板高L(mm) 200 吊耳板圆周外半径R(mm) 60 吊孔直径D(mm)25 吊耳板许用拉应力[σ](N/mm 2)205吊耳板许用剪应力[τ](N/mm 2)125上拉杆件角度计算:α1=arctan(n 1/m 1)= arctan(3000/1450)=64.204° 上拉杆件支座力: 设计值:R S1=R 3=17.119kN 标准值:R'S1=R'3=13.526kN由上拉钢丝绳(杆件)作用造成的主梁轴向力: N SZ1= R S1/tanα1=17.119/tan(64.204°)=8.274kN 上拉钢丝绳(杆件)轴向力:设计值:N S1= R S1/sinα1=17.119/sin(64.204°)=19.014kN 标准值:N'S1= R'S1/sinα1=13.526/sin(64.204°)=15.023kN上拉钢丝绳(杆件)的最大轴向拉力标准值:N'S =max[N'S1] =15.023kN 上拉钢丝绳(杆件)的最大轴向拉力设计值:N S =max[N S1] =19.014kN 查(《建筑施工计算手册》江正荣著 2001年7月第一版)表13-4、13-5、13-6得,钢丝绳破断拉力总和:F g =161.462kN由于脚手架所使用的钢丝绳应采用荷载标准值按容许应力法进行设计计算 [F g ]=α×F g /k=0.85×161.462/9=15.249kN≥N'S =15.023kN 符合要求!n=1.667[Fg]/(2T)=1.667×15.249/(2×15.19)=1个≤[n]=3个 符合要求! 花篮螺栓验算:σ=[F g ]/(π×d e 2/4)=15.249×103/(π×142/4)=99.059N/mm 2≤[ft]=170N/mm 2符合要求!吊耳板计算:吊耳板吊耳板吊索方向的最大拉应力:σL= N S/(S(2R-D))= 19.014×103/(12×(2×60-25))=16.679N/mm2≤[σ]=205N/mm2符合要求!吊耳板吊索方向的最大剪应力:τL= N S/(S(2R-D))= 19.014×103/(12×(2×60-25))=16.679N/mm2≤[τ]=125N/mm2符合要求!4、悬挑主梁整体稳定性验算主梁轴向力:N =N sz1 =8.274kN压弯构件强度:σmax=M max/(γW)+N/A=2.943×106/(1.05×141000)+8.274×103/2610=23.049N/mm2≤[f]=215N/mm2满足要求!受弯构件整体稳定性分析:其中φb -- 均匀弯曲的受弯构件整体稳定系数:查表《钢结构设计规范》(GB50017-2003)得,φb=1.3由于φb大于0.6,根据《钢结构设计规范》(GB50017-2003)附表B,得到φb值为0.853。
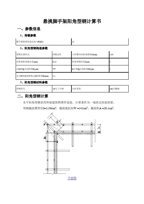
悬挑脚手架阳角型钢计算书一、参数信息1、荷载参数2、阳角型钢构造参数3、阳角型钢材料参数二、阳角型钢计算水平阳角型钢采用焊接建筑物埋件连接,计算条件为一端固支的连续梁。
型钢截面惯性矩I=1130cm4,截面抵抗矩W =141cm3,截面积A =26.1cm2。
平面图侧面图1、型钢受力计算脚手架联梁传递支座力F=12kN;水平钢梁自重荷载q=1.2×20.5×9.8×10-3=0.241 kN/m 经过连续梁的计算得到剪力图(kN)弯矩图(kN·m)型钢支点的支撑力为R A=11.954kN;型钢固接处的支撑力为R B=13.251kN;型钢最大弯矩M max=4.37kN·m;图中距离|MP|=(D1×D1+D2×D2+D3×D3+1.414×D2×D3)1/2=(3.9×3.9+1×1+2.1×2.1+1.4142×1×2.1)1/2 =4.86m图中角度<MPQ=arcsin(3.900/4.857)=53.416°图中角度<OPQ=arctan(0.707×1.000 /(2.100 + 0.707× 1.000))=14.137°每根支杆的压力T=11.954/2/sin(53.416°)=7.443kN水平型钢的轴向力N=2×7.443×cos(53.416°)×cos(25.463°)=8.011kN型钢最大应力计算值σ=M max/(1.05W)+N/A=4.37×106/(1.05×141×103)+8.011×103/(26.1×102)=32.585N/mm2 型钢的最大应力计算值σ= 32.585 N/mm2≤[f]=215 N/mm2,满足要求!2、型钢整体稳定性计算水平型钢采用16号工字钢φb -- 均匀弯曲的受弯构件整体稳定系数,查表《钢结构设计规范》(GB50017-2003)附录B得到:φb=2由于φb大于0.6,查《钢结构设计规范》(GB50017-2003),得到φb'=1.07-0.282/φb = 1.07-0.282/2=0.929。
型钢悬挑脚手架(阳角B)计算书计算依据:1、《建筑施工扣件式钢管脚手架安全技术规范》JGJ130-20112、《建筑结构荷载规范》GB50009-20123、《钢结构设计规范》GB50017-2003一、基本参数1、基本参数1、主梁布置参数平面图2、主梁锚固参数主梁1锚固图主梁2锚固图主梁3锚固图三、一号主梁验算1、主梁验算q'=g k=0.205kN/m第一排立杆处:P1' =F1'=8kN;第二排立杆处:P2' =F2'=8kN;荷载设计值:q=1.2×g k=1.2×0.205=0.246kN/m第一排立杆处:P1 =F1=10.9kN;第二排立杆处:P2 =F2=10.9kN;计算简图如下:1)抗弯验算σ=M max/W=1.47×106/(141×103)=10.426 N/mm2≤[f]=205 N/mm2满足要求!2)抗剪验算τmax=V max/(8I zδ)[bh02-(b-δ)h2]=7.747×1000×[88×1602-(88-6)×140.22]/(8×11300000×6)=9. 155N/mm2≤[τ]=125N/mm2满足要求!3)挠度验算νmax=0.027 mm≤[ν]=2l/360=2×1893/360=10.517mm满足要求!4)支座反力计算R1=-0.821kN;R2=4.394kN;R3=12.313kN;R4=6.554kN;2、支撑杆件设置钢丝绳绳卡作法上拉杆件角度计算:α1=arctan(n1/m1)= arctan(3300/2200)=56.31°上拉杆件支座力:R S1=R3=12.313kN主梁轴向力:N SZ1= R S1/tanα1=12.313/tan(56.31°)=8.209kN上拉杆件轴向力:N S1= R S1/sinα1=12.313/sin(56.31°)=14.798kN上拉杆件的最大轴向拉力:N S=max[N S1] =14.798kN查表得,钢丝绳破断拉力总和:F g=151.5kN[F g]=α×F g/k=0.85×151.5/8=16.097kN≥N S=14.798kN符合要求!绳夹数量:n=1.667[Fg]/(2T)=1.667×16.097/(2×15.19)=1个≤[n]=3个符合要求!花篮螺栓验算:σ=[F g]/(π×d e2/4)=16.097×103/(π×122/4)=142.329N/mm2≤[ft]=170N/mm2符合要求!拉环验算:σ =[F g]/(2A)=2[F g]/πd2=2×16.097×103/(π×202)=25.619N/mm2≤[f]=65N/mm2注:[f]为拉环钢筋抗拉强度,按《混凝土结构设计规范》9.7.6 每个拉环按2个截面计算的吊环应力不应大于65N/mm2符合要求!拉环详图(主梁为工字钢)角焊缝验算:σf=N S/(h e×l w)=14.798×103/(10×100)=14.798N/mm2≤βf f t w=1.22×160=195.2N/mm2正面角焊缝的强度设计值增大系数βf=1.22符合要求!4、下撑杆件验算α1=arctan(n1/m1)= arctan(3300/3100)=46.79°下撑杆件支座力:R X1=R4=6.554kN主梁轴向力:N XZ1= R X1/tanα1=6.554/tan(46.79°)=6.157kN下撑杆件轴向力:N X1= R X1/sinα1=6.554/sin(46.79°)=8.992kN下撑杆件的最大轴向压力:N X=max[N X1] =8.992kN下撑杆长度:L1=(m12+n12)0.5= (31002+33002)0.5=4527.693下撑杆长细比:λ1=L1/i=4527.693/19.4=233.386查《钢结构设计规范》GB50017-2003表C得,φ1=0.156轴心受压稳定性计算:σ1 =N X1/(φ1A)=8992/(0.156×693)=83.176N/mm2≤f=205N/mm2符合要求!对接焊缝验算:σ=N X/(l w t)=8.992×103/A=8.992×103/693=12.975N/mm2≤f c w=185N/mm2符合要求!5、悬挑主梁整体稳定性验算主梁轴向力:N=N sz1-(N xz1)=2.052kN压弯构件强度:σmax=M max/(γW)+N/A=1.47×106/(1.05×141000)+2.052/2610=9.93N/mm2≤[f]=205N/mm2满足要求!受弯构件整体稳定性分析:其中φb -- 均匀弯曲的受弯构件整体稳定系数:查表《钢结构设计规范》(GB50017-2003)得,φb=1.6由于φb大于0.6,根据《钢结构设计规范》(GB50017-2003)附表B,得到φb值为0.894。
型钢悬挑脚手架(阳角)计算书.docx型钢悬挑脚手架(阳角)计算书一.引言本文档旨在对型钢悬挑脚手架(阳角)进行计算和评估,以确保其安全可靠性。
本文档包含了以下内容:设计依据、设计参数、受力分析及计算、构件选型、施工方案等。
二.设计依据1. 《建筑结构荷载规范》2. 《建筑结构设计通则》三.设计参数1. 脚手架工作高度:10m2. 预计荷载:2000kg/m23. 悬挑长度:3m4. 脚手架构件材料:Q235 钢四.受力分析及计算1. 根据荷载参数和悬挑长度,进行受力分析,计算脚手架各部件受力情况。
2. 分析阳角结构的受力情况,并进行计算。
五.构件选型1. 根据受力分析结果,选择合适的型钢构件作为悬挑脚手架(阳角)的支撑结构。
2. 根据实际情况进行施工方案的调整,并选择合适的构件进行搭建。
六.施工方案1. 根据设计要求和选型结果,制定详细的施工方案,包括构件的安装顺序、固定方式等。
2. 进行安全评估,确保施工过程中的安全性。
七.附件本文档所涉及的附件包括:型钢悬挑脚手架(阳角)的设计图纸、受力计算表格等。
八.法律名词及注释1. 《建筑结构荷载规范》:国家推行的对建筑结构荷载计算和设计的规范标准。
2. 《建筑结构设计通则》:国家对建筑结构设计的通用规范。
型钢悬挑脚手架(阳角)计算书一.简介本文档是对型钢悬挑脚手架(阳角)的计算书,主要包括以下内容:设计依据、设计参数、受力分析、构件选型、设计计算、施工方案等。
二.设计依据1. 《建筑结构荷载规范》:规定了建筑结构设计时应考虑的荷载标准。
2. 《建筑结构设计通则》:对建筑结构的设计原则和要求进行了规定。
三.设计参数1. 脚手架工作高度:10m2. 预计荷载:2000kg/m23. 悬挑长度:3m4. 脚手架构件材料:Q235 钢四.受力分析1. 根据设计参数进行受力分析,确定脚手架各个部件的受力情况。
2. 阳角结构的受力分析,分析其受力特点和承载能力。
型钢悬挑脚手架(阳角B)计算书计算依据:1、《建筑施工扣件式钢管脚手架安全技术规范》JGJ130-20112、《建筑结构荷载规范》GB50009-20123、《钢结构设计规范》GB50017-2003一、基本参数1、基本参数2、立杆荷载参数3、外排立杆纵距二、主梁布置及锚固参数平面图三、主梁验算1、1号主梁验算1号主梁图荷载标准值:q'=g k=0.205kN/m第一排立杆处:P1' =F1'=11.674kN;第二排立杆处:P2' =F2'=8.876kN;荷载设计值:q=1.2×g k=1.2×0.205=0.246kN/m第一排立杆处:P1 =F1=14.579kN;第二排立杆处:P2 =F2=11.221kN;计算简图如下:1)抗弯验算σ=M ma x/W=25.053×106/(141×103)=177.681 N/mm2≤[f]=215 N/mm2满足要求!2)抗剪验算V ma x=26.225kNτma x=V ma x/(8I zδ)[bh02-(b-δ)h2]=26.225×1000×[88×1602-(88-6)×140.22]/(8×1130 0000×6)=30.993N/mm2≤[τ]=125N/mm2满足要求!3)挠度验算νma x=12.89 mm≤[ν]=2l/250=2×1727/250=13.816mm满足要求!4)支座反力计算R1=-19.524kN;R2=46.062kN;2、悬挑主梁整体稳定性验算受弯构件整体稳定性分析:其中φb -- 均匀弯曲的受弯构件整体稳定系数:查表《钢结构设计规范》(GB50017-2003)得,φb=1.3由于φb大于0.6,根据《钢结构设计规范》(GB50017-2003)附表B,得到φb值为0.853。
型钢悬挑脚手架(扣件式)计算书(注:看好脚手架参数,别直接硬搬,参数可按照我的设置,然后直接套用,下面都有,然后直接把括号内的全部删掉就可以了)计算依据:1、《建筑施工扣件式钢管脚手架安全技术标准》T/CECS 699-20202、《建筑施工脚手架安全技术统一标准》GB51210-20163、《建筑施工扣件式钢管脚手架安全技术规范》JGJ130-20114、《建筑结构荷载规范》GB50009-20125、《钢结构设计标准》GB50017-20176、《混凝土结构设计规范》GB50010-2010架体验算一、脚手架参数结构脚手架荷载标准值G kjj(kN/m2) 3 地区辽宁沈阳市2) 0.4安全网设置全封闭基本风压ω0(kN/m0.555,0.51 风荷载体型系数μs 1.04 风压高度变化系数μz(连墙件、单立杆稳定性)0.231,0.212风荷载标准值ωk(kN/m2)(连墙件、单立杆稳定性)计算简图:立面图侧面图三、纵向水平杆验算纵、横向水平杆布置方式纵向水平杆在上横向水平杆上纵向水平杆根数n 0横杆抗弯强度设计值[f](N/mm2) 205 横杆截面惯性矩I(mm4) 107800 横杆弹性模量E(N/mm2) 206000 横杆截面抵抗矩W(mm3) 4490纵、横向水平杆布置承载能力极限状态q=1.3×(0.033+G kjb×l b/(n+1))+1.5×G k×l b/(n+1)=1.3×(0.033+0.3×0.9/2)+1.5×3×0.9/2=2.2 44kN/m正常使用极限状态q'=(0.033+G kjb×l b/(n+1))+G k×l b/(n+1)=(0.033+0.3×0.9/2)+3×0.9/2=1.518kN/m 计算简图如下:1、抗弯验算M max=0.1ql a2=0.1×2.244×1.52=0.505kN·mσ=γ0M max/W=1×0.505×106/4490=112.439N/mm2≤[f]=205N/mm2满足要求!2、挠度验算νmax=0.677q'l a4/(100EI)=0.677×1.518×15004/(100×206000×107800)=2.343mmνmax=2.343mm≤[ν]=min[l a/150,10]=min[1500/150,10]=10mm满足要求!3、支座反力计算承载能力极限状态R max=1.1ql a=1.1×2.244×1.5=3.702kN正常使用极限状态R max'=1.1q'l a=1.1×1.518×1.5=2.505kN四、横向水平杆验算承载能力极限状态由上节可知F1=R max=3.702kNq=1.3×0.033=0.043kN/m正常使用极限状态由上节可知F1'=R max'=2.505kNq'=0.033kN/m1、抗弯验算计算简图如下:弯矩图(kN·m)σ=γ0M max/W=1×0.004×106/4490=0.97N/mm2≤[f]=205N/mm2 满足要求!2、挠度验算计算简图如下:变形图(mm)νmax=0.013mm≤[ν]=min[l b/150,10]=min[900/150,10]=6mm满足要求!3、支座反力计算承载能力极限状态R max=0.019kN五、扣件抗滑承载力验算横杆与立杆连接方式单扣件扣件抗滑移折减系数0.9纵向水平杆:R max=1×3.702=3.702kN≤R c=0.9×8=7.2kN横向水平杆:R max=1×0.019=0.019kN满足要求!六、荷载计算脚手架架体高度H 20 脚手架钢管类型Ф48×3 每米立杆承受结构自重标准值gk(kN/m0.131、立杆承受的结构自重标准值N G1k单外立杆:N G1k=(gk+l a×n/2×0.033/h)×H=(0.13+1.5×0/2×0.033/1.8)×20=2.6kN 单内立杆:N G1k=2.6kN2、脚手板的自重标准值N G2k1单外立杆:N G2k1=(H/h+1)×la×l b×G kjb×1/2/2=(20/1.8+1)×1.5×0.9×0.3×1/2/2=1.226kN 1/2表示脚手板2步1设单内立杆:N G2k1=1.226kN3、栏杆与挡脚板自重标准值N G2k2单外立杆:N G2k2=(H/h+1)×la×G kdb×1/2=(20/1.8+1)×1.5×0.16×1/2=1.453kN1/2表示挡脚板2步1设4、围护材料的自重标准值N G2k3单外立杆:N G2k3=G kmw×la×H=0.01×1.5×20=0.3kN5、构配件自重标准值N G2k总计单外立杆:N G2k=N G2k1+N G2k2+N G2k3=1.226+1.453+0.3=2.98kN单内立杆:N G2k=N G2k1=1.226kN立杆施工活荷载计算外立杆:N Q1k=la×l b×(n jj×G kjj)/2=1.5×0.9×(1×3)/2=2.025kN内立杆:N Q1k=2.025kN组合风荷载作用下单立杆轴向力:单外立杆:N=1.3×(N G1k+ N G2k)+1.5×N Q1k=1.3×(2.6+2.98)+ 1.5×2.025=10.291kN 单内立杆:N=1.3×(N G1k+ N G2k)+1.5×N Q1k=1.3×(2.6+1.226)+ 1.5×2.025=8.012kN 七、立杆稳定性验算立杆计算长度l0=Kμh=1×1.5×1.8=2.7m长细比λ=l0/i=2.7×103/15.9=169.811≤210满足要求!轴心受压构件的稳定系数计算:立杆计算长度l0=Kμh=1.155×1.5×1.8=3.119m长细比λ=l0/i=3.119×103/15.9=196.132查《规范》表A得,φ=0.1882、立杆稳定性验算组合风荷载作用单立杆的轴心压力标准值N'=N G1k+N G2k+N Q1k=2.6+2.98+2.025=7.605kN单立杆的轴心压力设计值N=1.3(N G1k+N G2k)+1.5N Q1k=1.3×(2.6+2.98)+1.5×2.025=10.2 91kNM wd=φwγQ M wk=φwγQ(0.05ζ1w k l a H12)=0.6×1.5×(0.05×0.6×0.212×1.5×3.62)=0.111kN·m σ=γ0[N/(φA)+M wd/W]=1×[10290.958/(0.188×424)+111274.56/4490]=153.884N/mm2≤[f]=205N/mm2 满足要求!八、连墙件承载力验算lw k a长细比λ=l0/i=600/15.9=37.736,查《规范》表A.0.5得,φ=0.896(N lw+N0)/(φAc)=(5.613+3)×103/(0.896×424)=22.672N/mm2≤0.85×[f]=0.85×205N/mm2= 174.25N/mm2满足要求!扣件抗滑承载力验算:N lw+N0=5.613+3=8.613kN≤0.9×12=10.8kN 满足要求!悬挑梁验算一、基本参数平面图立面图三、主梁验算1主梁材料类型工字钢主梁合并根数nz主梁材料规格16号工字钢主梁截面积A(cm2) 26.11 主梁截面惯性矩I x(cm4) 1130 主梁截面抵抗矩W x(cm3) 141主梁自重标准值g k(kN/m) 0.205 主梁材料抗弯强度设计值[f](N/mm2) 215主梁材料抗剪强度设计值[τ](N/mm2) 125 主梁弹性模量E(N/mm2) 206000 主梁允许挠度[ν](mm) 1/250q'=g k=0.205=0.205kN/m第1排:F'1=F1'/n z=7.6/1=7.6kN第2排:F'2=F2'/n z=7.6/1=7.6kN荷载设计值:q=1.3×g k=1.3×0.205=0.267kN/m第1排:F1=F1/n z=10.29/1=10.29kN第2排:F2=F2/n z=10.29/1=10.29kN1、强度验算弯矩图(kN·m)σmax=γ0M max/W=1×17.765×106/141000=125.993N/mm2≤[f]=215N/mm2 符合要求!2、抗剪验算剪力图(kN)τmax=γ0Q max/(8I zδ)[bh02-(b-δ)h2]=1×20.954×1000×[88×1602-(88-6)×140.22]/(8×11300000×6)=24.763N/mm2τmax=24.763N/mm2≤[τ]=125N/mm2符合要求!3、挠度验算变形图(mm)νmax=7.621mm≤[ν]=2×l x/250=2×1400/250=11.2mm符合要求!4、支座反力计算设计值:R1=-9.918kN,R2=31.339kN四、悬挑主梁整体稳定性验算受弯构件整体稳定性分析:其中φb -- 均匀弯曲的受弯构件整体稳定系数:查表《钢结构设计标准》(GB50017-2017)得,φb=2由于φb大于0.6,根据《钢结构设计标准》(GB50017-2017)附表C,得到φb'值为0.93。
型钢悬挑脚手架(阳角B)技术交底工程名称 1 施工单位分项工程名称脚手架工程交底部位交底时间2020-10-01交底内容主要参数阳角处主梁悬挑方式:普通主梁悬挑;建筑物阳角处角度β(°):90;横向立杆排数:2;阳角型钢主梁采用10号工字钢;主梁外锚固点离建筑物距离c(mm):250;悬挑主梁1:主梁锚固方式为压环钢筋;压环钢筋直径为16mm;主梁自内锚固点伸出长度L为3m;设置上拉下撑杆件,上拉杆件材料类型为钢丝绳,钢丝绳型号为6×19(a),距主梁外锚固点的水平距离为1500mm,支撑件上下固定点的垂直距离为3000mm,支撑件上下固定点的水平距离为1146mm;悬挑主梁2:主梁锚固方式为压环钢筋;压环钢筋直径为16mm;主梁自内锚固点伸出长度L为2.7m;设置上拉下撑杆件,上拉杆件材料类型为钢丝绳,钢丝绳型号为6×19(a),距主梁外锚固点的水平距离为1500mm,支撑件上下固定点的垂直距离为3000mm,支撑件上下固定点的水平距离为1195mm;悬挑主梁3:主梁锚固方式为压环钢筋;压环钢筋直径为16mm;主梁自内锚固点伸出长度L为2.5m;设置上拉下撑杆件,上拉杆件材料类型为钢丝绳,钢丝绳型号为6×19(a),距主梁外锚固点的水平距离为1400mm,支撑件上下固定点的垂直距离为1500mm,支撑件上下固定点的水平距离为1111mm;悬挑主梁4:主梁锚固方式为压环钢筋;压环钢筋直径为16mm;主梁自内锚固点伸出长度L为2.3m;设置上拉下撑杆件,上拉杆件材料类型为钢丝绳,钢丝绳型号为6×19(a),距主梁外锚固点的水平距离为1400mm,支撑件上下固定点的垂直距离为1500mm,支撑件上下固定点的水平距离为1146mm;悬挑主梁5:主梁锚固方式为压环钢筋;压环钢筋直径为16mm;主梁自内锚固点伸出长度L为2.2m;设置上拉下撑杆件,上拉杆件材料类型为钢丝绳,钢丝绳型号为6×19(a),距主梁外锚固点的水平距离为1400mm,支撑件上下固定点的垂直距离为3000mm,支撑件上下固定点的水平距离为1150mm;安装示意图施工工艺流程阳角型钢与预埋件焊接→支撑上拉下撑杆件连接→立杆→横向扫地杆→小横杆→大横杆(搁栅)→剪刀撑→连墙件→铺脚手板→扎防护栏杆→扎安全网质量要求材料性能和规格符合设计要求;焊缝饱满,支杆或拉绳应尽量对称设置,以保证受力均匀;支杆或拉绳与建筑物预埋件可靠连接;质量保证措施1、脚手架的各种材料,在进入施工现场时,应进行检查验收,经检查验收不合格的材料应及时清除出场;2、主要受力杆件的规格、杆件设置应符合专项施工方案的要求;3、地基应符合专项施工方案的要求,应平整坚实,垫板必须铺放平整,不得悬空;4、连墙件应设置牢固;5、剪刀撑、斜撑等的加固杆件应设置齐全,连接可靠;6、搭设过程中门洞、转角等部位的构造应符合《建筑施工扣件式钢管脚手架安全技术规程》JGJ130-2011的规定7、在使用过程中,应对竹脚手架经常性的检查与维护,并应及时清理架体上的垃圾和杂物。
悬挑脚手架阳角型钢计算书计算参数:水平阳角型钢采用焊接建筑物预埋件连接,计算条件为一端固支的连续梁。
本工程中,脚手架排距为1050mm,内侧脚手架距离墙体250mm,计算中取其1.414倍为集中力作用点。
型钢采用[16b号槽钢U口竖向,型钢支点距离建筑物角点1830mm。
型钢截面惯性矩I = 83.40cm4,截面抵抗矩W = 17.55cm3,截面积A = 25.15cm2。
阳角型钢示意图阳角型钢计算简图1、型钢受力计算受脚手架作用的联梁传递集中力 P=9.80kN水平钢梁自重荷载 q=1.2×25.15×0.0001×7.85×10=0.24kN/m经过连续梁的计算得到型钢支点的的支撑力为10.566kN型钢固接处的支撑力为9.491kN型钢最大弯矩 M max =2.584kN.m图中距离|MP|=(1.830×1.830+0.300×0.300+1.830×0.300×1.414+2.900×2.900)1/2=3.553m图中角度 <MPQ=arcsin(2.900/3.553)=0.955图中角度 <OPQ=arctg(0.109/1.830)=0.060每根钢丝绳的拉力 T=10.566/2/sin(0.955)=6.473kN水平型钢的轴向力 N=2×6.473×cos0.955×cos0.060=7.467kN型钢抗弯计算强度 f =M/1.05W+N/A=2.584×106/(1.05×17550.0)+7.467×1000/2515.0=143.169N/mm 2型钢计算强度小于215.0N/mm 2,满足要求!2、型钢整体稳定性计算水平型钢采用[16b 号槽钢U 口竖向,计算公式如下其中 b —— 均匀弯曲的受弯构件整体稳定系数,按照下式计算:经过计算得到b=570×10.0×65.0×235/(1830.0×160.0×235.0)=1.27由于b大于0.6,按照《钢结构设计规范》(GB50017-2003)附录B其值b'=1.07-0.282/b=0.847经过计算得到强度=2.58×106/(0.847×17550.00)=173.77N/mm2;水平钢梁的稳定性计算 < [f],满足要求!3、拉绳强度计算钢丝拉绳(斜拉杆)的轴力 R=6.473kN如果上面采用钢丝绳,钢丝绳的容许拉力按照下式计算:其中[F g] ——钢丝绳的容许拉力(kN);F g——钢丝绳的钢丝破断拉力总和(kN);计算中可以近似计算F g=0.5d2,d为钢丝绳直径(mm);——钢丝绳之间的荷载不均匀系数,对6×19、6×37、6×61钢丝绳分别取0.85、0.82和0.8;K ——钢丝绳使用安全系数,取10.0。
型钢悬挑脚手架计算书型钢悬挑扣件式钢管脚手架的计算依据《建筑施工扣件式钢管脚手架安全技术规范》(JGJ130-2001)《建筑结构荷载规范》(GB50009-2001)、《钢结构设计规范》(GB50017-23)等规范编制。
一、参数信息:1.脚手架参数双排脚手架搭设高度为19.2米,立杆采用单立杆;搭设尺寸为;立杆的纵距1.5m,立杆的横距为0.9m,立杆的步距为1.2m;内排架距离墙长度为0.35m小横杆在上,搭接在大横杆上的小横杆根数为1根。
采用的钢管类型为φ48某3.5;横杆与立杆连接方式为单扣件:去扣件抗滑承载力系数0.80;连墙件布置取两步三跨,竖向间距3.00米,水平间距4.50米,采用扣件连接;连墙件连接方式为双扣件;2.活荷载参数施工均布荷载(KN/㎡):3.000;脚手架用途:结构脚手架;同时施工层数:2层;3.风荷载参数4.本工程地处河北石家庄市,查荷载规范基本风压为0.350,风荷载高度变化系数μz为0.740,风荷载体型系数μs为0.649;5.静荷载参数每米立杆承受的结构自重荷载标准值(KN/㎡):0.1611脚手板自重标准值(kN/m2):0.350;栏杆挡脚板自重标准值(kN/m2):0.140;安全设施与安全网自重标准值(kN/m2):0.005;脚手板铺设层数:2层;脚手板类别:木脚手板;栏杆挡板类别:栏杆、木脚手板挡板;6.平悬挑支撑梁悬挑水平钢梁采用10号工字钢,其中建筑物外悬挑段长度1.25m内锚固段长度1.5m楼板混凝土标号:C30;钢丝绳安全系数为:6.000;钢丝绳与墙距离为(m):4.000;悬挑水平钢梁采用钢丝绳与建筑物拉结,最里面面钢丝绳距离建筑物1.20m。
二、脚手板的计算杉木、松木受弯σw=90kg/c m2 弹性模量E=9某104 kN/m2 顺纹受剪[ㄛ]=10kg/cm2脚手板截面尺寸25cm某5cm。
抗弯强度计算:q=35kg/m2某1.2+300kg/m2某1.4=42+420=462kg/cm2脚手板宽b=0.25m则q总=462某0.25=115.5kg/m脚手板Mmax=1/8qL2=0.125某115.5某0.752=8.12kg/mW=bh2/6=25某52=104.2cm3由σ= M /w<=f由 f=kf某ql/100EI注:kf—两跨梁均布荷载挠度系数。
型钢悬挑脚手架(阳角B)计算书计算依据:1、《建筑施工扣件式钢管脚手架安全技术规范》JGJ130-20112、《建筑结构荷载规范》GB50009-20123、《钢结构设计规范》GB50017-2003一、基本参数1、基本参数阳角处主梁悬挑方式普通主梁悬挑主梁离地高度(m) 15 建筑物阳角处角度β90 立杆纵距l a(m) 1.2 梁/楼板混凝土强度等级C252、立杆荷载参数1、主梁布置参数主梁自内锚固点伸出长度主梁号内锚固点坐标x(m).y(m) 角度α(度)主梁锚固方式L(m)1 0.6,-0.6 135 2.6 压环钢筋2 0.8,-0.6 127.476 2.3 压环钢筋3 0.85,-0.7 90 2 压环钢筋平面图2、主梁锚固参数主梁1锚固图主梁2锚固图主梁3锚固图三、一号主梁验算1、主梁验算q'=g k=0.205kN/m第一排立杆处:P1' =F1'=8kN;第二排立杆处:P2' =F2'=8kN;荷载设计值:q=1.2×g k=1.2×0.205=0.246kN/m第一排立杆处:P1 =F1=10.9kN;第二排立杆处:P2 =F2=10.9kN;计算简图如下:1)抗弯验算σ=M max/W=1.47×106/(141×103)=10.426 N/mm2≤[f]=205 N/mm2 满足要求!2)抗剪验算τmax=V max/(8I zδ)[bh02-(b-δ)h2]=7.747×1000×[88×1602-(88-6)×140.22]/(8×11300000×6)=9.155 N/mm2≤[τ]=125N/mm2满足要求!3)挠度验算νmax=0.027 mm≤[ν]=2l/360=2×1893/360=10.517mm满足要求!4)支座反力计算R1=-0.821kN;R2=4.394kN;R3=12.313kN;R4=6.554kN;2、支撑杆件设置钢丝绳绳卡作法上拉杆件角度计算:α1=arctan(n1/m1)= arctan(3300/2200)=56.31°上拉杆件支座力:R S1=R3=12.313kN主梁轴向力:N SZ1= R S1/tanα1=12.313/tan(56.31°)=8.209kN上拉杆件轴向力:N S1= R S1/sinα1=12.313/sin(56.31°)=14.798kN上拉杆件的最大轴向拉力:N S=max[N S1] =14.798kN查表得,钢丝绳破断拉力总和:F g=151.5kN[F g]=α×F g/k=0.85×151.5/8=16.097kN≥N S=14.798kN符合要求!绳夹数量:n=1.667[Fg]/(2T)=1.667×16.097/(2×15.19)=1个≤[n]=3个符合要求!花篮螺栓验算:σ=[F g]/(π×d e2/4)=16.097×103/(π×122/4)=142.329N/mm2≤[ft]=170N/mm2符合要求!拉环验算:σ =[F g]/(2A)=2[F g]/πd2=2×16.097×103/(π×202)=25.619N/mm2≤[f]=65N/mm2注:[f]为拉环钢筋抗拉强度,按《混凝土结构设计规范》9.7.6 每个拉环按2个截面计算的吊环应力不应大于65N/mm2符合要求!拉环详图(主梁为工字钢)角焊缝验算:σf=N S/(h e×l w)=14.798×103/(10×100)=14.798N/mm2≤βf f t w=1.22×160=195.2N/mm2 正面角焊缝的强度设计值增大系数βf=1.22符合要求!4、下撑杆件验算α1=arctan(n1/m1)= arctan(3300/3100)=46.79°下撑杆件支座力:R X1=R4=6.554kN主梁轴向力:N XZ1= R X1/tanα1=6.554/tan(46.79°)=6.157kN下撑杆件轴向力:N X1= R X1/sinα1=6.554/sin(46.79°)=8.992kN下撑杆件的最大轴向压力:N X=max[N X1] =8.992kN下撑杆长度:L1=(m12+n12)0.5= (31002+33002)0.5=4527.693下撑杆长细比:λ1=L1/i=4527.693/19.4=233.386查《钢结构设计规范》GB50017-2003表C得,φ1=0.156轴心受压稳定性计算:σ1 =N X1/(φ1A)=8992/(0.156×693)=83.176N/mm2≤f=205N/mm2符合要求!对接焊缝验算:σ=N X/(l w t)=8.992×103/A=8.992×103/693=12.975N/mm2≤f c w=185N/mm2符合要求!5、悬挑主梁整体稳定性验算主梁轴向力:N=N sz1-(N xz1)=2.052kN压弯构件强度:σmax=M max/(γW)+N/A=1.47×106/(1.05×141000)+2.052/2610=9.93 N/mm2≤[f]=205N/mm2满足要求!受弯构件整体稳定性分析:其中φb -- 均匀弯曲的受弯构件整体稳定系数:查表《钢结构设计规范》(GB50017-2003)得,φb=1.6由于φb大于0.6,根据《钢结构设计规范》(GB50017-2003)附表B,得到φb值为0.894。
工程悬挑脚手架阳角B安全专项施工方案编制人:职务:校对人:职务:审核人:职务:审批人:职务:目录第一章工程概况--------------------------------------------------- 1一、危大工程概况和特点----------------------------------------- 1二、施工平面布置----------------------------------------------- 1三、施工要求--------------------------------------------------- 2四、技术保证条件----------------------------------------------- 2 第二章编制依据--------------------------------------------------- 2 第三章施工计划--------------------------------------------------- 4一、施工进度计划----------------------------------------------- 4二、材料与设备计划--------------------------------------------- 4 第四章施工工艺技术----------------------------------------------- 6一、技术参数--------------------------------------------------- 6二、工艺流程--------------------------------------------------- 7三、施工方法--------------------------------------------------- 7四、操作要求-------------------------------------------------- 22五、检查要求-------------------------------------------------- 26 第五章施工安全保证措施------------------------------------------ 27一、组织保障措施---------------------------------------------- 27二、技术措施-------------------------------------------------- 29三、监测监控措施---------------------------------------------- 31 第六章施工管理及作业人员配备和分工 ------------------------------ 33一、施工管理人员---------------------------------------------- 33二、安全生产管理人员------------------------------------------ 33三、特种作业人员---------------------------------------------- 34四、其他作业人员---------------------------------------------- 34 第七章验收要求-------------------------------------------------- 34一、验收标准-------------------------------------------------- 34二、验收程序-------------------------------------------------- 35三、验收内容-------------------------------------------------- 35四、验收人员-------------------------------------------------- 36 第八章应急处置措施---------------------------------------------- 37 第九章计算书及相关施工图纸-------------------------------------- 38一、计算书---------------------------------------------------- 38二、施工图纸-------------------------------------------------- 66第一章工程概况一、危大工程概况和特点【工程概况应针对该危险性较大的分部分项工程的特点及要求进行编写】1、工程基本情况2、各责任主体名称3、危大工程概况和特点(1)、本工程为商业、多层和高层住宅楼,结构类型为框架、框—剪力墙结构,各单体工程阳台多,结构悬挑部位多,受力复杂,使得架节点处理较难。
型钢悬挑式扣件钢管脚手架(阳角)计算书一、依据规范:《建筑施工扣件式钢管脚手架安全技术规范》JGJ130-2011《建筑结构荷载规范》GB50009-2012《钢结构设计规范》GB50017-2003《建筑地基基础设计规范》GB50007-2011二、计算参数:悬挑双排脚手架,立杆采用单刚管。
立杆的纵距1.50米,立杆的横距0.90米,内排架距离结构1.23米,立杆的步距1.80米。
采用的钢管类型为48×3.0,竖向间距3.60米,水平间距3.0米。
施工活荷载为2.5kN/m2,同时考虑2层施工。
脚手板采用钢筋网片,荷载为0.15kN/m2,按照铺设10层计算。
栏杆采用钢管、挡脚板采用冲压钢板,荷载为0.16kN/m,安全网荷载取0.010kN/m2。
每米立杆承受结构自重标准值0.1072 kN/m,脚手板下大横杆在小横杆上面,且主结点间增加一根大横杆。
基本风压0.30kN/m2,高度变化系数1.79,体型系数1.128。
卸荷采用钢丝绳。
卸荷钢丝绳的换算系数为0.85,安全系数K=8.0,悬挑水平钢梁采用16a号工字钢,三、荷载计算作用于脚手架的荷载包括静荷载、活荷载和风荷载。
静荷载标准值包括以下内容:(1)每米立杆承受的结构自重标准值(kN/m);本例为0.1072N G1 = 0.1072×26.1=2.798kN(2)脚手板的自重标准值(kN/m2);本例采用钢筋网片脚手板,标准值为0.15N G2= 0.150×10×1.500×1/2/2=0.56kN(3)栏杆与挡脚手板自重标准值(kN/m);本例采用栏杆、冲压钢脚手板挡板,标准值为0.16N G3= 0.160×1.500×10/2=1.200kN(4)吊挂的安全设施荷载,包括安全网(kN/m2);0.010N G4= 0.010×1.500×26.10=0.392kN经计算得到,静荷载标准值N G = N G1+N G2+N G3+N G4 =2.798+0.56+1.2+0.392= 4.95kN(5)立杆施工活荷载计算:N Q=1.5×0.9×(2×2.5)/2=3.375kN组合风荷载作用下,立杆的轴向压力设计值计算公式N=1.2×4.95+0.9×1.4×3.375=10.192kN不组合风荷载作用下,立杆的轴向压力设计值计算公式N=1.2×4.95+1.4×3.375=10.665kN(6)钢丝绳卸荷后立杆荷载计算组合风荷载作用单立杆的轴心压力设计值N=(1.2×N G+0.9×1.4×N Q)×(h x1+(1-K f)×(H x顶-h x1)+max[3.15,(1-K f)×h j顶])/H=10.192×(6.2+(1-0.8)×(12.4-6.2)+max[3.15,(1-0.8)×6.2])/26.10=4.135kN 不组合风荷载作用单立杆的轴心压力设计值N=(1.2×N G+1.4×N Q)×(h x1+(1-K f)×(H x顶-h x1)+max[3.15,(1-K f)×h j顶])/H=10.665×(6.2+(1-0.8)×(12.4-6.2)+max[3.15,(1-0.8)×6.2])/26.10=4.327kN 所以,取钢丝绳卸荷后立杆传递至连梁顶面的轴向压力设计值为4.327kN。
型钢悬挑脚手架(阳角B)计算书计算依据:1、《建筑施工扣件式钢管脚手架安全技术规范》JGJ130-20112、《建筑结构荷载规范》GB50009-20123、《钢结构设计规范》GB50017-2003一、基本参数1、基本参数2、立杆荷载参数二、主梁布置及锚固参数1、主梁布置参数平面图2、主梁锚固参数主梁外锚固点离建筑物距离b(mm) 100 压环钢筋直径d1(mm) 18主梁1锚固图主梁2锚固图主梁3锚固图三、一号主梁验算1、主梁验算主梁材料类型工字钢主梁材料规格16号工字钢主梁截面积A(cm2) 26.1 主梁截面惯性矩I x(cm4) 1130主梁截面抵抗矩W x(cm3) 141 主梁自重标准值g k(kN/m) 0.205主梁材料抗弯强度设计值f(N/mm2) 205 主梁材料抗剪强度设计值τ(N/mm2) 125主梁弹性模量E(N/mm2) 206000 主梁允许挠度[ν](mm)1/360 荷载标准值:q'=g k=0.205kN/m第一排立杆处:P1' =F1'=8kN;第二排立杆处:P2' =F2'=8kN;荷载设计值:q=1.2×g k=1.2×0.205=0.246kN/m第一排立杆处:P1 =F1=10.9kN;第二排立杆处:P2 =F2=10.9kN;计算简图如下:1)抗弯验算σ=M max/W=1.754×106/(141×103)=12.44 N/mm2≤[f]=205 N/mm2 满足要求!2)抗剪验算τmax=V max/(8I zδ)[bh02-(b-δ)h2]=10.997×1000×[88×1602-(88-6)×140.22]/(8×11300000×6)=12.996N/ mm2≤[τ]=125N/mm2满足要求!3)挠度验算νmax=0.034 mm≤[ν]=2l/360=2×1893/360=10.517mm满足要求!4)支座反力计算R1=-1.335kN;R2=8.068kN;R3=5.088kN;R4=10.619kN;2、支撑杆件设置支撑点号支撑方式材料类型距主梁外锚固点水平距离(mm) 支撑件上下固定点的垂直距离n(mm)支撑件上下固定点的水平距离m(mm)是否参与计算1 上拉钢丝绳1000 3300 2200 是2 下撑槽钢1500 3300 3100 是3、上拉杆件验算钢丝绳型号6×19 钢丝绳公称抗拉强度(N/mm2) 1400钢丝绳直径(mm) 17 钢丝绳不均匀系数α0.85钢丝绳安全系数k 8 钢丝绳绳夹型式马鞍式拴紧绳夹螺帽时螺栓上所受力T(kN) 15.19 钢丝绳绳夹数量n 3 花篮螺栓在螺纹处的有效直径de(mm)12 花篮螺栓抗拉强度设计值[ft](N/mm2) 170 主梁拉环直径d(mm) 20 焊缝厚度h e(mm) 10 焊缝长度l w(mm) 100 角焊缝强度设计值f tw(N/mm2) 160钢丝绳绳卡作法上拉杆件角度计算:α1=arctan(n1/m1)= arctan(3300/2200)=56.31°上拉杆件支座力:R S1=R3=5.088kN主梁轴向力:N SZ1= R S1/tanα1=5.088/tan(56.31°)=3.392kN上拉杆件轴向力:N S1= R S1/sinα1=5.088/sin(56.31°)=6.115kN上拉杆件的最大轴向拉力:N S=max[N S1] =6.115kN查表得,钢丝绳破断拉力总和:F g=151.5kN[F g]=α×F g/k=0.85×151.5/8=16.097kN≥N S=6.115kN符合要求!绳夹数量:n=1.667[Fg]/(2T)=1.667×16.097/(2×15.19)=1个≤[n]=3个符合要求!花篮螺栓验算:σ=[F g]/(π×d e2/4)=16.097×103/(π×122/4)=142.329N/mm2≤[ft]=170N/mm2符合要求!拉环验算:σ =[F g]/(2A)=2[F g]/πd2=2×16.097×103/(π×202)=25.619N/mm2≤[f]=65N/mm2注:[f]为拉环钢筋抗拉强度,按《混凝土结构设计规范》9.7.6 每个拉环按2个截面计算的吊环应力不应大于65N/mm2符合要求!拉环详图(主梁为工字钢)角焊缝验算:σf=N S/(h e×l w)=6.115×103/(10×100)=6.115N/mm2≤βf f t w=1.22×160=195.2N/mm2正面角焊缝的强度设计值增大系数βf=1.22符合要求!4、下撑杆件验算下撑杆材料类型槽钢下撑杆截面类型5号槽钢下撑杆截面积A(cm2) 6.93 下撑杆截面惯性矩I(cm4) 26下撑杆截面抵抗矩W(cm3) 10.4 下撑杆材料抗压强度设计值f(N/mm2) 205下撑杆弹性模量E(N/mm2) 206000 下撑杆件截面回转半径i(cm) 1.94对接焊缝抗压强度设计值f c w(N/mm ) 185下撑杆件角度计算:α1=arctan(n1/m1)= arctan(3300/3100)=46.79°下撑杆件支座力:R X1=R4=10.619kN主梁轴向力:N XZ1= R X1/tanα1=10.619/tan(46.79°)=9.975kN下撑杆件轴向力:N X1= R X1/sinα1=10.619/sin(46.79°)=14.57kN下撑杆件的最大轴向压力:N X=max[N X1] =14.57kN下撑杆长度:L1=(m12+n12)0.5= (31002+33002)0.5=4527.693下撑杆长细比:λ1=L1/i=4527.693/19.4=233.386查《钢结构设计规范》GB50017-2003表C得,φ1=0.156轴心受压稳定性计算:σ1 =N X1/(φ1A)=14570/(0.156×693)=134.773N/mm2≤f=205N/mm2符合要求!对接焊缝验算:σ=N X/(l w t)=14.57×103/A=14.57×103/693=21.025N/mm2≤f c w=185N/mm2符合要求!5、悬挑主梁整体稳定性验算主梁轴向力:N=N sz1-(N xz1)=6.583kN压弯构件强度:σmax=M max/(γW)+N/A=1.754×106/(1.05×141000)+6.583/2610=11.85N/mm2≤[f]=205N/mm2满足要求!受弯构件整体稳定性分析:其中φb -- 均匀弯曲的受弯构件整体稳定系数:查表《钢结构设计规范》(GB50017-2003)得,φb=1.6由于φb大于0.6,根据《钢结构设计规范》(GB50017-2003)附表B,得到φb值为0.894。
σ = M max/(φb W x)=1.754×106/(0.894×141×103)=13.915N/mm2≤[f]=205N/mm2符合要求!6、锚固段与楼板连接的计算压环钢筋1压环钢筋2锚固点压环钢筋受力:N/2 =0.668kN压环钢筋验算:σ=N/(4A)=N/πd2=1.335×103/(3.14×162)=1.66N/mm2≤0.85×[f]=0.85×65=55.25N/mm2 注:[f]为拉环钢筋抗拉强度,按《混凝土结构设计规范》9.7.6 每个拉环按2个截面计算的吊环应力不应大于65N/mm2水平钢梁与楼板压点的拉环一定要压在楼板下层钢筋下面,并要保证两侧30cm以上搭接长度符合要求!四、二号主梁验算1、主梁验算主梁材料类型工字钢主梁材料规格16号工字钢主梁截面积A(cm2) 26.1 主梁截面惯性矩I x(cm4) 1130主梁截面抵抗矩W x(cm3) 141 主梁自重标准值g k(kN/m) 0.205主梁材料抗弯强度设计值f(N/mm2) 205 主梁材料抗剪强度设计值τ(N/mm2) 125主梁弹性模量E(N/mm2) 206000 主梁允许挠度[ν](mm)1/360 荷载标准值:q'=g k=0.205kN/m第二排立杆处:P2' =F2'=8kN;荷载设计值:q=1.2×g k=1.2×0.205=0.246kN/m第二排立杆处:P2 =F2=10.9kN;计算简图如下:1)抗弯验算σ=M max/W=0.537×106/(141×103)=3.809 N/mm2≤[f]=205 N/m m2满足要求!2)抗剪验算τmax=V max/(8I zδ)[bh02-(b-δ)h2]=11.013×1000×[88×1602-(88-6)×140.22]/(8×11300000×6)=13.015N/ mm2≤[τ]=125N/mm2满足要求!3)挠度验算νmax=0.027 mm≤[ν]=2l/360=2×1710/360=9.5mm满足要求!4)支座反力计算R1=0.321kN;R2=-0.569kN;R3=11.714kN;2、支撑杆件设置3、下撑杆件验算下撑杆件角度计算:α1=arctan(n1/m1)= arctan(3300/3100)=46.79°下撑杆件支座力:R X1=R3=11.714kN主梁轴向力:N XZ1= R X1/tanα1=11.714/tan(46.79°)=11.004kN下撑杆件轴向力:N X1= R X1/sinα1=11.714/sin(46.79°)=16.072kN下撑杆件的最大轴向压力:N X=max[N X1] =16.072kN 下撑杆长度:L1=(m12+n12)0.5= (31002+33002)0.5=4527.693下撑杆长细比:λ1=L1/i=4527.693/19.4=233.386查《钢结构设计规范》GB50017-2003表C得,φ1=0.156轴心受压稳定性计算:σ1 =N X1/(φ1A)=16072/(0.156×693)=148.666N/mm2≤f=205N/mm2符合要求!对接焊缝验算:σ=N X/(l w t)=16.072×103/A=16.072×103/693=23.192N/mm2≤f c w=185N/mm2符合要求!4、悬挑主梁整体稳定性验算主梁轴向力:N =N xz1 =11.004kN压弯构件强度:σmax=M max/(γW)+N/A=0.537×106/(1.05×141000)+11.004/2610=3.631 N/mm2≤[f]=205N/mm2满足要求!受弯构件整体稳定性分析:其中φb -- 均匀弯曲的受弯构件整体稳定系数:查表《钢结构设计规范》(GB50017-2003)得,φb=1.6由于φb大于0.6,根据《钢结构设计规范》(GB50017-2003)附表B,得到φb值为0.894。