土力学与地基基础实验
- 格式:ppt
- 大小:926.00 KB
- 文档页数:3
与土有关的典型工程案例一、与土或土体有关的强度问题1.加拿大特朗斯康谷仓加拿大特朗斯康谷仓,由于地基强度破坏发生整体滑动,是建筑物失稳的典型例子。
(1)概况加拿大特朗斯康谷仓平面呈矩形,长59.44 m,宽23.47 m。
高31.0m。
容积36368 m3。
谷仓为圆筒仓,每排13个圆筒仓,共5排65个圆筒仓组成。
谷仓的基础为钢筋混凝土筏基,厚61cm,基础埋深3.66m。
谷仓于1911年开始施工,1913年秋完工。
谷仓自重20000t,相当于装满谷物后满载总重量的42 5% 。
1913年9月起往谷仓装谷物,仔细地装载,使谷物均匀分布、10月当谷仓装了31822m3谷物时,发现1小时内垂直沉降达30.5cm。
结构物向西倾斜,并在24小时间谷仓倾倒,倾斜度离垂线达26o53ˊ。
谷仓西端下沉7.32m,东端上抬加拿大谷仓地基滑动而倾倒端下沉7 32m,东端上抬1.52m。
1913年10月18日谷仓倾倒后,上部钢筋混凝土筒仓艰如盘石,仅有极少的表面裂缝。
(2)事故原因1913年春事故发生的预兆:当冬季大雪融化,附近由石碴组成高为9 14m的铁路路堤面的粘土下沉1m左右迫使路堤两边的地面成波浪形。
处理这事故,通过打几百根长为18.3m的木桩,穿过石碴,形成一个台面,用以铺设铁轨。
谷仓的地基土事先未进行调查研究。
根据邻近结构物基槽开挖试验结果,计算承载力为352kPa,应用到这个仓库。
谷仓的场地位于冰川湖的盆地中,地基中存在冰河沉积的粘土层,厚12.2m.粘土层上面是更近代沉积层,厚3.0m。
粘土层下面为固结良好的冰川下冰碛层,厚3.0 m.。
这层土支承了这地区很多更重的结构物。
1952年从不扰动的粘土试样测得:粘土层的平均含水量随深度而增加从40%到约60%;无侧限抗压强度qu从118.4kPa减少至70.0kPa平均为100.0kPa;平均液限wl =105%,塑限wp=35%,塑性指数Ip=70。
试验表明这层粘土是高胶体高塑性的。
《土力学与地基基础》教案第一章:土的性质与分类1.1 教学目标了解土的组成、性质和分类,掌握土的三相指标及土的密度、含水率和塑性指数的概念。
学会使用土工试验仪器进行土的物理性质试验。
理解土的工程特性及其对地基基础的影响。
1.2 教学内容土壤的组成与结构土壤的物理性质:密度、含水率、塑性指数土壤的力学性质:抗剪强度、压缩性、渗透性土的分类与工程特性土工试验:密度试验、含水率试验、塑性指数试验1.3 教学方法课堂讲授:讲解土壤的性质、分类和工程特性。
实验教学:指导学生使用土工试验仪器进行土的物理性质试验。
案例分析:分析实际工程案例,理解土壤性质对地基基础的影响。
第二章:土力学基本理论2.1 教学目标掌握土力学的基本概念、原理和定律,包括剪切强度理论、压缩理论和小应变弹性理论。
学会运用土力学理论分析土壤的力学行为。
土力学的基本概念:应力、应变、应力路径剪切强度理论:抗剪强度、库仑定律、莫尔-库仑准则压缩理论:压缩性、压缩系数、压缩模量小应变弹性理论:弹性模量、泊松比、弹性应变2.3 教学方法课堂讲授:讲解土力学的基本概念、原理和定律。
数值分析:运用数值方法分析土壤的力学行为。
案例分析:分析实际工程案例,运用土力学理论解决问题。
第三章:地基基础设计原理3.1 教学目标掌握地基基础的设计原理和方法,包括浅基础、深基础和地下工程的设计。
学会运用土力学和结构力学的知识进行地基基础的设计。
3.2 教学内容浅基础设计原理:承载力计算、基础尺寸确定、沉降计算深基础设计原理:桩基础、沉井基础、地下连续墙地下工程设计原理:隧道、地铁、地下室3.3 教学方法课堂讲授:讲解地基基础的设计原理和方法。
数值分析:运用数值方法分析地基基础的设计问题。
案例分析:分析实际工程案例,运用土力学和结构力学的知识进行地基基础设计。
第四章:地基承载力与稳定性分析掌握地基承载力和稳定性的分析方法,包括极限平衡法、数值方法和实验方法。
学会运用地基承载力和稳定性分析方法解决实际工程问题。
土力学与地基基础心得报告引言土力学是土木工程学科中的一个重要分支,它研究土壤的物理力学性质,以及土壤与工程结构之间的相互作用关系。
地基基础是土木工程中最重要的一环,它承载着整个工程的荷载,直接影响工程的安全性和稳定性。
在本次学习过程中,我对土力学与地基基础有了更深入的了解,本文将就此进行总结和心得报告。
理论知识掌握在学习过程中,我通过课堂的学习、参考教材和学习资料的阅读,逐渐掌握了土力学与地基基础的基本理论知识。
其中包括土壤的物理力学性质、土壤中的水分与渗流、土壤的固结与沉降、土壤的承载力与变形性等方面的知识。
这些理论知识为我后续的实践操作提供了必要的基础。
实践操作技能通过课堂上的实践操作、实验室的模拟实验以及实地勘测与观察,我逐渐掌握了相关的实践操作技能。
例如,我学会了如何使用土壤试验仪器进行土壤的力学性质测试,如剪切强度试验、压缩试验等。
我还参与了地基基础的施工监测工作,学会了如何进行地基基础的测量与观测,并掌握了一些常用的地基加固与处理的方法。
实际案例分析在学习过程中,我们还对一些实际的工程案例进行了分析与讨论。
通过分析这些案例,我们可以更加深入地理解土力学与地基基础的理论知识在实际工程中的应用。
例如,我们分析了某一高层建筑工程中地基基础的设计与施工,以及在后续使用过程中的变形与沉降情况。
通过这些案例的分析,我们可以总结出一些规律和经验,为我们今后的工程实践提供借鉴和指导。
心得体会通过学习土力学与地基基础,我深刻体会到了土壤与工程结构之间的紧密联系。
地基基础是工程安全和稳定的基石,合理的设计和施工过程是确保工程质量的关键。
在未来的工程实践中,我将继续加强对土力学与地基基础的学习,在实践中不断提升自己的实践能力与技术水平。
结论通过本次学习,我对土力学与地基基础有了更全面、更深入的认识。
我掌握了相关的理论知识和实践技能,并通过实际案例的分析,深化了对土力学与地基基础的理解。
我相信在今后的工程实践中,我将能够更好地运用土力学与地基基础的知识,为工程建设贡献自己的力量。
与土有关的典型工程案例一、与土或土体有关的强度问题1.加拿大特朗斯康谷仓加拿大特朗斯康谷仓,由于地基强度破坏发生整体滑动,是建筑物失稳的典型例子。
(1)概况加拿大特朗斯康谷仓平面呈矩形,长59.44 m,宽23.47 m。
高31.0m。
容积36368 m3。
谷仓为圆筒仓,每排13个圆筒仓,共5排65个圆筒仓组成。
谷仓的基础为钢筋混凝土筏基,厚61cm,基础埋深3.66m。
谷仓于1911年开始施工,1913年秋完工。
谷仓自重20000t,相当于装满谷物后满载总重量的42 5% 。
1913年9月起往谷仓装谷物,仔细地装载,使谷物均匀分布、10月当谷仓装了31822m3谷物时,发现1小时内垂直沉降达30.5cm。
结构物向西倾斜,并在24小时间谷仓倾倒,倾斜度离垂线达26o53ˊ。
谷仓西端下沉7.32m,东端上抬加拿大谷仓地基滑动而倾倒端下沉7 32m,东端上抬1.52m。
1913年10月18日谷仓倾倒后,上部钢筋混凝土筒仓艰如盘石,仅有极少的表面裂缝。
(2)事故原因1913年春事故发生的预兆:当冬季大雪融化,附近由石碴组成高为9 14m的铁路路堤面的粘土下沉1m左右迫使路堤两边的地面成波浪形。
处理这事故,通过打几百根长为18.3m的木桩,穿过石碴,形成一个台面,用以铺设铁轨。
谷仓的地基土事先未进行调查研究。
根据邻近结构物基槽开挖试验结果,计算承载力为352kPa,应用到这个仓库。
谷仓的场地位于冰川湖的盆地中,地基中存在冰河沉积的粘土层,厚12.2m.粘土层上面是更近代沉积层,厚3.0m。
粘土层下面为固结良好的冰川下冰碛层,厚3.0 m.。
这层土支承了这地区很多更重的结构物。
1952年从不扰动的粘土试样测得:粘土层的平均含水量随深度而增加从40%到约60%;无侧限抗压强度qu从118.4kPa减少至70.0kPa平均为100.0kPa;平均液限wl =105%,塑限wp=35%,塑性指数Ip=70。
试验表明这层粘土是高胶体高塑性的。
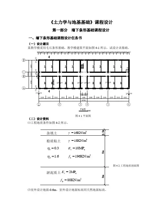
《土力学与地基基础》课程设计第一部分 墙下条形基础课程设计一、墙下条形基础课程设计任务书(一)设计题目某教学楼采用毛石条形基础,教学楼建筑平面如图4-1所示,试设计该基础。
(二)设计资料⑴工程地质条件如图4-2所示。
杂填土 3K N /m 16=γ粉质粘土 3K N /m 18=γ3.0=b η a M P 10=s E6.1=d η 2KN/m 196=k f淤泥质土a 2M P =s E2KN/m 88=k f⑵室外设计地面-0.6m ,室外设计地面标高同天然地面标高。
图4-1平面图图4-2工程地质剖面图⑶由上部结构传至基础顶面的竖向力值分别为外纵墙∑F1K=558.57kN,山墙∑F2K=168.61kN,内横墙∑F3K=162.68kN,内纵墙∑F4K=1533.15kN。
⑷基础采用M5水泥砂浆砌毛石,标准冻深为1.2m。
(三)设计内容⑴荷载计算(包括选计算单元、确定其宽度)。
⑵确定基础埋置深度。
⑶确定地基承载力特征值。
⑷确定基础的宽度和剖面尺寸。
⑸软弱下卧层强度验算。
(四)设计要求⑴计算书要求书写工整、数字准确、图文并茂。
⑵制图要求所有图线、图例尺寸和标注方法均应符合新的制图标准,图纸上所有汉字和数字均应书写端正、排列整齐、笔画清晰,中文书写为仿宋字。
⑶设计时间五天。
二、墙下条形基础课程设计指导书(一)荷载计算 1.选定计算单元 对有门窗洞口的墙体,取洞口间墙体为计算单元;对无 门窗洞口的墙体,则可取1m 为计算单元(在计算书上应表示出来)。
2.荷载计算 计算每个计算单元上的竖向力值(已知竖向力值除以计算单元宽度)。
(二)确定基础埋置深度dGB50007-2002规定d min =Z d -h max 或经验确定d min =Z 0+(100~200)mm 。
式中 Z d ——设计冻深,Z d = Z 0·ψzs ·ψzw ·ψze ; Z 0——标准冻深;ψzs ——土的类别对冻深的影响系数,按规范中表5.1.7-1;ψzw ——土的冻胀性对冻深的影响系数,按规范中表5.1.7-2;ψze ——环境对冻深的影响系数,按规范中表5.1.7-3;(三)确定地基承载力特征值f a)5.0()3(m d b ak a -+-+=d b f f γηγη式中 f a ——修正后的地基承载力特征值(kPa ); f ak ——地基承载力特征值(已知)(kPa);ηb 、ηb ——基础宽度和埋深的地基承载力修正系数(已知);γ——基础底面以下土的重度,地下水位以下取浮重度(kN/m 3);γm ——基础底面以上土的加权平均重度,地下水位以下取浮重度(kN/m 3); b ——基础底面宽度(m ),当小于3m 按3m 取值,大于6m 按6m 取值;d ——基础埋置深度(m )。
土力学地基基础实训报告实习的目的1、巩固课堂上所学的理论知识。
2、培养感性认识,提高动手能力,为后续课堂的学习和毕业生产实习打下扎实的基础。
3、了解基础工程施工的工艺流程,培养分析和解决问题的能力。
4、学会野外手机资料、整理资料的能力。
实习的内容及时间安排1、浅基础实习:参观1天2、桩基础实习:参观1天3、基坑工程实习:参观1天4、吊装工程实习:参观一天实习的组织方式基础实习的组织方式是主要有集中实习、分散实习一级这两种方式的有机结合。
1、集中实习方式这种方式是与当地建筑施工企业签订长期生产实习基地协议,实习前联系安排妥当后,有学校选派优秀指导老师带队,组织教学班集体前往实习地点,同时聘请长期从事现场技术工作的工程师作为实习指导老师。
2、分散实习方式这种方式是自己提前利用业余时间,带着学校统一开出的实习联系函,自行联系离家货离学校较近的且符合实习教学内容的施工企业和工地,找到接受单位后,带回接受回执,按时到实习地点展开实习。
3、小组集中、集体分散实习方式这种方式是前两种方式的综合,将每两个教学班分散成若干实习小组,每个小组的人数根据现场能承受的岗位及食宿条件而定,每位指导老师负责2~3个点得实习指导工作。
实习的要求1、善于观察,勤于动脑,勇于实践2、认真独立保质保量完成各项实习任务包括:实习报告和专题调研报告(对在实习中遇到的新结构、新工艺、新技术和新材料等新内容进行专题调研)3、培养良好的就业态度和吃苦耐劳的工作作风(1)树立“三个观念”1)主动学习观念2)吃苦耐劳、勤奋学习的观念3)全面学习的观念(2)做到“五勤”1)手勤、嘴勤、腿勤、眼勤、脑勤。
(3)实现四个转化1)由只重视书本知识的掌握向既注重理论更注重提高动手能力和解决实际问题能力转换。
2)由在学习生活中只顾个人利益向在工作中懂得与别人协调配合转化。
3)由一来学校、家长向在社会上能独立自主、主动帮助别人转化。
4)由在学校内只追求考试成绩向在工作中求实际效率转化。
《土力学与地基基础》实验指导书深圳大学建工学院土木工程系一、颗粒分析试验(筛分法)(一)试验目的测定干土各粒组占该土总质量的百分数,以便了解土粒的组成情况。
供砂类土的分类、判断土的工程性质及建材选料之用。
(二)试验原理土的颗粒组成在一定程度上反映了土的性质,工程上常依据颗粒组成对土进行分类,粗粒土主要是依据颗粒组成进行分类的,细粒土由于矿物成分、颗粒形状及胶体含量等因素,则不能单以颗粒组成进行分类,而要借助于塑性图或塑性指数进行分类。
颗粒分析试验可分为筛析法和密度计法,对于粒径大于0.075mm 的土粒可用筛析法测定,而对于粒径小于0.075mm 的土粒则用密度计法来测定。
筛析法是将土样通过各种不同孔径的筛子,并按筛子孔径的大小将颗粒加以分组,然后再称量并计算出各个粒组占总量的百分数。
(三)仪器设备1.标准筛:孔径10、5、2、1.0、0.5、0.25、0.075mm ;(见附图1) 2.天平:称量1000g ,分度值0.1g ; 3.台称:称量5kg ,分度值1g ; 4.其它:毛刷、木碾等。
(四)操作步骤 1.备土:从大于粒径0.075mm 的风干松散的无粘性土中,用四分对角法取出代表性的试样。
2.取土:取干砂500g 称量准确至0.2g 。
3.摇筛:将称好的试样倒入依次叠好的筛,然后按照顺时针或逆时针进行筛析。
振摇时间一般为10~15分钟。
4.称量:逐级称取留在各筛上的质量。
(五)试验注意事项1.将土样倒入依次叠好的筛子中进行筛析。
2.筛析法采用振筛机,在筛析过程中应能上下振动,水平转动。
3.称重后干砂总重精确至 2g 。
(六)计算及制图1. 按下列计算小于某颗粒直径的土质量百分数:100ABm X m =⨯ 式中:X —小于某颗粒直径的土质量百分数,%; m A —小于某颗粒直径的土质量,g ; m B —所取试样的总质量(500g )。
2.用小于某粒径的土质量百分数为纵坐标,颗粒直径(mm )的对数值为横坐标,绘制颗粒大小分配曲线。
土力学与地基基础实训报告土力学与地基基础实训报告桩基础设计某场地土层情况如下,第一层为杂填土,厚度1m,第二层为淤泥,流塑状态,厚度6.5m,第三层为粉质粘土,IL=0.25,厚度大。
现需设计一框架柱,截面为300mm×450mm,桩预采用预制桩基础。
柱底在地面处的设计值为:轴向力Fk=2500KN,弯矩Mk=180KNM,水平力H=100KN,水平力合弯矩方向均自沿长度方向左向右,初选柱截面350mm×350mm,桩基等级为二级。
试设计此桩基础。
1、建筑资料:第一层杂填土厚度1m第二层淤泥厚度6.5m第三层粉质粘土厚度大柱底在地面处的设计值为:轴向力Fk=2500KN弯矩Mk=180KNM,水平力H=100KN,水平力合弯矩方向均自沿长度方向左向右,初选柱截面350mm×350mm,桩基等级为二级2、确定桩长及单桩竖向极限承载力标准值。
取承台埋深d=1m,桩端进入粉质粘土层3.5m(〉2d),桩的计算长度l=6.5m+3.5m=10m查表8-1得qsik的值。
淤泥层:流塑状态的淤泥(偏好)可取qs1k=15kpa,,该层中心点埋深4.85〈5m,修正系数是0.8。
得:qsik=15×0.8kpa=12kpa。
13粉质黏土层:埋深:2+6.5+1=9.25m,故修正系数为0.96,按照I1=0.25 2得:qs2k=82×0.96kpa=78.7kpa。
查表8-2取粉质黏土层的qpk值:按I1=0.25和入土深度h=11m,查表,近似取qpk=4400kpa。
单桩竖向极限承载力标准值为:Quk=Qsk+Qpk=u∑qsikli+qpkAp=0.35×4×(12×6.5+78.7×3.5)KN+4400×0.35KN=1033.83KN(2)确定基桩的竖向承载力设计值。
由于承台下为高灵敏度的淤泥,故不考虑承台效应,取ηC=0,按及Bc=0.2lSa=3,查表得ηs=0.80,ηp=0.4,γP=γs=1.65,于是基桩(估计桩数超过3根)的d竖向承载力设计值为:R=ηsQsk/γs+ηpQpk/γP=0.8×494.83/1.65KN+1.64×539/1.65KN=775.65KN (3)初选桩的根数和承台尺寸。
《土力学与地基基础》实验指导书深圳大学建工学院土木工程系一、颗粒分析试验(筛分法)(一)试验目的测定干土各粒组占该土总质量的百分数,以便了解土粒的组成情况。
供砂类土的分类、判断土的工程性质及建材选料之用。
(二)试验原理土的颗粒组成在一定程度上反映了土的性质,工程上常依据颗粒组成对土进行分类,粗粒土主要是依据颗粒组成进行分类的,细粒土由于矿物成分、颗粒形状及胶体含量等因素,则不能单以颗粒组成进行分类,而要借助于塑性图或塑性指数进行分类。
颗粒分析试验可分为筛析法和密度计法,对于粒径大于0.075mm的土粒可用筛析法测定,而对于粒径小于0.075mm的土粒则用密度计法来测定。
筛析法是将土样通过各种不同孔径的筛子,并按筛子孔径的大小将颗粒加以分组,然后再称量并计算出各个粒组占总量的百分数。
(三)仪器设备1 标准筛:孔径10、5、2、1.0、0.5、0.25、0.075mm;(见附图1)2. 天平:称量1000g,分度值0.1g;3•台称:称量5kg,分度值1g;4.其它:毛刷、木碾等。
(四)操作步骤1. 备土:从大于粒径0.075mm的风干松散的无粘性土中,用四分对角法取出代表性的试样。
2. 取土:取干砂500g称量准确至0.2g。
3. 摇筛:将称好的试样倒入依次叠好的筛,然后按照顺时针或逆时针进行筛析。
振摇时间一般为10〜15分钟。
4. 称量:逐级称取留在各筛上的质量。
(五)试验注意事项1•将土样倒入依次叠好的筛子中进行筛析。
2. 筛析法采用振筛机,在筛析过程中应能上下振动,水平转动。
3•称重后干砂总重精确至2g。
(六)计算及制图1. 按下列计算小于某颗粒直径的土质量百分数:X 匹100m B式中:X—小于某颗粒直径的土质量百分数,% ;m A—小于某颗粒直径的土质量,g;m B—所取试样的总质量(500g)。
2 .用小于某粒径的土质量百分数为纵坐标,颗粒直径(mm)的对数值为横坐标,绘制颗粒大小分配曲线。
《土力学与地基基础》教案一、教学目标1. 了解土力学的基本概念、研究对象和任务。
2. 掌握土的物理性质、力学性质及其指标的测定方法。
3. 理解地基与基础的概念、分类及作用。
4. 掌握地基承载力、地基变形和地基稳定性分析的方法。
二、教学内容1. 土力学的基本概念和研究对象1.1 土力学的定义和发展历程1.2 土力学的研究对象和任务2. 土的物理性质2.1 土的组成和结构2.2 土的密度和湿度2.3 土的粒径分布和级配3. 土的力学性质3.1 土的剪切强度3.2 土的压缩性3.3 土的弹性模量和泊松比4. 地基与基础的概念及分类4.1 地基的定义和作用4.2 基础的分类和特点5. 地基承载力分析5.1 地基承载力概念及其影响因素5.2 地基承载力计算方法三、教学方法1. 采用讲授法,系统讲解土力学与地基基础的基本概念、理论和方法。
2. 结合案例分析,使学生更好地理解和掌握土力学与地基基础的知识。
3. 利用实验和实践环节,培养学生的动手能力和实际问题解决能力。
四、教学环境1. 教室环境:宽敞、明亮,配备多媒体教学设备。
2. 实验场地:具备土力学实验所需的仪器和设备。
五、教学评价1. 平时成绩:包括课堂表现、作业完成情况、实验报告等。
2. 期末考试:采用闭卷考试,测试学生对土力学与地基基础知识的掌握程度。
六、教学步骤与计划1. 教学步骤:1.1 土力学的基本概念和研究对象:讲解土力学的定义、发展历程和研究对象,引导学生了解土力学的重要性。
1.2 土的物理性质:介绍土的组成、结构和密度,讲解湿度、粒径分布和级配的概念。
1.3 土的力学性质:讲解剪切强度、压缩性和弹性模量的概念,并通过实例分析其工程应用。
1.4 地基与基础的概念及分类:阐述地基的定义、作用和基础的分类,引导学生理解地基与基础的关系。
1.5 地基承载力分析:介绍地基承载力的概念、影响因素和计算方法,分析实际工程中的地基承载力问题。
2. 教学计划:第1周:土力学的基本概念和研究对象第2周:土的物理性质第3周:土的力学性质第4周:地基与基础的概念及分类第5周:地基承载力分析七、案例分析1. 案例一:某建筑物地基承载力不足,导致地基下沉。
《土力学与地基基础》教案第一章:土的性质与分类1.1 教学目标了解土的组成、物理性质、力学性质及其影响因素。
掌握土的分类方法及其工程意义。
1.2 教学内容土的组成与结构土的物理性质(密度、含水率、粒径分布等)土的力学性质(抗剪强度、压缩性、渗透性等)土的分类(按照粒径、塑性、有机质含量等)1.3 教学方法采用讲授法介绍土的性质与分类的基本概念。
利用图像、案例等方式展示土的组成与结构。
通过实验或现场考察,让学生亲手操作,加深对土的物理性质与力学性质的理解。
1.4 教学活动引入话题:土地与建筑物的基础关系。
讲授土的组成与结构,配合图像与案例。
学生实验:土的密度、含水率、粒径分布等测试。
小组讨论:土的分类方法及其在工程中的应用。
第二章:土的力学性质2.1 教学目标理解土的力学性质及其在土力学分析中的重要性。
学会应用土的抗剪强度、压缩性和渗透性等力学性质进行工程计算。
2.2 教学内容土的抗剪强度(抗剪断强度、抗剪摩尔圆)土的压缩性(压缩系数、压缩模量)土的渗透性(渗透系数、达西定律)2.3 教学方法采用讲解和案例分析相结合的方式,让学生理解土的力学性质。
利用实验数据,讲解土的抗剪强度、压缩性和渗透性的测定方法。
2.4 教学活动复习土的分类,引入土的力学性质的重要性。
讲解土的抗剪强度、压缩性和渗透性的基本概念。
学生实验:土的抗剪强度、压缩性和渗透性的测定。
案例分析:应用土的力学性质进行实际工程问题的计算。
第三章:土压力与支撑力3.1 教学目标理解土压力和支撑力的概念及其在工程中的应用。
学会计算静止土压力、主动土压力和被动土压力。
3.2 教学内容土压力(静止土压力、主动土压力、被动土压力)支撑力(挡土墙、地下墙、支护结构)3.3 教学方法采用讲授法,结合实例讲解土压力和支撑力的概念。
利用公式和计算实例,让学生掌握土压力和支撑力的计算方法。
3.4 教学活动引入土压力和支撑力的概念,讲解其在工程中的应用。
讲解静止土压力、主动土压力和被动土压力的计算方法。
1.对某土样进行直接剪切试验,在法向应力为100、200、300、400kPa 时,测得其破坏时土样的最大剪切应力分别为90、122、147、180kPa 。
试问该土样的抗剪强度指标c 、为多少?2.某工程取干砂试样进行直剪试验,当法向压力σ=300kPa 时,测得砂样破坏的抗剪强度f τ=200kPa 。
求:①此砂土的内摩擦角ϕ;②破坏时的最大主应力与最小主应力;②最大主应力与剪切面所成的角度。
1、砂土的内摩擦角为arctan(200/300)=33.7度。
2、破坏时的最大主应力=(300+200tan(33.7))+200/cos(33.7)=653.8kPa 和最小主应力=(300+200tan(33.7))-200/cos(33.7)=173.0kPa 。
3、最大主应力与剪切面所成的角度=45+33.7/2=61.9度。
3.内摩擦角=26o ,粘聚力c =40kPa 的土中,当小主应力kPa 时,问试样剪切破坏时的大主应力为多少?4.已知土中某一点=380kPa ,=210kPa ,土的内摩擦角=25o ,c =36kPa 。
试问该点处在什么状态?选择题5-1若代表土中某点应力状态的莫尔应力圆与抗剪强度包线相切,则表明土中该点( C )。
A. 任一平面上的剪应力都小于土的抗剪强度B. 某一平面上的剪应力超过了土的抗剪强度C. 在相切点所代表的平面上,剪应力正好等于抗剪强度D. 在最大剪应力作用面上,剪应力正好等于抗剪强度5-2士中一点发生剪切破坏时,破裂面与大主应力作用面的夹角为(D )。
f τϕ1σ3σϕ1203=σ1σ3σϕA. 45°+ϕB. 45°+2/ϕC. 45°D. 45°-2/ϕ5-3无黏性土的特征之一是( B)。
A. 塑性指数I p>0B. 孔隙比e >0.8C. 灵敏度较高D. 黏聚力c=05-4在下列影响土的抗剪强度的因素中,最重要的因素是试验时的(D )。