A平方O工艺设计计算书
- 格式:docx
- 大小:30.89 KB
- 文档页数:8
TN TN 。
-TN eTN。
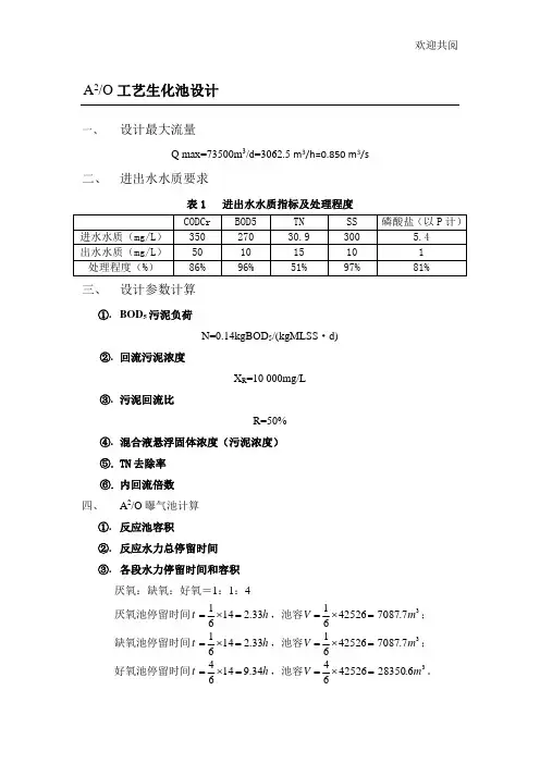
100%二30^ 100^51.5%30.9A2/O工艺生化池设计一、设计最大流量Q max=73500m3/d=3062.5 m3/h=0.850 m3/s二、进出水水质要求表1 进出水水质指标及处理程度CODCr BOD5 TN SS 磷酸盐(以P计)进水水质(mg/L)350 270 30.9 300 5.4出水水质(mg/L)50 10 15 10 1处理程度(% 86% 96% 51% 97% 81%三、设计参数计算①.B0D5污泥负荷N=0.14kgBOD5/(kgMLSS • d)②■回流污泥浓度X R=10 000mg/L③■污泥回流比R=50%④■混合液悬浮固体浓度(污泥浓度)R 0 5x=CX十下1000^3333-3mg/L⑤.TN去除率⑥.内回流倍数R 05150.1062 =106.2%1 - 1-0.515四、A2/O曝气池计算①.反应池容积Q *S0 NX 735002700.14=42525.4m3: 42526m3②.反应水力总停留时间V 42526t 0.58d =13.92h 14hQ 73500③.各段水力停留时间和容积厌氧:缺氧:好氧=1: 1: 4厌氧池停留时间t = 1 14 二2.33h,池容V = 1 42526 二7087.7m3;6 61 1缺氧池停留时间t 14二2.33h,池容V 42526二7087.7m3;6 6好氧池停留时间t 14 = 9.34h,池容V 42526二28350.6m36 6④.校核氮磷负荷好氧段TN负荷为:册=爵器=0.024kgTN/kgMLSS d厌氧段TP负荷为:牛乎=錚為=0'017kgTN/k9MLSS d①剩余污泥量:.X ,(kg/d)X =FX P s式中:P X-Y Q S o - S e - K d V X vF S =(TSS-TSS e) Q 50%取污泥增值系数丫=0.5,污泥自身氧化率K d =0.05,代入公式得:P X=0.5 73500 0.3 -0.01 - 0.05 0.42526 3.3 0.75=5395kg/dP s N0.3 -0.1 73500 50% =10657.5kg/d则:X 二P x R =5395 10657.5 = 16052.5kg/d4A =4 0.425=0.74mQ sW (1-P) 100%10=2湿污泥量:设污泥含水率P=99.2%则剩余污泥量为:2006.6kg/d = 83.6m 3/h (1 -0.992) 1000 ⑤ .反应池主要尺寸反应池总容积:V=42526 m 3设反应池2组,单组池容积:V 单=^21263m 32有效水深5m ,则:S 单=V 单/5=4252.6m 2取超高为1.0m,则反应池总高H =5.0 • 1.0 = 6.0m 生化池廊道设置:设厌氧池1廊道,缺氧池1廊道,好氧池4廊道,共6条廊道。
一、工艺流程二、主要设计参数三、设计计算A2/O工艺计算项目设计流量(m3/d)COD (mg/l)BOD5 S0(mg/l)TSS(mg/l)VSS(mg/l)进水40000320160150105出水602020(活性污泥法)(1)判断是否可采用A2O法(用污泥负荷法)COD/TN=9.142857143>8TP/BOD5=0.025<0.06符合要求(2) 有关设计参数0.132、回流污泥浓度X R=66003、污泥回流比R=1004、混合液悬浮固体浓度X=RX R/(1+R)33005、混合液回流比R内TN去除率ηtx=(TN0-TN e)/TN0×100%=57混合液回流比R内=ηTN/(1-ηTN)×100%=133取R内=200(3)反应池容积V,m3V=QS0/NX=14918.41m3反应池总水力停留时间:t=V/Q=0.37(d)=8.88(h)各段水力停留时间和容积:厌氧:缺氧:好氧=1:1:3厌氧池水力停留时间t厌= 1.78(h)池容V厌=2983.7(m3)缺氧池水力停留时间t缺= 1.78(h)池容V缺=2983.7(m3)好氧池水力停留时间t好= 5.33(h)池容V好=8951(m3)(4)校核氮磷负荷,kgTN/(kgMLSS·d)好氧段总氮负荷=Q·TN0/(XV好)=0.0473961[kgTN/(kgMLSS·d)]厌氧段总磷负荷=Q·T P0/(XV厌)=0.0162499[kgTP/(kgMLSS·d)] (5)剩余污泥量△X,kg/d△X=P x+P sP x=YQ(S0-S e)-k d VX R1、BOD5污泥负荷N=Ps=(TSS-TSS c)*50%取污泥增殖系数Y=0.6污泥自氧化率k d=0.05将各值代入:P x=1637kg/dPs=2600kg/d△X=4237kg/d(6)碱度校核每氧化1mgNH3-N需消耗碱度7.14mg;每还原1mgNO3--N产生碱度3.57mg;去除1mgBOD5产生碱度剩余碱度SΔLK1=进水碱度-硝化消耗碱度+反硝化产生碱度+去除BOD5产生碱度假设生物污泥中含氮量以12.40%计,则:每日用于合成的总氮202.98kg/d即,进水总氮中有 5.07mg/l用于合成。
A 2/O 工艺生化池设计一、设计最大流量Q max=73500m 3/d=3062.5 m 3/h=0.850 m 3/s二、进出水水质要求表1 进出水水质指标及处理程度CODCr BOD5TN SS 磷酸盐(以P 计)进水水质(mg/L )35027030.9300 5.4出水水质(mg/L )501015101处理程度(%)86%96%51%97%81%三、设计参数计算①.BOD 5污泥负荷N=0.14kgBOD 5/(kgMLSS ·d)②.回流污泥浓度X R =10 000mg/L③.污泥回流比R=50%④.混合液悬浮固体浓度(污泥浓度)L mg X R R X R /3.3333100005.015.01=⨯+=+=⑤.TN 去除率%5.51%1009.30159.30%1000e 0=⨯-=⨯-=TN TN TN TN η⑥.内回流倍数%2.1061062.0515.01515.01==-=-=ηηR 四、A 2/O 曝气池计算①.反应池容积330425264.425253333.30.1407273500NX S Q m m V ≈=⨯⨯=∙=②.反应水力总停留时间h h d t 1492.1358.07350042526Q V ≈====③.各段水力停留时间和容积厌氧:缺氧:好氧=1:1:4厌氧池停留时间,池容;h t 33.21461=⨯=37.70874252661m V =⨯=缺氧池停留时间,池容;h t 33.21461=⨯=37.70874252661m V =⨯=好氧池停留时间,池容。
h t 34.91464=⨯=36.283504252664m V =⨯=④.校核氮磷负荷好氧段TN 负荷为:()d kgMLSS kgTN N ⋅=⨯⨯=∙∙/024.06.8350233339.3073500V X T Q 30厌氧段TP 负荷为:()d kgMLSS kgTN P ⋅=⨯⨯=∙∙/017.07.708733334.573500V X T Q 10①剩余污泥量:,(kg/d)X ∆sX P P X +=∆式中:()vX V K S S Q Y P d e X ⨯⨯⨯--⨯⨯=0%50)(⨯⨯-=Q TSS TSS P e s 取污泥增值系数Y=0.5,污泥自身氧化率,代入公式得:05.0=d K ()75.03.342526.005.001.03.0735005.0⨯⨯⨯--⨯⨯=X P=5395kg/d()dkg P S /5.10657%50735001.03.0=⨯⨯-=则:dkg P P X s X /5.160525.106575395=+=+=∆湿污泥量:设污泥含水率P=99.2%则剩余污泥量为:hm d kg P W Q s /6.83/6.20061000)992.01(5.16052%100)1(3==⨯-=⨯-=⑤.反应池主要尺寸反应池总容积:V=425263m设反应池2组,单组池容积:V 单 =3212632m V=有效水深5m ,则:S 单=V 单/5=4252.62m 取超高为1.0m ,则反应池总高m H 0.60.10.5=+=生化池廊道设置:设厌氧池1廊道,缺氧池1廊道,好氧池4廊道,共6条廊道。
A2O工艺计算书一、概述A2O 工艺(AnaerobicAnoxicOxic,厌氧缺氧好氧)是一种常用的污水处理工艺,具有同步脱氮除磷的功能。
该工艺通过在不同的反应区域创造不同的环境条件,使微生物能够有效地去除污水中的有机物、氮和磷等污染物。
本计算书将对 A2O 工艺的主要设计参数进行计算,以确定工艺设备的尺寸和运行参数。
二、设计基础数据1、设计处理水量:_____m³/d2、进水水质:COD(化学需氧量):_____mg/LBOD₅(五日生化需氧量):_____mg/LTN(总氮):_____mg/LTP(总磷):_____mg/LNH₃N(氨氮):_____mg/L3、出水水质要求:COD:_____mg/LBOD₅:_____mg/LTN:_____mg/LTP:_____mg/LNH₃N:_____mg/L三、反应池容积计算1、厌氧池容积(V₁)厌氧池水力停留时间(HRT₁)一般取 1 2 h,本次设计取 15 h。
V₁= Q × HRT₁其中,Q 为设计处理水量。
计算可得:V₁=_____m³2、缺氧池容积(V₂)缺氧池水力停留时间(HRT₂)一般取 2 4 h,本次设计取 3 h。
V₂= Q × HRT₂计算可得:V₂=_____m³3、好氧池容积(V₃)好氧池水力停留时间(HRT₃)一般取 4 8 h,本次设计取 6 h。
V₃= Q × HRT₃计算可得:V₃=_____m³四、污泥负荷计算1、好氧池污泥负荷(Ns)Ns =(L₀ Le)× Q /(XV₃)其中,L₀为进水 BOD₅浓度,Le 为出水 BOD₅浓度,X 为混合液悬浮固体浓度(MLSS),一般取 2500 4000 mg/L,本次设计取 3000 mg/L。
计算可得:Ns =_____kg BOD₅/(kg MLSS·d)2、校核污泥龄(θc)θc = 1 / Ns计算可得:θc =_____d五、混合液悬浮固体浓度(MLSS)计算1、好氧池 MLSS(X)X =R × ρ × 10³ / SVI其中,R 为污泥回流比,一般取 50% 100%,本次设计取 70%;ρ 为回流污泥浓度,一般取 8000 12000 mg/L,本次设计取 10000 mg/L;SVI(污泥体积指数)一般取 70 150 mL/g,本次设计取 100 mL/g。
目录设计总说明 (1)设计任务书 (2)一.设计任务 (2)二.任务目的 (2)三.任务要求 (2)四. 设计基础资料 (2)(一)水质 (2)(二)水量 (3)(三)设计需要使用的有关法规、标准、设计规范和资料 (3)第一章 A2/O工艺介绍 (4)1。
基本原理 (4)2。
工艺特点 (5)3.注意事项 (5)第二章 A2/O工艺生化池设计 (6)1.设计最大流量 (6)2.进出水水质要求 (6)3.设计参数计算 (6)4. A2/O工艺曝气池计算.......................................................................。
..7 5。
反应池进、出水系统计算. (8)6。
反应池回流系统计算 (10)7.厌氧缺氧池设备选择 (11)第三章 A2/O工艺需氧量设计 (13)1.需氧量计算 (13)2。
供气量 (13)3。
所需空气压力 (14)4。
风机类型 (15)5。
曝气器数量计算 (15)6.空气管路计算 (16)第四章 A2/O工艺生化池单元设备一览 (17)第五章参考文献 (18)第六章致谢 (19)附1 水污染课程设计感想 (20)附2 A2/O工艺生化池图纸 (22)设计总说明随着经济快速发展和城市化程度越来越高,中心城区和小城镇建设步伐不断加快,城市生活污水对城区及附近河流的污染也越来越严重。
为了改善人民的生活环境,各地政府大力投入资金,力图改变现今水体的水质。
本设计为污水处理厂生化池单元,要求运用A2/O工艺进行设计,对生化池的工艺尺寸进行设计计算,最后完成设计计算说明书和设计图。
污水处理水量为10000t/d。
污水水质:CODCr 250mg/L,BOD5100mg/L,NH3-N30mg/L,SS120mg/L,磷酸盐(以P计)5mg/L。
出水水质达到广东省地方标准《水污染物排放限值(DB44/26-2001)》最高允许排放浓度一级标准,污水经二级处理后应符合以下具体要求:CODCr ≤40mg/L,BOD5≤20mg/L,NH3-N≤10mg/L,SS≤20mg/L,磷酸盐(以P计)≤0。
A 2/O 工艺生化池设计一、设计最大流量Q max=73500m 3/d=3062.5 m 3/h=0.850 m 3/s二、 进出水水质要求表1 进出水水质指标及处理程度三、 设计参数计算①. BOD 5污泥负荷N=0.14kgBOD 5/(kgMLSS ·d)②. 回流污泥浓度X R =10 000mg/L③. 污泥回流比R=50%④. 混合液悬浮固体浓度(污泥浓度)L mg X R R X R /3.3333100005.015.01=⨯+=+=⑤. TN 去除率%5.51%1009.30159.30%1000e 0=⨯-=⨯-=TN TN TN TN η⑥. 内回流倍数%2.1061062.0515.01515.01==-=-=ηηR四、A 2/O 曝气池计算①. 反应池容积330425264.425253333.30.1407273500NX S Q m m V ≈=⨯⨯=•=②. 反应水力总停留时间h h d t 1492.1358.07350042526Q V ≈====③. 各段水力停留时间和容积厌氧:缺氧:好氧=1:1:4厌氧池停留时间h t 33.21461=⨯= ,池容37.70874252661m V =⨯=;缺氧池停留时间h t 33.21461=⨯= ,池容37.70874252661m V =⨯=;好氧池停留时间h t 34.91464=⨯= ,池容36.283504252664m V =⨯=。
④. 校核氮磷负荷好氧段TN 负荷为:()d kgMLSS kgTN N ⋅=⨯⨯=••/024.06.8350233339.3073500V X T Q 30厌氧段TP 负荷为:()d kgMLSS kgTN P ⋅=⨯⨯=••/017.07.708733334.573500V X T Q 10① 剩余污泥量:X ∆,(kg/d)s X P P X +=∆式中:()v X V K S S Q Y P d e X ⨯⨯⨯--⨯⨯=0%50)(⨯⨯-=Q TSS TSS P e s取污泥增值系数Y=0.5,污泥自身氧化率05.0=d K ,代入公式得:()75.03.342526.005.001.03.0735005.0⨯⨯⨯--⨯⨯=X P=5395kg/d()d kg P S /5.10657%50735001.03.0=⨯⨯-=则:d kg P P X s X /5.160525.106575395=+=+=∆湿污泥量:设污泥含水率P=99.2% 则剩余污泥量为:h m d kg P W Q s /6.83/6.20061000)992.01(5.16052%100)1(3==⨯-=⨯-=⑤. 反应池主要尺寸反应池总容积:V=425263m设反应池2组,单组池容积:V 单 =3212632m V= 有效水深5m ,则:S 单=V 单/5=4252.62m取超高为1.0m ,则反应池总高m H 0.60.10.5=+= 生化池廊道设置:设厌氧池1廊道,缺氧池1廊道,好氧池4廊道,共6条廊道。
下载可编辑A2/O 工艺生化池设计一、设计最大流量Q max=73500m 3 /d=3062.5 m 3 /h=0.850 m 3/s二、进出水水质要求表 1进出水水质指标及处理程度磷酸盐(以 PCODCr BOD5TN SS计)进水水质35027030.9300 5.4(mg/L )出水水质501015101(mg/L )处理程度(%)86%96%51%97%81%三、设计参数计算①. BOD 5污泥负荷N=0.14kgBOD 5/(kgMLSS ·d)②.回流污泥浓度X R=10 000mg/L③.污泥回流比R=50%④.混合液悬浮固体浓度(污泥浓度)XR0.5X R10000 3333.3mg / L 1R 1 0.5⑤.TN 去除率TN 0 TN e30.915TN100%100% 51.5%TN 030.9⑥. 内回流倍数R0.5150.1062 106.2%1 1 0.515四、 A2/O 曝气池计算①.反应池容积V Q S073500 27042525.4m342526m3NX0.14 3333.3②. 反应水力总停留时间V42526t0.58d 13.92h 14hQ73500③.各段水力停留时间和容积厌氧:缺氧:好氧=1:1:4厌氧池停留时间 t114 2.33h ,池容 V1425267087.7m3;66缺氧池停留时间 t114 2.33h ,池容 V1425267087.7m3;66好氧池停留时间 t4149.34h ,池容 V44252628350.6m3。
66④. 校核氮磷负荷好氧段 TN 负荷为:QTN 07350030.90.024kgTN / kgMLSS d X V33333 28350.6厌氧段 TP 负荷为:QTP073500 5.40.017kgTN / kgMLSS d X V1 3333 7087.7①剩余污泥量: X ,(kg/d)XP X P s式中:P X YQ S 0 S e K d V X vP s (TSSTSS e ) Q50%取污泥增值系数 Y=0.5 ,污泥自身氧化率 K d 0.05 ,代入公式得 :P X 0.5 73500 0.3 0.01 0.05 0.42526 3.3 0.75=5395kg/dP S0.3 0.1 73500 50% 10657 .5kg / d则:XP X P s 5395 10657.5 16052.5kg / d湿污泥量 :设污泥含水率 P=99.2%则剩余污泥量为 :Q sW16052 .52006.6kg / d 83.6m 3 / h (1 P) 100%(1 0.992) 1000⑤. 反应池主要尺寸反应池总容积 :V=42526 m 3设反应池 2 组,单组池容积 :V 单 =V21263m 32有效水深 5m ,则:S 单 =V 单 /5=4252.6 m 2取超高为 1.0m ,则反应池总高 H 5.0 1.0 6.0m生化池廊道设置 :设厌氧池 1 廊道,缺氧池 1 廊道,好氧池 4 廊道,共 6 条廊道 。
A平方O工艺设计计算书精选文档TTMS system office room 【TTMS16H-TTMS2A-TTMS8Q8-2.4 A/A/O 工艺设计2.4.1 设计参数2.4.2 好氧池设计计算(1)反应器内MLSS 浓度取MLSS 浓度X=3000mg/L ,回流污泥浓度X R =9000mg/L故污泥回流比 R=5.0300090003000=-=-=X X X R R (2)求硝化的比生长速率式中:μn,m ——硝化菌的最大比生长率,g 新细胞/(g 细胞·d);N ——出水氨氮的浓度,mg/l 。
此处为8mg/L ;K N ——半速率常数,在最大比基质利用率一半时的基质浓度,此处为1mg/L 。
先求10℃时的μn,m故 1256.0818288.0-=⎪⎭⎫⎝⎛+⨯=d n μ (3)求设计SRT d (污泥龄)理论SRT :设计SRT d :为保证安全设计的SRT d 未理论SRT 的三倍,故(4)好氧池停留时间式中 Y t —— 污泥总产率系数,取0.8kgMLSS/kgBOD ;S o —— 进水BOD 5浓度mg/L ,此处为180mg/L ;S e —— 出水溶解性BOD 5浓度,mg/L ;K d —— 自身氧化系数,()2020,-=T t d K K θ在20℃时,K 20取0.04-0.075,此处取0.075。
θ为温度修正系数,可取1.02-1.06,此处取1.02。
故 ()062.002.1075.0201010,≈⨯=-d KS e =S o ’-S neS ne =7.1b ×aC e式中 C e —— 处理出水中SS 浓度,此处为20mg/L ;b —— 微生物自身氧化率,此处为0.075;X a —— 在处理水的悬浮固体中,有活性的微生物所占比例,此处为0.4 S o ’ —— 出水BOD 5浓度,此处为20mg/L故 L mg S e /74.15204.0075.01.720≈⨯⨯⨯-=故()()d T297.0300073.11062.0174.151808.073.11≈⨯⨯+-⨯⨯=(5)好氧池面积故好氧池停留时间HRT为:(6)生物固体产量式中 Q ——该污水厂最大的处理量,6000m3/d故()()dkgVSSPbiox/47.456100073.11062.0174.151808.06000,≈⨯⨯+-⨯⨯=(7)比较求由氮氧化成的硝酸盐数量每产生1g的VSS就要消耗掉0.12g的N,故因生物固化作用除去的TNx,bio 故因硝化/反硝化作用除去的TN为式中 TNin——进水总氮量,45mg/L;TNout——出水总氮量,20mg/L故()dkg TNc/22.9578.54100020456000=--⨯=故产生的硝酸盐数量及浓度为:故硝酸盐浓度为2.4.3 缺氧池设计计算(1)内回流比IR式中 ()out N NO C -3—— 排除的硝酸盐量,12mg/L 故 %13211287.27=-=IR (2)缺氧池面积式中 K de ——反硝化速率,kgNO 3-N/(kgMLSS ·d);式中 K de20 —— 20℃时的反硝化速率,取0.06kgNO 3-N/kgMLSSθt ——温度修正系数,取1.08故 ()028.008.106.02010≈⨯=-de K故 357.11333000028.0100022.95m V n ≈⨯⨯= 其水力停留时间HRT 为2.4.4 厌氧池设计计算(1)厌氧池容积式中 t p —— 厌氧池停留时间,取2h故厌氧池体积2.4.5 曝气系统设计计算(本设计采用鼓风曝气系统)(1)设计最大需氧量AORAOR=除去BOD 需氧量—剩余污泥当量+消化需氧量—反硝化产氧量硝化需氧量反硝化产氧量故 d kgO AOR /61.128733.27221.76973.7902=-+=(2)供气量的计算采用STEDOC300型橡胶膜微孔曝气器,敷设于距池底0.2m 处,淹没水深4.8m ,氧 转移效率30%,计算温度定为30℃。
A 2/O 工艺生化池设计一、设计最大流量Q max=73500m 3/d=3062.5 m 3/h=0.850 m 3/s二、 进出水水质要求表1 进出水水质指标及处理程度三、 设计参数计算①. BOD 5污泥负荷N=0.14kgBOD 5/(kgMLSS ·d)②. 回流污泥浓度X R =10 000mg/L③. 污泥回流比R=50%④. 混合液悬浮固体浓度(污泥浓度)L mg X R R X R /3.3333100005.015.01=⨯+=+=⑤. TN 去除率%5.51%1009.30159.30%1000e 0=⨯-=⨯-=TN TN TN TN η⑥. 内回流倍数%2.1061062.0515.01515.01==-=-=ηηR四、A 2/O 曝气池计算①. 反应池容积330425264.425253333.30.1407273500NX S Q m m V ≈=⨯⨯=∙=②. 反应水力总停留时间h h d t 1492.1358.07350042526Q V ≈====③. 各段水力停留时间和容积厌氧:缺氧:好氧=1:1:4厌氧池停留时间h t 33.21461=⨯= ,池容37.70874252661m V =⨯=;缺氧池停留时间h t 33.21461=⨯= ,池容37.70874252661m V =⨯=;好氧池停留时间h t 34.91464=⨯= ,池容36.283504252664m V =⨯=。
④. 校核氮磷负荷好氧段TN 负荷为:()d kgMLSS kgTN N ⋅=⨯⨯=∙∙/024.06.8350233339.3073500V X T Q 30厌氧段TP 负荷为:()d kgMLSS kgTN P ⋅=⨯⨯=∙∙/017.07.708733334.573500V X T Q 10① 剩余污泥量:X ∆,(kg/d)s X P P X +=∆式中:()v X V K S S Q Y P d e X ⨯⨯⨯--⨯⨯=0%50)(⨯⨯-=Q TSS TSS P e s取污泥增值系数Y=0.5,污泥自身氧化率05.0=d K ,代入公式得:()75.03.342526.005.001.03.0735005.0⨯⨯⨯--⨯⨯=X P=5395kg/d()d kg P S /5.10657%50735001.03.0=⨯⨯-=则:d kg P P X s X /5.160525.106575395=+=+=∆湿污泥量:设污泥含水率P=99.2% 则剩余污泥量为:h m d kg P W Q s /6.83/6.20061000)992.01(5.16052%100)1(3==⨯-=⨯-=⑤. 反应池主要尺寸反应池总容积:V=425263m设反应池2组,单组池容积:V 单 =3212632m V= 有效水深5m ,则:S 单=V 单/5=4252.62m取超高为1.0m ,则反应池总高m H 0.60.10.5=+= 生化池廊道设置:设厌氧池1廊道,缺氧池1廊道,好氧池4廊道,共6条廊道。
1、缺氧池、好氧池(曝气池)的设计计算: (1)、设计水量的计算由于硝化和反硝化的污泥龄和水力停留时间都较长,设计水量应按照最高日流量计算。
Q K Q •=式中:Q ——设计水量,m 3/d ; Q ——日平均水量,m 3/d ;K ——变化系数;(2)、确定设计污泥龄C θ需反硝化的硝态氮浓度为e e 0-)S -.05(S 0-N N N O =式中:N ——进水总氮浓度,mg/L ;0S ——进水BOD 值【1】,mg/L ; e S ——出水BOD 值,mg/L ; e N ——出水总氮浓度,mg/L ;反硝化速率计算S N K Ode =计算出de K 值后查下表选取相应的V V D /值,再查下表取得C θ值。
反硝化设计参数表(T=10~12℃)(3)、计算污泥产率系数Y【2】]072.1θ17.01072.1θ102.0-6.075.0[)15-()15-(00T C T C S X K Y •+•+=式中:Y ——污泥产率系数,kgSS/kgBOD ; K ——修正系数,取9.0=K ;0X ——进水SS 值mg/L;T ——设计水温,与污泥龄计算取相同数值。
然后按下式进行污泥负荷核算:)-(θ00e C S S S Y S L •=式中:S L ——污泥负荷,我国规范推荐取值范围为0.2~0.4kgBOD/(kgMLSS •d)。
活性污泥工艺的最小污泥龄和建议污泥龄表(T=10℃)【3】单位:d(4)、确定MLSS(X)MLSS(X)取值通过查下表可得。
反应池MLSS 取值范围取定MLSS(X)值后,应用污泥回流比R 反复核算XX XR R -=310007.0ER t SVI X ו=式中:R ——污泥回流比,不大于150%;E t ——浓缩时间,其取值参见下表。
浓缩时间取值范围(5)、计算反应池容积XS S Y Q V e C 1000)-(θ240=计算出反应池容积V 后,即可根据V V D /的比值分别计算出缺氧反应池和好氧反应池的容积。
一、工艺流程二、主要设计参数三、设计计算A2/O工艺计算项目设计流量(m3/d)COD (mg/l)BOD5 S0(mg/l)TSS(mg/l)VSS(mg/l)进水40000320160150105出水602020(活性污泥法)(1)判断是否可采用A2O法(用污泥负荷法)COD/TN=9.142857143>8TP/BOD5=0.025<0.06符合要求(2) 有关设计参数0.132、回流污泥浓度X R=66003、污泥回流比R=1004、混合液悬浮固体浓度X=RX R/(1+R)33005、混合液回流比R内TN去除率ηtx=(TN0-TN e)/TN0×100%=57混合液回流比R内=ηTN/(1-ηTN)×100%=133取R内=200(3)反应池容积V,m3V=QS0/NX=14918.41m3反应池总水力停留时间:t=V/Q=0.37(d)=8.88(h)各段水力停留时间和容积:厌氧:缺氧:好氧=1:1:3厌氧池水力停留时间t厌= 1.78(h)池容V厌=2983.7(m3)缺氧池水力停留时间t缺= 1.78(h)池容V缺=2983.7(m3)好氧池水力停留时间t好= 5.33(h)池容V好=8951(m3)(4)校核氮磷负荷,kgTN/(kgMLSS·d)好氧段总氮负荷=Q·TN0/(XV好)=0.0473961[kgTN/(kgMLSS·d)]厌氧段总磷负荷=Q·T P0/(XV厌)=0.0162499[kgTP/(kgMLSS·d)] (5)剩余污泥量△X,kg/d△X=P x+P sP x=YQ(S0-S e)-k d VX R1、BOD5污泥负荷N=Ps=(TSS-TSS c)*50%取污泥增殖系数Y=0.6污泥自氧化率k d=0.05将各值代入:P x=1637kg/dPs=2600kg/d△X=4237kg/d(6)碱度校核每氧化1mgNH3-N需消耗碱度7.14mg;每还原1mgNO3--N产生碱度3.57mg;去除1mgBOD5产生碱度剩余碱度SΔLK1=进水碱度-硝化消耗碱度+反硝化产生碱度+去除BOD5产生碱度假设生物污泥中含氮量以12.40%计,则:每日用于合成的总氮202.98kg/d即,进水总氮中有 5.07mg/l用于合成。
A 2/O 工艺生化池设计一、设计最大流量Q max=73500m3/d=3062.5 m3/h=0.850 m3/s二、进出水水质要求表1 进出水水质指标及处理程度CODCr BOD5 TN SS 磷酸盐(以P计)进水水质(mg/L)350 270 30.9 300 5.4出水水质(mg/L)50 10 15 10 1处理程度(%)86% 96% 51% 97% 81%三、设计参数计算①.BOD5污泥负荷N=0.14kgBOD5/(kgMLSS·d)②.回流污泥浓度X R=10 000mg/L③.污泥回流比R=50%④.混合液悬浮固体浓度(污泥浓度)R 0.5X X R 10000 3333 .3mg /1 R 1 0.5L⑤.TN去除率TN TN 0TNT Ne30.9 15100% 100% 51.5%30.9⑥.内回流倍数R1 1 0.5150.5150 .1062 106.2%2/O 曝气池计算四、 A①.反应池容积1V Q S 73500 2700 42525. 4425263 3m m NX 0.14 3333.3②.反应水力总停留时间V 42526t 0.58d 13.92h 14hQ 73500③.各段水力停留时间和容积厌氧:缺氧:好氧=1:1:41厌氧池停留时间t 14 2.33h6 ,池容13V 42526 7087 .7 m;61缺氧池停留时间t 14 2.33h6 ,池容13V 42526 7087 .7 m;64好氧池停留时间t 14 9. 34h6 ,池容43V 42526 28350. 6m 。
6④.校核氮磷负荷Q TN 73500 30 .9好氧段TN负荷为:kgTN kgMLSS d0. 024 / X V 3333 28350.63Q TP 73500 5.4厌氧段TP负荷为:kgTN kgMLSS d30.10017 / X V 33337087.71①剩余污泥量:X ,(kg/d)X P X Ps式中:P X Y Q S0 S e K d V X vP s (TSS TSS e) Q 50%取污泥增值系数Y=0.5,污泥自身氧化率K 0.05,代入公式得:dPX 0.51673500 0.3 0.01 0.05 0.42526 3.3 0.75=5395kg/dP S 0.3 0.1 73500 50% 10657.5kg / d则:X P X P s 5395 10657.5 16052.5kg / d2湿污泥量:设污泥含水率P=99.2%则剩余污泥量为:W 16052 .53 Q s 2006.6kg /d83. 6m /(1 P) 100% (1 0.992) 1000h⑤.反应池主要尺寸反应池总容积:V=42526 3m设反应池 2 组,单组池容积:V 单= V2321263m有效水深5m,则:S 单=V 2单/5=4252.6m取超高为 1.0m,则反应池总高H 5.0 1.0 6. 0m生化池廊道设置:设厌氧池 1 廊道,缺氧池 1 廊道,好氧池 4 廊道,共 6 条廊道。
2.4 A/A/O 工艺设计
2.4.1设计参数
厌氣缺氧好氧法(. 30法、又暮.屮0法〉生物脱氮除碑的主揺
设计•敬
2.4.2好氧池设计计算
(1)反应器内MLSS 浓度
取MLSS 浓度X=3000mg/L ,回流污泥浓度 X R =9000mg/L
(2)求硝化的比生长速率
N --- 出水氨氮的浓度,mg/l 。
此处为8mg/L ;
K N ――半速率常数,在最大比基质利用率一半时的基质浓度,此处为 1mg/L 。
故污泥回流比
R=R
X
X R X
3000 9000 3000
0.5
n,m
N
K n N
式中:卩n,m ――硝化菌的最大比生长率,
g 新细胞/(g 细胞• d);
先求10 C 时的卩n,m
0.256d
(3)求设计SRT d (污泥龄) 理论SRT :
设计SRT d :为保证安全设计的SRT d 未理论SRT 的三倍,故
SRT 3 3.91 11.73d
(4)好氧池停留时间
(1 K d SRT d ) X
式中 Y t ——污泥总产率系数,取 0.8kgMLSS/kgBOD ; S o —— 进水BOD 5浓度mg/L ,此处为180mg/L ; S e ―― 出水溶解性BOD 5浓度,mg/L ;
在 20C 时,K 20 取 0.04-0.075,此处取 0.075。
B 为温度修正系数,可取1.02-1.06,此处取1.02。
故
K d ,10 0.075 1.0210 20 0.062
S e =S o ' -S ne
S ne =7.1b X aC e
式中 C e ——处理出水中SS 浓度,此处为20mg/L ; b ――微生物自身氧化率,此处为0.075;
X a ――在处理水的悬浮固体中,有活性的微生物所占比例,此处为
0.4
S o ' —— 出水BOD 5浓度,此处为20mg/L
故
S e 20 7.1 0.075 0.4 20 15.74mg/L
n,m14
0.47
0.098(T 15)
0.47
0.098(10 15)
0.288g/(g d)
0.288 SRT
Ld 0.256
SRT d Y T S o S e K d 自身氧化系数, K d,t K 20
T 20
TN out ——出水总氮量,20mg/L
故产生的硝酸盐数量及浓度为:
故硝酸盐浓度为
11.73 0.8 180 15.74
1 0.06
2 11.7
3 3000
0.297d
(5) 好氧池面积 V 6000 0.297 1782m 3 故好氧池停留时间HRT 为: 1782 HRT 24 7.1h 6000
(6) 生物固体产量 QY t S 。
S e
F X,bio 1 K d SRT d 1000 式中 Q ―― 该污水厂最大的处理量,6000m 3/d P x,
bio 6000 0.8 180 15.74 1 0.062 11.73 1000 456.47kgVSS/d (7)比较求由氮氧化成的硝酸盐数量 每产生1g 的VSS 就要消耗掉0.12g 的N ,故因生物固化作用除去的 TN x,bio
TN x ,bio 0.12 P x ,bio 0.12 456.47 54.78kg/d 故因硝化/反硝化作用除去的TN 为 QTN in TN out
1000
TN x,bio
式中
TN in 进水总氮量,
45mg/L ; TN c
6000 45 20
1000
54.78 95.22kg / d C NO 3
N
TN in NH 3 N out Q
1000
TN
x,bio
45 8
6000
54.78 1000
167.22kg/d
C
NO 3 N
NO 3 N 1000
Q
167.22 1000
6000
27.87mg/ L
式中 C NO N out ――排除的硝酸盐量,12mg/L
故 |R 空87 1 132%
12
(2)缺氧池面积
TN c 1000 V n
-
K de X
式中
K de ——反硝化速率,kgNO 3-N/(kgMLSS • d);
式中 K de20——20 E 时的反硝化速率,取0.06kgN03-N/kgMLSS 9 t ――温度修正系数,取1.08
故 K de 0.06 1.0810 20
0.028
其水力停留时间HRT 为
2.4.4厌氧池设计计算 (1)厌氧池容积
式中 t p ——厌氧池停留时间,取2h
故厌氧池体积
2.4.5曝气系统设计计算(本设计采用鼓风曝气系统) (1)设计最大需氧量AOR
AOR=除去BOD 需氧量一剩余污泥当量+消化需氧量一反硝化产氧量
243缺氧池设计计算 (1)内回流比IR
IR
C NO 3
N
C
NO 3 N os
K de
K
de20
T 20 T
95.22 1000
0.028 3000
1133.57m 3
HRT
113357
6000
4.5h
V p
t p Q 24
V p
2 6000 24
500m 3
硝化需氧量
D 2 4.6 C NO 3 N
4.6 167.22 769.21kgO 2/d
反硝化产氧量
D 3
2.86 TN c 2.86 95.22
272.33kgO 2/d
故 AOR 790.73 769.21 272.33 1287.61kg O 2/d (2)供气量的计算
采用STEDOC300型橡胶膜微孔曝气器,敷设于距池底0.2m 处,淹没水深4.8m , 氧转移效率30%,计算温度定为30C 。
氧在蒸馏水中的溶解度:
T=20C 时,C s20 c 9.17mg/L T=30C 时,C s(30c) 7.63mg/L
空气离开曝气池面时,氧气的百分比
15.69%
曝气池混合液中平均氧饱和度
D i
1.46 Q S a S e
1000
1
.
42P
x,bio
1.46 6000 180 15.74
1000
1.42 456.47 790.73kgO 2/d
Q t
21 1 E A 79 21
1 E A
100% (式中 E A =30%)
C sb T C s(T)
P b
Qt 2.026 105
42
7.63凹丄空
2.026 105
42
8.40mg/ L
计算20C 时脱氧清水的需氧量
SOR
AOR C s 20 C sb 30 C L 1.024
30 20
式中 氧转移折算系数,取0.85;
气池中的微孔曝气器数量 N=360个。
这里采用STEDOC300型橡胶膜微孔曝气
校核每个曝气头的供气量
84833
2.36m 3
/(h 个) 满足要求。
360
(4)空压机的选择
空气管路中总压力损失按5KPa 计算 故空压机所需压力P 为
P 5 0.2
9.8 5 52.04KPa
氧溶解折算系数,取0.95;
P ――水的密度,1kg/L ;
C L ――废水中的溶解氧浓度,2mg/L
SOR
1287.61 9.17
1832.46kgO 2/d
76.35kgO 2/h
曝气池最大时供气量
SOR
76.35
3
G s
100
100 848.33m / h
0.3E A
0.3 30
在每个廊道中每平方米中该设置一个曝气器,
一个曝气池的总面积360m 2。
故曝
0.85 0.95 1 8.4 2
1.024
30 20
(3)曝气器计算
空压机供气量:848.33m3/h 14.14m3/min
根据所需压力和供气量,采用两台RD-125型罗茨鼓风机(1.45mx 1m),一用一备。
246其它设备选型
(1)厌、缺氧区搅拌器
取搅拌能量5w/m3,故厌、缺氧区所需能量为
10 36 5
1.8Kw
1000
选用两台DOTO 15型低速潜水推流器。
(2)内回流泵
内回流比IR=132%,故内回流流量Q r为:
3
Q r 1.32 6000 7920m /d
故选择两台SS066型低扬程污泥回流泵,一用一备。
2.4.7反应池廊道和出水堰布置
(1)反应池廊道布置
A/A/O反应池采用4廊道设计,
有效水深5m,每个廊道宽5m
,好氧池两个廊道,缺氧池和厌氧池共两个廊道, 大36m
(2)出水堰堰上水头h
Q 1.86b
0.07
1.86 8
2
3
0・
028m。