汽机专业技能比赛实操试题
- 格式:doc
- 大小:144.50 KB
- 文档页数:7
热电生产中心技术比武试题(汽轮机专业)2.装订线外不得做任何与答题无关的记号,否则作废试卷。
3.装订线内不得答题。
一、选择题(请将正确答案的代号填入括号内 )1. 闸阀的作用是(C )。
A、改变介质的流动方向;B、调节介质的流量;C、截止流体的流动;D、调节介质的压力。
2. 利用管道自然弯曲来解决管道热膨胀的方法,称为(B )。
A、冷补偿;B、自然补偿;C、补偿器补偿;D、热补偿。
3. 球形阀的阀体制成流线型是为了(C )。
A、制造方便;B、外形美观;C、减少流动阻力损失;D、减少沿程阻力损失。
4. 当容器内工质的压力大于大气压力,工质处于(A)。
A、正压状态;B、负压状态;C、标准状态;D、临界状态。
5. 朗肯循环是由( B)组成的。
A、两个等温过程,两个绝热过程;B、两个等压过程,两个绝热过程;C、两个等压过程,两个等温过程;D、两个等容过程,两个等温过程。
6. 阀门部件的材质是根据工作介质的(B )来决定的。
A、流量与压力;B、温度与压力;C、流量与温度;D、温度与粘性。
7. 凝汽器内蒸汽的凝结过程可以看作是(D)。
A、等容过程;B、等焓过程;C、绝热过程;D、等压过程。
8. 沸腾时气体和液体同时存在,气体和液体的温度(A )。
A、相等;B、不相等;C、气体温度大于液体温度;D、气体温度小于液体温度。
9.沿程水头损失随水流的流程增长而(A)。
A、增大;B、减少;C、不变;D、不确定。
10. 火力发电厂中,汽轮机是将(D)的设备。
A、热能转变为动能;B、热能转变为电能;C、机械能转变为电能;D、热能转变为机械能。
11. 真空系统的严密性下降后,凝汽器的传热端差(A )。
A、增大;B、减小;C、不变;D、时大时小。
12. 除氧器滑压运行,当机组负荷突然降低,将引起除氧给水的含氧量(B )。
A、增大;B、减小;C、波动;D、不变。
13. 转子在静止时严禁(A),以免转子产生热弯曲。
A、向轴封供汽;B、抽真空;C、对发电机进行投、倒氢工作;D、投用油系统。
华能国际电力股份有限公司湖北分公司(2013年1月)技能比武汽机专业试卷一、填空题(每空1分,共15分)1、各级人员应牢记“安全第一、预防为主、综合治理”的安全生产方针,全面树立“安全就是信誉,安全就是效益,安全就是竞争力”的华能安全理念。
2、汽轮机热态启动,冲转前要连续盘车不少于4小时。
3、.在同样真空水平情况下,汽轮机隋走时间增长说明有泄漏。
汽轮机隋走时间减短说明有摩擦。
4、划分冷热态启动的标准是:高压缸第一级金属温度≥121℃为热态启动。
高压缸第一级金属温度<121℃为冷态启动。
5、汽轮机停机后盘车未能及时投入或在盘车连续运行中停止时,应查明原因,修复后应先盘车180°直轴,直轴后,再投入连续盘车。
6、汽轮机热态启动时,先投轴封供汽,后抽真空。
7、凝结水温度小于排气压力下的饱和温度的数值称凝结水的过冷却度。
8、凝汽器的水位过高,会使凝汽器的换热面积减少,真空下降。
9、凡在热力、机械和热控设备上进行安装、检修、维护或试验的工作,需要对设备采取安全措施的或需要运行人员在运行方式、操作调整上采取保障人身、设备运行安全措施的,必须填用热力机械工作票或外包热力机械工作票。
10、汽轮机相对差胀是指汽机转子膨胀值与气缸膨胀值之差。
绝对差胀是指由探头直接测得的转子和气缸的膨胀值。
二、选择题(每题1分,共20分)1、所有工作人员都应具备必要的安全生产知识,学会紧急救护法,特别要学会( C ),并熟悉有关烧伤、烫伤、外伤、气体中毒等急救常识。
A 人工呼吸B 急救知识C 触电急救法2、凡在离地面(坠落高度基准面)( A )及以上的地点进行的工作,都应视作高处作业。
A 1.5mB 4mC 3m3、在停止给水泵作联动备用时,应(C )。
A、先停泵后关出口阀B、先关出口阀后停泵C、先关出口阀后停泵再开出口阀D、先停泵后关出口阀再开出口阀4、转子在静止时严禁( A ),以免转子产生热弯曲。
A、向轴封供汽;B、拉真空;C、对发电机进行投、倒氢工作;D、投用油系统。
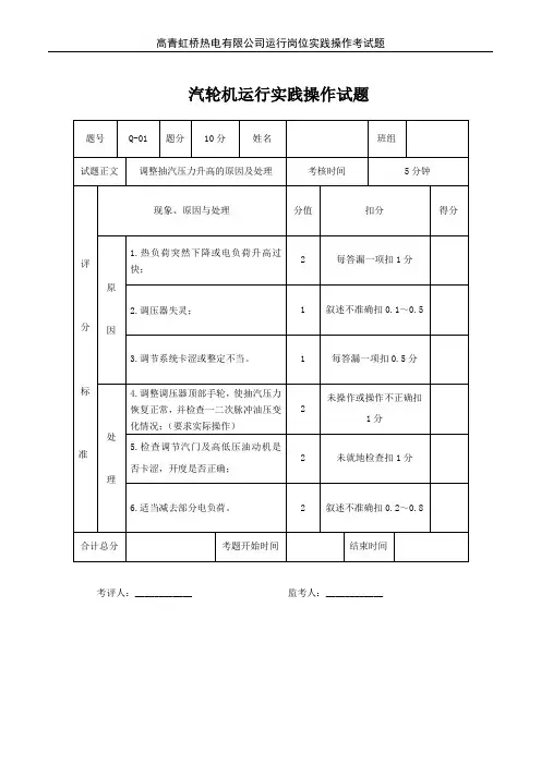
汽轮机运行实践操作试题考评人:____________ 监考人:____________考评人:____________ 监考人:____________考评人:____________ 监考人:____________汽轮机运行实践操作试题考评人:____________ 监考人:____________汽轮机运行实践操作试题考评人:____________ 监考人:____________汽轮机运行实践操作试题考评人:____________ 监考人:____________考评人:____________ 监考人:____________考评人:____________ 监考人:____________考评人:____________ 监考人:____________汽轮机运行实践操作试题考评人:____________ 监考人:____________汽轮机运行实践操作试题考评人:____________ 监考人:____________汽轮机运行实践操作试题考评人:____________ 监考人:____________汽轮机运行实践操作试题考评人:____________ 监考人:____________汽轮机运行实践操作试题考评人:____________ 监考人:____________汽轮机运行实践操作试题考评人:____________ 监考人:____________汽轮机运行实践操作试题考评人:____________ 监考人:____________汽轮机运行实践操作试题考评人:____________ 监考人:____________汽轮机运行实践操作试题考评人:____________ 监考人:____________汽轮机运行实践操作试题考评人:____________ 监考人:____________汽轮机运行实践操作试题考评人:____________ 监考人:____________汽轮机运行实践操作试题考评人:____________ 监考人:____________汽轮机运行实践操作试题考评人:____________ 监考人:____________汽轮机运行实践操作试题考评人:____________ 监考人:____________汽轮机运行实践操作试题考评人:____________ 监考人:____________汽轮机运行实践操作试题考评人:____________ 监考人:____________ 汽轮机运行实践操作试题考评人:____________ 监考人:____________汽轮机运行实践操作试题考评人:____________ 监考人:____________汽轮机运行实践操作试题考评人:____________ 监考人:____________汽轮机运行实践操作试题考评人:____________ 监考人:____________汽轮机运行实践操作试题考评人:____________ 监考人:____________汽轮机运行实践操作试题考评人:____________ 监考人:____________汽轮机运行实践操作试题考评人:____________ 监考人:____________汽轮机运行实践操作试题考评人:____________ 监考人:____________汽轮机运行实践操作试题考评人:____________ 监考人:____________汽轮机运行实践操作试题汽轮机运行实践操作试题考评人:____________ 监考人:____________汽轮机运行实践操作试题考评人:____________ 监考人:____________汽轮机运行实践操作试题考评人:____________ 监考人:____________考评人:____________ 监考人:____________汽轮机运行实践操作试题考评人:____________ 监考人:____________汽轮机运行实践操作试题考评人:____________ 监考人:____________汽轮机运行实践操作试题考评人:____________ 监考人:____________汽轮机运行实践操作试题考评人:____________ 监考人:____________汽轮机运行实践操作试题考评人:____________ 监考人:____________汽轮机运行实践操作试题考评人:____________ 监考人:____________汽轮机运行实践操作试题考评人:____________ 监考人:____________汽轮机运行实践操作试题考评人:____________ 监考人:____________汽轮机运行实践操作试题汽轮机运行实践操作试题。
下一刻大风就把小白球吹跑了;或者你才在上一个洞吞了柏忌,下一个洞你就为抓了老鹰而技师专业技能题库一、填空题(共50道)1、滑停过程中主汽温度下降速度不大于(1-1.5)℃/min。
2、机组启动时,上缸调节级处金属温度低于(204)℃时,称为冷态启动,机组热态启动时,蒸汽温度应高于汽缸金属温度(50--100)℃3、机组运行中,发现窜轴增加时,应对汽轮机进行(全面检查),倾听(内部声音)、测量(轴承振动)。
4、汽轮机发生水冲击的原因:锅炉(满水)或蒸汽(大量带水),并炉不妥,暖管疏水不充分,高压加热器(钢管泄漏)而保护装置未动作,抽汽逆止门不严等。
5、汽轮机负荷不变,真空下降,轴向推力(增加)。
6、汽轮机内有(清晰)的金属摩擦声,应紧急停机。
只有凭借毅力,坚持到底,才有可能成为最后的赢家。
这些磨练与考验使成长中的青少年受益匪浅。
在种下一刻大风就把小白球吹跑了;或者你才在上一个洞吞了柏忌,下一个洞你就为抓了老鹰而7、汽轮机上下缸温差超过规定值时,(禁止)汽轮机启动。
8、汽轮机停机包括从带负荷状态减去(全部负荷),解列(发电机)、切断汽机进汽到转子(静止),进入(盘车)状态。
9、汽轮机真空严密性试验应每月进行一次,试验时将真空泵入口手动门(关闭),注意真空降低数值,一般试验(8)分钟,试验结束后将真空泵入口手动门(开启)10、汽轮机正常停机时,在打闸后,应先检查(有功功率)是否到零,再将发电机与系统解列,或采用(逆功率保护动作)解列。
严禁带负荷解列以防超速。
11、汽轮机主蒸汽温度在10min内下降(50)℃时应打闸停机。
热态启动冲转前,应连续盘车(4)小时以上。
12、循环水中断,会造成(真空)消失,机组停运。
13、在冲转并网后加负荷时,在低负荷阶段。
若出现较大的胀差和温差,应停止(升温升压),应(保持暖机)。
14、真空严密性试验应在负荷稳定在(80%)额定负荷以上,平均每分钟真空下降值不大于(400)Pa为合格。
汽机专业技术比武试卷技术比武试题(汽机部分)一、选择题(每题1分,共20分)1、汽轮机热态启动时油温不得低于()。
A、30℃B、35℃C、38℃D、45℃答案:C2、蒸汽在汽轮机内的膨胀可以看做是():A、等容过程B、等温过程C、等压过程D、绝热过程答案:D3、汽轮机超速试验应连续做两次,两次动作转速差不超过()。
A 0.5%B 0.6%C 0.7%D 1%答案:B4、为防止汽轮发电机组超速损坏,汽轮机装有保护装置,使发电机的转速限制在不大于额定转速的()以内。
A 5%B 10%C 13%D 15%答案:B5、高加运行中,由于水侧压力()汽侧压力,为保证汽轮机组安全运行,在高加水侧设有自动旁路保护装置。
A. 低于;B.高于;C.等于。
答案:B6、盘车期间,润滑油泵()。
A.必须保持连续运行;B.可以继续运行;C.可以停止运行。
答案:A7、凝结水的过冷却度一般()℃。
A.2~5;B.8~10;C.<2。
答案:C8、汽轮机高压部分广泛应用的隔板支撑定位法是()。
A.销钉支撑定位;B.悬挂销和键支撑定位;C. Z形悬挂销中分面支撑定位。
答案:C9、除氧器水位低至()mm时,联跳给水泵。
A 0B 300C 600D 800答案:A10、加热器满水会使被加热的给水(或凝结水)出口温度()A、降低B、升高C、不变答案:A11、汽轮机的差胀是指汽轮机转子和()的膨胀差值。
A、隔板B、汽缸C、汽封D、主轴答案:B12、在汽轮机的冲动级中,蒸汽的热能转变为动能是在__中完成。
A、喷嘴B、动叶片C、静叶片D、汽缸答案:A13、高压汽轮机监视段压力相对增长值不超过()。
A、10%B、7%C、5%D、3%答案:C14、汽轮机冷态启动时,蒸汽与汽缸内壁的换热形式主要是()。
A、传导换热B、对流换热C、凝结换热D、辐射换热答案:C15、汽轮机冷态启动时,在升速过程中,高压缸各级的轴向动静间隙()。
A 增大B 减小C 不变D与汽温有关16、汽轮机大修后,甩负荷试验前必须进行()。
技术比武试题(汽机部分)一、选择题(每题1分,共20分)1、汽轮机热态启动时油温不得低于()。
A、30℃B、35℃C、38℃D、45℃答案:C2、蒸汽在汽轮机内的膨胀可以看做是():A、等容过程B、等温过程C、等压过程D、绝热过程答案:D3、汽轮机超速试验应连续做两次,两次动作转速差不超过()。
A 0.5% B 0.6% C 0.7% D 1%答案:B4、为防止汽轮发电机组超速损坏,汽轮机装有保护装置,使发电机的转速限制在不大于额定转速的()以内。
A 5% B 10% C 13% D 15%答案:B5、高加运行中,由于水侧压力()汽侧压力,为保证汽轮机组安全运行,在高加水侧设有自动旁路保护装置。
A.低于;B.高于;C.等于。
答案:B6、盘车期间,润滑油泵()。
A.必须保持连续运行;B.可以继续运行;C.可以停止运行。
答案:A7、凝结水的过冷却度一般()℃。
A. 2~5;B.8~10;C.<2。
答案:C8、汽轮机高压部分广泛应用的隔板支撑定位法是()。
A.销钉支撑定位;B.悬挂销和键支撑定位;C.Z形悬挂销中分面支撑定位。
答案:C9、除氧器水位低至()mm时,联跳给水泵。
A 0 B 300 C 600 D 800答案:A10、加热器满水会使被加热的给水(或凝结水)出口温度()A、降低B、升高C、不变答案:A11、汽轮机的差胀是指汽轮机转子和()的膨胀差值。
A、隔板B、汽缸C、汽封D、主轴答案:B12、在汽轮机的冲动级中,蒸汽的热能转变为动能是在__中完成。
A、喷嘴B、动叶片C、静叶片D、汽缸答案:A13、高压汽轮机监视段压力相对增长值不超过()。
A、10%B、7%C、5%D、3%答案:C14、汽轮机冷态启动时,蒸汽与汽缸内壁的换热形式主要是()。
A、传导换热B、对流换热C、凝结换热D、辐射换热答案:C15、汽轮机冷态启动时,在升速过程中,高压缸各级的轴向动静间隙()。
A 增大B 减小C 不变D与汽温有关16、汽轮机大修后,甩负荷试验前必须进行()。
汽机专业实操100题1.操作阀门有哪些注意事项?⑴识别阀门开关方向:一般手动阀顺时针方向为关、逆时针方向为开,个别相反。
90°转向的旋塞阀阀杆顶部有沟槽(玛格线),与管道垂直为关,与管道平行为开。
气动、电动阀门切手动操作时,应注意其上换向、开关标志;⑵用力要适当,切勿使用大扳手开关小的阀门;⑶阀门两侧温差大时,应疏水暖管,缓慢开启。
两侧压差过大时,开启阀门前有旁通门应先开旁通;⑷闸阀、截止阀类阀门开、关到头,要回转1/4~1/2圈,以免拧得过紧,损坏阀件,或受热、受冷后阀门操作不动。
⑸气动带手轮阀门,正常手轮应放在中间位置(自动位),以免影响气动动作。
气动失灵时可在就地用手轮开、关操作。
辅机的启停2.循环水泵的启动?1.检查循环水泵入口电动门、出口液控蝶阀、密封水门位置正确。
2.稍开备用循环泵放空气门,启动备用循环泵冷却风扇,启动备用循环泵,缓慢增加频率,开启出口液控蝶阀,调整至所需循环水压力。
3.待空气放完后关闭空气门。
3.循环水泵的停运?1.检查循环水泵入口电动门、出口液控蝶阀、密封水门位置正确。
2退出循环泵联锁。
减频至不出力,关闭出口液控蝶阀。
3.停止运行循环泵,检查循环泵泵无倒转。
待电机温度常温后停止冷却风扇。
4.循环水泵的切换?1. 检查备用循环泵入口电动门、出口液控蝶阀、密封水门位置正确。
2. 稍开备用循环泵放空气门,启动备用循环泵冷却风扇,启动备用循环泵,缓慢增加频率,带出口压力等于或者大于母管压力时开启出口液控蝶阀。
3. 待空气放完后关闭空气门。
4. 检查循环泵运行正常5. 退出运行泵循环泵联锁。
减频至不出力,关闭出口液控蝶阀。
6. 停止运行循环泵,检查循环泵泵无倒转。
待电机温度常温后停止冷却风扇。
7. 投入循环泵联锁,出口液控蝶阀连锁。
5.工业水泵的启动?1.检查工业水泵无检修工作,电机正常送电,绝缘无异常。
2.记录工业水箱水位。
3开启工业水泵入口手动门。
4.启动工业水泵,记录泵出口水压。
1、安装过程中转子检查需要测量哪些数据?答:大轴弯曲度,轴颈椭圆度、不柱度,推力盘瓢偏、晃度,联轴器端面瓢偏,联轴器外圆径向晃度,联轴器止口配合,联轴器止口径向晃度;2、汽机岛基础沉降观测测量分为哪几个阶段测量?答:基础养护期满后测量,汽轮机汽缸就位前、后,发电机定子就位前、后,汽轮机和发电机二次灌浆前,整套试运行前、后。
3、汽缸存放过程中,需注意哪些事项?答案:底面应加垫保护,安放平稳,防止变形,加工面及螺栓孔应采取保护措施,防止碰伤及锈蚀;4、基础交安时基础凿毛需达到什么标准?答案:基础表面无浮浆层,露出毛面5、轴承座灌油试验操作过程?答案:灌油前轴承座内外应清理干净,灌油高度应不低于回油管的外口上沿,灌油24h后检查应无渗漏。
6、用压铅丝测量轴瓦顶隙的方法是?答案:铅丝直径应为测量间隙值得1.5倍,轴瓦的水平结合面紧螺栓应无间隙,连续测量两次以上取数值的平均值。
7、转子吊装应符合哪些规定?答案:吊点位置应符合制造厂技术要求,轴颈处不得作为吊点;吊装时转子水平值应符合制造厂技术要求8、汽轮发电机组二次灌浆前,除制造厂有特殊要求外,应完成哪些工作?答案:1)汽轮发电机组主要设备已安装结束;2)发电机和励磁机的磁力中心和空气间隙已调整结束;3)轴系找中心合格;4)穿过二次灌浆层的管道、电缆、仪表管线等敷设完毕并已传入专用套管;5)基础垫铁之间点焊牢固;9、基础二次灌浆前基础表面应达到什么要求?答案:吹扫干净,无杂物、无油漆、无油污,混凝土表面浸润24h以上;10、凝汽器冷却管穿装应符合哪些规定?答案:1)管板和各隔板处应有专人监护,冷却管不应与隔板及管板冲撞2)冷却管检查不应有裂纹砂眼、腐蚀、凹陷、毛刺等缺陷,管内应无杂物、无油污、无堵塞,管径壁厚符合制造厂要求,管口应清理毛边;3)穿管应使用导向器,穿管受阻时不得强行穿管11、管道系统验收时主要有哪些验收签证单需要签字?答案:管道试压前检查签证、隐蔽工程签证单、管道严密性试验签证单、管道系统吹扫(冲洗)签证单12、汽轮机本体安装分部工程中有哪些验收签证单需要签字?答案:台板接触检查签证单、轴承座灌油试验签证单、轴承座扣盖签证单、汽缸外观检查签证单、汽轮机转子外观检查签证单、高、中压喷嘴室检查封闭签证单、汽轮机扣盖前检查签证单、汽轮机扣盖签证单、汽轮机基础二次灌浆前检查签证单;13、凝汽器灌水试验应符合哪些规定?答案:1)灌水前应加装临时高位水位计;2)灌水高度宜在汽封洼窝以下100mm,维持24h应无渗漏;3)各抽汽管道及其他在主机启动时处于真空转态下的管道和设备均应灌水;4)灌水试验后应排净水。
汽机专业试题及答案解析一、单选题(每题2分,共20分)1. 汽轮机的工作原理是利用______来推动汽轮机转子转动。
A. 蒸汽压力B. 蒸汽温度C. 蒸汽流速D. 蒸汽流量答案:C解析:汽轮机的工作原理是利用蒸汽流速来推动汽轮机转子转动。
2. 汽轮机的级数是指______。
A. 汽轮机的转子数B. 汽轮机的叶片数C. 汽轮机的叶片组数D. 汽轮机的蒸汽压力答案:C解析:汽轮机的级数是指汽轮机的叶片组数。
3. 汽轮机的效率是指______。
A. 汽轮机的功率与蒸汽的热能之比B. 汽轮机的功率与蒸汽的动能之比C. 汽轮机的功率与蒸汽的焓差之比D. 汽轮机的功率与蒸汽的流量之比答案:C解析:汽轮机的效率是指汽轮机的功率与蒸汽的焓差之比。
4. 汽轮机的调节系统主要作用是______。
A. 控制蒸汽流量B. 控制蒸汽压力C. 控制汽轮机转速D. 控制汽轮机温度答案:C解析:汽轮机的调节系统主要作用是控制汽轮机转速。
5. 汽轮机的排汽压力通常______。
A. 等于大气压力B. 大于大气压力C. 小于大气压力D. 等于蒸汽压力答案:A解析:汽轮机的排汽压力通常等于大气压力。
6. 汽轮机的临界转速是指______。
A. 汽轮机的最高转速B. 汽轮机的最低转速C. 汽轮机的共振转速D. 汽轮机的稳定转速答案:C解析:汽轮机的临界转速是指汽轮机的共振转速。
7. 汽轮机的轴承类型主要有______。
A. 滑动轴承B. 滚动轴承C. 静压轴承D. 动压轴承答案:A解析:汽轮机的轴承类型主要有滑动轴承。
8. 汽轮机的喷嘴通常采用______材料制造。
A. 不锈钢B. 铸铁C. 合金钢D. 碳钢答案:C解析:汽轮机的喷嘴通常采用合金钢材料制造。
9. 汽轮机的凝汽器的作用是______。
A. 提高蒸汽压力B. 降低蒸汽温度C. 回收凝结水D. 增加蒸汽流量答案:C解析:汽轮机的凝汽器的作用是回收凝结水。
10. 汽轮机的热效率是指______。
1、不论是冷紧或热紧的汽缸螺栓,在拧紧后一般都是以螺栓的(C )作为鉴定螺栓是否紧固的基准A、紧固转角B、紧固弧长C、伸长量D、手锤敲击音量2、在热紧汽缸中分面螺栓时,应从汽缸的(B )开始进行A、前端B、中端C、后端D、任意位置3、当检修拆除汽缸结合面螺栓时,应首先选择汽缸变形(或结合面变形)(C)处的螺栓进行松动工作;A、最小B、中等C、最大D、任意4、在汽轮机汽启动过程中,由于转子的质量比汽缸小、比表面积却比汽缸大,所以转子的受热膨胀速度比汽缸(A)A、快B、相等C、慢D、不确定5、吊开汽缸大盖时,应严格保证全过程中汽缸的的(B )程度;A、垂直B、水平C、旋转D、倾斜6、把汽轮机各转子联轴器连接起来测得的轴系的总窜动量应等于或略( B )单根转子的最大窜动量;A、高于B、小于C、等于D、大于7、发电机定子与转子间的空气间隙测量时,各测量点的间隙值与平均间隙允许偏差为(A )A、1mmB、2mmC、1.5mmD、3mm8、油箱就位安装时,纵横中心线和标高偏差应不大于( C )mmA、5mmB、2mmC、10mmD、1mm9、润滑油过滤合格油样颗粒度等级应不低于NAS(B )级A、7B、6C、8D、510、管道开孔应在管道安装前完成,开孔后应将内部清理干净,不应遗留杂物,孔径小于(C )mm时,应采用机械开孔A、20B、25C、30D、5011、疏、放水管接入疏、放水母管处,应按介质流动方向倾斜( D ),若将不同压力的疏水管接入同一母管内,应按压力等级由高到低,安装位置由外到内的顺序排列;A、30°B、35°C、40°D、45°12、气体保护焊环境温度应不大于()m/s,其他焊接方法环境风俗应不大于(C )m/sA、2,6B、1.5,6C、2,8D、1.5,813、汽机岛混凝土需达到设计强度的(B ),方可拆模;A、65%B、70%C、75%D、80%14、罩型螺母冷紧后螺栓顶部应有(A )以上螺距的间隙A、2个B、3个C、4个D、1个15、轴瓦垫块的调整垫片应采用整张不锈钢垫片,每块垫块的垫片应平整、无毛刺和卷边,且不应超过( B )层,垫片应略小于垫块外形尺寸;A、2B、3C、4D、516、椭圆瓦两侧间隙,用塞尺检查阻油边处为准,插入深度为( D )mmA、10~20B、10~30C、13~30D、15~2017、汽封间隙调整结束后,相邻两个弧段的端部接触面应密实,整圈汽封块的膨胀间隙应符合制造厂要求,无要求时宜为( B )mmA、0.20~0.30B、0.20~0.25C、0.25~0.30D、0.15~0.2018、凝汽器与排气缸连接时应制定防止焊接变形措施,施焊时应用百分表监视汽缸台板四角的变形和位移,当变化量大于( D )mm时要暂停施焊,带恢复原态后再继续施焊;A、0.15B、0.05C、0.20D、0.1019、对推力轴承来说,进场承受转子轴向推力的一侧被称为( B )面而另一侧被称为()面;A、非工作、工作B、工作、非工作C、承力、非承力D、承力、非工作20、根据油膜润滑理论可知,在油楔(A )截面处产生最大的油压,而油压越高产生的承载力越大;A、最小B、中等C、最大D、端部21、凡介质温度超过(B )℃的设备和管道,均应保温;A、30B、50C、70D、9022、用于捆绑设备的钢丝绳安全系数应选( B )A、4B、6C、8D、1023、汽缸膨胀时,在汽缸纵向中心线上膨胀死点左侧的部分移动方向是(D )A、向左且斜向下B、向左且斜向上C、向右D、向左24、转子推力盘的瓢偏度允许值为( B )mmA、0.01B、0.02C、0.03D、0.0425、汽轮机长期低负荷运行,会加速( A )叶片水蚀的发展;A、末几级B、中间级C、调节级D、所有级。
汽机实操题库公用主操岗位实操考试(A)实操人: 岗位:实操时间: 考评人:时间题型事故类题分 100 实操题名称最终得分给水泵汽化的现象及处理其他需要 1(两人完成(一人独立操作,一人监护)说明的问 2(安全文明操作题和要求 3(在正常运行或不影响生产时进行工具、材料现场实际设备设备、场地测振仪、测温仪、听音棒、棉纱、板手、螺丝刀、对讲机一对、工具包。
标序准项目名称得分号分值1 8 现象:入口压力低,有摆动,出口压力有摆动。
评 8 电流摆动,泵内有断续的水击声。
8 原因:给水泵超负荷运行,使给水泵入口管内的水流速过大,压力降低而引起汽化。
2 8 除氧器内压力突然降低。
分8 给水泵入口过滤网被杂物堵塞,给水泵入口处压力降低而引起汽化。
6 给水泵入口管路内侵入空气。
处理:启动备用泵,降低运行泵的流量,若无备用给水泵时,立即联系司机司炉适 10 当减少机组负荷,以消除给水泵入口汽化。
标10 分析、寻找引起给水泵汽化的原因,采取相应措施及时消除。
10 给水泵入口管内侵入空气时,应及时停止运行,设法排出空气。
3 当启动备用泵基降低机组负荷后水泵的入口汽化现象仍不消除时,则汽化的原因 10 可能是给水泵入口侵入空气,这一情况一般是发生在给水泵入口管路切换,管内准空气排出不合理而引起的。
若给水泵入口过滤网补堵而引起汽化、则应在给水泵容易能满足需要的情况下,10 停止给水泵,清扫入口滤网,在正常情况下,给水泵入口过滤网应有计划地定期清扫。
4 操作完毕汇报值长。
汽机车间公用副操转正实操考试(B)实操人: 岗位:实操时间: 考评人: 时间题型设备操作类题分 100 实操题给水泵启动操作最终得分名称其他需要 1(两人完成(一人独立操作,一人监护)说明的问 2(安全文明操作题和要求 3(在正常运行或不影响生产时进行工具、材现场实际设备料、设备、测振仪、测温仪、听音棒、棉纱、板手、螺丝刀、对讲机一对、工具包。
场地序标准得项目名称号分值分1 联系电气给稀油站、电机冷却风机及给水泵电机送电;102 确认给水泵油系统所有阀门开启主轴承润滑; 10 评3 确认稀油站油位正常对稀油站检查正常后,启动稀油站;104 确认稀油站油泵联锁正常,及各项试验正常; 10 分5 确认润滑油压、油温正常,并进行调整,打开泵入口阀、再循环阀,打开泵体放水阀和排气阀暖泵; 106 投用给水泵轴瓦冷却水和密封水,投用稀油站润滑油冷却器的冷却水; 10 标7 确认润滑油压冷却水正常对给水泵转子盘车,确认无死点,且充分的将润滑油进入各轴10瓦之间;8 汇报值长和电气要求启动给水泵值长同意后,启动电机冷却风机,对讲机联系监盘人员10 准启动给水泵;9 检查启动电流、声音、振动、润滑、轴承温度,窜量等情况正常手动缓慢开启出口门,根10据泵的出口压力调整给水泵再循环门全开给水泵出口手动门及电动门。
┅┅┅┅┅┅┅┅┅┅密┅┅┅┅┅┅封┅┅┅┅┅┅┅线┅┅┅┅┅┅┅┅┅┅(11-025)国华电力职业技能鉴定汽轮机运行值班员高级技师实操技能试卷注意事项:1.答卷前将装订线上边的项目填写清楚。
2.答卷必须用蓝色或黑色钢笔、圆珠笔,不许用铅笔或红笔。
3.本份试卷4,满分 100 分,考试时间90分钟一、运行中对巡回检查有什么要求?哪些特殊情况应加强巡回检查次数?(10分)参考答案:1、对巡检的要求:⑴、检查按时间,路线按顺序,内容按规定,项目不遗漏。
⑵、检查时必须携带必要的工具:如电筒、听针、棉纱等,真正做到耳听、鼻嗅、手摸、眼看。
⑶、熟悉设备的检查标准,掌握设备的运行情况,发现问题分析原因,同时做好记录,并作出及时处理与防患措施。
2、有下列情况时应加强巡检的次数:⑴、设备存在一、二类缺陷,新投运的设备、主要辅助设备失去备用时,要进行不定期巡回检查,至少每小时对其巡回检查一次。
⑵、雷雨、大风、大雪、大雾等恶劣天气到来前、后,要对室外电气设备、煤场及其重点设备加强检查。
⑶、在夏季大负荷高温天气时,要重点加强主、辅机各冷却设备及转动设备的轴承温度、凝汽器真空、水塔水位等设备、参数的巡回检查。
⑷、在冬季遇有寒流时,要对转动设备冷却水、油系统电加热、蒸汽伴热、室内外开关柜、开关箱内电加热装置、室外阀门井、水塔结冰等重点加强巡回检查。
┅┅┅┅┅┅┅┅┅┅密┅┅┅┅┅┅封┅┅┅┅┅┅┅线┅┅┅┅┅┅┅┅┅┅⑸、新投产设备、大修或改进后的设备第一次投运时。
⑹、在设备启停过程中,特别是在设备启动过程中,必须进行就地检查监视,待设备运行稳定后方可离开。
二、汽轮机起停和工况变化时哪些部位热应力最大?防止叶轮开裂和主轴断裂应采取哪些措施? (30分)参考答案:1、最大热应力发生的部位通常是:高压缸的调节级处,再热机组中压缸的进汽区,高压转子在调节级前后的汽封处、中压转子的前汽封处等。
2、防止叶轮开裂和主轴断裂应采取的措施:⑴、首先应由制造厂对材料质量提出严格要求,加强质量检验工作。
汽机实操题1. 汽轮机启动时为什么要限制上、下缸的温差?答:汽轮机汽缸上、下存在温差,将引起汽缸的变形。
上、下缸温度通常是上缸高于下缸,因而上缸变形大于下缸,引起汽缸向上拱起,发生热翘曲变形,俗称猫拱背。
汽缸的这种变形使下缸底部径向动静间隙减小甚至消失,造成动静部分摩擦,尤其当转子存在热弯曲时,动静部分摩擦的危险更大。
上下缸温差是监视和控制汽缸热翘曲变形的指标。
大型汽轮机高压转子一般是整锻的,轴封部分在轴体上车旋加工而成,一旦发生摩擦就会引起大轴弯曲发生振动,如不及时处理,可能引起永久变形。
汽缸上下温差过大常是造成大轴弯曲的初始原因,因此汽轮机启动时一定要限制上下缸的温差。
2. 汽轮机轴向位移增大的主要原因有哪些?答:(1)汽温汽压下降,通流部分过负荷及回热加热器停用。
(2)隔板轴封间隙因磨损而漏汽增大。
(3)蒸汽品质不良,引起通流部分结垢。
(4)发生水冲击。
(5)负荷变化,一般来讲凝汽式汽轮机的轴向推力随负荷的增加而增大;对抽汽式或背压式汽轮机来讲,最大的轴向推力可能在某一中间负荷时。
(6)推力瓦损坏。
3. 中间再热机组有何优缺点?答:(一)中间再热机组的优点(1)提高了机组效率,如果单纯依靠提高汽轮机进汽压力和温度来提高机组效率是不现实的,因为目前金属温度允许极限已经提高到560℃。
若该温度进一步提高,则材料的价格却昂贵得多。
不仅温度的升高是有限的,而且压力的升高也受到材料的限制。
大容量机组均采用中间再热方式,高压缸排汽在进中压缸之前须回到锅炉中再热。
再热蒸汽温度与主蒸汽温度相等,均为540℃。
一次中间再热至少能提高机组效率5%以上。
(2)提高了乏汽的干度,低压缸中末级的蒸汽湿度相应减少至允许数值内。
否则,若蒸汽中出现微小水滴,会造成末几级叶片的损坏,威胁安全运行。
(3)采用中间再热后,可降低汽耗率,同样发电出力下的蒸汽流量相应减少。
因此末几级叶片的高度在结构设计时可相应减少,节约叶片金属材料。
三级工
1、循环水二次滤网怎样进行反冲洗?
2、中继水泵启动操作步骤?
3、中继水泵如何进行停用?
4、检查设备时,对中继水泵检查哪些方面?
5、真空泵启动操作步骤?
6、一般转动设备如何进行加油?
7、检查设备时,对循环泵检查哪些方面?
四级工
1、凝汽器如何进行胶球清洗?
2、汽轮机连续盘车如何投入?
3、给水泵启动操作步骤?
4、给水泵停用的操作步骤?
5、高加如何投入?
6、主油箱油位升高的原因有哪些?
7、轴封供汽如何投入?
五级工
1、凝汽器如何进行半面清洗?
2、汽轮机发生水冲击的原因有哪些?
3、如何判断高加是否泄漏?
4、机组正常运行中应经常监视的参数有哪些?
5、盘车投入时吗,主要检查哪些项目?
六级工
1、如何进行真空严密性试验?
2、主汽压力异常如何处理?
3、三段抽汽如何投入?
4、如何进行抽汽逆止门活动试验?
5、主汽温度异常如何处理?
七级工
1、如何进行自动主汽门活动试验?
2、如何做交直流润滑油泵启动试验?
3、简述开机步骤?
4、汽机发生水冲击的原因有哪些?。