(行业报告)沿程水头损失实验报告(报告范文)
- 格式:doc
- 大小:167.50 KB
- 文档页数:6
沿程水头损失实验报告数据
沿程水头损失实验是一种评估流体运行损失的有效方法,广泛应用于流体力学和水力学的研究中。
它具有测量快捷、精度高的优点,在实验室中往往只需几分钟即可完成。
因此,本次实验旨在通过实验测试流体运行在涡街管道内沿程水头损失,记录下运行过程中所有相关数据,并通过分析得出结论。
本实验的实验装置及其参数如下:1.实验装置:涡街管道,涡街管道长度30 cm,内径2.5 cm;2.实验介质:重力引水管,水温20℃;3.实验参数:流量0.5L/S,沿程压力表示300mmH2O。
实验过程中,分别在涡街管道的端头和中间穿越处安装沿程压力计,以监测沿程压力变化情况,并将沿程压力数据和流量数据采集记录,以供实验分析。
实验结果如下:在实验过程中,随着流量的增加,沿程压力也随之增加,最终得到的结果与涡街管道理论分析结果接近,说明管道本身对流体的运动损失比较小,估计管道中沿程水头损失也会较小。
随着流量减小,沿程压力也会随之减小,最终结果依然较接近理论结果,说明管道本身运动损失的影响并不明显,并且沿程水头损失量也会较小。
结论:从实验结果来看,涡街管道中沿程水头损失量较小,受管道结构的影响不大。
本实验为我们提供了一种有效的方法来评估流体运行在管道内的沿程水头损失,实验结果满足数学模型的预期,表明实验结果可靠,是一项有效的实验研究。
本次实验揭示了流体运行在涡街管道内沿程水头损失状况,为实际项目设计提供了有用的参考信息。
沿程水头损失量测实验报告一、实验原理1. 对于通过直径不变的圆管的恒定水流,沿程水头损失为:h gpz g p z h f ∆ρρ=+-+=)()(2211, 即上下游量测断面的比压计读数差。
沿程水头损失也常表达为:,称为沿程水头损失系数,l 为上下游量测断面之间的管段长度,d 为管道直径,v 为断面平均流速。
若在实验中测得h ∆和断面平均流速,则可直接得到沿程水头损失系数:2. 不同流动型态及流区的水流,其沿程水头损失与断面平均流速的关系是不同的。
层流流动中的沿程水头损失与断面平均流速的1次方成正比;紊流流动中的沿程水头损失与断面平均流速的1.75~2.0次方成正比。
3. 沿程水头损失系数λ是相对粗糙度与雷诺数的函数,k s 为管壁当量粗糙,(其中为水的运动粘滞系数)。
4. 圆管层流流动,5. 光滑圆管紊流流动可取.可见在层流流动和紊流光滑区,沿程水头损失系数只取决于雷诺数。
6. 粗糙圆管紊流流动2)74.12/lg 2(1+=sk d λ,沿程水头损失系数完全由粗糙度决定,与雷诺数无关,此时沿程水头损失与断面平均流速的平方成正比,所以紊流粗糙区通常也叫做‘阻力平方区’。
7. 在紊流光滑区和紊流粗糙区之间存在过渡区,此时沿程水头损失系数与雷诺数和粗糙gv d l h f 22λ=λg v d l h22∆=λd k s e R νvd R e =νeR 64=λ413164.0eR =λ)10(5<e R λλλ度都有关。
8. 粗糙系数n 可按下列公式进行计算:,式中R 为管道的水力半径,圆管的水力半径R = d /4,该式适用于紊流粗糙区。
二、实验装置本实验分别在直径不同的玻璃管、细铜管、粗铜管、粗铁管和人工加糙管中进行。
由于不同管道中流量和水头损失的数值差别很大,故采用不同的量测方法。
各组可按照所选管道,采用相应的设备及量测仪器。
本实验对于各种管道均采用比压计(或水银比压计)量测水头损失,流量的量测分别用三角堰、体积法进行。
竭诚为您提供优质文档/双击可除沿程水头损失实验报告篇一:沿程水头损失实验沿程水头损失实验一、实验目的要求1、加深了解圆管层流和紊流的沿程水头损失随平均流速变化的规律,绘制lghf~lgv曲线;2、掌握管道沿程阻力系数的量测技术和应用气—水压差计及电测仪测量压差的方法;3、将测得的Re~?关系值与莫迪图对比,分析其合理性,进一步提高实验成果分析能力。
二、实验装置本实验的装置如图7.1所示图7.1自循环沿程水头损失实验装置图1.自循环高压恒定全自动供水器;2.实验台;3.回水管;4.水压差计;6.实验管道;7.水银压差计;8.滑支测量尺;9.测压点;10.实验流量调节阀;11.供水管与供水阀;12.旁通管与旁通阀;13.稳压筒。
根据压差测法不同,有两种方式测压差:1、低压差时用水压差计量测;2、高压差时用电子量测仪(简称电测仪)量测(但本仪器暂时不能测定高压)。
本实验装置配备有:1、自动水泵与稳压器自循环高压恒定全自动供水器由离心泵、自动压力开关、气—水压力罐式稳压器等组成。
压力超高时能自动停机,过低时能自动开机。
为避免因水泵直接向实验管道供水而造成的压力波动等影响,离心泵的输水是先进入稳压器的压力罐,经稳压后再送向实验管道。
24图7.21.压力传感器;2.排气旋钮;3.连接管;4.主机2、旁通管与旁通阀由于本实验装置所采用水泵的特性,在供小流量时有可能时开时停,从而造成供水压力的较大波动,为了避免这种情况出现,供水器设有与蓄水箱直通的旁通管(图中未标出)。
通过分流可使水泵持续稳定运行。
旁通管中设有调节分流量至蓄水箱的阀门,即旁通阀,实验流量随旁通阀开度减小(分流量减小)而增大。
实际上旁通阀又是本装置用以调节流量的重要阀门之一。
3、稳压筒为了简化排气,并防止实验中再进气,在传感器前连接由2只充水(不满顶)之密封立筒构成。
4、电测仪由压力传感器和主机两部分组成,经由连通管将其接入测点(图7.2),压差读数(以厘米水柱为单位)通过主机显示。
流体力学实验-沿程水头损失实验沿程水头损失实验是一种常用的流体力学实验方法。
本实验旨在通过测量不同流量下导管内水头的变化,探究水流在管道中的特性,并计算出沿程水头损失的大小。
实验过程中,需要使用一定量的设备和仪器,并依照操作规程严格进行。
一、实验原理在流体运动的过程中,由于各种因素的影响,水流到达管道出口时就会形成一定的水头损失。
这种损失会导致水的动能和势能的减少。
导致水头损失的因素很多,例如摩擦力、弯头和阀门等等。
沿程水头损失是影响管道流量的重要因素之一。
通过实验测量可以发现,当液体在管中流动时,由于各种因素的作用,流速呈现先逐渐增大,后逐渐减小的趋势。
在这个过程中,水头随着流速的变化而发生变化。
沿程水头损失实验能够检测和量化这种损失,帮助我们更好地理解流体在管道内的运动规律。
二、实验所需设备和仪器(1)液体水箱:用于储备待测液体;(2)毒品测量器(由简单涡街流量计构成):测量深度流速;(3)压力计:测量流体在管道中的压力;(4)导管:作为流体运动的通道;(5)阀门:控制导管内流体的流量;(6)流速表:快速计算流速。
三、实验操作流程1. 准备实验设备和仪器,将液体水箱放在实验桌上,管道立管和直管网络由导管、液压复位气缸和阀门等组成,将导管挂在垂直的脚手架上,管径不小于50mm2. 开启导管上部的阀门,逐渐调整下部阀门大小,将待检液体注入导管中,在该示教器试验过程中,我们用的是清水。
3. 将导管上、下部的阀门均调节到合适位置,以确保在导管内的液体水头的压力和流速稳定,然后测量液体水头的压力,记录数据。
4. 依次打开各阀门,逐渐调整流量,测量不同流量情况下的水头压力,记录数据。
5. 计算不同流量下导管内水头损失的大小。
四、实验注意事项1. 操作前需要进行充分的安全措施,确保实验过程安全。
2. 实验过程中应当注意,避免液体溅出,尤其是在调节水流时。
3. 在测量时应当减少干扰,尽可能保证测量数据的精确性。
沿程水头损失量测实验实验报告沿程水头损失实验沿程水头损失实验前言:确定沿程水头损失,首先得弄清沿程阻力系数的变化规律。
1933年尼古拉兹采用不同粒径的人工粗砂粘于管道内壁模拟粗糙的方法进行了一系列管道实验,得出了管道沿程阻力系数变化的一般规律。
(1)雷诺数Re2000 时,水流为层流,?与Re呈倒数关系,且?=64/Re. (2)2000Re4000 时,层流向紊流过渡,Re 为?的主要影响因素.(3)Re4000 时,水流处于紊流状态:(a)当Re较小时,由于粘性底层较厚,从而掩盖了圆管内壁粗糙度,流动处于紊流光滑区,?只与Re 有关,即λ=f(Re);(b)当Re 很大时,管壁糙面凸起完全深入管内紊流流核,沿程阻力主要受水流流经管壁糙面凸起时形成的小旋涡影响,流动处于紊流粗糙区,λ由相对粗糙度Δ/R(R为水力半径,下同)决定,λ=f(Δ/ d);(c)当Re 介于紊流光滑区与粗糙区之间时,λ由Re 和Δ/d 共同决定,流动处于紊流过渡粗糙区,λ=f(Δ/d,Re)。
1937 年泰科斯达在人工加糙明渠中进行了沿程阻力实验,得出了与尼古拉兹实验相似的论,说明管流和明渠流具有相同的变化规律.为满足工程实际应用的需要,人们通过实验总结出许多经验或半经验公式λ如适用于紊流光滑区的布拉修斯公式,适用于过渡粗糙区的柯—怀公式,适用于紊流光滑区的尼古拉兹经验公式,莫迪图经验公式,本实验采用莫迪图经验公式进行对比分析。
摘要:本次实验内容有,测量沿程阻力系数?,通过与莫迪图对比分析其合理性,提高实验成果分析能力;绘制lghf?lgV曲线,加深了解圆管层流和紊流的沿程损失随平均流速变化的规律。
实验原理 LV2hf??d2g 由达西公式2gdhf12gdhf?2hf2(d/Q)?K22L?L4Q得K??2gd5/8L其中hf为水头损失,?为沿程阻力系数,L为管道长度、d为管道内径,V为平均流速,另由能量方程对水平等直径圆管可得hf?(p1?p2)/h△h为测压管的液面高差实验装置实验方法与步骤准备Ⅰ对照装置图和说明,搞清各组成部件的名称、作用及其工作原理;记录有关实验常数:工作管内径d和实验管长L。
沿程水头损失实验报告沿程水头损失实验报告引言:沿程水头损失是指水流在流动过程中由于各种因素的作用而导致能量损失的现象。
在工程设计和水力学研究中,准确估计和控制沿程水头损失对于保证工程安全和水资源的合理利用至关重要。
本实验旨在通过实际测量和分析,探究沿程水头损失的特点和影响因素,为相关领域的研究和应用提供参考。
实验装置与方法:本实验采用了一条直管道模型,模拟了实际工程中的水流情况。
实验装置包括进水管、直管道和出水管,通过调节流量控制阀来控制水流的速度。
实验中使用了压力传感器和流量计等仪器设备,对水流的压力和流速进行了测量。
实验过程与结果:首先,我们设置了不同的流量条件,分别测量了不同位置处的水流压力和流速。
通过实验数据的分析,我们得到了沿程水头损失的变化规律。
结果表明,在相同流量条件下,沿程水头损失随着流动距离的增加而逐渐增大。
这是因为水流在通过直管道时,受到了阻力、摩擦和弯曲等因素的影响,从而导致了能量的损失。
同时,我们还发现水头损失的增加速度随着流量的增加而加快,这意味着在高流量条件下,沿程水头损失更为显著。
进一步分析发现,沿程水头损失还受到管道粗糙度、流速和管道长度等因素的影响。
实验中我们通过改变管道的材质和长度,以及调节流量控制阀来模拟不同工程条件下的水头损失情况。
结果表明,管道的粗糙度越大,水头损失越明显;管道长度的增加也会导致水头损失的增加。
此外,流速的变化对水头损失的影响较为复杂,低流速时水头损失较小,但过高的流速同样会导致能量的损失。
讨论与结论:通过本次实验,我们对沿程水头损失的特点和影响因素有了初步的认识。
实验结果表明,沿程水头损失是一个复杂的现象,受到多种因素的综合影响。
在实际工程中,我们应该根据具体情况,综合考虑各种因素,并采取相应的措施来减小水头损失,提高水流的利用效率。
总之,沿程水头损失是水力学研究和工程设计中的一个重要问题。
本实验通过实际测量和分析,揭示了水头损失的变化规律和影响因素,为相关领域的研究和应用提供了参考。
沿程阻力损失实验1.本实验中,沿程阻力损失就是压差计的压差,如果管道有一定的倾角,压差计的压差是否还是沿程阻力损失?为什么?现以倾斜等径管道上装设的水银多管压差计为例说明(图中A —A 为水平线): 如图示O —O 为基准面,以1—1和2—2为计算断面,计算点在轴心处,设21v v =,∑=0j h ,由能量方程可得⎪⎪⎭⎫ ⎝⎛+-⎪⎪⎭⎫ ⎝⎛+=-γγ221121p Z p Z h f 111222216.136.13H H h h H h h H p p +∆-∆-∆+∆+∆-∆+-=γγ 112226.126.12H h h H p +∆+∆+-=γ∴ ()()122211216.126.12h h H Z H Z h f ∆+∆++-+=-)(6.1221h h ∆+∆=这表明水银压差计的压差值即为沿程水头损失,且和倾角无关。
2.根据实测m 值判断本实验的流区。
f h lg ~v lg 曲线的斜率m=1.0~1.8,即f h 与8.10.1-v 成正比,表明流动为层流(m=1.0)、紊流光滑区和紊流过渡区(未达阻力平方区)。
3.管道的当量粗糙度如何测得?当量粗糙度的测量可用实验的方法测定λ及e R 的值,然后用下式求解:(1)考尔布鲁克公式⎪⎪⎭⎫ ⎝⎛+∆-=λλe R d 51.27.3lg 21莫迪图即是本式的图解。
(2)S .J 公式()[]29.074.57.ln 325.1e R d +∆=λ(3)Barr 公式 ⎪⎪⎭⎫ ⎝⎛+∆-=89.01286.57.3lg 21e R d λ 其中(3)式精度最高。
在反求d ∆时,(2)式开方应取负号。
也可直接由λ~e R 关系在莫迪图上查得d∆,进而得出当量粗糙度∆值。
4.实验工程中的钢管中的流动,大多为光滑紊流或紊流过渡区,而水电站泄洪洞的流动,大多数为紊流阻力平方区,其原因何在?钢管的当量粗糙度一般为0.2mm ,常温下,s cm /01.02=ν,经济流速s cm /300,若实用管径D=(20~100)cm ,其5106⨯=e R ~6103⨯,相应的d∆=0.0002~0.001,由莫迪图可知,流动均处在过渡区。
沿程水头损失实验一、实验目的要求1、加深了解圆管层流和紊流的沿程水头损失随平均流速变化的规律,绘制v h f lg ~lg 曲线;2、掌握管道沿程阻力系数的量测技术和应用气—水压差计及电测仪测量压差的方法;3、将测得的 ~e R 关系值与莫迪图对比,分析其合理性,进一步提高实验成果分析能力。
二、实验装置本实验的装置如图7.1所示图7.1 自循环沿程水头损失实验装置图1.自循环高压恒定全自动供水器; 2.实验台; 3.回水管; 4.水压差计; 6.实验管道; 7.水银压差计;8.滑支测量尺; 9.测压点; 10.实验流量调节阀; 11.供水管与供水阀; 12.旁通管与旁通阀; 13.稳压筒。
根据压差测法不同,有两种方式测压差: 1、低压差时用水压差计量测;2、高压差时用电子量测仪(简称电测仪)量测(但本仪器暂时不能测定高压)。
本实验装置配备有:1、自动水泵与稳压器自循环高压恒定全自动供水器由离心泵、自动压力开关、气—水压力罐式稳压器等组成。
压力超高时能自动停机,过低时能自动开机。
为避免因水泵直接向实验管道供水而造成的压力波动等影响,离心泵的输水是先进入稳压器的压力罐,经稳压后再送向实验管道。
421.压力传感器;2.排气旋钮;3.连接管;4.主机2、旁通管与旁通阀由于本实验装置所采用水泵的特性,在供小流量时有可能时开时停,从而造成供水压力的较大波动,为了避免这种情况出现,供水器设有与蓄水箱直通的旁通管(图中未标出)。
通过分流可使水泵持续稳定运行。
旁通管中设有调节分流量至蓄水箱的阀门,即旁通阀,实验流量随旁通阀开度减小(分流量减小)而增大。
实际上旁通阀又是本装置用以调节流量的重要阀门之一。
3、稳压筒为了简化排气,并防止实验中再进气,在传感器前连接由2只充水(不满顶)之密封立筒构成。
4、电测仪由压力传感器和主机两部分组成,经由连通管将其接入测点(图7.2),压差读数(以厘米水柱为单位)通过主机显示。
三、实验原理由达西公式 (p 1-p 2)/ρ = Σhf =λLv 2/2d得 λ= △p*2d/ρL v 2 △p = ρgh则 λ= 2ghd / L v 2 (1)另由能量方程对水平等直径圆管可得γ/)(21p p h f -= (2) 流速计算公式 u = q / A = 4q / πd 2 雷诺数公式 Re = ρdv / μ压差可用压差计或电测。
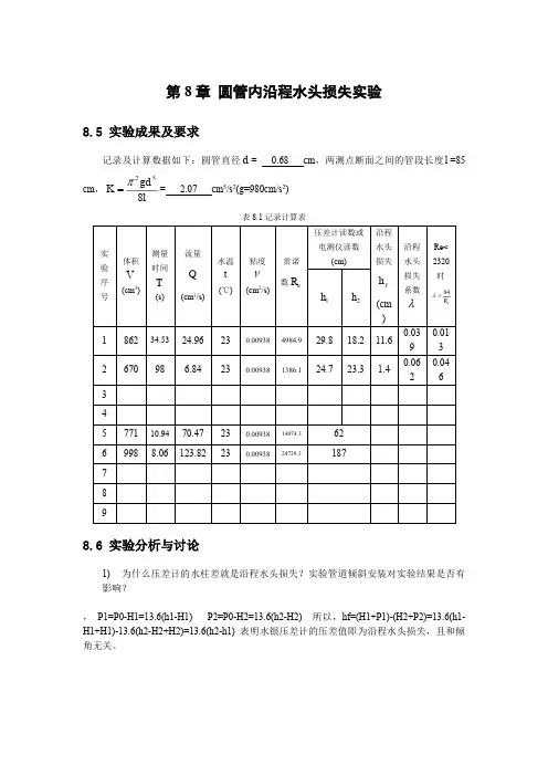
第8章 圆管内沿程水头损失实验8.5 实验成果及要求记录及计算数据如下:圆管直径d = ===0.68===cm ,两测点断面之间的管段长度l = 85=======cm ,lgd K 852π====2.07===cm 5/s 2(g 980cm/s 2)表8.1记录计算表8.6 实验分析与讨论1) 为什么压差计的水柱差就是沿程水头损失?实验管道倾斜安装对实验结果是否有影响?,=P1 P0-H1 13.6(h1-H1)===P2 P0-H2 13.6(h2-H2)==所以,hf (H1+P1)-(H2+P2) 13.6(h1-H1+H1)-13.6(h2-H2+H2) 13.6(h2-h1)=表明水银压差计的压差值即为沿程水头损失,且和倾角无关。
2)绘制 =e R曲线,并说明曲线是否属于光滑管区?本次实验结果与莫迪图吻合与否?通=常=试=验=点=所=绘=得=的==曲=线=处=于=光=滑=管=区=,本=报=告=所=列=的=试=验=值=,也=是=如=此=。
但=是=,有=的=实=验=结=果==相=应=点=落=到=了=莫=迪=图=中=光=滑=管=区=的=右=下=方=。
对=此=必=须=认=真=分=析=。
如=果=由=于=误=差=所=致=,那=么=据=下=式=分=析======d=和=Q=的=影=响=最=大=,Q=有=2%=误=差=时=,==就=有=4%=的=误=差=,而=d=有=2%=误=差=时=,==可=产=生=10%=的=误=差=。
Q=的=误=差=可=经=多=次=测=量=消=除=,而=d=值=是=以=实=验=常=数=提=供=的=,由=仪=器=制=作=时=测=量=给=定=,一=般==<=1%。
如=果=排=除=这=两=方=面=的=误=差=,实=验=结=果=仍=出=现=异=常=,那=么=只=能=从=细=管=的=水=力=特=性=及=其=光=洁=度=等=方=面=作=深=入=的=分=析=研=究=。
还=可=以=从=减=阻=剂=对=水=流=减=阻=作=用=上=作=探=讨=,因为=自=动=水=泵=供=水=时=,会=渗=入=少=量=油=脂=类=高=分=子=物=质=。
实验二沿程水头损失量测实验实验二沿程水头损失量测实验对于一段固定长度的管道运行有一定流速的流体而言,沿程水头损失量测实验就是一种研究和测量流体沿着管道系统沿程水头损失特性的实验。
沿程水头损失就是流体在流经管道系统的过程中,每经过一个单位管长的距离,即使恒定的流速不变,仍然损失水头。
一般而言,对水头损失的实验有两大类:一类是水力学实验室实验,通过大型仿真实验,使用一定尺寸、形状和流量的模型管道来研究水头损失特性;另一类是真实水系统实验,研究不同水头到达管路和设备时水头损失的量化特征,以及水头损失对设计参数的影响,也就是沿程水头损失量测实验。
沿程水头损失量测实验的步骤主要包括准备实验材料、实验设备的安装、设备的调试、收集实验数据和绘制结果等等:一、准备实验材料:主要是水力学实验室的实验设备和材料,包括测量仪器、Deflector tube(喷注缸)和测量水池等。
二、实验设备的安装:根据实验原理设计管路,将测量仪器和喷注缸以及水池安装到管道中,确保实验设备的稳定安装。
三、设备的调试:包括校正流量计,设置恒定流量,向测量水池加入恒定量的水分,以调节测量所需的恒定流量,调节流量传感器的灵敏度,和调节测量控制装置的输出是否合适等等。
四、收集实验数据:开始进行流量测量,逐点收集实验数据,并持续收集多个点,以获取足够的数据。
五、绘制结果图:将收集到的实验数据画出更弗拉格纳(Frances)图,并根据实验结果,对水头损失做出分析。
实验结果中常用的水头损失量参数有水力学压头损失系数(K)、水头损失系数(Cv)、水头损失减提率(KL)等,它们都是流体沿着管道系统沿程水头损失的直观反映,可以用来评价沿程水头的数量,以及比较不同的管道系统对水头损失量的影响等。
沿程水头损失量测实验是求解流体沿管道系统沿程水头损失量特性的重要实验课题,实验可以帮助设计者了解管道系统沿程水头损失量的大小,从而更好地设计管道系统的安装和操作参数,以达到更好的运行效果。
沿程水头损失实验报告数据沿程水头损失实验是水力学中常用的实验方法,被用于对管径和高程曲线计算沿程水头损失。
本文具体报告了按照所提供规范实施沿程水头损失实验的详细情况,以及其结果。
实验前准备:本次实验所使用的设备主要有水压计、水表、吸水流量计和自由流水管等。
实验分为三步进行:恒定流量测定实验、测量沿程水头损失实验、多段测量沿程水头损失实验。
每步实验皆持续6h,共完成18小时实验。
流量断面示意图如下所示。
实验中,我们先以较慢的流量、可调速度推动水泵,通过部分控制水管上端风阀,调节待测管道内流速,以测量出管道内物理参数。
然后,用水压计对管道多处进行水压测量,一段段地完成沿程水头损失的测量工作。
实验数据如下所示:
节点高程(m) 沿程水头损失(m)
P1 0.0 <0.09
P2 2.2 <0.075
P3 4.4 0.089
P4 6.6 0.088
P5 8.8 <0.090
实验结果表明,沿程水头损失一般较小,表示水管内物理参数变化不太大,流量分布均衡。
总之,本次沿程水头损失实验取得了良好的结果,可作为管径和高程曲线计算沿程水头损失的参考。
另外,分析报告中还根据实验结论提出了改进设计建议,如采用高效水泵,采用最新技术,分析流线,改善水位计等等,以期提高管道内的流量稳定性,减少流量的波动,降低水头的损失。
通过这次沿程水头损失实验,我们可以得出结论,该实验工作取得了良好的结果,可提供有效的决策依据,帮助客户准确评估工程问题所需要采取的措施。
同时,本次实验也为后续相似实验提供了一定的参考价值,可供他人查阅、研究和参考。
武汉大学教学实验报告学院:水利水电学院 专业:水利类 2011年12月27日 实验名称 沿程水头损失实验 指导老师杨小亭 姓名赵亮年级10学号2010301580103成绩一:预习部分1:实验目的 2:实验基本原理3:主要仪器设备(含必要的元器件,工具)一、实验目的1.加深了解圆管层流和紊流的沿程阻力损失变化的规律,绘制f h lg ~v lg 曲线。
2.掌握管道沿程阻力系数的测定和应用气—水压差计及电测仪测量压差的方法。
3.将测得的Re ~λ关系值与莫迪图对比,进一步提高实验成果分析能力。
二、实验装置沿程阻力损失实验装置如下图所示。
自循环沿程阻力损失实验装置图1.自循环高压恒定全自动供水器 2.实验台 3.回水管 4.水压差计 5.测压计 6.实验管道 7.电测仪 8.滑动测量尺 9.测压点 10.实验流量调节阀 11.供水管与供水阀 12.旁通管与旁通阀 13.稳压筒1.实验装置配备 ● 自动水泵与稳压器自循环高压恒定全自动供水器由离心泵、自动压力开关、气—水压力罐式稳压器等组成。
压力超高时自动停机,过低时自动开机。
为避免因水泵直接向实验管道供水而造成压力波动等影响,离心泵的输水是先进入稳压器的压力罐,经稳压后再送向实验管道。
● 旁通管与旁通阀由于本实验装置所采用水泵的特性,在供小流量时有可能时开时停,从而造成压力的波动。
为了避免这种情况出现,供水器设有与蓄水箱直通的旁通管(图中未标出),通过分流可使水泵持续稳定运行。
旁通管中设有调节分流量至蓄水箱的阀门,即旁通阀,实验流量随旁通阀开度减小(分流量减小)而增大。
实际上旁通阀又是本装置用以调节流量的重要阀门之一。
● 电测仪接测点3接测点4压差电子量测仪原理图1.连通管 2.压力传感器 3.排气旋钮 4.电测仪由压力传感器和主机两部分组成,经由连通管将其接入测点(如下图所示图)。
压差读数(以厘米水柱为单位)通过电测仪显示。
● 稳压筒为简化排气,并防止实验中再进气,在传感器前连接由两只充水(不满顶)之密封立筒。
沿程水头损失实验报告一、实验目的。
本实验旨在通过实际操作,探究沿程水头损失的特点和规律,加深对流体力学中水头损失的理解,并提高实验操作技能。
二、实验原理。
沿程水头损失是指流体在管道中流动过程中由于摩擦力和局部阻力等因素导致的水头损失。
根据伯努利方程,流体在不同位置的水头损失可表示为Δh=ΣhL,其中Δh为总水头损失,ΣhL为各种损失的总和。
在实际管道中,水头损失主要包括摩擦损失、局部阻力损失和突然扩大或收缩处的损失。
三、实验仪器和设备。
1. 水泵。
2. 直径不同的管道。
3. 流量计。
4. 压力表。
5. 水桶。
6. 水尺。
7. 实验台架。
四、实验步骤。
1. 将水泵接通电源,使其工作正常。
2. 将流量计、压力表等设备连接到管道上。
3. 打开水泵,调节流量,记录不同流速下的压力和水位。
4. 根据实验数据计算不同位置的水头损失。
5. 对实验数据进行分析和总结。
五、实验数据及结果。
通过实验测得不同流速下的压力和水位数据,根据实验数据计算得到不同位置的水头损失。
实验结果表明,在管道内部摩擦力较大的地方,水头损失较大;而在突然扩大或收缩处,水头损失也较为显著。
实验数据与理论计算结果基本吻合,验证了水头损失的特点和规律。
六、实验分析。
通过本次实验,我们深刻认识到了沿程水头损失的特点和规律。
在实际工程中,合理减小水头损失对于提高管道输送效率至关重要。
因此,我们需要在设计和施工中充分考虑水头损失的影响因素,采取有效措施减小水头损失,确保管道运行的稳定和高效。
七、实验总结。
本次实验通过实际操作,深入探究了沿程水头损失的特点和规律,加深了对流体力学中水头损失的理解。
通过实验数据的分析和计算,验证了水头损失的影响因素和计算方法。
在今后的学习和工作中,我们将继续努力,不断提高实验操作技能,加深对流体力学理论知识的理解,为工程实践提供坚实的理论基础和技术支持。
八、参考文献。
1. 《流体力学》,朱光华,清华大学出版社。
2. 《流体力学实验指导》,李强,北京大学出版社。
最新实验报告:管路沿程水头损失实验
实验目的:
本实验旨在研究管路系统中水流沿程水头损失的规律,验证达西-韦斯
巴赫方程,并探讨不同管径、流速和管道材料对沿程水头损失的影响。
实验设备:
1. 稳态水流装置一套,包括不同管径的管道、流量计、压力传感器等。
2. 水泵,用于提供稳定的水流。
3. 数据采集系统,用于记录压力和流量数据。
4. 直尺,用于测量管道长度。
5. 计时器,用于测量水流通过特定距离的时间。
实验方法:
1. 根据实验要求选择合适的管道,并安装好流量计和压力传感器。
2. 开启水泵,调节至预定流速,使水流通过管道。
3. 使用数据采集系统记录不同管道长度下的压力和流量数据。
4. 重复实验,改变流速和管道直径,收集多组数据。
实验结果:
1. 通过实验数据,绘制出沿程水头损失与管道长度的关系图。
2. 利用达西-韦斯巴赫方程计算理论值,并与实验数据进行比较,分
析误差来源。
3. 分析不同管径、流速对沿程水头损失的影响,得出相关性结论。
4. 探讨管道材料对水头损失的影响,对比不同材料管道的实验结果。
实验结论:
实验结果表明,沿程水头损失与管道长度、流速和管径有关。
通过对
比实验数据和理论计算,验证了达西-韦斯巴赫方程的适用性。
此外,
实验还发现,管道材料的粗糙度对沿程水头损失有显著影响。
通过本次实验,可以为管路设计和水力计算提供参考依据。
沿程水头损失实验报告沿程水头损失实验报告引言:沿程水头损失是指水流在河道或管道中流动过程中由于摩擦、扩散等原因而损失的能量。
对于水力工程设计和水资源管理来说,准确测定和计算沿程水头损失至关重要。
本实验旨在通过实际操作和数据分析,探究沿程水头损失的特点和影响因素。
实验设备和方法:本次实验使用了一条模拟河道和一台流量计。
实验过程如下:1. 将流量计安装在模拟河道的起点,并校准流量计,确保测量结果准确可靠。
2. 在模拟河道的不同位置设置测点,并测量每个测点处的水位和流量。
3. 根据实测数据,计算出每个测点处的水头。
实验结果与分析:通过实验测量和数据分析,我们得到了以下结果:1. 沿程水头损失随着流动距离的增加而逐渐增大。
这是由于水流在河道或管道中摩擦阻力的存在,使得水流的动能逐渐转化为内能而损失掉。
2. 沿程水头损失与水流的流速和管道材料有关。
在相同流速下,不同材料的管道会产生不同的摩擦阻力,从而导致不同程度的水头损失。
3. 沿程水头损失还与河道或管道的形状和横截面积有关。
当河道或管道的横截面积变化较大时,水流的速度和压力也会发生变化,从而导致水头损失的增加。
4. 沿程水头损失还与流量的大小有关。
在相同河道或管道条件下,流量越大,摩擦阻力越大,水头损失也就越大。
结论:通过本次实验,我们深入了解了沿程水头损失的特点和影响因素。
在实际水力工程设计中,准确测定和计算沿程水头损失对于保证工程的安全运行和有效利用水资源至关重要。
因此,我们应该根据实际情况选择合适的计算方法和模型,以减小水头损失,提高水力工程的效益。
进一步研究:虽然本实验对沿程水头损失进行了初步的探究,但仍有许多方面可以进一步研究。
例如,可以通过改变河道或管道的形状、材料和横截面积,来研究它们对水头损失的影响。
同时,可以探究不同流量下的水头损失规律,并与理论模型进行比较,以验证模型的准确性和适用性。
结语:沿程水头损失是水力工程中一个重要的问题,对于保证工程的安全运行和有效利用水资源具有重要意义。
沿程水头损失实验
一、实验目的要求
1、加深了解圆管层流和紊流的沿程水头损失随平均流速变化的规律,绘制
v h f lg ~lg 曲线;
2、掌握管道沿程阻力系数的量测技术和应用气—水压差计及电测仪测量压差的方法;
3、将测得的 ~e R 关系值与莫迪图对比,分析其合理性,进一步提高实验成果分析能力。
二、实验装置
本实验的装置如图7.1所示
图7.1 自循环沿程水头损失实验装置图
1.自循环高压恒定全自动供水器; 2.实验台; 3.回水管; 4.水压差计; 6.实验管道; 7.水银压差计;8.滑支测量尺; 9.测压点; 10.实验流量调节阀; 11.供水管与供水阀; 12.旁通管与旁通阀; 13.稳压筒。
根据压差测法不同,有两种方式测压差: 1、低压差时用水压差计量测;
2、高压差时用电子量测仪(简称电测仪)量测(但本仪器暂时不能测定高压)。
本实验装置配备有:
1、自动水泵与稳压器
自循环高压恒定全自动供水器由离心泵、自动压力开关、气—水压力罐式稳压器等组成。
压力超高时能自动停机,过低时能自动开机。
为避免因水泵直接向实验管道供水而造成的压力波动等影响,离心泵的输水是先进入稳压器的压力罐,经稳压后再送向实验管道。
4
2
1.压力传感器;
2.排气旋钮;
3.连接管;
4.主机
2、旁通管与旁通阀
由于本实验装置所采用水泵的特性,在供小流量时有可能时开时停,从而造成供水压力的较大波动,为了避免这种情况出现,供水器设有与蓄水箱直通的旁通管(图中未标出)。
通过分流可使水泵持续稳定运行。
旁通管中设有调节分流量至蓄水箱的阀门,即旁通阀,实验流量随旁通阀开度减小(分流量减小)而增大。
实际上旁通阀又是本装置用以调节流量的重要阀门之一。
3、稳压筒为了简化排气,并防止实验中再进气,在传感器前连接由2只充水(不满顶)之密封立筒构成。
4、电测仪由压力传感器和主机两部分组成,经由连通管将其接入测点(图7.2),压差读数(以厘米水柱为单位)通过主机显示。
三、实验原理
由达西公式 (p 1-p 2)/ρ = Σhf =λLv 2/2d
得 λ= △p*2d/ρL v 2 △p = ρgh
则 λ= 2ghd / L v 2 (1)
另由能量方程对水平等直径圆管可得
γ/)(21p p h f -= (2) 流速计算公式 u = q / A = 4q / πd 2 雷诺数公式 Re = ρdv / μ
压差可用压差计或电测。
四、实验方法与步骤
准备I 对照装置图和说明,搞清各组成部件的名称、作用及其工作原理;检查蓄水箱水位是否够高及旁通阀是否已关闭。
否则予以补水并关闭阀门;记录有关实验常数:工作管内径d (8mm )和实验管长L (85cm )。
准备II 启动水泵。
本供水装置采用的是自动水泵,接通电源,全开旁通阀,打开进水阀,水泵自动开启供水。
准备III 调通量测系统。
1、夹紧水压计止水夹和关闭U 形管的排气阀,打开出水阀和进水阀(逆时针),关闭旁通阀(顺时针),启动水泵排除管道中的气体。
2、全开旁通阀、关闭出水阀,插上U 形管的排气出水管,松开U 形管水压计的止水夹,并旋松水压计的旋塞1F ,排除水压计中的气体。
随后,关进水阀,开出水阀10,拔开U 形管上的排气出水管,使水压计的液面降至标尺零附近,即旋紧水压计上的排气塞1F 。
水压计齐平即可开始做实验,否则需重调。
3、通过调节旁通阀或进水阀或出水阀来调节流量,使得U 形压差计产生压差,用直尺量出水柱(压差)的高度,并记录。
每次调节流量时,均需稳定2-3分钟,测流时间不小于15秒;同时测流量(不得小于15秒)和水箱中水的温度。
层流段:应在水压计O mmH h 220~∆(夏季)[O mmH h 230~∆(冬季)]量程范围内,测记5-8组数据。
4、结束实验前,应全开旁通阀,关闭出水阀,检查水压计是否齐平,齐平
则下一组可以直接进行测流实验,否则需先排气后方可进行。
最后一组做完实验后,检查水压计是否齐平,齐平则关闭进水阀,切断电源。
否则,表明压力计已进气,需重做实验。
五、数据处理
实验温度:t = 18℃,μ= 106.55*10-5 Pa*s,ρ= 998.5kg/m3;
(2)数据处理
作图λ~Re关系图得:
莫迪图:
作图v h f lg ~lg 曲线得:
六、实验感想 (1)实验分析:
在实验的过程中,实验仪器两端的水柱高度差越大,也就造成的压差越大,20s 内流过的水流量Q 越大,水流速度v 越大,λ越小,而雷诺数Re 增大,损失的能量h f 也就越大。
从数据分析后得出的λ~Re 关系图中可以看出,实验时由于Re ≥5000,流体进入湍流区,λ随Re 的增大而减小,当Re 增大到一定的值后,λ随Re 的变化而趋于平缓。
关系曲线图中λ~Re 关系的变化趋势与莫迪图相近,故实验结果有一定的准确性和合理性。
从v h f lg ~lg 曲线图中,我们可以清晰的发现,在实验过程中,随着水流的
平均速度的增大,能量的损失也增大,即沿程水头随着速度的增大而增大,且几乎呈线性关系。
(2)实验心得:
由于仪器的原因,这次实验操作简单,只要测出了两端的高度差,规定时间内流体的流量大小,再根据公式即可得出实验的必要数据和结果,但实验本身的目的不是为了考查学生,而是希望同学们根据课堂所学的相关知识以及实验的方案进行实验,通过亲身的动手操作来进一步了解该实验让我们对相关仪器的认知以及对课堂知识的进一步了解,因此在实验中,本次实验也是对我们今后期末考的一次基本考试复习和知识的巩固,加深了解圆管层流和紊流的沿程水头损失随平均流速变化的规律。
除了加深对知识的巩固,我个人认为,实验后对数据整理和结果分析,也会对我们有一定的能力提高。
实验结束后,如何准确,完整的处理实验数据,探讨结果,对科研人员来说,也是一个很重要的个人技能。
从这次的实验数据的处理来看,我在这方面的能力是相当不足的,没有足够的耐心独立解决这一问题。
在数据处理过程中,我发现我自己不知从何下手,如何完美解决这些数据,得出结果,效率太低,使得自己白白浪费很多时间。
因此在实验数据处理过程中,曾不止一次地想要放弃,借助别的同学的实验报告抄袭,但最终还是忍住了。
从这件事我应当反省自己,如何解决这一问题。
今后,如果每做一次实验,必须自己独立完成,独立解决。
从这件事,我也明白,不仅仅是实验数据的处理,在将来工作时,遇到的问题会更多,更复杂、麻烦。
如果现在不养成一种独立自主的习惯,埋头专研的精神,在今后的工作和研究中会受到极大的阻碍,不利于今后自己人生与事业的成功。
所以,今后我应当多多训练这方面的能力,突破这一障碍。
为什么压差计的水柱差就是沿程水头损失?
在管道中的,水头损失直接反应于水头压力。
测力水头两端压差就等于水头损失。
如果管道倾斜安装,不影响实验结果。
但压差计应垂直,如果在特殊情况下无法垂直,可乘以倾斜角度转化值。