HGT工业活性氧化铝
- 格式:docx
- 大小:86.32 KB
- 文档页数:17
H G T工业活性氧化铝 Company number【1089WT-1898YT-1W8CB-9UUT-92108】HG/T 3927-2007工业活性氧化铝1 范围本标准规定了工业活性氧化铝的要求、试验方法、检验规则、标志、标签、包装、运输和贮存。
本标准适用于工业活性氧化铝。
该产品用于炼油、化肥、石化、天然气、制氧和化工等行业,主要用作气体和液体吸附剂、吸氟剂、干燥剂、和催化剂载体等。
分子式:Al2O3?nH2O(n<1)3 分类工业活性氧化铝分为六类:吸附剂——通用型,用于各种烃类气体、天然气、石油裂解气等的吸附、脱水等。
除氟型——用于饮用水、工业水除氟。
再生剂——用于蒽醌法生产双氧水。
脱氯剂——用于各种气体及黏性树脂等液体的脱氯。
催化剂载体——用作各种催化剂载体。
空分干燥剂——空分专用干燥剂。
4 要求外观:白色球状或柱状。
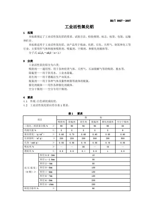
工业活性氧化铝应符合表1要求。
表1 要求5 试验方法安全提示本试验方法中使用的部分试剂具有腐蚀性,操作时须小心谨慎!如贱到皮肤上应立即用水冲洗,严重者应立即治疗。
一般规定本标准所用试剂和水在没有注明其他要求时,均指分析纯试剂和GB/T 6682一1992中规定的三级水。
试验中所用标准滴定溶液、制剂及制品,在没有注明其他要求时,均按HG/T 的规定制备。
外观判别在自然光条件下,用目视法判别。
三氧化二铝含量的测定方法提要铝离子与已知过量的乙二胺四乙酸二钠标准溶(EDTA)进行络合,形成稳定的A1-EDTA络合物,过剩的EDTA在pH=5条件下,以二甲酚橙做指示剂,用氯化锌标准滴定溶液回滴至终点。
试剂六次甲基四胺。
硫酸溶液:1+1。
盐酸溶液:1+4。
氨水溶液:1+9。
乙二胺四乙酸二钠标准滴定溶液:c(EDTA)≈L。
氯化锌标准滴定溶液:c(ZnCl)≈L。
2二甲酚橙指示剂.2g/L。
分析步骤试验溶液的制备称取已研细并经(250±100)℃烘干2h的约试样,精确至,置于150mL烧杯中。
活性氧化铝【中文名称】活性氧化铝;活性矾土【英文名称】Activated Alumina ;Reactive alumina;activated alumin(I)um oxide【名词解释】在催化剂中使用氧化铝的通常专称为“活性氧化铝”,它是一种多孔性、高分散度的固体材料,有很大的表面积,其微孔表面具备催化作用所要求的特性,如吸附性能、表面活性、优良的热稳定性等,所以广泛地被用作化学反应的催化剂和催化剂载体。
【用途】高性能的活性氧化铝在不定形耐火材料配料中能带来以下好处:提高坯体密度、流动性、强度,提高二次莫来石生成量等,降低加水量和气孔率。
此外,活性氧化铝还能做干燥剂,吸水量大、干燥速度快,能再生(400 -500K烘烤)。
活性氧化铝属于化学品氧化铝范畴,主要用于吸附剂、净水剂、催化剂及催化剂载体,根据不同的用途,其原料和制备方法不同。
【工业标准】中华人民共和国化工部标准:HG/T 3927-2007 // HYA/HYC/HYACC/HYM子类HYA-101 双氧水专用氧化铝性状项目指标INDEX晶相γ-Al2O3规格(mm) 7-14目Φ3-5、Φ4-6 、Φ5-7外观白色球状堆密度(g/cm3) 0.68-0.75强度(N/粒) >50比表面(m2/g) 200-260孔容(cm3/g) 0.40-0.46大孔(>750A) 0.14吸水(%) >50HYA-102 活性氧化铝干燥剂性状晶相x-ρ Al2O3规格(mm) Φ3-5、Φ4-6、Φ5-7 、Φ8-10外观白色球状堆密度0.68-0.89强度(N/粒) >130比表面(m2/g) 280-360孔容(cm3/g) 0.38-0.40静态吸附容量(RH%) 18HYA-103 活性氧化铝除氟剂规格Φ1.5-2、Φ4-3、Φ4-6 、Φ5-7外观白色球状堆密度(g/cm3) ≥0.75强度(N/粒) 50-80比表面(m2/g) 280-360孔容(cm3/g) 0.40除氟(mgF/g Al2O3) ≥1.2【其他性状】活性氧化铝系列性状性能及对应化工部执行标准HYA-101 双氧水专用氧化铝HYA-102 活性氧化铝干燥剂HYA-103 活性氧化铝除氟剂HYA-104 聚乙烯用专用脱灰剂HYA-105 铝胶干燥剂HYC-201 硫磺回收专用催化剂HYC-202 脱氧保护型硫磺回收催化剂HYC-203 尾气加氢催化剂及载体HYACC-301 钯催化剂载体HYACC-302 氧化钛氧化铝催化剂载体HYACC-303 COS水解催化剂载体HYACC-304 耐硫低变催化剂载体HYACC-305 拟薄水氧化铝粉HYACC-306 大孔拟薄水HYACC-307 条状氧化铝载体HYM-401 3A分子筛HYM-402 4A分子筛HYM-403 5A分子筛HYM-404 13X分子筛【制备或来源】活性氧化铝是指经过充分细磨、以原晶尺寸大小1μm的α- Al2O3为基本组成(20%-90%)的煅烧氧化铝。
HG/T 3927-2007工业活性氧化铝1 范围本标准规定了工业活性氧化铝的要求、试验方法、检验规则、标志、标签、包装、运输和贮存。
本标准适用于工业活性氧化铝。
该产品用于炼油、化肥、石化、天然气、制氧和化工等行业,主要用作气体和液体吸附剂、吸氟剂、干燥剂、和催化剂载体等。
分子式:Al2O3 •nH2O(n<1)3 分类工业活性氧化铝分为六类:吸附剂——通用型,用于各种烃类气体、天然气、石油裂解气等的吸附、脱水等。
除氟型——用于饮用水、工业水除氟。
再生剂——用于蒽醌法生产双氧水。
脱氯剂——用于各种气体及黏性树脂等液体的脱氯。
催化剂载体——用作各种催化剂载体。
空分干燥剂——空分专用干燥剂。
4 要求4.1 外观:白色球状或柱状。
4.2 工业活性氧化铝应符合表1要求。
表1 要求5 试验方法5.1 安全提示本试验方法中使用的部分试剂具有腐蚀性,操作时须小心谨慎!如贱到皮肤上应立即用水冲洗,严重者应立即治疗。
5.2 一般规定本标准所用试剂和水在没有注明其他要求时,均指分析纯试剂和GB/T 6682一1992中规定的三级水。
试验中所用标准滴定溶液、制剂及制品,在没有注明其他要求时,均按HG/T 3696.3的规定制备。
5.3 外观判别在自然光条件下,用目视法判别。
5.4 三氧化二铝含量的测定5.4.1 方法提要铝离子与已知过量的乙二胺四乙酸二钠标准溶(EDTA)进行络合,形成稳定的A1-EDTA 络合物,过剩的EDTA在pH=5条件下,以二甲酚橙做指示剂,用氯化锌标准滴定溶液回滴至终点。
5.4.2 试剂5.4.2.1 六次甲基四胺。
5.4.2.2 硫酸溶液:1+1。
5.4.2.3 盐酸溶液:1+4。
5.4.2.4 氨水溶液:1+9。
5.4.2.5 乙二胺四乙酸二钠标准滴定溶液:c(EDTA)≈0.05mol/L。
5.4.2.6 氯化锌标准滴定溶液:c(ZnCl2)≈0.05mol/L。
5.4.2.7 二甲酚橙指示剂.2g/L。
活性氧化铝产品简介大家都知道活性氧化铝,又名活性矾土,在催化剂中使用氧化铝的通常专称为“活性氧化铝”,它是一种多孔性、高分散度的固体材料,有很大的表面积,其微孔表面具备催化作用所要求的特性,如吸附性能、表面活性、优良的热稳定性等,所以广泛地被用作化学反应的催化剂和催化剂载体。
活性氧化铝产品简介。
如下:活性氧化铝产品简介:活性氧化铝是用高纯度氧化铝经科学调配,催化精加工而成。
它的吸附性可做干燥剂也可以去除水中对人体有害的氟,可用于饮用水及工业装置的除氧、除氟、脱砷、污水脱色、除臭等。
活性氧化铝产品详情:活性氧化铝具有许多毛细孔道,表面积大,可作为吸附剂、干燥剂及催化剂使用。
同时还根据吸附物质的极性强弱来确定,对水、氧化物、醋酸、碱等具有较强的亲合力,是一种微水深度干燥剂,也是吸附极性分子的吸附剂。
活性氧化铝除氟类似于阴离子交换树脂,但对氟离子的选择性阴离子树脂大。
活性氧化铝吸附脱氟效果好,容量稳定,每立方米活性氧化铝吸氟6400克。
本产品具有强度高、磨损低、水浸不变软、不膨胀、不粉化、不破裂。
可广泛用于石油裂解气、乙烯丙烯气的深度干燥和制氢、空分装置、仪表风干机的干燥、双氧水中氟化物处理还可以去除废气中的硫气氢、二氧化硫、氟化氢、烃类等污染物质,特别适应含氟水的除氟处理。
活性氧化铝应用范围:活性氧化铝是一种多孔性的吸附剂,由于它有很大的比表面积而致使它具有高度的吸附活性,因此被广泛用作高效吸附剂和各种催化剂的载体。
活性氧化铝不仅具有很大的比表面积,且具有很大的机械强度,物化稳定性,耐高温及抗腐蚀性,但不宜在强酸,强碱下操作。
活性氧化铝球的产品说明我们对活性氧化铝有一定的认知,那来熟悉一下活性氧化铝球的产品说明吧!活性氧化铝球是具有很多毛细管道的白色球状,有很多毛细孔通道,这些孔道的表面有较高的活性,能对气体,蒸汽,液体的水份具有选择吸附本能主要去除水中的氟离子效果非常好。
在一定条件下干燥深度可达-70℃以下的露点,饱和可在175℃-400℃加热除水而复活,能进行多次,还可从染污的氧、氢、二氧化硫中吸附润滑油及其它油类蒸汽,并可做催化剂或载体。
HG/T 3927-2007工业活性氧化铝1 范围本标准规定了工业活性氧化铝的要求、试验方法、检验规则、标志、标签、包装、运输和贮存。
本标准适用于工业活性氧化铝。
该产品用于炼油、化肥、石化、天然气、制氧和化工等行业,主要用作气体和液体吸附剂、吸氟剂、干燥剂、和催化剂载体等。
分子式:Al2O3 •nH2O(n<1)3 分类工业活性氧化铝分为六类:吸附剂——通用型,用于各种烃类气体、天然气、石油裂解气等的吸附、脱水等。
除氟型——用于饮用水、工业水除氟。
再生剂——用于蒽醌法生产双氧水。
脱氯剂——用于各种气体及黏性树脂等液体的脱氯。
催化剂载体——用作各种催化剂载体。
空分干燥剂——空分专用干燥剂。
4 要求4.1 外观:白色球状或柱状。
4.2 工业活性氧化铝应符合表1要求。
表1 要求5 试验方法5.1 安全提示本试验方法中使用的部分试剂具有腐蚀性,操作时须小心谨慎!如贱到皮肤上应立即用水冲洗,严重者应立即治疗。
5.2 一般规定本标准所用试剂和水在没有注明其他要求时,均指分析纯试剂和GB/T 6682一1992中规定的三级水。
试验中所用标准滴定溶液、制剂及制品,在没有注明其他要求时,均按HG/T 3696.3的规定制备。
5.3 外观判别在自然光条件下,用目视法判别。
5.4 三氧化二铝含量的测定5.4.1 方法提要铝离子与已知过量的乙二胺四乙酸二钠标准溶(EDTA)进行络合,形成稳定的A1-EDTA 络合物,过剩的EDTA在pH=5条件下,以二甲酚橙做指示剂,用氯化锌标准滴定溶液回滴至终点。
5.4.2 试剂5.4.2.1 六次甲基四胺。
5.4.2.2 硫酸溶液:1+1。
5.4.2.3 盐酸溶液:1+4。
5.4.2.4 氨水溶液:1+9。
5.4.2.5 乙二胺四乙酸二钠标准滴定溶液:c(EDTA)≈0.05mol/L。
5.4.2.6 氯化锌标准滴定溶液:c(ZnCl2)≈0.05mol/L。
5.4.2.7 二甲酚橙指示剂.2g/L。
工业氧化铝6类摘要:1.工业氧化铝的简介2.工业氧化铝的6 类分类3.各类氧化铝的特点和应用4.我国工业氧化铝的发展现状和前景正文:一、工业氧化铝的简介工业氧化铝,又称为铝氧化物或铝土矿,是一种无机化合物,化学式为Al2O3。
它是铝元素最常见的氧化物,具有高熔点、高硬度和良好的耐磨性等特点。
工业氧化铝广泛应用于各个领域,如陶瓷、化工、电子、航空等。
二、工业氧化铝的6 类分类根据工业氧化铝的物理和化学性质,可以将其分为以下6 类:1.高纯度氧化铝:纯度高达99.99% 以上,主要用于半导体材料、光纤等高精度领域。
2.普通氧化铝:纯度在95%-99.9% 之间,广泛应用于陶瓷、耐火材料等。
3.活性氧化铝:具有较高的比表面积,主要用于催化剂、吸附剂等领域。
4.纳米氧化铝:粒径在1-100nm 之间,具有优异的力学性能、热稳定性和化学稳定性,广泛应用于涂料、塑料等。
5.氢氧化铝:由氧化铝和水反应生成,主要用于污水处理、医药等。
6.复合氧化铝:由氧化铝与其他物质复合而成,具有特殊的性能,如高强度、高硬度等,用于航空、航天等高端领域。
三、各类氧化铝的特点和应用1.高纯度氧化铝:具有高熔点、高硬度、高绝缘性等优点,主要用于半导体材料、光纤、电子元器件等。
2.普通氧化铝:具有良好的耐磨性、耐高温性和化学稳定性,广泛应用于陶瓷、耐火材料、磨料等。
3.活性氧化铝:具有较高的比表面积,用作催化剂和吸附剂,如石油裂化、催化剂载体等。
4.纳米氧化铝:具有优异的力学性能、热稳定性和化学稳定性,用于涂料、塑料、橡胶等填充剂。
5.氢氧化铝:具有良好的吸附性能,用于污水处理、医药等。
6.复合氧化铝:具有特殊的性能,如高强度、高硬度等,用于航空、航天等高端领域。
四、我国工业氧化铝的发展现状和前景我国是氧化铝生产和消费大国,拥有丰富的铝土矿资源。
近年来,我国氧化铝产业在政策支持和市场需求的推动下,取得了长足的发展。
活性氧化铝技术指标活性氧化铝外观:活性氧化铝为白色球状多孔性颗粒,粒度均匀,表面光滑,比表面积5-120(比表面积测试是由3H-2000系列比表面仪进行测试的,测试精度高,重复性好,国内知名品牌,远销海外.),机械强度大,吸湿性强,吸水后不胀不裂保持原状,无毒、无臭、不溶于水、乙醇,对氟有很强的吸附性,主要用于高氟地区饮用水的除氟。
活性氧化铝对气体、水蒸气和某些液体的水分有选择吸附本领。
吸附饱和后可在约175-315℃加热除去水而复活。
吸附和复活可进行多次。
除用作干燥剂外,还可从污染的氧、氢、二氧化碳、天然气等中吸附润滑油的蒸气。
并可用作催化剂和催化剂载体和色层分析载体。
活性氧化铝在一定的操作条件和再生条件下,该产品的干燥深度高达露点温度-70度以下。
主要用途本产品可用作高氟饮水的除氟剂(除氟容量大)、烷基苯生产中循环烷烃的脱氟剂、变压器油的脱酸再生剂、用作制氧工业、纺织工业、电子行业气体干燥,自动化仪表风的干燥以及在化肥、石油化工干燥等行业作干燥剂、净化剂(露点可达-40度)、在空分行业变压吸附露点可达-55度。
是一种微量水深度干燥的高效干燥剂。
非常适用于无热再生装置。
活性氧化铝比表面积是很重要的参数。
比表面积是每克固体材料所具有的表面积,单位为m2/g;比表面积测试仪的国家标准是基于BET理论的低温氮吸附BET多点法(GB/T 19587-2004)。
由氮吸附BET多点法测定比表面积的要点是:在5-30%氮气分压范围内,在不同氮气分压点下测定吸附剂(待测粉体)对氮气的吸附量,做出吸附等温线,通过BET 公式求出相应于吸附剂表面被氮气分子覆盖满单分子层时的单分子层饱和吸附量,即可计算出吸附剂的比表面积。
3H-2000BET-A比表面积测定仪是依据国家比表面测试标准的高精度分析仪器,拥有7项国内唯一的领先技术;如国内唯一的一体化原位吹扫处理功能,针对色谱法比表面测试的不同氮气分压点之间需要吹扫处理的问题,使不同氮气分压点之间的吹扫处理更方便高效,减少了连续测试对准确度的影响;国内唯一的程控风热助脱装置,使在实现全自动化后,保证得到尖锐快速的脱附峰,减少背景误差;国内唯一的色谱浓度检测系统,使氮气分压检测精度相对流量法提高10倍;六通阀进样器程序控制,国内唯一的定量管程控切换功能;国内唯一的粒度报告等功能;仪器参数软件显示的同时,在仪器上大屏幕液晶硬件显示,使仪器工作状态参数一目了然,运行更可靠;以及液氮温度监测、检测器断气保护、检测器恒温装置、重要环节声音提示,使3H-2000BET-M比表面仪在测试精度、稳定安全性、操作便捷性等方面达到并部分超越了国外同类仪器性能,3H-2000系列比表面仪在国内拥有大量客户,为比表面仪知名品牌。
活性氧化铝制备及其在环保中的应用一、活性氧化铝的制备活性氧化铝,也称为纳米氧化铝,属于一种高纯度的氧化铝粉体,具有高度的活性和表面活性,易于被吸附和反应。
活性氧化铝的制备方法主要分为化学法和物理法两种。
化学法是通过化学反应来制备氧化铝,一般采用水热法、沉淀法、溶胶凝胶法等。
其中,水热法将氧化铝前体与水一起反应,形成高纯度的氧化铝粉末;沉淀法先制备低纯度的氧化铝,再通过煅烧等处理来获得高纯度的氧化铝;溶胶凝胶法则是通过溶胶-凝胶法制备氧化铝颗粒,其粒径可达到纳米级别。
物理法则是通过物理手段来制备氧化铝,如等离子体法、磁控溅射法、激光气相沉积法等。
这些方法可以制备出极小的颗粒尺寸和狭窄的粒径分布,同时还具有高度的晶体度和化学稳定性。
二、活性氧化铝在环保中的应用1. 污水处理活性氧化铝有较强的氧化性和催化性,可在污水中起到良好的去除有毒有害物质和降解污染物的作用。
以活性氧化铝为催化剂的高级氧化技术在污水处理中有着广泛的应用,在处理含有有机物、重金属、杀虫剂等污染物的废水方面效果显著。
2. 大气净化活性氧化铝的表面易于与气体中的有害物质进行化学反应,特别是对于VOCs(挥发性有机物)等有机物质,在活性氧化铝催化下可以得到高效地催化氧化,从而减少大气中的污染物质。
因此,在大气净化领域,活性氧化铝被广泛应用于催化氧化废气中的有害物质,为控制大气污染作出了重要贡献。
3. 恶臭物质除味在市区等人口密集区域,经常会出现垃圾和污水处理设施所产生的恶臭,影响到周围居民的正常生活。
而活性氧化铝因其表面的高度活性和氧化性,在恶臭物质的催化氧化处理中具有很好的效果。
在恶臭物质的除味方面,活性氧化铝的应用有望成为一种有效的解决方案。
4. 废气处理废气污染已成为当下环境面临的重要问题之一,而活性氧化铝又是一种高度活性的粉体材料,因此在废气处理中有着很好的应用前景。
通过在活性氧化铝表面上包覆金属氧化物等活性物质,可以用于吸附和降解废气中的有害成分,从而有效地减轻大气环境的污染程度。
活性氧化铝执行标准
首先,活性氧化铝执行标准对其外观和颗粒大小进行了详细的规定。
活性氧化铝颗粒应呈白色或微黄色,无明显机械损伤和杂质,颗粒大小应符合特定的范围要求。
这些规定有利于保证活性氧化铝的外观质量和颗粒尺寸的均匀性,从而提高其吸附性能和使用效果。
其次,活性氧化铝执行标准还对其化学成分和化学性能做出了要求。
活性氧化铝应具有一定的氧化铝含量和比表面积,同时要求其具有良好的吸附性能和耐热性能。
这些要求对于活性氧化铝的生产和使用具有指导意义,有利于提高其吸附效率和使用寿命。
另外,活性氧化铝执行标准还对其吸附性能和机械性能做出了详细的规定。
活性氧化铝在特定条件下对水、气体和有机物等的吸附性能应符合特定的要求,同时要求其具有一定的抗压性和耐磨性。
这些规定有利于保证活性氧化铝在实际应用中具有稳定的吸附性能和机械强度,确保其长期有效运行。
总的来说,活性氧化铝执行标准的制定对于规范和统一活性氧化铝的生产和使用具有重要意义。
遵循执行标准,可以有效保证活性氧化铝的质量和性能,提高其在空气净化、水处理等领域的应用效果,促进相关行业的健康发展。
综上所述,活性氧化铝执行标准对其外观、化学成分、化学性能、吸附性能和机械性能等方面做出了详细的规定,有利于规范和统一活性氧化铝的生产和使用,提高其质量和性能,促进相关行业的发展。
希望各相关单位和企业能够严格遵守执行标准,确保活性氧化铝的质量和安全使用,为社会和环境做出积极贡献。
活性氧化铝是当前世界上大量使用的无机化工产品之一。
由于活性氧化铝具有多孔结构,高比表面积且处于不稳定的过渡态,因而具有较大的活性。
在石油化工、化肥工业中,广泛用作催化剂、催化剂载体。
活性氧化铝又具有吸附特性,因而用作气体和液体的干燥剂、气体净化的吸附剂、饮水除氟剂、工业污水的颜色和气味消除剂等。
当今得到的主要的工业活性氧化铝产品都是靠快速脱水法生产的。
活性氧化铝是指经过充分细磨、以原晶尺寸大小1μm的α- Al2O3为基本组成(20%-90%)的煅烧氧化铝,活性氧化铝除氟剂为白色球粒,除氟容量大、物理性能好、强度高、无毒、无味,在水中浸泡不变软、不膨胀、不破裂,使用完全可靠,易再生、寿命长,经本除氟剂净化后的水,能达到国家规定的饮水卫生标准,主要用于饮用水除氟或其它工业装置中的除氟。
活性氧化铝除氟剂,可与家用除氟缸配套使用,内装WHA-104除氟剂1.6公斤,水从下面进,上面出,除氟缸操作简单,使用方便,是家庭中理想的饮水除氟装置。
本除氟剂也可与自来水厂除氟装置或工业用除氟装置配套使用。
家用除氟装置除氟剂的活化:配置硫酸铝溶液(3升水、0.3kg固体硫酸铝),净氧化铝除氟剂放入上述溶液中,浸泡5-10小时弃去浸液(浸泡时要适当搅拌)而后再用清水洗涤3-5次,每次用水2升。
家用除氟剂的再生:配硫酸铝溶液与活化用的溶液相同,将再生氧化铝除氟剂放入上述溶液中浸泡30小时,弃去浸液(浸泡时要适当搅拌)而后再用清水洗涤3-5次,每次用水2升左右。
或者用调PH法再生PH,控制在7.5。
活性氧化铝除氟剂可连续使用6-8年,当表面出现黄褐色时,除氟效果明显降低,此系水中杂质污染所致,因而最好每半年用3%稀盐酸处理一次,其操作方法与再生方法相同。
巩义市泰裕净水材料有限公司滤料厂,座落于中原名城——巩义市。
是一家专业从事水处理材料的研发、生产、销售、技术服务于一体的综合实体企业。
产品销售遍布全国二十多个省市、自治区(其中2006年石英砂出口德国,2007年、2008年聚合氯化铝出口越南、朝鲜),广泛应用于钢铁、电力、石油、化工、环保,生活饮用水,工业污水和城镇污水处理等行业。
活性氧化铝的性质、用途及制法摘要本文主要论述了活性氧化铝的性质、用途及应用。
活性氧化铝指的是中间态氧化铝,主要可以分为高温氧化铝、低温氧化铝和ρ-A12O3三大类。
通过选择不同品种的原料,可以制备出不同比表面积的活性氧化铝,通过加入添加剂的方法可以改变活性氧化铝的孔径分布。
活性氧化铝的区分可以通过x-ray分析的方法区分,也可以通过分析其原料及其加工过程来区分。
活性氧化铝在工业上的应用可以分为粉状物和制品两大类。
最初的活性氧化铝制品是活性铝土矿及活性结疤颗粒,目前较为广泛应用的成型方法是通过ρ-A12O3的再水化特性或拟薄水铝石的水解行为来制备,前两种产品已逐渐为后两种产品所代替。
活性氧化铝的主要应用领域是吸附领域和催化剂领域,在吸附领域,它可以被用作气体干燥、液体干燥、净化处理水等。
在催化剂领域,活性氧化铝不仅本身可以用作催化剂,而且可以作为催化剂载体来使用。
随着人们对活性氧化铝结构认识的不断深入,活性氧化铝的应用领域也在不断扩大。
前言活性氧化铝是近几十年来发展起来非冶金级氧化铝行业的一个重要分支,它是指γ、κ、θ、η、δ、χ等过渡相氧化铝;以及含有部分水的氧化铝化合物(分子式A12O3.nH2O, 0≤n<1),这些氧化铝有一些共同的特点:比表面积较大,多种孔隙结构,以及合理的孔径分布,基于以上特点,活性氧化铝在医药、化工、冶金、水质净化、化学分析、废气治理等领域作为吸附剂、催化剂、催化剂载体等,日益受到各行各业人士的关注,并且随着科学的进步,技术的提高,它将发挥更大的作用。
1、活性氧化铝的性质1.1比表面积从理论上讲,只要合理控制氧化铝的培烧制度,便可以获得高达360m2/g的比表面积,而如果利用NaAlO2分解所得胶状氢氧化铝而制得的活性氧化铝,其孔径非常细小,而由此所得到的比表面积更可高达600m2/g1.2孔径分布由于Al-O具有较强的成键能力,Al(OH)3在加热脱水时生成的H2O,在晶体内而形成很高的汽压,由此产生分布很广的微孔,其孔径随着Al(OH)的3不同而不同,一般来说,用纯氢氧化铝培烧可以制得中等孔径的产品。
工业上常用的活性氧化铝成型方法主要有(喷雾成球法),(转动制粒法),(挤出成型法),(压缩成型法),以及(油中成型法)。
活性氧化铝的成型方法和成型机械的选择是由(原料的性质),(产品的形状),(添加剂的种类)等因素决定。
活性氧化铝呈白色或微红色,不溶于水或有机溶剂,但能溶于强酸强碱,无臭,无味,无毒。
在空气中有吸湿现象,吸水后不胀不裂,对氢氧化合物,氟气,砷等气体有吸附作用,广泛应用于石油化工业,用途如下:
1. 干燥剂:干燥气体,如乙炔,氢气,氨气,甲烷等。
干燥液体,如汽油,煤油,丙烯等;
2. 水质净化:高氟饮水的除氟剂,去磷酸盐,颜色等;
3. 催化剂:如硫磺回收催化剂,乙醇脱水的催化剂等;
4. 催化剂载体:如加氢精炼催化剂载体,汽车尾气催化剂载体,合成氨工业氮氧化合物净化剂的载体等。
活性氧化铝(activited alumina),是一种具有晶格缺陷的氧化铝,这样也赋予了它广泛的性能,它是由氧化铝水合物经过低温脱水而成。
广义上讲,它可以包括γ-、η-、χ-Al2O3等晶型。
结晶性能不好,具有大的比表面积和多孔结构,可以用作吸附剂、干燥剂、催化剂以及催化剂的载体等。
活性氧化铝的内容主要表现在两个方面,即制备原料的选择和成型工艺的确定。
这两个方面都会对活性氧化铝产品的指标产生影响,进而影响到产品的使用。
活性氧化铝的指标参数,主要有孔容、比表面积、杂质含量、灼减、孔径分布、表面酸碱性、强度等。
不同的使用领域对指标有不同的要求,但强度的指标是通用的,因为它反映了该产品使用的寿命。
HG/T 3927-2007工业活性氧化铝1 范围本标准规定了工业活性氧化铝的要求、试验方法、检验规则、标志、标签、包装、运输和贮存。
本标准适用于工业活性氧化铝。
该产品用于炼油、化肥、石化、天然气、制氧和化工等行业,主要用作气体和液体吸附剂、吸氟剂、干燥剂、和催化剂载体等。
分子式:Al2O3 •nH2O(n<1)3 分类工业活性氧化铝分为六类:吸附剂——通用型,用于各种烃类气体、天然气、石油裂解气等的吸附、脱水等。
除氟型——用于饮用水、工业水除氟。
再生剂——用于蒽醌法生产双氧水。
脱氯剂——用于各种气体及黏性树脂等液体的脱氯。
催化剂载体——用作各种催化剂载体。
空分干燥剂——空分专用干燥剂。
4 要求4.1 外观:白色球状或柱状。
4.2 工业活性氧化铝应符合表1要求。
表1 要求5 试验方法5.1 安全提示本试验方法中使用的部分试剂具有腐蚀性,操作时须小心谨慎!如贱到皮肤上应立即用水冲洗,严重者应立即治疗。
5.2 一般规定本标准所用试剂和水在没有注明其他要求时,均指分析纯试剂和GB/T 6682一1992中规定的三级水。
试验中所用标准滴定溶液、制剂及制品,在没有注明其他要求时,均按HG/T 3696.3的规定制备。
5.3 外观判别在自然光条件下,用目视法判别。
5.4 三氧化二铝含量的测定5.4.1 方法提要铝离子与已知过量的乙二胺四乙酸二钠标准溶(EDTA)进行络合,形成稳定的A1-EDTA 络合物,过剩的EDTA在pH=5条件下,以二甲酚橙做指示剂,用氯化锌标准滴定溶液回滴至终点。
5.4.2 试剂5.4.2.1 六次甲基四胺。
5.4.2.2 硫酸溶液:1+1。
5.4.2.3 盐酸溶液:1+4。
5.4.2.4 氨水溶液:1+9。
5.4.2.5 乙二胺四乙酸二钠标准滴定溶液:c(EDTA)≈0.05mol/L。
5.4.2.6 氯化锌标准滴定溶液:c(ZnCl2)≈0.05mol/L。
5.4.2.7 二甲酚橙指示剂.2g/L。
活性氧化铝,又称为激活氧化铝,是一种由氧化铝(Al2O3)和水热反应制得的高性能配件,是一种重要的多功能材料。
它是一种经过特殊处理的铝氧化物,具有良好的耐腐蚀性、耐高温性、抗氧化性、热稳定性,以及良好的电绝缘性能。
活性氧化铝在石油化工和精细化工中有很多用途,它可以用作催化剂、吸附剂和结晶剂等,在电子、机械、汽车等行业中,活性氧化铝也有着广泛的应用。
它可以用作汽车发动机的助燃剂,增加发动机的燃烧效率,提高汽车的性能和运行的效率;它也可以用作电子元件的绝缘层,防止电子元件的损坏;活性氧化铝还可以用来制备粉末冶金产品,如涂料、塑料和橡胶制品,以及精密仪器和设备等。
总之,活性氧化铝具有多种特性,具有优异的耐腐蚀和耐高温性能,可以应用于石油化工、精细化工、电子、机械、汽车、粉末冶金产品等行业,用途广泛。
活性氧化铝生产工艺流程简介引言活性氧化铝,又称活性氧化铝粉体,是一种重要的功能性材料,具有广泛的应用领域,如催化剂、吸附剂、防火材料和陶瓷等。
本文将介绍活性氧化铝的生产工艺流程,包括原料选取、制备、成型和烧结等工艺环节。
原料选取活性氧化铝的原料主要是铝矾土。
铝矾土是一种含铝量较高的矿石,通常含有氧化铝、硅酸盐和杂质等成分。
选取质量好、含铝量高的铝矾土作为原料,是生产优质活性氧化铝的关键。
制备工艺活性氧化铝的制备工艺主要包括磨碎、酸法浸出和氢氧化铝沉淀等步骤。
磨碎首先将选取的铝矾土进行破碎和磨碎,使其颗粒细小。
酸法浸出将磨碎后的铝矾土与稀硫酸溶液进行浸出反应。
在一定的温度和压力条件下,稀硫酸与铝矾土中的氧化铝反应生成硫酸铝溶液。
该反应通常在反应釜中进行,并通过加热和搅拌来提高反应效率。
氢氧化铝沉淀将得到的硫酸铝溶液进行氢氧化反应,生成氢氧化铝沉淀。
通常,通过加入氢氧化钠或氨水等碱性物质来实现氢氧化反应。
当溶液中pH值达到一定值时,氢氧化铝开始沉淀。
沉淀后的氢氧化铝通过过滤、洗涤和干燥等步骤得到纯净的活性氧化铝粉体。
成型工艺活性氧化铝粉体在应用中通常需要经过成型处理,以满足不同的使用要求。
成型工艺主要包括浆料制备、成型和干燥等步骤。
浆料制备将活性氧化铝粉体与添加剂(如粘结剂、助剂和排泥剂等)混合制备成浆料。
浆料的配比和粘度控制对于成型工艺和最终产品的质量具有重要影响。
成型将浆料注入成型模具中,通过振动、压力和真空等手段,使浆料形成所需的形状。
常见的成型方法有挤压成型、注射成型和压坯成型等。
干燥成型后的活性氧化铝制品需要进行干燥,以去除浆料中的水分,并提高制品的强度和稳定性。
常用的干燥方法有自然干燥、热风干燥和真空干燥等。
烧结工艺烧结是活性氧化铝制品的最后一个工艺环节,主要是通过高温处理,使制品颗粒之间发生结合并提高强度和致密度。
烧结温度烧结温度是影响活性氧化铝制品性能的重要因素之一。
通常根据具体产品要求,选择适当的烧结温度。
活性氧化铝生产工艺流程简介引言活性氧化铝是一种重要的高性能陶瓷材料,在工业生产和高科技领域有着广泛的应用。
本文将简要介绍活性氧化铝的生产工艺流程,包括原料准备、烘干、成型、烧结和表面处理等关键步骤。
原料准备活性氧化铝的制备材料主要包括氧化铝粉末、助剂和添加剂等。
氧化铝粉末是制备活性氧化铝的主要原料,其粒径、纯度和形状都对产品性能起着重要影响。
助剂主要包括结合剂和润滑剂,用于提高成型性和加工性能。
添加剂的种类较多,可根据不同要求来选择,如改善材料的机械性能、热性能或电性能等。
烘干在制备活性氧化铝时,首先需要将原料进行烘干处理。
烘干的目的是去除原料中的水分,以防止烧结过程中产生气泡或缺陷。
烘干过程中需要控制温度和时间,以避免原料过度干燥,而影响材料的加工性能。
成型成型是将烘干后的原料进行塑性加工,赋予其所需的形状和结构。
常用的成型方法包括压制、注模、挤出和注射等。
成型过程中需要控制压力、温度和速度等参数,以确保原料能够充分填充模具并保持一定的形状稳定性。
烧结烧结是制备活性氧化铝的关键步骤之一,通过高温处理使成型体内部颗粒结合成致密的结构。
烧结温度和时间是影响产品性能的重要因素,需要根据材料的特性和要求进行合理的设计。
烧结过程中还可以进行添加剂的掺入,以改善材料的性能。
表面处理活性氧化铝表面处理是为了改善产品的表面性能,提高其与环境或其他物质的相互作用能力。
常用的表面处理方法包括打磨、抛光、镀膜和涂层等。
表面处理的选择取决于产品的具体要求,如光洁度、耐腐蚀性和绝缘性等。
结论活性氧化铝生产工艺流程包括原料准备、烘干、成型、烧结和表面处理等关键步骤。
合理控制每个步骤的参数和条件,可以获得高质量的活性氧化铝产品。
随着科技的不断进步,活性氧化铝的生产工艺也在不断改进,为其在各个领域的应用提供更大的便利和发展空间。
参考文献: 1. Smith, A. B. (2020). Introduction to Ceramic Materials. CRC Press.2. Zhang, Q., & Wang, X. (2019). Processing and Properties of Advanced Ceramics and Composites IX. John Wiley & Sons.。
HG/T 3927-2007工业活性氧化铝1 范围本标准规定了工业活性氧化铝的要求、试验方法、检验规则、标志、标签、包装、运输和贮存。
本标准适用于工业活性氧化铝。
该产品用于炼油、化肥、石化、天然气、制氧和化工等行业,主要用作气体和液体吸附剂、吸氟剂、干燥剂、和催化剂载体等。
分子式:Al2O3?nH2O(n<1)3 分类工业活性氧化铝分为六类:吸附剂——通用型,用于各种烃类气体、天然气、石油裂解气等的吸附、脱水等。
除氟型——用于饮用水、工业水除氟。
再生剂——用于蒽醌法生产双氧水。
脱氯剂——用于各种气体及黏性树脂等液体的脱氯。
催化剂载体——用作各种催化剂载体。
空分干燥剂——空分专用干燥剂。
4 要求外观:白色球状或柱状。
工业活性氧化铝应符合表1要求。
表1 要求5 试验方法安全提示本试验方法中使用的部分试剂具有腐蚀性,操作时须小心谨慎!如贱到皮肤上应立即用水冲洗,严重者应立即治疗。
一般规定本标准所用试剂和水在没有注明其他要求时,均指分析纯试剂和GB/T6682一1992中规定的三级水。
试验中所用标准滴定溶液、制剂及制品,在没有注明其他要求时,均按HG/T 的规定制备。
外观判别在自然光条件下,用目视法判别。
三氧化二铝含量的测定方法提要铝离子与已知过量的乙二胺四乙酸二钠标准溶(EDTA)进行络合,形成稳定的A1-EDTA络合物,过剩的EDTA在pH=5条件下,以二甲酚橙做指示剂,用氯化锌标准滴定溶液回滴至终点。
试剂六次甲基四胺。
硫酸溶液:1+1。
盐酸溶液:1+4。
氨水溶液:1+9。
乙二胺四乙酸二钠标准滴定溶液:c(EDTA)≈L。
)≈L。
氯化锌标准滴定溶液:c(ZnCl2二甲酚橙指示剂.2g/L。
分析步骤试验溶液的制备称取已研细并经(250±100)℃烘干2h的约试样,精确至,置于150mL 烧杯中。
慢慢加入少量水,搅拌至糊状。
再加入10mL硫酸溶液,移至电炉上加热溶解至透明,取下冷却。
移入100mL容量瓶中,用水稀释至刻度,摇匀。
测定用移液管移取10mL试验溶液,置于300mL锥形瓶中。
准确加入30mL EDTA标准溶液,用水冲洗瓶壁。
加入六滴二甲酚橙指示液,用氨水溶液调至溶液呈紫红色,移至电炉上加热煮沸1min,取下冷却(若氨水溶液过量,再用盐酸溶液调呈亮黄色再过一滴)。
加六次甲基四胺,用氯化锌标准滴定溶液滴定至出现玫瑰红色即为终点。
结果计算三氧化二铝含量以三氧化二铝(Al2O3)的质量分数ω1计,数值以%表示,按公式(1)计算:()()()1................100100/10m 10cc322111⨯⨯-=-MVVω式中:C1——乙二胺四乙酸二钠标准滴定溶液的浓度的准确数值,单位为摩尔每升(mol/L);V1——加入EDTA标准滴定溶液的体积的数值,单位为毫升(mL);C2——氯化锌标准滴定溶液的浓度的准确数值,单位为摩尔每升(mol/L);V2——滴定所消耗氯化锌标准滴定溶液的体积的数值,单位为毫升(mL);m——试料的质量的数值,单位为克(g);M——三氧化二铝(1/2Al2O3)的摩尔质量的数值,单位为克每摩尔(g/moL )(M=)。
取平行测定结果的算术平均值为测定结果,两次平行测定结果的绝对差值不大于%。
灼烧失量的测定 方法提要样品在800℃灼烧一定时间,称量灼烧前后的量,得到样品的灼烧失量。
仪器马弗炉:温度能控制(800±10)℃。
分析步骤称取经(250±10)℃烘干至质量恒定的试样约,精确至。
置于已于(800±10)℃下灼烧至质量恒定的瓷坩埚中。
在马弗炉中于(800±10)℃下灼烧2h,于干燥器中冷却后,称量。
结果计算灼烧失量以质量分数ω2计,数值以%表示,按公式(2)计算:()2.......................100mm m 12⨯-=ω 式中:m 1——试料灼烧后的质量的数值,单位为克(g ); m ——试料的质量的数值,单位为克(g )。
取平行测定结果的算术平均值为测定结果,两次平行测定结果的绝对差值不大于 %。
振实密度的测定 方法提要振实密度的测定方法,振实的活性氧化铝质量和其相应的体积之比。
步骤分析选用(250±10)℃下烘干3h 或活化于干燥器中冷却至恒重的样品,装入干燥的100mL 量筒中,装至近100mL 处,塞上橡皮塞,在垫有胶皮板的桌面上倾斜15°反复振实至体积不变,记录体积数,并称量样品的质量,精确至。
结果计算振实密度ρ计,数值以g/cm3表示,按公式(3)计算:()3..........................mV=ρ 式中:m ——试料的质量的数值,单位为克(g );V ——振实后材料的体积的数值,单位为立方厘米(cm3)。
取平行测定结果的算术平均值为测定结果,两次平行测定结果的绝对差值不大于cm 3。
. 比表面积的测定 仪器法(仲裁法)步骤分析 称取已在(105±2)℃ 烘干3h 的约试样,精确至,将样品在脱气站进行脱气处理,保证样品的真空度达到仪器要求。
样品处理完毕后,移到分析站检测,在20h 内完成分析。
打印报告。
重量法方法提要采用乙醇和二甘醇混合液,使乙醇的相对压力P/P 0在~之间进行吸附,吸附后采用BET 方程处理,可得其比表面积,BET 吸附公式如下:()()()CP P C P P P P am /11/1a /000-+=-式中:(P/P 0)——乙醇的相对压力;a ——与P/P 0对应的平衡吸附量的质量数值,单位为克(g ); am ——1g 吸附剂单分子层饱和吸附量的数值,单位为克每克(g/g );C ——与吸附热有关的常数。
将(P/P 0)/a (1-P/P 0)对P/P 0做图得一直线,从直线的斜率和截距可求出am 。
am=1/(斜率+截距)。
试剂乙醇和二甘醇混合溶液 折光指数ηD 25=~,相对压力(P/P 0)为。
于500mL 容量瓶中加入70mL 无水乙醇和430mL 二甘醇,摇匀。
仪器.1 旋片式真空泵。
.2 真空表.0MPa ~,精度级。
.3 称量瓶.Φ25mm ×25mm 。
.4 电热恒温干燥箱.温度能控制在(250±10)℃。
分析步骤按图1将仪器连接好,用已质量恒定的称量瓶称取约试样,置于电热恒温干燥箱内,于(250±10)℃烘干4h,称量瓶在干燥器中冷却后称量,精确至。
将称量瓶打开盖一起放入真空干燥器的筛板上,盖上真空干燥器的盖子。
抽真空一,关闭抽真空管路玻璃阀门7。
然后先后打开阀门12、15,慢慢将贮液瓶中乙醇和二甘醇混合液200mL 吸入真空干燥器的烧杯中,关闭阀门12。
静态吸附20h ~22h 后将空气导入干燥器中,移开干燥器盖子,迅速盖上称量瓶盖子,称量。
结果计算比表面积以S BET 计,数值以㎡/g 表示,按公式(4)计算.()4........................68.3478mm 1⨯=ηBET S 式中:m 1——试料吸附的乙醇的质量的数值,单位为克(g ); m ——试料的质量的数值,单位为克(g );η——考虑空白称量瓶吸附的吸附系数;一比表面积的换算数值,单位为每克平方米(㎡/g )。
取平行测定结果的算术平均值为测定结果,两次平行测定结果的绝对差值不大于20㎡/g 。
1一机械真空泵, 7,12,15一玻璃阀门, 2一真空压力表, 8一真空干燥箱,3一缓冲瓶, 9一称量瓶及样品,4一玻璃三通, 10,14一乙醇-(二甘醇)丙三醇混合液,5一活性炭干燥箱, 11一筛板,6一硅胶干燥箱, 13一乙醇-(二甘醇)丙三醇储液瓶。
图1 仪器连接示意孔容积的测定方法提要根据开尔文公式,当温度一定,改变吸附质的相对压力P/P时吸附质在不同孔径的细孔中凝聚成液体,此时称出试样的增重量,即可算出吸附剂的孔容积。
试剂乙醇-丙三醇溶液乙醇的相对压力(P/P0)为(ηD25=±)。
配置方法量取无水乙醇加入丙跑醇摇匀。
设备测定装置见图1。
电热恒温干燥箱温度能控制在(250±10)℃。
分析步骤用已质量恒定的称量瓶称取约试样,置于电热恒温干燥箱内,于(250±10)℃下烘干4h,称量瓶在干燥器中冷却后称量,精确至。
将称量瓶打开放在干燥器的筛板上,盖上真空干燥器盖子,抽真空1h(真空度—)。
关闭抽真空管路阀门7。
然后先后将阀门12、15打开,慢慢将贮液瓶中乙醇和丙三醇混合液200mL 吸入真空干燥器的烧杯中,关闭阀门12。
静态吸附20h ~22h 后将空气导入干燥器中,移开干燥器盖子,迅速盖上称量瓶盖子,称量。
结果计算孔容积以V 1计,数值以cm 3/g 表示,按公(5)计算:()5..........................m m m 121ρ-=V 式中:m 2——试料和称量瓶吸附乙醇的质量的数值,单位为克(g ); m 1——空白称量瓶吸附乙醇的质量的数值,单位为克(g ); m ——试料的质量的数值,单位为克(g );ρ——乙醇的密度的数值,单位为每克立方厘米(㎝3/g )。
取平行测定结果的算术平均值为测定结果,两次平行测定结果的绝对差值不大于g 。
静态吸附容量的测定方法提要以水蒸气为吸附质,在20℃~25℃,相对湿度约60%的环境下,达到吸附平衡时,样品所吸附的水量为吸附容量。
试剂溴化钠饱和溶液。
称取250g 无水溴化钠加250g 水配置而成。
仪器电热恒温干燥箱:温度能控制在(250±10)℃。
真空干燥器Φ200㎜。
磨口称量瓶.Φ25㎜×40㎜。
恒温水浴.温度能控制在20℃~25℃。
分析步骤将真空干燥器置于20℃~25℃恒温水浴中,其他装置与图1相同。
将样品放在称量瓶中,置于电热恒温干燥箱内于(250±10)℃下烘干3h,称量瓶在干燥器中冷却后,称取约2g 试样,精确至。
打开称量瓶的盖子,放入真空干燥器中的筛板上。
盖上干燥器盖子缓缓抽气,抽至真空度为一时,关闭抽真空管路玻璃阀门7。
然后先后打开玻璃阀门12、15,慢慢将贮液瓶中溴化钠饱和溶液200mL 吸入真空干燥器的烧杯中,关闭玻璃阀门7。
使真空干燥器在20℃~25℃水浴中,静态吸附22h ~24h 后,打开真空干燥器放空阀,待压力平衡后,迅速盖好称量瓶盖,称量。
结果计算静态吸附容量以V 2计,数值%表示,按公式(6)计算:()6.........................100mm 12⨯=V 式中:m 1——试料吸附水分的质量的数值,单位为克(g ),m ——试料的质量的数值,单位为克(g )。
取平行测定结果的算术平均值为测定结果,两次平行测定结果的绝对差值不大于%。