活性氧化铝主要适用范围
- 格式:doc
- 大小:32.50 KB
- 文档页数:17
胶体活性氧化铝
活性氧化铝是一种重要的黏土助剂,又称改性氧化铝,具有良好的污泥化学动力学性能和独特的结构,常用作改性剂和增稠剂,广泛用于基础耐碱水泥,重力砂浆,砂浆砂浆和刻画砂浆等工程建设中。
活性氧化铝,其张力和悬浮性较好,悬浮形式有着较低的溶剂改良性,在水解物的活性溶剂、阴离子表面活性剂、表面易溶的联合物体系中可提高稳定性,改变物质的悬浮形式,提高僵持和流变性。
另外,在建筑施工现场,活性氧化铝左右的砂浆的操作性高,不易滴漏,保证砂浆密实,有比较好的效果,也有利于去除漆膜中的灰尘,避免地面污染。
此外,活性氧化铝可以在水泥和磨料之间建立聚合关系,其中磨料吸水时,水溶性成分可以连接在水泥分子链中,形成间歇性碱式水泥膜,从而保持整体表面的平整性和微粒的稳定性,维护涂料的质量。
活性氧化铝的优越参数设计,可以改变其结构,以改善物料的摩擦性、可熔性和安全性,并具有均质度高的塑料性,适用于各种有机和无机物质的混合,以及油、煤尘等装置。
总而言之,活性氧化铝具有多方面优点,在不同行业具有广泛应用,是取代传统氧化铝、增稠剂、流变剂等用途的理想产品。
活性氧化铝使用注意事项
活性氧化铝是一种高氧化性物质,主要功能是清爽增白,朰繁用作个人护理化妆品的防腐剂、商品防腐剂、药物防腐等。
使用活性氧化铝时需要注意以下几项:
一、储存注意事项
1、活性氧化铝包装完好,贮藏在室内阴凉、干燥、通风的环境,避免受潮、高温、暴露在阳光下;
2、活性氧化铝和化学活性剂、吸收剂等有机物不可以混合储存;
3、活性氧化铝远离火源且不可以抛洒飞溅、打碎、粉碎或吸入;
4、请勿把活性氧化铝放入可水洗的载体中,避免转移;
5、若活性氧化铝暴露在高温环境中,请立刻避免吸入活性氧化铝粉尘。
1、活性氧化铝只适用于局部使用,不要口服或注射;
2、制剂过程口罩、手套都必须佩戴;
3、使用结束后及时清洗双手;
4、制剂完毕后应立即进行严格封闭妥善;
5、若活性氧化铝接触到眼睛、皮肤,应立即使用大量自来水冲洗,并尽快就医;
6、使用期间不要吸烟、饮酒,以免上述影响到活性氧化铝的效果;
7、活性氧化铝被用于缓解疼痛时,一定要控制应用量,避免滥用或过大剂量;
8、服药期间,遵守医嘱,并不要和其他药物同时服用,以免交叉诱发有害作用。
三、废弃物处理
1、活性氧化铝严重损伤的废弃物应及时处理,请使用丝纱袋进行封装,避免漏洒环境;
2、废弃物现场整理完毕后,勿把进行中的活性氧化铝与垃圾混合一起处理;
3、废弃物请使用官方安全桶封装,并由专业机构安全处理,不得被随意抛弃。
以上就是活性氧化铝使用注意事项,希望大家仔细阅读并正确使用,以免造成事故甚至对身体健康造成伤害。
活性氧化铝产品简介大家都知道活性氧化铝,又名活性矾土,在催化剂中使用氧化铝的通常专称为“活性氧化铝”,它是一种多孔性、高分散度的固体材料,有很大的表面积,其微孔表面具备催化作用所要求的特性,如吸附性能、表面活性、优良的热稳定性等,所以广泛地被用作化学反应的催化剂和催化剂载体。
活性氧化铝产品简介。
如下:活性氧化铝产品简介:活性氧化铝是用高纯度氧化铝经科学调配,催化精加工而成。
它的吸附性可做干燥剂也可以去除水中对人体有害的氟,可用于饮用水及工业装置的除氧、除氟、脱砷、污水脱色、除臭等。
活性氧化铝产品详情:活性氧化铝具有许多毛细孔道,表面积大,可作为吸附剂、干燥剂及催化剂使用。
同时还根据吸附物质的极性强弱来确定,对水、氧化物、醋酸、碱等具有较强的亲合力,是一种微水深度干燥剂,也是吸附极性分子的吸附剂。
活性氧化铝除氟类似于阴离子交换树脂,但对氟离子的选择性阴离子树脂大。
活性氧化铝吸附脱氟效果好,容量稳定,每立方米活性氧化铝吸氟6400克。
本产品具有强度高、磨损低、水浸不变软、不膨胀、不粉化、不破裂。
可广泛用于石油裂解气、乙烯丙烯气的深度干燥和制氢、空分装置、仪表风干机的干燥、双氧水中氟化物处理还可以去除废气中的硫气氢、二氧化硫、氟化氢、烃类等污染物质,特别适应含氟水的除氟处理。
活性氧化铝应用范围:活性氧化铝是一种多孔性的吸附剂,由于它有很大的比表面积而致使它具有高度的吸附活性,因此被广泛用作高效吸附剂和各种催化剂的载体。
活性氧化铝不仅具有很大的比表面积,且具有很大的机械强度,物化稳定性,耐高温及抗腐蚀性,但不宜在强酸,强碱下操作。
活性氧化铝球的产品说明我们对活性氧化铝有一定的认知,那来熟悉一下活性氧化铝球的产品说明吧!活性氧化铝球是具有很多毛细管道的白色球状,有很多毛细孔通道,这些孔道的表面有较高的活性,能对气体,蒸汽,液体的水份具有选择吸附本能主要去除水中的氟离子效果非常好。
在一定条件下干燥深度可达-70℃以下的露点,饱和可在175℃-400℃加热除水而复活,能进行多次,还可从染污的氧、氢、二氧化硫中吸附润滑油及其它油类蒸汽,并可做催化剂或载体。
惰性氧化铝瓷球和活性氧化铝瓷球的区别惰性氧化铝瓷球和活性氧化铝瓷球有哪些区别?用途和应用范围是哪些?惰性氧化铝瓷球惰性氧化铝瓷球就是普通瓷球,作为反应中装填催化剂层前后的隔离物使用。
惰性氧化铝球是惰性的,不会与物料发生反应,起保护作用。
惰性瓷球具有强度高、高化学稳定性和热稳定性的特性,惰性瓷球可以耐高温、压和酸、碱、盐及各种溶剂的腐蚀,惰性瓷球大量应用于石油、化工、化肥及环保等行业。
惰性瓷球作为反应器内催化剂的支撑和覆盖材料,可缓冲进入反应器内液体和气体对催化剂的冲击,保护催化剂,并提高反应器内液体和气体的分布。
应用范围惰性瓷球大量应用于石油、化工、化肥及环保等行业。
活性氧化铝瓷球活性氧化铝瓷球具有一定的吸附作用,可以用来吸附一些极性物质。
简单说就是活性氧化铝是活性的,会与物料结合发生反应的。
活性氧化铝球具有许多毛细孔道,表面积大,可作为吸附剂、干燥剂及催化剂使用。
同时还根据吸附物质的极性强弱来确定,对水、氧化物、醋酸、碱等具有较强的亲合力,活性氧化铝球是一种微水深度干燥剂,也是吸附极性分子的吸附剂。
活性氧化铝球除离子类似于阴离子交换树脂,但对一些离子的选择性阴离子树脂大。
活性氧化铝吸附脱离子效果好,容量稳定,每立方米活性氧化铝大概吸一些离子6400 克。
产品具有强度高、磨损低、水浸不变软、不膨胀、不粉化、不破裂等优点。
应用领域活性氧化铝球具有许多毛细孔道,表面积大,可作为吸附剂、干燥剂及催化剂使用。
同时还根据吸附物质的极性强弱来确定,对水、氧化物、醋酸、碱等具有较强的亲合力,活性氧化铝球是一种微水干燥剂,也是吸附极性分子的吸附剂。
活性氧化铝球可大量用于石油裂解气、乙烯丙烯气的干燥和制氢、空分装置、仪表风干机的干燥、双氧水中离子处理还可以去除废气中的硫气氢、二氧化硫、烃类等污染物质,特别适应除离子处理。
另外,活性氧化铝一般不称为瓷球,惰性氧化铝才叫瓷球。
工业氧化铝6类摘要:1.工业氧化铝的简介2.工业氧化铝的6 类分类3.各类氧化铝的特点和应用4.我国工业氧化铝的发展现状和前景正文:一、工业氧化铝的简介工业氧化铝,又称为铝氧化物或铝土矿,是一种无机化合物,化学式为Al2O3。
它是铝元素最常见的氧化物,具有高熔点、高硬度和良好的耐磨性等特点。
工业氧化铝广泛应用于各个领域,如陶瓷、化工、电子、航空等。
二、工业氧化铝的6 类分类根据工业氧化铝的物理和化学性质,可以将其分为以下6 类:1.高纯度氧化铝:纯度高达99.99% 以上,主要用于半导体材料、光纤等高精度领域。
2.普通氧化铝:纯度在95%-99.9% 之间,广泛应用于陶瓷、耐火材料等。
3.活性氧化铝:具有较高的比表面积,主要用于催化剂、吸附剂等领域。
4.纳米氧化铝:粒径在1-100nm 之间,具有优异的力学性能、热稳定性和化学稳定性,广泛应用于涂料、塑料等。
5.氢氧化铝:由氧化铝和水反应生成,主要用于污水处理、医药等。
6.复合氧化铝:由氧化铝与其他物质复合而成,具有特殊的性能,如高强度、高硬度等,用于航空、航天等高端领域。
三、各类氧化铝的特点和应用1.高纯度氧化铝:具有高熔点、高硬度、高绝缘性等优点,主要用于半导体材料、光纤、电子元器件等。
2.普通氧化铝:具有良好的耐磨性、耐高温性和化学稳定性,广泛应用于陶瓷、耐火材料、磨料等。
3.活性氧化铝:具有较高的比表面积,用作催化剂和吸附剂,如石油裂化、催化剂载体等。
4.纳米氧化铝:具有优异的力学性能、热稳定性和化学稳定性,用于涂料、塑料、橡胶等填充剂。
5.氢氧化铝:具有良好的吸附性能,用于污水处理、医药等。
6.复合氧化铝:具有特殊的性能,如高强度、高硬度等,用于航空、航天等高端领域。
四、我国工业氧化铝的发展现状和前景我国是氧化铝生产和消费大国,拥有丰富的铝土矿资源。
近年来,我国氧化铝产业在政策支持和市场需求的推动下,取得了长足的发展。
活性氧化铝的用途活性氧化铝是一种用途广泛的吸附剂,经改性调节之后可适用于无数特别应用场合,活性氧化铝的新用途还在不断开发,举行这些开发工作的主要是一些铝业公司,有关改性技术的具体状况藏匿得比较少。
不过改性技术的主要依据是容易的表面化学基本原理,如酸-碱化学反应。
以下两种办法可用于氧化铝结构和性质的调节:a.转变活化过程;b.用法添加剂。
已经证明的改性的用途如下:从气体和液体中脱除HCI 和HF;从烃类中除去酸性气体(COS、CO2、H2S、CS2);脱除氧化剂和Lewis碱;除去水中的As5+、PO43-、C1-和F-;有机加工液体清除剂;用于脱除SO2。
酸性气体脱除用于酸性气体脱除的氧化铝明显应具有相对较高的“碱”含量。
因为Bayer工艺从铝土矿萃取氧化铝过程中需要用法NaOH,普通氧化铝中都含有钠。
氧化铝中Na2O典型含量为0.3%(质量分数),碱含量可能变幻比较大。
碱性氧化铝中碱含量普通大于1%。
活性氧化铝的BET(Brunauer Emmett- Teller)比表面积普通在200~500m2/g范围内,总孔容临近0.5mL/g。
氧化剂脱除用于除去氧化剂的氧化铝(如Alcoa Selexsorb CDO-200)具有碱含量相对较低(0.3% Na2O)、Lewis酸度较高(即高表面O空位)、Bronsted酸度很低等特点。
明显由于经过热处理,比表面积也比较低(200m2/g)。
这类氧化铝对醇、醛、过氧化物、酮以及羧酸、酯类、氨、腈、HCN 等Lewis碱具有挑选性。
因其Bronsted酸度很低,使得因氧化剂吸附过程中质子传递引起的副反应发生的可能性降到最小。
经证明,这类氧化铝对从生产过程中的共聚单体(正已烯和正辛烯)中除去氧化性烃类特殊有效。
水处理氧化铝对水处理十分实用。
有许多关于除去水中砷和氟化物的讨论。
氧化铝对吸附As5+特殊有效,As5+在水溶液中主要以H2AsO4-的形式存在。
在水介质中,ZPC作为氧化铝(或任何吸附剂)可测量的性质之一,具有十分重要的作用。
活性氧化铝吸附剂的应用范围
活性氧化铝吸附剂作为吸附剂的主要的工业应用包括气体
干燥、液体干燥、水质净化、石油工业的选择吸附以及色层分离工艺等。
由于活性氧化铝对水有较强的亲和力,因此在气体干燥中得到了广泛应用。
能够用活性氧化铝干燥的气体主要有:乙炔、裂解气、焦炉气、氢气、氧气、空气等。
由于活性氧化铝吸附水时放出大量的热,因此,应用时要综合干燥能力、干燥速度、换热及再生方式等进行设计。
活性氧化铝吸附剂可以干燥的液体主要有:芳香烃
活性氧化铝吸附剂作为吸附剂的主要的工业应用包括气体干燥、液体干燥、水质净化、石油工业的选择吸附以及色层分离工艺等。
由于活性氧化铝对水有较强的亲和力,因此在气体干燥中得到了广泛应用。
能够用活性氧化铝干燥的气体主要有:乙炔、裂解气、焦炉气、氢气、氧气、空气等。
由于活性氧化铝吸附水时放出大量的热,因此,应用时要综合干燥能力、干燥速度、换热及再生方式等进行设计。
活性氧化铝吸附剂可以干燥的液体主要有:芳香烃类、高分子烯烃类、汽油、煤油、环己烷、丙烯、丁烯以及许多卤化烃类等。
这些液体与氧化铝接触时,二者不会发生反应或聚合,同时,干燥的液体中不含有容易吸附在氧化铝表面并且再生时不易去掉的组分。
在水质净化方面,活性氧化铝吸附剂除主要用于去除饮水中的氟化物外,对工业污水颜色及气味的消除也很有效果。
此外,活性氧化铝吸附剂在碳水化合物的回收和选择性吸附及动力系统油的养护中也有普遍应用。
以上是讲述关于活性氧化铝作为吸附剂在工业中的一些使用介绍。
活性氧化铝是当前世界上大量使用的无机化工产品之一。
由于活性氧化铝具有多孔结构,高比表面积且处于不稳定的过渡态,因而具有较大的活性。
在石油化工、化肥工业中,广泛用作催化剂、催化剂载体。
活性氧化铝又具有吸附特性,因而用作气体和液体的干燥剂、气体净化的吸附剂、饮水除氟剂、工业污水的颜色和气味消除剂等。
当今得到的主要的工业活性氧化铝产品都是靠快速脱水法生产的。
活性氧化铝是指经过充分细磨、以原晶尺寸大小1μm的α- Al2O3为基本组成(20%-90%)的煅烧氧化铝,活性氧化铝除氟剂为白色球粒,除氟容量大、物理性能好、强度高、无毒、无味,在水中浸泡不变软、不膨胀、不破裂,使用完全可靠,易再生、寿命长,经本除氟剂净化后的水,能达到国家规定的饮水卫生标准,主要用于饮用水除氟或其它工业装置中的除氟。
活性氧化铝除氟剂,可与家用除氟缸配套使用,内装WHA-104除氟剂1.6公斤,水从下面进,上面出,除氟缸操作简单,使用方便,是家庭中理想的饮水除氟装置。
本除氟剂也可与自来水厂除氟装置或工业用除氟装置配套使用。
家用除氟装置除氟剂的活化:配置硫酸铝溶液(3升水、0.3kg固体硫酸铝),净氧化铝除氟剂放入上述溶液中,浸泡5-10小时弃去浸液(浸泡时要适当搅拌)而后再用清水洗涤3-5次,每次用水2升。
家用除氟剂的再生:配硫酸铝溶液与活化用的溶液相同,将再生氧化铝除氟剂放入上述溶液中浸泡30小时,弃去浸液(浸泡时要适当搅拌)而后再用清水洗涤3-5次,每次用水2升左右。
或者用调PH法再生PH,控制在7.5。
活性氧化铝除氟剂可连续使用6-8年,当表面出现黄褐色时,除氟效果明显降低,此系水中杂质污染所致,因而最好每半年用3%稀盐酸处理一次,其操作方法与再生方法相同。
巩义市泰裕净水材料有限公司滤料厂,座落于中原名城——巩义市。
是一家专业从事水处理材料的研发、生产、销售、技术服务于一体的综合实体企业。
产品销售遍布全国二十多个省市、自治区(其中2006年石英砂出口德国,2007年、2008年聚合氯化铝出口越南、朝鲜),广泛应用于钢铁、电力、石油、化工、环保,生活饮用水,工业污水和城镇污水处理等行业。
活性氧化铝参数
活性氧化铝属于化学品氧化铝范畴,主要用于吸附剂、净水剂、催化剂及催化剂载体。
活性氧化铝对气体、水蒸气和某些液体的水分有选择吸附本领。
吸附饱和后可在约175~315℃加热除去水而复活。
吸附和复活可进行多次。
除用作干燥剂外,还可从污染的氧、氢、二氧化碳、天然气等中吸附润滑油的蒸气。
并可用作催化剂和催化剂载体和色层分析载体。
可用作高氟饮水的除氟剂(除氟容量大)、烷基苯生产中循环烷烃的脱氟剂、变压器油的脱酸再生剂、用作制氧工业、纺织工业、电子行业气体干燥,自动化仪表风的干燥以及在化肥、石油化工干燥等行业作干燥剂、净化剂(露点可达-40℃)、在空分行业变压吸附露点可达-55℃。
是一种微量水深度干燥的高效干燥剂。
非常适用于无热再生装置。
活性氧化铝理化性能分析。
工业上常用的活性氧化铝成型方法主要有(喷雾成球法),(转动制粒法),(挤出成型法),(压缩成型法),以及(油中成型法)。
活性氧化铝的成型方法和成型机械的选择是由(原料的性质),(产品的形状),(添加剂的种类)等因素决定。
活性氧化铝呈白色或微红色,不溶于水或有机溶剂,但能溶于强酸强碱,无臭,无味,无毒。
在空气中有吸湿现象,吸水后不胀不裂,对氢氧化合物,氟气,砷等气体有吸附作用,广泛应用于石油化工业,用途如下:
1. 干燥剂:干燥气体,如乙炔,氢气,氨气,甲烷等。
干燥液体,如汽油,煤油,丙烯等;
2. 水质净化:高氟饮水的除氟剂,去磷酸盐,颜色等;
3. 催化剂:如硫磺回收催化剂,乙醇脱水的催化剂等;
4. 催化剂载体:如加氢精炼催化剂载体,汽车尾气催化剂载体,合成氨工业氮氧化合物净化剂的载体等。
活性氧化铝(activited alumina),是一种具有晶格缺陷的氧化铝,这样也赋予了它广泛的性能,它是由氧化铝水合物经过低温脱水而成。
广义上讲,它可以包括γ-、η-、χ-Al2O3等晶型。
结晶性能不好,具有大的比表面积和多孔结构,可以用作吸附剂、干燥剂、催化剂以及催化剂的载体等。
活性氧化铝的内容主要表现在两个方面,即制备原料的选择和成型工艺的确定。
这两个方面都会对活性氧化铝产品的指标产生影响,进而影响到产品的使用。
活性氧化铝的指标参数,主要有孔容、比表面积、杂质含量、灼减、孔径分布、表面酸碱性、强度等。
不同的使用领域对指标有不同的要求,但强度的指标是通用的,因为它反映了该产品使用的寿命。
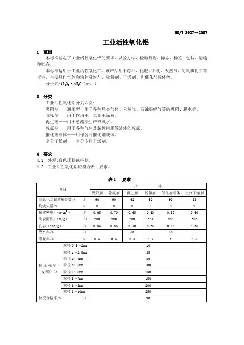
HG/T 3927-2007工业活性氧化铝1 范围本标准规定了工业活性氧化铝的要求、试验方法、检验规则、标志、标签、包装、运输和贮存。
本标准适用于工业活性氧化铝。
该产品用于炼油、化肥、石化、天然气、制氧和化工等行业,主要用作气体和液体吸附剂、吸氟剂、干燥剂、和催化剂载体等。
分子式:Al2O3 •nH2O(n<1)3 分类工业活性氧化铝分为六类:吸附剂——通用型,用于各种烃类气体、天然气、石油裂解气等的吸附、脱水等。
除氟型——用于饮用水、工业水除氟。
再生剂——用于蒽醌法生产双氧水。
脱氯剂——用于各种气体及黏性树脂等液体的脱氯。
催化剂载体——用作各种催化剂载体。
空分干燥剂——空分专用干燥剂。
4 要求4.1 外观:白色球状或柱状。
4.2 工业活性氧化铝应符合表1要求。
表1 要求5 试验方法5.1 安全提示本试验方法中使用的部分试剂具有腐蚀性,操作时须小心谨慎!如贱到皮肤上应立即用水冲洗,严重者应立即治疗。
5.2 一般规定本标准所用试剂和水在没有注明其他要求时,均指分析纯试剂和GB/T 6682一1992中规定的三级水。
试验中所用标准滴定溶液、制剂及制品,在没有注明其他要求时,均按HG/T 3696.3的规定制备。
5.3 外观判别在自然光条件下,用目视法判别。
5.4 三氧化二铝含量的测定5.4.1 方法提要铝离子与已知过量的乙二胺四乙酸二钠标准溶(EDTA)进行络合,形成稳定的A1-EDTA 络合物,过剩的EDTA在pH=5条件下,以二甲酚橙做指示剂,用氯化锌标准滴定溶液回滴至终点。
5.4.2 试剂5.4.2.1 六次甲基四胺。
5.4.2.2 硫酸溶液:1+1。
5.4.2.3 盐酸溶液:1+4。
5.4.2.4 氨水溶液:1+9。
5.4.2.5 乙二胺四乙酸二钠标准滴定溶液:c(EDTA)≈0.05mol/L。
5.4.2.6 氯化锌标准滴定溶液:c(ZnCl2)≈0.05mol/L。
5.4.2.7 二甲酚橙指示剂.2g/L。
活性氧化铝,又称为激活氧化铝,是一种由氧化铝(Al2O3)和水热反应制得的高性能配件,是一种重要的多功能材料。
它是一种经过特殊处理的铝氧化物,具有良好的耐腐蚀性、耐高温性、抗氧化性、热稳定性,以及良好的电绝缘性能。
活性氧化铝在石油化工和精细化工中有很多用途,它可以用作催化剂、吸附剂和结晶剂等,在电子、机械、汽车等行业中,活性氧化铝也有着广泛的应用。
它可以用作汽车发动机的助燃剂,增加发动机的燃烧效率,提高汽车的性能和运行的效率;它也可以用作电子元件的绝缘层,防止电子元件的损坏;活性氧化铝还可以用来制备粉末冶金产品,如涂料、塑料和橡胶制品,以及精密仪器和设备等。
总之,活性氧化铝具有多种特性,具有优异的耐腐蚀和耐高温性能,可以应用于石油化工、精细化工、电子、机械、汽车、粉末冶金产品等行业,用途广泛。
活性氧化铝行业应用介绍活性(氧化铝)(分子式Al2O(3—x)(OH)2x,0<x<0.8)是当前世界上大量使用的无机化工产品之一。
由于活性氧化铝具有多孔结构,高比表面积且处于不稳定的过渡态,因而具有较大的活性。
在石油化工、化肥工业中,广泛用作催化剂、催化剂载体。
活性氧化铝又具有吸附特性,因而用作气体和液体的干燥剂、气体净化的吸附剂、饮水除氟剂、工业污水的颜色和气味除去剂等。
当今得到的重要的工业活性氧化铝产品都是靠快速脱水法生产的。
活性氧化铝是指经过充分细磨、以原晶尺寸大小1m的—Al2O3为基本构成(20%—90%)的煅烧氧化铝。
分子式(Formula):Al2O3,分子量(MolecularWeight):101.96。
活性氧化铝广泛用于石化、炼油、电子、乙烯、丙烯、空气等干燥装置,已在全国很多双氧水厂,化肥厂,制氧厂和石油化工炼油单位使用,并取得了良好效果。
活性氧化铝球还依据吸附物质的极性强弱来确定,对水、氧化物、醋酸、碱等具有较强的亲合力,是一种微水深度干燥剂,也是吸附极性分子的吸附剂。
可广泛用于石油裂解气、乙烯丙烯气的深度干燥和制氢、空分装置、仪表风干机的干燥、双氧水中氟化物处理,还可以去除废气中的硫气氢、二氧化碳、氟化氢、烃类等污染物质,特别适应含氟水的除氟处理。
活性氧化铝为白色或微红色小球状颗粒,具有很多毛细孔和较高的活性,整治高氟水效果好,易再生,干扰物少,除用于饮用水的除氟作用外,还可作为吸附剂、干燥剂和催化剂载体使用。
广泛应用于自来水工程、专用水净化工程、双氧水厂、化肥厂、制氧厂和石油化工等行业。
活性氧化铝具有吸附性能,催化活性的多孔性,高分散度,大比面积的氧化铝,适用于多种气体和液体的干燥,可用于饮用水及工业装置的除氧,除氟,脱砷.污水脱色.除臭等。
本品用高纯度氧化铝经科学调配,催化精加工而成.它能吸附去除水中对人体有害的氟。
在石油,化肥和化工等很多反应过程中用作吸附剂,干燥剂,催化剂及其载体。
太原活性氧化铝的用途太原活性氧化铝是一种具有高度活性的材料,广泛应用于各个领域。
以下是太原活性氧化铝的几个主要用途:1. 催化剂:太原活性氧化铝具有较高的比表面积和活性位点,能够吸附气体分子,并促使化学反应的发生。
因此,它被广泛用作催化剂,用于各种化学反应,如合成氨、反应器催化剂、汽车尾气催化剂等。
此外,太原活性氧化铝还可以用于制备其他催化剂的载体,如铂等贵金属催化剂。
2. 吸附剂:太原活性氧化铝具有良好的吸附性能,可以吸附空气中的各种有害气体和溶剂。
它常被用作脱硫脱氮催化剂,可将空气中的二氧化硫、氮氧化物等有害气体转化为无害物质。
此外,太原活性氧化铝还可以用于净化工业废水、废气中的有机物和重金属,起到环境保护的作用。
3. 磨料:太原活性氧化铝的颗粒形状均匀,硬度较高,因此可以用作磨料。
它常被用于金属表面的抛光、研磨和切割,能够提高加工效率和产品质量。
此外,太原活性氧化铝还可以用于制备磨具、砂纸和磨料涂料等。
4. 填料:太原活性氧化铝的颗粒形状和大小均匀,具有一定的孔隙结构,因此可以作为填料使用。
它常被用于塑料、橡胶等材料的增强剂,可以提高其机械性能和耐磨性能。
此外,太原活性氧化铝还可以用作电子产品的填充材料,提高电子元器件的散热效果。
5. 阻燃剂:太原活性氧化铝具有高熔点和难燃性,可以用作防火材料的添加剂。
它常被用于制备阻燃塑料、涂料和橡胶,能够提高其阻燃性能,减少火灾危险。
6. 耐火材料:太原活性氧化铝具有很高的熔点和耐高温性能,因此可以用作耐火材料。
它常被用于制备耐高温陶瓷、耐火砖和耐火涂料等,能够起到隔热和耐火的作用。
7. 医药领域:太原活性氧化铝具有较高的比表面积和吸附能力,可以用于制备药物载体和吸附剂。
它常被用于制备缓释药物、抗酸药物和解毒剂,能够提高药物的稳定性和生物利用度。
总之,太原活性氧化铝是一种具有广泛用途的高活性材料。
它在催化剂、吸附剂、磨料、填料、阻燃剂、耐火材料和医药领域等方面发挥着重要的作用,对于促进工业生产和改善环境保护具有重要意义。
活性氧化铝化学性质和用途活性氧化铝是一种重要的无机化合物,具有广泛的化学性质和用途。
下面将对其化学性质和用途进行详细介绍。
一、化学性质:1. 稳定性:活性氧化铝具有较高的化学稳定性,不溶于水和大多数有机溶剂,但能在高温下溶于碱性和酸性熔剂中。
2. 热稳定性:活性氧化铝具有优异的耐高温性能,在高温下依然保持其稳定结构,因此被广泛应用于高温材料领域。
3. 吸附性能:活性氧化铝具有很强的吸附能力,能吸附大量的水分子和气体分子,因此常用于制备吸附剂和脱水剂。
4. 酸碱性:活性氧化铝呈弱碱性,能与酸性溶液中的酸中和,也可作为酸性固体颗粒的中和剂。
5. 电性:活性氧化铝是一种优秀的绝缘体,常用于电气绝缘材料的制备。
6. 光学性能:活性氧化铝具有优异的光学性能,如高透光率和高折射率,因此在光学材料制备中被广泛应用。
二、用途:1. 催化剂:活性氧化铝常用作催化剂的载体,通过其高比表面积和吸附性能,能有效增加活性组分的分散度和催化反应的效率。
2. 吸附剂:活性氧化铝可制备成吸附剂,用于气体和液体的吸附分离,如空气净化、饮用水净化、工业废水处理等。
3. 耐火材料:由于活性氧化铝具有优秀的耐高温性能和热稳定性,被广泛应用于耐火材料的制备,如高温隔热材料、耐火砂浆、耐火涂料等。
4. 电气绝缘材料:活性氧化铝是一种优秀的绝缘材料,可用于制备电气绝缘产品,如电气绝缘胶、电气绝缘涂料、电器绝缘产品等。
5. 医药领域:活性氧化铝可用于制备医药中的助剂和催化剂,也广泛应用于医疗器械的制备。
6. 光学材料:由于活性氧化铝具有良好的光学性能,被用于制备光学玻璃、光学膜、高透光率的材料等。
7. 化工领域:活性氧化铝常用作化工原料的填充剂、催化剂、吸附剂等,用于化工反应和产品制备。
总结:活性氧化铝是一种重要的无机化合物,具有广泛的化学性质和用途。
其稳定性、热稳定性、吸附性能、酸碱性、电性和光学性能使其在催化剂、吸附剂、耐火材料、电气绝缘材料、医药领域、光学材料和化工领域等方面都有着重要的应用价值。
活性氧化铝主要适用范围
活性氧化铝的其他性状:
晶体:-AL2O3型
分子式:AL2O3nH2O(0n=0.8)
分子量:102分子量=117物化性质:本品为白色、球状多孔性物质,无毒、无臭,不粉化、不溶于水、乙醇。
包装:本产品采用双层包装,外层塑编袋内衬塑料袋,每袋净重25KG,特殊包装另定。
白色球状物质,特殊工艺制作,因具有独特的骨架结构,所以与活性组分亲和力极强,该产品微孔分布均匀,孔径大小适宜,孔容大吸水率高,堆积密度小,机械性能好,具有良好的稳定性,适合做干燥剂、催化剂载体、除氟剂、变压吸附剂。
使用本品制备的CO-MO系耐硫变换催化剂,具有低温活性好,使用温区宽,硫化时间短等特点,该催化剂适用于中小合成氨厂。
活性氧化铝的应用范围:
1.纳米氧化铝浆料XZ-L14透明陶瓷:高压钠灯灯管、EP-ROM窗口。
2.纳米氧化铝浆料XZ-L14化妆品填料。
3.纳米氧化铝浆料XZ-L14单晶、红宝石、蓝宝石、白宝石、钇铝石榴石。
4.纳米氧化铝浆料XZ-L14高强度氧化铝陶瓷、C基板、封装材料、刀具、高纯坩埚、绕线轴、轰击靶、炉管。
5.纳米氧化铝浆料XZ-L14精密抛光材料、玻璃制品、金属制品、半导体材料、塑料、磁带、打磨带。
6.纳米氧化铝浆料XZ-L14涂料、橡胶、塑料耐磨增强材料、高级耐水材料。
7.纳米氧化铝浆料XZ-L14气相沉积材料、荧光材料、特种玻璃、复合材料和树脂材料。
8.纳米氧化铝浆料XZ-L14催化剂、催化载体、分析试剂。
9.纳米氧化铝浆料XZ-L14宇航飞机机翼前缘。
干燥剂 编辑:hyyfwm。