金属结构闸门及启闭机安装方案
- 格式:docx
- 大小:167.51 KB
- 文档页数:16
闸门及启闭机安装方案目录一、前言 (2)1.1 编制目的 (2)1.2 工程背景 (3)1.3 方案适用范围 (4)二、设备安装前准备 (5)2.1 现场勘察 (6)2.2 材料及设备采购 (7)2.3 施工人员组织 (7)2.4 安全及文明施工准备 (8)三、闸门安装 (9)3.1 门体安装 (10)3.1.1 基础检查与处理 (11)3.1.2 门体吊装 (12)3.1.3 门体调整与固定 (13)3.2 启闭机安装 (14)3.2.1 基础制作与安装 (15)3.2.2 启闭机安装 (16)3.2.3 连接件固定 (17)四、启闭机调试与验收 (18)4.1 调试方案 (18)4.2 调试过程记录 (19)4.3 验收标准与方法 (21)五、安全注意事项 (21)5.1 安全操作规程 (22)5.2 应急预案 (23)5.3 安全防护措施 (24)六、后期维护与保养 (26)6.1 日常检查项目 (27)6.2 定期保养周期 (27)6.3 故障处理流程 (28)一、前言随着现代社会工业化进程的加速,水利工程在国民经济建设中的地位日益凸显,而闸门及启闭机作为水利工程中的重要设备,其安装质量直接关系到工程的安全运行和使用寿命。
为了提高闸门及启闭机的安装质量和效率,本方案旨在提供一套科学、合理、实用的安装方法和技术指导。
本安装方案依据国家相关规范和行业标准,结合实际情况进行编制,旨在为闸门及启闭机的安装工作提供有益的参考。
我们注重施工过程中的安全管理和质量控制,确保安装后的设备能够安全、稳定地运行。
在实施本安装方案时,应严格按照相关规定和要求进行操作,确保施工质量和进度。
各相关部门和单位应密切配合,共同完成好闸门及启闭机的安装任务,为水利工程的顺利进行提供有力保障。
1.1 编制目的本方案旨在为闸门及启闭机的安装提供详细的指导,以确保在安装过程中遵循正确的操作步骤和安全规范。
通过对闸门及启闭机的结构、工作原理、安装要求等方面的详细阐述,使施工人员能够充分了解并掌握闸门及启闭机安装的基本知识和技能,从而确保闸门及启闭机的安装质量和使用效果。
14 闸门及启闭机安装方法说明14.1概述14.1.1工程概况溢洪道进口设闸门双孔两道,孔口均为潜孔式。
上游为事故检修闸门,单孔净宽6.0m,高10m,下游为弧形闸门,单孔净宽6.0m,高9m。
电站进水口设闸口一孔三道,孔口均为潜孔式。
依次为主栏污栅、副栏污栅、事故检修闸门。
其余为相关设备。
14.1.2工作责任(1)负责以上工程项目安装所需的钢材、焊接材料、连接件和补涂装材料等的采购和存放,并按标书的有关规定进行检验和验收。
(2)金结设备的交货验收及清查:办理正式的移交手续。
(3)负责金结设备的装卸车、保管和储存,并负责交货地点至工地现场的运输工作。
(4)负责以上金结设备的安装、补涂装及保养、维修等。
(5)进行焊接和检验工作,并按技术条款要求进行焊接工艺评定。
(6)负责有关主要资料、计划和措施等文件的提交、审批。
14.1.3主要工程量表14-1 闸门及启闭机安装工程量表14.1.4金属结构设备安装施工总进度计划金属结构设备安装计划4个月完成,即从2007年6月10日至2007年10月10日。
计划2007.6.10~2007.8.10完成闸门埋件安装,2007.8.11~2007.9.20完成闸门安装;2007.9.20~2007.9.30完成工作闸门液压启闭机安装;2007.10.1~2007.10.10完成检修门启闭机安装。
14.2金属结构设备安装施工布置14.2.1金属结构设备安装施工机械布置施工机械以25t汽车吊为主,导链、启闭机为辅进行闸门安装。
14.2.2金属结构设备安装现场布置安装用工具房、电焊机房采用移动式钢结构房屋,在施工场地附近放置,电源接砼施工布置的取电点。
14.3原材料及人员进场14.3.1板材:选用通过ISO9001认证的并经质量监督部门检验合格的生产厂家的板材,到货后的每批板材均附有出厂材质证明书。
对于闸门面板用料选用与面板尺寸规格相同的板材,以减少对接焊缝。
14.3.2焊条:根据母材材质,按技术规范及材质要求,选用相变点L TTE焊条,且每批焊条附有出厂合格证。
建始县木桥河水库工程第一标段(木桥河大坝工程)金属结构安装施工工法湖北大禹水利水电建设有限责任公司建始木桥河水库工程一标项目部目录1.1概述 (1)1.2钢管制作与安装 (1)1.3闸门制作及安装 (10)1.4蝶阀安装 (15)金属结构制作与安装工程1.1概述导流洞的钢管制作与安装以及临时工程的闸门制作与安装。
其中钢管制作与安装工程包括洞内取水钢管、取水闸阀连接钢管、钢管内衬、竖井排水钢管、取水闸阀、放空闸阀等;临时工程包括进口封堵闸门2.2*3.0及埋件。
1.2钢管制作与安装1.2.1钢管制作(1)钢管制作工艺流程如下图:(2)钢管制作方法①下料及附件制作A.材料到货后,配合业主做好材料的复检,合格后方能进行下料工序。
B.将钢板吊至下料平台,钢板规格尺寸核对无误后,根据钢管节序图的钢管直径、管长及部件或异形管瓦块展开图划线,并预留1~3mm割缝余量。
划线尺寸按表1-1的规定:表1-1 划线尺寸允许偏差划线且尺寸复核合格后,用油漆在瓦块中间位置标出管节编号、中心线、水流方向、材质、板厚等字样。
采用数控切割机或半自动切割机进行下料及坡口加工,成形后用风动角向砂轮机对坡口及每侧100毫米范围内进行打磨、修整。
坡口加工完成并检查合格后,将坡口涂刷不影响焊接施工质量的坡口漆。
C.完成后,进行检测并填写质检记录。
D.将下料后的瓦块成品按材质、规格顺序堆放。
堆放时必须垫实牢固、堆放整齐,并且堆放高度不宜过高,以防止钢板由于堆放不当造成变形。
E.灌浆孔补强板及堵头的加工在加工车间进行,补强板及堵头加工完成并检查合格后,将补强板及堵头螺纹处涂油保护以防锈蚀。
②瓦块钢板压头、卷制A.对每一瓦块钢板尺寸进行复检,并根据节序图管节的卷制尺寸制作检测样板。
B.钢板压头质量是钢管形位尺寸控制中的重要一环。
对本工程钢管的压头加工采用上辊可调试卷板机进行压头加工,将瓦块钢板两端分别喂入卷板机找正后进行滚压,滚压中随时用样板跟踪检测。
一、工程概况本工程为某水利水电工程项目,主要涉及金属结构制作与安装。
工程内容包括但不限于闸门、启闭机、金属结构部件等。
为确保金属结构安装工作的顺利进行,特制定本专项方案。
二、施工准备1. 技术准备:组织施工人员学习金属结构安装的相关规范、标准,提高施工人员的操作技能和安全意识。
2. 材料准备:根据工程需求,提前采购所需金属结构材料,确保材料质量符合国家相关标准。
3. 人员准备:组建专业的金属结构安装施工队伍,包括焊工、起重工、电工等,并进行技术交底。
4. 设备准备:检查、调试施工设备,确保设备性能稳定,满足施工要求。
三、施工工艺1. 闸门安装(1)测量定位:根据设计图纸,对闸门安装位置进行测量,确保安装精度。
(2)预埋件焊接:按照设计要求,对预埋件进行焊接,确保焊接质量。
(3)闸门吊装:采用起重机将闸门吊装至安装位置,确保吊装过程平稳。
(4)闸门调整:调整闸门与预埋件的间隙,确保闸门安装到位。
(5)验收:检查闸门安装质量,确保符合设计要求。
2. 启闭机安装(1)基础施工:按照设计要求,完成启闭机基础施工。
(2)设备吊装:采用起重机将启闭机吊装至安装位置。
(3)设备安装:按照设计要求,完成启闭机的安装。
(4)调试:对启闭机进行调试,确保启闭机运行平稳。
3. 金属结构部件安装(1)定位:根据设计图纸,对金属结构部件进行定位。
(2)焊接:按照焊接规范,对金属结构部件进行焊接。
(3)验收:检查焊接质量,确保符合设计要求。
四、质量控制1. 材料质量控制:对进场材料进行检验,确保材料质量符合国家相关标准。
2. 施工过程质量控制:严格执行施工规范,确保施工质量。
3. 验收质量控制:对安装完成的金属结构进行验收,确保符合设计要求。
五、安全管理1. 施工前进行安全教育培训,提高施工人员的安全意识。
2. 施工过程中,严格执行安全操作规程,确保施工安全。
3. 定期开展安全检查,及时消除安全隐患。
4. 配备必要的安全防护设施,如安全帽、安全带等。
金属结构及机电设备安装方法1.1启闭机安装检查发运到现场的启闭机型号是否符合要求,各种配件如钢丝绳、中间轴、油杯、地脚螺栓等规格、型号、数量是否与发货清单相符,有无缺件和差错。
检查启闭机在运输过程中是否受到损伤及破坏,如出现损伤与破坏及时采取补救措施,防止不合格品在工程中使用。
确定启闭机安装位置:①根据工作桥上放出的启闭机安装控制线结合安装布置图和闸门吊点距,确定启闭机安装中心线。
②门槽中心线与吊点横向中心线之间的距离E可从闸门主滚轮中心线与吊耳中心的位置求得。
③检查启闭机地脚螺栓孔或地脚螺栓预埋的位置是否正确,如误差过大,影响安装则应及时处理。
④根据图二所示, 确定的安装位置用汽车吊逐台将启闭机就位,注意主、副机编号是否一致。
⑤调整主、副机位置,根据吊点中心线找正其纵、横中心线偏差不应超过±3mm。
⑥用水准仪测量主、副机控制面高差其偏差不应超过±5mm、水平偏差不应大于0.5/1000。
⑦浇筑二期砼,待达到强度后拧紧地脚螺栓、螺母。
如采用埋设板、则焊接地脚螺栓,拧紧螺母。
⑧安装中间轴。
调整、检查:①检查开式齿轮啮合情况,制动轮跳动情况。
用塞尺检查齿轮侧间隙、空载宜略小于保证间隙,以确保在正常运行时得到保证间隙,用百分表检测制动轮跳动,不得大于100um。
目测齿面接触斑点,齿高不小于40%,齿长不小于50%。
如出现超差情况一般多为机座四角没有垫平、垫实,进行调整达到规范。
②将检查、记录各安装数据,报请监理工程师检验认可。
启闭机安装完成后,我部将会同监理人进行以下项目的试验:配电设备的试验要求按DL/T5019—94第5.3.1条的规定执行。
1.2铸铁闸门安装本工程闸门重量和尺寸不大,结合施工现场条件,拟采用整体吊装安装。
安装前,清理门槽孔口安全围栏及盖板,门槽内杂物,清理出门叶及附件的堆放场地。
闸门运至工地后,用8T汽车吊将闸门卸至闸墩前堤坡侧,之后利用启闭平台启吊孔处设置的5T手拉葫芦进行吊装安装,尔后进行闸门调试及启闭试验。
金属结构及启闭机设备安装方案金属结构制安和启闭机设备安装,由专业队伍施工,埋设件制作在厂内进行,现场安装。
1、闸门及埋件制作1.1.制作流程:根据设计要求编制工艺卡→放样下料→矫调刨边→零部件埋件制作→检验矫调→门叶焊接安装→厂内试装→出厂检验→分块装运。
1.2.门体拼装:1.2.1.闸门制造按制造详图和《制造安装及验收规范》闸门制造的规定执行,由专业厂家制作安装。
1.2.2.闸门钢滑道组装时,以止水座面为基准面进行调整,所有滑道在同一平面内,其各项允许偏差按规定执行。
1.2.3.门叶上的止水螺孔与止水压板的水封螺孔在加工石配钻。
1.2.4.闸门在加工厂组装(包括滑道、侧轮、反轮、节间连接装置、充水阀等部件)检查。
组装后的闸门的各项尺寸偏差和接头错位,均应符合施工图纸和上述规范的规定。
1.3.检验:1.3.1.闸门及埋件制作精度、测量工具精度、工人的上岗合格证等,应符合《水利水电工程钢闸门制造安装及验收规范》,实行三级检验制。
同时还应严格控制端柱弯曲误差、门叶对角扭曲误差、端柱厚度误差、主轮外径误差、轮轴位置误差等各种误差的累积。
以免影响水封橡皮的安装精度。
2、闸门和埋件的安装2.1.闸门制造与安装流程2.2.做好安装前的准备工作及安装要求2.2.1.备齐设计详图和技术文件:2.2.2.经建设单位批准的安装技术措施(详细论述、安装准备、安装程序和方法、设备选用、劳动组合、安装进度、安全要点、质量验收标准等)。
2.2.3.测基准点放样图,一般设在埋件附近一期砼面上,基准点数量以能控制和度量埋件空间位置为准。
2.2.4.材料和器具:(1)电焊条和防腐材料其规格和性能应完全符合施工详图和规范的要求,如有变更必须先以建设单位批准。
(2)安装机具配备电焊机1-2台,手提砂轮机2台,气割工具一套,千斤顶(1-3T)4台,手拉葫芦4-6台,超声波探测仪一台,500℃恒温箱一台。
2.2.5.基准点和测量工具:基准点和测量工具的精度应符合《水利水电工程钢闸门制造安装及验收规范》。
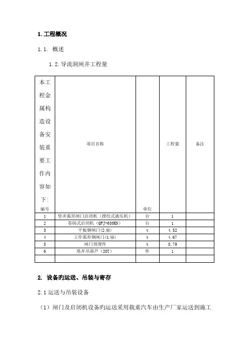
1.工程概况1.1. 概述1.2.导流洞闸井工程量2. 设备旳运送、吊装与寄存2.1运送与吊装设备(1)闸门及启闭机设备旳运送采用载重汽车由生产厂家运送到施工现场旳寄存场。
(2)安装现场吊装设备: 闸门、启闭机用25t吊车进行安装。
(3)吊装方案:根据制造厂家提供旳设备吊点图、设备总成及零部件旳不一样状况和规定, 施工前将制定详细旳运送起吊方案, 其内容包括采用旳起重设备旳选定, 工作位置, 工作半径确实定, 大件起吊吊点旳布置, 车辆旳选用, 设备旳支撑与捆绑, 坡度行驶中旳特殊措施, 保证设备运送过程中不变形以及吊装旳安全。
2.2设备旳保管(1)启闭设备寄存: 启闭设备寄存, 应符合DL/T5019-94中旳有关规定。
对细长零部件旳寄存, 应有两处以上旳多处支撑, 支撑点应受力均匀。
(2)闸门及其埋件寄存:闸门及其埋件采用露天寄存, 为了防止受潮、锈蚀和风沙等, 使用防雨布遮盖, 为防止设备变形, 构造下面用枕木等支撑垫平。
闸门及其埋件旳加工面妥善防护, 以免碰伤或锈蚀。
3.埋件安装3.1 埋件安装规定(1)埋件安装前, 门槽中旳模板等杂物必须清除洁净。
一、二期混凝土旳结合面应所有凿毛, 二期混凝土旳断面尺寸及预埋锚栓和锚板旳位置应符合图纸规定;(2)闸门埋件安装旳容许公差和偏差应符合规范DL/T5018旳规定;(3)埋件就位调整完毕, 应按图纸规定与一期混凝土中旳预埋插筋焊牢。
严禁将加固材料直接焊接在轨道、门楣等旳工作面上或水封座板上。
(4)埋件上所有不锈钢材料旳焊接接头, 必须使用对应旳不锈钢焊条进行焊接。
(5)埋件所有工作表面上旳连接焊缝, 应打磨平整, 并涂上黄油加以保护。
(6)埋件工作面对接接头旳错位均应进行缓坡处理, 过流面及工作面旳焊疤和焊缝余高应铲平磨光, 凹坑应补焊平并磨光;(7)门槽埋件二期混凝土浇注应符合设计规定。
(8)埋件安装完, 经检查合格, 应在5~7d内浇筑二期混凝土。
金属结构及设备的安装施工方案1、金属结构及设备的安装本工程金属结构安装工程主要为启闭机安装。
1.1启闭机安装:1、一般要求(1) 启闭机安装前应具备的资料:1) 设备总图、部件总图、重要的零件图等施工安装图纸及安装技术说明书;2) 设备出厂合格证和技术说明书;3) 制造验收资料和质量证书;4) 安装用控制点位置图。
(2) 安装使用的基准线,应能控制门槽的总尺寸、埋件各部位构件的安装尺寸和安装精确度。
为设置安装基准线用的基准点应牢固、可靠、便于使用,并应保留到安装验收合格后方能拆除。
(3) 安装检测必须选用满足精度要求,并经国家批准的计量检定机构检定合格的仪器设备。
(4) 承包人在安装工作中使用的所有材料,应有产品质量证明书,并应符合施工图纸和国家有关现行标准的要求。
2、设备起吊和运输(1)起吊和运输措施起吊和运输前根据设备总成及零部件的不同情况和要求,制定详细的起吊和运输方案,其内容包括采用的起重和运输设备、大件起吊和运输方法以及防止吊运过程中构件变形和设备损坏的保护措施。
3、安装前的检查和清理(1)安装前的检查在各项设备安装前,应按施工图纸规定的内容,全面检查安装部位的情况、设备构件以及零部件的完整性和完好性。
对重要构件和部件应通过预拼装进行检查。
1)埋件埋设部位新、老混凝土结合面是否已进行凿毛处理并冲洗干净;凿除的位置和尺寸是否符合施工图纸要求。
2)按施工图纸逐项检查各安装设备的完整性。
3)逐项检查设备的构件、零部件的损坏和变形情况。
4)对上述检查中发现的缺件、构件损坏和变形等情况,承包人应书面报送监理人,并负责按施工图纸要求进行修复和补齐处理。
(2)清理设备安装前,承包人应对发包人提供的设备,按施工图纸和制造厂技术说明书的要求,进行必要的清理和保养。
4、螺栓连接(1) 所采购的螺栓连接应具有质量证明书或试验报告。
(2) 螺栓、螺母和垫圈应分类存放,妥善保管,防止锈蚀和损伤。
(3) 钢构件连接用普通螺栓的最终合适紧度为螺栓拧断力矩的5 0%~60%,并应使所有螺栓拧紧力矩保持均匀。
某水电站导流洞进口闸门井金属结构安装施工方案一、工程说明:某水电站,其导流兼泄洪洞进口闸门井配备一扇8×8米工作平板门和一扇8×8米检修平板门,重量分别约为65T和75T。
其主要安装工程量为:1、两道闸门(工作闸门及事故闸门)的门轨安装;2、两道闸门的启闭机安装(一台200T启闭机及一台320T启闭机)3、两道闸门的分解件(共8件)的启吊安装,每扇闸门分3节运输到现场,最大起重单元重量约为27T,尺寸为长9.6米×高2.8米(约)×厚1.6米。
所有闸门槽埋件、启闭机、闸门由业主指定厂家制作并运送至工地,目前闸门槽埋件已运至工地。
二、施工工艺流程及工期安排:1、施工工艺流程:门槽安装工艺流程图闸门安装工艺流程图2、工期安排:本分部工程拟于2007年1月1日正式开工,2007年4月15日结束,各工序施工具体时间见施工横道图三、劳动力组织及机械设备安排:1、劳动力安排:劳动力安排一览表2、施工机械设备:1、人字扒杆系统:起重量30T设计,俯仰角度40度,配合两台10T卷扬机,相应的地锚、基础加工件、钢丝绳及32T滑轮组等。
2、防撞牵引系统:5T卷扬机及地锚。
3、闸门进入▽1190.5平台的水平牵引用卷扬机系统,5T卷扬机一台,地锚及滑轮组,钢丝绳等。
4、爬梯约45米,约4T(也可做一部小型升降机,用于小型材料运输)。
5、门槽安装吊笼2个(每孔一个),约2T。
6、启闭机及闸门安装水平移动滑道制作安装:I20 工字钢20T7、锁定梁:箱形梁,4根,约4T。
8、辅助扒杆(为最初上材料及卷扬机等使用)4T,及卷扬机系统。
四、具体施工方案及措施:1、现场布置(图1-1)现场交通内容包括设备卸车场地和布置,人员交通和设备吊装路线等。
1)卸车场地布置在闸墩左侧约▽1165.7米高程,见图1-12)人员交通可以通过交通洞直接到达闸墩顶部▽1190.5平台。
然后通过爬梯或楼梯到达▽1206.5启闭机平台,也可以通过爬梯直接从卸车场地到达闸敦顶部。
第一章工程概况1.1工程概述南水北调来水调入密云水库调蓄工程由团城湖取水,通过京密引水渠反向输水,分别于屯佃闸、柳林倒虹吸、埝头倒虹吸、兴寿倒虹吸、史山节制闸和西台上跌水节制闸旁新建6级泵站提升输水至怀柔水库,怀柔水库分水回补水源地后,由在怀柔水库进水闸旁新建的郭家坞提升泵站提升经京密引水渠反向输水至北台上倒虹吸处,经新建雁栖泵站加压,由新建雁栖泵站加压,由新建雁栖~溪翁庄段DN2600PCCP输水管道入白河电站下游调节池,再由新建溪翁庄泵站加压后通过白河发电洞将水加压送入密云水库。
线路总长103km,总扬程132.85m。
团城湖~怀柔水库段调水规模20m³/s;怀柔水库~密云水库段调水规模10m³/s。
⑪兴寿泵站①兴寿泵站位于京密引水渠桩号50+193.0~50+414.7范围内,京密引水渠左岸,现状兴寿倒虹吸西侧。
设计流量为20m³/s,总装机容量1420kW。
泵站等别为Ⅱ等,泵站主要建筑物级别为2级,次要建筑物为3级。
工程区地震动峰值加速度0.234g,相应地震基本烈度为8度。
②泵站选用4台立式轴流泵机组,3供1备,单机流量6.67m³/s。
③主要建筑物包括:节制闸、进水渠、进水池、主厂房、副厂房、出水渠及辅助管理用房等。
本标段合同编号为:NSBD-MYTX-SG.04。
工程范围为:京密引水渠桩号48+900~63+986范围内的渠系改造及兴寿泵站。
(2) 渠道及渠系建筑物改造:本工程内京密引水渠上的节制闸、退水闸、泄洪闸、倒虹吸改造均按3级建筑物设计,山洪桥上部结构、下部结构,过渠涵洞身按3级建筑物设计;山洪桥上下游翼墙、过渠涵洞进出口导流墙、挡土墙及下游消能防冲设施等按4级建筑物设计。
主要工程内容包括:①京密引水渠桩号56+699~58+256段渠道防渗改造、现状排水井改造、排水涵疏通②京密引水渠桩号51+787~53+005段左右岸渠堤防渗改造③京密引水渠桩号52+437~52+687段外坡角护砌④京密引水渠桩号52+437~52+687段渠底防渗改造⑤京密引水渠桩号53+005~55+575段渠道左岸护坡冻胀破坏修复;⑥京密引水渠桩号48+900~50+193段左右岸岸坡挡墙加高⑦东崔村泄洪闸(京密引水渠桩号54+090)闸室及机电设备改造⑧兴寿节制闸(京密引水渠桩号49+512)现状清污机拆除⑨兴寿泄洪闸(京密引水渠桩号49+483)的电气安装⑩钟家营涵洞(京密引水渠桩号60+629)维修加固⑾西崔村涵洞(京密引水渠桩号55+489)维修加固⑿东崔村涵洞(京密引水渠桩号54+400)维修加固⒀大辛峰山洪桥(京密引水渠桩号56+669)拆除重建⒁京密引水渠桩号48+900~50+193,51+787~53+005段绿篱移栽1.2主要工作内容金属结构的设备安装工程包括:各种闸门(含门槽埋件)、启闭机及清污机(含栅槽埋件)等设备的安装。
铸铁闸门及启闭机安装方案1、安装前,要首先检查竖框与横框之间、闸板与闸板之间(指多块闸板组合的闸门)的连接螺丝,是否在运输装卸中引起松动,它们的接茬是否错牙,要调整成一个平面,检查闸板与闸槽的间隙,保证闸槽与闸板的间隙不大于,如有间隙可以调节闭紧装置。
上紧各连接螺栓。
2、安装时闸门整体竖入预留槽,在两边立框的下面垫上调整垫(严禁垫下横梁),两立框用手动葫芦和斜拉立稳,将闸门找直找平,各地脚孔内串上地脚螺栓,调节好闸门的位置,支好模板进行二期浇注。
3、浇注混凝土时,流进闸板、闸框、斜铁、挡板间的灰浆应彻底清除,以防止灰浆凝固后影响闸门启闭。
4、清除加固物。
闸门出厂前,为使闸板、闸框贴合紧凑,安装后减少间隙,2m以上的闸门在上下框上安装了4-6个紧闭装置压铁,注意在间隙调整后,闭紧压铁拆除,以便闸门启闭。
5、按设计安装标高,在出水墙面上标出出水竖直中心线及闸门底部标高线,偏差不大于±5mm。
同时检查闸体起吊孔中心、与启闭机混凝土支座孔是否对中,如不对中,先调整支座孔。
6、将闸门吊装到位(注意水压方向),并立稳靠实。
7、支搭脚手架,使其便于作业且安全牢固。
8、将闸门吊起贴墙就位,调整板闸门推力螺母中心、线及底部与所做标记吻合,并用多功能垂直校正器调整闸体的水平度和垂直度(门框底槽、侧槽的水平度和垂直度偏差不大于1/10且全程内偏差不大于2mm),将板闸临时定位固定。
以板闸螺栓孔为基准点,划出膨胀螺栓孔的位置。
将闸门吊离墙面,用冲击钻或水钻成孔。
9、将二次混凝土范围内的墙体先行凿毛,以利一、二次混凝土的紧密结合,不渗漏。
10、装上螺栓,将另一端插入螺栓孔。
再将闸门起吊就位,将膨胀螺栓与墙体固定牢靠后用多功能垂直校正器将板闸调整到验收标准,将固定螺栓拧紧。
11、安装闸门推力螺母及启闭机座。
以启闭机孔为中心利用多功能垂直校正器,调整启闭机中心与闸门推力螺母中心、位于同一垂直线。
其垂直度偏差不大于1/10且全程内偏差小于2mm,连接闸门推力螺母。
金属结构安装施工措施、施工依据1.1 西霞院IV 混凝土工程合同文件;1.2 我部上报的西霞院IV 混凝土工程施工组织设计; 1.3 设计图纸相关要求 1.4 金结安装规范《起重设备安装工程施工及验收规范》 《钢熔化焊接接头射线照相和质量分级》《钢焊缝手工超声波探伤方法和探伤结果分析》 《焊缝符号表示法》《涂装前钢材表面锈蚀等级和除绣等级》 《起重机械安全规程》《工业金属管道工程施工及验收规范》《现场设备、工业管道焊接工程施工及验收规范》《水利水电工程钢闸门制造安装及验收规范》《水利水电工程启闭机制造安装及验收规范》《水工金属结构防腐蚀规范》 《涂装通用技术条件》《固定卷扬式启闭机通用技术条件》 1.5 已到设计图纸开敞式泄洪闸工作门12x9-8.4m 埋件总图开敞式泄洪闸事故检修门12x8.2-7.6m 埋件总图2x1000KN/125KN 双向门机轨道装配一2x1000KN/125KN 双向门机轨道装配二2x1000KN/125KN 双向门机轨道装配三开敞式泄洪闸工作门总布置图开敞式泄洪闸工作门门体总图(1/3)开敞式泄洪闸工作门门体总图(2/3)开敞式泄洪闸工作门门体总图(3/3)开敞式泄洪闸工作门支铰装配图开敞式泄洪闸工作门封水装配图开敞式泄洪闸事故检修门总布置图开敞式泄洪闸事故检修门门体总图开敞式泄洪闸事故检修门封水装配图王庄引水闸工作门王庄引水闸事故检修门王庄排沙闸工作门王庄排沙闸事故检修门二、工程范围合同规定的14孔开敞式泄洪闸以右部分闸门、启闭机的全部安装项目,全部安装项目是指发包人按照下表提供的全部设备项目。
闸门及启闭机设备一览表GB50278-98; GB3323-87; GB11345-89; GB324-88; GB8923-88; GB6067-85; GB50235-97; GB50236-98; DL/T5018-94; DL/T5019-94; SL105-95; SDZ014-85; SD315-89 (CIV-JJ-XKG-(CIV-JJ-JMQ-1) (CIV-JJ-JMQ-2) (CIV-JJ-JMQ-3) (CIV-JJ-XKG-2) (CIV-JJ-XKG-3) (CIV-JJ-XKG-4) (CIV-JJ-XKG-05) (CIV-JJ-XKG-06) (CIV-JJ-XKG-07) (CIV-JJ-XKJ-03) (CIV-JJ-XKJ-04)(CIV-JJ-WYG-01)(CIV-JJ-WYS-01)单元划分按如下原则:(1)门槽二期埋件按一对门槽为一个单元,包含主反轨、副轨、侧轨、底坎、门楣等工序,合计32个单元;2)闸门安装以每扇闸门为一个单元,包含门体、止水、附件、配重等工序,合计20个单元; (3)启闭机以每一孔为一个单元,包含埋件、安装、附件、调试等工序,合计16个单元; 详细划分见下表:三、"施工组织及计划安排3.1施工组织(1)根据本工程的具体施工项目和工艺过程,认真制订具有针对性的施工组织设计(包含:各项目施工方案、施工工序、施工工艺、安全保证措施及安全注意事项,质量检查控制计划等),并严格按照合同有关规定,报监理批准后实施,使施工及质量管理的各项具体措施落实到实处。
(2)根据工程进度要求,提前做好人员及设备资源的调遣和配置,确保工程按计划完成。
(3)每个项目开工前,工程技术人员均应按施工组织设计的要求,对作业人员进行技术交底,弧形闸门等关键项目,应由项目总工程师主持参加交底。
(4)严格按合同和规程要求,对施工过程的质量控制做出系统安排,明确关键过程,确定薄弱环节,设立质量控制点,进行重点控制。
详细填写施工及质量控制检查记录,保证可追溯性。
(5)施工过程中,对工艺质量粗糙、责任心不强、管理失误造成的质量问题或质量事故,将从重从严处罚。
确保各工程项目实现一次安装、一次试运行成功,严格工期及质量,不留尾巴。
3.2劳动力计划及安排开敞式泄洪闸弧形工作门和检修门门槽28孔(平门门槽和弧门门槽各14孔)。
计划分6〜8个工作面同时展开。
每个安装作业面的直线工期约12天(其他小部分的埋件可根据施工进度灵活机动、穿插作业完成),计划投入劳动力总人数约60人。
王庄引水闸门槽及门库埋件和闸门则根据总进度计划另行安排。
埋件安装利用布置在现场上游侧20t塔机和下游侧20t塔机进行作业。
王庄引水闸门槽及门库埋件和闸门则根据总进行计划要求进行安排。
开敞式泄洪闸平板检修门安装,应在所安装该孔的弧形闸门安装后进行,以免造成交叉作业和不安全因素。
开敞式泄洪闸弧门共计14孔,计划分3个工作面次第展开施工,两个工作面安装弧门,一个专业工作面安装弧门液压启闭机。
弧形闸门安装使用布置在现场下游侧的20t塔式起重机配合50T汽车吊进行。
每扇弧门安装的直线工期约40天,计划投入劳动力总人数约30人左右。
开敞式泄洪闸平板检修门共2套,安装采用塔吊吊装。
一个工作面展开施工,每扇闸门安装的直线工期约15天,计划投入劳动力总人数约10人。
开敞式泄洪闸平板检修门安装,应在所安装该孔的弧形闸门安装后进行,以免造成干扰和因不安全因素对从事弧门安装的人员造成伤害。
液压启闭机、固定卷扬式启闭机和螺杆式启闭机安装随其闸门安装,不再另行配置。
2005~2006年西霞院金属结构安装工程人员组织3.3设备配制计划3.4设备的起重、运输及仓储设立专门机构负责成套金属结构设备的到货验收、运输、仓储保管、发放等工作。
(1)根据施工进度编制设备供需计划,并报监理人批准。
设备安装前3天通过监理人向发包人提出领用申请,并及时组织运输设备及人员进行设备的运输工作。
(2)设备到达工地后,不能立即安装的设备零部件,可存放在工地仓内进行妥善保管。
设备堆放应整齐有序,标明所属设备的名称、规格、数量,并登记造册,办理好入库手续。
(3)在设备运至工地后,由发包人牵头,组织监理工程师、设备制造人、承包方设备管理工程师参加,在指定的时间、地点进行设备的交接、清点数量和外观检查,对设备存在的问题及时做出处理意见,并做好交接纪要和到货设备登记。
(4)施工现场配置一台50t汽车吊、一台16t汽车吊、一辆40t拖车和一辆8t载重汽车,用于设备的现场卸车及安装、运输等工作。
(5)参与起重作业的人员属特种作业人员,必须持有技能操作证书和安全操作证书才能上岗。
凡参加起重、运输运输的人员要明确责任,掌握本工种的应知应会及操作规程,运输、起重、搬运工作必须专人指挥,严禁多人指挥,指挥信号必须采用水电系统起重专业通用的统一信号。
信号清晰、明确、果断。
(6)凡用于起重运输的车辆、机具、绳索、器材、吊具等,在投入使用前必须详细检查、调试及检验,由专职工程师组织质检员、安全员共同鉴定,确认合格,方可使用。
(7)设备起吊作业应遵守水电行业惯例统一的吊装指挥旗语、手势、哨音信号,信号指挥人员与操作司机要精力集中,动作准确,在提升负荷离地面200〜300mm时,停车检查所吊物体的平稳性及索具受力是否均匀,吊车的制动机构是否可靠,吊车回转方向时,应在物体上系挂防旋绳,严禁斜拉歪吊。
四、闸门及启闭机安装4.1埋件安装埋件安装包括:主轨、副轨、反轨、侧轨、底槛、门楣(或胸墙)、护角、弧门支铰、门库埋件、启闭机械和电气设备基础埋件、坝顶门机轨道等。
4.1.1埋件的安装程序平板门门槽埋件和弧形门门槽埋件安装程序如下图所示。
4.1.2安装前的准备工作(1)认真组织设备的验收工作,包括对工厂制造的质量检查及数量清点,如发现损伤、质量缺陷或零件丢失必须及时与监理工程师取得联系,经协商处理后才能安装。
(2)工器具准备:包括安装调整工具,清扫工具、测量工具等。
埋件安装采用布置在现场上、下游侧20t塔式起重机进行。
(3)检查一期砼预留槽的尺寸及预埋插筋的位置应符合设计要求。
(4)埋件安装前,门槽中的模板等杂物必须清除干净,一、二期砼的结合面应全部凿毛,二期砼的断面尺寸及预埋锚板的位置应符合图样要求。
(5)清扫施工场地,放出基准线、控制线,基准点做出明显标记。
各部位埋件的安装基准点要明确统一,埋件定位要以基准点为基准,用水准仪、经纬仪、线坠等工具,按图纸和规范要求控制各部位尺寸,公差范围等。
(6)设置安装使用的基准线,除了应能控制门槽各部分的安装尺寸及精度外,还应能控制门槽的总尺寸及安装精确度。
为设置安装基准线用的基准点,应保留到安装验收合格后才能拆除。
平板闸门门槽埋件安装程序弧门埋件安装程序4.1.3底坎安装将底坎吊装到门槽后,以门槽及孔口中心为准找正,其所在位置、中心、水平、标高全部达到要求后,将底坎与插筋焊接加固后,回填混凝土。
4.1.4闸门轨道安装轨道安装必须在底坎混凝土强度达到要求后才能进行。
先检测底坎浇注后情况并重新在底坎上划出门槽及孔口中心线。
根据中心线划出轨道底部的安装轮廓位置,划出检查线和检查点并同时加以保护。
将底节轨道吊装到已划好线的底坎轮廓线上(注意标记与序号),首先将其位置调整正确,再以工作面为准调整使轨道垂直,同时调整轨道中心跨距全部达到要求后对称焊接加固。
4.1.5门楣安装门楣安装之前,先在左右两轨道的侧面各焊接一块托板,托板顶面的高度即为门楣底缘的高度,将门楣吊装到托板上,调整使轨道与门楣的止水座面平齐,其错牙应小于0.2mm,复测门楣止水中心的高度,达到要求后与插筋和轨道焊接固定。
4.1.6弧门侧导板安装弧门埋件侧导板安装时,自下而上依次逐节安装到顶,按控制点测量调整半径和跨距。
除了控制侧轨板的垂直和扭曲外,同时调整、控制侧导板中心至支铰中心的半径。
节间对装时,以弧形样板测量,使弧线正确对接。
4.1.7弧形闸门支铰埋件安装在回填二期砼之前,特别留心预埋螺栓的位置,其间距、垂直度均应符合设计规定的尺寸,外露螺纹应采取措施保护,涂油后将螺母旋到螺栓上。
采用现场起重机,将弧门支铰吊起就位,调整其位置符合要求后用扭距扳手调整螺母固定铰座就位。
4.1.8埋件焊接(1)埋件焊接指底坎、轨道、门楣与插筋的加固焊接,轨道与底坎、门楣与轨道、轨道与轨道之间的结构焊接。
(2)埋件与插筋间的连接钢筋应不小于插筋直径,加固筋不能直接焊在埋设件上。
而应该焊接在连接板或补强板上。
(3)轨道与门楣间不锈钢止水座面必须使用不锈钢焊条焊接,焊后应用砂轮机磨平。
(4)埋件焊接过程中应采取防止变形措施,包括对埋件的加固必须具有足够的强度,在混凝土浇注中以防止发生变形、位移等现象。
(5)埋件安装后,浇筑前要仔细检查,所有焊接、支掌部位要牢固可靠,以防浇筑时产生变形。
(6)埋件所有工作面上的焊缝,在二期砼浇筑后应仔细检查打磨,其表面粗糙度应与焊接构件一致。
(7)安装好的门槽,除了主轨道轨面、水封座的不锈钢表面外,其余外露表面均按施工图纸或制造厂技术说明书的规定,进行防腐处理。