探孔器制作技术交底书
- 格式:docx
- 大小:41.05 KB
- 文档页数:1
技术交底书(1311)表格编号技术交底书1311新建蒙西至华中地区铁路煤运通道土建工程项目名称MHTJ-3标共 2 页交底编号LHCTDQ-JKQ-01工程名称联合村特大桥设计文件图号施工部位检孔器交底日期2015年9月18号技术交底内容:1 技术交底范围:本交底适用于联合村特大桥桩径d=100cm、125cm、150cm的桩基检孔器加工、制作。
2 设计情况:适用于蒙西至华中地区铁路煤运通道土建工程MHTJ-3标(联合村特大桥)Ⅵ度地震区地震动峰值加速度a=0.05g的桥梁。
本桥全长1522.73m,孔跨布臵型式为:46-32预应力混凝土梁双线桥。
桩径100cm桩基:41#墩、42#墩、43#墩、44#墩、45#墩、三方台,共68根;桩径125cm桩基:浩方台、1#-22#墩、30#-40#墩,共378根;桩径150cm桩基:23#墩、24#墩、25#墩、26#墩、27#墩、28#墩、29#墩,共120根。
3 施工工艺:检孔器是在桩孔成孔后、下钢筋笼前进行的,是根据设计桩径制作的。
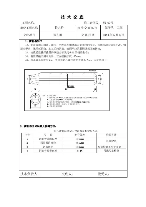
笼式检孔器采用直径20mm的圆钢制作,探孔器成形之后外经为D-0.03(D为桩基直径),有效长度为6m。
检测时,将检孔器吊起,使笼的中心、孔的中心与起吊钢绳保持一致,慢慢放入孔内,上下畅通无阻表明孔径符合设计要求;若途中遇阻则有可能在遇阻部位有缩径和孔斜现象,应采取措施予以消除。
加工制作及探孔时注意使检孔器的重心受力线与探孔器中心线重合(如下图),检孔器下部可配重,以保证检孔时检孔器能竖直进入。
注:1、图中主筋仅为示意图,加工时主筋根数为20根,每2米一道加强筋,主筋与加强筋要求均匀分部。
4、成品保护措施:检孔器注意存放、运输,禁止野蛮施工,防止变形5、其他应注意的问题。
请严格按照技术交底施工,在施工过程中如有疑问或不明之处,勿盲目施工,需联系现场技术人员后再施工,否则后果自负。
附件:无。
超前探孔安全技术交底在城市建设和基础设施建设中,超前探孔技术已经得到广泛应用。
超前探孔技术是指在基坑开挖之前,先预先在地面上进行一些钻探、测量和探查工作,以了解地下各种管线、地质构造和物理性质等情况。
在基坑开挖之前通过超前探孔技术进行多次细致的地质勘探,可以为工程建设提供重要的前期信息和技术参照。
但是在进行超前探孔作业时,也会面临一些安全问题。
为了确保超前探孔作业的安全性,必须要掌握相应的安全技术,本文将围绕超前探孔安全技术方面进行详细的交底。
前置知识超前探孔作业通常都是由专业的钻探技术服务公司进行,一般需要具备以下条件:1.具备工程地质、地球物理、钻探以及勘察等方面的专业背景知识;2.具有现场技术操作的能力和经验;3.具备应急处理风险的能力和经验;4.能够科学合理的进行超前探孔方案制订。
工程准备安全保障措施超前探孔作业的安全保障是业主和服务团队有关人员的共同责任。
在超前探孔作业前,必须要做好工程的安全保障措施,以确保超前探孔作业安全、高效、顺畅。
具体措施包括:1.设立符合国家、行业有关规定的现场施工警示标志、标识牌等;2.在探孔作业区和周边设立安全防护体系,确保探孔作业地面范围内的行人、车辆及设施设备的安全;3.在现场设立应急处理小组和随时可以启动应急响应措施的应急预案;4.合理安排作业人员工作,并对所有参与超前探孔作业人员进行安全教育、培训。
设备准备超前探孔作业要使用各种设备,设备准备工作的主要内容包括:1.钻机设备的选型,选择具有一定钻探深度和钻探精度的设备;2.设备的进场检查、验收,确保设备达到规定标准,保证其安全性和可靠性;3.现场设备正确布放,即放置合适的设备标高、方向;4.确保设备的正常使用和维护,如设备润滑、清理、易损件维护等,以确保设备的性能稳定和延长设备的使用寿命。
地质勘探在进行超前探孔作业之前,必须对探孔地段进行地质勘探,以了解地下管线分布、地质构造情况、岩土的水文地质性质等信息。
附件1一、主要材料:中砂,用于填埋钎探孔。
二、主要机具:钎探机1、穿心锤重10KG,锥头直径40mm,锥头角度60°,探杆直径25mm,长度2.1m/根。
2、钢卷尺三、作业条件1、基土已挖至距设计基底标高300mm位置,表面平整,轴线及槽宽、长均符合设计图纸要求,钎探结束后人工清理至设计基底标高。
2、根据设计图纸绘制探孔位平面布置图,间距1.5m,呈梅花形布置。
3、按探孔位平面布置图放线,孔位撒白灰点。
4、触探杆上画好30cm横线。
四、施工工艺1、施工顺序2、就位触探:将触探机就位,触探杆对准探孔,开动机械,开始触探。
3、记录锤击数,钎杆每打入土层30cm,记录锤击数,钎入深度2.1m。
钎探杆用机械拔出。
完孔后用砖盖住探孔,标记编号,探孔编号与钎探图对应。
当贯入30cm锤击数大于100或贯入15cm锤击数超过50击时,可停止试验。
4、钎探完成后由质量检查人员检查探孔与记录无误后,经过勘察、设计、监理单位验槽符合要求后进行罐砂,罐砂,每灌30cm左右用钢筋棒捣实。
5、按孔位顺序编号,将锤击数统一填表记录,字迹清楚经过触探人员签字归档。
五、质量要求1、主控项目:触探深度必须符合设计要求,锤击数记录准确无误。
2、一般项目:孔位基本准确,不得遗漏。
探孔灌砂密实。
六、成品保护探孔完成后,用砖盖好记录编号,未经专业工长复验,不得堵塞、灌砂。
七、施工注意事项1、触探过程中在探孔平面图上标记过硬或过软的探孔位置,以便勘察及设计单位或有关部门验槽时分析处理。
2、触探进行不下去时,可请示工地专业技术人员适当移位,不得随意填锤击数。
八、安全注意事项1、进入施工现场必须穿戴防护用品。
2、严禁在基坑边休息停留3、基坑雨后未经专业安全人员检查临边情况,施工人员不准进入基坑施工。
技术交底书
表格编号
项目名称中铁四局集团第四工程有限公司连镇铁路
LZZQ-3标二分部
第1 页
共2 页
交底编号
工程名称中铁四局集团第四工程有限公司连镇铁路LZZQ-3标
设计文件图号
施工部位淮安特大桥桩基
交底日期2015.9.30
技术交底内容:
本交底为淮安特大桥桩基探孔器制作及使用交底。
一、施工准备:
1、熟悉淮安特大桥地质条件,桩基桩径、桩长等图纸内容。
2、准备施工材料及机械设备。
二、施工工艺及技术标准
一、笼式探孔器是根据设计桩径采用Φ20mm螺纹钢筋制作的,,探孔器成形之
后外径为D-0.03m(D为桩基直径),有效长度为4m。
二、探孔是在桩孔成孔后,下钢筋笼前进行的,检测时,将探孔器吊起,使探
孔器的中心、孔的中心与起吊钢绳保持一致,慢慢放入孔内,上下畅通无阻表明孔径符合设计要求;若途中遇阻则有可能在遇阻部位有缩径和孔斜现象,应采取措施予以消除。
三、加工制作及探孔时注意使探孔器的重心受力线与探孔器中心线重合,探孔
器下部可配重,以保证探孔时探孔器能竖直进入。
注:加工时主筋根数为10根,箍筋为5根半径48.5cm,主筋与箍筋要求均匀分部,探孔器两个端头必须居中,上下垂直。
如有不明之处请及时与工程部联系。
交底人:复核人:接收人:。
一、交底对象本次安全技术交底的对象为所有参与勘探钻孔施工的作业人员,包括施工负责人、技术员、操作人员、安全员等。
二、交底内容1. 施工现场安全注意事项(1)进入施工现场必须佩戴安全帽,系好安全带,穿着合适的劳保服装。
(2)施工过程中,禁止酒后作业、疲劳作业,确保作业人员精神饱满。
(3)施工现场应设置明显的警示标志,如警示牌、警戒线等,确保施工区域安全。
(4)施工现场不得随意堆放杂物,确保通道畅通。
2. 施工设备安全操作(1)操作人员必须经过专业培训,取得操作资格证书后方可上岗。
(2)设备操作前,应检查设备各部件是否完好,电气线路是否安全可靠。
(3)设备操作过程中,注意观察设备运行状态,发现异常情况立即停止操作,并上报负责人。
(4)设备操作结束后,及时清理现场,确保设备安全。
3. 钻孔施工安全措施(1)钻孔前,应对地质情况进行调查,了解钻孔深度、地质结构等信息。
(2)钻孔过程中,密切关注钻孔液面,发现异常情况立即停止钻孔,并进行处理。
(3)钻孔过程中,禁止在孔口附近进行敲打、碰撞等操作,以免造成孔壁坍塌。
(4)钻孔过程中,如遇卡钻、埋钻等异常情况,应立即停止钻孔,采取相应的措施进行处理。
4. 人员安全防护(1)施工人员应配备必要的安全防护用品,如安全帽、防护眼镜、防尘口罩、手套等。
(2)施工过程中,注意个人安全,不得擅自离开工作岗位。
(3)施工现场不得携带易燃、易爆物品,禁止吸烟。
(4)施工现场应设置急救箱,并配备必要的急救药品。
三、交底要求1. 施工负责人应组织作业人员进行安全技术交底,确保作业人员充分了解施工过程中的安全注意事项。
2. 作业人员应认真听取安全技术交底,掌握施工过程中的安全操作规程。
3. 施工过程中,如遇特殊情况,应立即停止操作,并向上级报告。
4. 施工结束后,对施工现场进行清理,确保无安全隐患。
四、附则本安全技术交底模板适用于各类勘探钻孔施工项目,如有未尽事宜,可根据实际情况进行补充和修改。
一、交底目的为确保勘探钻孔施工过程中的安全,提高施工人员的安全意识,降低安全事故发生的概率,特制定本安全技术交底。
二、交底对象1. 施工单位:项目经理、技术负责人、施工员、安全员等;2. 施工班组:钻孔班、泥浆班、测量班等;3. 特种作业人员:钻孔操作手、电工、焊工等。
三、交底内容1. 施工现场安全要求(1)施工前,必须对施工现场进行全面检查,确保场地平整、坚实,满足钻孔机作业要求。
(2)施工区域周围设置安全警示标志,严禁无关人员进入。
(3)施工现场设置消防器材,并确保其有效使用。
2. 施工设备安全操作(1)钻孔设备必须符合国家相关标准,定期进行检查、维修、保养。
(2)钻孔操作手必须持证上岗,严格按照操作规程进行作业。
(3)钻机就位时,确保机身平稳,钻杆中心与桩位中心重合。
(4)钻进过程中,密切关注钻机运行状态,发现异常情况立即停机检查。
3. 泥浆护壁施工安全(1)护壁泥浆原料应选用合格黏土或其他环保材料,现场设泥浆沉淀池,泥浆残渣及时清理并妥善处理。
(2)护筒埋设应稳固,埋深不宜小于原地面以下1.5m,深水域护筒埋深应满足要求。
(3)泥浆循环过程中,加强管理,确保泥浆性能符合要求。
4. 钻孔施工安全(1)钻孔过程中,非相关人员应保持安全距离,防止机械伤人。
(2)钢筋笼加工过程中,不得随意抛掷钢筋,制作完成的钢筋笼滚动前检查滚动方向上是否有人。
(3)氧气瓶与乙炔瓶在室外的安全距离为5m。
(4)钻孔过程中,遇卡钻情况,应立即切断电源,查明原因后再行处理。
5. 作业人员安全要求(1)现场人员必须佩戴安全帽、眼镜等防护用品。
(2)施工现场设置防护栏杆和安全标志,确保人员安全。
(3)施工用电、机械设备须派专人管理,无关人员严禁乱动电气设备。
四、注意事项1. 施工过程中,严格按照安全技术交底执行,发现安全隐患立即整改。
2. 施工单位应定期对施工人员进行安全教育培训,提高安全意识。
3. 施工现场应加强安全巡查,及时发现并消除安全隐患。
新建郑阜铁路Ⅱ标三分部桩基探笼施工技术交底交底人:复核人:接收人:日期:技术交底书技术交底书表格编号1310项目名称郑阜铁路工程第页共页交底编号ZFTL-2-1-LFTDQ-ZJ-工程名称临阜特大桥设计文件图号临阜施桥-10施工部位桩基探笼制作交底日期技术交底内容:1、技术交底范围适用于临阜铁路二标三分部临阜特大桥(1091~1187#墩)桩基施工。
2、设计情况临阜特大桥DK274+134.84~DK277+317.41段(1091~1187#墩)位于三分部管段范围内,管段内长度3.18km,途径代郢社区,新集社区。
沿线有郝老营村、赵庄、西花园村、小周庄等。
管段范围地处黄淮冲积平原,地势平坦,自西北向东南微倾,由于黄河淮河交替冲积,自然和人类活动的影响,形成了由许多滩地、洼地、湖泊等相互交错的平原地貌。
本桥桩均为摩擦桩,管段内共计桩基802根,桩径为100cm和150cm两种,桩长最短48.5m、最长62m,桩身混凝土强度为C30/T1。
3、开始施工的条件及施工准备工作(1)人员进场、机械就位。
(2)施工用水、用电及便道等有关临建工程满足施工需要。
4、施工工艺流程加劲箍制作→内支撑安设→主筋加工安装→槽钢安装→顶部吊环制作安装5、施工工法(1)桩基检孔器内加劲箍采用Φ20钢筋制作,内设Φ20钢筋三角支撑。
加劲箍2.5m/道(具体布置见附图),固定于加工平台上,调整加劲箍位置,使其连接轴线垂直于加劲箍立面。
(2)于加劲箍圆周上等距标出检孔器主筋位置,安放主筋。
主筋采用Φ20钢筋,于主筋内焊接槽钢增加其刚度,槽钢与主筋焊接牢固。
(3)主筋两头预弯制作缩口,预弯角度及长度见附图。
6、质量标准(1)检孔器外径容许偏差+5mm。