摔箱测试报告
- 格式:doc
- 大小:175.50 KB
- 文档页数:5
第1页 共3页
跌落方式
正面跌落侧面跌落1无破裂无损伤
无破裂无损伤
二、跌落高度:
除特殊要求以外,试验样品到地面高度120cm;
三、试验前准备:
试验样品为已经打包装箱的成品,必须对产品外观及功能进行全检,保证外箱封箱胶纸牢固、外箱无损坏;
四、试验要求:
徒手抬高试验样品,依照规定的跌落高度、在指定的跌落区域让试验样品进行自由垂直跌落,不能施加任何外力;
五、试验过程:
1.取前、后、左、右、上、下这六个面,按照试验要求进行1个面的跌落,检查外箱的外观;
跌落图示结果
跌落试验报告
实验时间:2016年07月03日
NO:20160703001
一、试验环境:
1. 跌落表面应该是混凝土制成的平滑、坚硬的刚性表面;
2. 跌落区内应无杂物,确保跌落范围内地面清洁;
第2页 共3页
跌落试验报告
侧面跌落2跌落方式
棱边跌落棱边跌落2.取箱体六个面的棱边,按照试验要求进行1个棱边的跌落,检查外箱的外观;
跌落图示结果
无破裂,无损伤
无破裂,轻微变形
无破裂无损伤
第3页 共3页
跌落试验报告
棱边跌落跌落方式
棱角跌落审核:***
制作:***
4.试验后打开外箱对试验包装的产品进行全检;
拆箱检验检验结果
成品线无破裂,无损伤
试验说明:通过以上包装有整箱成品箱体自120mm高度从每个方位跌落对箱内产品均无破坏性影响,箱内产品检验均无破损;
无破裂,轻微变形
3.取任意的一个角,按照试验要求进行1个角的跌落,检查外箱外观;
跌落图示结果
无破裂,轻微变形。
货 号HX-8835产品名称HX-8835档案盒批号2021/12/30生产车间
二部生产数量/生产日期2021年12月30日一:摔箱规格
总重(kg)
0≤G<9.59.5≤G<18.618.6≤G<27.727.7≤G<45.345.3≤G<68摔箱高度(mm)
762610457305203
二:摔箱顺序
A~H 各代表一个角
如果选A 作为测试角,
那么摔箱顺序为:三:测试结果
检验项目123456纸箱外观
箱内产品检查
摔箱测试描述:结果判定: 合格 √不合格
核准:审核:检验员:岳越越摔箱测试记录表
1.A 角
2.AB 棱
3.AD 棱
4.AE 棱
5.ABCD 面
6.EFGH 面
7.ABFE 面
8.CDHG 面
9.ADHE 面10.BCGF 面
本产品的重量为10.95KG,摔箱高度选择为610mm;经过摔箱测试后,产品箱子在A角,AD棱角有变形情况,别的部分位置完好无损;产品功能测试有两个变形损坏,一个包装塑封脱落。
A
C D
B
E H G F。
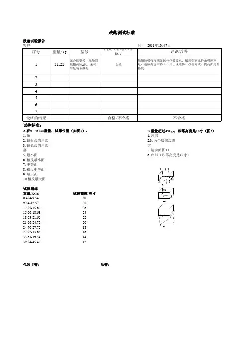
摔箱测试标准
文件类别标准文件文件编号XS-QWS-004发行日期2011.09.01文件等级■管制 □非管制 □暂行版 本A页 次共2页 第1页1.目的
评估产品包装防护是否到位性
2.范围
适用≤68kg(150 lbs)的产品
3.程序
3.1取样数量:每柜至少抽取1箱
3.2定义角、稜、面
封箱装订边
3.3测试仪器
3.3.1振动测试仪符合ASTM D999要求
3.3.2间隙规:1/16inch(1.6mm)厚,2inch(50.8mm)宽的金属片
3.3.3磅秤
3.3.4跌落测试仪符合ASTM D5276要求,斜面冲击测试仪符合ASTM D880要求
3.4测试步骤
3.4.1振动测试
3.4.1.1将产品包装面3置于振动平台上,启动测试仪,调整振动频率直到产品包装箱与振动平台间的间隙可以顺利通过1/16inch厚的金属片
3.4.1.2振动次数:14200次,当振完一半时,须将货物水平旋转90°后继续振动。
如因尺寸而不能90°旋转时,则作180°旋转。
频率与持续时间见下表
文件类别
标准文件文件编号
XS-QWS-004发行日期2011.09.01文件等级■管制 □非管制 □暂行版 本A 页 次共2页 第2页
3.4.1.3检查产品及包装是否损伤
3.4.2跌落测试、冲击测试
3.4.2.1确认包装箱重量,依据不同重量选择跌落高度,见下表
3.4.2.2跌落测试依据顺序完成,见下表
3.4.2.3检查产品及包装是否损伤
4.相关表单
4.1 HP-QF-27A性能测试报告
摔箱测试标准
审核:制定:。
摔箱测试的报告1. 引言本报告旨在对进行的摔箱测试进行分析和总结。
摔箱测试是一种常见的包装测试方法,用于评估箱子在运输过程中受力情况。
通过模拟箱子在摔落场景下的表现,可以评估箱子的耐冲击性能,并提供改进包装设计的依据。
2. 实验目的本次摔箱测试的目的是评估所测得的箱子在不同高度摔落时的承载能力和耐冲击性能。
通过实验,我们将测试箱子在不同高度摔落后的破损情况,并据此提出改进包装设计的建议。
3. 实验装置和材料•箱子:采用普通纸箱,尺寸为30cm × 30cm × 30cm,材质为瓦楞纸板。
•高度调节装置:用于调整箱子的摔落高度。
•耐冲击性能测试仪:用于模拟箱子摔落时的冲击力和加速度。
4. 实验步骤1.固定测试仪器:将耐冲击性能测试仪固定在摔落平台上,确保仪器和平台的稳定性。
2.调节摔落高度:使用高度调节装置将箱子放置在不同高度,分别为0.5m、1m、1.5m和2m。
3.进行摔箱测试:将箱子从不同高度自由落下,在测试仪器上记录冲击力和加速度数据。
4.观察箱子破损情况:每次摔箱测试结束后,观察箱子的变形、撕裂和破损情况,并记录下来。
5.统计和分析数据:根据测试结果,统计不同高度下箱子的破坏情况,分析箱子的耐冲击性能。
5. 实验结果根据实验数据和观察记录,我们得出以下结论:•在0.5m高度下,箱子无明显破损,仅有轻微的变形现象。
•在1m高度下,箱子出现撕裂和变形情况,但没有完全破坏。
•在1.5m高度下,箱子出现严重的撕裂和破损,无法继续使用。
•在2m高度下,箱子完全破裂,无法承受冲击。
6. 结论与建议通过本次摔箱测试,我们得出以下结论:•箱子的耐冲击性能随着摔落高度的增加而降低。
•0.5m高度以下的摔落对箱子没有造成重大破损,具有一定的耐冲击能力。
•当需要运输易碎物品或重要物品时,建议采用更加耐冲击的包装材料,如泡沫箱或木箱。
•针对箱子的设计,可以加强箱子底部和四周的抗冲击结构,提高整体的抗冲击性能。
Customer客户:PO NO.Product NO.产品编号:Product产品名称:Batch批量:Day出货日期:Test试验数量:Test Day试验日期: Type 类型Small lot product试产 Lot 量产 Material Change材料变更 Material Approval 材料承认 Routine Test 例行实验 Other其它Test objective 试验目的:①1-20.99ibs(0.45-9.54kg) 30in / (76.2cm) ②21-40.99ibs(9.55-18.63kg) 24in / (60.96cm) ③41-60.99ibs(18.64-27.72kg) 18in / (45.72cm)④61-100ibs(27.73-45.453kg) 12in / (30.48cm)Before 跌落前Finish跌落后3、以一角三边六面方式自由跌落至水平地面(如右图)4、试验完毕后箱内所有产品不能有破损。
摔 箱 测 试 报 告NG 不合格确认包装方式抗外力冲击及受搬运过程影响不对产品品质构成危害的有效性. 1、把需进行跌落试验的产品测试合格和包装材料检查好;2、按实际重量选取跌落高度(根据国标GB/T4857):Test Request检测要求Test term测试条件试验后外箱外观描述试验后产品描述1、Box weight单箱产品重量:2、Hight 跌落高度:3.Package quantity包装数量:4. Carton size纸箱规格/材质:Test program record试 验 过 程 记 录最终判定 OK 合格Inspector测试:Approval审核:。
运输包装实验报告——包装件垂直跌落试验(08061230 姚清清)1 前言对包装件的试验以跌落试验和堆码试验为经常用的方法, 特别在检验包装箱、包装袋、包装桶是否合格时, 更是如此。
跌落试验的目的在于测定包装件在运输、装卸过程中经受垂直冲击的抵抗能力, 在此次试验中主要测试面跌落,观察面跌落之后产品的破损情况,探索从同一高度下落,不同测点处的冲击加速度情况,从而作为以后缓冲包装设计时的一个依据。
2 研究方法对包装件在设定的高度下使其自由跌落在水平冲击表面上,测试并记录试验样品上的加速度值。
评价试验样品在确定的缓冲包装和设定的冲击条件下的缓冲作用。
2.1 试验设备a.跌落试验机型号:Y5212Ⅱ/ZFb.冲击台型号:D36-4/ZF生产厂商:西北电机厂c.三相异步电动机型号:Y90S-6生产厂商:西安电机厂d.行程开关型号:LXK 2生产厂商:上海华泰机床电器厂e.控温仪型号:7151-DM实验样本的情况如下图所示:图1 实验样本情况对试验样品按GB/T 4857.1-92《运输包装件各部位的标示方法》对试验样品各部位进行编号。
编号情况如下图所示:图2 样本编号情况注:编号1表示边缘点,编号2表示中间点1)记录试验场所的温湿度。
2)将试验样品提升,使试验样品的跌落面与冲击面平行,其夹角最大不超过2°3)提起试验样品至所需要的跌落高度位置(即60cm),其提起高度与预定高度之差不得超过±2%。
4)释放试验样品,使其自由落下5)试验后记录最大加速度6)重复步骤2~5两次7)将样本拆包,按产品有关标准的规定检查包装物的损坏情况,并分析试验结果。
3 试验结果3.1不同点的最大加速度数据表1 面跌落不同点的最大加速度数值注:试验条件:温度21℃,相对湿度49%3.2 包装物的损坏情况经过跌落试验后,将样本拆包,发现一下情况:a.置于被包物两侧的缓冲垫(EPS)有局部破碎现象,但基本没有大的破坏;b.置于被包物下方的缓冲垫(EPE)没有破坏,厚度变化不大;但是相对位置发生了变化;c.从破损表现来看,被包物(控温仪)没有出现结构、材料及功能性破损;图3 跌落试验后的样本4 讨论4.1 试验分析4.1.1 误差分析本实验采用的是联接方式如下图所示:图4 试验模型从图中可以看出,实验数据的可靠与否,是由一下几个因素决定的:a.传感器的灵敏程度此种误差由实验条件决定,是不可避免的,算是一种客观误差。
包装跌落测试报告范本1. 背景在产品包装的设计和生产过程中,包装跌落测试是一个重要的环节。
它用于评估包装在运输和储存过程中受到的冲击和挤压,以确保产品在运输和储存过程中的安全性和完整性。
本报告旨在提供一个包装跌落测试报告的范本,以指导相关人员进行测试和分析。
2. 测试目的包装跌落测试的目的是评估包装在冲击和挤压条件下的性能,以确保产品的完整性和安全性。
本次测试的目标是验证某产品的包装设计是否满足运输和储存过程中的要求,并提供数据支持供决策者参考。
3. 测试方法本次包装跌落测试采用常规的测试方法,按照以下步骤进行:1.准备测试设备:包括跌落测试机、试样、测量仪器等;2.根据实际情况选择最具代表性的测试样本;3.设置测试条件,包括跌落高度、跌落表面、跌落角度等;4.通过跌落测试机进行跌落测试,每个样本进行多次测试以确保结果的可靠性;5.记录测试过程中的各项数据,包括跌落高度、跌落方式、损坏情况等;6.分析和总结测试数据,得出结论。
4. 测试结果经过多次测试和数据分析,得到以下测试结果:跌落高度(cm)样本1 样本2 样本350 无损坏无损坏无损坏100 有损坏有损坏无损坏150 有损坏有损坏有损坏从上表中可以看出,样本在50cm跌落高度下没有出现损坏。
但是当跌落高度达到100cm以上时,样本1和样本2出现了不同程度的损坏。
在150cm跌落高度下,所有样本均发生了损坏。
5. 结论根据测试结果,可以得出以下结论:1.在运输和储存过程中,建议将跌落高度控制在50cm以内,以避免产品损坏;2.对于需要经受较高冲击的产品,建议在包装设计中加强保护措施,如增加缓冲材料等;3.针对样本1和样本2的损坏情况,建议对包装设计进行优化,以提高其抗跌落性能。
6. 建议基于测试结果和结论,我们提出以下建议:1.在进行包装设计时,应充分考虑产品的特性和运输储存环境,进行全面的风险评估;2.对于重要产品或易损产品,应进行更加严格的包装跌落测试,以确保其安全性和完整性;3.不断改进和创新包装设计,应用新材料和技术,提高包装的抗冲击性能和保护性能。
序號
備註
A
B
C
D
E
F
G 表格编号: R705-03(1)
核准: 審核: 檢驗:
相邻兩側面頂角和与相邻的棱角注解:做跌落測試最主要是檢測易損的位置,防止運輸造成不必要的品質隱患
底面—對角底面側棱檢驗項目判定(OK 或NG )項目底面相邻兩棱材質
如客戶有指定要求,要依客戶要求執行檢驗工段
三.此項目檢驗標準只針對産品包裝後測試進(出)貨數量
F (相邻兩側面)
G (頂角和與相邻的棱)進(出)貨日期
二.跌落高度:一般情況以紙箱高度2倍為基準訂單號
一.跌落方向:A (頂面) B (底面相邻两棱)品名/料號
C (底面—對角)
D (底面)
E (側棱)電子廠
跌落測試報告
年 月 日客戶/廠商
技檢 驗 標 準。
紙箱落地實驗1. 這外箱實驗包括一系列對不同表面及角所作的落地測試The top of the carton is surface #1 紙箱頂部編號為#1 The front side is surface #2 紙箱前部編號為#2The bottom side is surface #3 The back is surface #4The near end is surface #5 The far end is surface #6 紙箱底部編號為#3 紙箱背部編號為#4 紙箱近部編號為#5 紙箱遠部編號為#6Identify corners by the numbers on the three surfaces that meet to form them. Forexample, corner 1-2-5 identifies the corner that is formed by the top, front side and near end.確認由三個面的數字所組成的角,例如1-2-5 面,意指由頂部、前部及近端部組成。
2. Drop the package from the height specified below, depending on the weight of thepackage.依據紙箱的重量及如下的高度作測試Package weight 紙箱重量Drop height 落下高度小於10 磅(4.54kgs) [不含 4.54kgs] 36”91.44cm10 磅(4.54kgs )至26 磅(11.82kgs) [不含11.82kgs] 30”76.20cm26 磅(11.82kgs )至51 磅(23.18kgs) [不含23.18kgs] 24”60.96cm51 磅(23.18kgs)至71 磅(32.27kgs) [不含32.27kgs] 18”45.72cm71 磅(32.27kgs)至100 磅(45.45kgs) [不含45.45kgs] 12”30.48cm3. Drop the package in the following sequence: 依據下列順序試摔:1. On 1-2-5 corner 1-2-5 角2. On 3-4-5 corner 3-4-5 角3. On 1-4-6 corner 1-4-6 角4. On 2-3-6 corner 2-3-6 角5. Flat on surface #1 #1 面6. Flat on suface#3 #3 面7. Flat on suface#2 #2 面8. Flat on suface#4 #4 面9. Flat on suface#5 #5 面10. Flat on suface#6 #6 面PDF created with pdfFactory Pro trial version PDF 文件使用 "pdfFactory Pro" 试用版本创建w 4. Analysis 分析a.) Open the tested package and inspect the merchandise for damage. If the merchandiseis electrical or mechanical, operate it to determine whether or not it functions properly.打開紙箱,檢查被摔物是否完整。
产品包装跌落测试报告撰写人报告核准1.目的用来测试、评估产品在生产、使用、贮存、运输过程中可能遇到的意外跌落、冲击力及振动时现时包装方法及材料能否提供有效保护及验证产品各结构或部件的耐冲击强度。
2.范围适用于本公司生产的一次性使用医用口罩。
质量不大于30kg的包装件。
3.职责质检部:负责方案之制定、核准。
生产技术部:负责方案之执行和判定。
生产技术部:负责样品准备、方案之核准。
4.试验原理和参考标准4.1原理:采用提起试验样品至预定高度,然后使其按预定状态自由落下,与冲击台面相撞。
4.2参考标准:GB/T 4857.5-1992 包装运输包装件跌落试验方法GB/T4857.17-2017包装运输包装件基本试验第17部分:编制性能试验大纲的通用规则5.样品信息因本公司一次性使用医用口罩(非无菌型)和民用口罩在产品组成、原材料、包装材料以及包装方式都相同,故此次试验用民用口罩代表进行模拟试验,民用产品信息如下:6.试验步骤6.2按下列预定状态,释放试验样品6.2.1面跌落时,使试验样品的跌落面与水平面之间保持平衡状态,不能超过30度夹角;6.2.2棱跌落时,使跌落的棱与水平面之间的夹角最大不超过30度,使试验样品的重力线通过被跌落的棱;6.2.3角跌落时,试验样品上规定面与冲击台面之间的夹角不大于45度,使试验样品的重力线通过被跌落的角;6.2.4无论何种状态和形状的试验样品,都应使试验样品的重力线通过被跌落的面、线、点。
6.2.5跌落位置为:外箱的底面、正唛一面、侧唛一面,底上的4条棱和4个角。
6.3使样品自由跌落至地面;6.4试验后按照以下标准检查包装及内装物的的损坏情况,并分析试验结果。
7.跌落测试后判定准则7.1外包装无功能性破损,若有轻微裂痕或磨损可允许;7.2内包装无破损或开裂。
8.测试结果通过按照第6章节进行试验,在试验过程中外箱因受力导致的棱边和角的地方出现折皱,但折皱的部分未出现第7章节不可接受的情形,民用口罩测试结果见#附件1民用口罩包装跌落过程图片。
包装1.2米跌落测试报告1. 背景介绍随着电子产品市场的不断扩大,包装成为了保护产品安全运输的重要环节。
在运输过程中,由于意外撞击和跌落等原因可能会对包装的产品造成损坏。
因此,为确保包装的有效性,我们对包装进行了1.2米跌落测试。
2. 测试目的本次测试旨在评估包装在1.2米高度下的跌落情况,以确定包装的保护性能。
3. 测试设备和方法•测试设备:跌落测试机•测试高度:1.2米•落地方式:平坦硬质地面•测试包装:XXX产品的标准包装4. 测试过程和结果我们选择了XXX产品的标准包装,将其放置在跌落测试机的测试平台上,并进行以下测试步骤: 1. 将跌落测试机的高度设置为1.2米。
2. 确保包装放置在测试平台的中央位置,保持包装姿态不变。
3. 启动测试机,使得包装从1.2米高度自由落下,以模拟真实的物流环境。
4. 观察包装在跌落过程中是否发生破损、变形或其他异常情况。
5. 如果包装发生破损,则记录破损的位置和程度。
经过多次测试,我们得到了以下结果: * 第一次测试:包装未发生任何破损或异常情况。
* 第二次测试:包装依然保持完好无损。
* 第三次测试:包装出现轻微变形,但仍能保护内部产品。
5. 结论根据测试结果和观察,我们可以得出以下结论: * XXX产品的标准包装在1.2米跌落测试中表现良好。
* 在多次测试中,包装未发生严重破损,能有效保护内部产品。
* 尽管在某些情况下包装出现轻微变形,但整体的保护性能并未受到明显影响。
6. 建议和改进尽管测试结果显示包装在1.2米跌落中表现良好,为了进一步提高包装的保护性能,我们建议: * 继续进行更高高度的跌落测试,以评估包装在更严苛条件下的表现。
* 定期检查包装的结构和材料,确保其完整性和可靠性。
* 根据跌落测试的结果,对包装进行进一步改进,以提升保护性能。
7. 总结通过对XXX产品的标准包装进行1.2米跌落测试,我们评估了包装在跌落过程中的保护性能。