塔吊垂直、沉降观测记录
- 格式:xls
- 大小:22.00 KB
- 文档页数:3
1#塔垂直度、沉降观察表
1 / 4
塔吊垂直度、沉降观察记录表
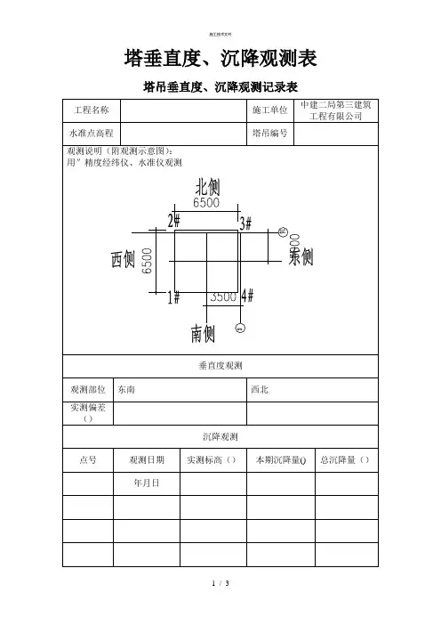
工程名称施工单位中建二局第三建筑工程有限企业
水平点高程塔吊编号 2#
观察说明(附观察表示图):
用 2″精度经纬仪、水平仪观察
垂直度观察
观察部位东南西北
实测误差
0.0020.001
(mm)
沉降观察
点号观察日期实测标高( m)本期沉降量 (m)总沉降量( m)
1#2012 年 12 月 31
-2.100日
2#
3#
4#
丈量:复核:
2 / 4
2#塔垂直度、沉降观察表
3 / 4
塔吊垂直度、沉降观察记录表
工程名称施工单位
水平点高程塔吊编号
观察说明(附观察表示图):
用 2″精度经纬仪、水平仪观察
垂直度观察
观察部位东南西北
实测误差
0.0020.001
(mm)
沉降观察
点号观察日期实测标高( m)本期沉降量 (m)总沉降量( m)1#-5.400
2#
3#
4#
丈量:复核:
4 / 4。
关于泊车楼8#塔吊变形不雅测措施及请求一.情形概述8#塔吊垂直度不雅测记载于9月25日对塔吊基本节顶部程度位移不雅测发明,南北向程度误差约为15mm,为此次塔吊竖直的直接原因.经由对以上数据的统计剖析及对现场的勘探发明,消失以下问题:1.无塔吊装配基本数据及塔吊基本误差数据,无法断定塔吊竖直是由装配误差造成的照样因为应用进程中地基的不平均沉降造成.2.不雅测点安插随便(多次不雅测点仪器装配地位不同一.不雅测频次也无具体请求),不雅测人员,仪器应用不固定.不雅测数据不克不及真实反应塔吊的垂直误差状态.针对以上问题,特制订本措施以规范塔吊不雅测,在一周密两周的时光找出塔吊垂直误差的原因和肯定塔吊的安然状态,进而肯定是正常应用照样裁撤重装.二.测量安插三.不雅测频次1.每两天测一次:定于2009年9月28日.30日,10月2日.4日.6日.8日.10日.2.同期对7#.9#.10#塔吊进行塔吊基本不平均沉降及塔吊垂直度进行测量,至少每周一次(2009年9月28日起),义务人:7#—吴佳禄.9#—段玉龙.10#—包文.四.数据收集及报送不雅测数据整顿后实时报送至:杨勇.陈芝轩.杨寿坤处.报送实时,数据真实.有用.五.不雅测点安插1.位移测量测点固定,每次仪器装配于同一地位进行测量(分1#.2#位进行两个角点的测量),大臂偏向同一置于器械偏向.沿塔高分上.中.下分离测设两个垂直误差值.2.基本不平均沉降测量按图示地位选定一个测点,以15#掌握点为基准进行塔吊四个角点的沉降不雅测六.对8#塔吊限制应用的请求1.在未肯定塔吊已可正常应用和变形仍在增长进程中,均只许可白日应用,制止晚上应用,以免产生平常情形而不克不及实时处理.2.再次对塔吊操纵人员进行技巧交底,应用进程中若发明平常情形,立刻停用.3.批示人员到位(起吊点一人.落点一人),保持旌旗灯号疏浚,亲密存眷塔吊整体变形情形,制止消失拖.拉.拽等违规操纵,保持“十不吊”,在吊运物料的进程中制止挂碰任何物件,防止不测产生.4.由批示人员包管塔吊不超载.云南建工第五扶植有限公司新机场项目部2009年9月28日。
塔吊沉降观测记录塔吊沉降观测是一项重要的安全监测工作,在塔吊使用过程中起着至关重要的作用。
为了确保塔吊的稳定性和安全性,需要进行定期的沉降观测。
下面给出塔吊沉降观测记录可能包含的相关参考内容。
1. 观测日期和观测地点确定观测日期和观测地点是记录中的首要内容,以确保沉降观测的准确性和一致性。
2. 塔吊基础信息记录塔吊的基础信息,包括塔吊的类型、品牌、型号等基本参数,以便后续分析和比较。
3. 塔吊安装时间和使用情况记录塔吊的安装时间和使用情况,包括开始使用日期、使用时长、是否经历过大风、地震等特殊天气条件,这些因素可能会对塔吊的沉降产生影响。
4. 沉降观测方法和仪器详细描述沉降观测的方法和使用的仪器设备,例如是否使用沉降标尺、水准仪、GNSS测量系统等,这有助于了解观测数据的可靠性和准确性。
5. 观测点和观测基准记录观测点的位置和观测基准,观测点通常位于塔吊基础周围,可以选择固定点或网格布点方式进行观测。
6. 观测频率和观测时间段记录观测的频率和观测的时间段,观测频率可能根据具体工程的需求而定,可选择每日、每周或每月进行观测,并记录每次观测的起止时间。
7. 沉降观测数据详细记录每次观测的沉降数据,可包括观测日期、观测点序号、观测点位置、观测点高程、观测点沉降量等信息。
可以选择以表格或图形的形式呈现数据,以便后续分析和比较。
8. 沉降数据分析和比较对观测数据进行分析和比较,可以计算每个观测点的平均沉降速率,观察沉降的趋势和特征,并与之前的观测数据进行比较,以判断沉降是否超过了允许的范围。
9. 异常情况描述和处理措施如出现异常情况,应详细描述异常的原因和表现,并记录采取的处理措施,如是否进行调整、加固、更换等。
10. 结论和建议根据观测数据和分析结果得出结论,并提出相应的建议,例如是否需要采取进一步的措施来保障塔吊的安全和稳定。
综上所述,塔吊沉降观测记录中可能包含的相关参考内容主要包括观测日期和地点、塔吊基础信息、安装时间和使用情况、观测方法和仪器、观测点和观测基准、观测频率和时间段、沉降观测数据、数据分析和比较、异常情况描述和处理、结论和建议等方面,旨在全面记录塔吊的沉降情况并提供安全分析的依据。