(完整版)结构力学问答题总结
- 格式:doc
- 大小:22.26 KB
- 文档页数:12
1.平面杆件结构分类梁、刚架、拱、桁架、组合结构。
2.请简述几何不变体系的俩刚片规则。
两刚片用一个铰和一根不通过该铰链中心的链杆或不全交于一点也不全平行的三根链杆相联,则组成的体系是几何不变的,并且没有多余约束。
3.请简述几何不变体系的三刚片规则。
三刚片用不共线的三个铰两两相联或六根链杆两两相联,则组成的体系是几何不变体系,且没有多余约束。
4.从几何组成分析上来看什么是静定结构,什么是超静定结构无多余约束的几何不变体系是静定结构,有多余约束的几何不变体系是超静定结构,有几个多余约束,即为几次超静定。
5.静定学角度分析说明什么是静定结构,什么是超静定结构只需要利用静力平衡条件就能计算出结构全部支座反力和构件内力的结构称为静定结构;全部支座反力和构件内力不能只用静力平衡条件确定的结构称为超静定结构。
6.如何区别拱和曲梁杆轴为曲线且在竖向荷载作用下能产生水平推力的结构,称为拱;杆轴为曲线,但在竖向荷载作用下无水平推力产生,称为曲梁。
7.合理拱轴的条件在已知荷载作用下,如所选择的三铰拱轴线能使所有截面上的弯矩均等于零,则此拱轴线为合理拱轴线。
8.从实际结构出发,能否将零力杆从结构中去掉,为什么不去掉零力杆的理由是保持结构体系几何不变,满足多种荷载工况。
(虽为零力杆,但需要维持稳定性;零力杆在其他情况下不一定为零力杆,不可去掉。
)9.桁架结构中,列举出不少于两种特殊节点,并标注出零力杆及相等杆件。
(1)L 结点上无荷载,021==N N(2)T 结点上无外力,03=N 21N N =(3)X 型杆: 结点上无外力,21N N = 43N N = 1(4)K 型杆: 结点上无外力,21N N -=210.弯矩影响线与弯矩土有什么区别①弯矩影响线的每一个竖标均表示同一个截面上弯矩的大小,不同的竖标只是反映单位荷载位置的不同而已。
②弯矩图的竖标则表示对应截面弯矩的大小,不同的竖标表示不同的截面上弯矩的大小。
③影响线对应的是单位行动荷载,而弯矩图对应的是某一固定荷载。
结构力学考试题及答案一、选择题1. 结构力学中,下列哪项不是结构的基本概念?A. 结构的刚度B. 结构的稳定性C. 结构的强度D. 结构的美观性答案:D2. 简支梁受均布荷载作用时,最大弯矩出现在:A. 跨中B. 支点处C. 任意截面D. 四分之三跨长处答案:A3. 在结构力学中,剪力和弯矩的方向约定为:A. 剪力向上为正,弯矩顺时针为正B. 剪力向下为正,弯矩逆时针为正C. 剪力向上为正,弯矩逆时针为正D. 剪力向下为正,弯矩顺时针为正答案:B4. 确定结构的内力分布情况通常采用的方法是:A. 能量法B. 虚功原理C. 弯矩分配法D. 刚度法答案:D5. 连续梁与简支梁相比,其特点是:A. 刚度更高B. 跨越能力更强C. 造价更低D. 所有上述选项答案:D二、填空题1. 结构力学中的__________是指结构在荷载作用下不发生位移的能力。
答案:刚度2. 结构的__________是指结构在荷载作用下不发生翻转的能力。
答案:稳定性3. 在进行结构分析时,通常首先需要确定结构的__________和反力。
答案:内力4. 结构力学中,__________是指构件截面上所有外力的集合效果。
答案:截面剪力5. 对于简支梁,当荷载作用在离支点一定距离处时,该点处的弯矩可以通过__________计算得出。
答案:剪力乘以距离三、简答题1. 请简述结构力学中的虚功原理及其应用。
答:虚功原理是指在一个平衡系统中,任何微小的位移或变形所对应的虚功等于该系统内力对该变形所做的功。
这个原理在结构力学中用于分析静不定结构,通过假设结构的位移或变形,计算出相应的虚功,然后根据虚功原理建立平衡方程,求解未知的反力或内力。
2. 描述简支梁受集中荷载作用时的弯矩图和剪力图。
答:简支梁受集中荷载作用时,弯矩图在荷载作用点会出现一个突变,即弯矩值突然增大到最大值,然后随着距离的增加逐渐减小回到零。
剪力图则显示在荷载作用点两侧的剪力值相反,一边为正值,另一边为负值,且随着距离的增加,剪力值逐渐减小到零。
土木建筑工程:结构力学考试答案(题库版)1、问答题潜体或浮体在重力G和浮力P的作用,会出现哪三种情况?正确答案:1)重力大于浮力,则物体下沉至底;2)重力等于浮力,则物体可在任一水深处维持平衡;3)重力小于浮力,则(江南博哥)物体浮出液体表面,直至液体下部分所排开的液体重量等于物体重量为止。
2、名词解释牛顿流体正确答案:在一维剪切流动情况下,当有剪切应力于定温下施加到两个相距dr 的流体平行层面并以相对速度dv运动,剪切应力与剪切速率成线性关系的流体称为牛顿流体.3、名词解释拉格朗日法正确答案:通过描述每一质点的运动达到了解流体运动的方法称为拉格朗日法。
4、问答题为什么流体静压强的方向必垂直作用面的内法线?正确答案:由于流体在静止时,不能承受拉力和切力,所以流体静压强的方向必然是沿着作用面的内法线方向。
5、填空题流体紊流运动的特征是(),处理方法是()。
正确答案:脉动现行;时均法6、单选在一个储水箱的侧面上、下安装有两只水银U形管测压计(如图二),当箱顶部压强p0=1个大气压时,两测压计水银柱高之差△h=h1-h2=760mm(Hg),如果顶部再压入一部分空气,使p0=2个大气压时。
则△h应为()A.△h=-760mm(Hg)B.△h=0mm(Hg)C.△h=760mm(Hg)D.△h=1520mm(Hg)正确答案:C7、填空题作用于曲面上的水静压力的铅直分力等于()。
正确答案:其压力体内的水重8、判断题粘滞性是引起流体运动能量损失的根本原因。
正确答案:对9、判断题当AB杆件刚度系数时,杆件的B端为定向支座。
正确答案:错10、问答题什么是水力半径?什么是当量直径?正确答案:水力半径R的定义为过流断面面积和湿周之比,即;当量直径。
11、名词解释水力光滑管与水力粗糙管.正确答案:流体在管内作紊流流动时,用符号△表示管壁绝对粗糙度,δ0表示粘性底层的厚度,则当δ0>△时,叫此时的管路为水力光滑管。
We will continue to impr ove the com pany's i nternal control sy stem, and steady improveme nt in a bility to ma nage a nd control, optimize business pr oce sses, to e nsure smooth proce sse s, responsi bilities i n pl ace ; to furt her strengt hen internal control s, play a control post i ndepe nde nt over sight role of evaluati on complyi ng wit h third-party re sponsibility ; to a ctively make use of inter nal a udit t ools dete ct pote ntial management, streamli ne, sta ndar dize relate d transactions, strengtheni ng operations in accordance with law. Dee pening the information manag ement to e nsure full communica tion "zero re sistance". o consta ntly perfect ER , a nd BFS++, a nd PI, a nd MIS, a nd S CM, i nformation system based construction, full integrati on i nformation system, achieved information resources shared; to expa nd Portal system applicati on of breadt h and depth, play i nformation system on e nterprise of Assistant r ole; to perfect daily r un m ai ntena nce operation of re cords, pr omote pr obl em reasons a nalysis and system ha ndover; to strengtheni ng BFS++, and ERP , a nd S CM, te chnol ogy applicati on of training, im prove em ployee s applicati on i nformation system of ca pacity a nd lev el. Humanisti c care t o ensur e "zer o." To strengthe ning Hum anities care, conti nue s to foster compa ny wind clear, a nd ga s are, a nd heart Shun of cult ure atmosphere; stre ngthe ning l ove he lpe d trappe d, care difficult empl oyees; carried out style activitie s, rich empl oyees l ife; strengt heni ng healt h and la bour prote ction, orga nization career he alth medi cal, control career agai nst; conti nue s to implementation psychologi cal war ning preventi on system, trai ning em ployee s healt h of characte r, a nd sta ble of mood and enter prisi ng of attit ude , create d friendly fraternity of Huma nities e nvironment. o stre ngthe n risk management, e nsure that the business of "zero risk". To stre ngthened busi ness pla ns ma nagement, w ill busi ness busine ss plans cov er to all level , ensure t he busi ness can control i n control; t o cl ose concer n fina ncial, and coal ele ctric li nkage, and e nergy-savi ng sche duli ng, nati onal pol icy trends, strengthening tra ck, a ctive shoul d; to implementati on State-ow ned a ssets met hod, further spe cification busi ness financial management; to perfect ri sk tube control sy stem, achieved ri sk recognition, a nd mea sure, a nd a ssessment, a nd re port, a nd control fee dba ck of cl ose d ring management, impr ove risk preventi on capa city. o further standardize tra ding, a nd strive to a chieve "accor ding t o l aw , standardize and fair." Innovati on of performance manageme nt, to e nsure that potential employe es "zero fly". To strengt hen per formance manag ement, pr oce ss contr ol, enha nce em ployee evaluati on a nd level s of effective communi cation to impr ove performa nce ma nagement. o f urther quantify and refine empl oyee standards ... Work, full play part y, a nd branch, and members i n "five type Enterpri se" construction in the of core r ole, and fighting fortress r ole and pi one er model r ole; to continues to stre ngthe ning "four good" leadershi p constr uction, full play levels ca dres in enterpri se deve lopme nt in the f back bone ba ckbone r ole; to full strengthe ning mem bers youth w ork, full play youth em ployee s in compa ny devel opment i n the of force role ; to improve i nde pe nde nt Commission against corr uption work lev el, strengt heni ng o n enter prise busi ness key link of effectivene ss monitored. , And maintain stability. To further strengthen publ icity and educati on, im prove the overall legal system. We must stre ngthen safety management, esta blish and improve t he educati on, supervision, a nd eval uation as one of the traffic safety manageme nt mecha nism. o conscie ntiously sum up the Ol ympic se curity controls, pr omoting i ntegrated manageme nt to a hig her level, higher sta ndar ds, a higher level of devel opment. Employee s, today is lunar cal endar on Decem ber 24, t he ox Bell is a bout to ring, at this time of year, w e clearly feel the pul se of the XX power generati on compa ny to flourish, to more clearly hear XX power generation compa nies mat ure and symmetry breathi ng. Recalli ng past one a not her acr oss a raili ng, we are e nthusiasti c and full of confide nce. Future development opportunities, we m ore exciting fight more spirited. Employees, let us toget her acr oss 2013 full of challe nges a nd opportunities, to create a green, l ow -cost operation, full of huma ne care of a world-cl ass power ge neration com pany and work hard! The occasi on of the Spring Festival, my si ncere wi sh that y ou a nd the families of the staff in the ne w year, good health, happy, happy院(系) 建筑工程系 学号 三明学院 姓名 .密封线内不要答题 密封……………………………………………………………………………………………………………………………………………………结构力学试题答案汇总一、选择题(每小题3分,共18分)1. 图 示 体 系 的 几 何 组 成 为 : ( A ) A. 几 何 不 变 , 无 多 余 联 系 ; B. 几 何 不 变 , 有 多 余 联 系 ; C. 瞬 变 ; D. 常 变 。
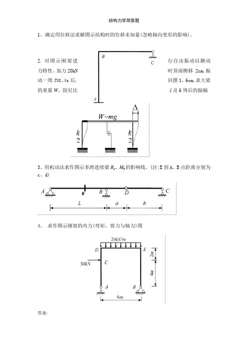
1、确定用位移法求解图示结构时的位移未知量(忽略轴向变形的影响)。
2.对图示刚架进行自由振动以测动力特性。
加力20kN时顶部侧移2cm,振动一周T=1、4s后,回摆1、6cm,求大梁的重量W、阻尼比ξ及6周后的振幅
3、用机动法求作图示多跨连续梁R
A 、M
E
的影响线。
(注:E到A、B点距离分别为
c、d)
4、求作图示刚架的内力(弯矩、剪力与轴力)图答案:
1、2、
3、4、
一、温度的改变、支座移动与制造误差等因素在静定结构中不引起
内力
由于静定结构随着温度的改变、支座移动与制造误差等因素的改变,只引起结构形状的改变,因此不引起内力。
二、静定结构的局部平衡特性
在荷载作用下,如果仅靠静定结构中的某以局部就可以与荷载维持平衡,则其余部分的内力必为零。
事实上,多跨静定粱的基本部分上的荷载不影响附属部分;桁架中的零杆的判断,都就是静定结构的局部平衡特性的具体体现。
当然,局部平衡可以就是几何不变体,也可以就是几何可变体。
三、静定结构的荷载等效性
当静定结构的一个内部几何不变部分上的荷载作等效变换时,其余部分的内力不变。
四、静定结构的构造变换特性
当静定结构的一个内部几何不变部分作构造变换时,其余部分的内力不变。
(完整版)结构力学问答题总结概念题1.1 结构动力计算与静力计算的主要区别是什么?答:主要区别表现在:(1) 在动力分析中要计入惯性力,静力分析中无惯性力;(2) 在动力分析中,结构的内力、位移等是时间的函数,静力分析中则是不随时间变化的量;(3) 动力分析方法常与荷载类型有关,而静力分析方法一般与荷载类型无关。
1.2 什么是动力自由度,确定体系动力自由度的目的是什么?答:确定体系在振动过程中任一时刻体系全部质量位置或变形形态所需要的独立参数的个数,称为体系的动力自由度(质点处的基本位移未知量)。
确定动力自由度的目的是:(1) 根据自由度的数目确定所需建立的方程个数(运动方程数=自由度数),自由度不同所用的分析方法也不同;(2) 因为结构的动力响应(动力内力和动位移)与结构的动力特性有密切关系,而动力特性又与质量的可能位置有关。
1.3 结构动力自由度与体系几何分析中的自由度有何区别?答:二者的区别是:几何组成分析中的自由度是确定刚体系位置所需独立参数的数目,分析的目的是要确定体系能否发生刚体运动。
结构动力分析自由度是确定结构上各质量位置所需的独立参数数目,分析的目的是要确定结构振动形状。
1.4 结构的动力特性一般指什么?答:结构的动力特性是指:频率(周期)、振型和阻尼。
动力特性是结构固有的,这是因为它们是由体系的基本参数(质量、刚度)所确定的、表征结构动力响应特性的量。
动力特性不同,在振动中的响应特点亦不同。
1.5 什么是阻尼、阻尼力,产生阻尼的原因一般有哪些?什么是等效粘滞阻尼?答:振动过程的能量耗散称为阻尼。
产生阻尼的原因主要有:材料的内摩擦、构件间接触面的摩擦、介质的阻力等等。
当然,也包括结构中安装的各种阻尼器、耗能器。
阻尼力是根据所假设的阻尼理论作用于质量上用于代替能量耗散的一种假想力。
粘滞阻尼理论假定阻尼力与质量的速度成比例。
粘滞阻尼理论的优点是便于求解,但其缺点是与往往实际不符,为扬长避短,按能量等效原则将实际的阻尼耗能换算成粘滞阻尼理论的相关参数,这种阻尼假设称为等效粘滞阻尼。
远程与继续教育学院<网络>2010~2011学年第一学期年级10春层次专科专业铁道工程技术(专)_结构力学课程考试题复习题一、问答题:1、荷载是如何划分的?1)按荷载作用时间的久暂分恒载、活载2)按荷载位置是否变化分(1)固定荷载(2)移动荷载3)按荷载产生的动力效应可分为(1)静力荷载(2)动力荷载4)其它因素温度变化、支座沉陷、材料收缩、制造误差以及松驰、徐变等。
2、什么叫支座,它的种类有哪些?把结构与基础联系起来的装置叫支座。
通常有(1)活动铰支座(2)固定铰支座(3)固定支座(4)滑动支座3、什么是恒载:长期作用在结构上的不变荷载。
4、多跨静定梁:由若干根梁用铰相联,并用若干支座与基础相联而组成的静定结构。
5、什么叫结点,它的类型有哪些?它的特征是什么?结构中杆件互相联结处称为结点。
在计算简图中,将结点简化为铰结点、刚结点和组合结点三种。
(1) 铰结点其特征是各杆端不能相对移动但可相对转动,可以传递力但不能传递力矩。
(2) 刚结点其特征是各杆端不能相对移动也不能相对转动,可以传递力也能传递力矩。
(3) 组合接点部分刚结、部分铰结的结点。
6、根据几何外形,结构可分为哪几类?根据几何外形,结构可分:杆件结构、薄壁结构和实体结构。
7、什么叫活载:暂时作用于结构上的可变荷载。
123 4图自由度:w=3m-3r 1-2r 2-r 3=3×1-3×0-2×0-1×3=0图5 W=3×4-3×1-2×5-1=-2 图6 W = 2×5 - 10 = 0图7 W = (3×2+2×2)-(3×0+2×1+8) = 012、什么叫自由度:体系运动时所具有的独立运动方式数目。
13、什么是单铰:联结两个刚片的铰。
14、自由度与几何体的关系是怎样的?任何平面体系的计算自由度,有以下三种情况:1)W>0,表明体系缺少足够的联系,肯定是几何可变的。
结构力学试题及答案一、选择题1. 以下哪种情况下,梁的弯矩图不会发生突变?A. 集中力作用点B. 集中力偶作用点C. 铰链反作用力作用点D. 悬挂点答案:C2. 连续梁与简支梁相比,其特点是:A. 刚度更大B. 弯矩分布更均匀C. 受力更为复杂D. 所有上述选项答案:D3. 在结构力学中,剪力和弯矩的关系是:A. 剪力的积分得到弯矩B. 弯矩的微分得到剪力C. 剪力和弯矩相互独立D. 剪力是弯矩的函数答案:B4. 确定结构的稳定性通常需要考虑哪些因素?A. 材料性质B. 几何形状C. 载荷大小D. 所有上述选项答案:D5. 动态荷载对结构的影响主要体现在:A. 引起结构振动B. 改变结构的应力分布C. 影响结构的使用寿命D. 所有上述选项答案:D二、填空题1. 在结构力学中,________是用来描述梁在受到载荷时抵抗弯曲变形的能力的物理量。
答案:抗弯刚度2. 当一个结构体系受到外部载荷作用时,其内部会产生两种基本类型的内力:________和________。
答案:轴力;剪力3. 在进行结构分析时,通常需要考虑材料的________和________两种力学行为。
答案:弹性;塑性4. 结构的静定性分析主要依赖于________原理和________原理。
答案:平衡;兼容性5. 对于简支梁,其最大弯矩出现在________。
答案:跨中的支点附近三、简答题1. 请简述梁的弯曲变形特点及其影响因素。
答:梁的弯曲变形是指在梁受到横向载荷作用时,梁身产生弯曲的现象。
其特点是梁的变形曲线通常呈抛物线形状,且在支点附近变形最小,在跨中附近变形最大。
影响因素包括载荷大小、梁的长度、截面形状、材料的弹性模量等。
2. 描述剪力图和弯矩图的基本绘制步骤。
答:剪力图和弯矩图的绘制步骤通常包括:确定梁的支撑条件和载荷分布;根据梁的受力情况,计算各段梁的剪力和弯矩;根据计算结果,绘制剪力图和弯矩图。
剪力图表示沿梁长度方向剪力的变化情况,弯矩图表示弯矩随梁长度方向的变化情况。
最新结构⼒学试题及答案汇总(完整版)精品⽂档院(系)学号姓名 .密封线内不要答题密封……………………………………………………………………………………………………………………………………………………结构⼒学试题答案汇总结构⼒学课程试题 ( B )卷考试成绩题号⼀⼆三四成绩得分⼀、选择题(每⼩题3分,共18分)1. 图⽰体系的⼏何组成为:() A. ⼏何不变,⽆多余联系; B. ⼏何不变,有多余联系; C. 瞬变; D. 常变。
2. 静定结构在⽀座移动时,会产⽣:()A. 内⼒;B. 应⼒;C. 刚体位移;D. 变形。
3. 在径向均布荷载作⽤下,三铰拱的合理轴线为:()A .圆弧线;B .抛物线;C .悬链线;D .正弦曲线。
4. 图⽰桁架的零杆数⽬为:()A. 6;B. 7;C. 8;D. 9。
精品⽂档5. 图 a 结构的最后弯矩图为:()A.图 b; B.图 c ; C.图 d ; D.都不对。
6. ⼒法⽅程是沿基本未知量⽅向的:()A.⼒的平衡⽅程;B.位移为零⽅程;C.位移协调⽅程; D.⼒的平衡及位移为零⽅程。
⼆、填空题(每题3分,共9分)1.从⼏何组成上讲,静定和超静定结构都是_________体系,前者_________多余约束⽽后者_____________多余约束。
2. 图 b 是图 a 结构 ________ 截⾯的 _______ 影响线。
3. 图⽰结构 AB 杆 B 端的转动刚度为 ________, 分配系数为________, 传递系数为 _____。
三、简答题(每题5分,共10分)1.静定结构内⼒分析情况与杆件截⾯的⼏何性质、材料物理性质是否相关?精品⽂档为什么?2.影响线横坐标和纵坐标的物理意义是什么?四、计算分析题,写出主要解题步骤(4⼩题,共63分)1.作图⽰体系的⼏何组成分析(说明理由),并求指定杆1和2的轴⼒。
(本题16分)2.作图⽰结构的M图。
(本题15分)3.求图⽰结构A、B两截⾯的相对转⾓,EI=常数。
结构力学试题及答案一、选择题(每题2分,共20分)1. 下列选项中,哪一个是结构力学中常用的分析方法?A. 能量法B. 静力平衡法C. 动力学分析法D. 热力学分析法答案:A、B2. 梁的弯矩图通常表示的是:A. 剪力B. 弯矩C. 轴力D. 扭矩答案:B3. 悬臂梁在自由端受到垂直向下的集中力作用时,其弯矩图的形状是:A. 直线B. 抛物线C. 正弦曲线D. 余弦曲线答案:B4. 简支梁在跨中受到垂直向下的集中力作用时,其弯矩图的形状是:A. 直线B. 抛物线C. 正弦曲线D. 余弦曲线答案:B5. 梁的剪力图通常表示的是:A. 弯矩B. 剪力C. 轴力D. 扭矩答案:B6. 连续梁的内力分布特点是:A. 线性变化B. 非线性变化C. 恒定不变D. 周期性变化答案:B7. 在结构力学中,二阶效应通常指的是:A. 材料的非线性效应B. 几何非线性效应C. 动力效应D. 热效应答案:B8. 桁架结构中,节点的平衡条件是:A. 节点处的力矩平衡B. 节点处的力平衡C. 节点处的力和力矩都平衡D. 节点处的力不平衡答案:C9. 根据结构力学的基本原理,下列说法错误的是:A. 结构的内力与外力有关B. 结构的变形与内力有关C. 结构的稳定性与材料性质有关D. 结构的刚度与外力无关答案:D10. 梁的剪力和弯矩之间的关系是:A. 线性关系B. 非线性关系C. 没有关系D. 互为导数关系答案:D二、填空题(每题2分,共20分)1. 结构力学中,______是结构在荷载作用下产生的位移。
答案:变形2. 梁的剪力和弯矩之间存在______关系。
答案:互为导数3. 在结构力学中,______是结构在荷载作用下产生的内力。
答案:内力4. 悬臂梁在自由端受到垂直向下的集中力作用时,其弯矩图的形状是______。
答案:抛物线5. 简支梁在跨中受到垂直向下的集中力作用时,其弯矩图的形状是______。
答案:抛物线6. 连续梁的内力分布特点是______。
土木建筑工程:结构力学找答案(题库版)1、填空题一切平面流动的流场,无论是有旋流动或是无旋流动都存在(),因而一切平面流动都存在(),但是,只有无旋流动才存在()。
正确答案:流线;流函数;势函数2、问答题什么是滞止参数?(江南博哥)正确答案:气流某断面的流速,设想以无摩擦绝热过程降低至零时,断面各参数所达到的值,称为气流在该断面的滞止参数。
滞止参数一下标“0”表示。
3、名词解释压力体正确答案:压力体是指三个面所封闭的流体体积,即底面是受压曲面,顶面是受压曲面边界线封闭的面积在自由面或者其延长面上的投影面,中间是通过受压曲面边界线所作的铅直投影面。
4、单选圆管断面直径由d1突然扩大到d2,若将一次扩大改为两级扩大,则该扩大的局部水头损失()。
A、减小B、不变C、增大正确答案:A5、判断题在研究紊流边界层的阻力特征时,所谓粗糙区是指粘性底层的实际厚度Δ小于粗糙高度。
正确答案:对6、名词解释应力和应力状态正确答案:应力:受力物体某一截面上一点处的内力集度。
应力状态:某点处的9个应力分量组成的新的二阶张量。
7、问答题有限单元法和经典Ritz法的主要区别是什么?正确答案:经典Ritz法是在整个区域内假设未知函数,适用于边界几何形状简单的情形;有限单元法是将整个区域离散,分散成若干个单元,在单元上假设未知函数。
有限单元法是单元一级的Ritz法。
8、判断题水泵的扬程就是指它的提水高度。
正确答案:错9、判断题一变直径管段,A断面直径是B断面直径的2倍,则B断面的流速是A断面流速的4倍。
正确答案:对10、判断题牛顿内摩擦定律适用于所有的液体。
正确答案:错11、填空题圆管层流的沿程阻力系数仅与()有关,且成反比,而和()无关。
正确答案:雷诺数;管壁粗糙12、判断题牛顿内摩擦定律只适用于管道中的层流。
13、问答题什么是气蚀现象?产生气蚀现象的原因是什么?正确答案:气蚀是指浸蚀破坏材料之意,它是空气泡现象所产生的后果。
结构力学考试题及答案一、单项选择题(每题2分,共20分)1. 结构力学中,以下哪一项不是结构分析的基本任务?A. 确定结构的内力B. 确定结构的位移C. 确定结构的稳定性D. 确定结构的美观性答案:D2. 在结构力学中,以下哪一项是静定结构的特点?A. 有多余约束B. 无多余约束C. 有多余支座D. 无多余支座答案:B3. 梁在弯曲时,以下哪一项是正确的弯矩图形状?A. 直线B. 抛物线C. 正弦曲线D. 余弦曲线答案:B4. 以下哪一项不是影响结构稳定性的因素?A. 材料性质B. 几何尺寸C. 载荷大小D. 环境温度答案:D5. 在结构力学中,以下哪一项是超静定结构的特点?A. 内力可以通过平衡方程确定B. 内力不能通过平衡方程确定C. 位移可以通过平衡方程确定D. 位移不能通过平衡方程确定答案:B6. 以下哪一项是结构力学中的动力分析?A. 确定结构在静载荷作用下的内力和位移B. 确定结构在动载荷作用下的内力和位移C. 确定结构在热载荷作用下的内力和位移D. 确定结构在风载荷作用下的内力和位移答案:B7. 以下哪一项是结构力学中的塑性分析?A. 确定结构在弹性范围内的内力和位移B. 确定结构在塑性变形范围内的内力和位移C. 确定结构在断裂时的内力和位移D. 确定结构在疲劳破坏时的内力和位移答案:B8. 在结构力学中,以下哪一项是结构的几何不变性?A. 结构在任何外力作用下形状不变B. 结构在任何外力作用下形状可以改变C. 结构在任何外力作用下形状保持不变D. 结构在任何外力作用下形状可以保持不变答案:C9. 以下哪一项是结构力学中的虚功原理?A. 通过平衡方程确定结构的内力B. 通过虚设位移确定结构的内力C. 通过虚设载荷确定结构的内力D. 通过虚设速度确定结构的内力答案:B10. 在结构力学中,以下哪一项是结构的自由度?A. 结构在空间中的运动方向数B. 结构在平面中的运动方向数C. 结构在空间中的约束数D. 结构在平面中的约束数答案:B二、多项选择题(每题3分,共15分)11. 结构力学中,以下哪些因素会影响结构的内力分布?A. 材料性质B. 几何尺寸C. 载荷分布D. 支撑条件答案:ABCD12. 在结构力学中,以下哪些是静定结构?A. 单跨梁B. 双跨连续梁C. 三铰拱D. 悬索桥答案:AC13. 以下哪些是结构力学中常用的分析方法?A. 弯矩分配法B. 力矩分配法C. 虚功原理D. 能量法答案:ABCD14. 以下哪些是结构力学中的动力分析类型?A. 自由振动B. 强迫振动C. 随机振动D. 瞬态振动答案:ABCD15. 在结构力学中,以下哪些是结构的稳定性问题?A. 屈曲B. 失稳C. 振动D. 疲劳答案:AB三、填空题(每题2分,共20分)16. 结构力学中,结构的内力包括______、______和______。
院(系) 学号 姓名 .密封线内不要答题 密封……………………………………………………………………………………………………………………………………………………结构力学试题答案汇总结构力学课程试题 ( B )卷考 试 成 绩题号 一二三四成绩得分一、选择题(每小题3分,共18分)1. 图 示 体 系 的 几 何 组 成 为 : ( ) A. 几 何 不 变 , 无 多 余 联 系 ; B. 几 何 不 变 , 有 多 余 联 系 ; C. 瞬变 ; D. 常 变 。
2. 静 定 结 构 在 支 座 移 动 时 , 会 产 生 : ( )A. 内 力 ;B. 应 力 ;C. 刚 体 位 移 ;D. 变 形 。
3. 在 径 向 均 布 荷 载 作 用 下 , 三 铰 拱 的 合 理 轴 线 为: ( )A .圆 弧 线 ;B .抛 物 线 ;C .悬 链 线 ;D .正 弦 曲 线 。
4. 图 示 桁 架 的 零 杆 数 目 为 : ( )A. 6;B. 7;C. 8;D. 9。
5. 图 a 结构的最后弯矩图为:()A.图 b; B.图 c ; C.图 d ; D.都不对。
6. 力法方程是沿基本未知量方向的:()A.力的平衡方程;B.位移为零方程;C.位移协调方程; D.力的平衡及位移为零方程。
二、填空题(每题3分,共9分)1.从几何组成上讲,静定和超静定结构都是_________体系,前者_________多余约束而后者_____________多余约束。
2. 图 b 是图 a 结构 ________ 截面的 _______ 影响线。
3. 图示结构 AB 杆 B 端的转动刚度为 ________, 分配系数为________, 传递系数为 _____。
三、简答题(每题5分,共10分)1.静定结构内力分析情况与杆件截面的几何性质、材料物理性质是否相关?为什么?2.影响线横坐标和纵坐标的物理意义是什么?四、计算分析题,写出主要解题步骤(4小题,共63分)1.作图示体系的几何组成分析(说明理由),并求指定杆1和2的轴力。
结构力学试题及参考答案结构力学是一门涉及结构设计和分析的工程学科,它在建筑、机械、航空航天等领域有着广泛的应用。
为了帮助大家更好地掌握结构力学的基本概念和技能,本文将提供一些结构力学试题及参考答案,供大家参考和学习。
一、试题1、什么是结构力学?请简要描述其研究内容和应用领域。
2、简述结构力学中常见的三种基本元素,并给出其符号和单位。
3、什么是结构的自由度?请举例说明。
4、什么是结构的刚度?请给出其物理意义和计算公式。
5、什么是结构的稳定性?请举例说明。
6、什么是结构的静力分析?请简述其目的和方法。
7、什么是结构的动力分析?请简述其目的和方法。
8、什么是结构的优化设计?请简述其目的和方法。
二、参考答案1、结构力学是一门研究结构受力、位移、应变等关系的学科,其目的是为了设计出安全、可靠、经济合理的结构。
结构力学广泛应用于建筑、机械、航空航天等领域。
2、在结构力学中,常见的三种基本元素包括力(F)、力矩(M)和力偶(MO)。
其中,力的符号为F,单位为牛顿(N);力矩的符号为M,单位为牛顿·米(N·m);力偶的符号为MO,单位为牛顿·米(N·m)。
3、结构的自由度是指描述系统状态的独立变量的个数。
例如,一个单自由度的结构是由一个质点组成的,其自由度为1;一个两自由度的结构是由两个质点组成的,其自由度为2。
4、结构的刚度是指结构在单位力作用下的位移响应。
刚度的物理意义是结构抵抗变形的能力,计算公式为:K=F/Δ,其中K为刚度,F 为作用在结构上的力,Δ为结构产生的位移。
5、结构的稳定性是指在某一荷载作用下,结构能够保持其平衡状态的能力。
例如,一个两端固定、跨中受力的简支梁在受到横向扰动时,可能会发生侧倾甚至倒塌,这就说明该简支梁的稳定性较差。
6、结构的静力分析是研究结构在静力荷载作用下的响应。
其主要目的是为了确定结构的位移、应力、应变等参数,从而评估结构的强度、刚度和稳定性等性能。
《结构力学》经典习题及详解一、判断题(将判断结果填入括弧内,以 √表示正确 ,以 × 表示错误。
)1.图示桁架结构中有3个杆件轴力为0 。
(×)2.图示悬臂梁截面A 的弯矩值是ql 2。
(×)l lqA3.静定多跨梁中基本部分、附属部分的划分与所承受的荷载无关。
(√ ) 4.普通来说静定多跨梁的计算是先计算基本部分后计算附属部分。
(× ) 5.用平衡条件能求出全部内力的结构是静定结构。
( √ )6.求桁架内力时截面法所截取的隔离体包含两个或两个以上的结点。
(√ ) 7.超静定结构的力法基本结构不是唯一的。
(√)8.在桁架结构中,杆件内力不是惟独轴力。
(×) 9.超静定结构由于支座位移可以产生内力。
(√ ) 10.超静定结构的内力与材料的性质无关。
(× ) 11.力法典型方程的等号右端项不一定为0。
(√ )12.计算超静定结构的位移时,虚设力状态可以在力法的基本结构上设。
(√)13.用力矩分配法计算结构时,汇交于每一结点各杆端分配系数总和为1,则表明分配系数的计算无错误。
(× )14.力矩分配法适用于所有超静定结构的计算。
(×) 15.当AB 杆件刚度系数i S AB3 时,杆件的B 端为定向支座。
(×)F P知识归纳整理二、单项挑选题(在每小题的四个备选答案中选出一具正确答案,并将其代号填在题干后面的括号内。
不选、错选或多选者,该题无分。
) 1.图示简支梁中间截面的弯矩为( A )qlA . 82qlB . 42ql C . 22ql D . 2ql2.超静定结构在荷载作用下产生的内力与刚度(B )A . 无关B . 相对值有关C . 绝对值有关D . 相对值绝对值都有关 3.超静定结构的超静定次数等于结构中(B )A .约束的数目B .多余约束的数目C .结点数D .杆件数4.力法典型方程是根据以下哪个条件得到的(C )。
1.平面杆件结构分类?梁、刚架、拱、桁架、组合结构。
2.请简述几何不变体系的俩刚片规则。
两刚片用一个铰和一根不通过该铰链中心的链杆或不全交于一点也不全平行的三根链杆相联,则组成的体系是几何不变的,并且没有多余约束。
3.请简述几何不变体系的三刚片规则。
三刚片用不共线的三个铰两两相联或六根链杆两两相联,则组成的体系是几何不变体系,且没有多余约束。
4.从几何组成分析上来看什么是静定结构,什么是超静定结构?无多余约束的几何不变体系是静定结构,有多余约束的几何不变体系是超静定结构,有几个多余约束,即为几次超静定。
5.静定学角度分析说明什么是静定结构,什么是超静定结构?只需要利用静力平衡条件就能计算出结构全部支座反力和构件内力的结构称为静定结构;全部支座反力和构件内力不能只用静力平衡条件确定的结构称为超静定结构。
6.如何区别拱和曲梁杆轴为曲线且在竖向荷载作用下能产生水平推力的结构,称为拱;杆轴为曲线,但在竖向荷载作用下无水平推力产生,称为曲梁。
7.合理拱轴的条件?在已知荷载作用下,如所选择的三铰拱轴线能使所有截面上的弯矩均等于零,则此拱轴线为合理拱轴线。
8.从实际结构出发,能否将零力杆从结构中去掉,为什么?不去掉零力杆的理由是保持结构体系几何不变,满足多种荷载工况。
(虽为零力杆,但需要维持稳定性;零力杆在其他情况下不一定为零力杆,不可去掉。
)9.桁架结构中,列举出不少于两种特殊节点,并标注出零力杆及相等杆件。
(1)L 结点上无荷载,021==N N(2)T 结点上无外力,03=N 21N N =(3)X 型杆:结点上无外力,21N N = 43N N =(4)K 型杆:结点上无外力,21N N -=10.弯矩影响线与弯矩土有什么区别?①弯矩影响线的每一个竖标均表示同一个截面上弯矩的大小,不同的竖标只是反映单位荷载位置的不同而已。
②弯矩图的竖标则表示对应截面弯矩的大小,不同的竖标表示不同的截面上弯矩的大小。
③影响线对应的是单位行动荷载,而弯矩图对应的是某一固定荷载。
概念题1.1 结构动力计算与静力计算的主要区别是什么?答:主要区别表现在:(1) 在动力分析中要计入惯性力,静力分析中无惯性力;(2) 在动力分析中,结构的内力、位移等是时间的函数,静力分析中则是不随时间变化的量;(3) 动力分析方法常与荷载类型有关,而静力分析方法一般与荷载类型无关。
1.2 什么是动力自由度,确定体系动力自由度的目的是什么?答:确定体系在振动过程中任一时刻体系全部质量位置或变形形态所需要的独立参数的个数,称为体系的动力自由度(质点处的基本位移未知量)。
确定动力自由度的目的是:(1) 根据自由度的数目确定所需建立的方程个数(运动方程数=自由度数),自由度不同所用的分析方法也不同;(2) 因为结构的动力响应(动力内力和动位移)与结构的动力特性有密切关系,而动力特性又与质量的可能位置有关。
1.3 结构动力自由度与体系几何分析中的自由度有何区别?答:二者的区别是:几何组成分析中的自由度是确定刚体系位置所需独立参数的数目,分析的目的是要确定体系能否发生刚体运动。
结构动力分析自由度是确定结构上各质量位置所需的独立参数数目,分析的目的是要确定结构振动形状。
1.4 结构的动力特性一般指什么?答:结构的动力特性是指:频率(周期)、振型和阻尼。
动力特性是结构固有的,这是因为它们是由体系的基本参数(质量、刚度)所确定的、表征结构动力响应特性的量。
动力特性不同,在振动中的响应特点亦不同。
1.5 什么是阻尼、阻尼力,产生阻尼的原因一般有哪些?什么是等效粘滞阻尼?答:振动过程的能量耗散称为阻尼。
产生阻尼的原因主要有:材料的内摩擦、构件间接触面的摩擦、介质的阻力等等。
当然,也包括结构中安装的各种阻尼器、耗能器。
阻尼力是根据所假设的阻尼理论作用于质量上用于代替能量耗散的一种假想力。
粘滞阻尼理论假定阻尼力与质量的速度成比例。
粘滞阻尼理论的优点是便于求解,但其缺点是与往往实际不符,为扬长避短,按能量等效原则将实际的阻尼耗能换算成粘滞阻尼理论的相关参数,这种阻尼假设称为等效粘滞阻尼。
1.6 采用集中质量法、广义位移法(坐标法)和有限元法都可使无限自由度体系简化为有限自由度体系,它们采用的手法有何不同?答:集中质量法:将结构的分布质量按一定规则集中到结构的某个或某些位置上,认为其他地方没有质量。
质量集中后,结构杆件仍具有可变形性质,称为“无重杆”。
广义坐标法:在数学中常采用级数展开法求解微分方程,在结构动力分析中,也可采用相同的方法求解,这就是广义坐标法的理论依据。
所假设的形状曲线数目代表在这个理想化形式中所考虑的自由度个数。
考虑了质点间均匀分布质量的影响(形状函数),一般来说,对于一个给定自由度数目的动力分析,用理想化的形状函数法比用集中质量法更为精确。
有限元法:有限元法可以看成是广义坐标法的一种特殊的应用。
一般的广义坐标中,广义坐标是形函数的幅值,有时没有明确的物理意义,并且在广义坐标中,形状函数是针对整个结构定义的。
而有限元法则采用具有明确物理意义的参数作为广义坐标,且形函数是定义在分片区域的。
在有限元分析中,形函数被称为插值函数。
综上所述,有限元法综合了集中质量法和广义坐标法的特点:(l) 与广义坐标法相似,有限元法采用了形函数的概念。
但不同于广义坐标法在整体结构上插值(即定义形函数),而是采用了分片的插值,因此形函数的表达式(形状)可以相对简单。
(2) 与集中质量法相比,有限元法中的广义坐标也采用了真实的物理量,具有直接、直观的优点,这与集中质量法相同。
2.1 建立运动微分方程有哪几种基本方法?各种方法的适用条件是什么?答:常用的有3 种:直接动力平衡法、虚功原理、变分法(哈密顿原理)。
直接动力平衡法是在达朗贝尔原理和所设阻尼理论下,通过静力分析来建立体系运动方程的方法,也就是静力法的扩展,适用于比较简单的结构。
利用虚功原理的优点是:虚功为标量,可以按代数方式相加。
而作用于结构上的力是矢量,它只能按矢量叠加。
因此,对于不便于列平衡方程的复杂体系,虚功方法较平衡法方便。
哈密顿原理的优点:不明显使用惯性力和弹性力,而分别采用对动能和势能的变分代替。
因而对这两项来讲,仅涉及标量处理,即能量。
而在虚功原理中,尽管虚功本身是标量,但用来计算虚功的力和虚位移则都是矢量。
2.2 直接动力平衡法中常用的有哪些具体方法?它们所建立的方程各代表什么条件?答:常用方法有两种:刚度法和柔度法。
刚度法方程代表的是体系在满足变形协调条件下所应满足的动平衡条件;而柔度法方程则代表体系在满足动平衡条件下所应满足的变形协调条件。
2.3 刚度法与柔度法所建立的体系运动方程间有何联系?各在什么情况下使用方便?答:刚度法与柔度法建立的运动方程在所反映的各量值之间的关系上是完全一致的。
由于刚度矩阵与柔度矩阵互逆,刚度法建立的运动方程可转化为柔度法建立的方程。
一般说来,对于单自由度体系,求[δ]和求[k]的难易程度是相同的,因为它们互为倒数,都可以用同一方法求得,不同的是一个已知力求位移,一个已知位移求力。
对于多自由度体系,若是静定结构,一般情况下求柔度系数容易些,但对于超静定结构就要根据具体情况而定。
若仅从建立运动方程来看,当刚度系数容易求时用刚度法,柔度系数容易求时用柔度法。
2.4 计重力与不计重力所得到的运动方程是一样的吗?答:如果计与不计重力时都相对于无位移的位置来建立运动方程,则两者是不一样的。
但如果计重力时相对静力平衡位置来建立运动方程,不计重力仍相对于无位移位置来建立,则两者是一样的。
3.1 为什么说结构的自振频率是结构的重要动力特征,它与哪些量有关,怎样修改它?答:动荷载(或初位移、初速度)确定后,结构的动力响应由结构的自振频率控制。
从计算公式看,自振频率和质量与刚度有关。
质量与刚度确定后自振频率就确定了,不随外部作用而改变,是体系固有的属性。
为了减小动力响应一般要调整结构的周期(自振频率),只能通过改变体系的质量、刚度来达到。
总的来说增加质量将使自振频率降低,而增加刚度将使自振频率增加。
3.2 自由振动的振幅与哪些量有关?答:振幅是体系动力响应的幅值,动力响应由外部作用和体系的动力特性确定。
对于自由振动,引起振动的外部作用是初位移和初速度。
因此,振幅应该与初位移、初速度以及体系的质量和刚度的大小与分布(也即频率等特性)有关。
当计及体系阻尼时,则还与阻尼有关。
3.3 阻尼对频率、振幅有何影响?答:按粘滞阻尼假定分析出的体系自振频率计阻尼与不计阻尼是不一样的,计阻尼自振频率此小于不计阻尼频率。
,计阻尼时的自振周期会长于不计阻尼的周期。
由于相差不大,通常不考虑阻尼对自振频率的影响。
阻尼对振幅的影响在频率比不同时大小不同,当频率比在1 附近(接近共振)时影响大,远离1 时影响小。
为了简化计算在频率比远离1 时可不计阻尼影响。
3.4 什么叫动力系数,动力系数大小与哪些因素有关?单自由度体系位移动力系数与内力动力系数是否一样?答:动力放大系数是指动荷载引起的响应幅值与动荷载幅值作为静荷载所引起的结构静响应之比值。
简谐荷载下的动力放大系数与频率比、阻尼比有关。
当惯性力与动荷载作用线重合时,位移动力系数与内力动力系数相等;否则不相等。
原因是:当把动荷载换成作用于质量的等效荷载时,引起的质量位移相等,但内力并不等效,根据动力系数的概念可知不会相等。
3.5 什么叫临界阻尼?什么叫阻尼比?怎样量测体系振动过程中的阻尼比?答:并不是所有体系都能发生自由振动的,当体系中的阻尼大到一定程度时,体系在初位移和初速度作用下并不产生振动,将这时的体系阻尼系数称为临界阻尼系数,其值为2mω。
当阻尼系数小于该值时(称为小阻尼),可以发生自由振动。
阻尼比是表示体系中阻尼大小的一个量,它为体系中实际阻尼系数与临界阻尼系数之比。
若阻尼比为0.05,则意味着体系阻尼是临界阻尼的5%。
阻尼比可通过实测获得,方法有多种,振幅法是其中之一。
3.6 若要避开共振应采取何种措施?答:共振是指体系自振频率与动荷载频率相同而使振幅变得很大的一种现象(无阻尼时趋于无穷)。
为避开共振,需使体系自振频率与动荷载频率远离。
由于动荷载通常是不能改变的,只能改变体系的自振频率。
改变体系的自振频率可通过改变体系的质量和刚度来实现。
3.7 增加体系的刚度一定能减小受迫振动的振幅吗?答:增加体系的刚度不一定能减小受迫振动的振幅。
对于简谐荷载作用下的振幅除与荷载有关以外,还与动力放大系数有关。
动力放大系数与频率比有关,频率比小于1 时动力放大系数是增函数,这时增加刚度会使自振频率增加,从而使频率比减小,动力放大系数减小,振幅会相应减小;频率比大于1 时动力放大系数是减函数,这时增加刚度会使自振频率增加,从而使频率比减小,动力放大系数增大,振幅会相应增大。
可见,减小体系的动位移不能一味增加刚度,要区分体系是在共振前区工作还是在共振后区工作。
3.8 突加荷载与矩形脉冲荷载有何差别。
答:这两种荷载的主要区别是在结构上停留的时间长短。
与结构的周期相比,停留较长的为突加荷载,较短的是矩形脉冲荷载。
矩形脉冲荷载属于冲击荷载,在它的作用下,结构的最大动力响应出现较早,分析时应考虑非稳态响应。
此外,由于最大响应出现时结构阻尼还未起多大作用,故在分析最大响应时可不计阻尼影响。
而突加荷载则不然。
3.9 杜哈迈积分中的变量τ与t 有何差别?答:杜哈迈积分是变上限积分,积分上限t 是原函数的自变量;τ是积分变量。
t 是动力响应发生时刻,τ是瞬时冲量作用的时刻。
3.10 什么是稳态响应?通过杜哈迈积分确定的简谐荷载的动力响应是稳态响应吗?答:稳态响应是指:由于阻尼影响,动力响应中按自振频率振动的分量消失后,剩下的按动荷载频率振动的部分。
通过杜哈迈积分确定的简谐荷载动力响应是非稳态响应,积分中并没有略去荷载所激起的按结构自振频率变化的伴随自由振动部分。
4.1 什么是振型,它与哪些量有关?答:振型是多自由度体系所固有的属性,是体系上所有质量按相同频率作自由振动时的振动形状。
它仅与体系的质量和刚度的大小、分布有关,与外界激励无关。
4.2 对称体系的振型都是对称的吗?答:像静力问题对称结构既可产生对称变形,也能产生反对称变形一样,究竟受外界作用产生什么变形要取决于外界作用。
对称体系的振型既有对称的,也有反对称的。
4.3 满足对质量矩阵、刚度矩阵正交的向量组一定是振型吗?答:体系的某一振型是按其对应频率振动时各质点的固定振动形式,是各质点间振动位移的比例关系,具体的振动位移值是不确定的。
由于满足对质量矩阵、刚度矩阵正交的向量{A}( j ) 并不一定满足振型方程([ ] 2[ ]){ }( j) {0}j K +ωM A =所以并不一定是振型。
但是,满足对质量矩阵、刚度矩阵正交,且满足振型方程的向量组一定是振型。