分配阀的工作原理与结构解析
- 格式:doc
- 大小:165.00 KB
- 文档页数:3
液压分配阀工作原理
液压分配阀是在液压泵的作用下,将压力能转变为机械能,将液压油流经各种元件(如液压阀、油管等)传至各工作缸,从而实现动作。
分配阀是液压系统中最重要的元件之一。
它的作用是把一种油液的压力能转变为另一种油液的压力能,然后通过换向阀转换为机械能,并对动作进行控制。
分配阀工作原理
分配阀由阀体、阀芯、阀套和弹簧等组成。
当阀芯端面与活塞相碰时,阀芯将被压下,腔内的油就通过阀套被压向活塞,从而实现动作;当活塞与缸孔相碰时,阀芯将被顶起,腔内的油就通过阀套被压向活塞,从而实现动作。
同时,由于弹簧的作用,阀芯与阀套之间存在一定间隙(通常为1-2 mm)。
因此,当油液流经分配阀时,会产生压力差。
当压力差较大时(例如大于5 MPa),油就会进入工作缸;反之,油就会被排出。
由于油液流过分配阀时产生的压力差较大(通常大于5 MPa),因此对油液有一定的要求:如果油太脏(如沉积在分配阀内)或油液粘度太大(如油中含有较多的空气),则都会影响阀门的正常工作。
—— 1 —1 —。
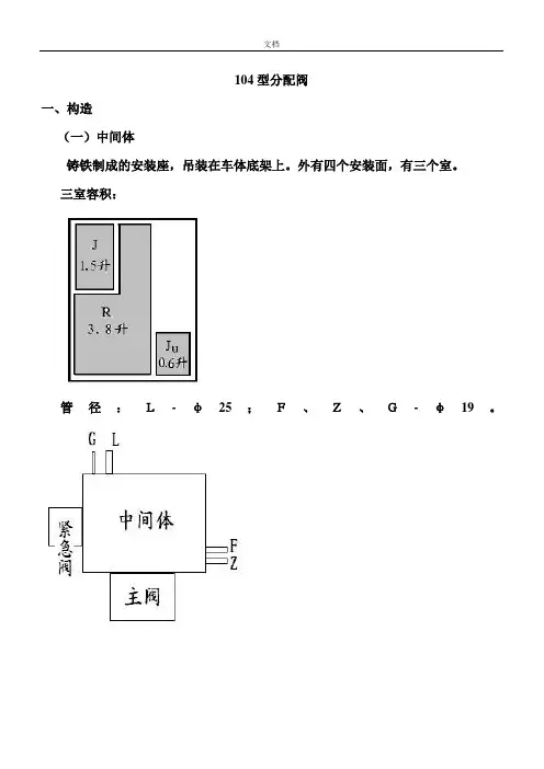
104型分配阀一、构造(一)中间体铸铁制成的安装座,吊装在车体底架上。
外有四个安装面,有三个室。
三室容积:管径:L-φ25;F、Z、G-φ19。
1、作用部用途:根据L与G的气压差,推动主活塞上下移动,使分配阀产生充气缓解、制动、保压等动作。
组成:主活塞、滑阀、节制阀、主阀体等。
组成:压板(上鞲鞴)、膜板、活塞(下鞲鞴)、活塞杆、稳定杆、稳定弹簧等。
主活塞上下受L、G气压作用。
根据二者的压力差,带动滑阀、节制阀一起移动,形成各个作用位置。
稳定弹簧,使滑阀动作稳定,保证制动机“稳定性”良好。
(2)节制阀局减联络沟l10(3)滑阀①顶面4孔②底面6孔1沟(103型8孔1沟)充气限制孔g1 充气孔l5 与g1暗通局减孔l6 局减孔l6 上下贯通局减室入孔l7 局减室入孔l7 上下贯通制动孔r1 制动孔r1 上下贯通局减阀孔l8 与l9通局减阀入孔l9 与l8通缓解联络沟d1③滑阀座顶面6孔制动管充气孔l2 制动管局减孔l3 局减室孔ju1局减阀孔z1 缓解孔d2 容积室孔r22、充气部用途:保证G与F能同步增压。
组成:充气活塞、充气阀、充气止回阀等。
(1)充气活塞、充气阀充气中,气压G>F时,充气活塞上移,顶开充气阀,使L向F充气;当气压G=F=L时,弹簧作用,关闭充气阀,L停止向F充气。
(2)充气止回阀防止F的气,向L逆流。
3、均衡部用途:根据R气压的变化,作用活塞上下移动,再通过作用阀,控制Z产生制动或缓解动作。
(作用活塞、作用阀,旧称:均衡活塞、均衡阀)组成:作用阀、作用活塞、缩孔堵Ⅱ。
用途:制动开始时,在第一阶段局减的基础上,形成第二阶段局减通路,使L 的部分气进入Z(50~70kPa),Z得到一个的跃升初压,提高列车的制动波速。
组成:阀杆、膜板、活塞、压圈、弹簧、阀盖等。
局减活塞:通Z,外通D。
局减阀杆:有轴向孔和两个φ3径向孔,与Z连通。
局减阀套:有八个φ1径向小孔。
制动初期,L部分气,由径向小孔进入Z,产生局减作用。
分配阀的工作原理分配阀是一种常见的工业控制设备,它在流体控制系统中起着重要的作用。
工作原理是指分配阀是如何实现流体的切换和控制的。
本文将从分配阀的结构、工作原理和应用等方面进行介绍。
我们来了解一下分配阀的结构。
分配阀通常由阀体、阀芯、驱动装置和控制系统等组成。
阀体是分配阀的外壳,具有进出口以及多个流道。
阀芯是阀体内部的核心部件,负责控制流体的流向。
驱动装置可以根据控制信号来驱动阀芯的运动,实现流体的切换和控制。
控制系统是分配阀的智能控制中枢,负责接收信号并控制驱动装置的工作。
接下来,我们来讨论一下分配阀的工作原理。
分配阀的工作原理基于流体力学和控制原理。
当控制系统接收到控制信号后,驱动装置将根据信号指令来驱动阀芯的运动。
阀芯的运动将改变流道的通路,从而实现流体的切换和控制。
具体而言,当阀芯处于某一位置时,流体将通过特定的流道流过,而其他流道则被阻断。
通过控制信号的变化,驱动装置可以调整阀芯的位置,进而改变流体的流向和流量。
分配阀的工作原理可以分为两种类型,即直动式和间接式。
直动式分配阀的驱动装置直接作用于阀芯,通过机械力来驱动阀芯的运动。
这种类型的分配阀结构简单、响应速度快,适用于一些要求较高的场合。
间接式分配阀的驱动装置则通过控制介质来驱动阀芯的运动。
这种类型的分配阀结构复杂,但可以实现更加精确的控制。
根据具体的应用场景和要求,可以选择不同类型的分配阀。
分配阀在工业生产中有着广泛的应用。
它可以用于控制流体的切换、分流、合流和调节,实现流体的控制和分配。
例如,在化工工艺中,分配阀可以用于控制不同物料的进出,确保工艺过程的顺利进行。
在液压系统中,分配阀可以用于控制液压缸的运动方向和速度,实现机械设备的精确控制。
在自动化生产线中,分配阀可以用于控制不同工位的流体供应,实现自动化生产的连续性和高效性。
除了上述应用外,分配阀还可以根据具体的需求进行定制和改进。
例如,可以设计多路分配阀来实现多个流体的控制和切换。
分配阀根据列车管内的压力变化来控XXX用风缸的充气和排气,并通过变向阀,作用阀的作用来实现机车的制动,保压或缓解。
分配阀在空气制动机中的重要性,如同人的心脏一样,如果一旦发生故障,则整个车辆空气制动机的作用就会完全失效,行车安全就没有保证。
分配阀(图1)分配阀的构造104 型空气分配阀由主阀、紧急阀和中间体三部分组成,主阀和紧急阀都是用螺栓与中间体连接。
中间体用螺栓安装在车底架上。
中间体中间体用铸铁铸成,外形呈长方体形,外部四个立面分别作为主阀、紧急阀安装座和制动管、工作风缸管、副风缸管、制动缸管的管座,内部为三个独立的空腔经通道与主阀座或紧急阀座相关孔连通。
中间体上紧急阀安装座在靠车体的外侧面,与紧急阀安装座相邻的右侧面为主阀安装座,与紧急阀安装座相邻的左侧面上方管座为工作风缸连接管座,下方为制动管连接管座,另一个侧面上方管座为副风缸连接管座,下方为制动缸连接管座。
中间体内有三个空腔,靠紧急阀安装座侧的上角部为1.5L的紧急室,下角部为0.6L的局减室,另有占中间体很大容积(3.8L)的容积室。
中间体主阀安装座面的列车管通路L上设有过滤性能、机械性能优越的杯形滤尘器。
中间体各通路及外形图(图2)主阀主阀是分配阀的心脏部件,它根据制动管不同的压力变化,控制制动机实现充气、缓解、制动、保压等作用。
主阀由作用部、充气部、均衡部、局减阀部、增压阀部等五部分组成。
主阀分解结构外形图(图3)紧急阀紧急阀是专为改善列车紧急制动性能而独立设置的。
动作、作用不受主阀部的牵制和影响。
紧急阀的功用是在紧急制动减压时,产生强烈的制动管紧急局部减压,加快制动管的排气速度,提高列车制动机紧急制动的灵敏度及可靠性,提高紧急制动波速,改善紧急制动性能。
紧急阀由紧急阀上盖、紧急活塞杆、密封圈、紧急活塞、紧急活塞膜板、紧急活塞压板、压板螺母、安定弹簧、放风阀座、紧急阀体、排气保护罩垫、排气垫铆钉、滤尘网、放风阀(橡胶夹心阀)、放风阀弹簧、放风阀导向杆、放风阀套、紧急阀下盖等组成。
分配器工作原理一、概述分配器是一种用于控制和分配流体介质的设备,广泛应用于工业生产和生活中的水、气、油等介质的分配和控制。
本文将详细介绍分配器的工作原理及其相关知识。
二、分配器的组成1. 主体结构:分配器通常由外壳、阀体、阀芯和连接件等部分组成。
外壳是分配器的外部保护结构,防止介质泄漏和外界环境对分配器的影响。
阀体是介质流通的主要通道,阀芯则是控制介质流通的关键部件。
2. 驱动装置:分配器的驱动装置可以是手动、电动、气动或液压等方式。
不同的驱动方式会影响分配器的工作效率和控制精度。
三、分配器的工作原理分配器的工作原理可以分为以下几个步骤:1. 分配器的启动当分配器接收到控制信号后,驱动装置将启动,驱动阀芯运动。
阀芯的运动方向和幅度取决于控制信号的类型和大小。
2. 阀芯的运动阀芯的运动会改变阀体内部的通道结构,从而改变介质的流通路径。
阀芯的运动可以是直线运动、旋转运动或复杂的多维运动,具体取决于分配器的设计和要求。
3. 介质的分配当阀芯运动到特定位置时,介质将被分配到不同的出口通道。
通过控制阀芯的位置,可以实现对介质的准确分配和控制。
4. 控制信号的反馈分配器通常会配备传感器或反馈装置,用于监测和反馈阀芯位置、介质流量、压力等参数。
这些反馈信号可以提供给控制系统,实现对分配器的闭环控制。
四、分配器的应用领域分配器广泛应用于各个行业和领域,如化工、石油、制药、食品、冶金、电力等。
具体应用包括以下几个方面:1. 流体分配:分配器可以将流体介质分配到不同的管道、设备或工艺单元,实现流体的控制和分配。
2. 流量调节:通过控制分配器的开度或阀芯位置,可以调节介质的流量大小,满足不同工艺要求。
3. 压力控制:分配器可以根据系统的需求,调节介质的进出口压力,保持系统在正常工作范围内。
4. 自动化控制:分配器可以与自动控制系统配合使用,实现对分配器的远程控制和自动化操作。
五、分配器的优势与挑战1. 优势:- 灵活性:分配器可以根据不同的工艺要求,实现对介质的准确分配和控制。
装载机分配阀工作原理
装载机分配阀是一种用于控制液压流动的阀门,主要用于装载机液压系统中不同液压油缸的分配功能。
它通过调节阀芯的位置来控制液压油的流向和流量。
装载机分配阀的工作原理如下:当液压系统处于工作状态时,液压泵会将液压油从油箱中抽吸出来,并通过管道输送到分配阀。
分配阀中的阀芯由液压压力推动,通过移动阀芯的位置,可以控制液压油的流向。
分配阀通常具有多个出口,每个出口都与一个液压油缸相连。
当液压油进入分配阀时,阀芯会根据设定的工作条件,将液压油分配到不同的出口上。
这样,通过控制阀芯的位置,就可以实现装载机液压系统中各个液压油缸的分配控制。
在分配阀中,一般还会设置一些辅助阀,如溢流阀和压力补偿阀。
溢流阀用于控制系统的最大工作压力,当液压系统中的压力超过设定值时,溢流阀会自动打开,将过压液压油回流到油箱中。
压力补偿阀用于调节液压系统的工作压力,当液压油缸的负载变化时,压力补偿阀会自动调节液压系统的工作压力,以保持油缸的正常工作。
总之,装载机分配阀通过调节阀芯的位置来控制液压油的流向和流量,实现装载机液压系统中各个液压油缸的分配控制。
它是装载机液压系统中非常重要的一个组成部分,能够提高装载机的工作效率和操作性能。
104型分配阀一、构造(一)中间体铸铁制成的安装座,吊装在车体底架上。
外有四个安装面,内有三个室。
三室容积:(二)主阀1、作用部用途:根据1与6的气压差,推动主活塞上下移动,使分配阀产生充气缓解、制动、保压等动作。
组成:主活塞、滑阀、节制阀、主阀体等。
2-紧各心阀(1)主活塞组成:压板(上鞲鞴)、膜板、活塞(下鞲鞴)、活塞杆、稳定杆、稳定弹簧等。
主活塞上下受L、G气压作用。
根据二者的压力差,带动滑阀、节制阀一起移动,形成各个作用位置。
稳定弹簧,使滑阀动作稳定,保证制动机“稳定性”良好。
局减联络沟110②底面6孔1沟充气孔15局减孔16局减室入孔17上下贯通制动孔ri局减阀孔18局减阀入孔19(2)节制阀 ⑶滑阀①顶面4孔 充气限制孔g1 局减孔16 局减室入孔17 制动孔ri (103型8孔1沟) 与g1暗通 上下贯通 上下贯通 与19内通与18内通 -1缓解联络沟di③滑阀座顶面6孔制动管充气孔12 制动管局减孔13 局减室孔ju1局减阀孔zi 缓解孔d2 容积室孔r22、充气部用途:保证G与F能同步增压。
组成:充气活塞、充气阀、充气止回阀等。
(1)充气活塞、充气阀充气中,气压6>尸时,充气活塞上移,顶开充气阀,使L向尸充气;当气压G = F = L时,弹簧作用,关闭充气阀,L停止向尸充气。
, (2)充气止回阀防止尸内的气,向L逆流。
图5 -8 1。
4 .型分配阀充气部1 一•充气阀体内一充气浏弹簧;3—充气冏(425橡胶夹心阀)必一充气阀座户一加5密局圈;6一充气活塞顶杆)-充气活塞然一充气膜根25S}:9一膜板垫;10一取5密封圈;11一•主阔上盖;1之一充气自可假盍:13—树0室划圈;14一充气止回阀弹黑45一充气上回阀{奴5栋胶夹心圈);16―充G止回周居.% 3、均衡部用途:根据区气压的变化,作用活塞上下移动,再通过作用阀,控制2产生制动或缓解动作。
(作用活塞、作用阀,旧称:均衡活塞、均衡阀)组成:作用阀、作用活塞、缩孔堵II。
f8分配阀作用原理f8分配阀是一种常用的液压控制元件,它的作用是控制液压系统中液压油的流向和压力。
下面将从原理、结构和应用等方面对f8分配阀进行详细介绍。
一、原理f8分配阀采用了溢流式结构,通过调节阀芯的位置来控制液压油的流向和压力。
当液压系统中的液压油流向f8分配阀时,阀芯会根据一定的控制信号调整其位置,从而改变液压油的流向。
当阀芯位于中位时,液压油会通过阀芯的中心孔流出,实现液压系统的中性位置。
当阀芯位于工作位置时,液压油会被导向到相应的液压执行元件,从而实现液压系统的工作动作。
二、结构f8分配阀由阀体、阀芯、弹簧和控制腔等部分组成。
阀体是f8分配阀的主体,内部有多个油孔和油槽用于导流和控制液压油的流向。
阀芯是f8分配阀的核心部件,通过阀芯的位置来控制液压油的流向和压力。
弹簧用于提供阀芯的回位力,保证阀芯在无控制信号时能够回到中位位置。
控制腔用于接收外部控制信号,通过调节控制腔内的压力来控制阀芯的位置。
三、应用f8分配阀广泛应用于液压系统中的各种工程机械、冶金设备、船舶设备、农机设备等。
它可以实现液压系统的流量分配、压力控制和动作协调等功能,提高液压系统的工作效率和可靠性。
在工程机械中,f8分配阀常用于控制液压缸的伸缩、转向系统的转向和液压马达的转速等。
在冶金设备中,f8分配阀常用于控制液压油缸的升降、前后倾斜和夹紧等。
在船舶设备中,f8分配阀常用于控制舵机的转向和液压泵的流量等。
在农机设备中,f8分配阀常用于控制液压油缸的升降和液压马达的转速等。
f8分配阀作为一种常用的液压控制元件,通过调节阀芯的位置来控制液压油的流向和压力,广泛应用于各种液压系统中。
它的结构简单、可靠性高,能够提高液压系统的工作效率和可靠性,同时也为各种工程机械、冶金设备、船舶设备和农机设备等提供了重要的液压控制手段。
104型客车空气分配阀一、104型分配阀作用原理104型空气制动机采用了具有间接作用方式的分配阀,在结构上通过增设有固定容积的工作风缸和容积室以及均衡部,来达到间接控制副风缸和制动缸作用的目的,亦即用列车管压力的变化来控制工作风缸和容积室的压力,再由工作风缸压力来控制副风缸的充气、和由容积室压力的变化来控制制动缸的充气、保压和排气。
104型分配阀作用原理如图(1-1)充气缓解时:列车管增压,列车管压力空气进入作用部主鞲鞲上部,推动主鞲鞲1带动节制阀3、滑阀2下移,到达充气缓解位。
列车管压力空气经滑阀2的充气孔向工作风缸充气。
同时进入充气膜下部,推动充气膜板6和充气鞲鞲7上移,鞲鞲顶杆推开充气阀8,使列车管压力空气经充气部向副风缸充气。
同时,容积室压力空气(制动作用后再充气时)经滑阀通路排入大气,容积室压力下降后均衡鞲鞲5下移,制动缸压力空气经均衡鞲鞲杆上的通路排入大气,使制动机缓解。
减压制动时(如图1-2)列车管减压,工作风缸压力空气推动主鞲鞲1带动节制阀3、滑阀2上移,到达制动位。
工作风缸压力空气经滑阀的制动孔进入容积室,容积室压力空气进入均衡鞲鞲下部,推动均衡鞲鞲5上移,均衡鞲鞲杆推开均衡阀4,使副风缸压力空气进入制动缸,产生制动作用,制动缸充气压力受容积室压力的控制。
104型分配阀结构特点:1.采用膜板——滑阀结构2.采用分部作用方式二、104型分配阀结构104型客车分配阀如图(1-3)由中间体4、主阀8和紧急阀1三部分组成。
中间体用螺栓吊装在车辆底架上,只在厂修和必须更换时才卸下。
主阀8和紧急阀1分别安装在中间体两个相邻的垂直面上。
检修时可分别卸下。
1.中间体中间体是铸铁件,它的四个垂直面分别用作主阀、紧急阀和各连接管的安装座面。
中间体内有三个空腔:容积室(3.5升)、紧急室(1.5 升)和局减室(0.6升)。
在中间体内主阀安装面的列车管通路内装有一个滤尘器。
用以防止压力空气中的水分、尘垢等杂质进入主阀体内。
分配阀原理分配阀是液压系统中的一种重要元件,它的作用是根据系统的需要,将液压油分配到不同的执行元件中,从而控制执行元件的运动方向、速度和力。
分配阀的工作原理是通过控制阀芯的运动,改变液压油的流动通道,从而实现对液压系统的控制。
分配阀的工作原理主要包括阀芯的运动控制、流体流动控制和压力控制三个方面。
首先,阀芯的运动控制是分配阀工作的基础。
阀芯是分配阀中的关键部件,它的运动决定了液压油的流动通道。
当阀芯处于不同的位置时,液压油的流动通道也会发生相应的改变,从而实现对执行元件的控制。
阀芯的运动通常是由液压驱动的,通过控制液压马达或电磁铁的工作,使阀芯产生相应的运动,从而改变液压油的流动通道。
其次,流体流动控制是分配阀工作的关键环节。
分配阀通过改变液压油的流动通道,实现对执行元件的控制。
在液压系统中,液压油的流动通常是通过管道、油缸和阀口等部件来实现的。
分配阀通过控制这些部件的开关,改变液压油的流动路径,从而实现对执行元件的控制。
最后,压力控制是分配阀工作的重要功能之一。
在液压系统中,液压油的压力是由泵站提供的,而分配阀则负责将这种压力分配到不同的执行元件中。
在执行元件工作时,需要根据具体的工作要求来调节液压油的压力,以保证执行元件的正常工作。
分配阀通过控制液压油的流动通道,实现对液压油压力的调节,从而满足不同的工作要求。
总的来说,分配阀的工作原理是通过控制阀芯的运动,改变液压油的流动通道,实现对液压系统的控制。
在实际应用中,分配阀的工作原理对液压系统的性能和工作效率有着重要的影响,因此在设计和选择分配阀时,需要充分考虑其工作原理和性能参数,以确保液压系统的正常工作和安全运行。
分配阀的工作原理虽然复杂,但通过对其结构和工作原理的深入理解,可以更好地应用于液压系统中,实现对执行元件的精确控制,提高液压系统的工作效率和可靠性。
06分配阀主阀部紧急限压阀结构原理06分配阀主阀部紧急限压阀是一种用于水力系统中的阀门,它的作用是在系统压力超过设定值时及时切断液压流量,以保护系统的安全运行。
本文将详细介绍06分配阀主阀部紧急限压阀的结构原理。
06分配阀主阀部紧急限压阀由阀体、阀芯、弹簧、限压锥形阀、导向套、密封圈等组成。
它的结构如下:1.阀体:阀体是紧急限压阀的外壳,通常由铸铁、铸钢等材料制成。
阀体内部有液压油口和出口。
2.阀芯:阀芯是紧急限压阀的关键部件,它的位置决定了阀门的开启和关闭状态。
阀芯通常由高强度的合金钢材料制成,表面经过热处理,具有较高的硬度和耐磨性。
3.弹簧:弹簧通常用于控制阀芯的位置,使阀门能够在设定的压力范围内工作。
弹簧的刚度和压缩力决定了阀门的紧急限压值。
4.限压锥形阀:限压锥形阀是紧急限压阀的控制元件,它的位置决定了供液油口和出油口之间的通道是否开启。
限压锥形阀也起到限压作用,当系统压力超过设定值时,限压锥形阀将关闭通道,切断液压流量。
5.导向套:导向套通常用于引导阀芯的运动轨迹,使其保持准确的位置。
导向套通常由耐磨塑料或合金材料制成,具有较好的润滑性和刚度。
6.密封圈:密封圈用于防止液压油泄漏,在阀体和阀芯之间形成密封,确保阀门的正常工作。
紧急限压阀的工作原理如下:当液压系统的压力超过设定值时,系统内部的液压力将克服弹簧的压缩力,推动阀芯向下运动。
阀芯向下运动时,限压锥形阀会与阀芯的端面接触,并逐渐关闭通道,切断液压流量。
当压力恢复正常时,弹簧的压缩力将再次推动阀芯向上运动,使限压锥形阀离开阀芯,恢复通道的开启状态。
紧急限压阀的主要特点如下:1.设定灵敏:弹簧的压缩力可以根据需要进行调整,确保阀门能够在设定的压力范围内工作。
2.高可靠性:紧急限压阀采用优质的材料和密封技术,能够在恶劣环境下正常工作,保证系统的可靠性。
3.快速切断:紧急限压阀能够在压力超过设定值时立即切断液压流量,有效保护系统的安全运行。
农机分配阀的工作原理农机分配阀又称为农田水利分配阀,是一种用于农田灌溉系统中的水流控制装置。
其工作原理是通过控制阀门的开启和关闭,调节水源流量,实现对农田灌溉水量的分配和调节。
农机分配阀由阀体、阀座、阀板、驱动装置等组成。
阀体通常采用铸铁或钢材制成,具有一定的强度和耐腐蚀性。
阀座是密封阀门的重要部件,通常采用橡胶或聚四氟乙烯等材料制成,具有良好的密封性能。
阀板是分配阀的关键部件,可以根据需要调节阀门的开启程度,从而控制流量。
分配阀的工作原理如下:1. 开启阀门:当需要开始灌溉时,驱动装置作用于阀板,使阀板离开阀座,水流可以通过阀体进入灌溉系统。
驱动装置可以是手动操控的,也可以是自动控制的。
自动控制的驱动装置可以根据预设的灌溉计划和实际需求,调节分配阀的开启程度,以实现智能化的灌溉控制。
2. 调节流量:阀板离开阀座后,水流可以通过阀体进入灌溉系统,流量的大小取决于阀板的开启程度。
通过调节阀板的开启程度,可以控制灌溉系统中的水流量,从而实现对农田灌溉水量的精确分配和调节。
3. 关闭阀门:当灌溉完成或需要终止灌溉时,驱动装置作用于阀板,使阀板重新贴合阀座,阻断水流。
阀门关闭后,阀体与灌溉系统之间断开,停止水流的供给。
农机分配阀的工作原理可以通过以下步骤总结:1. 驱动装置作用于阀板,使阀板离开阀座。
2. 水流可以通过阀体进入灌溉系统,流量大小由阀板的开启程度决定。
3. 驱动装置根据需求调节阀板的开启程度,实现对水流量的分配和调节。
4. 灌溉完成或需要终止灌溉时,驱动装置作用于阀板,使阀板重新贴合阀座,阻断水流。
农机分配阀是农田灌溉系统中重要的控制装置,通过精确地控制水流量的分配和调节,可以实现灌溉水资源的合理利用,提高农田灌溉的效率和水分利用率。
随着农田灌溉技术的发展和智能化水利设备的应用,农机分配阀的工作原理也将不断完善和创新,以满足农田灌溉的需求。
分配阀根据列车管内的压力变化来控制作用风缸的充气和排气,并通过变向阀,作用阀的作用来实现机车的制动,保压或缓解。
分配阀在空气制动机中的重要性,如同人的心脏一样,如果一旦发生故障,则整个车辆空气制动机的作用就会完全失效,行车安全就没有保证。
分配阀(图1)
分配阀的构造
104 型空气分配阀由主阀、紧急阀和中间体三部分组成,主阀和紧急阀都是用螺栓与中间体连接。
中间体用螺栓安装在车底架上。
中间体
中间体用铸铁铸成,外形呈长方体形,外部四个立面分别作为主阀、紧急阀安装座和制动管、工作风缸管、副风缸管、制动缸管的管座,内部为三个独立的空腔经通道与主阀座或紧急阀座相关孔连通。
中间体上紧急阀安装座在靠车体的外侧面,与紧急阀安装座相邻的右侧面为主阀安装座,与紧急阀安装座相邻的左侧面上方管座为工作风缸连接管座,下方为制动管连接管座,另一个侧面上方管座为副风缸连接管座,下方为制动缸连接管座。
中间体内有三个空腔,靠紧急阀安装座侧的上角部为1.5L的紧急室,下角部为0.6L的局减室,另有占中间体很大容积(3.8L)的容积室。
中间体主阀安装座面的列车管通路L上设有过滤性能、机械性能优越的杯形滤尘器。
中间体各通路及外形图(图2)
主阀
主阀是分配阀的心脏部件,它根据制动管不同的压力变化,控制制动机实现充气、缓解、制动、保压等作用。
主阀由作用部、充气部、均衡部、局减阀部、增压阀部等五部分组成。
主阀分解结构外形图(图3)
紧急阀
紧急阀是专为改善列车紧急制动性能而独立设置的。
动作、作用不受主阀部的牵制和影响。
紧急阀的功用是在紧急制动减压时,产生强烈的制动管紧急局部减压,加快制动管的排气速度,提高列车制动机紧急制动的灵敏度及可靠性,提高紧急制动波速,改善紧急制动性能。
紧急阀由紧急阀上盖、紧急活塞杆、密封圈、紧急活塞、紧急活塞膜板、紧急活塞压板、压板螺母、安定弹簧、放风阀座、紧急阀体、排气保护罩垫、排气垫铆钉、滤尘网、放风阀(橡胶夹心阀)、放风阀弹簧、放风阀导向杆、放风阀套、紧急阀下盖等组成。
紧急阀分解结构外形图(图4)。