104型分配阀结构原理图教学文稿
- 格式:doc
- 大小:2.14 MB
- 文档页数:16
104型分配阀主阀作用原理初充气在车辆各风缸都没有压力空气的时候,通过列车管给工作风缸和副风缸充气,叫初充气。
列车管压力空气通过中间体进入主阀L孔,到达增压阀上腔L12,L12处有三个空气通路。
一路经阀体暗道进入滑阀座L2孔;第二路经阀体暗道进入滑阀座L3孔;第三路经阀体暗道进入主阀与上盖安装面的L1孔,再经过上盖暗道到达主活塞上腔,使主活塞下移,直至主活塞下压板贴紧在阀体上,之后压力空气经上盖暗道、上盖与充气部接触面的L11孔、充气部暗道到达止回阀下部。
主活塞的移动带动节制阀、滑阀移动,使滑阀上的L5孔对正滑阀座上的L2孔,L6孔对正滑阀座上的L3孔,节制阀与滑阀上表面节制阀座G1孔露出,与作用部腔体相通,L6孔与L7孔被节制阀遮盖,这样,到达滑阀座L3孔的压力空气进入滑阀L6孔被节制阀遮盖,为第一阶段局部减压做好准备。
到达滑阀座L2孔的压力空气进入滑阀L5孔,经阀体暗道到达滑阀上表面节制阀座的G1孔,进入作用部腔体,再经作用部腔内G2孔进入阀体暗道,在阀体内分为两路。
一路经过主阀安装面的G孔,给工作风缸充气;一路经阀体与上盖安装面的G3孔进入充气膜板下部。
当压力达到一定后,推动充气膜板变形,充气膜板推动充气活塞克服充气弹簧弹力,顶开充气阀。
前期到达止回阀下部的空气在压力达到一定后,克服止回阀弹簧弹力,顶开止回阀,进入止回阀上侧F1孔,再经充气部暗道,到达充气阀上侧F2孔,沿打开的充气阀与充气阀座间隙进入充气膜板上侧,再经充气部暗道,主阀上盖暗道,主阀与上盖面的F3孔进入阀体暗道,在阀体内分为三路。
一路经阀体暗道到达主阀安装面的F孔,给副风缸充气;第二路经阀体暗道到达均衡部腔内,均衡阀与均衡阀密封圈之间F4;第三路经阀体暗道到达增压阀套外侧环形间隙F5,再经增压阀套8个镜像小孔进入增压阀套腔内,增压阀两个密封圈之间。
这样,副风缸和工作风缸都开始充气,在一定的时间后,工作风缸和副风缸都充至定压后,止回阀上下压差失去,止回阀被止回阀弹簧压回到止回阀座上,充气膜板上下压差失去,充气活塞受重力作用回落到初始位置,充气阀被充气弹簧压回到充气阀座上,关闭了列车管到副风缸的通路,充气结束。
104阀工作原理小伙伴们!今天咱们来唠唠104阀这个超有趣的东西的工作原理呀。
104阀呢,就像是一个超级有秩序的小管家,在列车的制动系统里起着至关重要的作用。
你可以把列车想象成一个超级大的玩具车,但是这个玩具车可不能随便乱跑,得有个厉害的东西来控制它的速度,让它稳稳当当的,这时候104阀就闪亮登场啦。
104阀有个很重要的部分,那就是它的主活塞。
这个主活塞呀,就像个调皮又听话的小娃娃。
当列车管的压力发生变化的时候呢,就好像有人在跟这个小娃娃说“情况变啦,你得做点什么啦”。
如果列车管的压力降低,主活塞下面的压力就比上面小了,就像下面有个小怪兽在拉它,这个主活塞就会向下移动。
这一移动可不得了,就像是打开了一扇魔法大门。
主活塞向下移动的时候,会带动一系列的小部件开始工作。
比如说,它会让制动缸的通路打开。
制动缸就像是列车的小脚丫,当这个通路打开后,压力空气就会冲进制动缸里。
就像给小脚丫注入了力量,然后小脚丫就开始工作啦,也就是制动缸开始推动闸瓦去抱紧车轮。
这时候车轮就像被一个温柔又有力的大手抱住了一样,列车的速度就慢慢降下来了。
再说说104阀里的缓解作用吧。
当列车管的压力又升高的时候,就像是给主活塞传递了一个“好啦,放松啦”的信号。
主活塞就像听到了美妙的音乐,开始往上移动。
这一往上移动呀,制动缸通向大气的通路就被打开了。
制动缸里的压力空气就像一群着急回家的小精灵,纷纷跑向大气。
闸瓦呢,就像松开了紧紧握住车轮的小手,列车就可以轻松愉快地继续跑起来啦。
104阀里还有一些其他的小零件,它们就像一群小助手一样。
比如说节制阀,它就像个小裁判,在压力空气流动的时候,决定哪些空气可以去哪里,哪些要等等。
还有紧急阀,这个紧急阀就像个超级英雄。
当列车遇到紧急情况,比如突然发现前面有个大障碍物的时候,紧急阀就会迅速做出反应。
它会让列车管的压力快速下降,让主活塞更快地向下移动,这样制动缸就能更快地抱紧车轮,让列车在最短的时间内停下来,就像超级英雄在千钧一发之际拯救世界一样。
1.论文封面武汉铁路职业技术学院毕业论文课题名称104型分配阀系部机车车辆工程系专业铁道机车车辆班级车辆091指导教师何洲红学生姓名翟小春学号********二○一二年五月2. 摘要摘要随着我国准高速和高速旅客列车的广泛使用,列车提速范围不断扩大,为了使列车在有效的制动距离内获得较大的制动力,需要制动机具备优良,准确、灵敏的制动缓解性能。
在列车实施制动、缓解操纵时,编组中每辆车的制动、缓解、保压等过程同步进行,能够减少制动和缓解过程中的列车纵向冲动,提高旅客列车运行的平稳性和列车操纵的灵活性。
而控制制动机形成充气缓解、常用制动、制动保压、紧急制动等各种不同的作用位置的就是104型分配阀。
如果104型分配阀故障,会导致旅客列车在运行途中制动机缓解不良,车辆长时间抱闸,严重时造成车轮踏面擦伤,可能引起车辆脱线等行车事故,给旅客运输工作带来严重后果。
为了杜绝这样的事故出现,这就需要我们仔细研究104型分配阀在制造、检修和运用过程中出现的各种故障,分析其原因,以便解决问题。
【关键词】高速制动机 104型分配阀紧急制动充气缓解保压3.论文目录目录一、104型空气分配阀构造....................................... (一)中间体................................................... (二)主阀..................................................... (三)紧急阀...................................................二、104型空气分配阀作用原理................................... (一)充气缓解位................................................ (二)常用制动位................................................ (三)制动保压位................................................. (四)紧急制动位.................................................一、104型空气分配阀构造(一)中间体中间体用铸铁铸成长方体结构,用以安装主阀、紧急阀及构成内部通路和作用容积,并把分配阀安装于车体。
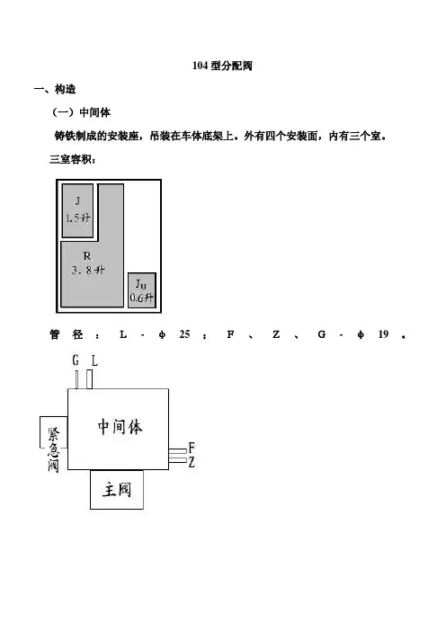
104型分配阀一、构造(一)中间体铸铁制成的安装座,吊装在车体底架上。
外有四个安装面,有三个室。
三室容积:管径:L-φ25;F、Z、G-φ19。
1、作用部用途:根据L与G的气压差,推动主活塞上下移动,使分配阀产生充气缓解、制动、保压等动作。
组成:主活塞、滑阀、节制阀、主阀体等。
组成:压板(上鞲鞴)、膜板、活塞(下鞲鞴)、活塞杆、稳定杆、稳定弹簧等。
主活塞上下受L、G气压作用。
根据二者的压力差,带动滑阀、节制阀一起移动,形成各个作用位置。
稳定弹簧,使滑阀动作稳定,保证制动机“稳定性”良好。
(2)节制阀局减联络沟l10(3)滑阀①顶面4孔②底面6孔1沟(103型8孔1沟)充气限制孔g1 充气孔l5 与g1暗通局减孔l6 局减孔l6 上下贯通局减室入孔l7 局减室入孔l7 上下贯通制动孔r1 制动孔r1 上下贯通局减阀孔l8 与l9通局减阀入孔l9 与l8通缓解联络沟d1③滑阀座顶面6孔制动管充气孔l2 制动管局减孔l3 局减室孔ju1局减阀孔z1 缓解孔d2 容积室孔r22、充气部用途:保证G与F能同步增压。
组成:充气活塞、充气阀、充气止回阀等。
(1)充气活塞、充气阀充气中,气压G>F时,充气活塞上移,顶开充气阀,使L向F充气;当气压G=F=L时,弹簧作用,关闭充气阀,L停止向F充气。
(2)充气止回阀防止F的气,向L逆流。
3、均衡部用途:根据R气压的变化,作用活塞上下移动,再通过作用阀,控制Z产生制动或缓解动作。
(作用活塞、作用阀,旧称:均衡活塞、均衡阀)组成:作用阀、作用活塞、缩孔堵Ⅱ。
用途:制动开始时,在第一阶段局减的基础上,形成第二阶段局减通路,使L 的部分气进入Z(50~70kPa),Z得到一个的跃升初压,提高列车的制动波速。
组成:阀杆、膜板、活塞、压圈、弹簧、阀盖等。
局减活塞:通Z,外通D。
局减阀杆:有轴向孔和两个φ3径向孔,与Z连通。
局减阀套:有八个φ1径向小孔。
制动初期,L部分气,由径向小孔进入Z,产生局减作用。
分配阀根据列车管内的压力变化来控XXX用风缸的充气和排气,并通过变向阀,作用阀的作用来实现机车的制动,保压或缓解。
分配阀在空气制动机中的重要性,如同人的心脏一样,如果一旦发生故障,则整个车辆空气制动机的作用就会完全失效,行车安全就没有保证。
分配阀(图1)分配阀的构造104 型空气分配阀由主阀、紧急阀和中间体三部分组成,主阀和紧急阀都是用螺栓与中间体连接。
中间体用螺栓安装在车底架上。
中间体中间体用铸铁铸成,外形呈长方体形,外部四个立面分别作为主阀、紧急阀安装座和制动管、工作风缸管、副风缸管、制动缸管的管座,内部为三个独立的空腔经通道与主阀座或紧急阀座相关孔连通。
中间体上紧急阀安装座在靠车体的外侧面,与紧急阀安装座相邻的右侧面为主阀安装座,与紧急阀安装座相邻的左侧面上方管座为工作风缸连接管座,下方为制动管连接管座,另一个侧面上方管座为副风缸连接管座,下方为制动缸连接管座。
中间体内有三个空腔,靠紧急阀安装座侧的上角部为1.5L的紧急室,下角部为0.6L的局减室,另有占中间体很大容积(3.8L)的容积室。
中间体主阀安装座面的列车管通路L上设有过滤性能、机械性能优越的杯形滤尘器。
中间体各通路及外形图(图2)主阀主阀是分配阀的心脏部件,它根据制动管不同的压力变化,控制制动机实现充气、缓解、制动、保压等作用。
主阀由作用部、充气部、均衡部、局减阀部、增压阀部等五部分组成。
主阀分解结构外形图(图3)紧急阀紧急阀是专为改善列车紧急制动性能而独立设置的。
动作、作用不受主阀部的牵制和影响。
紧急阀的功用是在紧急制动减压时,产生强烈的制动管紧急局部减压,加快制动管的排气速度,提高列车制动机紧急制动的灵敏度及可靠性,提高紧急制动波速,改善紧急制动性能。
紧急阀由紧急阀上盖、紧急活塞杆、密封圈、紧急活塞、紧急活塞膜板、紧急活塞压板、压板螺母、安定弹簧、放风阀座、紧急阀体、排气保护罩垫、排气垫铆钉、滤尘网、放风阀(橡胶夹心阀)、放风阀弹簧、放风阀导向杆、放风阀套、紧急阀下盖等组成。
104型分配阀一、构造(一)中间体铸铁制成的安装座,吊装在车体底架上。
外有四个安装面,内有三个室。
三室容积:管径:L-φ25;F、Z、G-φ19。
1、作用部用途:根据L与G的气压差,推动主活塞上下移动,使分配阀产生充气缓解、制动、保压等动作。
组成:主活塞、滑阀、节制阀、主阀体等。
组成:压板(上鞲鞴)、膜板、活塞(下鞲鞴)、活塞杆、稳定杆、稳定弹簧等。
主活塞上下受L、G气压作用。
根据二者的压力差,带动滑阀、节制阀一起移动,形成各个作用位置。
稳定弹簧,使滑阀动作稳定,保证制动机“稳定性”良好。
(2)节制阀局减联络沟l10(3)滑阀①顶面4孔②底面6孔1沟(103型8孔1沟)充气限制孔g1 充气孔l5 与g1暗通局减孔l6 局减孔l6 上下贯通局减室入孔l7 局减室入孔l7 上下贯通制动孔r1 制动孔r1 上下贯通局减阀孔l8 与l9内通局减阀入孔l9 与l8内通缓解联络沟d1③滑阀座顶面6孔制动管充气孔l2 制动管局减孔l3 局减室孔ju1局减阀孔z1 缓解孔d2 容积室孔r22、充气部用途:保证G与F能同步增压。
组成:充气活塞、充气阀、充气止回阀等。
(1)充气活塞、充气阀充气中,气压G>F时,充气活塞上移,顶开充气阀,使L向F充气;当气压G=F=L时,弹簧作用,关闭充气阀,L停止向F充气。
(2)充气止回阀防止F内的气,向L逆流。
3、均衡部用途:根据R气压的变化,作用活塞上下移动,再通过作用阀,控制Z产生制动或缓解动作。
(作用活塞、作用阀,旧称:均衡活塞、均衡阀)组成:作用阀、作用活塞、缩孔堵Ⅱ。
用途:制动开始时,在第一阶段局减的基础上,形成第二阶段局减通路,使L 的部分气进入Z(50~70kPa),Z得到一个的跃升初压,提高列车的制动波速。
组成:阀杆、膜板、活塞、压圈、弹簧、阀盖等。
局减活塞:内通Z,外通D。
局减阀杆:有轴向孔和两个φ3径向孔,与Z连通。
局减阀套:有八个φ1径向小孔。
制动初期,L部分气,由径向小孔进入Z,产生局减作用。
第五章 104型及103型分配阀103型及104型分配阀是我国于1965年开始,针对三通阀的结构和性能不能适应铁路运输的发展需要,由铁道郡科学研究院与齐齐哈尔车辆工厂研制的新型货车、客车车辆制动分配阀。
以其结构性能的较先进性作为三通阀的取代品。
第一节 104型、103型分配阀结构特点及作用原理104型及103型分配阀分别于1975年和1978年先后通过铁道部技术鉴定并批准定型生产。
自20世纪70年代中期至90年代中期,新造客货车辆或改造车辆的空气制动装置均由分配阀取代了三通阀。
一、103型及104型分配阀的作用、结构特点(一)二种压力控制:为了适应与旧型制动机无条件混编,采用压力风缸及制动管的两种压力控制作用,以相当于三通阀的副风缸及制动管的两种压力控制。
即依靠制动管压力变化引起与压力风缸的压力差来产生相应的动作控制制动机的充气缓解、减速充气和减速缓解、常用制动、制动保压和紧急制动等基本作用,便于司机按传统习惯进行列车制动机各作用性能的操纵,并满足在考虑提高性能的同时能使各作用压力、时间参数等方面巧三通阀相协调,以保证与旧型制动机的混编。
(二)间接作用方式:三通阀采用直接作用方式,这样的结构比较简单,缺点是一种型号的三通阀只能与固定尺寸的制动缸和副风缸配套使用,且无自动补风作用。
分配阀采用了间接作用方式,即在结构上增设了压力风缸、容积室和均衡部,在作用上用制动缸的压力变化控制分配阀的作用。
充气时,由压力风缸的压力控制副风缸的充气,制动时,压力风缸压缩空气进入有固定容积的容积室,再通过均衡部由容积室的压力控制制动缸的压力。
(三)采用分部作用方式:常用制动与紧急制动作用分开,专设一紧急阀控制紧急制动作用。
(四)采用膜板——滑阀结构:1、客车104型和货车103型分配阀各零部件尽量地做到了统一互换,通用件多,减少了零件的规格,使制造和检修均较方便。
2、除采用S形和其他形式的橡胶膜板代替金属活塞环结构以外,大量采用橡胶夹心阀和各种0形橡胶密封圈来代替金属密封件,从而减少了工作阻力,并减小了金属件的磨耗,减轻了研磨工作量。
铁路客车104型空气分配阀作者 王乐雨内容提要:本文叙述了铁路客车104型空气分配阀构造、作用原理及其维护,重点介绍了104型空气分配阀构造和作用原理,对104型空气分配阀的学习了解将有积极的帮助。
※ ※ ※1概述我国自1865年开始创办铁路以来,在解放以前使用的机车、车辆几乎完全依赖进口。
制动机是车辆上比较精密的部件,在解放前,非但制动机的设计和制造被认为很神秘而不敢问津,就是维修保养方面也没有一套完整的设备、制度和办法;更换用的配件也多依赖进口。
车辆制动机来自各个国家,均为二十年代及二十年代以前的产品,制动机的形式落后而复杂,存在制动波速低,制动灵敏度差,紧急制动作用不可靠,制动力弱,在检修方面需要研磨的金属零件多,检修周期短,并且检修技术要求高等缺点。
解放后,我国铁路科学技术人员虽然对旧型制动机进行了不少的技术改造(如研制成功GK型和GL3型三通阀),但基本性能未变,存在的上述问题仍未得到很好的解决,不能满足我国铁路运输迅速发展的需要。
为了改变我国车辆制动机的落好面貌,铁道部在1962年提出研制任务,1965年组织科研、制造、运用等有关部门和单位,开始设计并试制103型货车空气分配阀,在1966年至1968年间作完室内静止试验后装车,进行了单车鉴定,耐寒、耐热性能试验,专列和混编试验,以及平道和坡道上运行试验等一系列的专项试验与运行试验,取得了比较良好的成果。
在这个基础上,紧接着又进行设计和试制104型客车空气分配阀,并在上海、广州两局装车作运用试验。
1973年铁道部在上海召开104型空气分配阀扩大运用会议后,在上海等八局的十七列旅客列车上装用104型分配阀,经过进一步的试验,根据制造、试验、运用中发现的问题,于1974又作了局部修改。
改进后,不仅保留了原结构的优良性能,而且装车检修也比较方便,制造工艺也很大的改进,阀的总重量也大大地减轻了。
铁道部科学技术委员会、机车车辆局和工业局在1975年11月召开会议,对改进后的104型空气分配阀进行了技术鉴定,并经铁道部批准定型生产,在旅客列车上推广使用。
第五章 104型及103型分配阀103型及104型分配阀是我国于1965年开始,针对三通阀的结构和性能不能适应铁路运输的发展需要,由铁道郡科学研究院与齐齐哈尔车辆工厂研制的新型货车、客车车辆制动分配阀。
以其结构性能的较先进性作为三通阀的取代品。
第一节 104型、103型分配阀结构特点及作用原理104型及103型分配阀分别于1975年和1978年先后通过铁道部技术鉴定并批准定型生产。
自20世纪70年代中期至90年代中期,新造客货车辆或改造车辆的空气制动装置均由分配阀取代了三通阀。
一、103型及104型分配阀的作用、结构特点(一)二种压力控制:为了适应与旧型制动机无条件混编,采用压力风缸及制动管的两种压力控制作用,以相当于三通阀的副风缸及制动管的两种压力控制。
即依靠制动管压力变化引起与压力风缸的压力差来产生相应的动作控制制动机的充气缓解、减速充气和减速缓解、常用制动、制动保压和紧急制动等基本作用,便于司机按传统习惯进行列车制动机各作用性能的操纵,并满足在考虑提高性能的同时能使各作用压力、时间参数等方面巧三通阀相协调,以保证与旧型制动机的混编。
(二)间接作用方式:三通阀采用直接作用方式,这样的结构比较简单,缺点是一种型号的三通阀只能与固定尺寸的制动缸和副风缸配套使用,且无自动补风作用。
分配阀采用了间接作用方式,即在结构上增设了压力风缸、容积室和均衡部,在作用上用制动缸的压力变化控制分配阀的作用。
充气时,由压力风缸的压力控制副风缸的充气,制动时,压力风缸压缩空气进入有固定容积的容积室,再通过均衡部由容积室的压力控制制动缸的压力。
(三)采用分部作用方式:常用制动与紧急制动作用分开,专设一紧急阀控制紧急制动作用。
(四)采用膜板——滑阀结构:1、客车104型和货车103型分配阀各零部件尽量地做到了统一互换,通用件多,减少了零件的规格,使制造和检修均较方便。
2、除采用S形和其他形式的橡胶膜板代替金属活塞环结构以外,大量采用橡胶夹心阀和各种0形橡胶密封圈来代替金属密封件,从而减少了工作阻力,并减小了金属件的磨耗,减轻了研磨工作量。
104型分配阀结构原
理图
104型分配阀
一、构造
(一)中间体
铸铁制成的安装座,吊装在车体底架上。
外有四个安装面,内有三个室。
三室容积:
管径:L-φ25;F、Z、G-φ19。
(二)主阀
1、作用部
用途:根据L与G的气压差,推动主活塞上下移动,使分配阀产生充气缓解、制动、保压等动作。
组成:主活塞、滑阀、节制阀、主阀体等。
(1)主活塞
组成:压板(上鞲鞴)、膜板、活塞(下鞲鞴)、活塞杆、稳定杆、稳定弹簧等。
主活塞上下受L、G气压作用。
根据二者的压力差,带动滑阀、节制阀一起移动,形成各个作用位置。
稳定弹簧,使滑阀动作稳定,保证制动机“稳定性”良好。
(2)节制阀局减联络沟l10
(3)滑阀
①顶面4孔②底面6孔1沟(103型8孔1沟)充气限制孔g1 充气孔l5 与g1暗通
局减孔l6 局减孔l6 上下贯通
局减室入孔l7 局减室入孔l7 上下贯通
制动孔r1 制动孔r1 上下贯通
局减阀孔l8 与l9内通
局减阀入孔l9 与l8内通
缓解联络沟d1
③滑阀座顶面6孔
制动管充气孔l2 制动管局减孔l3 局减室孔ju1
局减阀孔z1 缓解孔d2 容积室孔r2
2、充气部
用途:保证G与F能同步增压。
组成:充气活塞、充气阀、充气止回阀等。
(1)充气活塞、充气阀
充气中,气压G>F时,充气活塞上移,顶开充气阀,使L向F充气;
当气压G=F=L时,弹簧作用,关闭充气阀,L停止向F充气。
(2)充气止回阀
防止F内的气,向L逆流。
3、均衡部
用途:根据R气压的变化,作用活塞上下移动,再通过作用阀,控制Z产生制动或缓解动作。
(作用活塞、作用阀,旧称:均衡活塞、均衡阀)组成:作用阀、作用活塞、缩孔堵Ⅱ。
4、局减阀
用途:制动开始时,在第一阶段局减的基础上,形成第二阶段局减通路,使L 的部分气进入Z(50~ 70kPa),Z得到一个的跃升初压,提高列车的制动波速。
组成:阀杆、膜板、活塞、压圈、弹簧、阀盖等。
局减活塞:内通Z,外通D。
局减阀杆:有轴向孔和两个φ3径向孔,与Z连通。
局减阀套:有八个φ1径向小孔。
制动初期,L部分气,由径向小孔进入Z,产生局减作用。
5、增压阀
用途:紧急制动时上移,使F的部分气直接进入R,增大了R的压力,从而增加了Z的压力。
(可增加Z压力10~15%。
)
组成:增压阀杆、阀弹簧、阀盖等。
原理:L气压下降→阀杆上移;F与R相通,则F的部分气→R;R气压上升→作用活塞下方气压上升→Z气压上升。
Z压力上升较大,车辆踏面擦伤多,已停用此功能。
(三)紧急阀
用途:紧急制动时,协助加快L排气速度,使紧急制动动作快速、灵敏、可靠。
组成:紧急活塞、安定弹簧、放风阀(阀座、导向杆、弹簧)等。
1、紧急活塞
上通J,下通L。
当二者压力差较大时,下移打开放风阀,使制动机紧急制动。
由活塞杆、活塞、膜板、压板及螺母等组成。
2、安定弹簧
常用制动时,限制紧急活塞下移,保证制动机的安定性良好。
3、放风阀
紧急制动时,将L的气排向D,产生强烈局减。
由阀、阀座、导向杆、弹簧、阀套组成。
4、紧急活塞杆上的三个限速缩孔
(1)轴向中心缩孔Ⅲ,φ1.6 制动时,限制J的气向紧急活塞下方的逆流速度,使常用制动、紧急制动稳定可靠。
缩孔过大,紧急制动不动作;
缩孔过小,制动灵敏度大——安定性不良。
(2)上端径向缩孔Ⅳ,φ0.5
充气时,限制L的气向J的充气速度,防止因过充而发生意外紧急制动。
(3)下部径向缩孔Ⅴ,φ1.2
紧急制动后,限制J的气向D的排放速度,使紧急制动作用安全可靠。
(要求紧急制动后,15秒左右结束排气。
缩孔过大,紧制不彻底,充气缓解纵向冲
击过大,易发生断钩;过小,影响再充气时间。
)。