设备一级保养记录表
- 格式:doc
- 大小:220.50 KB
- 文档页数:2
设备维护保养记录表格模板
表格内容
使用说明
1. 日期:填写维护保养的日期。
2. 设备编号:填写待维护保养设备的编号或名称。
3. 维护保养内容:记录对设备进行的具体维护和保养工作,如更换零件、清洁设备等。
4. 维护保养人:填写进行维护保养的人员姓名。
5. 备注:填写其他需要记录的信息,如设备异常情况、维修情况等。
使用建议
1. 定期进行设备维护保养,并按照实际情况填写记录表格。
2. 注意记录维护保养内容的具体细节,以便后续参考和分析。
3. 如有设备故障或异常情况,请立即记录并报告相关人员进行
处理。
4. 保持记录的整洁和准确性,以便更好地管理和维护设备。
以上是设备维护保养记录表格模板的内容和使用说明,希望对
您有所帮助。
如有任何疑问或需要进一步的帮助,请随时联系我们。
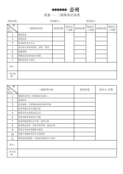
设备名称:被保养设备的名称或型号。
设备编号:用于识别设备的编号或标识符。
保养日期:进行保养的日期。
保养项目:所执行的具体保养项目,如清洁、润滑、校准、检查等。
保养内容:具体的保养工作内容描述。
保养人员:执行保养工作的人员姓名或标识符。
备注:额外的备注或说明。
这个表格可以用于记录设备的日常保养情况,包括保养日期、保养项目、保养内容、保养人员等关键信息。
通过记录和跟踪设备的保养记录,可以确保设备得到及时的维护和保养,提高设备的可靠性和使用寿命。
请注意,具体的表格内容和字段可能根据设备类型、保养要求和实际需求进行调整和扩展。
建议根据具体的设备保养实践和管理要求,设计符合自己需求的设备日常保养记录表格。
设备维护保养记录表(范本模板)维护保养记录表
维护保养记录
设备A
设备编号:001
维护日期:2022-01-01
维护内容:
- 清洁设备表面,保持设备整洁;
- 检查设备运行状况,确保设备正常工作;- 更换磨损部件,提高设备使用寿命;
- 添加润滑油,保证设备顺畅运转。
维护人员:张三
设备B
设备编号:002
维护日期:2022-01-02
维护内容:
- 清洁设备内部,防止积聚物影响正常运行;- 检查电路连接,确保信号传输正常;
- 校准传感器,提高测量准确性;
- 更换滤网,保证设备过滤效果。
维护人员:李四
设备C
设备编号:003
维护日期:2022-01-03
维护内容:
- 去除设备积聚物,防止设备堵塞;
- 检查设备刀具,确保切割效果良好;
- 检修传动系统,确保设备运转顺畅;
- 检查电气设备,避免电路故障。
维护人员:王五
结论
通过定期的设备维护保养,可以保证设备的正常运行,延长使用寿命,提高工作效率。
维护人员需要按照维护计划进行维护,并及时记录维护内容和维护日期,以便后续追踪和分析。
维护保养记录表用于记录每次维护保养的详细情况,方便管理和参考。
请根据实际情况进行填写和修改,确保维护保养记录表的准确性和完整性。