巴歇尔槽安装方法
- 格式:doc
- 大小:267.00 KB
- 文档页数:4
巴歇尔槽安装步骤及注意事项巴歇尔槽是一种用于处理废水、排污等液体的设备,常见于工业、农业和生活领域。
该设备具有高效、节能、环保等优点,安装过程中需要严格按照一定步骤进行操作,并注意一些注意事项,以确保设备的正常运行和安全使用。
一、巴歇尔槽安装步骤:1.选择合适的安装地点:首先需要选择一个相对平整、稳固的地点进行安装,以确保设备在使用过程中不会晃动或变形。
2.准备基础工作:根据巴歇尔槽的实际尺寸和重量,制定适当的基础方案,包括基础尺寸和配筋等。
然后在选择的安装地点上进行挖坑、埋设钢筋网和浇筑混凝土等基础工作。
3.槽体安装:槽体可以根据实际需要选择预制块、钢板、玻璃钢等材质,根据设备的尺寸和形状进行定制。
安装时,将槽体放置在基础上,并使用水平仪进行调整,确保安装水平。
4.连接管道:根据设备的实际需要,连接进水管、出水管、排气管等管道。
管道连接时,要确保密封性好、防止渗漏。
5.安装设备:根据不同实际需求,安装相应的设备,例如水泵、混合器、搅拌器等。
设备安装时,要注意设备的位置和安全使用。
6.电气连接:根据设备需要,进行电气连接。
连接前确保电源已经切断,安装电线时遵循电气接线规范,并进行好绝缘工作。
7.调试和试运行:安装完成后,进行设备的调试和试运行。
检查各个部件的连接和运行情况,确保设备能够正常运行。
8.验收和收尾工作:调试和试运行通过后,进行设备的最终验收,检测设备的性能和功能。
最后进行收尾工作,清理安装现场,保证设备的整洁。
二、巴歇尔槽安装注意事项:1.安装前务必了解设备的使用说明书和操作规程,熟悉设备的性能和操作方法。
2.安装时要保证槽体均匀受力,避免出现承重不均的情况。
根据设备的重量和基础的强度要求,制定合理的基础方案。
3.安装过程中要注意安全,穿戴好安全装备,严禁擅自操作、乱施工。
特别是在安装设备和连接管道时,要注意防止伤到手部。
4.在连接管道时,要使用相应的密封材料,确保密封性好,防止漏水和渗漏。
巴氏计量槽技术说明
1.1 用途:与明渠流量计配合使用,计量污水流量
1.2 供货范围
承包人提供的巴歇尔槽应是完整的成套装置,包括上游收缩段、短直喉道和下游扩散段三部分,所提供的设备必须是一个制造商的最终产品。
1.3设计和现场条件
(1)工作介质:通过介质为废水;
(2)安装方式:水池内安装;
(3)PH:6~9
1.4技术要求
1、巴歇尔槽的中心线要与渠道的中心线重合,使水流进入巴歇尔槽不出现偏流。
2、巴歇尔槽通水后,水的流态要自由流。
巴歇尔槽的淹没度要小于规定的临界淹没度。
3、巴歇尔槽安装在渠道上要牢固。
与渠道侧壁、渠底连结要紧密,不能漏水。
使水流全部流经巴歇尔槽的计量部位。
巴歇尔槽的计量部位是槽内喉道段。
1.5 主要零部件材料
(1)巴歇尔槽:不锈钢。
1.6设备的防腐
1、不锈钢件制作完毕后对其表面进行处理。
2、包装前对机加工面按GB4879标准要求做防腐处理。
3、运输安装过程中涂层破损,严格按涂装工艺进行修复,其质量水平不低于原涂层的质量水平。
1.7 设备检测
设备承包人应根据设备的性能要求对设备进行现场测试,证明其性能与要求的完全一致,达到用户的满意为止。
在试验完成之后,应向发包人递交合格的实验记录。
标准化废水排放口—巴歇尔堰槽安装使用说明书本文参照了中华人民共和国城镇建设行业标准《城市排水流量堰槽丈量标准—巴歇尔堰槽》CJ/—1993中的相关条目。
一、概括非满管状态流动的水道称作明渠(OpenChannel),丈量明渠中水流流量的仪表称作明渠流量计。
明渠流通剖面除圆形外,还有U形、梯形、矩形等多种形状。
水道按其形态分类,各形态以以下图所示。
ISO往常称之为满水管为关闭管道,流动是在水泵压力或高位槽位能作用下的逼迫流动。
明渠流则是靠水道自己坡度形成的自由表面流动。
满水管路自由表面的明渠自由表面的暗渠满水管路水道部分满水管路敞口明渠(习惯简称明渠)明渠(或非满管)渠道暗明渠(习惯简称暗渠)明渠流量计应用处全部城市供水引沟渠、火电厂冷却水引水和排沟渠、污水治理流入和排放渠、工矿公司废水排放以及水利工程和农业浇灌用渠道。
本文重点议论巴歇尔堰槽的安装和流量丈量的方法和仪表,不包含较大型的水利工程和农业浇灌用的流量丈量方法。
二、量水堰槽的测流量原理明渠内的流量越大,液位越高;流量越小,液位越低(拜见图1)。
关于一般的渠道,液位与流量没有确立的对应关系。
因为相同的水深,流量的大小,还与渠道的横截面积、坡度、粗拙度相关。
在渠道内安装量水堰槽(拜见图 2),因为堰的缺口或槽的缩口比渠道的横截面积小,所以,渠道上游水位与流量的对应关系主要取决于堰槽的几何尺寸。
相同的量水堰槽放在不一样的渠道上,相同的液位对应相同的流量。
量水堰槽把流量转成了液位。
经过丈量流经量水堰槽内水流的液位,能够依据相应量水堰槽的水位-流量关系,求出流量。
常用的量水堰槽种类如图2。
图1 量水堰槽把流量转变成液位图2 常用的量水堰种类量水堰槽的水位—流量关系能够从国家计量检定规程《明渠堰槽流量计》JJG711—1990中查到。
本文摘抄了一些常用的种类附后。
每种种类的量水堰槽,都有自己的固定水位—流量对应关系。
确立水位—流量关系时,三角堰要求要有渠道宽B、开吵嘴度、上游堰坎高p的参数;矩形堰要有渠道宽B、张口宽b、上游堰坎高p的参数;而巴歇尔槽只需求有喉道宽度的参数b。
巴歇尔槽安装方法巴歇尔槽是一种常见的工业设备,被广泛应用于化工、石油、制药、食品等行业中的储存和混合等操作。
它的安装过程关乎到设备的稳定性和使用效果,因此非常重要。
下面将详细介绍巴歇尔槽的安装方法。
1.确定安装地点:首先,需要确定巴歇尔槽的安装地点。
安装地点应远离易燃易爆物品,通风条件良好,便于操作和维护。
地基应平整牢固,能够承受槽的重量和运行时的振动。
2.准备工作:在安装巴歇尔槽之前,首先要完成准备工作。
包括准备所需的安装工具和固定设备的材料。
还需要对巴歇尔槽进行检查,确保没有破损和腐蚀等问题。
3.安装支座:槽体的安装需要用到支座,支座的选择要考虑槽体的重量和操作条件。
支座的数量和密度需要根据槽体的大小而确定。
安装支座时,应将其固定在安装位置上,确保支座与地基有良好的接触,稳定可靠。
4.安装巴歇尔槽:将巴歇尔槽悬挂在支座上,需要使用起重设备和吊索来完成。
在悬挂过程中,要注意保持槽体的平衡,避免槽体和支座的受力不均衡。
将槽体悬挂在支座上后,检查其位置和水平度,调整必要的位置。
5.连接管道:巴歇尔槽的安装还需要连接进出口管道。
在连接过程中,要确保管道的密封性和连接的牢固性。
根据设计要求和工艺过程,选择适当的材质和规格的管道与槽体连接。
6.安装附件:巴歇尔槽的安装还需要安装附件,如温度传感器、压力表、液位计等。
这些附件的选择和安装要根据设备的特点和要求进行。
安装附件时,要确保其与槽体的连接牢固,并按照说明书进行正确的接线和调试。
7.安装绝热层:针对需要保温的巴歇尔槽,还需要在槽体上安装绝热层。
绝热层的材料和厚度要根据工艺要求和使用环境进行选择。
绝热层的安装要保证其与槽体的接触紧密,无空隙。
安装绝热层后,进行密封处理,确保不会出现漏气或漏温现象。
8.安装支管和支架:巴歇尔槽在运行过程中,有些操作需要使用支管和支架进行辅助。
安装支管和支架时,要确保其与槽体的连接牢固,并满足操作的要求。
支管和支架的安装位置应合理,方便操作人员使用。
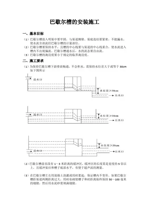
巴歇尔槽的安装施工
一、基本目标
(1)巴歇尔槽放入明渠中要牢固,与渠道侧壁、渠底连结要紧密,不能漏水,使水流全部流经巴歇尔槽的计量部位。
(2)巴歇尔槽要保持水平,且槽的中心线要与渠道的中心线重合,使水流进入槽内不出现偏流。
巴歇尔槽通水后,水的流态要自由流。
(3)巴歇尔槽的淹没度要小于规定的临界淹没度。
二、施工要求
(1)为保持巴歇尔槽下游排放畅通,不会积水,需保持水位差大于或等于30cm 如下图所示
(2)巴歇尔槽前直段有1~3米距离的缓冲区,缓冲区的长度需是宽度的5倍以上,且缓冲渠应和槽子底部水平,有便于超声波的测量。
(3)在巴歇尔槽左右用混凝土浇灌或用砖累起,保证槽内不变形。
如果巴歇尔槽距渠道两侧距离过大,用砖垒砌使槽子和砖距离始终保持50~100毫米的缝隙,然后用水泥砂浆填满缝隙。
巴氏槽安装标准
1.安装位置:巴氏槽应安装在干燥、通风、无灰尘和无异味的场所,远离有害气体和化学品。
同时,应该考虑到槽的运输和维护,以及饮用水的卫生安全。
2. 基础:巴氏槽安装之前应先确保基础能够承受槽体重量,且平整度好。
基础的深度和面积应符合设计要求,以确保槽体的稳定性和安全性。
3. 安装方式:巴氏槽应按照设计图纸要求进行安装,确保所有连接部位牢固可靠。
安装时,应先安装槽体,然后安装管道和配件,最后进行电气连接。
4. 连接管道:巴氏槽的进口和出口应安装阀门和接头,以方便检修和维护。
管道连接应采用焊接或螺纹连接,管道应清洗干净并进行消毒处理,以避免污染饮用水。
5. 电气接线:巴氏槽需要接通电源进行运行,电气接线应符合电气安装标准。
应注意接线的可靠性和安全性,并定期进行检查和维护。
6. 消毒处理:在巴氏槽安装完成后,应对槽体和管道进行消毒处理,以确保饮用水的卫生安全。
消毒剂的种类和使用方法应符合卫生部门的相关规定。
7. 维护保养:巴氏槽应进行定期的检查和维护,以确保其正常运行和安全性。
应注意清洁和消毒,及时更换易损件和维修损坏部位。
以上是巴氏槽安装标准的相关内容,希望能对相关从业人员提供
帮助,确保饮用水的卫生安全。
巴歇尔槽安装步骤及注意事项巴歇尔槽是一种常见的用于实验室和工业生产中的化学反应容器,其安装步骤及注意事项对于保证实验和生产的安全非常重要。
下面将详细介绍巴歇尔槽的安装步骤及注意事项。
一、巴歇尔槽的安装步骤:1. 准备工作:在安装巴歇尔槽之前,需要做好准备工作。
首先,检查槽体和配件是否完好无损,如有损坏应及时更换。
其次,清洁槽体和配件,确保其表面干净,并清除其中的尘土和杂质。
2. 安装配件:根据巴歇尔槽的设计要求,将配件装配到槽体上。
通常包括进料口、出料口、温度传感器口等。
注意在安装配件时要确保密封良好,以防泄漏。
3. 安装支架:将巴歇尔槽安装在支架上。
支架应稳固可靠,能够承受槽体及其中物质的重量。
安装时要注意调整支架的高度,使槽体与其他设备相适应。
4. 连接管道:根据实际需要,将巴歇尔槽与其他设备连接起来。
连接管道时要注意选择合适的材质和规格,并确保连接处密封可靠,以防泄漏。
5. 安装搅拌器:根据实验或生产需要,安装搅拌器。
搅拌器的安装要求槽体内的物质能够充分混合,搅拌过程中不产生过多的机械能,并且能够提供足够的搅拌功率。
6. 安装加热或冷却装置:根据实验或生产需要,安装加热或冷却装置。
加热装置通常采用电加热器或热水循环系统,冷却装置通常采用冷却水或冷却气体。
安装时要确保加热或冷却效果良好,并且能够精确控制温度。
7. 安装安全装置:根据实验或生产的特点,安装相应的安全装置。
例如,压力表、温度控制器、液位控制器等。
安装这些安全装置可以及时监测巴歇尔槽内的压力、温度和液位等参数,以保证实验或生产的安全。
二、巴歇尔槽安装的注意事项:1. 安装环境:巴歇尔槽应安装在通风良好、无腐蚀性气体和粉尘的环境中。
避免阳光直射以及与易燃、易爆物质接触。
2. 安装位置:巴歇尔槽应放置在平稳的地面或支架上,确保其稳定性。
避免放置在震动或倾斜的地方。
3. 安装材料:选择适用于巴歇尔槽的材料。
根据不同的实验或生产需求,选择耐腐蚀、耐高温或耐低温的材料。
巴歇尔槽常见安装方式及安装注意
事项
欧阳家百(2021.03.07)
一、巴歇尔槽放入明渠中,保持槽子水平,巴歇尔槽的中心线要与渠道的中心线重合,使水流进入巴歇尔槽不出现偏流。
巴歇尔槽通水后,水的流态要自由流。
巴歇尔槽的淹没度要小于规定的临界淹没度。
要求:
(1)保持巴歇尔槽下游排放畅通。
不积水,如不畅通。
保持水位差大于或等于30MM。
(2)巴歇尔槽前直段有1~3米的距离缓冲区,缓冲渠应和槽子底部水平,有便于超声波的测量。
(3)必须保证巴歇尔槽下游有水位差,排放畅通,不会积水。
二、在巴歇尔槽左右用混凝土浇灌或用砖累起,保证槽子不变形,大槽子内部要有支撑,保证槽子不凸出。
保证水流全部从巴歇尔槽经过。
巴歇尔槽安装一定是要水平。
如果槽子距渠道距离过大,用砖垒砌使槽子和砖距离始终保持50~100毫米,然后用水泥砂浆填满。
要求:
巴歇尔槽安装在渠道上要牢固。
与渠道侧壁、渠底连结要紧密,不能漏水。
使水流全部流经巴歇尔槽的计量部位,巴歇尔槽的计量部位是槽内喉道段。
巴歇尔槽常见安装方式:。
巴氏计量槽安装事项
安装
1、巴歇尔槽的尺寸与渠道安装有关,请用户根据现场情况而定。
有些可以直接安装在流通过程中,有些可以安装在排水口的末端。
但是按照国家标准,通常是放置在流通过程中部。
上面安装明渠流量计。
2、根据标准,巴歇尔槽的形状是固定好的,必须包含收缩段、喉道段、扩展段三个部分。
每个型号的巴歇尔槽都有固定的标准尺寸。
3、根据不同的流量情况,选择大小不同的巴歇尔槽。
比如一个排水设施每小时大排放70立方的水,小可能不排放。
白天排放,晚上不排放等等。
可以从下表中查出适合的型号。
如果选择2号槽,显然大排量的时候会溢出槽体。
就应该选择3号槽。
尽管低水量可能是0,但是现在的明渠流量计都很精密,完全可以符合要求。
注意事项:
•巴歇尔槽的中心线要与渠道的中心线重合,使水流进入巴歇尔槽不出现偏流。
•巴歇尔槽通水后,水的流态要自由流。
巴歇尔槽的淹没度要小于规定的临界淹没度。
•巴歇尔槽的上游应大于渠道宽的5倍平直段,使水流能平稳进入巴歇尔槽。
即没有左右偏流,也没有渠道坡降形成的冲力。
•巴歇尔槽安装在渠道上要牢固。
与渠道侧壁、渠底连结要紧密,不能漏水。
使水流全部流经巴歇尔槽的计量部位。
巴歇尔槽的计量部位是槽内喉道段。
巴歇尔槽常见安装方式及安装注意事项
一、巴歇尔槽放入明渠中,保持槽子水平,巴歇尔槽的中心线要与渠道的中心线重合,使水流进入巴歇尔槽不出现偏流。
巴歇尔槽通水后,水的流态要自由流。
巴歇尔槽的淹没度要小于规定的临界淹没度。
要求:
(1)保持巴歇尔槽下游排放畅通。
不积水,如不畅通。
保持水位差大于或等于30MM。
(2)巴歇尔槽前直段有1~3米的距离缓冲区,缓冲渠应和槽子底部水平,有便于超声波的测量。
(3)必须保证巴歇尔槽下游有水位差,排放畅通,不会积水。
二、在巴歇尔槽左右用混凝土浇灌或用砖累起,保证槽子不变形,大槽子内部要有支撑,保证槽子不凸出。
保证水流全部从巴歇尔槽经过。
巴歇尔槽安装一定是要水平。
如果槽子距渠道距离过大,用砖垒砌使槽子和砖距离始终保持50~100毫米,然后用水泥砂浆填满。
要求:
巴歇尔槽安装在渠道上要牢固。
与渠道侧壁、渠底连结要紧密,不能漏水。
使水流全部流经巴歇尔槽的计量部位,巴歇尔槽的计量部位是槽内喉道段。
巴歇尔槽常见安装方式:
. .。
巴氏计量槽安装事项
安装
1、巴歇尔槽的尺寸与渠道安装有关,请用户根据现场情况而定。
有些可以直接安装在流通过程中,有些可以安装在排水口的末端。
但是按照国家标准,通常是放置在流通过程中部。
上面安装明渠流量计。
2、根据标准,巴歇尔槽的形状是固定好的,必须包含收缩段、喉道段、扩展段三个部分。
每个型号的巴歇尔槽都有固定的标准尺寸。
3、根据不同的流量情况,选择大小不同的巴歇尔槽。
比如一个排水设施每小时大排放70立方的水,小可能不排放。
白天排放,晚上不排放等等。
可以从下表中查出适合的型号。
如果选择2号槽,显然大排量的时候会溢出槽体。
就应该选择3号槽。
尽管低水量可能是0,但是现在的明渠流量计都很精密,完全可以符合要求。
注意事项:
•巴歇尔槽的中心线要与渠道的中心线重合,使水流进入巴歇尔槽不出现偏流。
•巴歇尔槽通水后,水的流态要自由流。
巴歇尔槽的淹没度要小于规定的临界淹没度。
•巴歇尔槽的上游应大于渠道宽的5倍平直段,使水流能平稳进入巴歇尔槽。
即没有左右偏流,也没有渠道坡降形成的冲力。
•巴歇尔槽安装在渠道上要牢固。
与渠道侧壁、渠底连结要紧密,不能漏水。
使水流全部流经巴歇尔槽的计量部位。
巴歇尔槽的计量部位是槽内喉道段。
巴歇尔槽罕见装置方式及装置注意事项之欧侯瑞魂创
作
一、巴歇尔槽放入明渠中,坚持槽子水平,巴歇尔槽的中心线要与渠道的中心线重合,使水流进入巴歇尔槽不出现偏流。
巴歇尔槽通水后,水的流态要自由流。
巴歇尔槽的淹没度要小于规定的临界淹没度。
要求:
(1)坚持巴歇尔槽下游排放疏通。
不积水,如不疏通。
坚持水位差大于或等于30MM。
(2)巴歇尔槽前直段有1~3米的距离缓冲区,缓冲渠应和槽子底部水平,有便于超声波的丈量。
(3)必须包管巴歇尔槽下游有水位差,排放疏通,不会积水。
二、在巴歇尔槽左右用混凝土浇灌或用砖累起,包管槽子不变形,大槽子内部要有支撑,包管槽子不凸出。
包管水流全部从巴歇尔槽经过。
巴歇尔槽装置一定是要水平。
如果槽子距渠道距离过大,用砖垒砌使槽子和砖距离始终坚持50~100毫米,然后用水泥砂浆填满。
要求:
巴歇尔槽装置在渠道上要牢固。
与渠道侧壁、渠底连结要紧密,不克不及漏水。
使水流全部流经巴歇尔槽的计量部位,巴歇尔槽的计量部位是槽内喉道段。
巴歇尔槽罕见装置方式:。
巴氏计量槽安装注意事项
• 巴歇尔槽的中心线要与渠道的中心线重合,使水流进入巴歇尔槽不出现偏流。
• 巴歇尔槽通水后,水的流态要自由流。
巴歇尔槽的淹没度要小于规定的临界淹没度。
• 巴歇尔槽的上游应有大于5倍渠道宽的平直段,使水流能平稳进入巴歇尔槽。
即没有左右偏流,也没有渠道坡降形成的冲力。
• 巴歇尔槽安装在渠道上要牢固。
与渠道侧壁、渠底连结要紧密,不能漏水。
使水流全部流经巴歇尔槽的计量部位。
巴歇尔槽的计量部位是槽内喉道段。
巴氏计量槽安装说明书
1、巴歇尔槽的尺寸与渠道安装有关,请用户根据现场情况而定。
有些可以直接安装在流通过程中,有些可以安装在排水口的末端。
但是按照国家标准,通常是放置在流通过程中部。
上面安装明渠流量计。
2、根据标准,巴歇尔槽的形状是固定好的,必须包含收缩段、喉道段、扩展段三个部分。
每个型号的巴歇尔槽都有固定的标准尺寸。
3、根据不同的流量情况,选择大小不同的巴歇尔槽。
比如一个排水设施每小时大排放70立方的水,小可能不排放。
白天排放,晚上不排放等等。
可以从下表中查出适合的型号。
如果选择2号槽,显然大排量的时候会溢出槽体。
就应该选择3号槽。
尽管低水量可能是0,但是现在的明渠流量计都很精密,完全可以符合要求。
注意事项:
巴歇尔槽的中心线要与渠道的中心线重合,使水流进入巴歇尔槽不出现偏流。
巴歇尔槽通水后,水的流态要自由流。
巴歇尔槽的淹没度要小于规定的临界淹没度。
巴歇尔槽的上游应大于渠道宽的5倍平直段,使水流能平稳进入巴歇尔槽。
即没有左右偏流,也没有渠道坡降形成的冲力。
巴歇尔槽安装在渠道上要牢固。
与渠道侧壁、渠底连结要紧密,不能漏水。
使水流全部流经巴歇尔槽的计量部位。
巴歇尔槽的计量部位是槽内喉道段。
巴歇尔槽常见安装方式及安装注意事项
一、巴歇尔槽放入明渠中,保持槽子水平,巴歇尔槽的中心线要与渠道的中心线重合,使水流进入巴歇尔槽不出现偏流。
巴歇尔槽通水后,水的流态要自由流。
巴歇尔槽的淹没度要小于规定的临界淹没度。
要求:
(1)保持巴歇尔槽下游排放畅通。
不积水,如不畅通。
保持水位差大于或等于30MM。
(2)巴歇尔槽前直段有1~3米的距离缓冲区,缓冲渠应和槽子底部水平,有便于超声波的测量。
(3)必须保证巴歇尔槽下游有水位差,排放畅通,不会积水。
二、在巴歇尔槽左右用混凝土浇灌或用砖累起,保证槽子不变形,大槽子内部要有支撑,保证槽子不凸出。
保证水流全部从巴歇尔槽经过。
巴歇尔槽安装一定是要水平。
如果槽子距渠道距离过大,用砖垒砌使槽子和砖距离始终保持50~100毫米,然后用水泥砂浆填满。
要求:
巴歇尔槽安装在渠道上要牢固。
与渠道侧壁、渠底连结要紧密,不能漏水。
使水流全部流经巴歇尔槽的计量部位,巴歇尔槽的计量部位是槽内喉道段。
巴歇尔槽常见安装方式:。